地铁车站围护结构施工方案
- 格式:docx
- 大小:145.67 KB
- 文档页数:25
地铁围护桩施工方案一、施工原则1.安全第一:在整个施工过程中,要始终将安全放在第一位,严格按照相关法规和规范进行施工,确保施工人员的人身安全。
2.环保可持续:在施工过程中,要注重环境保护,合理利用资源,最大程度地减少对环境的破坏。
3.质量可靠:施工过程中要严格控制质量,确保工程的可靠性和长期使用性能。
4.顺利实施:制定详细的施工计划和施工方案,合理组织施工人员和机械设备,确保施工的顺利进行。
二、施工准备1.组织人员:成立专业施工团队,包括项目经理、施工工人、机械设备操作人员等,并配备专业技术人员进行指导。
2.采购设备:根据施工需要,购买各种必要的施工设备,如挖掘机、起重机、混凝土搅拌机等。
3.勘察设计:进行地铁围护桩的场地勘察和施工设计,确定施工的具体要求和工程量。
4.材料准备:根据设计要求,准备好所需要的施工材料,如钢筋、混凝土、模板等。
三、施工工序1.打桩:根据设计要求,选择合适的围护桩类型,采用振动沉桩或静压桩的方式进行打桩。
打桩前需进行桩基埋深、桩身长度、孔壁压力等参数的测量和计算,确保桩的稳定性和承载力。
2.浇筑混凝土:打桩完成后,根据设计要求,在围护桩之间设置模板,进行混凝土的浇筑。
在混凝土浇筑过程中,要保证混凝土的质量,并根据需要进行振捣,确保混凝土的致密性。
3.安装钢筋:混凝土浇筑完成后,在围护桩中设置钢筋架,根据设计要求进行钢筋的加固。
钢筋的安装要符合相关规范,错位量和弯曲度要控制在合理范围内。
4.施工间隔:在围护桩之间设置合适的间隔,以充分发挥围护桩的承载能力和抗侧移能力。
间隔的设置要根据不同的土质条件和设计要求进行调整。
5.检测验收:施工完成后,进行围护桩的质量检测和验收工作,包括桩身的垂直度、钢筋的数量和质量等。
合格后方可进行下一步的施工工序。
四、安全措施1.按照相关法规和规范,制定详细的安全操作规程,明确施工人员的职责和操作要求。
2.在施工现场设置明显的安全警示标志,确保施工人员的安全意识。
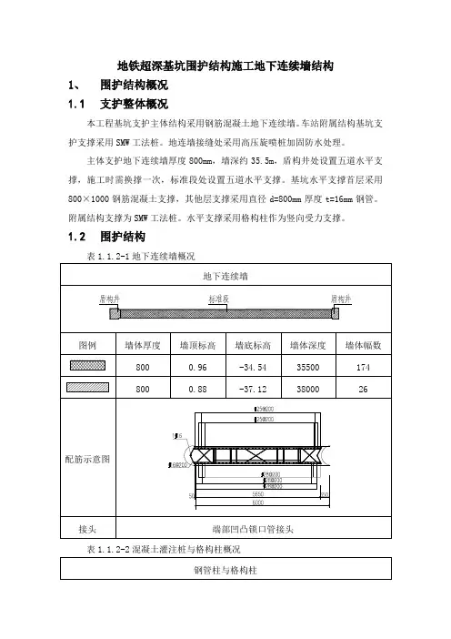
新建铁路珠机城际轨道交通工程拱北至横琴段湾仔站附属围护结构施工方案编制:审核:批准:中交珠海城际轨道交通项目二工区项目经理部年月日目录1编制依据 (3)1.1工程所在地的现场调查资料 (3)1.2主要施工及验收规范、规程及标准 (3)2工程概况 (3)2.1设计概况 (3)2.2工程地质与水文条件 (4)2.3工期要求 (5)3施工安排 (5)3.1施工组织机构 (5)3.2施工现场布置 (6)4施工准备 (7)4.1场地平整 (7)4.2现状管线拆改 (7)4.3劳动力准备 (7)4.4材料准备 (8)4.5机械准备 (8)4.6技术准备 (9)5施工方法及措施 (9)5.1测量放线 (9)5.2施工工艺流程 (9)5.3监控量测 (14)6质量验收及标准 (15)6.1质量目标 (15)6.2质量验收 (15)6.3质量保证措施 (18)6.4常见问题及处理措施 (18)7安全管理体系及保证措施 (22)7.1方针及目标 (22)7.2消防、保卫、职业健康安全工作措施 (22)7.3施工现场安全技术措施 (25)7.4重要安全控制措施 (26)8环境保护、文明施工管理体系及保证措施 (27)8.1自然环境保护 (27)8.2施工现场环保措施 (27)8.3施工现场噪音及灯光控制措施 (27)8.4施工污水处理 (28)8.5施工粉尘控制 (28)9突发事件应急预案 (29)9.1应急组织体系 (29)9.2应对突发事件的准备措施 (29)9.3应对突发事件的组织措施 (30)9.4应对突发事件的安全防范措施 (30)10雨季施工措施 (32)湾仔站出入口、风亭围护结构施工方案1编制依据1.1工程所在地的现场调查资料1.2主要施工及验收规范、规程及标准(1)湾仔站出入口风亭围护结构图纸(2)湾仔站围护结构施工图(3)《地下铁道工程施工及验收规范》(GB50299—1999(2003年版))(4)《铁路混凝土工程施工质量验收标准》(TB10424-2010)(5)《铁路工程基桩检测技术规程》(TB10218-2008)(6)《建筑基坑支护技术规程》(JGJ120—2012)(7)《钢筋机械连接通用技术规程》JGJ107-2010;(8)《施工现场临时用电安全技术规范》(JGJ46—2005)2工程概况2.1设计概况湾仔站位于南湾南路上方,沿南湾南路南北向布置。
随着城市化进程的加快,地铁交通作为重要的城市公共交通工具,其建设规模不断扩大。
地铁车站结构工程施工是地铁建设中的关键环节,其施工方法的选择对工程质量和安全具有重要意义。
本文将介绍几种常见的地铁车站结构工程施工方法。
一、明挖法明挖法是地铁车站结构工程施工中最常用的方法之一。
它适用于地表建筑物少、拆迁少、地表干扰小的地区。
明挖法按开挖方式分为放坡明挖和不放坡明挖两种。
1. 放坡明挖法:适用于埋深较浅、地下水位较低的城郊地段。
施工时,先对边坡进行坡面防护、锚喷支护或土钉墙支护,然后进行土方开挖。
2. 不放坡明挖法:适用于场地狭窄及地下水丰富的软弱围岩地区。
施工时,在围护结构内进行土方开挖,围护结构形式主要有地下连续墙、人工挖孔桩、钻孔灌注桩等。
明挖法的优点是施工作业面多、速度快、工期短、易保证工程质量、工程造价低等。
但其缺点是对周围环境影响较大,因此在地面交通和环境条件允许的地方,应尽可能采用。
二、盖挖法盖挖法是一种在地下进行施工的方法,适用于埋深较浅的地铁车站结构工程。
施工时,先在地面建造一个临时路面,然后在路面下方进行土方开挖和主体结构施工。
1. 盖挖顺作法:在棚盖结构施做后开挖到基坑底,再从下至上施作底板、边墙,最后完成顶板。
2. 盖挖逆作法:先施做车站周边围护桩和结构主体桩柱,然后将结构盖板置于桩(围护桩)、柱(钢管柱或混凝土柱)上,自上而下完成土方开挖和边墙、中隔板及底板衬砌的施工。
盖挖法的优点是施工速度快、对周围环境影响小、工期短等。
但其缺点是施工难度较大、造价较高。
三、暗挖法暗挖法是一种在地下进行施工的方法,适用于埋深较深的地铁车站结构工程。
施工时,先在地下进行土方开挖,然后进行主体结构施工。
暗挖法主要包括以下几种施工方法:1. 全断面开挖法:适用于地质条件较好的地层,施工速度快、工期短。
2. 分层开挖法:适用于地质条件复杂的地层,分层开挖可以降低施工风险。
3. 顶管法:适用于地下管线穿越地铁车站结构的情况,施工速度快、对周围环境影响小。
本项目为地铁车站主体基坑开挖专项施工,主要内容包括基坑围护结构施工、土方开挖、支撑施工等。
基坑位于城市中心区域,周边环境复杂,地质条件较为复杂。
为确保施工质量和安全,特制定以下专项施工方案。
二、施工组织与管理1. 施工单位应建立健全施工组织机构,明确各部门职责,确保施工顺利进行。
2. 施工单位应严格按照施工图纸、规范和标准进行施工,确保工程质量。
3. 施工单位应加强对施工现场的巡查,发现问题及时整改,确保施工安全。
三、施工技术1. 基坑围护结构施工(1)采用地下连续墙围护结构,墙体厚度为1.0m,采用C30混凝土。
(2)地下连续墙施工采用跳幅法,每幅墙长度为6m,幅间连接采用焊接或螺栓连接。
(3)地下连续墙施工前,应进行施工测量,确保墙体位置准确。
2. 土方开挖(1)土方开挖采用分层开挖,每层厚度为1.5m,确保开挖过程中土体稳定性。
(2)开挖过程中,应采用挖掘机、自卸汽车等设备进行运输,避免土方运输过程中的扬尘和污染。
(3)开挖过程中,应密切关注周边环境,如发现异常情况,应及时采取措施进行处理。
3. 支撑施工(1)支撑采用钢支撑,支撑间距为2.0m,支撑高度为2.5m。
(2)钢支撑安装前,应进行测量和定位,确保支撑位置准确。
(3)钢支撑安装后,应进行强度检测,确保满足设计要求。
四、安全措施1. 施工单位应制定详细的安全防护措施,确保施工人员安全。
2. 施工现场应设置安全警示标志,提醒施工人员注意安全。
3. 施工过程中,应加强施工现场巡查,发现问题及时整改。
4. 施工单位应定期对施工人员进行安全教育培训,提高安全意识。
五、环境保护措施1. 施工单位应制定环境保护措施,减少施工过程中对周边环境的影响。
2. 施工过程中,应采取洒水、覆盖等措施,降低扬尘污染。
3. 施工单位应加强施工现场的垃圾分类处理,确保垃圾得到妥善处置。
六、施工进度安排1. 基坑围护结构施工:预计工期为30天。
2. 土方开挖:预计工期为20天。
地铁车站基坑围护结构地下连续墙专项施工方案1.工程准备阶段:包括方案设计和施工组织设计。
方案设计要考虑到周围环境的特点和土质条件,以及车站的深度和规模。
施工组织设计要制定详细的施工方案和施工计划,确定施工的步骤和流程。
2.基坑开挖:首先进行土质勘察,确定地下连续墙的位置和尺寸。
然后使用挖掘机和其他工具进行基坑的开挖,注意控制土方的挖掘量和施工面的形状。
同时要注意地下水的排泄和处理,避免影响周围环境和建筑物。
3.基坑支护:在基坑开挖的同时,要进行基坑的支护工作。
可以采用混凝土梁、地下连续墙和预制桩来进行支护,根据实际情况选择合适的支护形式。
支护的目的是保护挖掘的土体不塌方,并能承受地面和建筑物的压力。
4.连续墙施工:地下连续墙的施工一般采用顶管钻机进行,先在基坑的边缘钻孔,然后将钢筋和钢挤浆管放入孔中,最后注入混凝土将孔口封堵。
钻孔的深度和直径要根据实际情况来确定,要保证连续墙的稳定性和承载力。
5.连续墙检测和验收:在连续墙施工完成后,要进行检测和验收。
主要是检查连续墙的质量和施工工艺是否符合要求。
可以采用非破坏检测和质量抽查的方法,对连续墙进行测试和评估,确保其安全可靠。
6.连续墙后续处理:地下连续墙的施工完成后,要进行地基处理和道路修复。
可以采用回填土、夯实地基和修复道路的方法,将基坑围护结构与周围环境进行有效的连接和衔接。
综上所述,地铁车站基坑围护结构地下连续墙专项施工方案是地铁车站施工中的一项重要工程,要根据实际情况制定详细的施工方案和施工计划,确保工程的质量和安全。
同时要进行严格的施工过程控制和质量监控,保证施工的顺利进行。
无锡市地铁2号线14标工程土建梅园站附属围护结构施工方案编制:审核:批准:中铁隧道集团三处有限公司无锡地铁2号线工程土建14标项目经理部2012年6月目录1、编制依据 (5)2、工程概况 (5)2.1地理位置 (5)2.2附属结构概况 (5)2.3管线情况 (6)2.4工程地质 (7)2.5水文地质 (9)2.5.1地表水 (9)2.5.2地下水 (9)3、施工部署 (10)3.1总体施工安排 (10)3.2资源配置 (12)4、围护结构施工 (13)4.1钻孔桩施工 (13)4.1.1钻孔桩施工工艺 (13)4.1.2 钻孔桩施工方法 (15)4.1.3 钻孔桩施工要点及质量检测要求 (22)4.2 SMW工法桩施工 (23)4.2.1 SMW工法桩施工工艺 (23)4.2.2 SMW工法桩桩施工步骤及施工方法 (24)4.3 土钉墙施工 (29)4.3.1土钉墙施工工艺 (29)4.3.2土钉墙施工方法 (30)4.4桩间网喷施工 (31)4.4.1桩间网喷施工工艺 (32)4.4.2桩间网喷施工方法 (32)4.5 钢管桩施工 (34)4.5.1钢管桩施工工艺 (34)4.5.1钢管桩施工方法 (34)4.6 钢双重管旋喷桩施工 (35)5、质量保证措施 (36)5.1质量目标 (36)5.2质量保证措施 (36)5.2.1质量体系保证措施 (36)5.2.2质量检查控制程序 (36)5.2.3质量教育保证措施 (36)5.2.4 制度保证措施 (39)5.2.5施工过程控制措施 (40)5.2.6质量技术保证措施 (41)5.3 钻孔桩施工质量保证措施 (44)5.3.1 混凝土质量保证措施 (44)5.3.2检测试验手段和措施 (46)5.4深层搅拌桩施工质量保证措施 (48)5.4.1施工主要控制要点 (48)5.4.2施工冷缝处理 (49)5.5土钉墙施工质量保证措施 (50)5.6桩间网喷施工质量保证措施 (50)5.7钢管桩施工质量保证措施 (51)5.8双重管旋喷桩施工质量保证措施 (51)6、安全技术管理措施 (52)6.1安全方针 (52)6.2安全目标 (52)6.3安全指标 (52)6.4安全管理机构 (52)6.5安全管理体系 (53)6.6安全管理制度 (53)6.7、施工用电安全保证技术要点 (56)6.8施工起吊作业安全保证技术要点 (57)7、文明施工及环境保护保证措施 (57)7.1文明施工 (57)8、工期保证措施 (58)9、冬季、雨季施工措施 (59)9.1冬季施工措施 (59)9.2雨季施工措施 (59)梅园站附属围护结构施工方案1、编制依据(1)无锡市地铁2号线14标土建工程招标文件;(2)无锡市地铁2号线工程施工设计图纸;(3)业主组织的现场踏勘所取得的资料;(4)与本工程相关的技术规范及施工工艺标准;(5)本单位所拥有的技术力量及机械配备水平;(6)本单位大量类似工程施工所积累的施工经验。
《地铁车站施工方案》一、项目背景随着城市的快速发展,人口的不断增长,交通拥堵问题日益严重。
为了缓解城市交通压力,提高居民出行效率,我市决定建设一条新的地铁线路。
本施工方案所涉及的地铁车站是该线路上的一个重要节点,位于城市中心区域,周边商业、住宅等建筑物密集,人流量大。
该车站的建设对于完善城市交通网络,提升城市形象具有重要意义。
二、施工步骤1. 施工准备阶段(1)组建施工项目部,明确各部门职责和人员分工。
(2)进行现场勘查,了解场地地形、地貌、地下管线等情况。
(3)编制施工组织设计、专项施工方案等技术文件,并报监理单位审批。
(4)搭建临时设施,包括办公区、生活区、材料堆放区等。
(5)组织施工人员、机械设备、材料等进场。
2. 围护结构施工(1)根据设计要求,采用地下连续墙、钻孔灌注桩等围护结构形式。
(2)进行地下连续墙施工时,先进行导墙施工,然后进行槽段开挖、钢筋笼制作与吊装、混凝土浇筑等工序。
(3)钻孔灌注桩施工时,采用旋挖钻机成孔,钢筋笼现场制作,吊车吊装入孔,水下混凝土灌注。
3. 土方开挖(1)根据围护结构的设计要求和施工进度安排,合理划分土方开挖区域。
(2)采用分层分段开挖的方式,每层开挖深度控制在设计要求范围内。
(3)在开挖过程中,及时进行支撑安装,确保围护结构的稳定性。
4. 主体结构施工(1)底板施工:在土方开挖至设计标高后,进行底板垫层施工,然后绑扎底板钢筋,浇筑底板混凝土。
(2)中板和顶板施工:在底板混凝土强度达到设计要求后,进行中板和顶板的支架搭设、模板安装、钢筋绑扎、混凝土浇筑等工序。
(3)侧墙施工:在底板和中板施工过程中,同步进行侧墙的施工,采用单侧支模或双侧支模的方式,确保侧墙的垂直度和平整度。
5. 附属结构施工(1)出入口、风亭等附属结构的施工应在主体结构施工完成后进行。
(2)附属结构的施工方法与主体结构类似,包括基础施工、结构施工、装修施工等。
6. 防水施工(1)在主体结构和附属结构施工过程中,同步进行防水施工。
地铁车站围护结构施工方案地铁车站的围护结构施工方案是为了确保地铁车站的安全和耐久性,以及保护周围环境和地质条件稳定。
本文将介绍一种较为常见的地铁车站围护结构施工方案。
一、前期准备工作(1)勘测:对地下管线、地质条件等进行勘测,并编制相关图纸和报告。
(2)环境保护:对施工现场及周边环境进行保护,并采取相应的措施减少噪音、振动和空气污染。
(3)临时设施:搭建施工用的临时设施,如办公室、仓库和工棚等。
(4)物资准备:准备所需的施工材料和设备,并做好物资管理和安全标志。
二、围护结构施工(1)基坑开挖:按照设计要求,采取适当的开挖方式进行基坑开挖,并采取支护措施防止坍塌。
(2)支护结构施工:按照设计图纸进行支护结构的施工,包括地下连续墙、横向支撑和纵向支护等。
(3)地下连续墙施工:采用钻孔灌注桩法或钻孔注浆法施工地下连续墙,保证墙体的垂直度和密实度。
(4)横向支撑施工:采用剪力墙、钢支撑或土工格栅等形式进行横向支撑的施工,提高围护结构的整体刚度。
(5)纵向支护施工:根据地质条件和设计要求,采取灌浆、喷射混凝土或爆破等方式进行纵向的支护施工。
(6)防水施工:在围护结构内部进行防水层的施工,采用涂料、胶泥或防水板等材料进行防水处理。
(7)边坡防护:对基坑边坡进行加固和防护,采取挡土墙、护坡植被和防滑排水等措施,防止边坡滑坡和坍塌。
(8)检测监控:设置地下水位监测、地表沉降和裂缝监测等装置,对围护结构进行实时的监控和检测。
(9)完工验收:经过施工完成后,进行围护结构的验收,确保施工质量和安全。
三、参考措施(1)加强施工人员的安全教育和培训,提高施工人员的安全意识和技能。
(2)建立健全的施工组织机构,明确施工任务和责任,确保施工进度和质量。
(3)加强施工现场管理,定期进行安全检查和整改,并建立施工记录和档案。
(4)采用适当的土方开挖方式,根据地质条件和水文条件选择合适的支护方式。
(5)严格按照设计要求进行施工,包括土方开挖、支护结构和防水等方面的要求。
围护结构施工方案本车站工程基坑开挖前,先进行围护结构的施工,基坑支护设计 为密排混凝土灌注桩①800@900作为围护结构,车站部分和折返线 采用外贴双排①600@450水泥搅拌桩作为止水帷幕,出入口、风道 采用外贴单层①600@450水泥搅拌桩作为止水帷幕。
车站基坑支护结构平面布置见图6-1。
图6-1车站基坑支护结构平面布置示意图 1密排钻孔灌注桩 1.1 施工顺序采取隔桩施工方法,分两序作业。
先施工一序孔,待一序孔混凝 土达到设计强度70%后,再施工二序孔。
水泥土搅拌桩150 1 )0 .50, J $ J 『J w J J止水帷幕(双排水泥土搅拌桩)平面布置示意图压顶粱与支护桩平面位置示意图基坑外侧 水泥土搅拌桩灌注桩与搅拌桩相对位置示意图注:1、图中尺寸单位为mm 。
2、止水帷幕与该处围护桩深度相 同,车站及折返线桩长22.7m ,风机房 桩长16皿,出入口桩长13m 。
3、车站主体和折返线部分外贴双 排水泥土搅拌桩,风机房和出入口外贴 单排水泥土搅拌桩。
钻孔灌注桩施工顺序示意图见图6-2。
图6-2钻孔灌注桩施工顺序示意图1.2施工方法钻孔采用GPS-10型回转钻机,根据本合同段地区的地质特点,采用湿式泥浆护壁,泥浆正循环回转法成孔工艺。
现场绑扎钢筋笼,汽车吊配合人工分节吊装安放,搅拌运输车运送商品混凝土,导管法灌注水下混凝土。
钻孔灌注桩施工程序见图6-3。
(a) (b) (c) (d) (e) (f) (g) (h) (i)(a)设置护筒;(b)安装钻机,钻进;(c)钻挖终了,第一次清孔;(d)孔壁测定;3)插入钢筋笼;(力插入导管;(g)第二次清孔;(h)灌注混凝土,拔出导管;(i)拔出护筒图6-3钻孔灌注桩施工程序示意图1.3施工工艺一、工艺流程图6-4钻孔灌注桩施工工艺流程图二、工艺要点1、施工准备桩基施工前,清除桩基位置上的杂物,整平场地,确认地下管线处理完毕,使机械能顺利进场,且施工中钻机保持稳定。
目录一、编制依据〃〃〃〃〃〃〃〃〃〃〃〃〃〃〃〃〃〃〃〃〃〃〃〃〃〃〃〃〃2二、工程概况〃〃〃〃〃〃〃〃〃〃〃〃〃〃〃〃〃〃〃〃〃〃〃〃〃〃〃〃〃2三、工程地质及水文地质〃〃〃〃〃〃〃〃〃〃〃〃〃〃〃〃〃〃〃〃〃〃〃〃23、1工程地质〃〃〃〃〃〃〃〃〃〃〃〃〃〃〃〃〃〃〃〃〃〃〃〃〃〃〃23、2水文地质〃〃〃〃〃〃〃〃〃〃〃〃〃〃〃〃〃〃〃〃〃〃〃〃〃〃〃3四、总体施工安排〃〃〃〃〃〃〃〃〃〃〃〃〃〃〃〃〃〃〃〃〃〃〃〃〃〃〃34.1施工方案〃〃〃〃〃〃〃〃〃〃〃〃〃〃〃〃〃〃〃〃〃〃〃〃〃〃〃〃34.2施工场地布臵〃〃〃〃〃〃〃〃〃〃〃〃〃〃〃〃〃〃〃〃〃〃〃〃〃〃34.3施工进度计划〃〃〃〃〃〃〃〃〃〃〃〃〃〃〃〃〃〃〃〃〃〃〃〃〃〃34.4劳动力计划〃〃〃〃〃〃〃〃〃〃〃〃〃〃〃〃〃〃〃〃〃〃〃〃〃〃〃34.5机械设备配臵计划〃〃〃〃〃〃〃〃〃〃〃〃〃〃〃〃〃〃〃〃〃〃〃〃3五、围护桩施工方案〃〃〃〃〃〃〃〃〃〃〃〃〃〃〃〃〃〃〃〃〃〃〃〃〃〃55.1 总体施工流程〃〃〃〃〃〃〃〃〃〃〃〃〃〃〃〃〃〃〃〃〃〃〃〃〃55.2钻孔灌注桩施工〃〃〃〃〃〃〃〃〃〃〃〃〃〃〃〃〃〃〃〃〃〃〃〃〃5六、施工测量与监测〃〃〃〃〃〃〃〃〃〃〃〃〃〃〃〃〃〃〃〃〃〃〃〃〃156.1 施工测量技术要求〃〃〃〃〃〃〃〃〃〃〃〃〃〃〃〃〃〃〃〃〃〃156.2 桩位放样〃〃〃〃〃〃〃〃〃〃〃〃〃〃〃〃〃〃〃〃〃〃〃〃〃〃156.3 高程控制测量〃〃〃〃〃〃〃〃〃〃〃〃〃〃〃〃〃〃〃〃〃〃〃〃156.4监测准备〃〃〃〃〃〃〃〃〃〃〃〃〃〃〃〃〃〃〃〃〃〃〃〃〃〃〃15七、安全技术措施〃〃〃〃〃〃〃〃〃〃〃〃〃〃〃〃〃〃〃〃〃〃〃〃〃〃167.1钻孔桩施工安全措施〃〃〃〃〃〃〃〃〃〃〃〃〃〃〃〃〃〃〃〃〃〃167.2钢筋笼加工安全措施〃〃〃〃〃〃〃〃〃〃〃〃〃〃〃〃〃〃〃〃〃〃167.3混凝土灌注安全措施〃〃〃〃〃〃〃〃〃〃〃〃〃〃〃〃〃〃〃〃〃〃16八、质量保证措施〃〃〃〃〃〃〃〃〃〃〃〃〃〃〃〃〃〃〃〃〃〃〃〃〃〃17九、文明施工、环保、职业健康措施〃〃〃〃〃〃〃〃〃〃〃〃〃〃〃〃〃〃189.1文明施工措施〃〃〃〃〃〃〃〃〃〃〃〃〃〃〃〃〃〃〃〃〃〃〃〃〃189.2环境保护措施〃〃〃〃〃〃〃〃〃〃〃〃〃〃〃〃〃〃〃〃〃〃〃〃〃189.3职业健康措施〃〃〃〃〃〃〃〃〃〃〃〃〃〃〃〃〃〃〃〃〃〃〃〃〃19大红门车站3号出入口1号疏散口围护结构施工方案一、编制依据1)北京地铁十号线二期05合同段土建施工合同;2)北京地铁十号线二期工程大红门车站附属结构施工图(3号出入口,1、2号风道)结构施工设计图纸;3)现场调查所获得的资料;4)国家相关行业现行的技术规范、验收标准;5)北京航天勘察设计研究院下发的地质详勘。
围护构造施工方案目录1.概述............................................................................................................................... 错误!未定义书签。
1.1 设计概况........................................................................................................... 错误!未定义书签。
1.2 重要工程量....................................................................................................... 错误!未定义书签。
1.3 周围环境........................................................................................................... 错误!未定义书签。
1.4 地质概况........................................................................................................... 错误!未定义书签。
1.4.1工程地质................................................................................................. 错误!未定义书签。
1.4.2水文地质................................................................................................. 错误!未定义书签。
地铁车站附属围护结构施工方案地铁车站的附属围护结构是指建筑物周围的围墙、围挡等结构,用于保护车站建筑和乘客安全,并起到美化环境的作用。
本文将从施工方法、材料选择、安全措施等方面介绍地铁车站附属围护结构的施工方案。
一、施工方法1.土方开挖:首先进行土方开挖,按照设计要求进行开挖,并对土方进行勘探和检测,确保土质稳定,并及时清除杂物和陷坑。
2.地基处理:根据地质调查和设计要求,对地基进行加固处理,以确保地基承载力满足要求。
可采取灌注桩、钢筋混凝土桩等加固措施。
3.基础施工:进行基础的浇筑,可以选择钢筋混凝土基础、桩基础等形式,根据设计要求进行施工,确保基础的稳固性。
4.结构施工:根据设计要求,施工围墙、围挡等结构,可采用预制构件、现浇混凝土等施工方式。
二、材料选择1.混凝土:用于浇筑基础和结构,应选择强度高、耐久性好、抗震性强的混凝土。
2.钢筋:用于混凝土的加固,应选择强度高、耐腐蚀的钢筋,根据设计要求进行配置和施工。
3.围墙材料:可选择砖石、玻璃、钢筋混凝土等材料,根据车站的风格和设计要求进行选择。
三、安全措施1.施工员工安全:施工期间,要确保施工员工的安全,配备必要的劳动保护用品,进行安全教育和培训,并加强现场管理和巡查,确保员工遵守安全规章制度。
2.施工现场安全:施工现场要进行合理的划分,设置安全警示标志和警示线,避免行人和车辆进入施工区域。
3.设备安全:施工中使用的设备要经过检测和维护,确保设备的安全性和可靠性,避免设备故障引发的事故。
4.施工围挡:施工期间,要设置临时围挡,有效隔离施工区域,防止材料和设备的掉落,保护行人和施工人员的安全。
四、工期计划1.确定施工任务和工期目标,制定详细的工作计划表。
2.合理安排施工队伍,确保施工人员的配备和配合。
3.针对施工过程中可能遇到的问题,制定应急预案,确保施工进度。
在施工过程中,还需要注意环保要求,遵守相关法规,减少噪音、粉尘污染等对周边环境的影响。
第六篇施工方法说明书及附图第一章概述1.编制原则、依据和说明1.1编制说明根据业主提供的招标文件、设计图纸等资料,在认真研究,充分领会业主对工期、造价、质量、管理以及维护安全稳妥的施工环境意图的基础上,充分考虑我集团公司现有的施工技术水平、施工管理水平和机械配套能力,围绕安全、质量、加快进度和节省造价的目标进行编制。
在编制过程中,我们充分吸取我集团公司在以往类似工程施工中取得的成功经验,在施工组织、方案及相应管理、保证体系等方面,最大限度的运用我集团公司已熟练掌握的新技术、新工艺、新设备等,以及委托xx省建科建筑设计院所做的方案设计成果,本着满足“符合性、响应性、完整性”的原则来编写本篇内容。
1.2.编制原则(1)确保设计方案安全可靠;技术方案针对性强、操作性强;施工方案经济、合理。
坚持技术先进性、科学合理性、经济适用性与实事求是相结合。
根据工程项目工程地质、水文地质、周边环境、线路、工期要求等条件选择最具实用性的施工方案和机具设备。
(2)以确保工期并适当提前为原则,安排施工进度计划。
(3)以确保质量目标为原则,安排专业化施工队伍,配备配套的机械设备,采用先进的施工方法。
(4)以确保安全生产、文明施工为原则制订各项措施,严格执行安全操作规程。
使施工现场全过程处于严密监控状态。
(5)以节约用地、有利生产、方便生活为目标布置施工总平面。
(6)按照上。
9002质量管理体系的标准,控制施工的全过程。
采用先进的量测仪器和软件进行信息化施工和管理;以优化施工工艺,提高效率为原则,降低施工成本。
(7)响应招标文件各项条款要求,认真贯彻业主的指示、指令和要求。
标书中的承诺是本投标人的行动准则。
1.3编制依据(1)xx市轨道交通六号线工程施工三标段(xx站)土建工程招标文件(XX市地下铁道总公司,2005年11月);(2)xx市轨道交通六号线工程施工三标段(xx站)土建工程招标设计图、设计说明书(XX省建科建筑设计院,2005年11月);(3)xx市轨道交通六号线A标段详细勘察阶段岩土工程勘察报告《xx站第一次报告》(xx省重工建筑设计院,2005年6月);(4)xx市轨道交通六号线工程xx站详细勘察阶段《第二次岩土工程勘察报告》(xx省重工建筑设计院,2005年7月);(5)由业主组织的现场实地勘察、标签会议、补遗;(6)国家、xx省及xx市现行有关设计及施工、验收规范和标准;(7)我公司类似工程施工经验、机械设备和技术装备。
围护结构施工方案本车站工程基坑开挖前,先进行围护结构的施工,基坑支护设计为密排混凝土灌注桩φ800@900作为围护结构,车站部分和折返线土达到设计强度70%后,再施工二序孔。
钻孔采用GPS-10型回转钻机,根据本合同段地区的地质特点,采用湿式泥浆护壁,泥浆正循环回转法成孔工艺。
现场绑扎钢筋笼,汽车吊配合人工分节吊装安放,搅拌运输车运送商品混凝土,导管法灌注水下混凝土。
钻孔灌注桩施工程序见图6-3。
一、工艺流程钻孔灌注桩施工工艺流程见图6-4。
图6-4 钻孔灌注桩施工工艺流程图二、工艺要点1、施工准备桩基施工前,清除桩基位置上的杂物,整平场地,确认地下管线处理完毕,使机械能顺利进场,且施工中钻机保持稳定。
采用全站仪、经纬仪测定桩孔位置,并埋设孔位护桩。
2、泥浆制备正循环成孔的泥浆系统由泥浆池、沉淀池、循环槽、泥浆泵等设施设备组成,为最大限度减少对环境的影响,利用集装箱制作活动泥浆池,选用优质膨润土造浆,并投放一定量的Na2CO3,以降低地下水酸性腐蚀的影响,泥浆比重控制在1.1~1.3范围。
试验泥浆的全部性能指标,并在钻进中定期检验泥浆比重、粘度、含砂率、胶体率等,填写泥浆试验记录表。
泥浆循环使用,废弃泥浆沉淀后运至业主指定的位置进行处理。
钻孔用泥浆技术指标见表6-1。
泥浆技术指标表表6-13、埋设护筒孔口护筒采用4~6mm厚钢板制作,内径比桩径大10cm。
采用人工开挖埋设护筒,护筒底部与土层相接处用粘土夯实,护筒外面与原土之间用粘土填满、夯实,严防地表水顺该处渗入。
顶部高出施工地面30cm~40cm,护筒底埋入原土深度在20cm以上。
护筒埋设竖直准确,护筒中心与桩位中心偏差小于20m,护筒竖向的倾斜度不大于1%。
4、成孔试验施工时先在不同区段进行成孔试验,根据地质条件、钻机性能等选择合理的泥浆配置、各阶段的进尺速度、清孔方式与时间等钻进参数。
获取较为详细的地质条件参数和可靠的钻孔参数,并根据获得的技术数据及时修正钻孔参数,以保证钻孔质量。
5、成孔(1)、钻孔钻机就位时用方木垫平,钻机定位要准确、水平、稳定,将钻头中心线对准桩孔中心,钻机回转盘中心与护筒中心,差控制在2cm以内。
钻孔过程中,孔内严格保持泥浆稠度适当、水位稳定,及时添加泥浆,以维持孔内水头差,防止坍孔。
并对钻碴作取样分析,核对设计地质资料,根据地层变化情况,采用相应的钻进参数、泥浆稠度。
钻进过程中,经常测定钻孔深度、倾斜度,发现问题,及时处理。
(2)、故障预防与处理①、钻孔偏斜安装钻机时保证钻杆、钻头及护筒三者均在同一竖直线上,并经常进行检查校正。
钻杆、接头及时调整,防止弯曲。
在出现钻孔偏斜后,查明偏斜位置和深度,一般在偏斜处反复扫孔,使钻孔垂直。
倾斜严重时回填粘土到偏斜处,待沉积密实后重新施钻。
②、糊钻在软塑状土层中旋转钻进时,因进尺快、钻碴大,出浆口堵塞后易造成糊钻(吸钻)。
一般采取控制进尺速度,选用刮板齿小,出浆口大的钻头,以防糊钻。
如糊钻严重,将钻头提出孔口,清除钻头残碴。
③、缩孔、扩孔施工时为防止缩孔采用上下反复扫孔的方法,并及时补焊钻头,防止因钻头磨耗使钻孔孔径小于设计桩径。
防止扩孔采取加大泥浆比重、控制进尺速度的方法。
(3)、施工注意事项①、保证钻杆垂直,初钻时,以低档慢速钻进,且护筒内有一定数量的泥浆后方可钻进,每台钻机配备两套泥浆泵轮换使用,经常检查排浆系统,加速泥浆循环。
②、根据不同土层,选用不同的钻进速度和钻进方式。
③、起落钻头均匀,避免撞击孔壁;接卸钻杆时采取可靠措施,严防钻头脱落;钻杆拆除后,进行检查清理,涂油保养。
(4)、成孔质量检查钻进成孔后及时进行质量检查,质量标准见表6-2。
钻进成孔质量标准表表6-26、第一次清孔清孔的目的是使孔底沉碴(虚土)、泥浆浓度、泥浆中含钻碴量和孔壁厚度符合规范质量要求和设计要求,为灌注混凝土创造良好的条件。
钻孔至设计高程,经过检查,孔深、孔径、孔的偏斜符合要求后,将钻渣抽净。
本工程所处区域地质情况较差,为粘土和粉质粘土,清孔采用泥浆循环换浆法,在钻进至设计深度后,稍稍提起钻头,同时保持原有的泥浆比重进行循环浮碴,随着残存钻碴的不断浮出,孔内泥浆比重和含量不断降低,然后注入清水继续循环置换,随时检查清孔质量;个别孔底沉渣采用泥浆泵吸出的方式进行清孔。
清孔应符合下列规定:距孔底0.2~1.0m范围内的泥浆相对密度控制在1.15~1.25,含砂率≤10%,粘度≤28s。
清孔过程中必须及时补给足够的泥浆以保持孔内浆液面的稳定;第一次清孔结束后,孔底沉碴允许厚度为200~300mm。
7、绑扎、吊装钢筋笼(1)、钢筋笼绑扎钢筋笼在钢筋加工厂严格按设计和规范要求制作。
分段制作的钢筋笼长度以5~8m为宜,钢筋笼制作偏差要求见表6-3。
钢筋笼制作偏差要求表表6-3(2)、钢筋笼的吊装钢筋笼在制作、运输和安装过程中要采取措施,防止不可恢复的变形,并设置保护垫块。
在确认清孔完成并符合设计要求后,将焊接好的钢筋笼骨架分段用汽车吊吊入桩孔,吊入下段后将其临时固定在孔口位置,再吊放上段钢筋笼,并在孔口与下段钢筋笼进行对接;钢筋笼对接采用帮条搭接、双面焊缝,并在下段钢筋上焊好帮条,在上、下段钢筋笼对位固定好后进行焊接。
对接完成后下放至设计深度,并在孔口牢固定位,以免在灌注混凝土过程中发生浮笼现象。
钢筋笼露出桩顶设计标高不小于30d,以满足在压顶梁中的锚固要求。
图6-5 钢筋笼吊放程序图8、导管安装导管用Ф219mm的钢管,壁厚3mm,每节长2.0~5.0m,配1~2节长1.0~1.5m短管,由管端粗丝扣、法兰螺栓连接,接头处用橡胶圈密封防水,并对导管作水压和接头抗拉试验,保证不漏水。
混凝土浇注架用型钢制作,用于支撑悬吊导管,吊挂钢筋笼,上部放置混凝土漏斗。
9、第二次清孔在第一次清孔达到要求后,由于要安放钢筋笼及导管,至浇注混凝土的时间间隙较长,孔底又会产生沉碴,所以待安放钢筋笼及导管就绪后,再利用导管进行第二次清孔。
清孔的方法是在导管顶部安装一个弯头和皮笼,用泵将泥浆压入导管内,再从孔底沿着导管外置换沉碴。
清孔标准是孔深达到设计要求,孔底泥浆密度≤1.15,复测沉碴厚度在200mm以内,此时清孔就算完成,立即灌注混凝土。
10、灌注水下混凝土(1)、采用商品混凝土,由搅拌运输车运送至孔位灌注。
(2)、先灌入桩尖首批混凝土,首批混凝土要经过计算,使其有一定的冲击能量,能把泥浆从导管中排出,并能把导管下口埋入混凝土不小于1m深;桩尖最先灌注的0.5~1.0m3混凝土采用稠度和强度与设计混凝土相同的灰浆。
(3)、开导管用混凝土隔水栓,隔水栓预先用8号铁丝悬吊在混凝土漏斗下口,当混凝土装满后,剪断铁丝,混凝土即下沉至孔底,排开泥浆,埋住导管口。
(4)、随着灌注连续进行,随拔管,中途停歇时间不超过15min。
在整个灌注过程中,导管在混凝土埋深以1.5~4m为宜,既不能小于1.5m也不能大于6m。
由专人测量导管埋置深度及管内外混凝土面的高差,及时填写水下混凝土浇注记录。
(5)、利用导管内的混凝土的超压力使混凝土的浇注面逐渐上升,上升速度不低于2m/h,直至高于设计标高1.0m左右,在灌注过程中,当导管内混凝土含有空气时,后续混凝土宜通过溜槽慢慢地注入漏斗和导管,不得将混凝土整斗从上面倾入导管内,以免导管内形成高压气囊,挤出管节间的橡胶垫而使导管漏水;同时,对灌注过程中的一切故障均记录备案。
(6)、考虑桩顶混凝土将被凿除,灌注时水下混凝土的顶面标高按高出桩顶设计高程1.0m控制,以保证桩顶混凝土的强度质量,避免因此而造成桩头强度不满足要求的质量问题。
灌注充盈系数(实际灌注混凝土体积与设计桩身计算体积之比)不小于1,一般土质为1.1,软土为1.2~1.3。
(7)、在灌注将近结束时,在孔内注入适量清水使孔内泥浆稀释,排出孔外,保证泥浆全部排出。
(8)、浇筑压顶梁前,清理桩顶残渣、浮土和积水,并进行凿毛处理至设计标高。
见导管法灌注桩施工程序图6-6。
图6-6 导管法灌注桩施工流程图11、桩机移位在上一根桩的钻孔及第一次清孔完成后,移动钻机至下一桩位,开始进行下一根桩的钻孔施工,同时开始进行上一根桩的桩身混凝土灌注。
1.4 质量保证措施(1)、施工场地布置上,保证正循环作业时,冲洗液循环畅通,污水处理排放彻底,钻渣清除顺利。
施工过程中遵守下列规定:①、循环系统由泥浆池、沉淀池、循环槽、废浆池、泥浆泵、泥浆搅拌设备、钻渣分离装置等组成,并配有排水、清渣、排废浆设施和钻渣转运通道等。
采用集中搅拌泥浆,向各钻孔输送泥浆的方式。
②、为减小对环境的污染,泥浆池、沉淀池采用集装箱型式,沉淀池容积不小于6m3,泥浆池的容积为钻孔容积的1.2~1.5倍。
③、循环槽设1:200的坡度,断面面积能保证冲洗液正常循环而不外溢。
(2)、及时清除循环槽和沉淀池内沉淀的钻渣,必要时配备机械钻渣分离装置。
钻进过程中,根据冲洗液相对密度和粘度的变化,采用添加絮凝剂加快钻渣的絮沉,适时补充低相对密度、低粘度稀浆,或加入适量清水等措施,调整泥浆性能。
(3)、泥浆池、沉淀池和循环槽定期进行清理,清出的钻渣及时运出现场,防止钻渣废浆污染施工现场及周围环境。
(4)、正循环钻进时,注意以下事项:①、安装钻机时,转盘中心与钻架上吊滑轮在同一垂直线上,钻杆位置偏差不大于2cm。
②、根据土质情况,合理选择钻头和调配泥浆性能。
③、初钻时低档慢速钻进,使护筒刃脚处形成坚固的泥皮护壁,钻至护筒刃脚下1m后,按土质情况以正常速度钻进。
④、钻具下入孔内,钻头距孔底钻渣面50~80mm,并开动泥浆泵,使冲洗液循环2~3min。
然后开动钻机,慢慢将钻头放到孔底,轻压慢转数分钟后,逐渐增加转速和增大钻压,并适当控制钻速。
⑤、正常钻进时,合理调整钻进参数,不得随意提动孔内钻具。
操作时掌握升降机钢丝绳的松紧度,以减少钻杆、水龙头晃动。
钻进过程中,随时检查泥浆指标。
⑥、钻进过程中,防止扳手、管钳、垫叉等金属工具掉落孔内,损坏钻头。
⑦、如护筒底部土质松软出现漏浆时,提起钻头,向孔中倒入粘土块,再放入钻头倒转,使胶泥挤入孔壁堵住漏浆空隙,稳住泥浆后继续钻进。
⑧、钻进过程中,保持孔内泥浆液面稳定,且不低于自然地面30cm。
⑨、在相邻混凝土刚灌注完毕的邻桩旁成孔施工,距离控制不小于4倍的桩径,即3.2m,或最少时间间隔不少于36h。
(5)、清孔过程中及时补给足够的泥浆以保持孔内泥浆液面的稳定。
(6)、钢筋笼在制作、运输和安装过程中采取有效措施,防止发生不可恢复的变形,并设置保护垫块。
钢筋笼内径比导管接头外径大100mm以上。
(7)、钢筋笼吊放入孔时不得碰撞孔壁,其顶面、底面的标高、平面位置符合设计要求,误差不大于50mm.。
(8)、各工序连续进行,钢筋笼放入孔内后,进行第二次清孔,在测得沉淤厚度符合规定后半小时内灌注混凝土,灌注充盈系数不小于1。