信息系统基本情况调查表
- 格式:pdf
- 大小:330.71 KB
- 文档页数:28
《省级政务信息系统调查表》填表说明为有效推动省级政务信息资源整合共享,准确掌握我省政务信息化发展现状,近期将组织省有关单位填报政务信息系统调查表,对全省政务信息系统进行专项普查。
政务信息系统调查表共设计6个调查子表,186个分项指标。
主要调查统计省级政务信息系统相关的单位基本情况、机房、网络、支撑系统、应用系统五个方面的情况。
调查表填表说明如下:一、总体要求1、政务信息系统调查表包括单位基本情况、机房、网络、支撑系统、应用系统、汇总表6个调查子表。
由于表格中填写项目存在相互关联关系,请严格按表格顺序依次完成填写。
2、填表范围:(1)涉密情况说明:本次填写包括绝密级以外的涉密网络、系统,填报过程中涉密、非涉密应分开填报,上报时须分开刻盘并明确标注。
(2)凡是由财政投资、政务和社会合作建设、政府购买服务、赠送(试用)的正在使用的基础设施资源、网络和系统,均需填报。
(3)企业资金建设(或投入资金中未包含政府资金)的情况,以及运行的网络和系统内不包含政府类数据的情况,此次暂不填报。
(4)本次填报主要针对在建、在用机房、网络、系统等,包括已立项批复但尚未启动采购工作的系统(按在建计)。
停用系统不需填报,尚未或正在申请立项、立项未通过的系统不需填报。
二、单位情况调查表单位情况调查表重点了解信息系统建设单位基本情况,由24个分项指标组成。
本部门及所有二级单位均需逐一在此表中填报,包括没有信息系统的、非独立办公的单位。
主要指标及填表说明包括:(一)单位名称填写部门及其所属二级单位名称,内设机构不必填写。
每个单位填写一行,请填写单位规范全称。
(二)地址填写单位详细地址,精确到门牌号。
如:XX省XX市XX 区XX路XX号。
(三)统一社会信用代码填写本单位的统一社会信用代码;没有的,填写组织机构代码。
(四)性质填写本单位性质,如行政、事业等。
(五)联系人填写本单位该项工作联系人姓名。
(六)联系方式电话:联系人电话,可填固话或手机号码,固话格式为:区号-总机号码-分机号码。
编号:DCB2014- XXXXXX信息系统基本情况调查表四川省软件和信息系统工程测评中心2016年月日共29 页第 1 页说明1、请提供信息系统的最新网络结构图(拓扑图)。
A、应该标识出网络设备、服务器设备和主要终端设备及其名称。
B、应该标识出服务器设备的IP地址。
C、应该标识网络区域划分等情况。
D、应该标识网络与外部的连接等情况。
E、应该能够对照网络结构图说明所有业务流程和系统组成。
(如果一张图无法表示,可以将核心部分和接入部分分别画出,或以多张图表示。
)2、请根据信息系统的网络结构图填写各类调查表。
共29 页第 2 页XXXXXX信息系统工程网络结构图(拓扑图):共29 页第 3 页调查表清单表1-1 单位基本情况表1-2 参与人员名单表1-3 物理环境情况表1-4 信息系统基本情况表1-5 承载业务(服务)情况调查表1-6 信息系统网络结构(环境)情况调查表1-7 外联线路及设备端口(网络边界)情况调查表1-8 网络设备情况调查表1-9 安全设备情况调查表1-10 服务器设备情况调查表1-11 终端设备情况调查表1-12 系统软件情况调查表1-13 应用系统软件情况调查表1-14 业务数据情况调查表1-15 数据备份情况调查表1-16 应用系统软件处理流程调查表1-17 业务数据流程调查表1-18 管理文档情况调查表1-19 安全威胁情况调查共29 页第 4 页表1-1 单位基本情况共29 页第 5 页表1-2 参与人员名单共29 页第 6 页表1-3 物理环境情况共29 页第7 页表1-4 信息系统基本情况共29 页第8 页表1-5 信息系统承载业务(服务)情况2、业务信息类别一栏填写:a)国家秘密信息 b)非密敏感信息(机构或公民的专有信息) c)可公开信息。
3、重要程度栏填写:非常重要、重要、一般。
共29 页第9 页表1-6 信息系统网络结构(环境)情况共29 页第10 页表1-7 外联线路及设备端口(网络边界)情况共29 页第11 页表1-8 网络设备情况共29 页第12 页表1-9 安全设备情况共29 页第13 页表1-10 服务器设备情况2、包括数据存储设备。
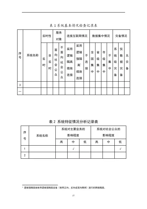
表1系统基本情况检查记录表
表2 系统特征情况分析记录表
1逻辑强隔离指使用逻辑强隔离设备(使用正向、反向或双向网闸)进行的网络隔离。
表3 信息系统主要硬件检查记录表
表4 信息系统主要软件检查记录表
表5 工业控制系统类型与构成情况检查记录表
表6 信息技术外包服务检查结果记录表
表7 信息安全责任制建立及落实情况检查记录表
表8 日常安全管理制度建立和落实情况检查结果记录表
表9 信息安全经费投入情况表
表10 技术防护情况检查记录表
表11 应急处置及容灾备份情况检查结果记录表
表12 问题和威胁分析记录表
1111。
信息系统基本情况调查表XXX公司20XX-XX第 1 页共39 页1.信息系统基本情况调查表1、请提供信息系统的最新网络结构图(拓扑图)网络结构图要求:●应该标识出网络设备、服务器设备和主要终端设备及其名称●应该标识出服务器设备的IP地址●应该标识网络区域划分等情况●应该标识网络与外部的连接等情况●应该能够对照网络结构图说明所有业务流程和系统组成情况●如果一张图无法表示,可以将核心部分和接入部分分别划出,或以多张图表示。
以下为示例:第 2 页共39 页图示说明辑主机接入主机接入华天天融信安全网关核心交换机主核心交换机备天融信防火墙主天融信防火墙备心跳电信50M国务院XXX政府门户网站拓扑图安全管理区国新办天融信安全网关互联网接入DMZ区服务器接入安全管理区服务器接入拓扑图说明:XXX政府门户网站系统分布在三个不同物理区地点,东四IDC机房、华天大厦机房和国务院XXX机房。
系统在东四机房连接50M 互联网电信线路,向外发布网站服务。
在互联网与XXX政府门户网站边界之间部署防火墙,对内部网络通过安全策略进行防护,防火墙通过双机热备避免因防火墙出现单点故障造成业务中断。
XXX政府门户网站系统内部逻辑上划分为互联网接入区、安全管理区、核心交换区、DMZ区、网站后台服务管理区、用户接入区等六个区域。
互联网接入区包括两台天融信防火墙,一台互联网接入交换机,通过防火墙设置安全策略允许内部编辑人员和运维人员访问互联网,允许瑞星杀毒软件系统管理中心访问互联网升级病毒库;允许互联网用户访问DMZ区的门户网站。
互联网接入的交换机具有冷备,备用交换机已部署在机架上,出现故障时可手动切换。
第 3 页共39 页安全管理区内部署安全管理平台、终端管理系统以及CA服务器/SSLVPN,实现对内部网络的安全管理,在防火墙上配置访问控制策略,允许网络设备和安全设备向安全管理平台发送日志,允许安全管平台对网络设备实时监控,允许终端管理系统与编辑终端之间进行通讯,允许编辑终端访问CA服务器/SSLVPN。
附件4各地信息安全基本情况调查表一、系统基本情况梳理系统的实时性、服务对象、连接互联网情况、数据集中情况、灾备情况等基本情况,记录检查结果(表1)。
表1 系统基本情况检查记录表二、系统特征情况分析根据上述系统基本情况核查结果,分析系统停止运行后对主要业务的影响程度、系统遭受攻击破坏后对社会公众的影响程度等安全特征,记录分析结果(表2)。
1、系统停止运行后对主要业务的影响程度按如下标准判定:影响程度高:系统停止运行后,主要业务无法开展或对主要业务运行产生严重影响;1 逻辑强隔离指使用逻辑强隔离设备(使用正向、反向或双向网闸)进行的网络隔离。
影响程度中:系统停止运行后,对主要业务运行有一定影响,可用手工等传统方式替代;影响程度低:系统停止运行后,对主要业务运行影响较小或无影响。
2、系统遭受攻击破坏后对社会公众的影响程度按如下标准判定:影响程度高:系统遭受攻击破坏,造成系统无法正常运行、被劫持、信息泄露等后果后,对社会公众正常生活、公众利益等产生严重影响;影响程度中:系统遭受攻击破坏,造成系统无法正常运行、被劫持、信息泄露等后果后,对社会公众正常生活、公众利益等产生一定影响;影响程度低:系统遭受攻击破坏,造成系统无法正常运行、被劫持、信息泄露等后果后,对社会公众正常生活、公众利益等影响较小或无影响。
表2 系统特征情况分析记录表二、系统构成情况1. 检查主要硬件设备类型、数量、生产商(品牌)情况,记录检查结果(表3)。
硬件设备类型主要有:服务器、路由器、交换机、防火墙、磁盘阵列、磁带库及其他主要安全设备。
硬件设备生产商(品牌)按国内、国外两类进行记录。
其中,国内主要有浪潮、曙光、联想、方正、华为、中兴、天融信、启明星辰、绿盟、联想网御等,国外主要有IBM、HP、DELL、Cisco、Juniper、H3C等。
表3 信息系统主要硬件检查记录表2. 检查主要软件设备类型、套数、生产商(品牌)情况,记录检查结果(表4)。
信息系统等级测评文档准备指南电力行业等级保护测评中心华电卓识实验室2009年9月目录一、文档提交要求 (3)二、准备文档时需注意的问题 (3)附件一信息系统基本情况调查表 (5)表1-1. 单位基本情况 (7)表1-2. 参与人员名单 (8)表1-3. 物理环境情况 (9)表1-4. 信息系统基本情况 (10)表1-5. 信息系统承载业务(服务)情况 (11)表1-6. 信息系统网络结构(环境)情况 (12)表1-7. 外联线路及设备端口(网络边界)情况调查 (13)表1-8. 网络设备情况 (14)表1-9. 安全设备情况 (15)表1-10. 服务器设备情况 (16)表1-11. 终端设备情况 (17)表1-12. 系统软件情况 (18)表1-13. 应用系统软件情况 (19)表1-14. 业务数据情况 (20)表1-15. 数据备份情况 (21)表1-16. 应用系统软件处理流程(多表) (22)表1-17. 业务数据流程(多表) (23)表1-18. 安全威胁情况 (24)附件二信息系统安全技术方案 (26)附件三信息安全管理制度 (27)表3-1. 安全管理机构类文档 (27)表3-2. 安全管理制度类文档 (28)表3-3. 人员安全管理类文档 (29)表3-4. 系统建设管理类文档 (30)表3-5. 系统运维管理类文档 (32)一、文档提交要求当委托机构正式委托电力行业等级保护测评中心华电卓识实验室对其信息系统实施等级测评时,为了使测评人员在现场测评前期就能够对被评估系统有清晰而全面地了解,委托机构应根据申请的测评类型准备文档。
委托测评类型主要包括:●等级符合性检验●风险评估●渗透测试●方案咨询需准备的测评文档主要包括:●《信息系统基本情况调查表》●《信息系统安全技术方案》●《信息安全管理制度》●《其他》委托单位在准备测评文档时,应根据所申请的测评业务类型准备相应的文档。
二者对应关系如下:二、准备文档时需注意的问题●保证提交文档内容真实、全面、详细、准确●文档材料,纸版和电子版文档均可●提交文档时做好详细的文档交接记录附件一信息系统基本情况调查表1、请提供信息系统的最新网络结构图(拓扑图)网络结构图要求:●应该标识出网络设备、服务器设备和主要终端设备及其名称●应该标识出服务器设备的IP地址●应该标识网络区域划分等情况●应该标识网络与外部的连接等情况●应该能够对照网络结构图说明所有业务流程和系统组成如果一张图无法表示,可以将核心部分和接入部分分别划出,或以多张图表示。
等保系列之——网络安全等级保护测评工作流程及工作内容一、网络安全等级保护测评过程概述网络安全等级保护测评工作过程包括四个基本测评活动:测评准备活动、方案编制活动、现场测评活动、报告编制活动。
而测评相关方之间的沟通与洽谈应贯穿整个测评过程。
每一项活动有一定的工作任务。
如下表。
01基本工作流程①测评准备活动本活动是开展等级测评工作的前提和基础,是整个等级测评过程有效性的保证。
测评准备工作是否充分直接关系到后续工作能否顺利开展。
本活动的主要任务是掌握被测系统的详细情况,准备测试工具,为编制测评方案做好准备。
②方案编制活动本活动是开展等级测评工作的关键活动,为现场测评提供最基本的文档和指导方案。
本活动的主要任务是确定与被测信息系统相适应的测评对象、测评指标及测评内容等,并根据需要重用或开发测评指导书测评指导书,形成测评方案。
③现场测评活动本活动是开展等级测评工作的核心活动。
本活动的主要任务是按照测评方案的总体要求,严格执行测评指导书测评指导书,分步实施所有测评项目,包括单元测评和整体测评两个方面,以了解系统的真实保护情况,获取足够证据,发现系统存在的安全问题。
④分析与报告编制活动本活动是给出等级测评工作结果的活动,是总结被测系统整体安全保护能力的综合评价活动。
本活动的主要任务是根据现场测评结果和《信息安全技术网络安全等级保护测评要求》GB/T28448-2023的有关要求,通过单项测评结果判定、单元测评结果判定、整体测评和风险分析等方法,找出整个系统的安全保护现状与相应等级的保护要求之间的差距,并分析这些差距导致被测系统面临的风险,从而给出等级测评结论,形成测评报告文本。
02工作方法网络安全等级保护测评主要工作方法包括访谈、文档审查、配置检查、工具测试和实地察看。
访谈是指测评人员与被测系统有关人员(个人/群体)进行交流、讨论等活动,获取相关证据,了解有关信息。
访谈的对象是人员,访谈涉及的技术安全和管理安全测评的测评结果,要提供记录或录音。
信息系统基本情况调查表深圳市信息安全测评中心2009年7月说明1、请提供信息系统的最新网络结构图(拓扑图)网络结构图要求:应该标识出网络设备、服务器设备和主要终端设备及其名称应该标识出服务器设备的IP地址应该标识网络区域划分等级情况应该标识网络与外部的链接等情况应该能对照网络结构图说明所有业务流程和系统组成如果一张图无法表示,可以将核心部分和接入部分分别划出,或以多张图表示。
2、请根据信息系统的网络结构图填写各类调查表格表1-2. 参与人员名单填表人:日期:表1-3.物理环境情况填表人:日期:注:物理环境包括主机房、辅机房、办公环境等等表1-4.信息系统基本情况填表人:日期:表1-5.信息系统承载业务情况(服务)情况填表人:日期:2、业务信息类别一栏填写:a)国家秘密信息b)非密敏感信息(机构或公民的专有信息)c)可公开信息3、重要程度栏填写非常重要、重要、一般表1-6.信息系统网络结构(环境)情况填表人:日期:表1-7.外联线路及设备端口(网络边界)情况填表人:日期:表1-8.网络设备情况填表人:日期:表1-9.安全设备情况填表人:日期:表1-10服务器设备情况填表人:日期:2、包括数据存储设备表1-11.终端设备情况填表人:日期:2、包括专用终端设备及网管终端、安全设备控制台等表1-12.系统软件情况填表人:日期:表1-13.应用系统软件情况填表人:日期:表1-14.业务数据情况填表人:日期:表1-15.数据备份情况填表人:日期:表1-16.应用系统软件处理流程(多表)填表人:日期:表1-17业务数据流程(多表)填表人:日期:表1-18.管理文档情况填表人:日期:表1-19.安全威胁情况填表人:日期:。
数据中心机房基本情况调查表数据中心机房基本情况调查表一、机房基本情况调查1.1 机房名称:1.2 机房所在地质:1.3 机房负责人姓名及联系方式:二、机房规模2.1 机房面积(平方米):2.2 机架数量:2.3 机柜数量:2.4 服务器数量:2.5 网络设备数量:2.6 UPS电源数量:2.7 空调设备数量:三、机房环境3.1 温度(℃):3.2 湿度(%):3.3 噪声(分贝):3.4 照明情况:3.5 防尘措施:3.6 防火措施:3.7 电源稳定性:四、机房设备安全4.1 出入口安全监控:4.2 机柜安全锁具:4.3 门禁系统:4.4 视频监控系统:4.5 入侵检测系统:4.6 防雷措施:4.7 网络安全控制:五、网络通信5.1 电信运营商:5.2 网络带宽(Mbps):5.3 网络接入方式:5.4 网络延迟:5.5 网络可用性:5.6 网络扩展性:5.7 网络拓扑结构:六、数据备份与恢复6.1 数据备份频率:6.2 数据备份介质:6.3 数据备份存储地点:6.4 数据备份策略:6.5 数据恢复测试情况:6.6 灾难恢复计划:七、机房维护与管理7.1 机房巡检频率:7.2 机房维护保养计划:7.3 设备维护保养计划:7.4 故障申报与处理流程:7.5 信息系统变更管理流程:7.6 安全事件响应流程:八、附件附件1:机房平面图附件2:机房环境监测报告附件3:安全设备配置清单附件4:网络通信合同附件5:数据备份计划注释:1.数据备份频率:表示备份数据的时间间隔,如每天、每周等。
2.数据备份介质:表示备份数据所使用的介质类型,如磁带、硬盘等。
3.数据备份存储地点:表示备份数据存储的物理位置,如本地存储、云存储等。
4.数据备份策略:表示备份数据的策略,如全量备份、增量备份等。
5.数据恢复测试情况:表示对备份数据进行恢复测试的结果。
6.灾难恢复计划:表示在机房遭受自然灾害或其他意外情况时,如何进行数据恢复和系统恢复的计划。
信息安全风险评估调查表基本信息调查1.单位基本情况单位名称:(公章)联系人:Email:信息安全主管领导(签字):检查工作负责人(签字):联系填表时间:职务:单位地址:2.硬件资产情况2.1.网络设备情况网络设备名称型号物理位置所属网络区域 IP地址/掩码/网关系统软件及版本端口类型及数量主要用途是否热备重要程度2.2.安全设备情况安全设备名称型号(软件/硬件) 物理位置所属网络区域 IP 地址/掩码/网关系统及运行平台端口类型及数量主要用途是否热备重要程度2.3.服务器设备情况设备名称型号物理位置所属网络区域 IP地址/掩码/网关操作系统版本/补丁安装应用系统软件名称主要业务应用涉及数据是否热备终端设备名称型号物理位置所属网络区域设备数量 IP 地址/掩码/网关操作系统安装应用系统软件名称2.4.终端设备情况涉及数据主要用途填写说明网络设备包括路由器、网关、交换机等。
安全设备包括防火墙、入侵检测系统、身份鉴别等。
服务器设备包括大型机、小型机、服务器、工作站、台式计算机、便携计算机等。
终端设备包括办公计算机、移动存储设备。
重要程度:根据被检查机构数据所有者认为资产对业务影响的重要性填写非常重要、重要、一般。
3.软件资产情况3.1.系统软件情况系统软件名称版本软件厂商硬件平台涉及应用系统3.2.应用软件情况应用系统软件名称开发商硬件/软件平台 C/S或B/S模式填写说明系统软件包括操作系统、系统服务、中间件、数据库管理系统、开发系统等。
应用软件包括项目管理软件、网管软件、办公软件等。
涉及数据现有用户数量主要用户角色4.服务资产情况4.1.本年度信息安全服务情况服务类型服务方单位名称服务内容服务方式(现场、非现场) 填写说明服务类型包括:1.网络服务;2.安全工程;3.灾难恢复;4.安全运维服务;5.安全应急响应;6.安全培训;7.安全咨询;8.安全风险评估;9.安全审计;10.安全研发。
5.人员资产情况5.1.信息系统人员情况岗位名称岗位描述人数兼任人数填写说明岗位名称:1、数据录入员;2、软件开发员;3、桌面管理员;4、系统管理员;5、安全管理员;6、数据库管理员;7、网络管理员;8、质量管理员。
XX省XX局信息系统基本情况调查表(XX省XX)20XX年6月1 / 1说明1、请提供信息系统的最新网络结构图(拓扑图)2、请根据信息系统的网络结构图填写各类调查表格。
表1-1. 单位基本情况调查1 / 11 / 1表1-2. 参与人员名单填表人:日期:序号人员姓名所属部门职务/职称负责范围联系方法1 省XX局处长网络设备、安全设备2 省XX局科长服务器3456789101 / 1表1-3. 物理环境情况填表人:日期:序号物理环境名称物理位置涉及信息系统1 省XX局机房国家XX局广域网、计算机网络系统、省XX局公众网站系统、省XX 局内部网站系统、内部办公自动化站2 省XX机房广3 省XX局办公楼计算机网络系统45678注:物理环境包括主机房、辅机房、办公环境等。
1 / 1表1-4. 信息系统基本情况填表人:日期:序号信息系统名称安全保护等级业务信息安全保护等级系统服务安全保护等级承载业务应用1 XX局广域网三三二2 计算机网络系统二二二3 二二二4 省XX局内部网站系统二二二5 内部办公自动化二二二6 二二二7 二二二8 内部办公自动化OA信二二二息系统9 内部门户网站二二二10111 / 1表1-5. 国家XX局广域网-外联(网络边界)情况调查1 / 1表1-6. 国家XX局广域网-网络设备情况调查1 / 1表1-8. 计算机网络系统-外联(网络边界)情况调查1 / 1表1-9. 计算机网络系统-网络设备情况调查1 / 11 / 1表1-10. 计算机网络系统-安全设备情况调查1 / 1表1-11. 服务器设备情况调查1 / 11 / 11 / 11 / 11 / 1表1-12. 应用系统情况调查填表人:日期:1 / 1表1-13. 业务数据情况调查1 / 11 / 11 / 11 / 1表1-14. 数据备份情况填表人:日期:序号备份数据名介质类型备份周期保存期是否异地保存涉及应用系统备注1 否多个应用系统的数据备份2 否3 否暂没业务应用4 否XX5678910111 / 1表1-17. 终端设备情况调查1 / 1表1-18. 管理文档情况调查制度类文档填表人:日期:1 / 11 / 1表1-19. 人员抽样情况调查人员抽样调查文档序号人员抽样调研要求回答情况备注1 是否发生过信息安全事件?发生后是如何处理的?发生过,立马组织相关技术人员进行处理,同时通知厂家派工程师上门提供技术支持2 人员信息安全意识与安全技能掌握情况?3 管理层对信息安全/等级保护是如何认识的??4 员工对信息安全/等级保护的看法??1 / 1表1-19. 安全威胁情况表填表人:日期:序号安全事件调查调查结果1 是否发生过网络安全事件□没有□1次/年□2次/年□3次以上/年□不清安全事件说明:(时间、影响)2 发生的网络安全事件类型(多选)□感染病毒/蠕虫/特洛伊木马程序□拒绝服务攻击□端口扫描攻击□数据窃取□破坏数据或网络□篡改网页□垃圾邮件□内部人员有意破坏□内部人员滥用网络端口、系统资源□被利用发送和传播有害信息□网络诈骗和盗窃□其它其它说明:3 如何发现网络安全事件(多选)□网络(系统)管理员工作检测发现□通过事后分析发现□通过安全产品发现□有关部门通知或意外发现□他人告知□其它其它说明:4 网络安全事件造成损失评估□非常严重□严重□一般□比较轻微□轻微□无法评估5 可能的攻击来源□内部□外部□都有□病毒□其他原因□不清攻击来源说明:6 导致发生网络安全事件的可能原因□未修补或防范软件漏洞□网络或软件配置错误□登录密码过于简单或未修改□缺少访问控制□攻击者使用拒绝服务攻击□攻击者利用软件默认设置□利用内部用户安全管理漏洞或内部人员作案□内部网络违规连接互联网□攻击者使用欺诈方法□不知原因□其它其它说明:1 / 1序号安全事件调查调查结果7 是否发生过硬件故障□有(注明时间、概率)□无造成的影响是:8 是否发生过软件故障□有(注明时间、概率)□无造成的影响是:9 是否发生过维护失误□有(注明时间、概率)□无造成的影响是:10 是否发生过因用户操作失误引起的安全事件□有(注明时间、概率)□无造成的影响是:11 是否发生过物理设施/设备被物理破坏□有(注明时间、概率)□无造成的影响是:12 有无遭受自然性破坏(如雷击等)□有(注明时间、概率)□无有请注明时间、时间后果13 是否发生过莫名其妙的故障□有(注明时间、概率)□无有请注明时间、时间后果1 / 1。
企业基础信息调查表
请注意,此表仅为示例,并非所有信息都适用于每个企业。
在实际应用中,可以根据企业的具体情况和需求进行调整。
同时,填写此表时应确保信息的准确性和完整性。
一、企业基本信息
1.企业名称:
2.企业法人代表:
3.成立时间:
4.注册资本:
5.注册地址:
6.联系电话:
7.邮箱地址:
二、企业类型及行业信息
8.企业类型(如:有限责任公司、股份有限公司等):
9.所属行业(如:制造业、服务业、高新技术产业等):
10.主要产品或服务:
三、员工及经营状况
11.目前员工总数:
12.近三年平均年营业收入(万元):
13.近三年平均年净利润(万元):
14.是否有进出口业务:是/否
四、研发与创新情况
15.是否有独立的研发团队:是/否
16.近三年研发投入占年营业收入的比例:
17.是否拥有自主知识产权(如专利、商标等):是/否
18.自主知识产权数量:
五、市场与销售情况
19.主要销售市场(国内/国际):
20.主要客户群体:
21.近三年平均年销售额(万元):
六、供应链与采购情况
22.主要供应商数量:
23.是否有长期稳定的供应商合作关系:是/否
24.近三年平均年采购成本(万元):
七、财务与资金状况
25.近三年平均资产负债率:
26.近三年平均流动比率:
27.目前资金状况(充足/紧张/一般):
八、企业发展与规划
28.未来三年的发展目标:
29.是否计划进行产能扩张或技术升级:是/否
30.是否有上市计划:是/否。
1.单位基本情况12.人员资产情况2.1人员组织架构XXX组织架构图如图所示。
(请提供本单位组织架构图)人员职责描述:本人已确认以上所填内容及结果,确认无误。
填表人:22.2信息安全人员情况表2-1 信息安全人员调查表填写说明:1.此表主要涉及与网络安全相关的人员及部门;2.岗位名称:网络管理员、系统管理员、安全管理员、运维管理员、数据库管理员等。
32.3信息安全培训情况表2-2 信息安全培训调查表43.网络资产情况3.1网络拓扑情况表3-1 网络拓扑调查表填写说明:1.此表主要是提供本单位实际的网络拓扑图2.拓扑图中需标明出口、核心架构区域,以及其他网络区域。
53.2单位外联情况表3-2 单位外联调查表填写说明:1.连接对象为外联的单位名称;2.线路类型包括:SDH、MSTP、PTN、VPN(SSL、IPsec)等;63.3网络区域划分情况表3-3 网络区域划分调查表填写说明:1.网络区域包括:服务器域、核心交换域、办公域、外联域、存储域、运维域、终端域等。
74.信息系统资产情况4.1.信息系统等保备案情况表4-1 信息系统等保备案调查表1.定级备案:等级保护一级、等级保护二级、等级保护三级、等级保护四级、等级保护五级。
84.2.信息系统基本情况表4-2 信息系统基本信息调查表1.架构:C/S、B/S;2.维保情况:维保中、已过保(说明过保原因);3.重要程度:非常重要、重要、一般。
94.3.信息系统详细情况表4-3 信息系统详细信息调查表1.业务处理信息类别:a.国家秘密信息、b.非密敏感信息(机构或公民的专有信息)、c.可公开信息;2.用户范围:全国、全省、本地区、本单位;3.访问方式:互联网访问、专网访问、内网访问;4.信息系统的日志类型:访问日志、操作日志。
104.4.信息系统备份情况表4-4 信息系统备份调查表填写说明:1.备份周期:实时备份、非实时备份(请提供备份周期);2.备份介质:NAS(阵列)、外置盘(U盘、硬盘)、网盘、内置硬盘、光盘等。
信息系统基本情况调查表深圳市信息安全测评中心2009年7月1 / 28说明1、请提供信息系统的最新网络结构图(拓扑图)网络结构图要求:●应该标识出网络设备、服务器设备和主要终端设备及其名称●应该标识出服务器设备的IP地址●应该标识网络区域划分等级情况●应该标识网络与外部的链接等情况●应该能对照网络结构图说明所有业务流程和系统组成如果一张图无法表示,可以将核心部分和接入部分分别划出,或以多张图表示。
2、请根据信息系统的网络结构图填写各类调查表格2 / 28表1-2. 参与人员名单填表人:日期:3 / 28表1-3.物理环境情况填表人:日期:注:物理环境包括主机房、辅机房、办公环境等等4 / 28表1-4.信息系统基本情况填表人:日期:5 / 28表1-5.信息系统承载业务情况(服务)情况填表人:日期:2、业务信息类别一栏填写:a)国家秘密信息b)非密敏感信息(机构或公民的专有信息)c)可公开信息3、重要程度栏填写非常重要、重要、一般6 / 28表1-6.信息系统网络结构(环境)情况填表人:日期:7 / 28表1-7.外联线路及设备端口(网络边界)情况填表人:日期:8 / 28表1-8.网络设备情况填表人:日期:9 / 28表1-9.安全设备情况填表人:日期:10 / 28表1-10服务器设备情况填表人:日期:2、包括数据存储设备11 / 28表1-11.终端设备情况填表人:日期:2、包括专用终端设备及网管终端、安全设备控制台等12 / 28表1-12.系统软件情况填表人:日期:13 / 28表1-13.应用系统软件情况填表人:日期:14 / 28表1-14.业务数据情况填表人:日期:15 / 28表1-15.数据备份情况填表人:日期:16 / 28表1-16.应用系统软件处理流程(多表)填表人:日期:17 / 28表1-17业务数据流程(多表)填表人:日期:18 / 28表1-18.管理文档情况填表人:日期:19 / 2820 / 2821 / 2822 / 2823 / 2824 / 2825 / 28表1-19.安全威胁情况填表人:日期:26 / 2827 / 2828 / 28。
附件:病原微生物实验室生物安全基本情况调查表1.基本情况1.1 省级(直辖市,自治区)名称:1.2辖区内常住人口数万人。
1.3辖区内有医院家,疾病预防控制机构家,大专院校家2.生物安全管理情况2.1省级是否成立实验室生物安全管理委员会(1)是(2)否若是成立时间年月日2.2是否有已经颁布的实验室生物安全相关的管理制度规章(1)有(2)无有请填写下表2.3省级实验室生物安全管理部门联系人:联系电话:邮箱:3.二级生物安全实验室备案情况3.1已备案的二级生物安全实验室共个3.1.1按机构性质分类:其中医疗机构个,疾控机构个,大专院校个,科研院所个,出入境检验检疫机构个,企业个,其他个3.1.2按级别分类:其中省级个,市级个,县级个,无级别个3.2目前在二级生物安全实验室中工作的人员人。
4.是否开展实验室生物安全培训(1)是(2)否若是,已经开展培训期,培训人次。
5.辖区内有无设立省级菌毒种保藏中心的计划(1)有(2)无5.1若有,计划申请时间:5.2设立单位名称:6. 有无高致病性病原微生物运输工作管理规章(1)有(2)无6.1出省运输初审单位:6.2出省运输已经审批数量:起。
6.3省内运输审批单位:6.4省内运输已经审批数量:起。
7.目前境内有无发生过实验室感染情况?(1)有(2)无7.1若有,感染人员数量7.2病原微生物种类:8.本地区病原微生物实验室生物安全管理的过程中存在的主要问题:9.对进一步加强病原微生物实验室生物安全建设与管理的意见和建议:填表单位(盖章):填表人:填表时间:年月日。
编号:DCB2014- XXXXXX信息系统基本情况调查表四川省软件和信息系统工程测评中心2016年月日Word文档说明1、请提供信息系统的最新网络结构图(拓扑图)。
A、应该标识出网络设备、服务器设备和主要终端设备及其名称。
B、应该标识出服务器设备的IP地址。
C、应该标识网络区域划分等情况。
D、应该标识网络与外部的连接等情况。
E、应该能够对照网络结构图说明所有业务流程和系统组成。
(如果一张图无法表示,可以将核心部分和接入部分分别画出,或以多张图表示。
)2、请根据信息系统的网络结构图填写各类调查表。
Word文档XXXXXX信息系统工程网络结构图(拓扑图):Word文档调查表清单表1-1 单位基本情况表1-2 参与人员名单表1-3 物理环境情况表1-4 信息系统基本情况表1-5 承载业务(服务)情况调查表1-6 信息系统网络结构(环境)情况调查表1-7 外联线路及设备端口(网络边界)情况调查表1-8 网络设备情况调查表1-9 安全设备情况调查表1-10 服务器设备情况调查Word文档表1-11 终端设备情况调查表1-12 系统软件情况调查表1-13 应用系统软件情况调查表1-14 业务数据情况调查表1-15 数据备份情况调查表1-16 应用系统软件处理流程调查表1-17 业务数据流程调查表1-18 管理文档情况调查表1-19 安全威胁情况调查表1-1 单位基本情况填表人:日期:Word文档注:情况简介一栏,请填写与被测评系统有关的机构内容。
Word文档表1-2 参与人员名单填表人:日期:Word文档表1-3 物理环境情况填表人:日期:Word文档注:物理环境包括主机房、辅机房、办公环境等。
表1-4 信息系统基本情况填表人:日期:Word文档表1-5 信息系统承载业务(服务)情况填表人:日期:Word文档注:1、用户分布范围栏填写:全国、全省、本地区、本单位。
2、业务信息类别一栏填写:a)国家秘密信息b)非密敏感信息(机构或公民的专有信息)c)可公开信息。
附件1:企业信息化建设根本情况调查表一、企业根本情况1、法人代表,联系 __ ,通讯地址邮政编码:____________2、、经济类型〔按工商登记分〕□国有及国有控股□三资企业□民营企业□其它4、所属行业____________□机械、□轻工、□冶金、□电子信息、□建材、□化工□食品□新能源、□医药、□纺织、□新材料、□节能环保、□软件及效劳外包5、2021年主要经济指标:营业收入万元, 年末员工人; 2021年估量营业收入万元;二、企业信息化工作机构1、有无信息化机构□有□无〔1〕信息化机构名称〔2〕信息化机构负责人联系E-mail三、企业信息化建设投入情况1、截止2021年,企业的信息化建设总投入万元,其中,硬件类投资万元,软件类投资万元;2、是否有工程被列为国家、省、市信息化应用示范、试点?□国家□省□市□区□没有3、假设有请写明示范或试点工程_____________________________________________。
四、企业信息化根底设施1、现有硬件装备效劳器台,PC机台,平均每人拥有 _台计算机.2、信息网络建设与应用〔1〕企业网络建设〔A〕企业内部网的建设状况?□已建立□正在建设□正在方案□未方案〔B〕联网应用范围□企业治理部门□开发、设计、产、供、销等各部门〔单位〕□同一地区集团下属企业□跨地区集团下属企业〔c〕企业是否已经接入互联网□是□否,网址是:五、业务信息系统建设与应用1、办公自动化系统〔OA〕〔1〕现状:□有□无〔2〕OA系统现在应用业务?□内部信息交流□网上办公□收发文件□档案治理□考勤治理□后勤治理□人事治理□工程治理□资产治理□知识治理□其它2、财务治理信息系统〔1〕现状:□有□无〔2〕财务治理信息系统的根底数据□财务部门全部录入□局部与销售信息系统共享□局部与供应信息系统共享3、人力资源治理信息系统(HRM)〔1〕现状:□有□无〔2〕现在应用业务?□人力资源规划□劳动合约□人事变动治理□绩效治理□培训治理□招聘治理□考勤治理□休假治理□薪资治理□福利治理□其它4、研究开发系统〔R&D〕〔1〕CAD〔计算机辅助设计〕系统□全部完成□局部完成□未着手□不合适〔2〕CAM〔计算机辅助制造〕系统□全部完成□局部完成□未着手□不合适〔3〕CAPP〔计算机辅助工艺流程〕系统□全部完成□局部完成□未着手□不合适〔4〕PDM〔产品数据治理〕系统□全部完成□局部完成□未着手□不合适〔5〕CPC〔产品协同商务〕系统□全部完成□局部完成□未着手□不合适〔6〕PLM〔产品生产周期治理〕系统□全部完成□局部完成□未着手□不合适5、生产方案与操作系统〔MRP2〕〔1〕现状:□已建立□阶段建立□正在建设□尚未建设〔2〕已经应用的功能:□工程根底数据□主生产方案□物料需求方案□能力需求方案□现场作业操作方案□生产定单治理□重复生产排程□其它6、企业资源方案系统〔ERP〕〔1〕现状:□已建立□阶段建立□在建设□未建设〔2〕已应用的ERP功能是:□财务治理□生产操作治理□物流治理□人力资源治理〔3〕近期有无应用ERP方案围□一年内□两年内□三年内□还没有方案〔4〕企业实施ERP过程中的主要障碍有□本钱高□供应商与治理咨询公司效劳不到位□治理制度不够完善□企业信息根底工作不完善□业务流程重组困难□领导层、治理层、执行层人员认识缺少□其它7、供应链治理系统〔SCM〕〔1〕现状:□已建立□阶段建立□正在建设□未着手〔2〕已经应用的功能:□销售治理□采购治理□库存治理□托付加工□配送/运输治理□渠道治理□供应商治理□质量治理□其它8、客户关系治理系统〔CRM〕〔1〕现状:□根本建立□阶段建立□正在建设□未着手〔2〕已经应用的功能:□销售治理□信用分析治理□市场营销治理□客户效劳治理9、电子商务〔1〕是否建立了独立域名的网站:□是□方案中□无方案五、企业信息化建设与应用方案1、企业下一步信息化建设的重点是:□ CAD/CAM □ CIMS □产品数据治理PDM □ CPC □ PLM □ OA □MRP2□供应链治理SCM □客户关系治理CRM □ MIS □企业资源规划治理ERP□内部网□外部网□因特网□决策支持系统□电子商务□数据整合/数据仓库□其它2、、企业信息化建设的目标短期:中期:长期:附件2:江宁区“两化融合〞储藏工程征集表。