安科瑞多功能仪表
- 格式:doc
- 大小:799.00 KB
- 文档页数:12
安科瑞APMD系列仪表1概述APMD系列仪表,是针对电力系统、工矿企业、公用设施、智能大厦的电力监控需求而设计的一种智能仪表,它采用高亮度TFT-LCD彩屏(黑白)显示,通过面板按键来实现仪表操作和参数设置,集成了全部电力参数的测量(如单相或者三相的电流、电压、有功功率、无功功率、视在功率、频率、功率因数)、全面的电能计量和考核管理(如四象限电能计量和分时电能统计等)、多种电力质量分析参数(THDu、THDi、2-31次电压电流谐波、电压波峰系数、电话波形因子、电流K系数、电压电流矢量分析、电压电流不平衡度分析等)。
同时它具有多种外围接口功能可供用户选择:带有RS485通讯接口,采用Modbus-RTU协议可满足通讯联网管理的需要;带开关量输入和继电器输出可实现断路器开关的“遥信”和“遥控”的功能,非常适合于实时电力监控系统。
还可选配大容量的SD卡用于保存各种故障信息和多达200条的SOE事件记录等。
2.1 特点ACREL公司集成多年电力测量产品设计之经验,采用现代微处理器技术和交流采样技术设计而成了该系列网络电力仪表。
产品的设计考虑了成本效能化、智能性和可靠性,有以下特点:●可直接从电压、电流互感器接入信号,并可任意设置PT/CT变比;●四象限电能计量、复费率电能统计、最大需量统计;●LCD彩屏或黑白屏显示,可视度高;●可配置SD卡记录各种故障信息和多达200条的SOE事件记录;●配置Modbus/485通讯,可接入SCADA、PLC系统中,可与业界多种软件通讯(Intouch、Fix、组态王等);●带开关量输入输出,实现遥信和遥控功能;●可实现过压、欠压、过流、不平衡等报警功能,带有两路报警继电器输出;●可选配以太网、Profibus等各种通讯接口;2.2应用APMD的应用领域广泛,便于系统组网,特别是在对电力品质、电力安全有较高需求的场合,该产品适用于如下领域,并且已有众多成功应用案例。
能源管理系统变电站自动化配电网自动化小区电力监控工业自动化智能建筑智能型配电盘、开关柜3技术参数4产品规格 4.1APMD5系列4.2 APMD7系列面框(mm):120×120 开孔(mm):114×1145接线端子● APMD5主体仪表● APMD7 主体仪表选配模块。
安科瑞PZ系列电力监控仪表安装使用说明书提要:本文简要介绍了安科瑞PZ系列电力监控仪表的基本功能和特点,然后结合实际操作,详细阐述了该产品的安装、调试和使用方法,最后给出了注意事项和常见故障的解决方法。
一、产品概述安科瑞PZ系列电力监控仪表是一种用于电力系统监测和分析的专业仪器,可以实时监测电力系统的电压、电流、功率因数等参数,还可以实现对电力质量的监测和分析。
该产品具有价格实惠、功能齐全、安装方便等特点,广泛应用于各种电力系统的监测与管理。
二、安装步骤1、选择安装位置安装位置应该选择在电源系统的主干线上,即进入变压器前的主线或其他较大电流的支路上。
安装位置还应满足以下条件:(1)位置空旷,通风良好;(2)安装处应避免受振动、冲击、湿度等环境因素的影响;(3)应保证与相邻设备之间有足够的安全距离。
2、安装电源线将电源线插入仪表接口,注意极性,然后将仪表的另一端连接到电源插座上。
3、安装电流互感器将电流互感器安装在所选取的电缆上,周围不应存在易导致误差的磁性或电感性物体。
并使用扳手拧紧安装螺丝。
4、安装电压互感器将电压互感器安装在线路上,电压互感器的一端连接到电位器上,另一端与测试仪上的U1、U2端相连。
三、调试方法1、电流校准在单相接线模式下,将电流互感器安装在所需测量的长度处,调节仪器上的校准电位器,使仪器上显示的电流值达到实际电流值。
2、电压校准电压测量值可通过电源接线来自动修正,也可手动校准。
电压校准时,将测试仪连接到220V的市电上,调整仪器上的电压校准旋钮,使仪器显示的电压值与实际值相等。
3、功率测量校准调整功率校准旋钮,使测量的功率值与实际值相等。
四、使用方法1、启动与关闭打开仪表开关,仪表亮灯。
关闭时,先按“关闭”键使仪表灯熄灭,然后切断电源。
2、参数测量参数测量前,必须先进行电源及校准检查。
在测量时,确保仪表正常工作且上下限报警设置合理;通常建议定时检查仪器,保障仪表的精度与正常工作。
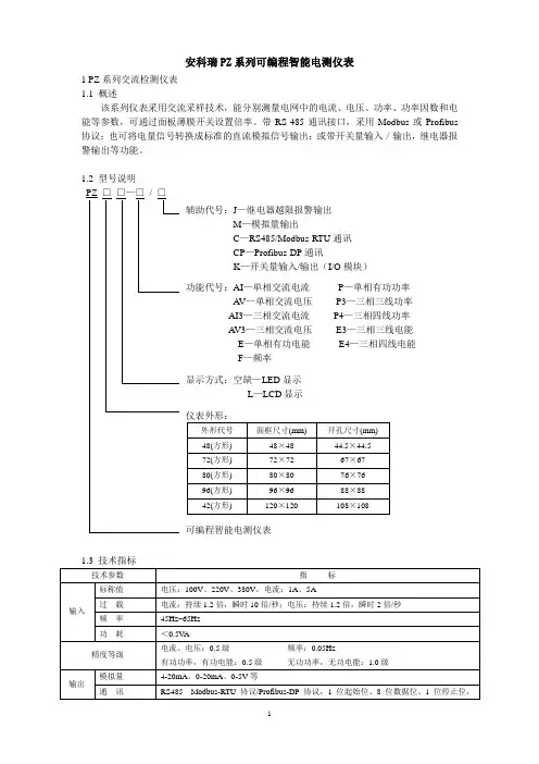
1 PZ系列直流检测仪表
1.1 概述
PZ系列直流电测仪表是针对直流屏、太阳能供电、电信基站等应用场合而设计的,该系列仪表可测量直流系统中的电压、电流、功率、正向与反向电能。
既可用于本地显示,又能与工控设备、计算机连接,组成测控系统。
仪表可具有RS-485 通讯接口,采用Modbus-RTU 协议;可带模拟量输出、继电器报警输出、开关量输入/输出。
根据不同要求,通过仪表面板按键,对变比、报警、通讯、开关量输出进行设置与控制。
1.2 型号说明
1.3 技术指标
1.4 产品规格
● 功能一览表
注:1、“■”为标配功能,“□”为选配功能;
2、J(继电器越限报警输出)与第二路开关量输出复用。
1.5外形及尺寸(单位:mm)
● 72/80/96型外形及尺寸
● 96B外形及尺寸
● 300外形及尺寸
1.6 接线端子
1.6.1 72/80/96/96B接线端子
● 电流表
● 电压表
● 多功能表
1.6.2 300型产品
● 电流表
● 电压表
● 多功能表
技术支持:安科瑞电气股份有限公司,郤(que)佳佳。
351AMC系列可编程智能电测仪表安装使用说明书V2.2安科瑞电气股份有限公司申明版权所有,未经本公司之书面许可,此手册中任何段落、章节内容均不得摘抄、拷贝或以任何形式复制、传播,否则一切后果由违者自负。
本公司保留一切法律权利。
本公司保留对本手册所描述之产品规格进行修改的权利,恕不另行通知。
订货前,请垂询当地代理商以获悉本产品的新规格。
目录1.概述 (1)2.产品型号规格 (1)3技术参数 (2)4安装接线说明 (3)4.1外形及安装开孔尺寸(单位:mm) (3)4.2仪表及开孔示意图 (3)4.3安装方法 (3)4.4端子及接线方法 (4)4.5注意事项 (6)5操作说明 (7)5.1按键功能说明 (7)5.2编程菜单 (8)5.3功能设置与使用 (9)5.4查看开关量显示以及报警状态 (19)6通讯 (20)6.1概述 (20)6.2协议 (20)6.3错误校验码(CRC)的生成方法 (21)6.4通讯参量地址表(Word) (22)6.5通讯应用 (23)7常见故障分析 (24)1.概述AMC系列可编程智能电测仪表采用交流采样技术,可直接或间接测量单相电网或三相电网中某一相的电压和电流。
既可用于本地显示,又能与工控设备连接,组成测控系统。
仪表可具有RS-485通讯接口,采用Modbus-RTU协议;可带模拟量输出、继电器报警输出、开关量输入/输出。
根据不同要求,通过仪表面板按键,对变比、报警、通讯等参数进行设置和控制。
2.产品型号规格表1仪表型号基本功能外形可选功能AMC48-AIAMC48-AV电流、电压测量;LED数码管显示48方形1、一路RS485通讯(/C)2、一路变送输出(/M)AMC48-AI3AMC48-AV3无AMC48L-AIAMC48L-AV电流、电压测量;LCD液晶显示1、一路RS485通讯(/C)2、一路变送输出(/M)AMC48L-AI3AMC48L-AV3无AMC72-AIAMC72-AV AMC72-AI3 AMC72-AV3电流、电压测量;LED数码管显示72方形1、一路RS485通讯(/C)2、一路变送输出(/M)3、一路报警(/J)4、变送输出+RS485通讯(/MC)5、RS485通讯+开关量2DI2DO(/KC)6、一路报警+一路变送输出+RS485通讯(/JMC)AMC72-DI AMC72-DV 直流电流、电压测量;LED数码管显示AMC72L-AIAMC72L-AV AMC72L-AI3 AMC72L-AV3电流、电压测量;LCD液晶显示AMC72L-DI AMC72L-DV 直流电流、电压测量;LCD液晶显示AMC96-AIAMC96-AV AMC96-AI3 AMC96-AV3电流、电压测量;LED数码管显示96方形1、一路RS485通讯(/C)2、变送输出(/M或/3M)3、一路报警(/J)4、变送输出+RS485通讯(/MC或/M3C)5、RS485通讯+开关量4DI2DO(/KC)6、一路报警+一路变送输出+RS485通讯(/JMC)AMC96L-AIAMC96L-AV AMC96L-AI3 AMC96L-AV3电流、电压测量;LCD液晶显示注:1.AI/AV表示单相电流/电压,AI3/AV3表示三相电流/电压;2./J默认为一路继电器输出(与第二路开关量输出复用),如有特殊需求请咨询本公司。
版本号V4.01多功能电力仪表产品说明书一、概述本产品是针对电力系统、工矿企来、公用设施、智能大厦的电力监控需求而设计的。
它可以高精度的测量所有的常用电力参数;采用可视度的LED来显示仪表测量参数和电网系统运行信息,仪表面板带有编程按键。
用户可以现场方便地实现显示切换、参数设置、使用灵活方便。
可以直接代替常规电力变送器等辅助单元,作为一种先进的智能化数字化电网前端采集元件,广泛应用于各种控制系统、变电自动化系统、配电自动化系统中,具有安装方便、接线简单、维护方便、工程量小等特点,能够完成业界不同PLC、工业控制计算机通讯软件组网。
功能配置表1)辅助电源:本产品具备通用的(AC/DC)电源输入接口,若不作特殊声明,提供的是AC/DC80-265V电源接口的标准产品,请保证所提供的电源适用于该系列的产品,以防止损坏产品。
(DC供电时“L”为正,“N”为负)注:采用交流供电时,建仪在火线一侧安装1A保险丝。
电力品质较差时,建议在电源回路安装浪涌抑制防止雷击,以及快速脉冲群抑制器.2)输入信号:它采用了每个测量通道单独采集的计算方式,保证了使用时完全一致对称,其具有多种接线方式。
适用于不同的负载形式。
说明:A、电压输入:输入电压应不高于产品的额定输入电压(100V或400V),否则应考虑使用PT,在电压输入端须安装1A保险丝。
B、电流输入:标准额定输入电流为5A,大于5A的情况应使用外部CT。
如果使用的CT上连有其它仪表,接线应采用串接方式,去除产品的电流输入连线之前,一定要先断开CT一次回路或者短接二次回路。
C、要确保输入电压、电流相对应,顺序一致,进线和出线方向一致;否则会出现数值和符号错误!(功率和电能)D、仪表输入网络的配置根据系统的CT个数决定,在2个CT的情况下,选择三相三线两元件方式;在3个CT的情况下,选择三相四线三元件方式。
仪表接线、仪表编程中设置的输入网络NET应该同所测量负载的接线方式一致,不然会导致仪表测量的电压或功率不正确。
ADW300无线计量仪表安装使用说明书V1.0安科瑞电气股份有限公司杨澜1概述ADW300无线计量仪表主要用于计量低压网络的三相有功电能,具有RS485通讯和470MHz无线通讯功能,方便用户进行用电监测、集抄和管理。
可灵活安装于配电箱内,实现对不同区域和不同负荷的分项电能计量,统计和分析。
2产品型号规格及功能特点2.1ADW300无线计量仪表命名规则2.2ADW300无线计量仪表功能特点表2ADW300主要功能功能功能说明显示方式LCD(字段式)电能计量有功电能计量(正、反向),四象限无功电能电量测量电压、电流、功率因数、频率、有功功率、无功功率、视在功率谐波功能总谐波含量、分次谐波含量(2~31次)脉冲输出有功脉冲输出三相不平衡度电压、电流不平衡度测温功能A、B、C、N四路测温(选配T)DI/DO4DI,2DO(选配K)剩余电流1路剩余电流测量(选配L)LED指示脉冲灯指示外置CT外置开口式CT(选配W)通讯红外通讯RS485接口(选配C)470MHz无线传输(选配LR)GPRS无线通讯(选配2G)NB-IOT无线通讯(选配NB)3技术参数3.1电气特性表3ADW300电气特性3.2环境条件表4AEW100环境条件4外形尺寸及安装说明(单位:mm)4.1外形尺寸(单位:mm)图1ADW300尺寸图图2ADW300效果图4.2电源端子、RS485通讯端子、脉冲输出端子辅助电源通讯接口脉冲端口4.3开关量输入/输出端子开关量输入是均采用开关信号输入方式,仪表内部配备+12V的工作电源,无须外部供电。
当外部接通或断开时,经过仪表开关输入模块采集其接通或断开信息并通过仪表本地显示。
开关量输入不仅能够采集和显示本地的开关信息,同时可以通过仪表的RS485实现远程传输功能,即“遥信”功能。
开关量输出为继电器输出,可实现“遥控”和报警输出。
开关量输出开关量输入4.4测温、漏电流端子温度输入漏电输入4.5接线说明ADW300和ADW300W均可采用三相四线经电流互感器接入、三相三线经电流互感器接入、三相四线经电压电流互感器接入和三相三线经电流电压互感器接入四种接线方式。
ACR120EL电力测控仪表ACR120EL电力测控仪表是针对电力系统、工矿企业、公共设施、智能大厦的电力监控需求而设计的。
它能测量所有的常用电力参数,如三相电流、电压,有功、无功功率,电度、谐波等。
由于该电力仪表还具备完善的通信联网功能,所以我们称之为网络电力仪表。
它非常适合于实时电力监控系统,是上海安科瑞电气股份有限公司自主研发生产的产品。
该表具有很高的性能价格比,可以直接取代常规电力变送器及测量仪表。
作为一种先进的智能化、数字化的前端采集元件,该系列网络仪表已广泛应用于各种控制系统、SCADA 系统和能源管理系统中。
电力测控仪表国外知名品牌有溯高美DIRIS A20,国内知名品牌有上海ACREL的ACR120E、ACR120EL、ACR220E、ACR220EL,江苏斯菲尔PD194-E4,珠海派诺PMAC503,深圳中电电力PMC-530A,美国电气控制QP650,华通测控PDM-803HE等。
下面以上海ACREL的ACR120EL产品为例, 介绍了ACR120EL多功能网络仪表的功能及技术参数。
LCD显示、全电参量测量(U、I、P、Q、PF、F);四象限电能计量、复费率电能统计、最大需量统计;2DI+2DO;RS485通讯接口、Modbus协议,适用于动力柜中。
适用环境l 工作温度:-10℃~+45℃l 储存温度:-25℃~+70℃l 相对湿度:≤95%不结露l 海拔高度:≤2500m电磁兼容l 静电抗干扰实验Ⅲ级(IEC61000-4-2)l 辐射抗干扰试验Ⅲ级(IEC61000-4-3)l 电快速瞬变脉冲群干扰试验Ⅳ级(IEC61000-4-4)l 浪涌抗干扰试验Ⅳ级(IEC61000-4-5)l 射频传导干扰试验Ⅲ级(IEC61000-4-6)l 电磁场抗干扰试验Ⅲ级(IEC61000-4-8)功能l 可直接从电流、电压互感器接入信号;l 可任意设定PT/CT变比;l 仪表显示可滚动设置;l I/O开关量,继电器报警输出,4~20mA模拟量等功能模块化设计;l 多块仪表可设置不同地址;l 可通讯接入SCADA、PLC系统中;可与业界多种软件通讯(Intouch, Fix, Citec,组态网等);l LED或蓝屏背光LCD显示,可视度高;l 方便安装,接线简单,工程量小;l 仪表采用专用失电保护电路,在失电情况下,数据保存不丢失,恢复电源后,仪表继续运行;l 四象限电能计量,分时计费,最大需量纪录及12个月电能统计。
安科瑞PZ系列可编程智能电测仪表1 PZ系列交流检测仪表1.1 概述该系列仪表采用交流采样技术,能分别测量电网中的电流、电压、功率、功率因数和电能等参数,可通过面板薄膜开关设置倍率。
带RS-485通讯接口,采用Modbus或Profibus 协议;也可将电量信号转换成标准的直流模拟信号输出;或带开关量输入/输出,继电器报警输出等功能。
1.2 型号说明1.4 产品规格1.4.1 48型产品规格●外形及尺寸(mm)1.4.2 72型产品规格注:1、J(继电器越限报警输出)与第二路开关量输出复用;2、PZ72(L)-E在选配KC(2DI/2DO)功能时无脉冲信号输出端口;3、PZ72(L)-E4具备一路有功电能脉冲信号输出端口。
● 外形及尺寸(mm)1.4.3 80型产品规格注:1、J(继电器越限报警输出)与第二路开关量输出复用;2、PZ80(L)-E在选配KC(2DI/2DO)功能时无脉冲信号输出端口;3、PZ80(L)-E3(4)在选配KC(4DI)功能时具备1路有功电能脉冲信号输出端口,在选配KC(2DI/2DO、5DI/2DO)功能时无脉冲信号输出端口;4、PZ80(L)-AI3、A V3最多可带3路模拟量输出。
●外形及尺寸(mm)注:1、J(继电器越限报警输出)与第二路开关量输出复用;2、PZ96(L)-E3(4)在选配KC(4DI)功能时具备1路有功电能脉冲信号输出端口,在选配KC(2DI/2DO 、4DI/2DO)功能时无脉冲信号输出端口;3、PZ96(L)-AI 、AI3、A V 、A V3、F 最多可带3路模拟量输出,PZ96(L)-P3(4)、E3(4)最多可带2路模拟量输出。
● 外形及尺寸(mm)1.4.5 42型产品规格1、J(继电器越限报警输出)与第二路开关量输出复用;2、PZ42(L)-AI 、AI3、A V 、A V3、F 最多可带3路模拟量输出,PZ42(L)-P3(4)、E3(4)最多可带4路模拟量输出;3、PZ42L-E4/H 最多可带2路RS485通讯接口,一路Modbus-RTU 协议,另一路可设置。
EFM96仪表使用说明书安科瑞
一、说明
1、产品可按“三相三线”和“三相四线”接线方式;出厂默认为“三相四线”方式。
安装前请确认产品设定的接线方式与现场提供的接线方式相一致。
★仪表工作电源分两种:AC185~255、
AC/DC110~250;AC订货时须注明。
★如果电流回路经互感器输入,要确保电流回路接线时不能开路。
2、设备带电工作时,请不要接触设备后端端子,以防触电。
3、设备接线完成后,请上紧两侧的螺丝,以防松动。
4、设备检修时,请确认是否已停电;不允许带电拆拔端子。
5、本手册仅限于相配套的PDM—803系列产品,包括PDM—803P、803DP、803E、803E1、803AC、803E2、803H、803HE 等,在手册中的描述是按功能最全面的仪表编写的,对于单一功能的仪表或仪表本身没有的功能在使用本手册时可以忽略不管,只按仪表相关的功能使用本手册即可。
二、主要技术指标
1.输入信号:
毫伏信号:热电偶和霍尔变送器,输入阻抗>1MQ电阻信号:热电阻和远传压力表,三线制接法电流信号:0~10mA,4~~20mA,输入阻抗≤2502电压信号:0~5V,1~5V,输入阻抗≥100KQ 2.显示范围:—1999~9999
3.测量精度:0.2%FS或0.5%FS4.分辨率:1、0.1、0.01或0.0015.热电偶冷端补偿范围:0~50℃。
安科瑞能耗监测专用电能表型号ACR220EL 1概述ACR网络电力仪表是针对电力系统、工矿企业、公共设施、智能大厦的电力监控需求而设计的。
它能测量所有的常用电力参数,如三相电流、电压,有功、无功功率,电度、谐波等。
由于该电力仪表还具备完善的通信联网功能,所以我们称之为网络电力仪表。
它非常适合于实时电力监控系统。
该表具有很高的性能价格比,可以直接取代常规电力变送器及测量仪表。
作为一种先进的智能化、数字化的前端采集元件,该系列网络仪表已广泛应用于各种控制系统、SCADA系统和能源管理系统中。
2技术指标3产品规格3.180型产品规格注:1.J(继电器越限报警输出)与第二路开关量输出复用;2.ACR10E(L)在选配K(2DI/2DO)功能时无脉冲信号输出端口;3.ACR120E(L)在选配K(4DI)功能时具备1路有功电能脉冲信号输出端口,在选配K(2DI/2DO、5DI/2DO)功能时无脉冲信号输出端口。
3.296型产品规格注:1.J(继电器越限报警输出)与第二路开关量输出复用;2.ACR220E(L)在选配K(4DI)功能时具备1路有功电能脉冲信号输出端口,在选配K(2DI/2DO、4DI/2DO)功能时无脉冲信号输出端口;3.ACR220(230)ELH在选配K(4DI/2DO)功能时具备1路有功电能脉冲信号输出端口,在选配K(4DI/4DO)功能时无脉冲信号输出端口;4.ACR220E(L)最多可带2路模拟量输出。
3.342型产品规格注:1.ACR320E(L)在选配K(4DI/4DO、8DI/4DO)功能时无脉冲信号输出端口;2.ACR320(330)ELH在选配K功能时具备1路有功电能脉冲信号输出端口;3.ACR320E(L)最多可带4路模拟量输出;4.ACR330ELH最多可带2路模拟量输出。
4接线端子注1:适用于ACR320E(L)选配8DI/4DO场合;注2:适用于ACR10E(L)带2路脉冲输出场合。
DDSD1352-KCSH单相电子式多功能电能表安装使用说明书V1.0 上海安科瑞电气股份有限公司一、概述DDSD1352单相电子式多功能电能表主要用于计量低压网络的单相有功电能,同时可测量电压、电流、功率等电参量,并带有通信及预付费功能,方便用户进行用电监测、集抄和预付费管理。
产品具有精度高、体积小、安装方便等优点。
可灵活安装于配电箱内,实现对不同区域和不同负荷的分项电能计量,统计和分析。
二、主要功能功能名称功能说明功能配置电能计量总电能计量(反向计入正向)■电量测量U、I 、P、Q、S、PF、F测量■LCD显示6位段式LCD显示■按键编程可设置密码、通信规约、地址、波特率等■预付费报警及跳闸远程预付费,实现先交费后用电可配合预付费专用断路器实现负载断送电控制■通信RS485接口,MODBUS-RTU或DLT645-97规约■三、技术参数电气特性电压输入工作电压范围220Vac±20%参比频率50Hz功耗<2V A电流输入基本电流10A最大电流60A起动电流40mA功耗<1V A (最大电流)测量性能符合标准GB/T17215-2002GB/T17215.211-2006GB/T15284-2002测量精度 1.0级测量范围0000.00~999999kWh时钟精度误差≤0.5s/d脉冲输出输出类型无源输出,外接电源DC+5V~24V脉冲宽度 80±20ms脉冲常数1600imp/kWh ,LED 同步指示通信接口 RS485(A+、B-) 介质 屏蔽双绞线协议MODBUS-RTU 或DLT645-1997机械特性外形尺寸 长×宽×高 36mm×86mm×62mm (2模数) 最大接线能力柔性电缆16mm 2环境条件温度范围工作温度 -20℃~60℃ 存储温度-30℃~70℃ 湿度≤95%(无凝露)四、外形尺寸五、接线与安装电能表采用35mm 标准导轨安装方式。
目录CONTENTS1概述 (1)2产品型号规格 (1)3技术参数 (1)4安装指南 (2)4.1外形及安装开孔尺寸 (2)4.2仪表及开孔示意图 (2)4.3安装示意图 (2)4.4安装说明 (2)4.5端子排列及接线 (3)4.6注意事项 (4)5使用指南 (4)5.1按键 (4)5.2菜单符号及意义 (5)5.3程序设计流程 (5)5.4功能设置与使用 (6)6通讯指南 (8)6.1概述 (8)6.2协议 (8)6.3错误校验码(CRC)的生成方法 (9)6.4三相表通讯参量地址表 (9)6.5通讯应用 (10)1.概述PZ系列可编程智能三相电流、电压表,采用交流采样技术,可直接测量三相电网中的电和电压。
既可用于本地显示,又能与工控设备连接,组成测控系统。
仪表可具有RS-485通讯接口,采用兼容Modbus-RTU协议;可将电量信号转换成标准的模拟量输出;或带一路继电器报警输出;或带四路(两路)开关量输入/两路开关量输出。
根据不同要求,通过仪表面板按键,对变比、报警、通讯等参数设置和控制。
2.产品型号规格仅表型号基本功能外形可选功能PZ80-A13 PZ80-AV3三相电流(或电压)测量;LED数码管显示:80方形1、一路RS485通讯(/C)2、最多三路变送输出(/M或/M3)3、变送输出+RS485通讯(/MC或/M3C)4、RS485通讯+开关置4DI2DO(/KC)PZ80L-AI3 PZ80L-AV3三相电流(或电压)测量;LCD液晶显示;注:/J为一路继电器报警输出(与第二路开关量输出复用),如有特殊需求请咨询本公司3.技术参数技术参数指标输入标称值交流电压:AC100V、220V、380V;交流电流:AC1A、5A;特殊规格可事先咨询过载电压:1.2倍持续,2倍持续1秒;电流:1.2倍持续,10倍持续1秒频率45Hz~65Hz功耗各电压、电流输入回路功耗均小于0.5V A精度等级0.5功能显示LED或LCD显示,倍率可任意设置,报警、开关量指示;—路模拟量时,可程序设计设置对应显示通讯RS485,Modbus-RTU兼容协议;1个起始位,8个数据位,1个停止位,无奇偶校验;波特率:2400/4800/9600/19200bps报警1路无源继电器,触点容量1A/30VDC,1A/250VAC,高、低、不平衡报警等模拟量DC4~20mA、DC0~20mA(负载<500Ω),DC0~5V(负载>1kΩ)等开关量输入四路或两路干接点输入,内置电源,光耦隔离输出两路开关量输出,常开继电器触点,容量:1A/30VDC,1A/250VAC电源电压范围AC85~265V或DC100-350V功耗<5VA绝缘电阻≥100M Ω工频耐压外壳与各端子组(除参比电压≤40V 的端子)之间AC 4kV/1min 电源端子组与信号输入、输出端子组之间2KV/1min(RMS)平均无故障工作时间≥50000h环境温度工作:-10°C ~+55°C贮存:-25°C ~+70°C湿度≤93%RH,不结露,不含腐蚀性气体海拔≤2500m4安装指南4.3安装示意图4.4安装说明仪表安装时,松开固定支架锁紧螺钉,取下固定支架,将仪表嵌入安装孔内,装上固定支架,拧紧螺钉,使仪表安装牢固,不松动即可。
多功能仪表
三相多功能电能仪表是针对电力系统、工矿企业、公共设施、智能大厦的电力监控需求而设计的。
它能测量所有的常用电力参数,如三相电流、电压,有功、无功功率,电度、谐波等。
由于该电力仪表还具备完善的通信联网功能,所以我们称之为网络电力仪表。
它非常适合于实时电力监控系统。
该表具有很高的性能价格比,可以直接取代常规电力变送器及测量仪表。
作为一种先进的智能化、数字化的前端采集元件,该系列网络仪表已广泛应用于各种控制系统、SCADA系统和能源管理系统中。
三相多功能电能表国外知名品牌有美国电气控制QP系列、法国施耐德PM 系列,国知名品牌有安科瑞ACR系列、斯菲尔PD系列、派诺PMAC等。
下面以安科瑞ACR120E产品为例,介绍三相多功能电能表的功能及技术参数。
ACR120E三相多功能电能表
LED显示、三相有功电能、三相无功电能、四象限电能计量;RS485通讯接口、Modbus协议。
适用环境
●工作温度:-10℃~+45℃
●储存温度:-25℃~+70℃
●相对湿度:≤95%不结露
●海拔高度:≤2500m
电磁兼容
●静电抗干扰实验Ⅲ级(IEC61000-4-2)
●辐射抗干扰试验Ⅲ级(IEC61000-4-3)
●电快速瞬变脉冲群干扰试验Ⅳ级(IEC61000-4-4)
●浪涌抗干扰试验Ⅳ级(IEC61000-4-5)
●射频传导干扰试验Ⅲ级(IEC61000-4-6)
●电磁场抗干扰试验Ⅲ级(IEC61000-4-8)
功能
●可直接从电流、电压互感器接入信号;
●可任意设定PT/CT变比;
●仪表显示可滚动设置;
●I/O开关量,继电器报警输出,4~20mA模拟量等功能模块化设计;
●多块仪表可设置不同地址;
●可通讯接入SCADA、PLC系统中;可与业界多种软件通讯(Intouch, Fix,
Citec,组态网等);
●LED或蓝屏背光LCD显示,可视度高;
●方便安装,接线简单,工程量小;
●仪表采用专用失电保护电路,在失电情况下,数据保存不丢失,恢复电源
后,仪表继续运行;
●四象限电能计量,分时计费,最大需量纪录及12个月电能统计。
应用领域
●能源管理系统
●变电站自动化
●配电网自动化
●小区电力监控
●工业自动化
●智能建筑
●智能型配电盘、开关柜
技术参数
◆网络
三相三线、三相四线
◆精度等级
电流、电压:0.2级,
功率、有功电能:0.5级,
频率:0.05Hz,
无功电能:1级
◆输入电流
额定值:AC1A、5A
过负荷: 1.2倍持续,瞬时10倍/10秒
功耗:<0.2VA
阻抗:<0.1Ω
◆输入电压
额定值:AC100V、400V
过负荷: 1.2倍持续,瞬时2倍/1秒
功耗:<0.2VA
阻抗:>200kΩ
◆工作电源
工作围 AC85-270V
频率 50±5Hz,60±5Hz
功耗<1W
◆工频耐压
2kV/1min交流有效值
◆开关量输入
2、4或8路路干接点输入,置+5V电源
◆开关量输出
输出方式:2或4路继电器常开触点输出
触点容量:AC 250V/3A、DC 30V/3A
◆脉冲输出
输出方式:集电极开路的光耦脉冲,2路输出
脉冲常数: 10000、40000、160000 imp/kWh
◆通讯
RS485接口
MODBUS-RTU协议
波特率38400、19200、9600、4800可设定
外形及安装尺寸(mm)
ACR100E的面框尺寸为80mm*80mm,开孔尺寸为76mm*76mm, 安装深度为91mm。
安装方式为嵌入式,固定方式为挤压式。
LED显示。
专利及著作权
ACR120E专利:网络电力仪表(二)--外观专利号1.X
ACR120E著作权登记号:沪 DGY-2007-1338《安科瑞ACRXXE综合测控软件V1.0》
例
型号:ACR120E
辅助电源:AC/DC220V
输入信号:380V 600A/5A 2DI/2DO
电网:三相四线
通讯:RS485/Modbus-RTU
3、产品选型
ACR1XX系列产品规格
ACR2XX系列产品规格
ACR3XX系列产品规格
注:“■”为标配功能,“□”为选配功能。
4、外形尺寸
5、产品报价
安科瑞生产上引进MES管理系统,每道工序都进行条形码扫描,使整个生产进度和过程都得到了控制。
基本实现了无纸化管理,节约了生产成本,提高了管理效率。
公司建有ZigBee(物联网)无线网络电能管理系统,在配电系统中加装了智能电力仪表,通过物联网无线模块进行电量采集,实现开关柜、动力箱、照明箱等电气设备“无线相联”,对生产工序、班组用电进行监控。
江阴公司2010年生产
仪表25万台,开票销售收入9340万元,工业增值1402万元,用电量为49万度,折合标准煤60吨,生产每只表能耗为2度电。
【企业总部】
安科瑞电气股份位于嘉定,是安科瑞的技术研发、系统集成及商务中心。
公司致力于智能电网用户端智能电力监控和电能计量管理的研发与运用,为用户端提供智能电力监控与电能管理系统、大型公建能耗监测系统、光伏电站电力监控系统、剩余电流式电气火灾监控系统和ZigBee(物联网)无线网络电能管理系统等解决方案
【企业文化】
安科瑞精神:创新、高效、团结、诚信
安科瑞使命:自主创新、科技强国
安科瑞目标:立足中国,放眼世界,争做一流智能配电供应商
安科瑞经营理念:为客户创造价值
安科瑞发展理念:实事、解放思想、与时俱进
安科瑞管理理念:以人为本、科学管理。