荷载计算书
- 格式:docx
- 大小:38.32 KB
- 文档页数:5
荷载计算书一、屋面恒荷载计算书:1.上人屋面0.25 kN/m20.02*20=0.4 kN/m20.04*25=1.0 kN/m22.0*0.13=0.26 kN/m20.2 kN/m20.19*7=1.33 kN/m20.02*20=0.4 kN/m2自重:g = 3.84 kN/m22.不上人屋面0.02*25=0.5 kN/m22.0*0.13=0.26 kN/m20.2 kN/m20.13*7=0.91 kN/m20.02*20=0.4 kN/m2自重:g = 2.27 kN/m23.其它问题屋面宽度为31.2m,按2%找坡,最薄处按30mm厚,最厚处按31200*0.02*0.5+30=342mm,恒荷载计算时厚度按平均值190mm考虑,其自重按7.0 kN/m2。
屋面泡沫玻璃保温板产品简介:泡沫玻璃是由碎玻璃、发泡剂、改性添加剂和发泡促进剂等,经过细粉碎和均匀混合,再经过高温熔化发泡、退火而制成的无机非金属玻璃材料。
产品特性:①容重轻,在150kg/m3左右;②导热系数小,在0.060 W/m.k(38℃)以下,导热性能稳定;③不透湿;④吸水率小,0.2%左右;⑤不燃烧;⑥不霉变、腐蚀、不受鼠咬;⑦强度高,抗压强度≥0.7MPa,抗折强度≥0.5Mpa;⑧能耐酸性腐蚀(氟化氢除外);⑨本身无毒,不含CFC(氟氯化炭)和HCFC(氢氟氯酸);⑩物理化学性能稳定,尺寸稳定。
应用范围:泡沫玻璃可广泛用于民用建筑外墙和屋顶的绝热保温。
由于泡沫玻璃质轻、防火、防水、无污染、不燃烧、寿命长(与建筑同样长寿命)等特点,加之人类对生存环境保护要求越来越高,泡沫玻璃是民用建筑理想的高级墙体绝热材料和屋面绝热材料。
泡沫玻璃既是保冷材料又是保温材料,能适应深冷到较高温度范围等特点。
同时它的重要价值不仅在于长年使用不会变质,而且本身又起到防火、防震作用。
在低温深冷、地下工程、易燃易爆、潮湿以及化学侵蚀苛刻环境下使用时,不但安全可靠,而且经久耐用,被誉为“不须更换的永久性隔热材料”。
"欧洲国际社区"荷载计算书酒店:一、楼面永久荷载标准值(kN/m2)1、公共区域(商业、酒店用房、走廊)等:22、卫生间、更衣室等:23、办公标准层内部房间:地砖楼面实际输入取1.5 kN/m24、酒店标准层客房:地毯楼面(更衣区间做法为大理石楼面,楼面永久荷载按卫生间做法取1.7 2实际输入取1.2 kN/m25、游泳池地面做法实际输入取3.75 kN/m26、厨房:增加250mm厚炉渣回填14x0.25(按实际高度降)=3.5,其他构造同2项地砖楼面实际输入取1.7+3.5=5.2 kN/m2二、楼面活荷载(kN/m2)商业、酒店用房、大堂、餐厅等: 3.5kN/m2公共卫生间: 2.5kN/m2健身房、家俱库 4.0kN/m2办公: 3.0kN/m2(考虑1.0隔墙荷载)酒店客房: 2.0kN/m2避难层、楼梯: 3.5kN/m2其他楼面活荷载详后附《楼面荷载标准值表》三、屋面永久荷载标准值(kN/m2)1、裙房屋面(建筑找坡):(屋面设备部分荷载计入活荷载)实际输入:4.0kN/m22、裙房屋面(游泳池屋面)<不上人屋面>:(吊顶:0.7 kN/m2;设备重4 kN/m2;设备基础重1.5 kN/m2)实际输入:9.35kN/m23、裙房屋面(宴会厅屋面)<不上人屋面>:屋面构造同裙房屋面2,吊顶荷载为:1.5 kN/m2实际输入:4.65kN/m24、57F上人屋面:除找坡厚度不同,其他屋面构造同裙房屋面1。
找坡荷载:(0.12+12.2x2%)/2X5=0.93kN/m2实际输入:3.8kN/m25、非上人屋面卷材防水不上人屋面GB500345-2004(找坡荷载:(0.12+6.8x2%)/2X5=0.64(kN/m2)实际输入:3.3kN/m2四、楼面活荷载(kN/m2)卷材防水屋面(不上人屋面)0.50kN/m2卷材防水屋面(上人屋面) 2.00kN/m2卷材防水屋面(屋顶花园) 3.00kN/m2五、隔墙荷载标准值(kN/m)(除非业主特别指定否则按下表)2、墙下未设置梁的应将梁上墙重均摊到板面输入板面恒载,且附加面荷载不小于1.0KN/m23、外墙有大开洞时,外墙按照实际窗洞面积折算荷载;其中,落地窗、推拉门按1.0KN/m2考虑新疆地区特有隔墙(需甲方确认):根据建筑总说明,本工程内外墙体采用陶粒空心砖砌块,干容重=7.5 kN /m3,湿容重=9 kN /m3。
脚手架荷载计算书一、工程概述本次脚手架搭建工程位于具体工程地点,主要用于具体施工用途,如建筑外墙施工、装修等。
脚手架的搭建高度为具体高度,立杆间距为具体间距,横杆步距为具体步距。
二、荷载分类在进行脚手架荷载计算时,需要考虑以下几种荷载类型:1、恒载(永久荷载)脚手架结构自重,包括立杆、横杆、剪刀撑、扣件等构配件的自重。
脚手板自重,根据所选用的脚手板类型和铺设层数计算。
栏杆、挡脚板自重。
2、活载(可变荷载)施工荷载,按照施工过程中的人员、材料和设备的重量计算。
风荷载,根据当地的气象资料和建筑高度计算。
三、荷载取值1、脚手架结构自重立杆:根据所选钢管的规格和长度,计算每米立杆的自重。
横杆:同样根据钢管规格和长度,计算每米横杆的自重。
剪刀撑:考虑其布置方式和钢管长度,计算自重。
扣件:按每个扣件的重量乘以扣件数量计算。
2、脚手板自重选用具体脚手板类型,如竹笆脚手板、木脚手板等,其自重标准值为具体数值kN/m²。
根据铺设层数和面积计算总自重。
3、栏杆、挡脚板自重栏杆自重标准值为具体数值kN/m,挡脚板自重标准值为具体数值kN/m。
4、施工荷载一般取值为具体数值kN/m²,考虑施工过程中的人员和小型工具、材料的重量。
5、风荷载风荷载标准值按下式计算:ωk =07μzμsω0其中,ω0 为基本风压,根据当地气象资料取值;μz 为风压高度变化系数,根据脚手架所在高度和地面粗糙度确定;μs 为风荷载体型系数,根据脚手架的封闭情况和挡风系数计算。
四、荷载组合在计算脚手架的稳定性和强度时,需要按照不同的工况进行荷载组合。
一般考虑以下两种组合:1、承载能力极限状态组合一:由恒载控制,荷载组合为 135 恒载+ 14×07 活载。
组合二:由活载控制,荷载组合为 12 恒载+ 14 活载。
2、正常使用极限状态组合:恒载+活载五、立杆稳定性计算1、不组合风荷载时计算公式:N/(φA)≤f其中,N 为立杆所受的轴力设计值,根据荷载组合计算;φ 为轴心受压构件的稳定系数,根据立杆的长细比查表得到;A 为立杆的截面面积;f 为钢材的抗压强度设计值。
一、荷载计算(一)、楼面荷载:商业楼面:板厚120mm2①钢筋混凝土楼板0.12×25=3.00KN/m2 ②吊顶及装修荷载1.50KN/m2合计4.50KN/m按5.0KN/m2输入;3、卫生间(降板400mm):板厚100mm2 ①钢筋混凝土楼板0.10×25=2.50KN/m2 ②20厚1:3水泥砂浆找平层0.02×20=0.40KN/m2③吊顶荷载0.40KN/m2④填充荷载(考虑泡沫混凝土填充)0.35×10=3.50KN/m2⑤装修荷载1.00KN/m2合计7.80KN/m按8.00KN/m2输入;4、楼梯间:按8.0KN/m2输入2、屋面:[1]板厚120mm2 ①钢筋混凝土楼板0.12×25=3.00KN/m2②2%结构找坡(泡沫混凝土)0.20×10=2.00KN/m2③20厚1:3水泥砂浆找平层0.02×20=0.40KN/m2④吊顶荷载0.50KN/m2 ⑤装修荷载1.00KN/m2合计6.90KN/m按7.0KN/m2输入;(3)墙荷载:外墙:加气混凝土砌块,容重为1000kg/m3。
砌体容重取10kN/m3,200mm厚内墙采用加气混凝土砌块,容重为800kg/m3,砌体容重取8kN/m3,100mm厚内墙、卫生间、管井(水井、强弱电井)周边墙体采用多孔砖,容重为1400kg/m3。
砌体容重取15.5kN/m3,1、6M外墙:200厚(抹灰及面层):0.20×10+0.06×20=3.0kN/m23X(6-0.6)=16.2KN/M取18.6内墙:2、5.6M外墙:3X(5.6-0.6)=15内墙200厚:2.6X(5.6-0.6)=133、4.2M外墙:3X(4.2-0.6)=10.8内墙200厚:2.6X(4.2-0.6)=9.4栏杆线荷载为3.0有门洞有窗的地方按0.7的系数折减。
一.本工程电算选用软件本工程采用中国建筑科学研究院PKPM CAD建筑工程设计软件(V3.1.6)。
二.工程概况三. 设计依据建筑结构可靠度设计统一标准 GB 50068-2018建筑结构荷载规范 GB 50009-2012混凝土结构设计规范 GB 50010-2010(2015年版) 混凝土结构耐久性设计规范 GB/T 50476-2008建筑地基基础设计规范 GB 50007-2011建筑地基处理技术规范 JGJ 79-2012建筑抗震设计规范 GB 50011-2010(2016年版) 建筑工程抗震设防分类标准 GB 50223-2008砌体结构设计规范 GB 50003-201109系列结构标准设计图集 陕09G初步设计审批文件岩土工程勘察报告四、地基承载力特征值修正地基采用换填处理,要求处理后的承载力不小于150 KPa根据中华人民共和国国家标准GB50007-2002 –第5.2.4条)5.0()3(-+-+=d b f f m d b ak a γηγη=150+1.0X20X(2.1-0.5)=182KPa五、荷载标准值计算1.1 活荷载:①.风荷载:基本风压 0.40KN/m 2,地面粗造度为B 类。
②.雪荷载:基本雪压 0.25 KN/m2。
③.一般活荷载:1. 栏杆(栏板)水平荷载: 1.0 kN/㎡2. 楼梯走廊3.5 kN/㎡3.办公室 2.5 kN/㎡4.上人屋面 2.0 kN/㎡6.盥洗间 2.5 kN/㎡7.公共卫生间 4.0 kN/㎡8.不上人屋面: 0.5k kN/m2 1.2 恒荷载:楼屋面板自重,程序自动计算,详见荷载计算书中括号中内容。
1.2.1 楼面做法:(均不含现浇板自重)①、地砖楼面(无垫层): (陕09J01,楼59,厚150mm )(用于普通房间)1. 60~10mm厚铺地砖,干水泥擦缝 20×0.04=0.80 KN/m22. 20mm厚水泥砂浆粘结层 20×0.020=0.40 KN/m23.水泥浆一道 0.05KN/m24.60厚C15混凝土 25×0.060=1.50 KN/m25.铺设钢筋网片 0.1KN/m26.30厚聚苯乙烯泡沫板 0.5×0.030=0.015 KN/m27.20mm厚1:2.5水泥砂浆找平 20×0.020=0.40 KN/m28. 水泥浆一道 0.05KN/m29. 20mm厚板底抹灰 20×0.02=0.40 KN/m2共计: 3.715 KN/m2取值4.0KN/m2②、地砖楼面(有防水): (陕09J01,楼41,厚150mm)(用于卫生间,结构降板50mm)1. 6~10mm厚铺地砖,干水泥擦缝 20×0.01=0.20 KN/m22. 30mm厚水泥砂浆粘结层 20×0.030=0.60 KN/m23.1.5厚防水层 0.05KN/m24.60厚C15混凝土 25×0.060=1.50 KN/m25.铺设钢筋网片 0.1KN/m26.30厚聚苯乙烯泡沫板 0.5×0.030=0.015 KN/m27.20mm厚1:2.5水泥砂浆找平 20×0.020=0.40 KN/m28. 水泥浆一道 0.05KN/m29. 20mm厚板底抹灰 20×0.02=0.40 KN/m2共计: 3.315 KN/m2取值4.0KN/m2③、地砖楼面(无垫层): (陕09J01,楼39,厚50mm )(用于楼梯间,结构降板50mm)1. 10mm厚铺地砖,干水泥擦缝 20×0.010=0.20 KN/m22. 5mm厚水泥砂浆粘结层 20×0.005=0.10 KN/m23. 35mm厚1:3干硬性水泥砂浆结合层 20×0.035=0.70 KN/m24. 水泥浆一道5. 20mm厚板底抹灰 20×0.02=0.40 KN/m2-----------------------------------------------------------------共计: 1.40 KN/m取值2.0 KN/m1.2.3屋面做法:(均不含现浇板自重)(陕09J01,屋Ⅲ1) (结构降板0mm)20mm厚1:2.5水泥砂浆保护层 0.02×20=0.40 KN/M2高分子防水卷材 0.50 KN/M225mm厚1:3水泥砂浆找平 0.020×20=0.40 KN/M2100mm聚苯板保温层 0.50×0.10=0.05 KN/M2120mm水泥焦渣找坡最薄处30mm 14×0.12=1.68 KN/M220m厚板底抹灰 0.4 KN/M2-----------------------------------------------------------------共计: 3.43 KN/m2取值4.0 KN/m21.2.3 墙体荷载:a.水泥粉刷墙面: 0.4 KN/m2b.贴瓷砖墙面: 0.5 KN/m2c.干挂花岗岩墙面: 1.5 KN/m2d.玻璃幕墙墙面: 1.5 KN/m2①、外墙:2.200厚加气混凝土砌块(容重800KG考虑,双侧粉): 2.40 KN/m2②、内隔墙:3.200厚加气混凝土砌块(容重800KG考虑,双侧粉): 2.40 KN/m2六.附(1)、基础基本参数、基础荷载图、基础计算数据文件、基底反力等(2)、各层板的恒活载标准值取值及各层现浇板的计算配筋面积图(3)、各层梁墙荷载标准值取值图(4)、梁计算简图及裂缝宽度、挠度图(5)、结构计算总信息、位移、周期等。
xxx项目结构荷载计算书2015年06月26日1、荷载取值(如与建筑实际做法不符按实计算)1.楼面恒载:1)普通室内空间楼面1(厨房、卧室、架空层及室内楼梯间地面等)5厚面砖: 25x0.005=0.125kN/m2 20厚砂层找平: 16x0.02=0.32kN/m220厚水泥砂浆: 20x0.02=0.4kN/m21.5厚防水涂料: 15x0.0015=0.023kN/m2板底抹灰: 20x0.02=0.4kN/m2∑: 1.268KN/㎡(除楼板自重外,附加恒载按1.3KN/㎡输入)2)普通室内空间楼面2(客厅)10厚面砖: 25x0.01=0.25kN/m220厚砂层找平: 16x0.02=0.32kN/m220厚水泥砂浆: 20x0.02=0.4kN/m21.5厚防水涂料: 15x0.0015=0.023kN/m2板底抹灰: 20x0.02=0.4kN/m2∑: 1.393KN/㎡(除楼板自重外,附加恒载按1.5KN/㎡输入)3)阳台、外走廊、卫生间非大便器位置:5厚防滑地砖: 25x0.005=0.125kN/m21.2厚防水涂料: 15x0.0012=0.018kN/m2水泥砂浆找坡(找坡平均厚度为40): 20x0.04=1kN/m2素水泥砂浆结合层一遍0.1kN/m2板底抹灰: 20x0.02=0.4kN/m2∑: 1.443 KN/㎡(除楼板自重外,附加恒载按1.5 KN/㎡输入)4)公共空间楼面(大厅,公共内廊,电梯厅等公共空间):20厚大理石28x0.02=0.56kN/m220厚砂层找平16x0.02=0.32kN/m220厚水泥砂浆20x0.02=0.4kN/m21.5厚防水涂料15x0.0015=0.023kN/m2板底抹灰20x0.02=0.4kN/m2∑: 1.70 KN/㎡(除楼板自重外,附加恒载按1.7KN/㎡输入)5). 沉板卫生间(沉板350):5厚面砖25x0.005=0.125kN/m2 20厚水泥砂浆20x0.02=0.4kN/m2填料(容重取15kN/m3) 15x0.265=3.975kN/m2 20厚水泥砂浆20x0.02=0.4kN/m21.5厚防水涂料15x0.0015=0.023kN/m2水泥砂浆找坡 (找坡平均厚度为35) 20x0.035=0.7kN/m2板底抹灰20x0.02=0.4kN/m2∑: 6.023 KN/㎡(除楼板自重外,附加恒载按6.1KN/㎡输入)6). 机房(配电房、变压房和发电机房等较重设备机房):按800覆土预留荷载计算15x0.8=12kN/m220厚水泥砂浆20x0.02=0.4kN/m21.5厚防水涂料15x0.0015=0.023kN/m2板底抹灰(首层以上楼面采用) 0.5kN/m2设备走管 (除底板外地下室楼板采用) 1.0kN/m2∑: 12.923 KN/㎡(首层以上楼面)∑: 13.423kN/㎡ (地下室顶板) (除楼板自重外,附加恒载首层以上楼面按13KN/㎡输入)(除楼板自重外,附加恒载地下室顶板按14KN/㎡输入)7). 楼梯(仅限框架结构中楼梯为滑动支座时做法):板厚为100时:100厚板+167/2厚踏步:25X[0.084+(0.10/cos32)]=5.05 KN/㎡50厚面层: 20X0.05X(1+tan32)=1.62KN/㎡板底抹灰等: 0.4/cos32=0.5 KN/㎡∑: 7.17 KN/㎡考虑栏杆扶手、台阶侧面抹灰取8.0 KN/㎡(电算中自动考虑板自重时,板厚为0,按8.0 KN/㎡输入),其他板厚为h时计算通式为: 7.17+25X(h-0.10)/cos32)]8). 普通商业地面及带商业的地下室顶板(建筑隔墙位置已确定的商业地面) 20厚花岗岩28x0.02=0.56kN/m230厚1:4干硬性水泥砂浆20x0.03=0.6kN/m2吊顶(首层楼面以上) 0.5kN/m2风管及暖通管等设备(仅地下室顶板时采用) 1kN/m2∑: 1.66KN/㎡(首层以上楼面)∑: 2.16kN/㎡ (地下室顶板) (除楼板自重外,附加恒载首层以上楼面按2.0KN/㎡输入)(除楼板自重外,附加恒载地下室顶板按2.5KN/㎡输入)9). 露台及雨篷:8厚陶瓷地砖18x0.008=0.144kN/m225厚水泥砂浆20x0.025=0.5kN/m230厚挤塑聚苯板保温层0.35x0.03=0.011kN/m2防水层0.10kN/m220厚水泥砂浆找平层20x0.02=0.4kN/m2水泥憎水膨胀珍珠岩(找坡平均厚度为125) 11x0.125=1.375kN/m2板底抹灰20x0.02=0.4kN/m2∑:2.93 KN/㎡(除楼板自重外,附加恒载按3.0 KN/㎡输入)10).屋面:40厚预制细石混凝土板20x0.04=0.8kN/m220厚水泥砂浆20 x0.02=0.4kN/m230厚挤塑聚苯板保温层0.35x0.03=0.0105kN/m2防水层0.10kN/m220厚水泥砂浆找平层20x0.02=0.4kN/m2水泥憎水膨胀珍珠岩(找坡平均厚度为125) 11x0.125=1.375kN/m2板底抹灰20x0.02=0.4kN/m2∑:3.49 KN/㎡(除楼板自重外,附加恒载按3.5KN/㎡输入)11). 坡屋面:瓦 1.2kN/m225厚水泥砂浆(含钢筋网) 25x0.025=0.625kN/m220厚水泥砂浆20x0.02=0.4kN/m230厚挤塑聚苯板保温层0.5x0.03=0.015kN/m2防水层0.1kN/m220厚水泥砂浆找平层20x0.02=0.4kN/m2板底抹灰20x0.02=0.4kN/m2∑:3.14 KN/㎡坡屋面附加恒载计算公式:3.14/COS30°+hx25x(1/ COS30°-1)h为板厚, 屋面坡度30°。
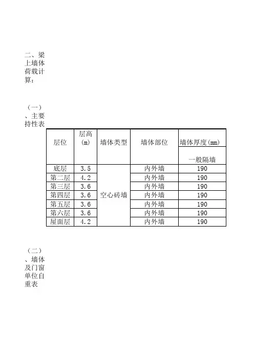
二、梁上墙体荷载计算:1、墙体面荷载计算:a、190厚外墙:(1)、25厚外墙墙面粉刷层:贴瓷砖墙面自重(2)、190厚清水墙自重(3)、25厚内墙墙面粉刷层:石灰粗砂墙面自重190厚外墙墙体单位面积自重合计q(KN/m )b、190厚内墙:(1)、25厚内墙墙面粉刷层:石灰粗砂墙面自重(2)、190厚清水墙自重(3)、25厚内墙墙面粉刷层:石灰粗砂墙面自重190厚内墙墙体单位面积自重合计q(KN/m )c、120厚内墙(1)、25厚内墙墙面粉刷层:石灰粗砂墙面自重(2)、120厚清水墙自重(3)、25厚内墙墙面粉刷层:贴瓷砖墙面自重120厚内墙墙体单位面积自重合计q(KN/m )2、门窗面荷载计算:门窗自重3、墙体计算公式:(1)、当墙内无门窗洞口时,墙体产生的荷载=墙体净高HnX墙体单位面积自重q(2)、当墙内有门窗洞口时,墙体产生的折算荷载=[(墙体净高HnX墙段跨长-门窗洞口面积X墙体单位面积自重q+门窗洞面积X门窗单位面积自重q1]/墙段3、墙体荷载计算:2、二层位A轴外挑边梁处应考虑斜形栏板及其构件等附加荷载:[(0.075+0.2)*0.3/2+1.137*0.12+0.95*0.12]*25+[0.12*(0.075+0.48*0.95]*25/3=8.14KN/m3、二层位A轴外挑边梁(C6窗)处考虑附加装饰构件等后的荷载:[0.075*0.2*4+0.4*0.12*4+0.08*0.2*2+0.35*0.2]*3.3*25/2.841=作用长度均平面而定。
而扣除此长度外的其它位置则按上表第17条结果4、三层位A轴外挑边梁(C6窗)处考虑附加装饰构件等后的荷载:[0.075*0.2*4+0.8*0.12*4+0.08*0.2*2+0.35*0.2]*3.3*25/2.841=作用长度均平面而定。
而扣除此长度外的其它位置则按上表第17条结果5、二、三层位A轴外挑边梁(C7窗)处的荷载:[(0.2*0.4*2+0.15*0.4*2)*3.0*27+0.9*3.3*0.4*3+(4.5*2.9-3.2*1.7)*3.71 6、A轴至D轴外挑边梁间构件等荷载计算:(1)、二层:由框梁与外边梁共同分担。
模板荷载计算书一、墙模板(1)地下室组合钢模板本工程地下室墙体模板采用组合钢模板组拼,墙高3.5m,厚度为250mm和200mm,内钢楞采用2根φ48×3.5钢管,间距为450mm,外钢楞采用同一规格钢管,间距为750mm。
对拉螺栓采用M14,间距为450mm。
混凝土自重(γc)为24KN/m3,强度等级为C30,坍落度为16cm,采用混凝土输送泵浇筑,浇筑速度为1.8m/小时,混凝土温度为300C,用插入式振捣棒振捣。
钢材抗拉强度设计值:Q235钢为215N/mm2,普通螺栓为170 N/mm2。
钢模的允许挠度:面板为1.5mm,钢楞为3mm。
1.荷载设计值混凝土侧压力混凝土侧压力标准值按《建筑施工手册》(第三版)公式17-1和17-2计算。
其中t0=200/(30+15)=4.44F1=0.22γ c t0β1β2V1/2=0.22×24×4.44×1.2×1.15×1.81/2=43.4KN/ m2 F2=γcH=24×3.5=84 KN/ m2取两者之中的最小值,即F1=43.4KN/ m22)混凝土侧压力设计值:F=43.4×1.2×0.85=44.27KN/ m2(2)倾倒混凝土时产生的水平荷载查表17-78为2KN/ m2荷载设计值为2×1.4×0.85=2.38KN/ m2(3)按表17-78进行荷载组合F’=44.27+2.38=46.65 KN/ m22.验算(1)钢模板验算查表17-83,钢模板截面特征Ixj=269700mm4,Wxj=5940mm3。
1)计算简图:。
2)抗弯强度验算:查表17-87得:m2/2= 13.995×3752/2=98.4×104N.mmM=q1σ=M/W=98.4×104/5940=164 N/mm2<215 N/mm2,可以。
一、荷载计算(一)、楼面及屋面永久荷载标准值:1、预制板楼面:楼面面层0.65KN/ m2预空板及灌缝 1.99KN/ m230厚板底抹灰17×0.03=0.51KN/ m2∑G=3.15KN/ m2(取3.20KN/ m2)2、现浇板楼面:楼面面层0.65KN/ m2120厚现浇板 3.00KN/ m220厚板底抹灰17×0.02=0.34KN/ m2∑G=3.99KN/ m2(取4.00KN/ m2)3、卫生间:楼面面层0.65KN/ m2240厚水泥炉渣垫层0.24×13 =3.12KN/ m220厚水泥沙浆保护层0.02× 20=0.4 KN/ m21.5厚聚氨酯涂层防水层15厚水泥沙浆找平层0.015×20 =0.3KN/ m280厚现浇板25×0.08=2.00 KN/ m220厚板底抹灰17×0.02=0.34KN/ m2∑G=6.81 KN/ m2(取7.00KN/ m2)4、屋面:40mm厚C30细石砼防水层25×0.04=1.00KN/ m23mm厚SBS防水层0.30KN/ m220mm厚水泥砂浆找平层20×0.02=0.40KN/ m2膨胀珍珠岩找坡层(最薄处50mm)10×0.10=1.00KN/ m2120厚钢筋混凝土板25×0.12=3.00KN/ m220mm厚板底抹灰17×0.02=0.34KN/ m2∑G=6.0KN/ m25、砖墙永久荷载标准值:双面粉刷240墙双面粉刷17×0.02×2=0.68 KN/ m2240mm厚烧结多孔砖墙19×0.24=4.56 KN/ m2∑G=5.24 KN/ m2(二)、屋面、楼面均布活荷载标准值(建筑结构荷载规范GB50009—2001)1、客厅 2.00 KN/ m22、门面 3.50 KN/ m23、餐厅 2.00 KN/ m24、卧室 2.00 KN/ m25、楼梯间 3.50 KN/ m26、阳台 2.50 KN/ m27、卫生间 2.00 KN/ m28、厨房 2.00 KN/ m29、上人屋面 2.00 KN/ m210、不上人屋面0.70 KN/ m211、基本风压0.35 KN/ m212、基本雪压0.45 KN/ m2一 .荷载汇集:〈恒荷载〉1(楼面荷载:(1)卧室、书房:2 木地板 0.2KN/M2 木格栅 0.2KN/M2 水泥砂浆找平层30mm: 0.03*20=0.6KN/M楼板自重:2板厚100mm 0.10*25=2.5 KN/M2板厚110mm 0.11*25=2.75 KN/M2 板厚120mm 0.12*25=3.0 KN/M2 板厚160mm 0.16*25=4.0 KN/M2 板下抹灰20mm: 0.02*20=0.4KN/M合计:22板厚100mm 3.90KN/M 取 4.0KN/M22板厚110mm 4 .15KN/M 取 4.2KN/M22板厚120mm 4.40 KN/M 取 4.4KN/M22板厚160mm 5.40 KN/M 取 5.5KN/M(2)客厅、餐厅2 大理石面层20mm 0.02*28,0.56KN/M2 水泥砂浆结合层20mm 0.02*20,0.40KN/M2 水泥砂浆找平层30mm: 0.03*20=0.60KN/M楼板自重:2板厚100mm 0.10*25=2.5 KN/M2板厚110mm 0.11*25=2.75 KN/M2板厚120mm 0.12*25=3.0 KN/M2板厚130mm 0.13*25=3.25 KN/M22板厚100mm 4.46KN/M 取 4.5KN/M22板厚110mm 4.71KN/M 取 4.8KN/M22板厚120mm 4.96KN/M 取 5.0KN/M1 - -22板厚130mm 5.21KN/M 取 5.3KN/M(3)卫生间、厨房、阳台:2 面砖 0.55KN/M2 水泥砂浆找平层30mm: 0.03*20=0.6KN/M楼板自重: 2板厚90mm 0.09*25=2.25 KN/M2板厚100mm 0.1*25=2.5 KN/M2板厚120mm 0.12*25=3.0 KN/M2 板下抹灰20mm: 0.02*20=0.4KN/M合计:22板厚90mm 3.8KN/M 取 3.9KN/M22板厚100mm 4.05KN/M 取 4.1KN/M22板厚120mm 4.55KN/M 取 4.6KN/M(4)电梯厅、入户花园、楼梯平台:2地面按铺20mm厚石材考虑: 0.02*28=0.56 KN/M2水泥砂浆找平层30mm: 0.03*20=0.60KN/M楼板自重:2板厚100mm 0.1*25=2.50 KN/M2板厚110mm 0.11*25=2.75 KN/M2板厚120mm 0.12*25=3.00 KN/M2 板下抹灰20mm: 0.2*20=0.4KN/M合计:22板厚100mm 4.06KN/M 取 4.1KN/M22板厚110mm 4.31KN/M 取 4.4KN/M(5)地下室顶板(无覆土时):2地面按铺20mm厚石材考虑: 0.02*28=0.56 KN/M2水泥砂浆找平层30mm: 0.03*20=0.60KN/M2楼板自重160mm: 0.16*25=4.0 KN/M2板下设备: 1.0 KN/M2 吊棚或抹灰: 0.02*20=0. 40KN/M22合计: 6.56 KN/M 取 6.7KN/M2 - -(6)地下室顶板(人防):2地面按铺20mm厚石材考虑: 0.02*28=0.56 KN/M2水泥砂浆找平层30mm: 0.03*20=0.60KN/M2楼板自重250mm: 0.25*25=6.25 KN/M2板下设备: 1.0 KN/M2吊棚或抹灰: 0.02*20=0. 40 KN/M22合计: 8.81 KN/M 取 9.0 KN/M2(屋面荷载:(1)上人屋面:2面砖: 0.55 KN/M240mm细石砼: 0.04*25=1.0 KN/M2防水层: 0.10KN/M2水泥砂浆找平层20mm: 0.02*20=0. 40KN/M2挤塑板30mm 0.05 KN/M2焦渣砼找坡层2%,最薄处30mm: (4.3*2%+0.03)*17=1.97 KN/M 2水泥砂浆找平层20mm: 0.02*20=0.4KN/M2楼板120mm厚: 0.12*25=3.0 KN/M2板下抹灰20mm: 0.02*20=0.4KN/M(2)不上人屋面:2防水层和细砂保护层: 0.30KN/M2水泥砂浆找平层20mm: 0.02*20=0. 40KN/M2焦渣砼找坡层2%,最薄处30mm: (6.0*2%+0.03)*17=2.55 KN/M 2水泥砂浆找平层20mm: 0.02*20=0.4KN/M2楼板120mm厚: 0.12*25=3.0 KN/M2板下抹灰20mm: 0.02*20=0.4KN/M22合计: 7.05KN/M 取 7.2KN/M(3)露台:2面砖: 0.55 KN/M240mm细石砼: 0.04*25=1.0 KN/M2防水层: 0.10KN/M2水泥砂浆找平层20mm: 0.02*20=0. 40KN/M3 - -2挤塑板30mm 0.05 KN/M2焦渣砼找坡层2%,最薄处30mm: (3.3*2%+0.03)*17=1.63 KN/M 2水泥砂浆找平层20mm: 0.02*20=0.4KN/M2楼板120mm厚: 0.12*25=3.0 KN/M2板下抹灰20mm: 0.02*20=0.4KN/M22合计: 7.53 KN/M 取 7.7 KN/M〈活荷载〉2z 阳台: 2.5 KN/M2其它房间: 2.0 KN/M2(梁上线荷载(内外墙均按砂加气容重考虑):2250墙:7.0*1.3*0.25+0.8=3.1 KN/M,2200墙:7.0*1.3*0.2+0.8=2.62 KN/M,2120墙:7.0*1.3*0.12+0.8=1.9 KN/M,(1)层高2.9m250普通墙: q=3.1*(3.0-0.4)=8.06 KN/M,取8.1 KN/M 250卫生间墙(双面瓷砖):q=(3.1+1.0)*(3.0-0.4)=10.66 KN/M,取10.7 KN/M 250卫生间墙(单面瓷砖):q=(3.1+0.5)*(3.0-0.4)=9.36 KN/M,取9.4 KN/M120普通墙: q=1.9*(3.0-0.3)=5.13 KN/M,取5.2 KN/M120卫生间墙(双面瓷砖): q=(1.9+1.0)*(3.0-0.3)=7.83 KN/M,取7.9KN/M120卫生间墙(单面瓷砖): q=(1.9+0.5)*(3.0-0.3)=6.48 KN/M,取6.5KN/M200普通墙墙: q=2.62*(3.0-0.4)=6.82 KN/M,取6.9 KN/M 200卫生间墙(双面瓷砖): q=(2.62+1.0)*(3.0-0.4)=9.42 KN/M,取9.5 KN/M 200卫生间墙(单面瓷砖):q=(2.62+0.5)*(3.0-0.4)=8.11 KN/M,取8.2 KN/M100普通墙墙: q=1.8*(3.0-0.3)=4.86 KN/M,取4.9 KN/M 100卫生间墙(双面瓷砖): q=(1.8+1.0)*(3.0-0.3)=7.56 KN/M,取7.6 KN/M 100卫生间墙(单面瓷砖):q=(1.8+0.5)*(3.0-0.3)=6.21 KN/M,取6.3 KN/M250普通墙有窗:8.1*0.8=6.48 KN/M,取7.0 KN/M计算如计平面的架,剪力计计的计荷计及合力作用位置。
主要功能房间活荷载汇集如下:1、面荷恒载:(楼板自重根据板厚计算) 地下室:类别 做法名称 适用部位详细做法厚度(mm)容重(kN/m3)重量(kN/m2)合计(kN/m2)取值(kN/m2)备注地下室 地下室顶板适用于绿化1 种植土或结合景观设置铺地 1200 18 21.624.5 25.501.采用机械碾压回填土时,细石砼保护层厚度不小于70mm;2.采用人工回填土时,细石砼保护层厚度不小于50mm;2聚酯无纺布过滤层(用量≮200g/m²)0.05320高高密度聚乙烯塑料板排水层,凸点向上0.20450厚或70厚C20细石砼保护层,内配双向Ф6@200X200双向钢筋网片,(分隔缝处断开,钢筋保护层≥10mm),每隔6x6m设分仓缝,缝宽20,防水油膏嵌缝70 25 1.755 聚酯无纺布隔离层 0.056聚氯乙烯(PVC)耐根穿刺防水卷材1.5厚一道0.107热塑性聚烯烃(TPO)聚酯复合高分子防水卷材1.2厚一道0.058 板底抹灰 0.29 吊装设备荷载 0.5地下室顶板适用于车行道1 40厚沥青混凝土面层 40 20 0.8022.6025.502 80厚粗粒式沥青混凝土 80 20 1.603 300厚碎砾石路基碾压 300 15 4.504 700厚素土分层夯实 700 18 12.605 土工布一层 0.106 25厚塑料透水疏水板 25 10 0.257 70厚C30细石混凝土保护层 70 25 1.758 无纺布隔离层 0.109 防水卷材 0.1010 1.5厚防水涂料 0.1011 板底抹灰 0.2012 吊装设备荷载 0.50屋面:类别做法名称适用部位详细做法厚度(mm)容重(kN/m3)重量(kN/m2)合计(kN/m2)取值(kN/m2)备注屋面屋1平屋面(保温)露台(下有房间)(混凝土屋面(保温面)二级防水)140厚C20混凝土,表面压光,内配双向Ф6@200X200双向钢筋网片,平面四周(沿墙和水沟边)设伸缝,缝宽20mm,缝内嵌改性沥青密封膏;平面内间距≤3000mm设缩缝,40 25 1.003.624.00考虑业主使用(如种植盆栽)放大210厚低标号砂浆隔离层 10 20 0.2033+3厚SBS改性沥青防水卷材 0.1420厚1:3水泥砂浆找平层 20 20 0.40555厚难燃型挤塑聚苯板保温层 55 0.3 0.0165630厚(最薄处)LC5.0轻集料混凝土2%找坡层,随打随抹平现浇钢筋混凝土板,表面清扫干净,修补平整至表面无坑洼和突出物,闭水检验,阴角导R=50角100 14 1.407板底抹灰或吊顶 0.5屋2平屋面(无保温)(混凝土屋面(无保温屋面)二级防水)140厚C20混凝土,表面压光,内配双向Ф6@200X200双向钢筋网片,平面四周(沿墙和水沟边)设伸缝,缝宽20mm,缝内嵌改性沥青密封膏;平面内间距≤3000mm设缩缝,40 25 1.003.64.00考虑业主使用(如种植盆栽)放大210厚低标号砂浆隔离层 10 20 0.2033+3厚SBS改性沥青防水卷材 0.1420厚1:3水泥砂浆找平层 20 20 0.40530厚(最薄处)LC5.0轻集料混凝土2%找坡层,随打随抹平现浇钢筋混凝土板,表面清扫干净,修补平整至表面无坑洼和突出物,闭水检验,阴角导R=50角100 14 1.406板底抹灰或吊顶 0.5屋3有保温坡屋面(水泥瓦或陶瓷瓦坡屋面(保温屋面)二级防水)1屋面瓦 1.104.045.00建模为平屋面,按坡屋面斜向角度(20度)放大2挂瓦条L30x4,中距按瓦材 0.503顺水条-30X6,中距500,水泥钉固定,钉头处防水油膏嵌缝0.504≥35厚C20混凝土,表面压光,内配双向Ф4@150X150钢筋网片(与屋脊、檐口预埋钢筋连接),平面四周(沿墙和水沟边)设伸缝,缝宽20mm,缝内嵌改性沥青密封膏;平面内间距≤3000mm设缩缝35 25 0.87550.4厚聚乙烯膜一层 0.0563+3厚SBS改性沥青防水卷材 0.10720厚 1:2.5水泥砂浆找平层 20 20 0.408 55厚难燃型挤塑聚苯板 55 0.3 0.0165 9 板底抹灰或吊顶0.5外墙:类别做法名称 适用部位详细做法厚度(mm) 容重(kN/m 3) 重量(kN/m 2) 合计(kN/m 2) 取值(kN/m 2)备注外墙外墙1外墙外保温(干挂石材墙面(厚度根据节点调整))130厚石材板,上下边钻销孔,稀释水泥擦缝 3028 0.84 1.551.55干挂石材做法仅供参考,具体详石材幕墙厂家深化图纸;干挂石材无保温处做法无7-9条做法2 5厚脚码调节间距0.05 3 L40X40X5横向角钢龙骨,中距为石板高度加缝宽,外表面与竖向角钢龙骨外表面平齐0.054 L60X40X6竖向角钢龙骨,中距为石板宽度加缝宽0.05 5角钢龙骨焊于墙内预埋钢板,角钢焊连竖向角钢龙骨6 柔性耐水腻子0.05 7抹面胶浆+耐碱玻纤网格布二层+锚栓固定0.05 8 泡沫玻璃板 401.5 0.06 9 保温板专用粘结剂0.05 1015厚RP15预拌抹灰砂浆掺5%防水剂找平层15 20 0.3 11 基层界面处理剂0.05外墙2 外墙外保温(贴面砖墙面 (贴面砖允许高度<40m) )18-10厚面砖面层,专用勾缝剂勾缝(面砖质量不应大于20kg/㎡,单块面砖面积不宜大于0.01㎡); 10 20 0.200.671.00贴面砖无保温处做法无6-8条做法2 专用粘结剂粘结层 0.053 5厚抗裂砂浆 5 20 0.1 4热镀锌电焊网(塑料锚栓双向@500锚固)0.1 5 3厚抗裂砂浆 3 20 0.06 6 泡沫玻璃板 401.5 0.06 7 保温板专用粘结剂 0.05 8 基层界面处理剂0.05 外墙3 外墙外保温(外墙涂料或真石漆) 1外墙涂料或真石漆涂料,具体详专业厂家工艺0.30 0.661.00考虑业主装修放大2 柔性耐水腻子层 0.05 3抹面胶浆+耐碱玻纤网格布二层+锚栓固定0.05 4 3-5厚抗裂砂浆复合5 20 0.10 5 泡沫玻璃板401.50.066保温板专用粘结剂 0.05 7基层界面处理剂0.05内墙: 类别做法名称适用部位详细做法厚度(mm) 容重(kN/m 3)重量(kN/m 2)合计(kN/m 2)取值(kN/m 2)备注内墙内墙1 内墙 1. 干粘薄大理石板墙面1110~15厚大理石板面层,正背面及四周边满涂防污剂(在粘贴面涂专用建筑胶粉或强力胶点粘),稀水泥浆擦(勾)缝15 28 0.420.791.00考虑业主装修放大28厚RP10预拌抹灰砂浆找平 820 0.16 38厚RP10预拌抹灰砂浆打底扫毛 820 0.16 4基层界面处理剂0.05 内墙2 内墙 2.贴壁纸墙面 1贴壁纸面层0.05 0.471.00考虑业主装修放大2满刮2厚白色面层耐水腻子0.05 38厚RP15预拌抹灰砂浆找平8 20 0.16 48厚RP15预拌抹灰砂浆打底扫毛或划出纹道8 20 0.16 5基层界面处理剂0.05 内墙3 内墙 3.乳胶漆墙面1喷(刷、辊)乳胶漆涂料二道饰面0.10 0.571.00考虑业主装修放大2封底漆一道(干燥后再做面涂)0.05 3满刮2厚白色面层耐水腻子0.05 48厚RP15预拌抹灰砂浆找平8 20 0.16 58厚RP15预拌抹灰砂浆打底扫毛8 20 0.16 6基层界面处理剂0.05 内墙4 内墙 4. 面砖墙面(25-30厚)(卫生间、厨房)15~10厚面砖面层,专用勾缝剂勾缝 10 25 0.25 0.82 1.00考虑业主装修放大 23厚强力胶粉泥粘结层,揉挤压实 0.05 3素水泥浆一道甩毛(内掺建筑胶) 0.0541.5厚JS 防水涂料II 型两道成活,墙面满涂0.10 58厚RP15预拌抹灰砂浆找平 8 20 0.16 68厚RP15预拌抹灰砂浆打底扫毛或划出纹道8 20 0.16 7基层界面处理剂0.05墙体材料 层高(m)梁高(mm)墙厚(mm)容重(kN/m3)粉刷及装修(kN/m2)荷载值(kN/m)门窗折减(系数0.8)200厚外墙(烧结多孔砖)(石材)3.30 550 200 17.00 1.55 13.2 10.6 200厚外墙(烧结多孔砖)(涂料或面砖)3.30 550 200 17.00 1.00 11.8 9.5200厚内墙(烧结多孔砖)3.30 550 200 17.00 1.00 11.8 9.5100厚内墙(烧结多孔砖)3.30 550 100 17.00 1.00 7.5 6 楼面:类别 做法名称适用部位 详细做法厚度(mm)容重(KN/m3)重量(KN/m2)合计(KN/m2)取值(KN/m2)备注楼1 地下车库1 抛光处理2.46 2.5 取整2混凝土密封固化剂渗透(用量:0.25~0.3kg/㎡)0.0033 金刚砂耐磨材料施工(用量:5kg/㎡) 0.05450-100厚C20混凝土找平兼找坡层(坡度按图纸),随打随抹光,内配双向∅6@200X200双向钢筋网片,(分隔缝处断开,钢筋保护层≥10mm),每隔6x6m设分仓缝,缝宽10,防水油膏嵌缝10024 2.4楼 5铺地砖楼面1(50厚)(客厅、餐厅)18--14厚防滑地砖铺实排平,水泥浆擦缝1020 0.201.305 1.50考虑业主装修放大2 20厚1:4干硬性水泥砂浆结合层 2020 0.403 10厚难燃型挤塑聚苯板 100.5 0.0054 素水泥浆结合层一道 1020 0.25钢筋混凝土楼板(地面做法为:基土夯实,80厚C15混凝土)6 板底抹灰或吊顶 0.5楼 6木地板楼面1(50厚)(衣帽间、卧室、储藏、书房)1 12-15厚实木复合地板 100.21.305 1.5考虑业主装修放大2 20厚1:4干硬性水泥砂浆结合层 2020 0.403 10厚难燃型挤塑聚苯板, 100.5 0.0054 素水泥浆结合层一道 1020 0.25现浇钢筋混凝土楼板,修补平整,表面清扫干净5 板底抹灰或吊顶 0.5楼 7防滑玻化砖楼面1(300厚)(卫生间)18-10厚防滑玻化砖面层,干水泥擦缝10 20 0.205.32 5.60考虑业主装修放大220厚1:3干硬性水泥砂浆结合层 20 20 0.40320厚RS20水泥砂浆保护层 20 20 0.4041.5厚JS防水涂料Ⅱ型,四周翻起与墙面防水层相接,在门口处水平向外延展≮500mm0.10520厚RS20水泥砂浆找平层 20 20 0.406LC7.5轻骨料混凝土填充剩余厚度(卫生间1%坡向地漏)230 14 3.2271.5厚JS防水涂料Ⅱ型,四周翻起与墙面防水层相接,在门口处水平向外延展≮500mm0.108现浇钢筋混凝土楼板,表面清扫干净,修补平整至表面无坑洼和突出物9板底抹灰或吊顶 0.5楼 8防滑玻化砖楼面2(50厚)(厨房)18-10厚防滑玻化砖面层,干水泥擦缝10 20 0.201.601.60220厚1:3干硬性水泥砂浆结合层 20 20 0.40320厚水泥砂浆保护层 20 20 0.4041.5厚JS防水涂料Ⅱ型,四周翻起至完成面以上600mm高0.105现浇钢筋混凝土楼板,表面清扫干净,修补平整至表面无坑洼和突出物6板底抹灰或吊顶 0.5***1). ±0.000层活荷载小于5KN/㎡均取5KN/㎡。
1、根据《建筑结构荷载规范》(GB50009-2001)查材料和构件自重:钢材:78.5kN/m2石膏:13 kN/m2钢筋混凝土:24 kN/m2镀锌钢板:0.05 kN/m2地板砖:0. 50kN/m2轻钢龙骨吊顶:0.12 kN/m2现场板房: 1.50kN/m2(由板房安装公司提供)2、活荷载(标准值):办公楼:2.0 kN/m2会议室:2.0 kN/m2走廊:2.5 kN/m2楼梯:2.5 kN/m2屋面活荷载(不上人):0.5 kN/m2风荷载:临时性建筑,且建筑高度较低,不考虑风荷载对结构的影响。
雪荷载:不考虑。
2.各层荷载分布:屋面荷载:恒荷载:0.05 kN/m2活荷载:屋面活荷载:0.5 kN/m2二层楼面:恒荷载:板房自重:1.50 kN/m2轻钢龙骨吊顶:0.12 kN/m2-----------------------------------------共计:1.62 kN/m23、活荷载:办公室:2.0 kN/m2首层地面:恒荷载:板房自重:1.50 kN/m2轻钢龙骨吊顶:0.12 kN/m2200mm厚混凝土地面:2.4 kN/m2地板砖:0. 50 kN/m2--------------------------------------------- 共计:3.57 kN/m2活荷载:会议室、办公室:2.0 kN/m 2餐厅:2.5 kN/m2走廊:恒荷载:0.5 kN/m2活荷载:2.5 kN/m2楼梯:恒荷载:0.5 kN/m2活荷载:2.5 kN/m23.荷载累计:恒荷载:楼面:SGK1=0.05+0.67+0.67+3.57=4.96 kN/m2楼梯:SGK2=0.5*2=1 kN/m2走廊:SGK3=0.5*2+2.4=3.4kN/m2活荷载:(一层办公室单个房间面积大于25 m2,故进行活荷载累- 4 -计时应乘以折减系数0.9)楼面:餐厅:SQK11=0.5+2.0+2.0+0.9*2.5=6.75 kN/m2会议室:SQK1=0.5+2.0+2.0+0.9*2.0=6.3 kN/m2楼梯:SGK2=2.5*2=5 kN/m2走廊:SGK3=2.5*3=7.5kN/m24.荷载组合由《建筑地基基础设计规范》(GB50007-2011)3.0.5可知,计算挡土墙压力、地基或斜披稳定时应按承载力极限状态下荷载效应的基本组合,但分项系数均为1.0。
一、荷载计算(一)、楼面及屋面永久荷载标准值:1、预制板楼面:楼面面层 0.65KN/ m2预空板及灌缝 1。
99KN/ m230厚板底抹灰 17×0。
03=0。
51KN/ m2∑G=3。
15KN/ m2(取3.20KN/ m2)2、现浇板楼面:楼面面层 0.65KN/ m2120厚现浇板 3.00KN/ m220厚板底抹灰 17×0.02=0.34KN/ m2∑G=3。
99KN/ m2(取4.00KN/ m2)3、卫生间:楼面面层 0。
65KN/ m2240厚水泥炉渣垫层 0。
24×13 =3。
12KN/ m2 20厚水泥沙浆保护层 0。
02× 20=0.4 KN/ m21。
5厚聚氨酯涂层防水层15厚水泥沙浆找平层 0。
015×20 =0。
3KN/ m280厚现浇板 25×0。
08=2。
00 KN/ m2 20厚板底抹灰 17×0。
02=0.34KN/ m2∑G=6.81 KN/ m2(取7.00KN/ m2)4、屋面:40mm厚C30细石砼防水层 25×0.04=1。
00KN/ m23mm厚SBS防水层 0。
30KN/ m220mm厚水泥砂浆找平层 20×0.02=0.40KN/ m2膨胀珍珠岩找坡层(最薄处50mm) 10×0.10=1。
00KN/ m2120厚钢筋混凝土板 25×0.12=3.00KN/ m220mm厚板底抹灰 17×0.02=0。
34KN/ m2∑G=6.0KN/ m25、砖墙永久荷载标准值:双面粉刷240墙双面粉刷 17×0.02×2=0。
68 KN/ m2 240mm厚烧结多孔砖墙 19×0.24=4。
56 KN/ m2∑G=5.24 KN/ m2(二)、屋面、楼面均布活荷载标准值(建筑结构荷载规范GB50009—2001)1、客厅 2。
荷载计算书文件管理序列号:[K8UY-K9IO69-O6M243-OL889-F88688]一、荷载计算(一)、楼面及屋面永久荷载标准值:1、预制板楼面:楼面面层 0.65KN/ m2预空板及灌缝 1.99KN/ m230厚板底抹灰 17×0.03=0.51KN/ m2∑G=3.15KN/ m2(取3.20KN/ m2)2、现浇板楼面:楼面面层 0.65KN/ m2120厚现浇板 3.00KN/ m220厚板底抹灰 17×0.02=0.34KN/ m2∑G=3.99KN/ m2(取4.00KN/ m2)3、卫生间:楼面面层 0.65KN/ m2240厚水泥炉渣垫层 0.24×13 =3.12KN/ m2 20厚水泥沙浆保护层 0.02× 20=0.4 KN/ m21.5厚聚氨酯涂层防水层15厚水泥沙浆找平层 0.015×20 =0.3KN/ m2 80厚现浇板 25×0.08=2.00 KN/ m2 20厚板底抹灰 17×0.02=0.34KN/ m2∑G=6.81 KN/ m2(取7.00KN/ m2)4、屋面:40mm厚C30细石砼防水层 25×0.04=1.00KN/ m23mm厚SBS防水层 0.30KN/ m220mm厚水泥砂浆找平层 20×0.02=0.40KN/ m2膨胀珍珠岩找坡层(最薄处50mm) 10×0.10=1.00KN/ m2120厚钢筋混凝土板 25×0.12=3.00KN/ m220mm厚板底抹灰 17×0.02=0.34KN/ m2∑G=6.0KN/ m25、砖墙永久荷载标准值:双面粉刷240墙双面粉刷 17×0.02×2=0.68 KN/ m2240mm厚烧结多孔砖墙 19×0.24=4.56 KN/ m2∑G=5.24 KN/ m2(二)、屋面、楼面均布活荷载标准值(建筑结构荷载规范GB50009—2001)1、客厅 2.00 KN/ m22、门面 3.50 KN/ m23、餐厅 2.00 KN/ m24、卧室 2.00 KN/ m25、楼梯间 3.50 KN/ m26、阳台 2.50 KN/ m27、卫生间 2.00 KN/ m28、厨房 2.00 KN/ m29、上人屋面 2.00 KN/ m210、不上人屋面 0.70 KN/ m211、基本风压 0.35 KN/ m212、基本雪压 0.45 KN/ m2一 .荷载汇集:〈恒荷载〉1(楼面荷载:(1)卧室、书房:2 木地板 0.2KN/M2 木格栅 0.2KN/M2 水泥砂浆找平层30mm: 0.03*20=0.6KN/M楼板自重:2板厚100mm 0.10*25=2.5 KN/M2板厚110mm 0.11*25=2.75 KN/M2 板厚120mm 0.12*25=3.0 KN/M2 板厚160mm 0.16*25=4.0 KN/M2 板下抹灰20mm: 0.02*20=0.4KN/M合计:22板厚100mm 3.90KN/M 取 4.0KN/M22板厚110mm 4 .15KN/M 取 4.2KN/M22板厚120mm 4.40 KN/M 取 4.4KN/M22板厚160mm 5.40 KN/M 取 5.5KN/M(2)客厅、餐厅2 大理石面层20mm 0.02*28,0.56KN/M2 水泥砂浆结合层20mm 0.02*20,0.40KN/M2 水泥砂浆找平层30mm: 0.03*20=0.60KN/M楼板自重:2板厚100mm 0.10*25=2.5 KN/M2板厚110mm 0.11*25=2.75 KN/M2板厚120mm 0.12*25=3.0 KN/M2板厚130mm 0.13*25=3.25 KN/M2 板下抹灰20mm: 0.02*20=0.4KN/M合计:22板厚100mm 4.46KN/M 取 4.5KN/M22板厚110mm 4.71KN/M 取 4.8KN/M22板厚120mm 4.96KN/M 取 5.0KN/M1 - -22板厚130mm 5.21KN/M 取 5.3KN/M(3)卫生间、厨房、阳台:2 面砖 0.55KN/M2 水泥砂浆找平层30mm: 0.03*20=0.6KN/M楼板自重: 2板厚90mm 0.09*25=2.25 KN/M2板厚100mm 0.1*25=2.5 KN/M2板厚120mm 0.12*25=3.0 KN/M2 板下抹灰20mm: 0.02*20=0.4KN/M合计:22板厚90mm 3.8KN/M 取 3.9KN/M22板厚100mm 4.05KN/M 取 4.1KN/M22板厚120mm 4.55KN/M 取 4.6KN/M(4)电梯厅、入户花园、楼梯平台:2地面按铺20mm厚石材考虑: 0.02*28=0.56 KN/M 2水泥砂浆找平层30mm: 0.03*20=0.60KN/M楼板自重:2板厚100mm 0.1*25=2.50 KN/M2板厚110mm 0.11*25=2.75 KN/M2板厚120mm 0.12*25=3.00 KN/M2 板下抹灰20mm: 0.2*20=0.4KN/M合计:22板厚100mm 4.06KN/M 取 4.1KN/M22板厚110mm 4.31KN/M 取 4.4KN/M22板厚120mm 4.56KN/M 取 4.6KN/M(5)地下室顶板(无覆土时):2地面按铺20mm厚石材考虑: 0.02*28=0.56 KN/M 2水泥砂浆找平层30mm: 0.03*20=0.60KN/M2楼板自重160mm: 0.16*25=4.0 KN/M2板下设备: 1.0 KN/M2 吊棚或抹灰: 0.02*20=0. 40KN/M22合计: 6.56 KN/M 取 6.7KN/M2 - -(6)地下室顶板(人防):2地面按铺20mm厚石材考虑: 0.02*28=0.56 KN/M2水泥砂浆找平层30mm: 0.03*20=0.60KN/M2楼板自重250mm: 0.25*25=6.25 KN/M2板下设备: 1.0 KN/M2吊棚或抹灰: 0.02*20=0. 40 KN/M22合计: 8.81 KN/M 取 9.0 KN/M2(屋面荷载:(1)上人屋面:2面砖: 0.55 KN/M240mm细石砼: 0.04*25=1.0 KN/M2防水层: 0.10KN/M2水泥砂浆找平层20mm: 0.02*20=0. 40KN/M2挤塑板30mm 0.05 KN/M2焦渣砼找坡层2%,最薄处30mm: (4.3*2%+0.03)*17=1.97 KN/M 2水泥砂浆找平层20mm: 0.02*20=0.4KN/M2楼板120mm厚: 0.12*25=3.0 KN/M2板下抹灰20mm: 0.02*20=0.4KN/M22合计: 7.87 KN/M 取 8.0 KN/M(2)不上人屋面:2防水层和细砂保护层: 0.30KN/M2水泥砂浆找平层20mm: 0.02*20=0. 40KN/M2焦渣砼找坡层2%,最薄处30mm: (6.0*2%+0.03)*17=2.55 KN/M2水泥砂浆找平层20mm: 0.02*20=0.4KN/M2楼板120mm厚: 0.12*25=3.0 KN/M2板下抹灰20mm: 0.02*20=0.4KN/M22合计: 7.05KN/M 取 7.2KN/M(3)露台:2面砖: 0.55 KN/M240mm细石砼: 0.04*25=1.0 KN/M2防水层: 0.10KN/M2水泥砂浆找平层20mm: 0.02*20=0. 40KN/M3 - -2挤塑板30mm 0.05 KN/M2焦渣砼找坡层2%,最薄处30mm: (3.3*2%+0.03)*17=1.63 KN/M 2水泥砂浆找平层20mm: 0.02*20=0.4KN/M2楼板120mm厚: 0.12*25=3.0 KN/M2板下抹灰20mm: 0.02*20=0.4KN/M22合计: 7.53 KN/M 取 7.7 KN/M〈活荷载〉2z 阳台: 2.5 KN/M2其它房间: 2.0 KN/M2(梁上线荷载(内外墙均按砂加气容重考虑):2250墙:7.0*1.3*0.25+0.8=3.1 KN/M,2200墙:7.0*1.3*0.2+0.8=2.62 KN/M,2100墙:7.0*1.3*0.1+0.8=1.8 KN/M,2120墙:7.0*1.3*0.12+0.8=1.9 KN/M,(1)层高2.9m250普通墙: q=3.1*(3.0-0.4)=8.06 KN/M,取8.1 KN/M 250卫生间墙(双面瓷砖): q=(3.1+1.0)*(3.0-0.4)=10.66 KN/M,取10.7 KN/M 250卫生间墙(单面瓷砖): q=(3.1+0.5)*(3.0-0.4)=9.36 KN/M,取9.4 KN/M120普通墙: q=1.9*(3.0-0.3)=5.13 KN/M,取5.2 KN/M120卫生间墙(双面瓷砖): q=(1.9+1.0)*(3.0-0.3)=7.83 KN/M,取7.9KN/M 120卫生间墙(单面瓷砖): q=(1.9+0.5)*(3.0-0.3)=6.48 KN/M,取6.5KN/M 200普通墙墙: q=2.62*(3.0-0.4)=6.82 KN/M,取6.9 KN/M 200卫生间墙(双面瓷砖): q=(2.62+1.0)*(3.0-0.4)=9.42 KN/M,取9.5 KN/M 200卫生间墙(单面瓷砖): q=(2.62+0.5)*(3.0-0.4)=8.11 KN/M,取8.2 KN/M 100普通墙墙: q=1.8*(3.0-0.3)=4.86 KN/M,取4.9 KN/M 100卫生间墙(双面瓷砖): q=(1.8+1.0)*(3.0-0.3)=7.56 KN/M,取7.6 KN/M 100卫生间墙(单面瓷砖): q=(1.8+0.5)*(3.0-0.3)=6.21 KN/M,取6.3 KN/M250普通墙有窗:8.1*0.8=6.48 KN/M,取7.0 KN/M计算如计平面的架,剪力计计的计荷计及合力作用位置。
一、荷载计算(一)、楼面及屋面永久荷载标准值:1、预制板楼面:楼面面层 m2预空板及灌缝 m230厚板底抹灰 17×= m2∑G= m2(取 m2)2、现浇板楼面:楼面面层 m2120厚现浇板 m220厚板底抹灰 17×= m2∑G= m2(取 m2)3、卫生间:楼面面层 m2240厚水泥炉渣垫层×13 = m220厚水泥沙浆保护层× 20= KN/ m2厚聚氨酯涂层防水层15厚水泥沙浆找平层×20 = m2 80厚现浇板 25×= KN/ m220厚板底抹灰 17×= m2∑G= KN/ m2(取 m2)4、屋面:40mm厚C30细石砼防水层 25×= m23mm厚SBS防水层 m220mm厚水泥砂浆找平层 20×= m2膨胀珍珠岩找坡层(最薄处50mm) 10×= m2120厚钢筋混凝土板 25×= m220mm厚板底抹灰 17×= m2∑G= m25、砖墙永久荷载标准值:双面粉刷240墙双面粉刷 17××2= KN/ m2240mm厚烧结多孔砖墙 19×= KN/ m2∑G= KN/ m2(二)、屋面、楼面均布活荷载标准值(建筑结构荷载规范GB50009—2001)1、客厅 KN/ m22、门面 KN/ m23、餐厅 KN/ m24、卧室 KN/ m25、楼梯间 KN/ m26、阳台 KN/ m27、卫生间 KN/ m28、厨房 KN/ m29、上人屋面 KN/ m210、不上人屋面 KN/ m211、基本风压 KN/ m212、基本雪压 KN/ m2一 .荷载汇集:〈恒荷载〉1(楼面荷载:(1)卧室、书房:2 木地板 M2 木格栅 M2 水泥砂浆找平层30mm: *20=M楼板自重:2板厚100mm *25= KN/M2板厚110mm *25= KN/M2 板厚120mm *25= KN/M2 板厚160mm *25= KN/M2 板下抹灰20mm: *20=M合计:22板厚100mm M 取 M22板厚110mm 4 .15KN/M 取 M22板厚120mm KN/M 取 M22板厚160mm KN/M 取 M(2)客厅、餐厅2 大理石面层20mm *28,M2 水泥砂浆结合层20mm *20,M2 水泥砂浆找平层30mm: *20=M楼板自重:2板厚100mm *25= KN/M2板厚110mm *25= KN/M2板厚120mm *25= KN/M2 板下抹灰20mm: *20=M合计:22板厚100mm M 取 M22板厚110mm M 取 M22板厚120mm M 取 M1 - -22板厚130mm M 取 M(3)卫生间、厨房、阳台:2 面砖 M2 水泥砂浆找平层30mm: *20=M楼板自重: 2板厚90mm *25= KN/M2板厚100mm *25= KN/M2板厚120mm *25= KN/M2 板下抹灰20mm: *20=M合计:22板厚90mm M 取 M22板厚100mm M 取 M22板厚120mm M 取 M(4)电梯厅、入户花园、楼梯平台:2地面按铺20mm厚石材考虑: *28= KN/M 2水泥砂浆找平层30mm: *20=M楼板自重:2板厚100mm *25= KN/M2板厚110mm *25= KN/M2板厚120mm *25= KN/M2 板下抹灰20mm: *20=M合计:22板厚110mm M 取 M22板厚120mm M 取 M(5)地下室顶板(无覆土时):2地面按铺20mm厚石材考虑: *28= KN/M2水泥砂浆找平层30mm: *20=M2楼板自重160mm: *25= KN/M2板下设备: KN/M2 吊棚或抹灰: *20=0. 40KN/M22合计: KN/M 取 M2 - -(6)地下室顶板(人防):2地面按铺20mm厚石材考虑: *28= KN/M2水泥砂浆找平层30mm: *20=M2楼板自重250mm: *25= KN/M2板下设备: KN/M2吊棚或抹灰: *20=0. 40 KN/M22合计: KN/M 取 KN/M2(屋面荷载:(1)上人屋面:2面砖: KN/M240mm细石砼: *25= KN/M2防水层: M2水泥砂浆找平层20mm: *20=0. 40KN/M2挤塑板30mm KN/M2焦渣砼找坡层2%,最薄处30mm: *2%+*17= KN/M2水泥砂浆找平层20mm: *20=M2楼板120mm厚: *25= KN/M2板下抹灰20mm: *20=M22合计: KN/M 取 KN/M(2)不上人屋面:2防水层和细砂保护层: M2水泥砂浆找平层20mm: *20=0. 40KN/M2焦渣砼找坡层2%,最薄处30mm: *2%+*17= KN/M 2水泥砂浆找平层20mm: *20=M2楼板120mm厚: *25= KN/M2板下抹灰20mm: *20=M22合计: M 取 M(3)露台:2面砖: KN/M240mm细石砼: *25= KN/M2防水层: M2水泥砂浆找平层20mm: *20=0. 40KN/M3 - -2挤塑板30mm KN/M2焦渣砼找坡层2%,最薄处30mm: *2%+*17= KN/M 2水泥砂浆找平层20mm: *20=M2楼板120mm厚: *25= KN/M2板下抹灰20mm: *20=M22合计: KN/M 取 KN/M〈活荷载〉2z 阳台: KN/M2其它房间: KN/M2(梁上线荷载(内外墙均按砂加气容重考虑):2250墙:**+= KN/M,2200墙:**+= KN/M,2100墙:**+= KN/M,2120墙:**+= KN/M,(1)层高250普通墙: q=* KN/M,取 KN/M 250卫生间墙(双面瓷砖): q=+* KN/M,取 KN/M 250卫生间墙(单面瓷砖): q=+* KN/M,取 KN/M120普通墙: q=* KN/M,取 KN/M120卫生间墙(双面瓷砖): q=+* KN/M,取M120卫生间墙(单面瓷砖): q=+* KN/M,取M200普通墙墙: q=* KN/M,取 KN/M 200卫生间墙(双面瓷砖): q=+* KN/M,取 KN/M 200卫生间墙(单面瓷砖): q=+* KN/M,取 KN/M100普通墙墙: q=* KN/M,取 KN/M 100卫生间墙(双面瓷砖): q=+* KN/M,取 KN/M 100卫生间墙(单面瓷砖): q=+* KN/M,取 KN/M250普通墙有窗:*= KN/M,取 KN/M计算如计平面的架,剪力计计的计荷计及合力作用位置。