自动水温水温度控制器
- 格式:doc
- 大小:1.64 MB
- 文档页数:3
全自动热水器控制原理热水器是我们日常生活中常见的家用电器之一,它能够提供热水,方便我们的洗浴、洗涤等需求。
而现代化的热水器已经实现了全自动控制,使得热水的供应更加智能化和便捷化。
下面将介绍全自动热水器控制的原理和工作过程。
一、传感器检测环境温度全自动热水器首先会通过内置的温度传感器检测环境温度。
传感器通常位于热水器内部或外部,能够准确测量周围的温度。
一般来说,当环境温度低于设定的温度值时,热水器开始工作,为用户提供热水。
二、控制器判断工作状态热水器的控制器是整个系统的核心,它能够根据传感器检测到的温度数据来判断热水器的工作状态。
当环境温度低于设定的温度值时,控制器会启动热水器的加热装置,开始加热水温。
而当环境温度达到或超过设定的温度值时,控制器会停止加热,保持水温在设定的范围内。
三、加热装置加热水温全自动热水器的加热装置通常是由电加热器组成。
当控制器发出加热指令后,电加热器开始工作,将电能转化为热能,加热水温。
电加热器通常使用镍铬合金或不锈钢作为加热元件,具有快速升温、高效率等特点。
加热装置通过与水箱内的水接触,将热能传递给水分子,使水温逐渐升高。
四、温控阀控制水温为了保证热水的温度在设定范围内,热水器通常配备了温控阀。
温控阀是一种能够根据设定温度值自动调节水温的装置。
当水温超过设定的温度值时,温控阀会自动关闭加热装置,停止加热水温。
而当水温低于设定的温度值时,温控阀会打开加热装置,继续加热水温,以保持水温稳定。
五、安全装置保护系统安全全自动热水器还配备了多种安全装置,以保证系统的安全性。
其中包括过温保护装置、漏电保护装置、干烧保护装置等。
过温保护装置能够在水温超过安全范围时立即切断电源,防止水温过高导致危险。
漏电保护装置能够在发生漏电时自动切断电源,避免触电风险。
干烧保护装置能够在水箱内无水时自动切断电源,防止加热元件受损。
全自动热水器的控制原理是通过传感器检测环境温度,控制器判断工作状态,加热装置加热水温,温控阀控制水温,安全装置保护系统安全。
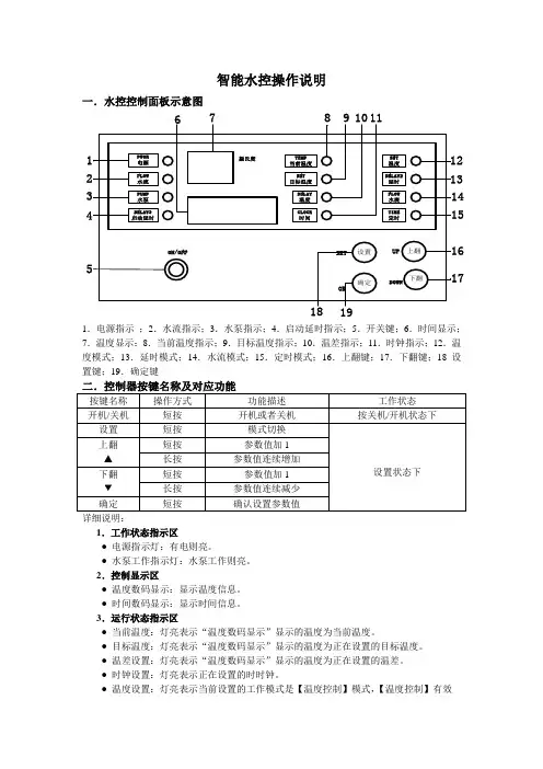
智能水控操作说明一.水控控制面板示意图1.电源指示;2.水流指示;3.水泵指示;4.启动延时指示;5.开关键;6.时间显示;7.温度显示;8.当前温度指示;9.目标温度指示;10.温差指示;11.时钟指示;12.温度模式;13.延时模式;14.水流模式;15.定时模式;16.上翻键;17.下翻键;18设置键;19.确定键详细说明:1.工作状态指示区●电源指示灯:有电则亮。
●水泵工作指示灯:水泵工作则亮。
2.控制显示区●温度数码显示:显示温度信息。
●时间数码显示:显示时间信息。
3.运行状态指示区●当前温度:灯亮表示“温度数码显示”显示的温度为当前温度。
●目标温度:灯亮表示“温度数码显示”显示的温度为正在设置的目标温度。
●温差设置:灯亮表示“温度数码显示”显示的温度为正在设置的温差。
●时钟设置:灯亮表示正在设置的时时钟。
●温度设置:灯亮表示当前设置的工作模式是【温度控制】模式,【温度控制】有效●延时控制:灯亮表示当前设置的工作模式是【延时控制】模式,【温度控制】和【延时控制】均有效。
●时间控制:灯亮表示当前设置的工作模式是【时间控制】模式,【温度控制】和【时间控制】均有效。
4.按键区●开关:单击切换控制器的开关状态。
●设置:进入设置模式,每按一次,设置参数切换一次。
●确定:对设置的参数进行确认,或者设置同一工作模式下的下一个参数。
●▲:对正在闪动的参数上调。
●▼:对正在闪动的参数下调。
三.工作设置说明1.设置【水流控制】工作模式调试:按【开关键】十秒,时钟那里出现08:00的时候,机器会自动恢复为水流+温度+延时模式,注:设置状态下,用户5s内无操作,控制器存储当前设置并自动返回运行状态,下同。
2.设置【延时控制】工作模式:设置方式:按【设置】,使【延时控制】灯亮,此时,“时间数码显示”闪动,用户按【▲】或【▼】调节延时时间分钟部分。
设置完分钟后,按【确定】跳到延时时间参数中的秒部分设置。
再次按【确定】,返回到运行模式。
热水器控制器的说明书感谢您购买我们的热水器控制器。
为了确保您能更好地使用我们的产品,请认真阅读以下说明书并按照指示操作。
1. 控制器概述本产品为热水器驱动控制器,具有以下特点:- 采用先进的数字控制技术,能够精确控制水温,使您的洗浴体验更为舒适;- 具有简单直观的操作界面,方便使用;- 内置安全保护功能,可以有效避免热水器过热现象发生。
2. 使用方法2.1 接口说明- 电源接口:接入AC220V电源;- 控制接口:接入热水器;- 控制按键:包括加热按键、降温按键、休眠按键;- 数码显示屏:用于显示当前水温和控制状态。
2.2 操作流程2.2.1 开机将控制器的电源线接入AC220V电源,此时液晶显示屏将亮起,系统开始工作。
如图1所示:(图1)2.2.2 升温按“加热”按键,将开启加热模式。
此时,控制器将自动读取水温,然后根据设定温度加热。
如图2所示:(图2)2.2.3 降温如果您觉得水温过高,可以按“降温”按键,控制器将立即停止加热,并根据设定温度降温。
如图3所示:(图3)2.2.4 休眠如果您不需要热水一段时间,可以按“休眠”按键,控制器将自动停止加热,并进入休眠模式。
在休眠模式下,当前设置的温度仍将保持不变。
如图4所示:(图4)2.3 温度设置按“加热”或“降温”按键,您可以设置水的温度。
每次按下按键,水温将上下调整1℃。
您可以在液晶显示屏上查看当前温度设置。
如图5所示:(图5)3. 安全说明为了确保您的使用安全,请遵循以下建议:- 如不使用,请保持控制器在离线状态。
- 请勿擅自拆卸、修改产品,以免造成危险。
- 如控制器故障,请勿自行修理,应联系厂家或者专业的售后服务。
- 控制器只能连接热水器,严禁使用于其他设备上。
4. 注意事项4.1. 清洗规范使用过一段时间后,为了保持热水器的效率和卫生,应及时清洗。
请注意,控制器的主体部分不能接触水,也不能放入水中清洗,否则会损坏产品。
4.2. 使用环境要求控制器只能在室内使用,不能在潮湿、有化学腐蚀性气体或尘埃较大的地方使用。
基于单片机的水温控制器设计引言水温控制在很多领域中都具有重要的应用价值,例如温室、鱼缸、热水器等。
基于单片机的水温控制器能够自动调控水温,提高水温的稳定性和准确性。
本文将介绍如何设计一个基于单片机的水温控制器,以实现对水温的精确控制。
一、硬件设计1.单片机选择选择一个合适的单片机对于设计一个稳定可靠的水温控制器至关重要。
常用的单片机有STC89C52、AT89C52等。
在选择时应考虑单片机的性能、功耗、接口等因素。
2.温度传感器温度传感器用于检测水温,常用的有NTC热敏电阻和DS18B20数字温度传感器。
NTC热敏电阻价格便宜,但精度较低,DS18B20精度高,但价格相对较贵。
3.加热装置加热装置用于根据温度控制器的输出信号进行加热或制冷。
可以选择加热丝、加热管或半导体制冷片等。
4.驱动电路驱动电路用于将单片机的输出信号转换为合适的电流或电压,驱动加热装置。
可以选择晶体管或继电器等。
5.显示模块可以选择液晶显示屏或LED数码管等显示水温的数值。
二、软件设计1.初始化设置首先,对单片机进行初始化设置,包括引脚配置、定时器设置等。
然后,设置温度传感器和加热装置的引脚。
最后,设置温度范围,以便根据实际需求进行调整。
2.温度检测使用温度传感器检测水温,并将读取到的温度值转换为数字形式,以便进行比较和控制。
可以使用ADC(模拟-数字转换)模块转换模拟信号为数字信号。
3.控制算法本设计中可以采用PID控制算法进行水温控制。
PID(Proportional-Integral-Derivative)控制算法根据设定值和反馈值之间的差异来计算控制信号。
可以根据需求进行参数调整,以获得更好的控制效果。
4.显示和报警使用显示模块显示当前水温的数值,并在温度超出设定值时触发报警功能。
报警可以采用声音、灯光等形式。
5.控制输出根据PID算法计算出的控制信号,控制驱动电路,驱动加热装置或制冷装置,以实现水温的调节。
总结基于单片机的水温控制器能够实现对水温的精确控制。
阿特拉斯恒温阀原理阿特拉斯恒温阀是一种用于调节水温的水阀。
它可以根据水的温度自动调节水流量,保持恒定的出水温度。
这种阀门是采用热感应元件作为敏感元件的恒温控制器。
在阀门中增加敏感元件,以自动控制出水温度,实现恒温控制的效果。
阿特拉斯恒温阀的工作原理阿特拉斯恒温阀控制水的温度是利用热胀冷缩原理。
当水的温度升高时,水筒中的热敏元件会受到温度的影响而膨胀,并通过机械作用控制阀门开度,调节水的流量。
当水的温度下降时,水筒中的热敏元件会受到温度的影响而收缩,阀门开度减小,防止太冷的水流入,保持恒定的出水温度。
基本上,阀门内置的热敏元件作为感应器,一旦出现水温升高导致熔融填充热敏元件膨胀呈机械状态,使弹性伸长,对阀门的开启度产生机械力量,使阀门向闭合方向移动,反之亦然。
在工作时,阀门的控制温度可通过调整阀门内部的设置温度,使其能够精确地控制温度,并能够在阀门关闭时确保水的流量不被完全阻塞。
当控制阀关闭时,由于内部尖端橡胶密封垫的作用,可以确保水流不受干扰。
此时,水流从另一个开口处进入管道,以确保连续水流。
此也是防止设备损坏的重要方法。
阿特拉斯恒温阀的适用范围阿特拉斯恒温阀广泛应用于室内淋浴、厨房淋浴、浴室地暖、温水器、太阳能加热设备、供水系统等领域。
可以满足不同用户的需求,并提供更加贴心的热水服务。
此外,该设备还广泛应用于商业场所和公共机构,如宾馆、旅游胜地、健身房、游泳馆、医院等场所。
阿特拉斯恒温阀与其他恒温阀的区别与传统恒温阀相比,阿特拉斯恒温阀在使用上更具有优势。
首先,阿特拉斯恒温阀可以精确控制水的温度,而传统的恒温阀门只能根据水的温度大致调节水流量。
其次,阿特拉斯恒温阀可以根据水的流量自动调节水温,并可以在水压变化时自动调节水温,确保水温始终在恒定水平。
最后,阿特拉斯恒温阀的结构更为紧凑,功耗更低,使用寿命更长。
它具有可靠性高、使用方便等优点。
总之,阿特拉斯恒温阀是一种非常实用的混水阀,它可根据热敏元件判断并调节热水输出温度,从而保证稳定的热水输出。
控制器五种模式:智能模式、定时模式、恒温模式、恒水位模式、温控模式。
【主要技术指标】1、使用电源: 220VAC 功耗:﹤ 4W2、测温精度:± 2 ℃3、测温范围: 0-99 ℃4、控温精度:± 2 ℃5、水位分档:五档6、可控水泵或电热带功率:﹤ 500W7、可控电加热功率:﹤15008、漏电动作电流:≤ 10Ma/0.1S9、电磁阀参数:直流DC12V,可选用有压阀或无压阀,有压阀工作压力:0.02Mpa~0.8Mpa,适用于直供水无压阀工作压力:0.0Mpa,适用于水箱供水或低水压供水。
10、彩色液晶显示屏低功率﹤ 0.1W外形尺寸:186*116*42(MM)【主要功能】主要功能*北京时间 *开机自检*工作状态显示 *水温水位显示*水温设置 *水位设置*水满报警 *缺水报警*水满自停*自动上水*手动上水 *温控上水*定时上水 *三次定时上水*强制上水 *三次定时加热*自动增压 *模式选择*恒水位 *定时加热*恒温加热 *手动加热*自控电热带(可选)*管道保温*上水保护 *漏电保护*防炸管保护 *防溢流保护*防干烧保护 *防雷击保护*水箱防冻保护*防电热带老化*断电记忆1.水位预置:可预置加水水位 50 、 80 、 100%2.水温预置:可预置加热温度范围:30 ℃—80 ℃,若不需要启动电加热,可预置为00 ℃。
3.水温指示:显示太阳能热水器内部实际水温。
4.水位指示:显示太阳能热水器内部所存水量。
5.缺水提示:当水位从高变低,出现缺水状态时,蜂鸣报警,同时 20% 水位闪烁。
6.缺水上水:当水位从高变低,出现缺水状态时,延时 30 分钟自动上水至预置水位。
7.温控上水:当水箱水未加满,水温高于用户设定的温控上水温度(原厂设制为60 ℃)自动补水至低于温控温度10 ℃的合水温,此功能可防止出现低水量、高水温的不合理现象。
当正在用水(水位发生变化)时,则延时 60 分钟启动,以避名用户正在用水时启动上水。
目录一、设计内容 (2)1.1温度控制 (2)1.2设计方案 (2)二、软件设计 02.1主程序流程图 02.2 DS18B20实现温度转换和温度数值读取流程图 02.3显示流程图 (1)三、PID控制 (2)3.1PID简介 (2)3.2PID控制算法 (4)四、电路设计 (6)4.1功能模块设计 (6)4.2电路连接设计 (7)4.2.1温度检测电路 (7)4.2.2继电器控温电路 (7)4.2.3外部电路 (8)参考文献 (9)附录PID温度控制器程序 (10)一、设计内容1.1温度控制本设计以水为测量对象,温度测量电路接收传感器的信号,并将模拟信号通过模/数转换器转换为数字信号,送入单片机系统,与预设的温度对比,通过一定的控制算法,控制继电器的通断,从而控制加热器的工作,使得水温维持在设定的温度。
温度控制算法精确控制温度加热,以温度最小为优化目标。
温度是工业控制对象的主要的被控参数之一,如冶金,机械,食品,化工各类工业中广泛使用的各种加热炉,热处理炉,反应炉等。
在过去多是采用常规的模拟调节器对温度进行控制,本设计采用了单片微型机对温度实现自动控制。
1.2设计方案温度控制系统是一种比较常见和典型的过程控制系统。
温度是工业生产过程中重要的被控参数之一,当今计算机控制技术在这方面的应用,已使温度控制系统达到自动化、智能化,比过去单纯采用电子线路进行PID调节的控制效果要好得多,可控性方面也有了很大的提高。
温度是一个非线性的对象,具有大惯性的特点,在低温段惯性较大,在高温段惯性较小。
对于这种温控对象,一般认为它具有以下的传递函数形式:这是传统的二位式模拟控制方案,其基本思想与方案一相同,但由于采用上下限比较电路,所以控制精度有所提高。
这种方法还是模拟控制方式,因此也不能实现复杂的控制算法使控制精度做得较高,而且不能用数码管显示,对键盘进行设定。
采用89C51单片机系统来实现。
单片机软件编程灵活、自由度大,可用软件编程来实现各种控制算法和逻辑控制。
开水器温控器开水器温控器是一种控制开水器水温的电子器件。
开水器作为常用的家电,为人们的日常生活带来了便利和舒适。
在使用过程中,开水器的温度控制很关键。
不仅能够满足不同人的口味需求,还能有效保护开水器电路和加热元件,并延长开水器的使用寿命。
本文将从几个方面介绍开水器温控器的原理、类型和使用方法。
原理开水器温控器的原理和一般电子温控器类似,主要是通过感应当前水温并对电路进行控制来实现水温的控制。
一般来说,开水器的水温控制是通过加热元件和控制器两种方法实现的。
加热元件将电能转换成热能,通过加热将水的温度升高;而控制器则是能够实时感应到水温,并对电路进行控制,使得开水器在一定的水温范围内保持恒温。
具体来说,开水器温控器的工作原理如下:1.利用热敏电阻或热电偶等感应器来检测水的温度,将检测到的信号转换成电信号;2.将电信号传递到微处理器或运算放大器等控制器内部进行处理和比较;3.根据处理和比较结果对开关管(三极管、SCR等)进行控制,以调整加热元件的通电时间或电流大小;4.当水温达到预定的设定值后,控制器自动停止加热,从而实现水温的控制。
类型按照控制方式,开水器温控器主要可以分为以下几类:1.机械温度控制器:也称为机械式恒温器,是一种基于金属板膨胀原理来控制水温的温控器。
其结构简单,价格便宜,但精度低、易受外界环境影响,不适用于大功率开水器。
2.阻容式温度控制器:主要通过测量电感、电容和电阻等电性质的变化来反映水温,具有较高的精度和稳定性。
但由于其复杂的电路结构和较高的制造成本,并不常见于家用开水器中。
3.数字温度控制器:基于单片机或数字信号处理器进行控制的开水器温控器,具有高精度、自适应能力强等特点。
但价格相对较贵,且对维护技术要求较高。
在实际应用中,大多数家用开水器采用的是机械温度控制器或阻容式温度控制器。
使用在使用开水器温控器时,要注意以下几点:1.使用前先对温度控制器进行预热,以达到更加精准的控温效果。
NAKAKITA温度控制器主机缸套水水温度自动控制系统的维修与管理主机缸套水温度自动控制系统也是一个采用PID控制器的闭环气动控制系统。
船舶在进出港时由于主机转速的变化幅度值大,变化速率大,引起主机缸套水温度快速、大幅变化,为尽可能保持缸套水温度的恒定,最大程度地降低缸套所承受的热交变应力,必须加入微分环节,使控制器在温度调节过程中给出一个调节提前量,以抵消系统固有的延迟,防止介质热量的堆积,产生不可控温度上升。
微分时间设定越长,调节的提前量越大。
如太长,控制器会产生震荡,系统工作不稳定:如太短,无法达到理想的调节效果,甚至失去调节功能。
原则上,微分时间必须按系统延迟时间的二分之一来设定,但实际使用中,由于系统固有的延迟时间受控制器和三通阀等多种因素的影响,很难定量地确定,只能通过不断地仔细观察,反复比较,才能给出一个比较合适的微分时间。
调整时,可观察控制器面板上的输出气压来判断微分调节作用的强弱。
船舶在离港时,缸套水由于主机加速较快,温度很快上升,在短时间内达到报警温度90℃,主机自动减速。
为避免出现这种状况,在每次离港时就密切注意缸套水的温度,若温度高至85℃(设定值为81℃)时,手动减小控制器的设定值,待温度开始下降即恢复原设定值,这实际上就是认为消除部分系统延迟时间(俗称“反应慢”)。
所以,只要适当增大控制器的微分作用时间,就可避免缸套水温度的异常升高。
每次调节微分时间的幅度不能太大,一般在0.05~0.1分钟,然后观察控制器的调节情况。
通常设定微分时间不超过0.6分钟,否则,微分作用太强,调节器会产生震荡,缸套水温度一直波动,不能稳定于设定值。
因而,将微分时间设定于0.5分钟的情况下,船舶在离港加速时,主机缸套水温度虽然会冲高到86℃,但不再继续升高,调节器产生调节作用,在主机程序加速过程中,缸套水温一直处于波动(幅度不大)和自动调节状态,当主机加速到设定转速后,稳定于设定值范围内,说明微分作用适当。
水温自动控制系统的原理是利用温度传感器对水箱内的水温进行实时监测,并将监测到的温度信号传输到控制模块。
控制模块根据预设的温度值和实际水温的差异,通过调节加热或制冷设备的运行状态,实现对水温的精确控制。
具体来说,水温自动控制系统的工作流程如下:温度传感器:这是系统的核心部件,用于感测水箱内的温度。
常见的温度传感器有热敏电阻、热电偶等。
控制模块:这是系统的“大脑”,接收并处理温度传感器的信号,然后根据预设的温度值和实际水温的差异,输出控制信号。
常见的控制模块有微控制器、PLC等。
加热/制冷设备:这是系统的执行部件,根据控制模块的信号调节水温。
常见的加热设备有电加热棒、燃气热水器等,制冷设备有压缩机制冷机等。
显示部件:这是系统的可视化部分,用于显示当前的水温、预设温度等信息,方便用户操作和查看。
常见的显示部件有显示屏、数码管等。
报警装置:当实际水温超过预设的温度范围时,系统会触发报警装置,提醒用户及时处理。
常见的报警装置有蜂鸣器、LED灯等。
水温自动控制系统能够实现对水温的精确控制,适用于各种需要恒定水温的场合,如游泳池、工业用水等。
同时,由于系统能够实时监测水温并具有报警功能,大大降低了因水温异常而引发的安全事故。
水温控制系统摘要:该水温控制系统采用单片机进行温度实时采集与控制。
温度信号由“一线总线”数字化温度传感器DS18B20提供,DS18B20在-10~+85°C范围内, 固有测温分辨率为0.5 ℃。
水温实时控制采用继电器控制电热丝和风扇进行升温、降温控制。
系统具备较高的测量精度和控制精度,能完成升温和降温控制。
关键字: AT89C51 DS18B20 水温控制Abstract: This water temperature control system uses the Single Chip Microcomputer to carry on temperature real-time gathering and controling. DS18B20, digitized temperature sensor, provides the temperature signal by "a main line". In -10~+85℃the scope, DS18B20’s inherent measuring accuracy is 0.5 ℃. The water temperature real-time control system uses the electricity nichrome wire carring on temperature increiseament and operates the electric fan to realize the temperature decrease control. The system has the higher measuring accuracy and the control precision, it also can complete the elevation of temperature and the temperature decrease control.Key Words:AT89C51 DS18B20 Water temperature control目录1. 系统方案选择和论证 (2)1.1 题目要求 (2)1.1.1 基本要求 (2)1.1.2 发挥部分 (2)1.1.3 说明 (2)1.2 系统基本方案 (2)1.2.1 各模块电路的方案选择及论证 (2)1.2.2 系统各模块的最终方案 (5)2. 硬件设计与实现 (6)2.1系统硬件模块关系 (6)2.2 主要单元电路的设计 (6)2.2.1 温度采集部分设计 (6)2.2.2 加热控制部分 (8)2.2.3 键盘、显示、控制器部分 (8)3. 系统软件设计 (10)3.1 读取DS18B20温度模块子程序 (10)3.2 数据处理子程序 (10)3.3 键盘扫描子程序 (12)3.4 主程序流程图 (13)4. 系统测试 (14)4.1 静态温度测试 (14)4.2动态温控测量 (14)4.3结果分析 (14)附录1:产品使用说明 (15)附录2:元件清单 (15)附录3:系统硬件原理图 (16)附录4:软件程序清单 (17)参考文献 (26)1.系统方案选择和论证1.1题目要求设计并制作一个水温自动控制系统,控制对象为1L净水,容器为搪瓷器皿。
hk-90温控器说明书HK-90温控器是一款电力自动控制器,以其优秀的性能和可靠的质量而闻名。
它可以使用在许多不同的领域中,例如环境温度测量和控制,加热和冷却系统,以及其他需要精确控制温度的应用中。
它采用数字温度传感器和微控制器技术来确保准确的温度控制和可靠性。
以下是使用HK-90温控器的详细说明。
首先,您需要插入电源插头并将温度传感器插入温度传感器接头(标记为“T1”)中。
您可以使用任何具有相同规格的传感器。
然后,您需要选择一个恰当的温度调节程序(PID)。
在温控器上,您可以选择P,I和D系数来调整PID程序,使其适合您的特定应用。
在PID设置过程中,P系数影响温度设定值与温度误差之间的关系,通常用于快速响应,但可能会导致温度波动。
因此,您应该在P和I系数之间取得平衡,以确保温度控制的准确性和稳定性。
I系数作为积分增益,通常用于控制系统的超调以及长期稳定性。
D系数作为微分增益,通常用于抑制系统振荡和波动。
除了PID参数设置,您还可以设置温度上限和下限,以确保系统不会受到过度加热或过度冷却。
设置完毕后,您需要将温度调节器安装在合适的位置,并保证能够完全控制您想要控制的应用程序。
当温度达到您指定的上限时,温控器会自动停止加热或启动冷却系统,以保持恰当的温度。
在整个过程中,温度传感器将持续监测实际温度,并使用PID程序进行自适应控制。
最后,请注意HK-90温控器的使用环境。
它应该保持在相对干燥且温度适宜的环境中,因为其可靠性和性能可能会受到环境湿度和温度的影响。
请勿在高温、潮湿、或者在环境中存在腐蚀性气体的地方使用该设备。
总之,HK-90温控器是一个非常出色的温度控制器,它以其准确的温度控制和高品质的设计而知名。
使用HK-90温控器可以轻松地实现许多应用,而且非常简单易用,适用于家庭、实验室和其他需要精确温度控制的应用。
智能化水温控制系统水温控制系统摘要现如今,人们的生活越来越强调智能化以及低碳化,不单是智能化还是低碳化,生活在人们都希望冀望自己的电器越来越智能,即能按照人们的意愿,低功耗的达致功能。
水温控制作为人们生活以及工业的重要组成部分,能否实现智能化以及低功耗化十分相当重要。
水温控制系统以STC89C51作为次要的温度控制系统,将DS18B20作为温度感应器,可直接反馈数字量的温度信息并可以调节初速精度;以连接器继电器以及螺旋加热管作为加热模块;以发光二级管以及蜂鸣器作为声光告警装置;以数码管作为温度显示模块。
程序上利用PID调节算法,多次可调其中参数,使得温度控制更加精确。
该系统具有简单、成本低、质量安全可靠的特点。
相信无论是在生活还是生产中都会有的应用前景。
关键词智能化温度控制STC89C51DS18B20PID调节算法一.任务以及要求设计并制作一个水温自动控制系统,水温可以在一定范围内由人工设定,可以实现自动报警功能。
1.基本内容如下:(1)温度设定范围为:40~90℃,最小区分度为1℃,标定温度≤1℃。
(2)环境温度降低时温度控制的相对湿度静态误差≤1℃。
(3)用10进制数码管显示水的实际温度。
2.发挥要求:(1)温度控制范围扩大,最小区分度减小。
(2)温度控制的静态误差≤0.2℃。
(3)特色与创新。
二.方案设计及其论证水温的控制,必须先精确地攫取温度,所以温度传感器的选择就非常重要。
通常,湿度所测量的是模拟量,模拟量的转换包括到A/D的转换。
温度传感器把温度传送给处理器核心,处理器核心经过分析,判断是否满足处理的条件,进行相关的处理。
数项可实现的动作除此以外以下几项:达到设定温度,进行声光报警;温度低,进行加热处理。
气压其中温度的设定就要利用到键盘。
声光报警就用到发光二级管以及蜂鸣器。
经以上分析,可以将温度控制系统分为一般而言以下几个模块:1.温度传感器温度传感器应具有精度接收器额外高、处理速度足够快、体积小等特点。
”花洒”可以自动控制温度吗?一、花洒自动控温是什么?花洒自动控温,是指通过内置的温度传感器和智能芯片,可以实现对水温的自动调节,让洗澡体验更加舒适和安全。
传统的花洒,我们需要手动调节冷热水的比例来达到适宜的温度,而有了自动控温功能的花洒,只需设置一次合适的温度,洗澡时就能自动保持该温度,无需再次调节。
这种技术的出现,为我们的日常生活带来了极大的便利。
二、自动控温的原理及优势1. 温度传感器技术自动控温花洒内置先进的温度传感器,能够精确地感知水温的变化,并迅速反馈给芯片进行处理。
温度传感器通过采集水流中的温度信息,并将数据传输到智能芯片,芯片则根据预设的设定温度来进行自动调节。
这种技术保证了洗澡时的水温稳定性,避免了因人工调节不当而导致的温度变化过快或过慢的问题。
2. 智能芯片控制自动控温花洒内部搭载了智能芯片,通过精准的算法和温度控制方式,可以根据用户的要求,实现水温的恒定控制。
智能芯片对温度变化的反应速度较快,能够快速感知温度的波动,并在短时间内进行调整,确保水温始终保持在舒适的范围内。
3. 节水节能效果显著传统的花洒在调节水温时,需要通过不断调整冷热水龙头来达到合适的温度,这样不仅浪费时间,也浪费了大量的水资源。
而自动控温花洒通过内置的温度传感器和智能芯片,准确地调节水温,避免了水温不稳定和过烫的情况,有效节约了用水量,实现了节水节能的效果。
三、自动控温花洒的使用建议1. 根据个人需求调节温度虽然自动控温花洒具备自动调节温度的功能,但根据不同的季节或个人需求,我们仍然可以对花洒的温度进行微调。
例如,在冬季我们可以设置稍高一些的温度,而在夏季则可以将温度调低一些,以达到更适合的洗浴体验。
2. 定期清洁维护花洒自动控温花洒需要定期进行清洁和维护,以保证其正常的工作状态。
长时间使用后,花洒喷头上可能会残留水垢或沉积物,这会影响到花洒的发热和传感器的正常工作。
因此,建议定期拆卸花洒进行清洗,保持其表面的清洁,并使用软布擦拭。
自动水温水温度控制器,数字显示可为小区提供洗浴用热水系统,保持恒定的温度供水,自动调节,不要人工操控。
一、自动水温水温度控制器,数字显示概述
智能型水温水位控制仪是本公司技术人员根据用户的实际需要,开发的一种新型控制装置,它是由恒温智能控制仪和液位智能控制仪两者组合而成,兼备了两者的优点,使水温及水位得到显示与控制,节水、节能,进一步增加了系统的安全性,在热媒不需回收的热水制备系统中,采用旋转式消声加热器为核心设备,配以水温水位控制仪,不失为一种较为合理的选择。
二、小区洗浴用水温水温度控制器型号编制
三、自动水温水位度控制器结构及工作原理
1、自动水温水温度控制器结构:
水温水位控制仪由温控器部分与水位控制部分组成,与其配套的还有电动阀前的减压装置,及用于加热的旋转式消声加热器。
2自动水温水温度控制器、原理:
容器内的水位传感器,将感受到的水位信号传送到控制器,控制器内的计算机将实测的水位信号与设定信号进行比较,得出偏差,然后根据偏差的性质,向给水电动阀发出“开”“关”的指令,保证容器达到设定水位。
进水程序完成后,温控部份的计算机向供给热媒的电动阀发出“开”的指令,于是系统开始对容器内的水进行加热。
到设定温度时。
控制器才发出关阀的命令、切断热源,系统进入保温状态。
程序编制过程中,确保系统在没有达到安全水位的情况下,控制热源的电动调节阀不开阀,从而避免了热量的损失与事故的发生。
3、自动水温水温度控制器特点:
1、节水、节能,使制备热水的成本大为降低。
2、编制较为科学的控制程序,保证了系统的安全。
3、数字显示直观明了,操作简单方便。
四、自动水温水温度控制器使用范例
(一)用于生活热水的制备
1、水温水位智能控制箱5、温度传感器9、蒸汽减压阀
2、给水电动阀 6、旋转式消声加热器 10、过滤器
3、闸阀7、止回阀11、压力表
4、水位传感器 8、供汽电动阀12、截止阀
注意点:
1、在加热器前端须装止回阀,以防止停汽时,产生虹吸现象,使水箱中的热水倒流至蒸汽管道。
2、当蒸汽压力≥3Kg时,电动阀前须装减压阀,方可保证其它用汽单位有足够的蒸汽供给。
(二) 用于集中供热的循环系统中
1 、水温水位智能控制箱
2 、给水电动阀
3 、闸阀
4 、软水器
5 、软水箱
6 、过滤器
7 、循环水泵
8 、膨胀水箱
9 、压力表 10 、碟阀
11 、板式换热器 12 、供汽电动阀 13 、截止阀
14 、暖气片
15 、温度传感器 16 、水位传感器 17 、止回阀18 、补水泵
在集中供热的循环系统中,通过控制安装在市网供热末端的电动调节阀开度,来调节流入热交换器内的热媒流量,使采暖水的温度得到控制。
安装在软水箱内的水位传感器把即时水位信号传到智能控制器,控制器将该信号与设定信号进行比较得出偏差,根据差值的大小及性质向补水泵发出开启的指令,保证循环系统内水的损失得到及时准确的补给。
水位控制信号控制补水泵的电气原理图:
五、自动水温水温度控制器订货须知
1、订货时请注明电动调节阀型号、公称通径、材质、耐压值、介质温度、反馈信号种类。
2、说明采用的水位控制仪种类:控制的范围,所控制水泵的功率、控制回路电压。
3、控制热交换器的种类,蒸汽(高温水)入口与热水出口的公称通径大小。