51单片机命名规则知识分享
- 格式:doc
- 大小:29.00 KB
- 文档页数:6
51系列单片机命名规则在嵌入式系统领域,51系列单片机是一种非常常见和广泛应用的单片机。
它由美国的英特尔公司(Intel)于上世纪80年代推出,因其性能稳定可靠、易于使用而深受开发者的青睐。
1. 命名规则背景在使用51系列单片机进行开发时,了解其命名规则是非常重要的。
这些命名规则旨在标识每个单片机型号的特定功能和性能特征,帮助开发者选择适合自己项目需求的单片机。
2. 命名规则的结构51系列单片机的命名规则一般由几个部分组成。
首先是数字部分,表示单片机的系列编号。
其次是字母部分,表示单片机的功能和特性。
最后是可选的修饰词,用于区分不同特殊版本的单片机。
3. 数字部分51系列单片机的数字部分通常由两到三个数字组成。
第一个数字代表系列的代号,比如最早的单片机型号为8051;第二个数字通常表示单片机的存储器容量和特性,例如独立的数据存储器(Data RAM)和程序存储器(Program ROM);第三个数字可选,代表较新版本的单片机。
4. 字母部分51系列单片机的字母部分用来描述单片机的特定功能和特性。
常见的字母有以下几种:- F:表示单片机具有片内闪存(Flash)存储器,可以用于存储用户的程序代码。
- L:表示低功耗(Low Power),单片机具有低功耗特性,适用于对功耗要求较高的应用。
- C:表示单片机的存储器容量较大,通常用于存储大型程序或数据。
- S:表示单片机具有硬件串行口(Serial)功能,可以方便地与其他设备进行串行通信。
- T:表示定时器/计数器(Timer/Counter)功能,用于生成精确的定时和计数。
5. 修饰词在某些特殊版本的51系列单片机中,还可能出现一些修饰词,用于区分不同的型号。
例如,某些单片机可能带有扩展的功能,如模拟-数模转换器(ADC)或电子存储器(EEPROM)。
6. 实例分析以一款典型的51系列单片机为例,8051F020C是一款具有闪存存储器、低功耗和较大存储器容量的单片机。
单片机基础一、 单片机基础知识1.1 51系列单片机简介:51系列单片机是单片机领域中的一类,也是影响最为深远,使用最为广泛的单片机系列。
51单片机是指Intel的MCS‐51系列及和其具有兼容内核的单片机。
51系列单片机最早由Intel公司发展起来,随后将51内核授权给其他各个厂商。
因此,现在MCS‐51兼容的单片机种类繁多,如:Atmel公司的AT889C系列、AT89S系列、Silicon Laboratories的C8051F 系列以及STC的单片机等。
这些系列的单片机都有着十分接近的指令系统和硬件结构,在开发起来很方便移植。
1.2 STC系列单片机:STC89C51RC系列单片机是STC推出的新一代高速/低功耗/超强抗干扰的单片机,指令代码完全兼容传统的8051单片机,12时钟/机器周期和6时钟/机器周期可以任意选择,HD版本和90C版本内部集成MAX810专用复位电路。
特征:1) 增强型8051单片机,6时钟/机器周期和12时钟/机器周期可任意选择,指令代码完全兼容传统80512)工作电压:5.5V ‐ 3.3V (5V单片机) / 3.8V ‐ 2.0V (3V单片机)3) 工作频率范围:0~40MHz,相当于普通8051的 0~80MHz,实际工作频率可达48MHz.4)用户应用程序空间:4K / 8K / 13K / 16K / 32K / 64K字节5)片上集成1280字节或512字节RAM6)通用I/O口(35/39个),复位后为:P1/P2/P3/P4是准双向口/弱上拉(普通8051传统I/O 口);P0口是开漏输出,作为总线扩展用时,不用加上拉电阻,作为I/O口用时,需加上拉电阻。
7)ISP(在系统可编程)/ IAP(在应用可编程),无需专用编程器,无需专用仿真器 可通过串口(RxD/P3.0, TxD/P3.1)直接下载用户程序,数秒即可完成一片8)有EEPROM功能9)看门狗10)内部集成MAX810专用复位电路(HD版本和90C版本才有),外部晶体20M以下时,可省外部复位电路。
51单片机初学知识点总结1. 什么是51单片机:51单片机是指Intel公司生产的8位单片机芯片系列。
51单片机由中央处理器单元(CPU)、随机存储器(RAM)、只读存储器(ROM)、输入输出端口以及中断系统等组成。
2. 51单片机的发展历史:51单片机最早在1980年由Intel公司发布,之后逐渐发展壮大。
目前,市面上有很多公司都生产和销售51单片机。
3. 51单片机的架构:51单片机采用Harvard结构,即程序存储器与数据存储器分开。
程序存储器分为片内存储器和片外存储器,数据存储器包括RAM和特殊功能寄存器。
4. 51单片机的寄存器:51单片机有一组特殊功能寄存器,用于存储和控制各种系统状态。
这些寄存器可以分为SFR(Special Function Register)和控制寄存器两种类型。
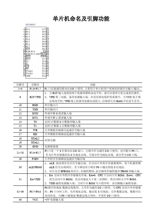
5.51单片机的引脚和IO口:51单片机有40个引脚,其中一些引脚是I/O(输入/输出)口。
这些I/O口可以配置为输入或输出,并可以被程序控制。
6.51单片机的时钟系统:51单片机需要一个时钟源来提供时钟信号。
时钟源可以是外部晶体振荡器或者片内RC振荡器。
7.51单片机的存储器:51单片机具有不同类型的存储器,包括内存区域、堆栈区域和特殊功能寄存器。
内存区域包括RAM和ROM,堆栈区域用于保存中断处理和函数调用的返回地址。
8.51单片机的指令集:51单片机具有丰富的指令集,可以执行各种操作,例如算术运算、逻辑运算、位操作和跳转等。
9.51单片机的中断系统:51单片机具有中断系统,可以响应外部中断和定时器中断。
中断可以打断当前执行的程序,并转移到中断处理函数。
10.51单片机的编程和调试:51单片机的编程可以使用汇编语言或高级语言(如C语言)进行。
调试可以使用模拟器或者仿真器进行。
11.51单片机的应用领域:51单片机广泛应用于各种控制系统和嵌入式系统,例如家用电器控制、电动工具、汽车电子等。
12.51单片机的扩展接口:51单片机可以与其他外设连接,例如LCD显示屏、键盘、温度传感器等。
89C518代表8位单片机9代表falsh存储器,此位置为0代表无rom,7代表eprom存储器c代表CMOS工艺,此位置为S代表ISP编程方式1代表片内程序存储器容量,容量大小对应为该位数字*4KB89C52:8KB容量at89s51_&_stc89c51命名规则本文介绍了最常见的两种厂家的单片机的命名规则.以后见了stc和atmel的单片机看看型号就知道,什么配置了.先说ATMEL公司的AT系列单片机89系列单片机的型号编码由三个部分组成,它们是前缀、型号和后缀。
格式如下:AT89C XXXXXXXX其中,AT是前缀,89CXXXX是型号,XXXX是后缀。
下面分别对这三个部分进行说明,并且对其中有关参数的表示和意义作相应的解释。
(l)前缀由字母“AT”组成,表示该器件是ATMEL公司的产品。
(2)型号由“89CXXXX”或“89LVXXXX”或“89SXXXX”等表示。
“89CXXXX”中,9是表示内部含Flash存储器,C表示为CMOS产品。
“89LVXXXX”中,LV表示低压产品。
“89SXXXX”中,S表示含有串行下载Flash存储器。
在这个部分的“XXXX”表示器件型号数,如51、1051、8252等。
(3)后缀由“XXXX”四个参数组成,每个参数的表示和意义不同。
在型号与后缀部分有“—”号隔开。
后缀中的第一个参数X用于表示速度,它的意义如下:X=12,表示速度为12 MHz。
X=20,表示速度为20 MHz。
X=16,表示速度为16 MHz。
X=24,表示速度为24 MHz。
后缀中的第二个参数X用于表示封装,它的意义如下:X=D,表示陶瓷封装。
X=Q,表示PQFP封装。
’X=J,表示PLCC封装。
X=A,表示TQFP封装。
X=P,表示塑料双列直插DIP封装。
X=W,表示裸芯片。
X=S,表示SOIC封装。
后缀中第三个参数X用于表示温度范围,它的意义如下:X=C,表示商业用产品,温度范围为0~十70℃。
1、8K的程序存储空间是下载你写的程序生成的HEX文件的,相当于C盘。
512字节相当于内存,掉电后数据丢失,2K eeprom相当于硬盘,数据写入后掉电不丢失,但是要用iap程序写入数据2、51单片机P0口需上拉电阻输出是什么意思P0口作为I/O口输出的时候时输出低电平为0 输出高电平为高组态(并非5V,相当于悬空状态)。
也就是说P0 口不能真正的输出高电平,给所接的负载提供电流,因此必须接上拉电阻(一电阻连接到VCC),由电源通过这个上拉电阻给负载提供电流。
3、T是指令周期,,一般51 内核是12个时钟周期是1个指令周期也就是说晶振跳12下运行一个指令1T就表明是晶振跳1下就运行一个指令比12T的快12倍STC 一般情况下是可以设置的随你设置12T 6T 1T时钟周期是一个时间的量,人们规定10纳秒(ns)为一个时钟周期。
时钟周期表示了SDRAM所能运行的最高频率。
更小的时钟周期就意味着更高的工作频率。
4、stc10、stc11、stc12、stc89系列各有什么特点10 11 是新出的替代89的1T单片机12是原来的1T单片机资源比较丰富89和ATMEL等的一般51兼容可以6T模式内存有1K 带EEPROM等5、8051一般理解是是一个大类的名字,泛指所有51内核的单片机。
AT89系列51是指ATMEL出的51单片机,特点是AT发挥了自己在FLASH上的特长,把flash储存器集成到单片机里(是的老51单片机内部是没有flash储存器的,裸核,AT89单片机也是很久以前就出了的),然后推广的也好用的人多,其实和标准的51单片机没有太大不同,可以认为就是标准51单片机。
这些单片机都是需要把晶振频率除以12后才是机器周期,所以慢。
STC单片机还是51的内核(或者说是架构更适合),然后外围辅以其它设备,所以功能比51多很多,但用起来并没有太大区别,方便初学者使用,毕竟51现在还是好多初学单片机人的入门单片机,突然放弃改学其它的也不是很方便。
单片机C51基础知识汇总目录1、标识符2、数据类型3、变量4、常量5、二进制、八进制、十进制、十六进制6、运算符7、语句8、注释9、if语句10、switch--case语句11、for循环12、while循环13、do—while循环14、循环控制15、一维数组16、二维数组17、字符数组与字符串数组18、函数19、函数重入与递归20、预处理21、宏22、条件编译指令23、指针(*)24、结构(struct)25、联合(union)26、枚举(enum)主要内容1 .标识符标识符就是编程时使用的表示某个事情名称的符号,如函数名、变量名、引脚名、特殊功能寄存器名等。
标识符有系统标识符和用户自定义标识符之分。
标识符的命名规则:(1) 标识符第一个字符必须是字母或下划线。
(2) 标识符只能由字母、数字和下划线三类字符组成。
(3) 标识符是区分大小写的。
如A 和a 是两个不同的标识符。
(4) 标识符有效长度不超过32 个字符。
(5) 标识符不能是C51 的关键字。
2 .数据类型char有符号字符型,一字节,值域-128~127。
int 有符号整型,两字节,值域-32768~32767。
long有符号长整型,四字节,值域-2147483648~2147483647 unsigned char无符号字符型,一字节,值域0~255unsigned int无符号整型,两字节,值域0~65535unsigned long无符号长整型,四字节,值域0~4294967295float浮点型(都是有符号的),四字节,±1.175494E-38~±3.402823E+38bit位变量,一个二进制位,值域0~1。
sbit51 单片机特殊功能寄存器位,值域0~1。
Sfr 51 单片机特殊功能寄存器,值域0~255。
sfr1651 单片机特殊功能寄存器,如DPTR,值域0~65535。
bit,sbit,sfr,sfr16不是标准C 的内容,是51 单片机及C51 编译器特有的,不能用指针对它们进行操作。
51单片机知识点总结
51单片机是一种常用的单片机芯片,广泛应用于嵌入式系统和微控制器领域。
在学习和应用51单片机时,掌握以下知识点是必不可少的:
1. 51单片机的基本知识:了解51单片机的基本结构、引脚定义、特点和工作原理。
2. 51单片机的编程语言:掌握51单片机的编程语言,如C语言、汇编语言等。
3. 51单片机的编程环境:了解51单片机的编程环境,如Keil C、SDCC等,以及如何搭建开发环境。
4. 51单片机的烧录技术:了解51单片机的烧录技术,如ISP烧录、JTAG烧录等。
5. 51单片机的IO口控制:掌握51单片机的IO口控制,包括输入输出、上拉下拉、检测和控制等。
6. 51单片机的中断系统:了解51单片机的中断系统,包括中断类型、中断优先级、中断向量等。
7. 51单片机的定时器和计数器:掌握51单片机的定时器和计数器,包括定时器的工作原理、使用方法和应用场景等。
8. 51单片机的串口通信:了解51单片机的串口通信,包括UART、SPI、I2C等协议,以及如何实现串口通信。
9. 51单片机的PWM控制:了解51单片机的PWM控制,包括PWM的原理、使用方法和应用场景等。
10. 51单片机的ADC采集:掌握51单片机的ADC采集,包括ADC的原理、使用方法和应用场景等。
总之,掌握这些51单片机的基本知识和技能,能够为我们在嵌入式系统和微控制器领域的应用和开发提供有力的支持。
51系列单片机指令系统MCS-51系列单片机指令系统是用户编制单片机应用程序的主要工具。
5.1.1 指令格式80C51系列单片机指令有两种标识方式:机器语言方式和汇编语言方式。
机器语言方式由二进制代码组成(通常用十六进制表示),被称为机器指令。
1.汇编语言指令格式汇编语言指令的一般格式如下:[标号:] 操作码 [第一操作数][,第二操作数][,第三操作数] [;注释]说明:1)带方括号的部分为可选项2)标号是用符号表示的一个地址常量。
它表示该指令在程序存储器中的起始地址。
标号的命名规则是:必须以字母开头,长度不超过6个字符,并以“:”结束。
3)操作码表示指令的操作功能。
每条指令都有操作码。
4)操作数表示的是参与操作的数据来源和操作之后结果数据的存放位置,可以是常数、地址或寄存器符号。
指令的操作数可能有1个、2个或3个,有些指令可能没有操作数。
操作数与操作数之间用“,”分隔,操作码与操作数之间用空格分隔。
具有保存操作结果的操作数称为目的操作数,只提供数据的称为源操作数。
5)注释字段是编程人员对该指令或该段程序的功能说明,是为了方便阅读程序的一种标注。
注释以“;”开始,当汇编语言源程序被汇编成机器语言程序时,该项被舍弃。
2.机器语言指令格式机器语言指令是一种二进制代码,它包括两个部分:操作码和操作数。
51系列单片机的指令系统中有单字节、双字节和三字节共3种机器指令,其指令格式如下:1)单字节指令在单字节指令中,操作码和操作数共占一个字节,其中操作数通常为以隐含形式指定的常用寄存器。
其指令格式如下:操作码nn其中,方框前面的nn表示这条机器指令在程序中所在的地址位置,后边的方框中是指令的内容,下同。
例如INC DPTR指令,其功能为DPTR←(DPTR)+1。
指令机器码为:操作码1010001151系列单片机中,单字节的机器指令共有49条。
2)双字节指令双字节指令的第一个字节为操作码,第二个字节为操作数或操作数的地址。
51单片机命名规则89C518代表8位单片机9代表falsh存储器,此位置为0代表无rom,7代表eprom存储器c代表CMOS工艺,此位置为S代表ISP编程方式1代表片内程序存储器容量,容量大小对应为该位数字*4KB89C52:8KB容量at89s51_&_stc89c51命名规则本文介绍了最常见的两种厂家的单片机的命名规则.以后见了stc和atmel的单片机看看型号就知道,什么配置了.先说ATMEL公司的AT系列单片机89系列单片机的型号编码由三个部分组成,它们是前缀、型号和后缀。
格式如下:AT89C XXXXXXXX其中,AT是前缀,89CXXXX是型号,XXXX是后缀。
下面分别对这三个部分进行说明,并且对其中有关参数的表示和意义作相应的解释。
(l)前缀由字母“AT”组成,表示该器件是ATMEL公司的产品。
(2)型号由“89CXXXX”或“89LVXXXX”或“89SXXXX”等表示。
“89CXXXX”中,9是表示内部含 Flash存储器,C表示为 CMOS产品。
“89LVXXXX”中,LV表示低压产品。
“89SXXXX”中,S表示含有串行下载 Flash存储器。
在这个部分的“XXXX”表示器件型号数,如51、1051、8252等。
(3)后缀由“XXXX”四个参数组成,每个参数的表示和意义不同。
在型号与后缀部分有“—”号隔开。
后缀中的第一个参数 X用于表示速度,它的意义如下:X=12,表示速度为12 MHz。
X=20,表示速度为20 MHz。
X=16,表示速度为16 MHz。
X=24,表示速度为24 MHz。
后缀中的第二个参数 X用于表示封装,它的意义如下:X=D,表示陶瓷封装。
X=Q,表示 PQFP封装。
’X=J,表示 PLCC封装。
X=A,表示 TQFP封装。
X=P,表示塑料双列直插 DIP封装。
X=W,表示裸芯片。
X=S,表示 SOIC封装。
后缀中第三个参数 X用于表示温度范围,它的意义如下:X=C,表示商业用产品,温度范围为0~十 70℃。
STC12C5A60S2是一款具有较高性能和稳定性的单片机芯片,它采用51系列架构,是集成了Flash存储器的新型单片机。
在使用这款单片机芯片时,我们需要了解其命名规则,以便正确地使用和开发。
下面将介绍STC12C5A60S2的命名规则:1. 芯片品牌和型号STC12C5A60S2中的“STC”代表这是由STC公司生产的单片机芯片,“12C”代表这是51系列的单片机,“5A60”表示其具体的型号,“S2”表示其存储器为Flash存储器。
2. 芯片性能在STC12C5A60S2的型号中,“5A60”代表了该芯片的性能参数。
其中,“5”代表时钟频率为5MHz,“A”代表支持模拟量输入输出,“60”代表ROM大小为6KB,RAM大小为256B。
3. 存储器类型在STC12C5A60S2的型号中,“S2”表示该芯片集成了Flash存储器。
Flash存储器是一种非易失性存储器,可用于存储程序代码和数据。
4. 命名规则的意义芯片型号中的各个参数代表了该芯片的功能和性能特点,例如时钟频率、存储器类型、支持的外设等。
了解这些参数可以帮助开发者根据需求选择合适的单片机芯片,从而提高开发效率和产品性能。
5. 应用领域STC12C5A60S2单片机芯片在工业控制、电子设备、通信设备等领域有着广泛的应用。
了解其命名规则可以帮助工程师们更好地选择和应用这款芯片,从而为各个领域的应用提供更稳定、高效的解决方案。
通过以上介绍,我们了解了STC12C5A60S2单片机芯片的命名规则及其含义和应用领域。
这有助于我们更好地了解和应用这款单片机芯片,提高开发效率和产品性能。
希望开发者和工程师们能够根据这些命名规则,灵活选择和应用单片机芯片,为各个领域的应用提供更优秀的解决方案。
STC12C5A60S2作为一款高性能、稳定性强的单片机芯片,在各个领域的应用都有着重要的地位。
在工业控制领域,它可以用于各种自动化控制系统、传感器数据采集与处理、电机控制等方面。
51单片机位定义
单片机位定义是指在使用51系列单片机进行编程时,如何正确地定义位变量。
在51单片机中,位定义使用bit关键字来声明。
位定义的格式为:bit 变量名;
其中,bit是关键字,用来告诉编译器这是一个位变量,变量名则是我们给该
位变量起的名字。
位变量只能取0或者1两个值,用来表示某个特定的寄存器位的状态。
例如,
我们可以定义一个位变量LED,用来表示一个LED灯的开启状态。
在使用位定义时,我们可以通过赋值来改变位变量的值。
例如,当我们需要将LED灯打开时,可以将位变量LED赋值为1;当需要关闭LED灯时,可以将位变
量LED赋值为0。
使用位定义可以有效地节省内存空间,因为位变量只占用1位,而不是8位,
相比使用字节变量来表示开关状态等信息,位定义更加灵活和高效。
需要注意的是,在定义位变量时,由于51单片机提供的寄存器位数量有限,
需要根据具体的需求来合理地分配位变量。
同时,位变量的使用也需要遵循相应的位操作规则,包括位的读取、设置和清除等操作。
总结起来,单片机位定义是为了灵活使用寄存器位来表示某种状态或控制信息,通过使用bit关键字来定义位变量,并按需分配位变量,可以有效地节省内存空间
并提高程序的效率。
c51单片机命名规则C51单片机命名规则C51单片机是一种常用的微控制器,广泛应用于各种电子设备中。
在使用C51单片机进行程序开发时,命名规则是非常重要的,它能够提高代码的可读性和可维护性。
本文将介绍一些常用的C51单片机命名规则。
1. 变量命名规则在C51单片机程序中,变量的命名应尽量简洁明了,能够准确表达变量的用途。
变量名可以由字母、数字和下划线组成,且必须以字母或下划线开头。
同时,变量名不宜过长,一般不超过16个字符。
2. 常量命名规则常量也是C51单片机程序中经常使用的元素,它们的命名应与变量相似,能够清晰地表达其含义。
常量一般使用大写字母,多个单词之间可以用下划线分隔。
3. 函数命名规则函数是C51单片机程序的基本组成单元,其命名要具有一定的规范性。
函数名通常采用动词+名词的形式,能够准确描述函数的功能。
同时,函数名也要尽量简洁,方便调用和理解。
4. 宏定义命名规则宏定义是C51单片机程序中常用的一种编程技巧,用于定义一些常用的代码片段。
宏定义的命名与变量和函数类似,要简洁明了,能够清楚表达其含义。
5. 文件命名规则在C51单片机程序中,通常会使用多个源文件进行模块化开发。
为了方便管理和查找文件,文件名应具有一定的规范性。
文件名一般采用小写字母,多个单词之间可以用下划线分隔。
6. 注释规范在C51单片机程序中,注释是非常重要的,能够提高代码的可读性和可维护性。
注释应该清晰明了,能够准确描述代码的功能和实现思路。
同时,注释也要避免过多冗余的描述,以免干扰代码的阅读。
7. 代码缩进规则代码的缩进是C51单片机程序中的重要组成部分,能够使代码结构清晰,易于阅读。
缩进一般使用四个空格或一个制表符,不同的团队可以根据自己的习惯进行选择。
8. 常用缩写规则在C51单片机程序中,为了简洁和代码的可读性,可以使用一些常用的缩写。
但是缩写要尽量简单明了,不要使用过于复杂或容易产生歧义的缩写。
9. 命名一致性原则在C51单片机程序中,命名一致性是非常重要的,能够提高代码的可读性和可维护性。
51单片机命名规则51单片机是一种广泛应用于嵌入式系统开发的芯片,其命名规则对于开发者来说至关重要。
采用一套统一的命名规范,不仅能够提高代码的可读性和可维护性,还能够方便不同开发者之间的交流和合作。
本文将介绍51单片机的命名规则,以及一些常见的命名方式和注意事项。
一、基本命名规则在使用51单片机进行嵌入式系统开发时,遵循以下基本命名规则是非常重要的:1. 变量命名:变量名应该具有一定的描述性,能够准确反映该变量的含义。
一般而言,变量名可以使用字母(区分大小写)、数字和下划线组成,且不能以数字开头。
如果变量名由多个单词组成,可以使用驼峰命名法或下划线分割法。
2. 常量命名:常量名应该使用大写字母,并使用下划线分割单词。
例如,LED_PIN、MAX_COUNT。
3. 函数命名:函数名尽量使用动词开头,并使用驼峰命名法。
例如,initSystem()、readData()。
4. 宏定义命名:宏定义使用全部大写字母,并使用下划线分割单词。
例如,DELAY_TIME、PIN_LED。
5. 文件命名:源文件一般以.c或.cpp为后缀,头文件一般以.h为后缀。
文件名应该简洁明了,能够准确描述该文件的功能。
二、常见的命名方式和示例以下是一些常见的命名方式和示例,供开发者参考:1. GPIO引脚命名:一般使用简短的名称,能够准确描述该引脚的功能。
例如,LED_PIN、BUTTON_PIN。
2. 定时器命名:一般使用简短的名称,并使用驼峰命名法。
例如,timerInit()、timerInterrupt()。
3. 中断服务函数命名:一般使用“中断向量+ISR”命名方式。
例如,INT0_ISR、TIMER1_ISR。
4. 数据结构命名:一般使用能够准确描述数据结构的名称,并使用驼峰命名法。
例如,LinkedList、Queue。
5. 模块命名:一般使用能够准确描述模块的名称,并使用驼峰命名法。
例如,USART、I2C。
单片机的命名规则单片机(Microcomputer Unit,MCU)是一种集成了处理器核心、存储器和外设功能的微型计算机系统。
在单片机的开发过程中,命名规则起着重要的作用,它可以提高代码的可读性、可维护性和可重用性。
本文将介绍一些单片机的常见命名规则。
一、常用的命名规则在单片机的开发中,常用的命名规则包括驼峰命名法、下划线命名法和全大写命名法。
1. 驼峰命名法驼峰命名法是指将单词首字母大写,其他字母小写,并且去除任何分隔符。
例如:lcdDisplay、buttonPressed。
驼峰命名法适用于变量、函数和结构体的命名。
它可以增加命名的可读性,使代码更加清晰,并且在大多数编程语言中被广泛使用。
2. 下划线命名法下划线命名法是指用下划线作为词语之间的分隔符。
例如:lcd_display、button_pressed。
下划线命名法适用于全局变量、常量和宏定义的命名。
它在一些编程规范中被推荐使用,可以使命名更加规范、易读,并且避免了单词之间的混淆。
3. 全大写命名法全大写命名法是指将所有字母都使用大写字母,并且使用下划线作为词语之间的分隔符。
例如:LCD_DISPLAY、BUTTON_PRESSED。
全大写命名法适用于宏定义和枚举类型的命名。
它可以使命名更加直观,增加可读性,并且在一些编程规范中被要求使用。
二、命名规则的建议除了上述常用的命名规则外,还有一些命名规则的建议可以帮助开发人员更好地命名单片机的变量和函数。
1. 变量命名建议(1)使用有意义的名称,能够描述变量的含义和作用。
(2)避免使用单个字符或无意义的名称,例如使用i、j、k作为循环计数器。
(3)使用名词或名词短语命名变量,可以明确变量的用途。
(4)对于布尔类型的变量,可以在名称中加入is、has等前缀,以表示其含义。
2. 函数命名建议(1)使用动词或动词短语命名函数,可以描述函数的功能和操作。
(2)使用驼峰命名法或下划线命名法,以使函数名更加清晰易读。
51单片机知识点单片机(Microcontroller,简称MCU)是指集成了微处理器、存储器和各种输入输出接口功能于一体的芯片。
作为嵌入式系统的核心,单片机被广泛应用于各个领域,具有重要的意义。
本文将介绍51单片机的一些基础知识点。
一、51单片机概述51单片机是由Intel公司推出的一种8位单片机,采用Harvard结构,具有较高的性价比和广泛的应用。
它的内部包含了CPU、RAM、ROM、I/O接口等重要组成部分,同时支持多种外设接口,具备较强的可扩展性。
二、51单片机的特点1. 8位架构:51单片机采用的是8位的数据总线和内部寄存器,可以处理8位数据,适用于许多小型应用。
2. 存储器:51单片机内部包含了存储器单元,其中包括RAM和ROM。
RAM用于存储数据和临时变量,ROM用于存储程序代码。
3. I/O接口:51单片机提供了丰富的I/O接口,可以与各种外设进行通信和数据交换。
4. 定时器和计数器:51单片机内部集成了定时器和计数器,可用于计时、调度和产生精确的时间延迟。
5. 中断系统:51单片机支持中断功能,可以及时响应外部触发的事件,提高了系统的实时性和可靠性。
6. 低功耗设计:51单片机在设计上考虑了功耗优化,具有较低的工作电流和待机电流,适用于电池供电和节能应用。
三、51单片机的编程语言51单片机的编程语言主要有汇编语言和C语言两种。
汇编语言是直接操作单片机硬件的底层语言,具有高效性和灵活性,但难以学习和维护。
C语言是一种高级语言,可以通过编译器将C语言代码转换为单片机可执行的机器语言,更容易编写和调试。
四、51单片机的应用领域51单片机广泛应用于各个领域,如家电控制、电子仪器、通信设备、汽车电子、工业自动化等。
它具有价格低廉、易于使用、可靠性高等优点,在小型控制系统中得到了广泛应用。
五、51单片机的开发工具51单片机的开发工具主要包括开发板、编译器、调试器等。
开发板是一个硬件平台,提供了丰富的接口和外设,用于连接和测试电路。
51单片机命名规则
51单片机命名规则
89C51
8代表8位单片机
9代表falsh存储器,此位置为0代表无rom,7代表eprom存储器
c代表CMOS工艺,此位置为S代表ISP编程方式
1代表片内程序存储器容量,容量大小对应为该位数字*4KB
89C52:8KB容量
at89s51_&_stc89c51命名规则
本文介绍了最常见的两种厂家的单片机的命名规则.
以后见了stc和atmel的单片机看看型号就知道,什么配置了.
先说ATMEL公司的AT系列单片机
89系列单片机的型号编码由三个部分组成,
它们是前缀、型号和后缀。
格式如下:
AT89C XXXXXXXX其中,AT是前缀,89CXXXX是型号,XXXX是后缀。
下面分别对这三个部分进行说明,并且对其中有关参数的表示和意义作相应的解释。
(l)前缀由字母“AT”组成,表示该器件是ATMEL公司的产品。
(2)型号由“89CXXXX”或“89LVXXXX”或“89SXXXX”等表示。
“89CXXXX”中,9是表示内部含 Flash存储器,C表示为 CMOS产品。
“89LVXXXX”中,LV表示低压产品。
“89SXXXX”中,S表示含有串行下载 Flash存储器。
在这个部分的“XXXX”表示器件型号数,如51、1051、8252等。
(3)后缀由“XXXX”四个参数组成,每个参数的表示和意义不同。
在型号与后缀部分有“—”号隔开。
后缀中的第一个参数 X用于表示速度,它的意义如下:
X=12,表示速度为12 MHz。
X=20,表示速度为20 MHz。
X=16,表示速度为16 MHz。
X=24,表示速度为24 MHz。
后缀中的第二个参数 X用于表示封装,它的意义如下:
X=D,表示陶瓷封装。
X=Q,表示 PQFP封装。
’
X=J,表示 PLCC封装。
X=A,表示 TQFP封装。
X=P,表示塑料双列直插 DIP封装。
X=W,表示裸芯片。
X=S,表示 SOIC封装。
后缀中第三个参数 X用于表示温度范围,它的意义如下:
X=C,表示商业用产品,温度范围为0~十 70℃。
X=I,表示工业用产品,温度范围为—40~十 85℃。
X=A,表示汽车用产品,温度范围为—40~十 125℃。
X=M,表示军用产品,温度范围为—55~十 150℃。
后缀中第四个参数 X用于说明产品的处理情况,它的意义如下:
X为空,表示处理工艺是标准工艺。
X=/883,表示处理工艺采用 MIL—STD—883标准。
例如:有一个单片机型号为“AT89C51—12PI”,则表示意义为该单片机是 ATMEL公司的Flash单片机,内部是 CMOS结构,速度为12 MHz,封装为塑封 DIP,是工业用产品,按标准处理工艺生产。
国产stc单片机.我现在使用的就是stc 89C52RC-40C-PDIP可以看出
52内核,512字节RAM ,最大工作在40MHZ下,脚双列直插式封装形式 ,商业级.
4.1.1 MCS-51系列和80C51系列单片机
MCS是Intel公司单片机系列的符号。
Intel公司推出有MCS-48、MCS-51、MCS-96系列单片机。
其中MCS-51系列单片机典型机型包括51和52两个子系列。
在51子系列中,主要有8031、8051、875l三种机型,它们的指令系统与芯片引脚完全兼容,只是片内程序存储器有所不同。
51子系列的主要功能为:
l 8位CPU。
l 片内带振荡器及时钟电路。
l 128B片内数据存储器。
l 4KB片内程序存储器(8031/80C31无)。
l 程序存储器的寻址范围为64KB。
l 片外数据存储器的寻址范围为64KB。
l 21B特殊功能寄存器。
l 4×8根I/O线。
l 1个全双工串行I/O接口,可多机通信。
l 2个16位定时器/计数器。
l 中断系统有5个中断源,可编程为两个优先级。
l 111条指令,含乘法指令和除法指令。
l 布尔处理器。
l 使用单+5V电源。
52子系列的产品主要有8032、8052、8752三种机型。
与51子系列的不同之处在于:片内数据存储器增至256B,片内程序存储器增至8KB(8032/80C32无),有26B的特殊功能寄存器,有3个16位定时器/计数器,有6个中断源。
其他性能均与5l子系列相同。
其对应的低功耗CHMOS工艺器件分别为80 C32、80C52和87C52。
4.1.2 80C51系列单片机的命名规则
1. Intel 80C51系列产品命名规则
图为Intel公司80C51系列单片机产品命名规则。
Intel 80C51系列单片机产品命名规则
Mask ROM:为掩模ROM。
EPROM:紫外线可擦除ROM。
2. Atmel 80C51系列产品命名规则
Atmel公司是第一家将Flash EEPROM存储器用于80C51系列单片机的生厂商,其典型产品有AT89 C51、AT89C52,对应的低功耗产品为AT89LV51和AT89LV52。
图为 Atmel公司80C51系列单片机产品命名规则。
Atmel 80C51系列单片机产品命名规则
Flash EEPROM:在片程序存储器为电可擦除的闪速存储器Flash EEPROM。
LV:Low-Voltage,芯片工作电源电压为2.7V~6V。
3. Philips 80C51系列产品命名规则
Philips公司的80C51系列单片机的命名规则如图所示。
OTP ROM:在片程序存储器为由用户一次性可写入的ROM,成本低于Flash EEPROM,但高过Mask ROM。
Philips 80C51系列单片机产品命名规则
从上述命名规则可以看出,典型的80C51系列单片机不同型号主要在于片内程序存储器状态。
4.1.3 80C51系列单片机的选择特性
不论哪个厂家推出的80C51系列产品,其51子系列和52子系列都保证了产品在指令系统、总线、外部引脚与MCS-51的产品的高度一致性。
指令系统的全兼容,使开发环境具有良好的软硬件归一化环境,简化了开发装置的结构,降低了软件开发成本,保证了应用软件设计的独立性和可移植性。
总线兼容性保证了所有80C51总线型单片机都能实现相同的并行扩展模式,其外围系统的扩展和系统配置的接口电路可以相互兼容。
引脚兼容为单片机应用系统设计和产品开发带来极大方便,产品改型替换容易,产品开发过程中不必更换开发装置,也无需加装适配器,只需将开发装置上的单片机更换成引脚兼容的单片机即可。
1. 程序存储器
单片机程序存储器用于存放单片机应用系统的目标程序,目标程序通过称之为商用编程器的工具写入单片机,该过程称为编程。
2. 数据存储器
单片机片内数据存储器目前供应的类型有SRAM静态数据存储器,少数单片机片内有EEPROM非易失性数据存储器。
51子系列片内RAM有128B,52子系列片内RAM有256B,52子系列向下兼容51子系列,两者价格目前基本持平,选择52子系列在使用上更为方便灵活。
3. 功耗
许多公司都供应低电压的80C51系列单片机,具有低功耗的特点。
如Atmel公司的AT89LV51和A T89LV52,它的工作电压范围为2.7V~6V,可直接替换相应的5V工作电压芯片。
4. 体积
在应用系统的空间有限时,可选择相应型号的PLCC和QFP封装的单片机,外围芯片当然也要选择小型封装。
在无外围扩展时也可选择非总线型的单片机。