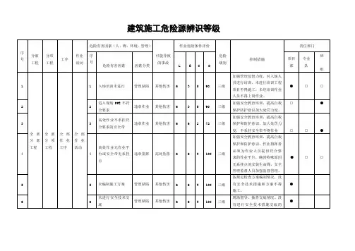
危险源、环境因素识别表
- 格式:doc
- 大小:380.00 KB
- 文档页数:21
工程名称重大危险源与不利环境因素识别与评价汇总表(主体结构阶段)某某有限公司某某项目部2020年12月25日在建项目主体阶段危险源与不利环境因素识别评价汇总表工程名称:在建项目危险源与不利环境因素识别评价表工程名称:制表人:项目经理:年月日注: 本表反映对已识别的危险源和不利环境因素评价和论证的结果。
其结果应与企业管理经验和所采取的风险控制措施的能力相适应。
在建项目危险源与不利环境因素识别评价表工程名称:制表人:项目经理:年月日注: 本表反映对已识别的危险源和不利环境因素评价和论证的结果。
其结果应与企业管理经验和所采取的风险控制措施的能力相适应。
在建项目危险源与不利环境因素识别评价表工程名称:制表人:项目经理:年月日注: 本表反映对已识别的危险源和不利环境因素评价和论证的结果。
其结果应与企业管理经验和所采取的风险控制措施的能力相适应。
在建项目危险源与不利环境因素识别评价表工程名称:制表人:项目经理:年月日注: 本表反映对已识别的危险源和不利环境因素评价和论证的结果。
其结果应与企业管理经验和所采取的风险控制措施的能力相适应。
在建项目危险源与不利环境因素识别评价表工程名称:验和所采取的风险控制措施的能力相适应。
在建项目危险源与不利环境因素识别评价表工程名称:验和所采取的风险控制措施的能力相适应在建项目危险源与不利环境因素识别评价表工程名称:制表人:项目经理:年月日注: 本表反映对已识别的危险源和不利环境因素评价和论证的结果。
其结果应与企业管理经验和所采取的风险控制措施的能力相适应。
在建项目危险源与不利环境因素识别评价表工程名称:制表人:项目经理:年月日验和所采取的风险控制措施的能力相适应。
在建项目危险源与不利环境因素识别评价表工程名称:制表人:项目经理:年月日注: 本表反映对已识别的危险源和不利环境因素评价和论证的结果。
其结果应与企业管理经在建项目危险源与不利环境因素识别评价表工程名称:制表人:项目经理:年月日注: 本表反映对已识别的危险源和不利环境因素评价和论证的结果。
危险源辨识与评价表作业活动序号危险源危险源类型可能导致的事故或伤害判别依据I-V作业条件危险性评价危险等级控制措施备注时态状态是否受控是否守法L E C D安全管理活动1 无安全生产责任制管理缺陷生产安全事故V 1 2 15 30 四级AB 将来异常是否2 未进行安全教育管理缺陷生产安全事故V 1 2 15 30 四级 E 将来异常是否3 未进行生产前安全活动管理缺陷生产安全事故V 1 2 15 30 四级 E 将来异常是否4 无安全技术措施方案管理缺陷生产安全事故I 1 2 7 14 五级 B 将来异常是否5 安全技术措施方案未经审批、审核就采用管理缺陷生产安全事故V 3 2 7 42 四级CE 将来异常是否6 设备设施未经验收管理缺陷生产安全事故I 3 2 15 90 三级AB 将来异常是否7 无部分项安全技术交底管理缺陷生产安全事故V 3 2 7 42 四级 C 将来异常是否8 未按要求做安全检查管理缺陷生产安全事故V 1 2 15 30 四级AC 将来异常是否9 允许无证人员操作管理缺陷人身伤害、触电V 1 2 15 30 四级 C 将来异常是否10 违反安全技术措施方案违章指挥生产安全事故V 3 2 15 90 三级 A 将来紧急是否11 未使用或不正确使用个人防护用品违章作业机械伤害、触电IV 3 2 15 90 三级CE 将来异常是否12 管理人员无证上岗或过期未培训违章指挥/违章作业人员伤害IV 1 1 7 7 五级CE 将来异常是否13 特种作业人员无证作业违章作业机械伤害、触电V 3 3 15 90 三级 E 将来紧急是否14 使用未成年人、童工违章作业违法作业I 0.2 0.5 1 1 五级 B 将来异常是否生产活动- 裁床15 未使用个人防护品(铁手套)操作电剪违章作业机械伤害IV 3 6 7 126 三级CE 将来异常是是16 生产使用电剪刀,漏电电危害-漏电触电V 1 6 7 42 四级 C 将来异常是是17 更换电剪刀片违章作业机械伤害V 1 2 7 14 五级 C 将来异常是是18 裁剪布匹时产生的布绒,吸入防护缺陷呼吸道伤害V 6 6 7 252 二级 C 将来异常是是19 打号时砸伤手防护缺陷人体伤害V 1 6 1 6 五级 C 将来异常是是20 电剪机械噪音噪音危害听力伤害V 6 6 3 108 三级 C 将来异常是是作业序危险源危险源类型可能导致的判别依作业条件危险性评价危险等级控制措施备注时态状态是否是否活动号事故或伤害据I-V L E C D 受控守法生产活动- 平缝车间21 平缝车间电线老化,操作失当触电操作失误电伤害-触电V 1 6 7 42 四级 C 将来异常是是22 平缝车间灯光强光刺激或照明不良作业环境不良视力伤害IV 1 6 7 42 四级 C 将来异常是是23 操作不当碰掉灯管(砸伤,财产损失)操作失误身体伤害IV 1 6 7 42 四级CE 将来异常是是24 碰掉灯管吸入飞散的有毒荧光粉操作失误身体疾病V 0.5 0.5 3 0.75 五级 C 将来异常是是25 缝制时细小布绒的吸入粉尘呼吸疾病V 6 6 3 108 三级 C 将来异常否是26 个别面料带有化学异味有毒物质身体疾病V 0.5 0.5 3 0.75 五级 C 将来异常是是27 平缝车运作时产生的噪音噪声危害听力伤害IV 3 6 3 54 四级 C 现在正常否是28 地面光滑导致员工滑倒作业环境不良身体伤害IV 3 2 3 18 五级 C 将来异常是是29 通道内堵塞,影响紧急事件疏散不畅管理缺陷人身伤害IV 1 2 15 30 四级 C 将来异常是是30 平缝车使用,缝制时针扎伤手操作失误身体伤害V 6 3 7 126 三级CE 将来异常否是31 平缝车操作不当短路起火操作失误人身伤害IV 1 1 40 40 四级 D 将来紧急是是32 平缝车使用机油污染产品操作失误财产损失IV 1 2 3 6 五级CE 将来异常是是33 车间内工作长时间身体前伏腰椎不好行为性危害身体伤害IV 10 6 3 180 二级 C 现在正常否是生产活动- 后整车间34 后整车间灯光强光刺激或照明不良操作失误身体伤害IV 1 6 3 18 五级 C 将来异常是是35 操作不当碰掉灯管(砸伤,财产损失)操作失误身体伤害V 1 6 3 18 四级CE 将来异常是是36 碰掉灯管吸入飞散的有毒荧光粉操作失误身体疾病V 1 6 3 18 四级CE 将来异常是是37 成衣整理时时细小布绒的吸入粉尘呼吸疾病V 6 6 3 108 三级 C 现在正常否是38 地面光滑导致员工滑倒作业环境不良身体伤害IV 1 3 3 9 五级 C 将来异常是是39 通道内堵塞,影响紧急事件疏散不畅管理缺陷人身伤害IV 1 2 15 30 四级CE 将来异常是是40 长时间坐、立腰椎不好行为性危害身体伤害IV 10 6 3 180 三级CE 现在正常否是41 锁眼机操作不当扎伤手操作失误身体伤害IV 6 6 3 108 三级CE 将来异常否是42 钉扣机操作不当扎伤手操作失误身体伤害IV 6 6 3 108 三级CE 将来异常否是作业活动序号危险源危险源类型可能导致的事故或伤害判别依据I-V作业条件危险性评价危险等级控制措施备注时态状态是否受控是否守法L E C D生产活动- 后整车间43 饮水机的使用,接水时烫伤高温液体烫伤IV 3 6 3 54 四级 C 将来异常是是44 饮水机带电使用时可能触电电危害触电V 1 6 7 42 三级 C 将来异常是是45 饮水机过滤器损害、活性炭失效设施缺陷身体伤害-生病V 1 6 1 6 五级 C 将来异常是是46 蒸汽熨斗,蒸汽烫伤高温物资烫伤V 6 6 7 252 二级BC 将来异常是是47 锅炉的使用,蒸汽外泄高温物质烫伤IV 1 3 7 21 四级 C 将来异常是是48 蒸汽管老化,蒸汽外泄高温物质烫伤IV 1 6 7 42 四级 C 将来异常是是49 打包机使用,操作不当烫伤操作不当烫伤V 1 6 3 18 五级BC 将来异常是是50 工作需要未佩戴防护用品或佩戴不当防护缺陷身体伤害IV 1 6 7 42 四级CE 将来异常是是51 成衣打包完成码放过高,砸伤违章作业身体伤害IV 3 6 3 54 四级CE 将来异常是是52 推车使用,操作不当撞伤脚操作不当身体伤害IV 3 6 3 54 四级 C 将来异常是是53 拉箩筐,撞伤操作不当身体伤害IV 3 6 3 54 四级 C 将来异常是是54 剪刀剪线头操作、防护不当操作、防护不当身体刺伤、剪破IV 3 6 3 54 四级CE 将来异常是是55 箱子码放过高,倒下,掉落砸伤违章作业身体伤害IV 3 3 7 63 四级CE 将来异常是是56 火种入厂,吸烟或其他用火管理缺陷人员伤亡、财产损失IV 1 6 40 240 二级BCD 将来异常是是57 升降机的使用,产生噪音噪声危害听力伤害V 3 6 3 54 四级 C 现在异常是是58 升降机操作不当,电机故障,短路、触电违章作业人身伤害IV 1 3 15 45 四级 C 将来异常是是59 升降机使用时货物码放不当掉落违章作业身体伤害IV 1 3 7 21 四级 C 将来异常是是设计活动60 电脑设计排版,电脑辐射电磁辐射人体伤害IV 6 6 1 36 四级 C 现在正常是是61 裁剪面料使用剪刀刺伤、剪破操作不当身体伤害IV 3 6 7 126 三级CE 将来异常是是62 平缝机,锁眼钉扣机使用产生噪音设备缺陷听力伤害V 6 6 1 36 四级 C 现在正常是是63 平缝机,锁眼钉扣机使用时扎伤操作不当身体伤害V 6 6 3 108 三级CE 将来异常是是64 灯光强光刺激或照明不良作业环境不良视力伤害IV 1 6 1 6 五级 C 将来异常是是作业活动序号危险源危险源类型可能导致的事故或伤害判别依据I-V作业条件危险性评价危险等级控制措施备注时态状态是否受控是否守法L E C D采购活动- 库房65 采购电脑下单,电脑辐射电磁辐射身体伤害V 3 6 1 18 五级 C 现在正常否是66 电源插头、插座损坏、松动,触电火灾设施缺陷身体伤害V 1 6 40 240 二级CD 将来紧急否是67 采购回来卸货,操作不当砸伤操作不当身体伤害V 1 3 3 9 五级 C 将来异常是是68 面料码放过高,掉落砸伤违章作业身体伤害IV 3 2 3 18 五级 C 将来异常是是69 货架物品堆放过多,货架倒下违章作业砸伤、人员伤亡IV 1 2 15 30 四级 C 将来异常是是70 打卷机使用,夹到手等操作不当身体伤害V 1 2 7 14 五级CE 将来异常是是71 使用梯子去高处取货,掉落,滑倒等设施缺陷身体伤害V 3 3 3 27 四级CE 将来异常是是72 面料随意堆放于地上,湿润、霉变设施缺陷财产损失V 3 2 3 42 四级BC 将来异常是是检验活动- 质检组73 检验时使用硫酸,不小心灼伤腐蚀性物质身体伤害V 1 2 7 14 五级BC 将来异常是是74 检验时使用盐酸,不小心灼伤腐蚀性物质身体伤害V 1 2 7 14 五级BC 将来异常是是75 检验时使用硝酸,不小心灼伤腐蚀性物质身体伤害V 1 2 7 14 五级BC 将来异常是是76 检验时操作不当煤气外泄,中毒有毒物质身体伤害V 1 2 7 14 五级BC 将来异常是是77 检验时操作不当煤气外泄,爆炸易燃易爆人员伤亡V 1 2 15 30 四级BC 将来异常是是78 检验时动火导致火灾明火人员伤亡IV 1 2 40 80 三级BDC 将来异常是是79 检验时使用机械设备,产生噪音设备缺陷听力伤害V 3 2 1 6 五级 C 将来正常否是80 检验时使用拉力机,操作不当弹伤操作不当身体伤害IV 1 2 3 6 五级CE 将来异常是是81 检验时使用玻璃器皿,打碎操作不当身体伤害IV 1 2 3 6 五级 C 将来异常是是82 实验室通风不畅设施缺陷身体伤害IV 1 2 3 6 五级 C 将来异常是是83 检验使用洗衣机,产生噪音设备缺陷身体伤害V 1 2 1 2 五级 C 将来正常否是84 检验时使用洗衣机漏电电危害身体伤害V 1 2 7 14 五级 C 将来异常是是85 使用洗衣机不当,短路起火操作不当人员伤亡IV 1 2 15 30 四级CD 将来异常是是作业活动序号危险源危险源类型可能导致的事故或伤害判别依据I-V作业条件危险性评价危险等级控制措施备注时态状态是否受控是否守法L E C D服务活动86 销售电脑下单,电脑辐射电磁辐射身体伤害V 3 6 1 18 五级 C 现在正常否是87 销售人员外出,过马路时被车冲撞运动物伤害身体伤害IV 1 3 7 21 四级 E 将来异常是是88 销售人员外出,乘坐车辆车祸运动物伤害身体伤害IV 1 3 7 21 四级 E 将来异常是是89 销售人员外出,遇上扒手、抢劫运动物伤害人员伤害、财产损失IV 1 2 7 14 五级 E 将来异常是是90 销售人员拜访客户,遇高空落物运动物伤害身体伤害IV 1 3 7 21 四级 E 将来异常是是91 销售人员搬运货物不慎砸伤脚操作失误身体伤害IV 1 3 3 9 五级CE 将来异常是是92 使用手机,辐射电磁辐射身体伤害V 6 10 1 60 四级 C 现在正常是是编制人/日期:孙勇/2014年9月4日审核人/日期:批准人/日期:不可接受风险清单作业活动序号危险源危险源类型可能导致的事故控制措施备注安全管理活动1 设备设施未经验收管理缺陷生产安全事故1.编制安全技术措施方案;2.进行方案交底;3.加强现场监督检查2 违反安全技术措施方案违章指挥生产安全事故 1.对员工进行安全培训;2.加强现场监督检查3 未使用或不正确使用个人防护用品违章作业机械伤害、触电 1.进行安全交底;2.加强现场监督检查4 特种作业人员无证作业违章作业机械伤害、触电 1.进行安全交底;2.加强监督检查生产活动5 未使用个人防护品(铁手套)操作电剪违章作业机械伤害 1.加强监督检查;2.培训加强个人防护意思6 裁剪布匹时产生的布绒,吸入防护缺陷呼吸道伤害 1.加强个人防护意思;2.要求佩戴防护设备7 电剪机械噪音噪音危害听力伤害 1.加强个人防护意思;2.要求佩戴防护设备8 缝制时细小布绒的吸入粉尘呼吸疾病 1.加强个人防护意思;2.要求佩戴防护设备9 平缝车使用,缝制时针扎伤手操作失误身体伤害 1.加强个人防护意思;2.加强安全监督检查10 车间内工作长时间身体前伏腰椎不好行为性危害身体伤害 1.建议工作期间做工间操11 成衣整理时时细小布绒的吸入粉尘呼吸疾病 1.加强个人防护意思;2.要求佩戴防护设备12 长时间坐、立腰椎不好行为性危害身体伤害 1.建议工作期间做工间操13 锁眼机操作不当扎伤手操作失误身体伤害 1.对员工进行安全培训;2.加强现场监督检查14 钉扣机操作不当扎伤手操作失误身体伤害 1.对员工进行安全培训;2.加强现场监督检查15 饮水机带电使用时可能触电电危害触电 1.加强现场监督检查;2.定期进行安全检查16 蒸汽熨斗,蒸汽烫伤高温物资烫伤 1.对员工进行安全培训;2.加强现场监督检查17 火种入厂,吸烟或其他用火管理缺陷人员伤亡、财产损失 1.对员工进行安全培训;2.加强现场监督检查;3.制定应急预案18 裁剪面料使用剪刀刺伤、剪破操作不当身体伤害 1.对员工进行安全培训;2.加强现场监督检查作业活动序号危险源危险源类型可能导致的事故控制措施备注生产活动19 平缝机,锁眼钉扣机使用时扎伤操作不当身体伤害 1.培训安全生产规范;2.加强个人安全意识20 电源插头、插座损坏、松动,触电火灾设施缺陷身体伤害 1.定期检查设备、设施、线路,清理安全隐患;3.制定应急预案21 检验时动火导致火灾明火人员伤亡 1.加强监督管理;2.加强个人安全意识;3.制定应急预案22 设备维修,动火不当,引起火灾操作失误人员伤亡、财产损失 1.加强监督管理;2.加强个人安全意识;3.制定应急预案办公活动23 电源、插座短路、漏电起火电伤害人员伤亡 1.定期检查设备、设施、线路,清理安全隐患;3.制定应急预案24 办公区域、厂区内吸烟,火灾明火人员伤亡、财产损失1.定期检查设备、设施、线路,配置灭火器,清理安全隐患;3.制定应急预案25 办公区域、厂区灭火设备欠缺,火灾漫延管理缺陷人员伤亡、财产损失 1.加强监督管理;2.定期进行安全检查;3.制定应急预案26 办公室线路杂乱,导致短路触电起火火灾人员伤亡 1.定期检查设备、设施、线路,清理安全隐患;3.制定应急预案相关方活动27 临近饭店动火火灾人员伤亡、财产损失 1.加强安全监督管理;2.与相关方签订安全协议;3.制定应急预案28 汽修厂电焊作业火灾人员伤亡、财产损失 1.加强安全监督管理;2.与相关方签订安全协议;3.制定应急预案29 汽修厂车辆出入,导致人员伤害物理伤害身体伤害1.加强安全监督管理;2.培训加强员工安全意识;3.与相关方签订安全协议30 临近机械厂电焊作业火灾人员伤亡、财产损失 1.加强安全监督管理;2.与相关方签订安全协议;3.制定应急预案31 临近机械厂动明火火灾人员伤亡、财产损失 1.加强安全监督管理;2.与相关方签订安全协议;3.制定应急预案编制人/日期:孙勇/2014年9月4日审核人/日期:批准人/日期:环境因素识别排查与评价表序号区域活动、产品或服务环境因素环境影响去向状态时态评价打分是否重要环境因素管理措施A B C D 总分1 办公室清洁清洁用水资源消耗下水道现在正常82 2 2 14 轻微张贴节水标识、环保教育2 办公室垃圾清理废弃物的丢弃土壤污染垃圾站现在正常8 4 4 2 18 重要分类收集3 办公室书面资料整理纸张的使用资源消耗使用现在正常4 2 4 2 12 轻微执行领用制度建议建立电子文档4 办公室电脑使用电脑运行能源消耗使用现在正常 2 2 4 8 18 重要张贴节电标识5 办公室打印、复印、传真纸张使用资源消耗使用现在正常 2 2 4 4 12 轻微执行领用制度6 办公室打印、复印、传真用电能源消耗使用现在正常 2 2 8 8 20 重要环保教育7 办公室打印、复印、传真硒鼓、墨盒、色带使用资源消耗使用现在正常 4 4 4 2 14 轻微环保教育8 办公室打印、复印、传真废旧硒鼓、墨盒的丢弃土壤污染回收现在异常 4 4 4 2 14 轻微分类收集回收9 办公室宣传、印刷纸张使用资源消耗使用现在正常 2 2 4 4 12 轻微执行领用制度10 办公室宣传记号笔使用资源消耗使用现在正常 2 2 4 4 12 轻微执行领用制度11 办公室电扇使用运转耗电能源消耗使用现在正常 2 2 4 4 12 轻微环保教育、张贴节电标识12 办公室电扇使用配件的使用资源消耗使用现在正常 2 2 4 4 12 轻微环保教育13 办公室电扇使用废旧配件的丢弃土壤污染垃圾站现在正常 2 2 4 4 12 轻微分类收集14 办公室饮水机使用耗电能源消耗使用现在正常 2 2 4 4 12 轻微环保教育序号区域活动、产品或服务环境因素环境影响去向状态时态评价打分法是否重要环境因素管理措施A B C D 总分15 办公室办公用品使用废旧电池的丢弃土壤污染垃圾站现在正常 4 2 4 2 12 轻微分类收集16 办公室办公设施维修配件、材料的使用资源消耗使用现在正常 4 2 2 2 10 轻微环保教育17 办公室办公设施维修废旧配件、材料的丢弃土壤污染垃圾站现在异常 4 4 4 2 14 轻微分类收集18 办公室办公设施维修废旧日光灯管的丢弃土壤污染垃圾站现在异常 4 4 4 2 14 轻微分类收集19 办公室办公车辆使用尾气的排放空气污染无组织排放现在正常8 2 4 4 18 重要定期维修、保养20 办公室办公车辆维修含油棉纱的丢弃土壤污染集中收集现在异常8 4 2 2 16 重要签定环保协议、分类收集21 办公室办公车辆维修废旧配件的丢弃土壤污染垃圾站现在异常8 4 2 2 16 重要分类收集22 办公室照明灯具用电能源消耗使用现在正常 4 2 4 8 18 重要张贴节电标识楼道安装声控、节能灯23 办公室采购采购过多物品资源浪费垃圾站将来异常 2 2 2 2 8 轻微按需采购24 办公室设备维修、保养含油棉纱、手套的丢弃土壤污染集中收集现在异常8 4 2 2 16 重要签定环保协议、分类收集25 办公室空调运行空调运行耗电能源消耗使用现在正常 4 2 4 8 18 重要环保教育26 办公室空调维修氟利昂泄漏空气污染无组织排放将来异常 2 2 2 2 8 轻微委托专业公司维修27 办公室办公场所吸烟废气排放空气污染无组织排放将来正常 2 4 2 2 10 轻微环保教育、禁止吸烟28 办公室电脑、电话废旧电脑、电话的丢弃土壤污染垃圾站将来正常 4 2 2 2 10 轻微集中回收,分类处理29 办公室饮水机的使用废水产生资源消耗使用现在正常 4 2 4 2 16 重要张贴节水标识、环保教育序号区域活动、产品或服务环境因素环境影响去向状态时态评价打分是否重要环境因素管理措施A B C D 总分30 办公室办公用品的使用废笔、废笔芯的丢弃土壤污染垃圾站将来异常 2 2 2 2 8 轻微集中回收,分类处理31 生产车间制版面料的使用边角余料的废弃资源浪费外卖将来正常 4 2 4 4 14 轻微集中回收,分类处理32 生产车间裁剪面料的使用边角余料的废弃资源浪费外卖将来正常 4 2 4 4 14 轻微集中回收,分类处理33 生产车间裁剪面料细小布绒的飞散空气污染无组织排放现在异常 4 4 4 4 16 重要佩戴防护设备,安全教育34 生产车间修片面料的使用边角余料的废弃资源浪费外卖现在正常 4 2 4 4 14 轻微集中回收,分类处理35 生产车间缝制设备的使用设备产生的噪音排放噪音污染无组织排放现在异常 2 4 4 4 14 轻微安全教育36 生产车间缝制面料的使用边角余料的废弃资源浪费外卖现在正常 4 2 4 4 14 轻微集中回收,分类处理37 生产车间缝纫机的保养维修缝纫机油的废弃土壤污染集中回收将来异常 4 4 4 2 12 重要集中回收,分类处理38 生产车间缝制衣服针线的使用资源消耗使用现在正常 4 2 8 4 18 重要环保教育39 生产车间锁眼针线的使用资源消耗使用现在正常 4 2 8 4 18 重要环保教育40 生产车间锁眼剪去斜角料资源浪费垃圾站将来正常 4 2 2 2 10 轻微集中回收,分类处理41 生产车间订扣针、线、纽扣的丢弃资源浪费垃圾站将来正常 4 2 2 2 10 轻微集中回收,分类处理42 生产车间订扣针、线、纽扣的使用资源消耗使用现在正常 4 2 8 4 18 重要环保教育43 生产车间成衣整理线头的丢弃土壤污染垃圾站将来异常 4 2 2 2 10 轻微集中回收,分类处理44 生产车间熨烫蒸汽使用蒸汽的排放空气污染无组织排放现在异常 4 2 2 2 10 轻微环保安全教育序号区域活动、产品或服务环境因素环境影响去向状态时态评价打分是否重要环境因素管理措施A B C D 总分45 生产车间成衣包装塑料包装袋的使用资源消耗使用现在正常 4 2 4 2 12 轻微环保教育46 生产车间成衣包装纸箱的使用资源消耗使用现在正常 4 2 4 2 12 轻微环保教育47 生产车间成衣包装废弃的塑料袋、纸箱的丢弃资源浪费垃圾站现在正常 4 2 4 2 12 轻微集中回收,分类处理48 生产车间生产设备的使用设备噪音的产生噪音污染无组织排放现在正常 4 2 4 2 12 轻微安全教育49 生产车间生产设备的使用电能的消耗资源消耗使用现在正常 4 2 8 2 16 重要环保教育编制人/日期:孙勇/2014年9月4日审核人/日期:批准人/日期:重要环境因素清单序号区域活动、产品或服务环境因素环境影响时态/状态管理措施1 办公室垃圾清理废弃物的丢弃土壤污染现在/正常分类收集2 办公室电脑使用电脑运行能源消耗现在/正常张贴节电标识3 办公室打印、复印、传真用电能源消耗现在/正常张贴节电标识4 办公室办公车辆使用尾气的排放空气污染将来/异常定期维修、保养5 办公室办公车辆维修含油棉纱的丢弃土壤污染将来/异常签定环保协议、分类收集6 办公室办公车辆维修废旧配件的丢弃土壤污染将来/异常分类收集7 办公室照明灯具用电能源消耗现在/正常张贴节电标识、楼道安装声控、节能灯8 办公室设备维修、保养含油棉纱、手套的丢弃土壤污染将来/异常签定环保协议、分类收集9 办公室空调运行空调运行耗电能源消耗将来/正常环保教育10 办公室饮水机的使用废水产生资源消耗将来/正常张贴节电标识、环保教育11 生产车间裁剪面料细小布绒的飞散空气污染将来/异常佩戴防护设备,安全教育12 生产车间缝纫机的保养维修缝纫机油的废弃土壤污染将来/异常集中回收,分类处理13 生产车间缝制衣服针线的使用资源消耗现在/正常环保教育14 生产车间锁眼针线的使用资源消耗现在/正常环保教育15 生产车间订扣针、线、纽扣的使用资源消耗现在/正常环保教育16 生产车间生产设备的使用电能的消耗资源消耗现在/正常环保教育17 生产车间生产设备的维修废旧配件、材料的丢弃土壤污染将来/异常集中回收,分类处理18 生产车间生产设施的维修废旧日光灯管的丢弃土壤污染将来/异常集中回收,分类处理序号区域活动、产品或服务环境因素环境影响时态/状态现有管理措施19 采购过程危险化学品采购潜在的火灾水土污染将来/异常环保安全教育20 采购过程化纤类材料潜在的火灾水土污染将来/异常环保安全教育21 采购过程化学材料无组织挥发空气污染将来/异常环保安全教育22 实验室实验材料的使用废硫酸的排放水土污染将来/异常集中回收,分类处理23 实验室实验材料的使用废盐酸的排放水土污染将来/异常集中回收,分类处理24 实验室实验材料的使用废硝酸的排放水土污染将来/异常集中回收,分类处理25 实验室实验材料的使用酸碱材料的使用资源消耗将来/异常环保安全教育26 相关方楼下马路喇叭噪声噪音污染现在/正常安全教育27 相关方汽修厂使用汽油汽油的排放水土污染将来/异常集中回收,分类处理编制人/日期:孙勇/2014年9月4日审核人/日期:批准人/日期:。
在建项目危险源与不利环境因素识别评价表(每表识别评价一种危险源)AQ1.1.9 工程名称:危险类型高处坠落识别方法定量评价参与识别和评价的部门、人员危险源出现基础、主体结构施工/四口、五临边防护的场所与部位涉及危险源的施工方法、防护缺陷作业活动范围可能导致事故非常严重,一人死亡风险等级高度危险的危害程度制表人: 部门负责人: 制表日期: 年月日注:本表反映对已识别的危险源和不利环境因素和论证的结果。
其结果应与企业管理经验和所采取的风险控制措施的能力相适应。
在建项目危险源与不利环境因素识别评价表(每表识别评价一种危险源)AQ1.1.9 工程名称:危险类型高处坠落识别方法定量评价参与识别和评价的部门、人员危险源出现装饰工程/外墙装饰、室内装饰、门窗安装的场所与部位涉及危险源的施工方法、四口、五临边防护缺陷作业活动范围可能导致事故非常严重,一人死亡风险等级高度危险的危害程度制表人: 部门负责人: 制表日期: 年月日注:本表反映对已识别的危险源和不利环境因素和论证的结果。
其结果应与企业管理经验和所采取的风险控制措施的能力相适应。
在建项目危险源与不利环境因素识别评价表(每表识别评价一种危险源)AQ1.1.9 工程名称:危险类型触电识别方法定量评价参与识别和评价的部门、人员危险源出现基础、主体结构施工/构件安装工程的场所与部位涉及危险源的施工方法、焊接违章作业作业活动范围可能导致事故重大,致残风险等级高度危险的危害程度制表人: 部门负责人: 制表日期: 年月日注:本表反映对已识别的危险源和不利环境因素和论证的结果。
其结果应与企业管理经验和所采取的风险控制措施的能力相适应。
在建项目危险源与不利环境因素识别评价表(每表识别评价一种危险源)AQ1.1.9 工程名称:危险类型触电识别方法定量评价参与识别和评价的部门、人员危险源出现工地宿舍区域的场所与部位涉及危险源的施工方法、违章用电作业活动范围可能导致事故严重,重伤风险等级极其危险的危害程度制表人: 部门负责人: 制表日期: 年月日注:本表反映对已识别的危险源和不利环境因素和论证的结果。