2019年公路水运检测师公共基础真题及答案解析完整版
- 格式:pdf
- 大小:1.77 MB
- 文档页数:22
公路水运试验检测师考试[道路工程]真题答案与解析完整版一、单选题〈共30题,每题1分,共30分〉1.液塑限联合测定法测定土的液限和塑限,主要步骤如下:①试杯装好土样②接通电掘,调平机身打开开关,提上锥体③使锥尖接触土样表面④锥体立刻自行下沉⑤5秒时自动停止下蔼⑥指示灯亮停止旋动旋钮⑦锥体复位,读数显示为零。
正确的测定顺序是()。
A.①②③④⑤⑥⑦B.②①③④⑥⑤⑦C.②①③④⑤⑥⑦D.①②③⑥④⑤⑦2.下面有关路面结构强度系数SSI的计算描述正确的是()。
A.路面实测代表弯沉与设计弯沉之比B.路面实测代表弯沉与容许弯沉之比C.路面设计弯沉与实测代表弯沉之比D.路面容许弯沉与实测代表弯沉之比3.高速公路沥青混凝土面层实测项目中,要求总厚度代表值不小于()。
A.设计值的-5%B.设计值的-20%C.设计值的-10%D.设计值的-8%4.石方路基质量评定中,一般不用()指标来评价压实质量。
A.固体体积率B.层厚和压实次数C.沉降差D.压实度5.某分部工程的加权平均分为90分,那么该分部工程质量等级为()。
A.优良B.合格C.不合格D.无法确定6.水泥胶砂抗压强度计算时,需要舍弃超出平均值()的测定值。
A.±10%B.±5%C.±3%D.±2%7.水泥比表面积测定时的环境条件和操作直接影响秒表记录时间的长短,下列选项中针对试验条件和秒表读数值说法正确的是()。
A.试验环境温度越高,秒表读数值越长B.透气筒中装填的水泥数量偏少,秒表读数偏短C.透气筒与压力计接触密封不好时,秒表读数偏长D.空气黏度越高,秒表读数值越短8.进行粗集料竖固性试验时,所称取的不同粒级的试样分别装入三脚网并浸入盛有硫酸铀熔液的容器中,暗液体积应不小于试验总体积的()倍。
A.1B.2C.5D.109.当筛分试验各级过筛不彻底时,计算出的砂的细度模数将会()A.偏小B.偏大C.因各级均不彻底,最终不影响细度模数的大小D.变化无法确定10.下面关于土的含水率的计算描述正确的是()A.土中水的体积与土中固体颗粒的体积之比B.土中水的质量与土质量之比C.土中水质量与土中固体颗粒质量之比D.土中水气质量与土质量之比1-5 DCADB 6-10 ABCBC11.己知一组水泥混凝土标准抗折试件测得的破坏荷载分别是(单位:kN):41.25、39.75、48.00。
2019公路水运工程试验检测师公共基础模拟试题五含答案―、单项选择题(下列各题中,只有一个备选项最符合题意,请填写最符合题意的一个备选项,选错或不选不得分。
)1.负责公路水运工程试验检测机构乙级等级评定的机构是( )。
A.省(市)级质量监督局B•国务院主管部门C.交通运输部质监总站D•省(市)交通质监机构2. 依据《公路试验检测数据报告编写导则》的要求,报告落款区的信息有( )。
A.编制人B.审核人C.试验日期D.监理见证人3. 关于等级证书复核换证的基本条件,下列表述正确的是( )。
A. 设备环境满足等级标准要求B. 信用等级不得有C级C. 证书有效期内开展的参数不小于75%D. 甲级及专项类检测机构应有高速公路和大型水运工程现场检测项目或工地试验室业绩4•实验室的监督人员应对( )进行监督。
A.检测的整个过程C.检测的关键环节B.检测的某一工序D.随机抽取的一个环节5. 国家法定计量单位的名称由( )公布。
A.全国人大常委会C.中国计量测试学会B.国务院计量行政部门D.国务院6. 对同样的极限数值,如果它本身符合要求,则()A. 修约值比较法比全数值比较法相对较严格B. 全数值比较法比修约值比较法相对较严格C. 两者是一样的D. 两者没有关系7. 检验检测机构管理体系的内容是以满足( )的需要为准。
A.体系要求B.质量目标C.顾客要求D.公司要求8. 仪器设备的状态标识中,表明仪器设备存在部分缺陷,但在限定范围内可以使用的应为( )标志。
A.绿色B.黄色C.红色D.白色9. 向社会出具具有证明作用报告的检验检测机构,其建立的质量体系应符合( )的要求。
A. 《公路水运工程试验检测管理办法》B. 《检验检测机构资质认定管理办法》C. 《检测和校准实验室能力的通用要求》D. ISO 9001质量体系10. 为确保检验检测机构文件现行有效,需要采取()措施。
A.指定专人保管文件B.实验室的所有文件都加盖受控章C.文件必须存放在指定的地方D.建立文件控制程序二、判断题(请对下列题述观点正确与否进行判断,判断准确得分,否则不得分。
2019公路水运工程试验检测师公共基础模拟试题十二含答案一、单选题1.《实验室和监察机构资质认定管理办法》(质检总局令第86 号令)与《检验检测机构资质认定管理办法》(质检总局令第163 号)比较,在评审要素结构上做了较大改变。
现场评审核查内容由“管理要求”“技术要求”2 个评审要求,19 个要素()观察条款,变为一个“评审要求”,6 个要素()观察条款,形成了一个开放性的评审系统。
2.不属于现行《检验检测机构资质认定管理办法》(质检总局令第163 号)管理体制的部门()。
A.认监委B.县级以上质监部门C.直属检验检疫局D.省质监部门3.按照《检验检测机构资质认定管理办法》规定的相关法律责任,有()情形的,属于轻微违法,由县级以上质量技术监督部门责令其 1 个月内改正;逾期未改正或者改正后仍不符合要求的,处一万元以下罚款,处罚期间仍可对外出报告。
A.未按照资质认定部门要求参加能力验证或者比对的B.出具的检验检测数据、结果失实的C.超出资质认定证书规定的检验检测能力范围,擅自向社会出具具有证明作用数据、结果的D.非授权签字人签发的检验检测报告的4.交通部《公路水运工程安全生产监督管理办法》已于()经第2 次部委会议通过。
A.2007 年2 月14 日B.2007 年1 月25 日C.2007 年3 月1 日D.2007 年5 月1 日5.检验检测机构内部审核的目的是()。
A.发现存在的问题B.监察监测活动的规范性C.验证实验室的工作D.检查检测报告的准确性6.甲级试验检测机构配备试验检测人员中,不属于对技术负责人要求的是()。
A.相关专业高级职称B.试验检测工程师C.8 年以上试验检测经历D.取得内审员证书7.资质认定的评审内容包括一下哪几个方面()。
①组织机构;②仪器设备;③检测工作;④人员;⑤环境;⑥工作制度A.①②④⑤⑥B.①②③④⑤C.①②③④⑥D.①②③④⑤⑥8.选择合格的仪器设备的检定/校准服务单位,一般应该评价()。
2019公路水运工程试验检测师公共基础模拟试题三含答案一、单项选择题(下列各题中,只有一个备选项最符合题意,请填写最符合题意的一个备选项,选错或不选不得分)1. 质监机构实施监督检査时,不会采取的措施有( )A. 进人检测机构的工作场地现场抽查B. 约谈机构负责人、暂停机构检测活动C•责令即时改正或限期整改D. 查阅、记录、复制与检査相关的事项和资料2. 由于工期紧,客户要求检测机构缩短标准、规范规定的样品养生时间或样品静置时间完成检测项目时,应做以下( )处理。
A.不接受客户的要求B.依据采用非标准方法程序C. 依据允许偏离的程序D.依据不符合检测工作的程序3. 检验检测机构为查找问题的根本原因,实施纠正措施应从( )开始。
A.分析B.调查C•检査D•评审4. 试验检测师应当通过( )专业科目的考试。
A•任意一门B_ 2门或2门以上C.-至少3门D.全部5门5. 双学士学位研究生申报试验检测师,需毕业后累计从事试验检测工作( )年以上。
A.2B.3C.4D.56. 按照《检验检测机构资质认定管理办法》(质检总局令第163号)规定,检验检测机构资质认定标志,由China Inspection Body and Laboratory Mandatory Approval 的英文缩写CMA 形成的图案和由一些代码组成的资质认定证书12位编号构成。
下面选项中,不属于编号代码内容的是( )。
A. 发证年份代码B.发证机关代码C.发证省别代码D.专业领域类别代码7. 实验室每年至少开展一次内部审核,需增加内审次数的情况为( )。
A. 实验室搬迁B.增加新人员C.业务范围扩大D.有客户投诉8. 依据《公路试验检测数据报告编制导则》的规定,下列不属于试验检测报告基本信息区内容的是( )。
A.报告编号B.工程名称C.试验依据D.判定依据9. 检验检测机构自被撤销资质认定之日起( )年内,不得再次申请资质认定。
A. 1B.2C.3D.510. 有关仪器设备检定校准状态标识的使用,正确的做法是( )。
2020年公路水运试验检测师《公共基础》真题及答案解析一、单选题(共40题,每题1分,共40分)1.建设工程的保修期,自()起计算。
A.交付使用之目B.竣工验收合格之日C.竣工验收完成之日D.主体工程完城之目【答案】B【解析】根据《建设工程质量管理条例》第六章第四十条,建设工程的保修期,自竣工验收合格之日起计算。
2.根据《公路水运试验检测数据报告编号导则》(JT/T828-2019)的规定,原始记录中的检测数据组成应包括()等内容。
A.样品信息,原始观测数据、试验结果B.原始观测数据、推导过程、数据修约C.原始观测数据、数据修约、计量单位D.原始观测数据、数据处理过程与方法、试验结果【答案】D【解析】2020版教材P110:检测数据部分应包括原始观测数据、数据处理过程与方法,以及试验结果等内容。
3.下列不属于强制性国家标准编号组成部分的是()。
A.强制性国家标准代号(GB)C.标准号D.年代号【答案】C【解析】制性国家标准的编号由强制性国家标准代号(GB)、顺序号、和年代号构成。
(校长提分手册P8)4.建设单位不得明示或者暗示设计单位或者施工单位违反工程建设()标准,降低建设工程质量。
A.强制性B.国家C.行业D.地方【答案】A【解析】建设工程发包单位不得迫使承包方以低于成本的价格竞标,不得任意压缩合理工期。
建设单位不得明示或者暗示设计单位或者施工单位违反工程建设强制性标准,降低建设工程质量(校长提分手册P10)5.为社会提供公证数据的产品质量检验机构,必须经()以上人民政府计量行政部门对其计量检定、测试的能力和可靠性考核合格。
A.县级B.区级C.省级D.市级【解析】计量法第22 条规定为社会提供公证数据的产品质量检测机构,必须经省级以上人民政府计量行政部门对其计量检定、测试的能力和可靠性考核合格(校长提分手册P3)6.根据《市场监管总局关于进一步推进检验检测机构资质认定改革工作的意见》(国市监检测[2019]206号)的规定,对以告知承诺方式取得资质认定的机构承诺的真实性进行重点核查,发现虚假承诺或者承诺严重不实的,应当()。
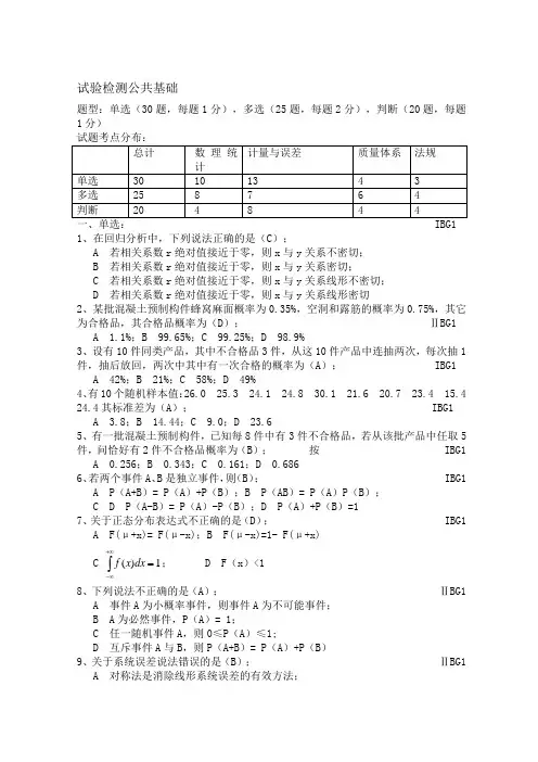
试验检测公共基础题型:单选(30题,每题1分),多选(25题,每题2分),判断(20题,每题1分)1、在回归分析中,下列说法正确的是(C);A 若相关系数r绝对值接近于零,则x与y关系不密切;B 若相关系数r绝对值接近于零,则x与y关系密切;C 若相关系数r绝对值接近于零,则x与y关系线形不密切;D 若相关系数r绝对值接近于零,则x与y关系线形密切2、某批混凝土预制构件蜂窝麻面概率为0.35%,空洞和露筋的概率为0.75%,其它为合格品,其合格品概率为(D);ⅡBG1A 1.1%;B 99.65%;C 99.25%;D 98.9%3、设有10件同类产品,其中不合格品3件,从这10件产品中连抽两次,每次抽1件,抽后放回,两次中其中有一次合格的概率为(A); IBG1A 42%;B 21%;C 58%;D 49%4、有10个随机样本值:26.0 25.3 24.1 24.8 30.1 21.6 20.7 23.4 15.424.4其标准差为(A); IBG1A 3.8;B 14.44;C 9.0;D 23.65、有一批混凝土预制构件,已知每8件中有3件不合格品,若从该批产品中任取5件,问恰好有2件不合格品概率为(B);按 IBG1A 0.256;B 0.343;C 0.161;D 0.6866、若两个事件A、B是独立事件,则(B); IBG1A P(A+B)= P(A)+P(B);B P(AB)= P(A)P(B);C D P(A-B)= P(A)-P(B);D P(A)+P(B)=17、关于正态分布表达式不正确的是(D); IBG1A F(μ+x)= F(μ-x);B F(μ-x)=1- F(μ+x)C ⎰+∞∞-=1)(dxxf; D F(x)<18、下列说法不正确的是(A);ⅡBG1A 事件A为小概率事件,则事件A为不可能事件;B A为必然事件,P(A)= 1;C 任一随机事件A,则0≤P(A)≤1;D 互斥事件A与B,则P(A+B)= P(A)+P(B)9、关于系统误差说法错误的是(B);ⅡBG1A 对称法是消除线形系统误差的有效方法;B 周期法是消除周期性系统误差的最常用方法;C 消除定值系统误差方法有:替代法、交换法10、某差压传感器测量范围为0—0.4MPa,量程范围内最大绝对误差为0.0004MPa,问该传感器的精度等级是多少(C); IAG1A 0.4级;B 0.2级;C 0.1级;D 0.4级11、下列名称不是国际基本单位的是(D);ⅡBG2A 秒;B 千克;C 米;D 牛12、力值的法定计量单位是(A);ⅡBG2A kN;B Kgf;C tf;D kgt13、下列写法正确的是(D);ⅡAG2A 2(千米)3;B 4mμm;C 1μμF;D 三千千瓦14、关于偏差系数说法不正确的是(C);ⅡBG2A 是标准差与算术平均值的比值;B 用偏差系数表示试验结果的精度比较确切和全面;C 偏差系数越大,精度越低;D 偏差系数越大,精度越高15、混凝土28天抗压强度(R28)与水灰比(W/C)之间关系为R28=18.6(C/W)-8.6,置信区间长度为3.0Mpa,当指定W/C=0.6,其置信区间( A )。
2019年公路水运助理试验检测师《公共基础》考试真题及答案解析【完整版】一、单选题(共20题,每题1分,共20分)1,公路水运工程试验检测机构信用等级分为()A.优、良、中、差4个等级B.优、良、差3个等级C.合格、不合格2个等级D.AA、A. B. C.D5个等级[答案] D2.水运工程质量检验标准规定,水运工程建议受单位工程、分部工程、分项由程友()进行划分。
A.工序B.水工结构物C.工艺D.检验批[答案] D[解析]水运工程质量检验应按单位工程部工程和分项工程及检验批进行划分。
(JIS 257-2008 P5)3.检验检测机构未取得资质认定证书擅身命社会出具证明作用数据结果的,由县级以上质量技术监督部门责令改正,处()元以下罚款。
A.5000B.8000C.3万D.2万[答案] C4.根据误差产生的原因,按照误差的性质,下列不属于测量误差分类的是()。
A.系统误差B.过失误差C.随机误差D.环境误差[答案] D5.一台烘箱的校准证书显示其温度示值与标准温度的偏差为-1. 5℃要在110℃下进行试验时,设烘箱设定温度为()。
A. 108. 5℃B.11.5℃C.110℃D.113℃[答案] C6.公路工程质量检验评定时,一般项目的合格率低于() 8不合格。
A. 60%B. 70%C. 80%D.85%[答案] C[解析] - -般项目不低会20%,关键项目不低于95% (机电工程不低于100%)。
7.可认定为不诚信行为的是()。
A.更换技术负责人B.试验不熟练C.培训针对性不强D.使用未经检定/校准的设备出具具有证明作用的检测数据[答案] D8.可以设立代理人的人员是()。
A.报告审核人员B.技术负责人C.授权签字人D.提出意见和解释人员[答案] B[解析]检验检测机构应制定关键管理人员( 包括最高管理者、技术负责人、质量负责人等)的代理人。
(2018 版教材P133)9.公路水运工程试验检测机构为公路水运工程提供试验检测服日0条件是()。
2019公路水运工程试验检测师公共基础模拟试题二含答案一、单项选择题(下列各题中,只有一个备选项最符合题意,请填写最符合题意的一个备选项,选错或不选不得分)1. 甲级试验检测机构配备试验检测人员中,下列不属于对技术负责人要求的是( )。
A.具备质量负责人资格B.持试验检测师证书C. 8年以上试验检测工作经历D•相关专业高级职称2. 未取得( )的检验检测机构,不得开展产品质量检验工作。
A.合法证书.B.资格认定证书C.产品合格证书D.计量合格证书3. 《公路水运工程试验检测机构等级证书》的有效期为( )年。
A.3B.7C.5D.14•制定《计量法》的目的是()。
A.加强质量管理B.保障生产安全C.保障量值的准确可靠D.维护生产秩序5. 用于校准的设备,其自身的误差应小于或等于被测设备最大允许误差绝对值的()。
A.1/5B.1/6C.l/3D.1/26. 确认校准后仪器设备是否满足要求的依据是( )。
A.校准规范B.校准规程C.作业指导书D.设备说明书7. 下列关于选择试验检测仪器设备期间核查标准的说法,错误的是()。
A. 若存在合适的比较稳定的实物量具,就可以作为核查标准B. 若存在合适的比较稳定的被测物品,也可选用一个被测物品作为核查标准C. 机构应对所有在用仪器设备开展期间核查,尤其是那些性能稳定,使用频率不高,不易损坏的仪器设备更需要进行期间核査D. 若对于某个仪器设备,不存在可作为核查标准的实物量具或稳定的被测物品,则可不进行期间核査8. 下列选项中,( )不属于实验室检测/校准报告证书中的印章符号。
A. CNASB. CMAC. CALD. CMC9. 授权签字人是指签发报告的人,应是( )。
A. 检测机构的最高管理者B. 检测机构的技术负责人C. 检测机构的质量负责人D. 由检测机构推荐经评审部门考核合格的人10•设备比对应具备的条件不包括( )。
A.相同的操作者B.类似的被测对象C. 相同的地点D.相同的测量系统二、判断题(请对下列题述观点正确与否进行判断,判断准确得分,否则不得分。
2019年公路水运工程助理试验检测师公共基础真题答案及解析1.公路水运工程试验检测机构信用等级分为四个等级,分别为优、良、中、差。
2.根据水运工程质量检验标准规定,水运工程应按单位工程部工程和分项工程及检验批进行划分。
3.检验检测机构未取得资质认定证书擅自向社会出具具有证明作用数据、结果的,由县级以上质量技术监督部门责令改正,处罚款不超过3万元。
4.根据误差产生的原因和性质,测量误差可分为系统误差、过失误差和随机误差。
5.根据烘箱的校准证书,设定温度应为108.5℃。
6.公路工程质量检验评定时,一般项目的合格率应不低于80%。
7.使用未经检定/校准的设备出具具有证明作用的检测数据可认定为不诚信行为。
8.检验检测机构应制定关键管理人员的代理人,其中包括技术负责人。
9.公路水运工程试验检测机构为公路水运工程提供试验检测服务的条件是取得等级证书。
16.根据《检验检测机构资质认定能力评价检验检测机构通用要求》(RB-xxxxxxx),检验检测机构需要保存原始记录、报告或证书,保存期限不少于6年。
17.被撤销资质认定证书的检验检测机构,在三年内不得再次申请资质认定。
(2018版教材P327)18.根据《检验检测机构资质认定能力评价检验检测机构通用要求》(RB/T 214-2017)的规定,当客户提供的信息可能影响结果的有效性时,应在报告或证书中出具免责声明。
19.检验检测机构如果出具虚假检验检测结果,未经试验检测或者以篡改数据等方式,资质认定部门应当撤销其资质认定证书。
(2018版教材P124)20.检验检测机构资质认定证书的有效期为6年。
21.工地试验室被授权的检测项目或持证人员发生变更时,需要由母体试验检测机构报经建设单位同意并向项目质监机构备案。
工地试验室被授权的试验检测项目及参数,或试验检测持证人员进行变更的,应当由母体试验检测机构报经建设单位同意后,向项目质监机构备案。
承担公路水远工程试验检测专业的技术人员继续教育的机构应有不少于10名的师资人员。
2019《公共基础》公路水运试验检测师考试试题及参考答案摘要:2019年公路水运检测师考试《公共基础》真题及答案,供大家练习。
一、单选题(共40题,每题1分,共40分)1.下列关于《公路木运工程试验检测机构等级标准》中试验检测用房使用面积(不含办公面积)的规定正确的是()A.公路工程综合年级不小于 1000m2B. 公路工程综合乙级不小于 700m2C.公路工程综合丙级不小于 300m2D. 桥梁隧道工程专项不小于 800m2【参考答案】B【解析】A选项正确应为1300m2;C选项正确应为400m2;D选项专项正确应为900m2。
(2018版教材P42)2.按照《公路水运工程试验检测机构等级标准》的要求,可选参数《非黑体)的申请数量应不低于本等级可速参数总量的()。
A.80%B.85%C.60%D.75%【参考答案】C【解析】可选参数(非黑体)申请数量应不低于本等级可选参数总量的60%。
(2018版教材P47)3. 在公路水运工程试验检测机构换证复核现场评审时,通过核查被评审机构近()的典型报告对该机构在本次评价周期内所开展参数的覆盖率是否达标进行核查。
A.1 年B.3 个月C.5年D.6年【参考答案】C【解析】通过近5年的试验检测典型报告。
(2018版教材P56倒数第1行)4.公路水运工程试验检测机构等级评定现场评审时,由于样品制备、处理或测试时间内无法完成试验,机构应采取的最适宜措施是()A.向评审组说明理由,申请更换考核参数B.按实际具备条件偏离完成试验C.向技术负责人申请,得到其批准后即可实施偏离D.经技术负责人审核,得到评审专家批准后实施偏离【参考答案】D【解析】现场试验操作考核过程中若出现下列情况,应按以下规定处理:a)当采用现场演示试验进行能力确认时,评审专家应对操作演示的全过程进行跟踪,并进行有针对性的提问考核和查验典型报告,以评定人员操作的熟练程度、正确性和完整性。
演示试验数量一般不宜大于技术考核参数总量的10%;b)由于样品制备、处理或测试时间较长,由检测人员提出偏离申请报技术负责人审核,得到专家批准后方可实施偏离,偏离申请应作为检测报告附件。
2019年公路水运检测师公共基础真题及答案解析完整版2019年公路水运检测师公共基础真题及答案解析完整版一、单选题(共40题,每题1分,共40分)1.关于《公路木运工程试验检测机构等级标准》中试验检测用房使用面积(不含办公面积)的规定,下列哪个选项是正确的?A.公路工程综合年级不小于1000m2B.公路工程综合乙级不小于700m2C.公路工程综合丙级不小于300m2D.桥梁隧道工程专项不小于800m2参考答案】B解析】A选项正确应为1300m2;C选项正确应为400m2;D选项专项正确应为900m2.(2018版教材P42)2.按照《公路水运工程试验检测机构等级标准》的要求,可选参数《非黑体》的申请数量应不低于本等级可选参数总量的多少?A.80%B.85%C.60%D.75%参考答案】C解析】可选参数(非黑体)申请数量应不低于本等级可选参数总量的60%。
(2018版教材P47)3.在公路水运工程试验检测机构换证复核现场评审时,通过核查被评审机构近几年的典型报告对该机构在本次评价周期内所开展参数的覆盖率是否达标进行核查。
近几年是多少年?A.1年B.3个月C.5年D.6年参考答案】C解析】通过近5年的试验检测典型报告。
(2018版教材P56倒数第1行)4.公路水运工程试验检测机构等级评定现场评审时,由于样品制备、处理或测试时间内无法完成试验,机构应采取的最适宜措施是什么?A.向评审组说明理由,申请更换考核参数B.按实际具备条件偏离完成试验C.向技术负责人申请,得到其批准后即可实施偏离D.经技术负责人审核,得到评审专家批准后实施偏离参考答案】D解析】现场试验操作考核过程中若出现下列情况,应按以下规定处理:a)当采用现场演示试验进行能力确认时,评审专家应对操作演示的全过程进行跟踪,并进行有针对性的提问考核和查验典型报告,以评定人员操作的熟练程度、正确性和完整性。
演示试验数量一般不宜大于技术考核参数总量的10%;b)由于样品制备、处理或测试时间较长,由检测人员提出偏离申请报技术负责人审核,得到专家批准后方可实施偏离,偏离申请应作为检测报告附件。