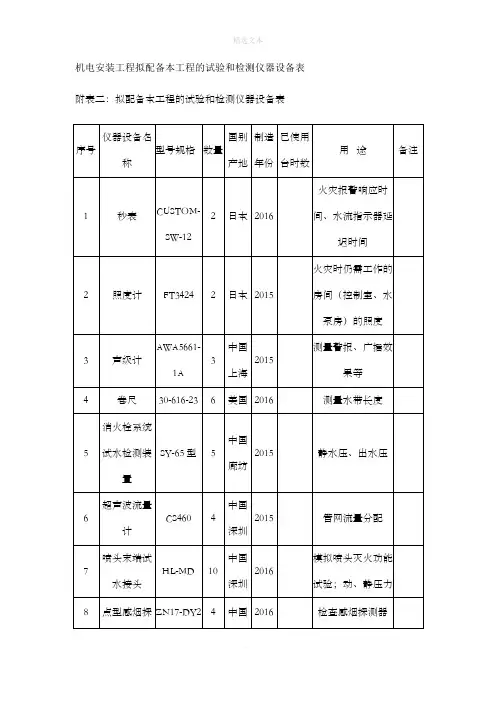
附表二:拟配备本标段的试验和检测仪器设备表
- 格式:docx
- 大小:16.48 KB
- 文档页数:3
附表二:拟配备本标段的试验和检测仪器设备表序号仪器设备名称型号规格数量国别产地制造年份已使用台时数用途备注一砂、石材料1 震击式标准振筛机ZBSX-92A2 中国浙江2014 450 对物料进行筛分析2 砂筛0.075-9.54 中国天津2015 200 筛分砂石3 石子筛2.36-100mm4 中国天津2015 200 筛分石子4 容积升 2 中国沧州2014 450 测量容积5 电子计重秤ACS-D11 1 中国上海2014 450 实验室称量6 电子计重秤ACS-30 1 中国上海2014 450 实验室称量7 针片状规准仪2 中国天津2012 800 测定石料针片状含量8 电子浸水天平5kg/0.1g2 中国杭州新购精确称量9 游标卡尺150mm/0.021 中国桂林2014 450 精确测量设备10 游标卡尺300mm/0.022 日本三丰新购精确测量设备11 石料压碎值仪2 中国天津2012 800 测定石料压碎值12 自动岩石切割机DQ-4 1 中国姜堰2014 450各类岩矿石、建筑混凝土切割、取样13 自动双端面磨平机SCM-200 1 中国沧州新购进行力学测试的标准样本制作14 洛杉矶磨耗试验机48-D500 1 中国北京新购测试粗集料抵抗磨耗的能力二水泥类仪器1 水泥细度负压筛析仪FSY-150型2 中国浙江2013 650 测定各种水泥颗粒细度2 水泥比表面积仪FNT-9 2 中国上海2014 450 测比表面积的值3 雷氏法测LD-50 2 中国北京2013 650 用于检测雷氏夹质量是号名称格量国别产地年份台时数用途注定仪否符合要求,也用于测量沸煮前后水泥试件在雷氏夹两指针间距离的增值来判断水泥的安全性4 雷氏夹LJ-175 24 中国河北新购标准法进行水泥安定性试验的器具5 雷氏夹沸煮箱FZ-31A型2 中国浙江2014 450 测定水泥安定性6 水泥标准稠度凝结时间测定仪MD7型 2 中国北京新购测定水泥净浆流动度及凝结时间7 软练试模40×40×16012 中国河北新购测定混凝土抗压强度8 水泥净浆搅拌机NJ-160型1 中国无锡2014 450搅拌试验用净浆,供测定水泥标准稠度、凝结时间及制作安定性试块9 水泥胶砂搅拌机JJ-5型 1 中国无锡2014 450 拌合水泥胶砂10 水泥胶砂振实台ZS-15 1 中国无锡2013 750适用于水泥胶砂试件制备时的振实成型11 水泥电动抗折机DKZ-5001 中国北京新购用作水泥试块的抗折强度测定12 新抗压夹具40×40 2 中国沧州新购用于水泥抗压强度的检验13 水泥流动跳桌SLY-10 2 中国厦门2014 350测定水泥胶砂流动度数值14 恒温恒湿养护设备FHBS-80 1 中国无锡2014 450对砼试件进行快速恒温养护15 标准恒温恒湿养护箱YH-40B 1 中国北京2013 750对试件进行快速恒温养护16 量水器LS-170 2 中国东莞2014 350 配合测定水泥标准稠度时的用水量17 李氏比重瓶TDS10-LSBZP12 中国北京新购对水泥及其他粉状物料密度的测定18 电子天平FA2004N 2 中国上海2014 450 称量质量三水泥混凝土、砂浆号名称格量国别产地年份台时数用途注1 60L混凝土搅拌机HJW-60 1 中国天津2014 450 拌合混凝土2 电动混凝土振动台HZJ 2 中国天津2014 450震实成型混凝土试件及制品3 砂浆搅拌机UJZ-15型1 中国北京2013 600 砂浆拌合4 砼贯入阻力仪HG-80型 2 中国北京2013 600检测硬化后的混凝土强度5 回弹仪ZC3-A型8 中国山东新购检测一般建筑构件、桥梁、各种砼构件(板、梁、柱、桁架)的强度6 砂浆稠度仪145型 2 中国北京2013 600 测定水泥浆稠度7 砂浆分层度仪2 中国河北新购分层度测定8 养护室控制仪BYS-3 1 中国上虞新购对砂浆等试样进行标养9 坍落度仪 6 中国北京2013 750 测量砼坍落度10 砼抗压试模60 中国沧州2015 200 砼试件成型11 砼抗压弹性模量试模150×150×30024 中国上海新购用于砼抗压弹性模量测定12 抗压弹性模量夹具2 中国东莞新购力学性能试验13砼抗弯拉试模150×150×60024 中国沧州新购砼试件成型14 砂浆试模70.7×70.7×70.7mm30 中国北京2014 450 做砂浆立方体试块15 水泥净浆稠度仪SC-145 2 中国沧州新购预应力管道压浆用16 砼渗透仪HS-40N 2 中国上海新购砼抗渗性能试验与测定17 混凝土含气量仪LA-316型2 中国北京新购混凝土含气量测定四力学实验仪器设备1 10T万能试WE-100B 1 中国无锡2014 450 力学性能试验号名称格量国别产地年份台时数用途注验机2 30T压力机30T 1 中国无锡2014 450 抗压抗折强度的检测3 100T万能试验机HJ-100T 1 中国北京2013 750 力学性能试验4 200T压力机JB23 中国北京2014 450 抗压抗折强度的检测5 金属线材反复弯曲机GWS-8 1 中国济南新购检验金属塑性变形的性能缺陷6 刻度放大器2016-15X1 日本必佳新购放大刻度7 钢筋标距仪320型 1 中国浙江2014 550 用于钢筋拉伸试验8 砼抗折装置JF-01A 1 中国济南新购砼抗折装置9 混凝土劈裂装置JF-02 1 中国济南新购砼劈裂实验五隧道实验仪器设备1 锚杆拉拔仪ML-200B 2 中国北京2014 450各种锚杆、钢筋等锚固体的锚固力的现场检测2 砼劈裂夹具1 中国上海新购砼试件成型3 收敛仪ZW-1 1 中国天津2014 550 测量围岩收敛量4 便携式瓦斯测定仪JCB4 1 中国山东新购瓦斯检测六现场测试仪器设备1 弯沉仪2 中国北京新购2 三米直尺3 中国沧州新购测量长度3 二米直尺 3 中国广东新购测量长度4 坡度尺JZC-B2 3 中国武汉新购测量坡度5 砼钢筋保护层测定仪CM52型 2 中国北京2014 550 测量钢筋保护层厚度6 应变式温度计精度0.5度6 中国北京2013 750 测量温度7 取芯机HZ-20 2 中国北京2013 750 混凝土、石灰石基础钻号名称格量国别产地年份台时数用途注孔取样8 自动触探仪LD-635N 2 中国上虞2014 450利用一定的锤击动能,对地基土作出工程地质评价9 钢弦式频率读数仪GK403 1 中国北京新购10 数字电桥SQ-5 1 中国南京新购11 校正仪 2 新购12 兆欧表ZC25 2 新购13 压力容器 1 新购14 YU-6B活塞式压力计1 新购15 恒温水箱 1 新购16 水银温度计20 新购17 百分表 2 新购18 千分表 2 新购19 专用工具 1 新购20 电桥率定器SQL-51 新购七施工埋设安装设备1 油压式回转钻机SGZ-I型 1 中国北京2014 350施工埋设安装2 XY-2钻机XY-2型 1 中国北京2014 350 施工埋设安装3 切割机 2 中国陕西2015 200 施工埋设安装4 软管振捣器2.2kW 4 新购施工埋设安装5 对讲机6 新购施工埋设安装。
试验、检测仪器设备一、拟配备本标段的试验和检测仪器设备表见附表二拟配备本标段的试验和检测仪器设备表(设置专职试验检测人员)二、试验检测仪器设备的管理制度(1)仪器设备的保管人由工地试验室主任指定,使用时由有使用人和保管人共同检查仪器设备的技术状况,经确认后,办理交接手续,并由保管人做使用登记。
(2)仪器设备保管人应参加新购仪器设备验收,安装,调试工作,并填写开箱纪录。
(3)仪器设备保管人应负责一起设备清洁卫生,换油等工作,不用时应加防护罩,长期不用的电子仪器每三个月至少通电一次,时间不少于30分钟。
(4)试验检测用仪器设备不得挪作他用,不得将仪器设备让给与实验无关的人员工作。
(5)各种仪器设备除周期检定外维修后进行检定,确保其功能正常,性能完好,精度满足要求。
(6)仪器设备使用环境均应满足说明书要求。
(7)仪器设备借用,须经试验室主任批准,办理书面借用手续,并在一起设备技术档案上备案,归还时应检查功能是否正常,附件是否齐全。
(8)仪器设备调动应根据工程任务的需要,须经试验室主任批准,并办理一起设备调动手续。
(9)仪器设备应按规定周期进行检定,由检定单位发给检定证书,并根据检定结果分别在仪器上贴上合格证,准用证和停用证标志予以标识。
3.仪器设备的购置验收、维修、降级和报废制度(1)各种仪器设备的选型和购置计划,由本项目工地试验室提出,经试验室主任审核后,报总工程师确认后,由项目经理部审批后购置。
(2)新购置仪器设备验收合格后,填卡入账,不合格产品联系返修或退货。
(3)所有测试仪器设备的维修计划由仪器检测人填写维修申请单,经主任批准后,自行维修或送修,在计量检定中,发现仪器设备损坏或性能下降时,及时维修或送修,维修情况填入设备档案,修理后的仪器设备应重新计量检定。
(4)当试验检测仪器设备的技术性能降低或丧失,损坏时应办理降级使用或报废手续。
对降级使用的设备应在设备档案中注明其精度范围及标志。
对需要报废的仪器设备由工地试验室提出书面申请,报总工程师批准后实施,做好标识封存并搬离使用场所。
完整版)附表二拟配备本标段的试验和检
测仪器设备表
附表二:拟配备本标段的试验和检测仪器设备表
序号仪器设备名称规格型号数量产地年份台时数国别制造已使用用途备注
1 全站仪 TC-70
2 1 中国2015 50 测量
2 经纬仪 J2 2 中国2015 20 测量
3 激光 WILD-ZL 2 中国2015 20 测量
4 铅垂仪 C32II 2 中国201
5 20 测量
5 水准仪 S3 1 中国2015 100 测量
6 水准仪 50m 4 中国2014 40 测量
7 钢卷尺 150×150×150mm 40 中国2014 40 试化验
8 混凝土试模 70.7×70.7×70.7mm 15 中国2014 15 试化验
9 砂浆试模 / 8 中国2014 8 试化验
10 塌落度筒 / 6 中国2014 6 试化验
11 砂子标准筛 / 6 中国2014 6 试化验
12 石子标准筛 / 6 中国2014 6 试化验
本表列出了本标段拟配备的试验和检测仪器设备。
这些设备包括全站仪、经纬仪、激光、铅垂仪、水准仪、钢卷尺、混凝土试模、砂浆试模、塌落度筒、砂子标准筛和石子标准筛。
这些设备的数量、型号、产地、年份和台时数都已经列出。
为了保证数据的准确性和可靠性,这些设备都是在中国制造的,并且都是近几年生产的。
它们的用途包括测量和试化验。
每个设备都有其特定的规格和型号,以便在使用时能够准确地进行测量和试验。
通过使用这些设备,可以对本标段的建设工作进行全面的检测和试验。
这将确保建设工作的质量和安全性。
第七章试验、检测仪器设备附表一:拟投入本标段的主要施工设备表序号设备名称型号规格数量国别产地制造年份额定功率(kw)生产能力用于施工部位备注1 挖掘机W1-180 5台广西2012 / 满足要求路基/2 装载机T815 3台成都2011 154.5 满足要求土石方/3 砼搅拌机FZ500C 2台上海2012 7.5 满足要求混凝土/4 平板振动器PZ-50 6台成都2009 1.1 满足要求混凝土/5 插入式振动器AZX-35 8台成都2011 1.1 满足要求砼/6 圆盘锯MJ103 2台成都2010 2.2 满足要求木材/7 自卸汽车NT-350 15辆江苏2011 / 满足要求/ /8 砂浆搅拌机HI325 1台成都2010 7.5 满足要求砂浆拌和/9 抽水机HYN69-11 5台江苏2009 6.5 满足要求基础/10 打夯机/ 3台江苏2009 8.3 满足要求夯实/11 发电机15马力1台柳州2010 30 满足要求临时发电/12 切割机GQ40 2台重庆2011 3 满足要求钢筋切割/13 钢筋调直机GT4-12 2台重庆2011 7.5 满足要求钢筋调直/14 手推胶轮车/ 15辆山东2009 / 满足要求水平运输/15 振动压路机YZ20 3台江苏2009 128 满足要求路基/16 钢筋弯曲机GW40 2台重庆2011 2.2 满足要求钢筋弯曲/17 砼输送泵/ 2台柳州2009 / 满足要求砼/18 汔车吊25t 3台成都2010 / 满足要求吊装/19 热熔机/ 4台柳州2011 / 满足要求管道/20 电焊机/ 5台柳州2011 / 满足要求管道/21 划线机/ 2台重庆2009 / 满足要求标线/附表二:拟配备本标段的试验和检测仪器设备表序号仪器设备名称型号规格数量国别产地制造年份已使用台时数用途备注1 激光经纬仪DJJ2-1 2台成都2011 60 测量/2水准仪DZS3-1 4台成都2012 60 测量/3 万能材料试验机WE-600 1台德阳2009 1580 试件检测/4 混凝土试件压力机NYL-2000D 1台山东2009 1800 试件检测/5 混凝土试模150*150*150 8组成都2010 800 试件检测/6 砂浆试模70.7*70.7*70.7 15 成都2011 25 检测/ 7压力表/ 5个上海2011 50 测量/8 磅秤TGT-100kg 1台成都2010 300 测重/9 石子筛SZS-30 3套成都2009 300 石子/10砂子筛SZS-5 3套成都2010 300 砂子/ 11砂石料摇筛机SZSY 1台江苏2009 500 砂石/12 水泥净浆流动仪SJLY 1台江苏2009 600 水泥/13全站仪/ 1台成都2010 25 测量/14 环刀HT4-77404 5台成都2011 128 粘土/15马歇尔电动击实仪/ 1台成都2009 90 检测/。
拟配备本工程的试验和检测仪器设备表在工程项目的实施过程中,试验和检测工作是确保工程质量、保障工程安全、控制工程进度的重要环节。
而配备合适的试验和检测仪器设备则是顺利开展这些工作的基础和关键。
以下是根据本工程的特点和需求,拟配备的试验和检测仪器设备表。
一、土建工程类1、全站仪用途:用于测量工程中的角度、距离、高差等,为工程的定位、放线等提供精确的数据。
精度要求:角度测量精度不低于 2",距离测量精度不低于2mm+2ppm。
2、水准仪用途:主要用于测量工程中的高程,为土方工程、基础施工等提供高程控制。
精度要求:每千米往返测量高差中数的偶然中误差不大于 1mm。
3、混凝土回弹仪用途:检测混凝土结构的抗压强度。
技术参数:标称动能 2207J。
4、钢筋扫描仪用途:检测钢筋的位置、保护层厚度等参数。
测量精度:钢筋位置偏差不大于±1mm,保护层厚度偏差不大于±1mm。
5、坍落度筒用途:测定混凝土拌合物的坍落度,以评估其流动性和和易性。
规格:上口直径 100mm,下口直径 200mm,高 300mm。
二、材料检测类1、万能材料试验机用途:对钢材、木材等材料进行拉伸、压缩、弯曲等力学性能试验。
技术指标:最大试验力不小于 1000kN。
2、压力试验机用途:用于检测混凝土试块、水泥砖等材料的抗压强度。
最大压力:不小于 2000kN。
3、水泥胶砂搅拌机用途:搅拌水泥胶砂,为水泥强度试验做准备。
搅拌叶转速:低速自转 140±5r/min,高速自转 285±10r/min。
4、水泥净浆搅拌机用途:搅拌水泥净浆,用于测定水泥标准稠度用水量、凝结时间等。
搅拌速度:公转慢 62±5r/min,自转慢 140±5r/min;公转快125±10r/min,自转快 285±10r/min。
5、标准养护箱用途:为混凝土试块、砂浆试块等提供标准养护环境,保证试验结果的准确性。