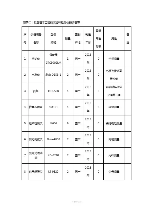
拟配备本工程的试验和检测仪器设备表
- 格式:doc
- 大小:107.00 KB
- 文档页数:6
拟配备本工程的试验及检测仪器设备表附表一:拟投入本工程的主要施工设备表序号设备名称型号规格数量国别制造年份(KW)产地生产能力用于施工部位备注1 反铲挖掘机三一 2252 中国 2012 湖南良好土方2 推土机履带式 90 1 中国 2014 柳州良好土方3 振动压路机 22t 2 中国 2013 上海良好土方4 三轮压路机 21-24 1 中国 2014 北京良好土方5 平地机 180 2 中国 2013 江苏良好回填6 蛙式夯机 20-62N.m 2 中国 2014 江苏良好回填7 自卸汽车 6t 2 中国 2015 江苏良好运输8 轮胎式装载机 3.5m3 1 中国 2014 江苏良好运输9 夹钳式钢筋加工机 1.2T 2 中国 2015 北京良好钢筋加工10 电动夯实机 15T 1 中国 2014 湖南良好夯实11 洒水车 8000L 1 中国 2013 衡水良好全过程12 全过程养护设备 JYT-5 Φ150 1 中国 2015 衡水良好养护改写后)附表一:本工程拟使用的主要施工设备清单序号设备名称型号规格数量制造国家制造年份(KW)产地生产能力用于施工部位备注1 反铲挖掘机三一 2252 中国 2012 湖南良好土方工程2 履带式推土机 90 1 中国 2014 柳州良好土方工程3 振动压路机 22t 2 中国 2013 上海良好土方工程4 三轮压路机 21-24 1 中国 2014 北京良好土方工程5 平地机 180 2 中国 2013 江苏良好回填工程6 蛙式夯机 20-62N.m 2 中国 2014 江苏良好回填工程7 自卸汽车 6t 2 中国 2015 江苏良好运输工程8 轮胎式装载机 3.5m3 1 中国 2014 江苏良好运输工程9 夹钳式钢筋加工机 1.2T 2 中国 2015 北京良好钢筋加工10 电动夯实机 15T 1 中国 2014 湖南良好夯实工程11 洒水车 8000L 1 中国 2013 衡水良好工程全过程12 全过程养护设备 JYT-5 Φ150 1 中国 2015 衡水良好工程养护附表二:拟配备本工程的试验和检测仪器设备表序号仪器设备型号名称规格数量制造国家制造年份已使用台时数用途备注1 全站仪 Leica TS09 3 瑞士 2015 6个月工程测量2 经纬仪 DT-0 1 南宁 2015 1年工程测量3 水准仪 2L 2 南京 2015 1年工程测量4 塔尺 DS3 2 苏州 2015 5个月工程测量5 钢卷尺 LF-3S 15 南宁 2016 1个月工程测量6 取土环刀 5m 1 中国 2015 6个月实验检测7 线锤 200cm3 2 长沙 2016 3个月工程测量8 水平尺 m3 5 桂林 2015 5个月工程测量9 钢卷尺 CJ-5 5 中国 2016 1个月工程测量10 天平 056 1 衡阳 2015 3个月实验检测11 坍落筒 2m 1 衡水 2015 10个月实验检测12 击实仪 50m 1 衡水 2015 4个月实验检测13 试块模具Φ150 mm*150 mm*70.7 mm*70.7 1 中国 2015 - 实验检测14 靠尺 3m 1 中国 - - 工程测量改写后)附表二:本工程拟配备的试验和检测仪器设备清单序号仪器设备型号名称规格数量制造国家制造年份已使用台时数用途备注1 全站仪 Leica TS09 3 瑞士 2015 6个月工程测量2 经纬仪 DT-0 1 南宁 2015 1年工程测量3 水准仪 2L 2 南京 2015 1年工程测量4 塔尺 DS3 2 苏州 2015 5个月工程测量5 钢卷尺 LF-3S 15 南宁 2016 1个月工程测量6 取土环刀 5m 1 中国 2015 6个月实验检测7 线锤 200cm3 2 长沙 2016 3个月工程测量8 水平尺 m3 5 桂林 2015 5个月工程测量9 钢卷尺 CJ-5 5 中国 2016 1个月工程测量10 天平 056 1 衡阳 2015 3个月实验检测11 坍落筒 2m 1 衡水 2015 10个月实验检测12 击实仪 50m 1 衡水 2015 4个月实验检测13 试块模具Φ150 mm*150 mm*70.7 mm*70.7 1 中国 2015 - 实验检测14 靠尺 3m 1 中国 - - 工程测量柳州2015年试块取样1410个,柳州2015年试块取样151个,桂林2015年5个月实验检测。
燃气管道工程施工-拟配备本工程的试验
和检测仪器设备表
本文档旨在列出燃气管道工程施工中所需的试验和检测仪器设
备表。
以下为拟配备本工程的试验和检测仪器设备:
1. 燃气检测仪器:用于检测燃气泄漏情况,确保施工过程中无
燃气泄露。
2. 管道压力测试仪:用于测试管道的耐压性能,确保管道材料
符合标准,并能承受正常使用条件下的压力。
3. 管道泄漏检测仪:用于检测管道是否存在泄漏情况,确保管
道系统的完整性。
4. 管道材料力学性能测试仪器:用于测试管道材料的力学性能,如强度、耐磨性等,以确保材料符合使用要求。
5. 焊接质量检测仪器:用于检测管道焊缝的质量,确保焊接工
艺符合标准,焊缝无缺陷。
6. 管道内壁检测仪器:用于检测管道内壁是否存在污物、沉积
物等问题,确保管道内壁清洁度。
7. 管道尺寸测量仪器:用于测量管道的长度、直径等尺寸参数,确保管道符合设计要求。
请注意,以上列举的仪器设备仅为拟配备本工程所建议的基本
设备清单,具体需根据燃气管道工程的规模和要求进行调整和确认。
以上是燃气管道工程施工所需的试验和检测仪器设备表,供参考。
附表一:拟投入本工程的主要施工设备表
附表二:拟配备本工程的试验和检测仪器设备表
附表三:劳动力计划表
附表四:计划开、竣工日期和施工进度网络图
210日历天
工程项目
21212121212121212121施工准备
道路工程
拓宽工程
绿化工程
竣工验收
附表五:施工总平面图
附表六:临时用地表用途面积(平方米)位置需用时间办公区80场地南侧210日历天生活区120场地东侧210日历天加工车间200场地西侧210日历天卫生间20场地东侧210日历天食堂20场地南侧210日历天设备仓储80场地西侧210日历天消防水电室30场地中间210日历天。
拟配备本工程的试验和检测仪器设备表一、引言在进行任何工程项目的试验和检测过程中,试验和检测仪器设备的配备是至关重要的。
为了确保项目顺利进行和质量控制,合理选择和配置试验和检测仪器设备至关重要。
本文将提供拟配备本工程的试验和检测仪器设备表,并对每个设备的作用和功能进行简要的介绍。
二、试验和检测仪器设备表1. 温度计作用:用于测量试验或检测过程中的温度变化。
功能:可以在不同的环境温度下准确测量温度,并提供数据参考。
2. 湿度计作用:用于测量试验或检测过程中的湿度变化。
功能:可以在不同的环境湿度下准确测量湿度,并提供数据参考。
3. 气压计作用:用于测量试验或检测过程中的气压变化。
功能:可以在不同的气压环境下准确测量气压,并提供数据参考。
4. 流量计作用:用于测量试验或检测过程中的流体流量。
功能:可以准确测量流体的流速,并提供数据参考。
5. 电压表作用:用于测量试验或检测过程中的电压变化。
功能:可以准确测量电压,并提供数据参考。
6. 电流表作用:用于测量试验或检测过程中的电流变化。
功能:可以准确测量电流,并提供数据参考。
7. 电阻表作用:用于测量试验或检测过程中的电阻变化。
功能:可以准确测量电阻,并提供数据参考。
8. 功率计作用:用于测量试验或检测过程中的功率变化。
功能:可以准确测量功率,并提供数据参考。
9. 数据记录仪作用:用于记录试验或检测过程中的各项数据。
功能:可以将实时数据记录下来,并提供数据存储和导出的功能。
10. 光学显微镜作用:用于观察微小物体的形态和结构。
功能:可以放大和清晰地观察微小物体,并提供准确的观测结果。
11. 电子天平作用:用于测量试验或检测过程中的质量变化。
功能:可以准确测量物体的质量,并提供数据参考。
12. 高压试验仪作用:用于进行高压条件下的试验和检测。
功能:可以模拟高压环境,并进行相应的试验和检测。
13. 高温炉作用:用于进行高温条件下的试验和检测。
功能:可以模拟高温环境,并进行相应的试验和检测。
完整版)拟配备本标段的试验和检测仪器
设备表
附表二:本标段试验和检测仪器设备表
序号。
仪器设备名。
型号规格。
生产地。
年份。
使用情况
1.7.5、50M钢卷。
国产。
2013.未使用
2.游标卡尺。
YJ2032.国产。
已使用
3.水平尺。
2m5.国产。
已使用
4.吊线锤。
10#6.国产。
已使用
5.2M靠尺。
L20
6.国产。
已使用
6.690度角尺。
1000型4.国产。
已使用
7.对角尺。
500D2.国产。
已使用
8.空鼓锤。
国产。
未使用
9.万用表。
DGW-300.国产。
2012.未使用
10.绝缘摇表。
DGY-.国产。
2013.未使用
11.压力计。
国别制造。
2014.未使用
注:本表列出了本标段拟配备的试验和检测仪器设备清单。
已使用的设备经过检验,可以继续使用。
未使用的设备需要在使用前进行检测。
1、新工人必须参加入场安全教育,考试合格后方可上岗。
2 ?进入施工现场必须佩戴安全帽?3 ?进入施工现场必须遵守安全生产六大纪律?4、作业时必须根据作业要求。
佩戴防护用品,施工现场不得穿拖鞋、高跟鞋等,衣着要灵便,严禁酒后作业,高处作业必须系好安全带,严禁向下拋掷工具材料。
5、必须掌握必要的施工知识,并经考试合格,持证上岗,在准许的工作范围内作业。
6、雨、雪及风力六级以上(含六级)等恶劣天气后应对供电线路、用电设施进行检查,确认安全后方可使用。
7、施工用的电动机械和设备均须接地或接零并实行二级漏电保护,绝对不允许使用破损的电线和电缆,严防设备漏电。
8、熟练掌握触电紧急救护方法,发生事故后应采取措施,抢救伤员,并及时报告。
9、施工中用的机具应经常检查、保养,发现不正常时,应及时修理或更换。
10、使用运输工具时应检查是否存在隐患,经过检查,合格后方可使用。
11、采用垂直运输设备上料时,严禁超载。
运料小车的车把严禁伸出笼外,小车必须加车挡,各楼层防护门随时关闭。
12、材料应堆放整齐,不得任意乱放。
13、施工时还应注意防火,提供必要的灭火设备和防火监护人员。
动火作业前应先办理动火令,取得后方可进行动火作业。
1、新工人必须参加入场安全教育,考试合格后方可上岗。
2 ?进入施工现场必须佩戴安全帽?3 ?进入施工现场必须遵守安全生产六大纪律?4、作业时必须根据作业要求。
佩戴防护用品,施工现场不得穿拖鞋、高跟鞋等,衣着要灵便,严禁酒后作业,高处作业必须系好安全带,严禁向下拋掷工具材料。
5、必须掌握必要的施工知识,并经考试合格,持证上岗,在准许的工作范围内作业。
6、雨、雪及风力六级以上(含六级)等恶劣天气后应对供电线路、用电设施进行检查,确认安全后方可使用。
7、施工用的电动机械和设备均须接地或接零并实行二级漏电保护,绝对不允许使用破损的电线和电缆,严防设备漏电。
8、熟练掌握触电紧急救护方法,发生事故后应采取措施,抢救伤员,并及时报告。
(完整word 版)拟配备本标段的试验和检测仪器设备表
1 / 1
附表二:拟装备本标段的试验和检测仪器设施表
序 仪器设施名称
型号规格 数
国别 制造 已使用 号 量 产地 年份 台时数
1 全站仪 T2000+DIS 1 国产 201
2 未使用
2 激光经纬仪 JWY-200 1 国产 2012 未使用
3 水平仪 SZ501 2 国产 2012 未使用
4 、 50M 钢卷尺 、 50m 20
国产
2013 未使用
5 游标卡尺 YJ203 2 国产 2012 未使用
6 水平尺 2m 5 国产
2013
未使用
7 超声波探伤仪 CTY-1001 1 国产 2012 未使用
8 吊线锤 10# 6 国产 2014 未使用
9 2M 靠尺 L20 6 国产 2013 未使用
10 90 度角尺 1000 型 4 国产 2014 未使用
11 对角尺 500D 2 国产 2012 未使用
12 空鼓锤 50# 2 国产 2013 未使用
13 万用表 DGW-300 2 国产 2012 未使用
14 绝缘摇表 DGY-1000 2 国产 2013 未使用
15 压力计 1.6~6MPa
4 国产 2014
未使用
16
其余仪器设施
国产
未使用
用途 备注
丈量放线 丈量放线 水平控制 丈量放线 厚度丈量
检量台板水
平
焊接质量检
测
检测垂直度
检测平坦度 检测角度 检测门窗
检测墙地砖 电气测试 电气测试
给水管道检
测
按需。
拟配备本工程的试验和检测仪器设备表在工程项目的实施过程中,试验和检测工作是确保工程质量、保障工程安全、控制工程进度的重要环节。
而配备合适的试验和检测仪器设备则是顺利开展这些工作的基础和关键。
以下是根据本工程的特点和需求,拟配备的试验和检测仪器设备表。
一、土建工程类1、全站仪用途:用于测量工程中的角度、距离、高差等,为工程的定位、放线等提供精确的数据。
精度要求:角度测量精度不低于 2",距离测量精度不低于2mm+2ppm。
2、水准仪用途:主要用于测量工程中的高程,为土方工程、基础施工等提供高程控制。
精度要求:每千米往返测量高差中数的偶然中误差不大于 1mm。
3、混凝土回弹仪用途:检测混凝土结构的抗压强度。
技术参数:标称动能 2207J。
4、钢筋扫描仪用途:检测钢筋的位置、保护层厚度等参数。
测量精度:钢筋位置偏差不大于±1mm,保护层厚度偏差不大于±1mm。
5、坍落度筒用途:测定混凝土拌合物的坍落度,以评估其流动性和和易性。
规格:上口直径 100mm,下口直径 200mm,高 300mm。
二、材料检测类1、万能材料试验机用途:对钢材、木材等材料进行拉伸、压缩、弯曲等力学性能试验。
技术指标:最大试验力不小于 1000kN。
2、压力试验机用途:用于检测混凝土试块、水泥砖等材料的抗压强度。
最大压力:不小于 2000kN。
3、水泥胶砂搅拌机用途:搅拌水泥胶砂,为水泥强度试验做准备。
搅拌叶转速:低速自转 140±5r/min,高速自转 285±10r/min。
4、水泥净浆搅拌机用途:搅拌水泥净浆,用于测定水泥标准稠度用水量、凝结时间等。
搅拌速度:公转慢 62±5r/min,自转慢 140±5r/min;公转快125±10r/min,自转快 285±10r/min。
5、标准养护箱用途:为混凝土试块、砂浆试块等提供标准养护环境,保证试验结果的准确性。