混凝土电杆基础检查记录表
- 格式:doc
- 大小:579.50 KB
- 文档页数:34
精心整理表D.0.1路径复测记录表工程名称:线记1桩号杆塔型式档距(m) 线路转角塔位高程(m)桩位移(m)被跨越物(或地形凸起点)备注设计值实测值偏差值设计值实测值设计值实测值方向位移值名称高程(m)与邻杆塔最近距离塔号杆塔号距离m备注1.请注明直线转角;2.仪器名称:仪器编号:检验证书号:现场技术负责人专职质检员施工负责人监理工程师表D.0.2普通(掏挖)基础和拉线基础分坑及开挖检查记录表工程名称:线记2设计桩号杆塔型基础型施工日期年月日呼称高施工基面检查日期年月日序号检查项目允许偏差检查结果备注1 转角杆塔角度设计值1′30″2 直线杆塔桩位置(mm)横线路:503基础根开及对角线尺寸(mm)设计值AB BC CD AB BCAC DA BD CD DA±2‰AC BD4 基础坑深(mm)设计值: A B+100,-50(+100,0) C D5 基础坑底板断面尺寸(mm)设计值: A B-1% C D6 拉线基础坑位置(mm)设计值:A C E±1%LB D F7拉线基础坑深(mm)设计值:A C E+100B D F8 拉线坑马道坡度及方向符合实际要求ABCDEF备注1.L为拉线基础坑中心至拉线固定总水平距离。
2.仪器名称:仪器编号:检验证书号:3.掏挖基础的尺寸不允许有负偏差现场技术负责人专职质检员总包专业工程师监理工程师表D.0.3地基基坑(槽)检查记录表工程名称:线塔3设计桩号杆塔型基础型施工日期年月日呼称高施工基面检查日期年月日序号检查(检验)项目性质质量标准(允许偏差)检查结果检查结论1基坑(槽)底土质类别关键符合设计要求ABCD2地质基坑草图:施工单位代表:年月日3监理鉴定意见:监理代表:设计核查意见:设计代表:年月日年月日备注设计有验槽要求的基础填写本表表D.0.4灌注桩基础检查记录表工程名称:线1设计桩号杆塔型基础型桩孔号现场负责人成孔方式灌注日期年月日时起浇制温度技术负责人年月日时止℃钻孔直径mm 钻孔深度mm孔底沉淀层厚度mm混凝土设计标号材料用量kg/m3水水泥砂石水泥品种砂规格石粒径cm坍落度mm 试块强度试验报告编号MPa 钢筋笼长度m钢筋笼直径mm 箍筋间距mm 加强筋间距mm 主筋规格mm数量间距mm 护筒顶标高m 漏斗体积m3导管截面积m2导管编组情况导管总长度m 封水方法隔水栓剪断拉线时下降深度m 充盈系数设计混凝土量m3实际灌注混凝土量m3灌注时间拆管次序混凝土灌注量孔内混凝土面标高m拆管长度m埋管深度m图例斗数折算量m3备注此记录每根桩填写一份。
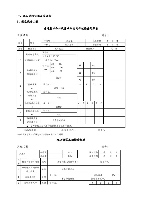
一、施工过程记录及签证表1、架空线路工程普通基础和拉线基础分坑及开挖检查记录表工程名称:编号:专职质检员:施工负责人:检查人注:此表用于自立式铁塔时拉线部分用“/”划掉。
现浇铁塔基础检验记录工程名称:编号:监理人员:专职质检员:施工负责人: 检查人混凝土电杆基础检查记录工程名称:编号:专职质检员:施工负责人:检查人灌注桩基础检验记录工程名称:编号:监理人员:专职质检员: 施工负责人:检查人自立式铁塔组立检验记录工程名称: 编号:监理人员:专职质检员:施工负责人: 检查人自立式钢管杆组立检验记录工程名称: 编号:监理人员: 质检员:施工负责人:检查人:钢管桩基础检验记录工程名称: 编号:监理人员:质检员:施工负责人: 检查人:混凝土电杆组立检查记录工程名称:编号:质检员:施工负责人:检查人:注:本表在使用时,同类杆型若检查合格可多基杆填写一张表。
如杆高、杆型(直线、转角、耐张)相同且检查均合格时可将其填写于一张表格内,杆号一栏应填写所有受检杆号。
导、地线展放施工检查记录工程名称:编号:质检员:施工负责人:检查人:导、地线直线液压管施工检验记录工程名称: 编号:监理人员:质检员: 施工负责人:检查人:注:压后推荐值查阅GB 50233-2005复合光缆OPGW展放施工检查记录工程名称:编号:质检员:施工负责人:检查人:复合光缆OPGW紧线施工检查记录工程名称: 编号:质检员: 施工负责人:检查人:复合光缆OPGW附件安装施工检查记录工程名称: 编号:质检员:施工负责人:检查人:复合光缆OPGW现场开盘测试报告工程名称:编号:监理人员:质检员: 施工负责人: 检查人:注:此表与ADSS通用复合光缆OPGW接头衰减测试报告工程名称:编号:监理人员:质检员:施工负责人:检查人:复合光缆OPGW纤芯衰减测试报告工程名称:编号:监理人员:质检员:施工负责人:检查人:紧线施工检查记录(耐张段)工程名称:编号:质检员:施工负责人:检查人:附件安装施工检查记录工程名称:编号:质检员:施工负责人:检查人:交叉跨越检验记录工程名称:编号:监理人员:质检员:施工负责人: 检查人:接地装置施工检验记录工程名称:编号:监理人员:质检员:施工负责人:检查人:1.接地体连接情况,应记录接地体的连接工艺、接地极的间隔;2.引下线安装,应记录使用材料和安装工艺。
钢筋混凝土电杆检验原始记录
检验报告编号:共页第页L=L1=L2=L3=0.25m
第一步:
开裂检验荷载的初始
读数
A点(mm)B点(mm)C点(mm)裂缝宽
度(mm)
20% kN 40% kN 60% kN 80% kN 90% kN 100% kN
第二步:最大裂缝宽度W max=
卸荷至0,残余裂缝宽度W=
校核:检验:检验地点:检验日期:
检验报告编号:共页第页
校核:检验:检验地点:检验日期:
检验报告编号:共页第页
校核:检验:检验地点:检验日期:
校核:检验:检验地点:检验日期:
检验报告编号:共页第页
校核:检验:检验地点:检验日期:
检验报告编号:共页第页
校核:检验:检验地点:检验日期:
检验报告编号:共页第页
校核:检验:检验地点:检验日期:。
混凝土电杆组立检查及评级记录表呼称高 10.5m 施工日期 2011年4月10日桩塔 9#终端杆 9# DA30-1 号号杆型杆全高 18m 检查日期 2011年4月11日质量标准(允许偏差) 序检查(检验) 性质检查结果评级号项目合格优良电杆及拉线部件 1 关键符合设计要求符合设计要求规格、数量符合《规范》 2 电杆焊接质量关键焊缝美观焊缝美观第6.3.2条3 电杆纵向裂缝关键不允许符合规范要求转角终端杆向大于0,并符合设计要4 关键?3‰ 1 受力反方向倾斜求导线不平衡布置拉线大于0,并符合设计要5 关键?3‰H′ 0 点向受力反方向倾斜求6 普通杆横向裂缝重要 0.1mm 0.08mm 无7 结构倾斜重要3‰ 2‰ 符合规范要求8 焊接弯曲重要2‰ L 1.6‰ L 符合规范要求110kV 5‰ 4‰9 横担高差重要 220-330kV 3.5‰ 2.8‰ 10mm500kV 2‰ 1.6‰螺栓与构件接符合《规范》 10 重要紧密一致紧密一致触及出扣情况第6.1.3条符合《规范》 11 螺栓防松和防盗重要无遗漏无遗漏和设计要求楔型、UT型符合《规范》尾线回头一12 重要尾线回头一致夹线连接情况第6.4.1条致符合《规范》受力一致,可13 拉线安装重要受力一致第6.4.6条调部分,1/2符合《规范》第4.0.7、无沉陷、 14 无拉线杆坑回填土重要 4.0.9条防沉层整齐15 爬梯一般符合设计要求牢固美观110kV: 30mm 24mm16 根开一般 220-330kV: 5‰ 4‰ 4515mm500kV: 3‰ 2.4‰110kV: 30mm 24mm17 迈步一般 220-330kV: 1‰ 0.8‰ 10mm500kV: 5‰ 4‰一般 18 横线路位移 325mm 100mm一般 19 螺栓紧固符合《规范》第6.1.6条符合规范要求符合《规范》 20 螺栓穿向一般一致美观一致美观第6.1.4条符合《规范》第4.0.7、无沉陷、无沉陷、 21 拉线杆坑回填外观 4.0.9条防层沉整齐防层沉整齐符合《规范》 22 电杆焊口防腐外观整齐美观整齐美观第6.3.3条备H′为拉线点高度。
表D.0.1 路径复测记录表
工程名称:线记1
表D.0.2普通(掏挖)基础和拉线基础分坑及开挖检查记录表
工程名称:线记2
表D.0.3地基基坑(槽)检查记录表
工程名称:线塔3
表D.0.7混凝土电杆基础检查记录表
表D.0.8铁塔组立检查记录表
表D.0.9混凝土电杆组立检查记录表
表D.0.10 铁塔拉线压接管检查记录表
工程编号:线塔3
设计桩号铁塔
形式
拉线规格施工日期年月日
压接管型检查日期年月日
拉线编号拉线位
置
管位置测点1 测点2 外观检查压接人及
钢印代号d1 d2 平均d1 d1 平均
A 上端 1
2
下端 1
2
B 上端 1
2
下端 1
2
C 上端 1
2
下端 1
2
D 上端 1
2
下端 1
2
E 上端 1
2
下端 1
2
F 上端 1
2
下端 1
2
液压
管测
点位
置图
备注1、外观检查包括管弯曲、裂纹等项目;
2、管压接后推荐值: mm
检查结论
现场技术负专职质施工负责监理工程
表D.0.11导、地线(光缆)展放施工检查记录表
表D.0.13导、地线(光缆)紧线施工检查及验收记录表
表D.0.14导地线(光缆)附件安装检查记录表
表D.0.15光缆测试报告
表D.0.16对地、风偏与交叉跨越检查记录表
表D.0.17接地装置施工检查记录表
表D.0.18杆上电气设备安装检查记录表。
表D.0.1路径复测记录表工程名称:线记1桩号杆塔型式档距(m)线路转角塔位高程(m)桩位移(m)被跨越物(或地形凸起点)备注设计值实测值偏差值设计值实测值设计值实测值方向位移值名称高程(m)与邻杆塔最近距离塔号杆塔号距离m备注1.请注明直线转角2.仪器名称:仪器编号:检验证书号:现场技术负责人专职质检员施工负责人监理工程师表D.0.2普通(掏挖)基础和拉线基础分坑及开挖检查记录表工程名称:线记2设计桩号#16杆塔型35B12-Z1 基础型台阶式施工日期2017年5月日呼称高21 施工基面0 检查日期2017年5月日序号检查项目允许偏差检查结果备注1 转角杆塔角度设计值// 1′30″2 直线杆塔桩位置(mm)横线路:50 203基础根开及对角线尺寸(mm)设计值AB BC CD AB BC2787 2787 2787 2788 2789AC DA BD CD DA3941 2787 3941 2789 2788±2‰AC BD3942 39424 基础坑深(mm)设计值:2500 A 2515 B 2515+100,-50(+100,0) C 2520 D 25205 基础坑底板断面尺寸(mm)设计值:1800*1800 A1800*1801B1800*1800-1% C1800*1802D1800*18006 拉线基础坑位置(mm)设计值:/A C E/ / /±1%LB D F/ / /7拉线基础坑深(mm)设计值:/A C E/ / /+100B D F8 拉线坑马道坡度及方向符合实际要求A /B /C /D /E /F /备注1.L为拉线基础坑中心至拉线固定总水平距离。
2.仪器名称:仪器编号:检验证书号:3.掏挖基础的尺寸不允许有负偏差现场技术负责人专职质检员总包专业工程师监理工程师表D.0.3地基基坑(槽)检查记录表工程名称:线塔3设计桩号杆塔型基础型施工日期年月日呼称高施工基面检查日期年月日序号检查(检验)项目性质质量标准(允许偏差)检查结果检查结论1 基坑(槽)底土质类别关键符合设计要求ABCD2地质基坑草图:施工单位代表:年月日3 监理鉴定意见:监理代表:年月日设计核查意见:设计代表:年月日备注设计有验槽要求的基础填写本表表D.0.5铁塔基础浇筑检查记录表工程名称:线基2设计桩号#17杆塔型35B12-Z1施工基面施工日期2017年5月日基础型式台阶式检查日期2017年5月日序号检查(检验)项目性质质量标准检查结果A B C D1灌注桩贯入桩挖孔桩桩深(mm)关键不小于设计要求/ / / /2 桩径(mm)重要—50(挖孔桩:0,+100)/ / / /3 钢筋保护层(mm)重要—10 / / / /4 预制桩规格、数量关键符合设计要求/ / / /5 桩顶清淤重要符合二次灌注要求,清淤彻底/ / / /6岩石锚杆基础地质(岩石)性能关键符合设计要求/7锚杆孔径(mm)嵌式固关键大于设计值/ 钻孔式+20,08 锚杆埋深(mm)关键符合设计要求/9 角钢插入角钢规格关键设计值:/ / / /10 插入式基础符合设计要求11 基础立柱倾斜度一般±1% / / / /12拉线塔基础拉线基础埋件及钢筋规格数量关键符合设计要求制作工艺良好/ / / /13 锚杆拉线基础角度重要2o / / / / 孔径+20mm / / / /孔深+100mm / / / /14 地脚螺栓(锚杆)规格、数量关键设计值:M27*810*16 M27*810*16符合设计要求√√√√15 主钢筋规格数量关键设计值:φ14*2633*48φ14*2633*48符合设计要求√√√√16 底层(角钢插入)断面尺寸(mm)重要—1%1802*18011801*18001800*18021801*180117 基础(锚杆)埋深(mm)重要+100,—50 2535 2515 2520 251018 钢筋保护层厚度(mm)重要—5 48 49 48 49 备注掏挖、岩石基础的尺寸不允许有负偏差检查结论合格现场技术负责人专职质检员施工负责人监理工程师表D.0.6铁塔基础成型检查记录表工程名称:线基3设计桩号杆塔型施工基面施工日期年月日基础型式检查日期年月日序号检查(检验)项目性质质量标准检查结果A B C D1灌注桩贯入桩连梁承台标高(m)重要符合设计要求2 断面尺寸(mm)重要-1% AB:BC:CD:DA:3 岩石基础防风化层外观符合设计要求4角钢插入式基础角钢形心对立柱中心偏移(mm)一般105 角钢操平印记处相对高差(mm)一般 56 角钢出基础面斜长(mm)一般10 插入角钢倾斜一般±1‰7拉线基础拉环中心与设计位置偏移(mm)重要208 拉线基础中心在拉线方向的位移左右一般1%L前后1°9 拉线棒外观拉棒无弯曲、锈蚀,角度方向一致整齐10 混凝土强度关键设计值:试块强度:MPa 不小于设计值试验报告编号:11 立柱断面尺寸(mm)重要-1%12 整基基础中心位移(mm)顺线路重要30横线路3013 整基基础扭转(’)重要1014 回填土重要15 同组地脚螺栓中心与立桩中心偏移(mm)一般1016 基础顶面高差(mm)一般 517 基础(插入式角钢顶棱)根开及对角线尺寸(mm)设计值一般AB:BC:CD:AB:BC:DA:AC:BD:CD:DA:允许偏差播入式±1‰,螺栓式±2‰AC:BD:18 混凝土表面质量外观外观质量无缺陷及表面平整光滑备注L为拉线环中心至拉线固定点的水平距离检查结论现场技术负责人专职质检员施工负责人监理工程师表D.0.7混凝土电杆基础检查记录表工程名称:线基4设计桩号杆塔型施工基面施工日期年月日基础型检查日期年月日序号检查(检验)项目性质质量标准检查结果1 预制件规格、数量关键符合设计要求2 预制件强度关键设计值:试块强度:Mpa实验报告编号:符合设计要求3 拉环、拉棒规格数量关键符合设计要求4 底盘埋深(mm)关键设计值:左右+100,-505 拉盘埋深(mm)关键设计值: A B C D E F G L+1006 底盘高差关键±20左右7 整基基础中心位移顺线路关键50横线路508 回填土关键9 跟开尺寸(mm)一般设计值:±2010 迈步一般3011 拉盘中心位移一般延拉线方向,其左右:1%L 延拉线方向。
表D.0.9混凝土电杆组立检查记录表
工程名称:练江—吴桂桥35KV输电工程线塔2
表D.0.9混凝土电杆组立检查记录表
工程名称:练江—吴桂桥35KV输电工程线塔2
表D.0.9混凝土电杆组立检查记录表
工程名称:练江—吴桂桥35KV输电工程线塔2
表D.0.9混凝土电杆组立检查记录表
工程名称:练江—吴桂桥35KV输电工程线塔2
表D.0.9混凝土电杆组立检查记录表
工程名称:练江—吴桂桥35KV输电工程线塔2
表D.0.9混凝土电杆组立检查记录表
工程名称:练江—吴桂桥35KV输电工程线塔2
表D.0.9混凝土电杆组立检查记录表
工程名称:练江—吴桂桥35KV输电工程线塔2
表D.0.9混凝土电杆组立检查记录表
工程名称:练江—吴桂桥35KV输电工程线塔2
表D.0.9混凝土电杆组立检查记录表
工程名称:练江—吴桂桥35KV输电工程线塔2
表D.0.9混凝土电杆组立检查记录表
工程名称:练江—吴桂桥35KV输电工程线塔2
表D.0.9混凝土电杆组立检查记录表
工程名称:练江—吴桂桥35KV输电工程线塔2。
表D.0.1 路径复测记录表
工程名称:线记1
表D.0.2普通(掏挖)基础和拉线基础分坑及开挖检查记录表
工程名称:线记2
表D.0.3地基基坑(槽)检查记录表
工程名称:线记3
表D.0.7混凝土电杆基础检查记录表
表D.0.8铁塔组立检查记录表
表D.0.9混凝土电杆组立检查记录表
表D.0.11导、地线(光缆)展放施工检查记录表
表D.0.13导、地线(光缆)紧线施工检查及验收记录表
表D.0.14导、地线(光缆)紧线施工检查及验收记录表
表D.0.15光缆测试报告
表D.0.16对地、风偏与交叉跨越检查记录表
表D.0.17接地装置施工检查记录表
表D.0.18杆上电气设备安装检查记录表。
一、施工过程记录及签证表1、架空线路工程普通基础和拉线基础分坑及开挖检查记录表工程名称:编号:专职质检员:施工负责人:检查人注:此表用于自立式铁塔时拉线部分用“/”划掉。
现浇铁塔基础检验记录工程名称:编号:监理人员:专职质检员:施工负责人:检查人混凝土电杆基础检查记录工程名称:编号:专职质检员:施工负责人:检查人灌注桩基础检验记录工程名称:编号:监理人员:专职质检员:施工负责人:检查人自立式铁塔组立检验记录工程名称:编号:监理人员:专职质检员:施工负责人:检查人自立式钢管杆组立检验记录工程名称:编号:监理人员:质检员:施工负责人:检查人:钢管桩基础检验记录工程名称:编号:监理人员:质检员:施工负责人:检查人:混凝土电杆组立检查记录工程名称:编号:质检员:施工负责人:检查人:注:本表在使用时,同类杆型若检查合格可多基杆填写一张表。
如杆高、杆型(直线、转角、耐张)相同且检查均合格时可将其填写于一张表格内,杆号一栏应填写所有受检杆号。
导、地线展放施工检查记录工程名称:编号:质检员:施工负责人:检查人:导、地线直线液压管施工检验记录工程名称:编号:耐张段桩号号至号耐张段塔号号至号导地线规格施工日期年月日压接管桩号相别线别压前铝管mm压前钢管mm压后铝管mm压后钢管mm外观检查压接人钢印代号外径d2需压长度外径d1需压长度对边距压接长度对边距压接长度最大最小最大最小最大最小1 2最大最小注1: d l、d2分别为压前钢管和铝管的外径;注2: 1、2为压后铝管分别两处各自的压接长度;注3:外观检查包括管弯曲、裂纹等项目;注4:压后推荐值:钢管为 mm;(对边尺寸应满足:s=0.866×(0.993D)+0.2)铝管为 mm。
监理人员:质检员:施工负责人:检查人:注:压后推荐值查阅GB 50233-2005复合光缆OPGW展放施工检查记录工程名称:编号:质检员:施工负责人:检查人:复合光缆OPGW紧线施工检查记录工程名称:编号:质检员:施工负责人:检查人:复合光缆OPGW附件安装施工检查记录工程名称:编号:质检员:施工负责人:检查人:复合光缆OPGW现场开盘测试报告工程名称:编号:2 263 274 285 296 307 318 329 3310 3411 3512 3613 3714 3815 3916 4017 4118 4219 4320 4421 4522 4623 4724 48监理人员:质检员:施工负责人:检查人:注:此表与ADSS通用复合光缆OPGW接头衰减测试报告工程名称:编号:接头桩号接头塔号测试日期年月日OPGW盘号测试波长μm 测试温度生产厂家纤芯序号纤芯色别纤芯衰减dB/km 纤芯序号纤芯色别纤芯衰减dB/km 允许值实测值允许值实测值1 252 263 274 285 296 30监理人员:质检员:施工负责人:检查人:复合光缆OPGW纤芯衰减测试报告工程名称:编号:监理人员:质检员:施工负责人:检查人:紧线施工检查记录 (耐张段)工程名称:编号:质检员:施工负责人:检查人:附件安装施工检查记录工程名称:编号:质检员:施工负责人:检查人:交叉跨越检验记录工程名称:编号:监理人员:质检员:施工负责人:检查人:接地装置施工检验记录工程名称:编号:监理人员:质检员:施工负责人:检查人:1.接地体连接情况,应记录接地体的连接工艺、接地极的间隔;2.引下线安装,应记录使用材料和安装工艺。
混凝土电杆基础检查记录表————————————————————————————————作者:————————————————————————————————日期:表D.0.7混凝土电杆基础检查记录表工程名称:练江—吴桂桥35KV输电工程线基4设计桩号N2 杆塔型ZS23-21 施工基面/ 施工日期2015年5月20 日基础型式/ 检查日期2015年6月12日序号检查(检验)项目性质质量标准检查结果1 预制件规格、数量关键符合设计要求底盘DP8-6:1个卡盘KP14-15 :2个2 预制件强度关键设计值:试块强度:MPa试验报告编号:符合设计要求3 拉环、拉棒规格数量关键符合设计要求4 底盘埋深(mm)关键设计值:左 3.25 右+100,—505 拉盘埋深(mm)关键设计值: A B C D +100 / / / /6 底盘高差关键±20 左0 右07 基础中心位移(mm顺线路关键50 48横线路50 45)8 回填土关键符合本规范第5.0.5条——第5.0.11条规定符合设计规范9 根开尺寸(mm)一般设计值:/ ±3010 迈步一般30 /11 拉线盘中心位移一般沿拉线方向,其左、右:1%L / 沿拉线方向,其前、后:1º12 拉线棒外观拉棒无弯曲、锈蚀角度方向一致整齐/ / / /备注1、底盘高差以立杆后横担安装孔高差为准;2、L为拉线盘中心至拉线挂点的水平距离;3、D为两底盘根开值;4、拉线基础的尺寸不允许有负偏差检验结论符合要求现场技术负责人专职质检员施工负责人监理工程师表D.0.7混凝土电杆基础检查记录表工程名称:练江—吴桂桥35KV输电工程线基4设计桩号N3 杆塔型ZS23-21 施工基面/ 施工日期2015年5月20 日基础型式/ 检查日期2015年6月12日序号检查(检验)项目性质质量标准检查结果1 预制件规格、数量关键符合设计要求底盘DP8-6:1个卡盘KP14-15 :2个2 预制件强度关键设计值:试块强度:MPa试验报告编号:符合设计要求3 拉环、拉棒规格数量关键符合设计要求4 底盘埋深(mm)关键设计值:左 3.1 右+100,—505 拉盘埋深(mm)关键设计值: A B C D +100 / / / /6 底盘高差关键±20 左0 右7 基础中心位移(mm)顺线路关键50 45横线路50 468 回填土关键符合本规范第5.0.5条——第5.0.11条规定符合设计规范设计值:9 根开尺寸(mm)一般±30 /10 迈步一般30 /11 拉线盘中心位移一般沿拉线方向,其左、右:1%L / 沿拉线方向,其前、后:1º12 拉线棒外观拉棒无弯曲、锈蚀角度方向一致整齐/ / / /备注1、底盘高差以立杆后横担安装孔高差为准;2、L为拉线盘中心至拉线挂点的水平距离;3、D为两底盘根开值;4、拉线基础的尺寸不允许有负偏差检验结论符合要求现场技术负责人专职质检员施工负责人监理工程师表D.0.7混凝土电杆基础检查记录表工程名称:练江—吴桂桥35KV输电工程线基4设计桩号N4 杆塔型ZS23-21 施工基面/ 施工日期2015年5月20 日基础型式/ 检查日期2015年6月12日序号检查(检验)项目性质质量标准检查结果1 预制件规格、数量关键符合设计要求底盘DP8-6:1个卡盘KP14-15 :2个2 预制件强度关键设计值:试块强度:MPa试验报告编号:符合设计要求3 拉环、拉棒规格数量关键符合设计要求4 底盘埋深(mm)关键设计值:左 3.0 右+100,—505 拉盘埋深(mm)关键设计值: A B C D +100 / / / /6 底盘高差关键±20 左0 右7 基础中心位移(mm)顺线路关键50 44横线路50 478 回填土关键符合本规范第5.0.5条——第5.0.11条规定符合设计规范9 根开尺寸(mm)一般设计值:/ ±3010 迈步一般30 /11 拉线盘中心位移一般沿拉线方向,其左、右:1%L /沿拉线方向,其前、后:1º12 拉线棒外观拉棒无弯曲、锈蚀角度方向一致整齐/ / / /备注1、底盘高差以立杆后横担安装孔高差为准;2、L为拉线盘中心至拉线挂点的水平距离;3、D为两底盘根开值;4、拉线基础的尺寸不允许有负偏差检验结论符合要求现场技术负责人专职质检员施工负责人监理工程师表D.0.7混凝土电杆基础检查记录表工程名称:练江—吴桂桥35KV输电工程线基4设计桩号N5 杆塔型ZS23-21施工基面/ 施工日期2015年5月20 日基础型式/ 检查日期2015年6月12日序号检查(检验)项目性质质量标准检查结果1 预制件规格、数量关键符合设计要求底盘DP8-6:1个卡盘KP14-15 :2个2 预制件强度关键设计值:试块强度:MPa试验报告编号:符合设计要求3 拉环、拉棒规格数量关键符合设计要求4 底盘埋深(mm)关键设计值:左 3.2 右+100,—505 拉盘埋深(mm)关键设计值: A B C D +100 / / / /6 底盘高差关键±20 左0 右7 基础中心位移(mm)顺线路关键50 47横线路50 468 回填土关键符合本规范第5.0.5条——第5.0.11条规定符合设计规范9 根开尺寸(mm)一般设计值:/ ±3010 迈步一般30 /11 拉线盘中心位移一般沿拉线方向,其左、右:1%L / 沿拉线方向,其前、后:1º12 拉线棒外观拉棒无弯曲、锈蚀角度方向一致整齐/ / / /备注1、底盘高差以立杆后横担安装孔高差为准;2、L为拉线盘中心至拉线挂点的水平距离;3、D为两底盘根开值;4、拉线基础的尺寸不允许有负偏差检验结论符合要求现场技术负责人专职质检员施工负责人监理工程师表D.0.7混凝土电杆基础检查记录表工程名称:练江—吴桂桥35KV输电工程线基4设计桩号N8 杆塔型ZS23-21 施工基面/ 施工日期2015年5月22 日基础型式/ 检查日期2015年6月12日序号检查(检验)项目性质质量标准检查结果1 预制件规格、数量关键符合设计要求底盘DP8-6:1个卡盘KP14-15 :2个2 预制件强度关键设计值:试块强度:MPa试验报告编号:符合设计要求3 拉环、拉棒规格数量关键符合设计要求4 底盘埋深(mm)关键设计值:左 3.1 右+100,—50设计值: A B C D5 拉盘埋深(mm)关键+100 / / / /6 底盘高差关键±20 左0 右7 基础中心位移(mm)顺线路关键50 42横线路50 438 回填土关键符合本规范第5.0.5条——第5.0.11条规定符合设计规范9 根开尺寸(mm)一般设计值:/ ±3010 迈步一般30 /11 拉线盘中心位移一般沿拉线方向,其左、右:1%L / 沿拉线方向,其前、后:1º12 拉线棒外观拉棒无弯曲、锈蚀角度方向一致整齐/ / / /备注1、底盘高差以立杆后横担安装孔高差为准;2、L为拉线盘中心至拉线挂点的水平距离;3、D为两底盘根开值;4、拉线基础的尺寸不允许有负偏差检验结论符合要求现场技术负责人专职质检员施工负责人监理工程师表D.0.7混凝土电杆基础检查记录表工程名称:练江—吴桂桥35KV输电工程线基4设计桩号N9 杆塔型ZS23-21施工基面/ 施工日期2015年5月22 日基础型式/ 检查日期2015年6月12日序号检查(检验)项目性质质量标准检查结果1 预制件规格、数量关键符合设计要求底盘DP8-6:1个卡盘KP14-15 :2个2 预制件强度关键设计值:试块强度:MPa试验报告编号:符合设计要求3 拉环拉棒规格数量关键符合设计要求4 底盘埋深(mm)关键设计值:左 3.2 右+100,—505 拉盘埋深(mm)关键设计值: A B C D +100 / / / /6 底盘高差关键±20 左0 右7 基础中心位移(mm)顺线路关键50 48横线路50 458 回填土关键符合本规范第5.0.5条——第5.0.11条规定符合设计规范9 根开尺寸(mm)一般设计值:/ ±3010 迈步一般30 /11 拉线盘中心位移一般沿拉线方向,其左、右:1%L / 沿拉线方向,其前、后:1º12 拉线棒外观拉棒无弯曲、锈蚀角度方向一致整齐/ / / /备注1、底盘高差以立杆后横担安装孔高差为准;2、L为拉线盘中心至拉线挂点的水平距离;3、D为两底盘根开值;4、拉线基础的尺寸不允许有负偏差检验结论符合要求现场技术负责人专职质检员施工负责人监理工程师表D.0.7混凝土电杆基础检查记录表工程名称:练江—吴桂桥35KV输电工程线基4设计桩号N10 杆塔型ZS23-21 施工基面/ 施工日期2015年5月22 日基础型式/ 检查日期2015年6月12日序号检查(检验)项目性质质量标准检查结果1 预制件规格、数量关键符合设计要求底盘DP8-6:1个卡盘KP14-15 :2个2 预制件强度关键设计值:试块强度:MPa试验报告编号:符合设计要求3 拉环、拉棒规格数量关键符合设计要求4 底盘埋深(mm)关键设计值:左 3.3 右+100,—505 拉盘埋深(mm)关键设计值: A B C D +100 / / / /6 底盘高差关键±20 左0 右7 基础中心位移(mm)顺线路关键50 47横线路50 468 回填土关键符合本规范第5.0.5条——第5.0.11条规定符合设计规范9 根开尺寸(mm)一般设计值:/ ±3010 迈步一般30 /11 拉线盘中心位移一般沿拉线方向,其左、右:1%L / 沿拉线方向,其前、后:1º12 拉线棒外观拉棒无弯曲、锈蚀角度方向一致整齐/ / / /备注1、底盘高差以立杆后横担安装孔高差为准;2、L为拉线盘中心至拉线挂点的水平距离;3、D为两底盘根开值;4、拉线基础的尺寸不允许有负偏差检验结论符合要求现场技术负责人专职质检员施工负责人监理工程师表D.0.7混凝土电杆基础检查记录表工程名称:练江—吴桂桥35KV输电工程线基4设计桩号N11 杆塔型ZS23-21施工基面/ 施工日期2015年5月22 日基础型式/ 检查日期2015年6月12日序号检查(检验)项目性质质量标准检查结果1 预制件规格、数量关键符合设计要求底盘DP8-6:1个卡盘KP14-15 :2个2 预制件强度关键设计值:试块强度:MPa试验报告编号:符合设计要求3 拉环、拉棒规格数量关键符合设计要求4 底盘埋深(mm)关键设计值:左 3.0 右 3.0 +100,—505 拉盘埋深(mm)关键设计值: A B C D +100 / / / /6 底盘高差关键±20 左0 右07 基础中心位移(mm)顺线路关键50 42横线路50 418 回填土关键符合本规范第5.0.5条——第5.0.11条规定符合设计规范9 根开尺寸(mm)一般设计值:/ ±3010 迈步一般30 /11 拉线盘中心位移一般沿拉线方向,其左、右:1%L / 沿拉线方向,其前、后:1º12 拉线棒外观拉棒无弯曲、锈蚀角度方向一致整齐/ / / /备注1、底盘高差以立杆后横担安装孔高差为准;2、L为拉线盘中心至拉线挂点的水平距离;3、D为两底盘根开值;4、拉线基础的尺寸不允许有负偏差检验结论符合要求现场技术负责人专职质检员施工负责人监理工程师表D.0.7混凝土电杆基础检查记录表工程名称:练江—吴桂桥35KV输电工程线基4设计桩号N12 杆塔型ZS23-21施工基面/ 施工日期2015年5月22日基础型式/ 检查日期2015年6月12日序号检查(检验)项目性质质量标准检查结果1 预制件规格、数量关键符合设计要求底盘DP8-6:1个卡盘KP14-15 :2个2 预制件强度关键设计值:试块强度:MPa试验报告编号:符合设计要求3 拉环、拉棒规格数量关键符合设计要求4 底盘埋深(mm)关键设计值:左 3.2 右+100,—505 拉盘埋深(mm)关键设计值: A B C D +100 / / / /6 底盘高差关键±20 左0 右7 基础中心位移(mm)顺线路关键50 47横线路50 448 回填土关键符合本规范第5.0.5条——第5.0.11条规定符合设计规范9 根开尺寸(mm)一般设计值:/ ±3010 迈步一般30 /11 拉线盘中心位移一般沿拉线方向,其左、右:1%L / 沿拉线方向,其前、后:1º12 拉线棒外观拉棒无弯曲、锈蚀角度方向一致整齐/ / / /备注1、底盘高差以立杆后横担安装孔高差为准;2、L为拉线盘中心至拉线挂点的水平距离;3、D为两底盘根开值;4、拉线基础的尺寸不允许有负偏差检验结论符合要求现场技术负责人专职质检员施工负责人监理工程师表D.0.7混凝土电杆基础检查记录表工程名称:练江—吴桂桥35KV输电工程线基4设计桩号N13 杆塔型ZS23-21施工基面/ 施工日期2015年5月22 日基础型式/ 检查日期2015年6月12日序号检查(检验)项目性质质量标准检查结果1 预制件规格、数量关键符合设计要求底盘DP8-6:1个卡盘KP14-15 :2个2 预制件强度关键设计值:试块强度:MPa试验报告编号:符合设计要求3 拉环、拉棒规格数关键符合设计要求量4 底盘埋深(mm)关键设计值:左 3.1 右+100,—505 拉盘埋深(mm)关键设计值: A B C D +100 / / / /6 底盘高差关键±20 左/ 右7 基础中心位移(mm)顺线路关键50 45横线路50 458 回填土关键符合本规范第5.0.5条——第5.0.11条规定符合设计规范9 根开尺寸(mm)一般设计值:/ ±3010 迈步一般30 /11 拉线盘中心位移一般沿拉线方向,其左、右:1%L / 沿拉线方向,其前、后:1º12 拉线棒外观拉棒无弯曲、锈蚀角度方向一致整齐/ / / /备注1、底盘高差以立杆后横担安装孔高差为准;2、L为拉线盘中心至拉线挂点的水平距离;3、D为两底盘根开值;5、拉线基础的尺寸不允许有负偏差检验结论符合要求现场技术负责人专职质检员施工负责人监理工程师表D.0.7混凝土电杆基础检查记录表工程名称:练江—吴桂桥35KV输电工程线基4设计桩号N14 杆塔型ZS23-21 施工基面/ 施工日期2015年5月21日基础型式/ 检查日期2015年6月12日序号检查(检验)项目性质质量标准检查结果1 预制件规格、数量关键符合设计要求底盘DP8-6:1个卡盘KP14-15 :2个2 预制件强度关键设计值:试块强度:MPa试验报告编号:符合设计要求3 拉环、拉棒规格数量关键符合设计要求符合设计要求4 底盘埋深(mm)关键设计值:左 3.2 右+100,—50设计值: A B C D5 拉盘埋深(mm)关键+100 / / / /6 底盘高差关键±20 左0 右7 基础中心位移(mm)顺线路关键50 47横线路50 458 回填土关键符合本规范第5.0.5条——第5.0.11条规定符合设计规范9 根开尺寸(mm)一般设计值:/ ±3010 迈步一般30 /11 拉线盘中心位移一般沿拉线方向,其左、右:1%L / 沿拉线方向,其前、后:1º12 拉线棒外观拉棒无弯曲、锈蚀角度方向一致整齐/ / / /备注1、底盘高差以立杆后横担安装孔高差为准;2、L为拉线盘中心至拉线挂点的水平距离;3、D为两底盘根开值;4、拉线基础的尺寸不允许有负偏差检验结论符合要求现场技术负责人专职质检员施工负责人监理工程师表D.0.7混凝土电杆基础检查记录表工程名称:练江—吴桂桥35KV输电工程线基4设计桩号N15 杆塔型ZS23-21 施工基面/ 施工日期2015年5月21 日基础型式/ 检查日期2015年6月12日序号检查(检验)项目性质质量标准检查结果1 预制件规格、数量关键符合设计要求底盘DP8-6:1个卡盘KP14-15 :2个2 预制件强度关键设计值:试块强度:MPa试验报告编号:符合设计要求3 拉环、拉棒规格数量关键符合设计要求4 底盘埋深(mm)关键设计值:左 3.3 右 3.3 +100,—505 拉盘埋深(mm)关键设计值: A B C D +100 / / / /6 底盘高差关键±20 左0 右0基础中顺线路关键50 497 心位移(mm)横线路50 458 回填土关键符合本规范第5.0.5条——第5.0.11条规定符合设计规范9 根开尺寸(mm)一般设计值:/ ±3010 迈步一般30 /11 拉线盘中心位移一般沿拉线方向,其左、右:1%L / 沿拉线方向,其前、后:1º12 拉线棒外观拉棒无弯曲、锈蚀角度方向一致整齐/ / / /备注1、底盘高差以立杆后横担安装孔高差为准;2、L为拉线盘中心至拉线挂点的水平距离;3、D为两底盘根开值;4、拉线基础的尺寸不允许有负偏差检验结论符合要求现场技术负责人专职质检员施工负责人监理工程师表D.0.7混凝土电杆基础检查记录表工程名称:练江—吴桂桥35KV输电工程线基4设计桩号N16 杆塔型ZS23-21 施工基面/ 施工日期2015年5月23 日基础型式/ 检查日期2015年6月12日序号检查(检验)项目性质质量标准检查结果1 预制件规格、数量关键符合设计要求底盘DP8-6:1个卡盘KP14-15 :2个2 预制件强度关键设计值:试块强度:MPa试验报告编号:符合设计要求3 拉环、拉棒规格数量关键符合设计要求4 底盘埋深(mm)关键设计值:左 3.2 右 3.2 +100,—505 拉盘埋深(mm)关键设计值: A B C D +100 / / / /6 底盘高差关键±20 左0 右07 基础中心位移(mm)顺线路关键50 46横线路50 458 回填土关键符合本规范第5.0.5条—符合设计规范—第5.0.11条规定9 根开尺寸(mm)一般设计值:/ ±3010 迈步一般30 /11 拉线盘中心位移一般沿拉线方向,其左、右:1%L / 沿拉线方向,其前、后:1º12 拉线棒外观拉棒无弯曲、锈蚀角度方向一致整齐/ / / /备注1、底盘高差以立杆后横担安装孔高差为准;2、L为拉线盘中心至拉线挂点的水平距离;3、D为两底盘根开值;4、拉线基础的尺寸不允许有负偏差检验结论符合要求现场技术负责人专职质检员施工负责人监理工程师表D.0.7混凝土电杆基础检查记录表工程名称:练江—吴桂桥35KV输电工程线基4设计桩号N17 杆塔型ZS23-21 施工基面/ 施工日期2015年5月23 日基础型式/ 检查日期2015年6月12日序号检查(检验)项目性质质量标准检查结果1 预制件规格、数量关键符合设计要求底盘DP8-6:1个卡盘KP14-15 :2个2 预制件强度关键设计值:试块强度:MPa试验报告编号:符合设计要求3 拉环、拉棒规格数量关键符合设计要求4 底盘埋深(mm)关键设计值:左 3.0 右 3.0 +100,—505 拉盘埋深(mm)关键设计值: A B C D +100 / / / /6 底盘高差关键±20 左0 右07 基础中心位移(mm)顺线路关键50 45横线路50 448 回填土关键符合本规范第5.0.5条——第5.0.11条规定符合设计规范9 根开尺寸(mm)一般设计值:/ ±3010 迈步一般30 /11 拉线盘中心位移一般沿拉线方向,其左、右:1%L / 沿拉线方向,其前、后:1º12 拉线棒外观拉棒无弯曲、锈蚀角度方向一致整齐/ / / /备注1、底盘高差以立杆后横担安装孔高差为准;2、L为拉线盘中心至拉线挂点的水平距离;3、D为两底盘根开值;4、拉线基础的尺寸不允许有负偏差检验结论符合要求现场技术负责人专职质检员施工负责人监理工程师表D.0.7混凝土电杆基础检查记录表工程名称:练江—吴桂桥35KV输电工程线基4设计桩号N18 杆塔型ZS23-21施工基面/ 施工日期2015年5月23日基础型式/ 检查日期2015年6月12日序号检查(检验)项目性质质量标准检查结果1 预制件规格、数量关键符合设计要求底盘DP8-6:1个卡盘KP14-15 :2个2 预制件强度关键设计值:试块强度:MPa试验报告编号:符合设计要求3 拉环、拉棒规格数量关键符合设计要求4 底盘埋深(mm)关键设计值:左 3.4 右+100,—505 拉盘埋深(mm)关键设计值: A B C D +100 / / / /6 底盘高差关键±20 左0 右7 基础中心位移(mm)顺线路关键50 47横线路50 458 回填土关键符合本规范第5.0.5条——第5.0.11条规定符合设计规范9 根开尺寸(mm)一般设计值:/ ±3010 迈步一般30 /11 拉线盘中心位移一般沿拉线方向,其左、右:1%L / 沿拉线方向,其前、后:1º12 拉线棒外观拉棒无弯曲、锈蚀角度方向一致整齐/ / / /备注1、底盘高差以立杆后横担安装孔高差为准;2、L为拉线盘中心至拉线挂点的水平距离;3、D为两底盘根开值;4拉线基础的尺寸不允许有负偏差检验结论符合要求现场技术负责人专职质检员施工负责人监理工程师表D.0.7混凝土电杆基础检查记录表工程名称:练江—吴桂桥35KV输电工程线基4设计桩号N19 杆塔型ZS23-21 施工基面/ 施工日期2015年5月23 日基础型式/ 检查日期2015年6月12日序号检查(检验)项目性质质量标准检查结果1 预制件规格、数量关键符合设计要求底盘DP8-6:1个卡盘KP14-15 :2个2 预制件强度关键设计值:试块强度:MPa试验报告编号:符合设计要求3 拉环、拉棒规格数量关键符合设计要求设计值:4 底盘埋深(mm)关键+100,—50 左 3.2 右 3.25 拉盘埋深(mm)关键设计值: A B C D +100 / / / /6 底盘高差关键±20 左0 右07 基础中心位移(mm)顺线路关键50 41横线路50 458 回填土关键符合本规范第5.0.5条——第5.0.11条规定符合设计规范9 根开尺寸(mm)一般设计值:/ ±3010 迈步一般30 /11 拉线盘中心位移一般沿拉线方向,其左、右:1%L / 沿拉线方向,其前、后:1º12 拉线棒外观拉棒无弯曲、锈蚀角度方向一致整齐/ / / /1、底盘高差以立杆后横担安装孔高差为准;2、L为拉线盘中心至拉线挂点的水平距离;检验结论符合要求备注3、D为两底盘根开值;4、拉线基础的尺寸不允许有负偏差现场技术负责人专职质检员施工负责人监理工程师表D.0.7混凝土电杆基础检查记录表工程名称:练江—吴桂桥35KV输电工程线基4设计桩号N20 杆塔型ZS23-21 施工基面/ 施工日期2015年5月23 日基础型式/ 检查日期2015年6月12日序号检查(检验)项目性质质量标准检查结果1 预制件规格、数量关键符合设计要求底盘DP8-6:1个卡盘KP14-15 :2个2 预制件强度关键设计值:试块强度:MPa试验报告编号:符合设计要求3 拉环、拉棒规格数量关键符合设计要求4 底盘埋深(mm)关键设计值:左 3.2 右+100,—505 拉盘埋深(mm)关键设计值: A B C D +100 / / / /6 底盘高差关键±20 左0 右7 基础中心位移(mm)顺线路关键50 46横线路50 468 回填土关键符合本规范第5.0.5条——第5.0.11条规定符合设计规范9 根开尺寸(mm)一般设计值:/ ±3010 迈步一般30 /11 拉线盘中心位移一般沿拉线方向,其左、右:1%L / 沿拉线方向,其前、后:1º12 拉线棒外观拉棒无弯曲、锈蚀角度方向一致整齐/ / / /备注1、底盘高差以立杆后横担安装孔高差为准;2、L为拉线盘中心至拉线挂点的水平距离;3、D为两底盘根开值;4、拉线基础的尺寸不允许有负偏差检验结论符合要求现场技术负责人专职质检员施工负责人监理工程师。