余吾煤矿矿灯房设计方案
- 格式:doc
- 大小:6.96 MB
- 文档页数:9
矿用led灯课程设计一、课程目标知识目标:1. 学生理解LED的基本原理,掌握LED灯在矿用环境中的应用特点。
2. 学生了解矿用LED灯具的设计要求,包括安全、节能、耐用等方面。
3. 学生掌握矿用LED灯具的主要性能参数及其对矿井照明效果的影响。
技能目标:1. 学生能够运用所学知识,分析矿用LED灯具的优势和潜在问题。
2. 学生能够设计简单的矿用LED照明方案,并进行初步的评估和优化。
3. 学生通过实际操作,学会正确安装和简单维护矿用LED灯具。
情感态度价值观目标:1. 培养学生对矿物资源开发中节能环保重要性的认识,增强其社会责任感和节能意识。
2. 激发学生对科技创新的兴趣,鼓励其关注新技术在传统行业中的应用。
3. 培养学生的团队协作精神,提高其在小组讨论和项目实施中的沟通与协作能力。
课程性质分析:本课程为应用科技类课程,结合物理、工程技术等知识,强调理论与实践相结合。
学生特点分析:考虑到学生所在年级的特点,已有一定的物理基础和动手能力,对科技类课程兴趣浓厚,但需引导他们将知识应用于实际问题的解决。
教学要求:1. 教学内容与实际应用紧密结合,注重培养学生的实践能力。
2. 采用项目式教学,鼓励学生主动探索、合作交流,提高问题解决能力。
3. 教学过程中关注学生的个体差异,因材施教,使每位学生都能达到课程目标。
二、教学内容1. LED基本原理:光电器件原理、LED的结构与发光原理、LED的色温与显色性。
相关教材章节:第三章《光电器件》第1-3节。
2. 矿用LED灯具特点:矿用环境对灯具的要求、LED灯具的防爆性能、节能优势及耐用性。
相关教材章节:第五章《特种灯具》第2节。
3. 矿用LED灯具设计要求:安全标准、节能设计、灯具防护等级及使用寿命。
相关教材章节:第五章《特种灯具》第3-4节。
4. 矿用LED灯具性能参数:亮度、光束角、色温、显色性等参数对矿井照明效果的影响。
相关教材章节:第四章《照明设计》第1-2节。
工矿企业灯光改造工程方案一、项目概述随着社会的发展和经济的快速增长,工矿企业在生产经营活动中对照明设施的需求日益增加。
照明设施对于工矿企业来说不仅是必需的生产条件,还直接影响着员工的生产效率和安全生产。
然而,传统的照明设施主要以高压钠灯为主,存在能耗高、光效低、寿命短等问题。
因此,对工矿企业的照明设施进行改造升级,提升照明质量和节能降耗已成为当务之急。
为了满足工矿企业对照明设施的需求,同时促进企业的可持续发展,本文将针对工矿企业灯光改造工程的具体方案进行详细阐述。
二、项目背景分析目前,国内工矿企业的照明设施主要以高压钠灯和荧光灯为主,这些传统的照明设施存在着能耗高、光效低、寿命短等问题,已经不能满足企业日益增长的照明需求。
另一方面,随着环保理念的不断普及和国家节能政策的深入推进,工矿企业对于提高照明环境质量、减少能源消耗的需求也在不断增加。
因此,对工矿企业的照明设施进行改造升级,提高光效、延长使用寿命和节能降耗,已经成为工矿企业的迫切需求。
为此,制定科学合理的照明工程改造方案对于工矿企业提高生产效率、节约能源成本具有重要意义。
三、项目目标本项目的主要目标是对工矿企业的照明设施进行改造升级,优化照明环境质量、减少能源消耗,提高企业的生产效率和安全生产水平。
具体目标包括:1、提高工矿企业的照明环境质量,增强光线均匀度和色彩还原度;2、减少照明设施能耗,降低企业用电成本;3、延长照明设施的使用寿命,降低企业的维护成本;4、提高工矿企业的节能环保形象,符合国家能源节约政策。
四、改造方案1、灯具选择首先,对于工矿企业的灯具选择,应优先考虑LED灯具。
LED灯具作为一种新型照明产品,具有光效高、寿命长、能耗低、环保等优点。
与传统的高压钠灯相比,LED灯具的能耗约为其一半,寿命约为其两倍,因此具有明显的节能效果和经济效益,是工矿企业灯光改造的首选方案。
2、光照设计其次,对于工矿企业的光照设计,应根据不同的生产场所和工艺要求,合理设计照明方案。
余吾煤业一次采全高综采工艺0余吾煤业公司3#煤层大采高设计方案前言余吾煤业公司目前采用低位放顶煤一次采全高采煤法,副井提升能力最大28吨,巷道最大运输尺寸4.833.6m,不能满足6m支架运输要求。
目前,南风井工程井筒施工完毕,正在进行井底车场巷道施工,提升系统及主要开拓、准备巷道未施工,具备实施改造条件,南风井工程为南三、南五、南六采区服务,因此我公司决定在南三、南五及南六采区采用大采高综采工艺,首个试采面初步确定在S5202工作面。
第一章首采区及首采面概况第一节首采区地质概况一、采区位置1、南进风井井底车场的进、出车线,等候室、主排水泵房、主变电所等已经掘成,其它巷道正在掘进,为组装、拆卸支架,需在南风井井底车场施工无轨胶轮车换装站。
2、首采区S5采区位于井田南部,北临南二采区,东接南三采区,南接南六采区,西边为井田边界,整个采区约南北长4800m,东西走向5000m,地质勘探储量21001.2万吨,可采储量13835.7万吨。
3、S5采区位于井田西南方向,采区设计有5条下山,分别为1#回风下山、进风下山、轨道下山、胶带下山及2#回风下山,分别与+400m水平南翼1#回风大巷、+400m水平南翼胶带输送机大巷、+400m 水平南翼1辅助运输大巷、+400m水平南翼进风大巷、+400m水平南翼2#回风大巷连接。
二、含煤地层概况南五采区主要含煤地层有山西组和太原组,其总厚度平均为158.74m,为各类碎屑岩、碳酸盐和煤层等组成。
(一)二叠系下统山西组(P1s)本组厚43.15-64.90m,平均51.15m。
变化不大,由灰色粉砂岩、砂岩和深灰色泥岩、砂质泥岩及煤层组成。
砂岩含量高,以3号煤顶板K砂岩较为稳定。
含煤层4层(1、2、3、4号煤),其中3号煤层厚度大,为主采煤层。
本组为进积型滨海三角洲沉积。
K8砂岩为本组上界,K7砂岩为下界,以K7 砂岩与下伏地层呈整合接触。
(二)石炭系上统太原组(C3t)本组厚度91.38-123.46m,平均103.59m。
充灯房安装施工组织设计一、工程概况及内容将军矿充灯房属于灯浴联合建筑工程的一部分,分为上下2层,前期安装一层12面充电架。
灯房内负荷为二级负荷,采用380/220V 双回路自动切换电源,动力配电箱,照明配电箱嵌墙安装,动力电缆穿钢管沿底板暗敷至充电架,接地保护采用公用接地系统。
充电架采用KZC系列-120/104/96/60型矿灯智能充电架。
可供新型锂电矿灯充电使用,也可供其他同类型充电结构的酸性矿灯充电。
充电架为双面四层钢板结构,采用进口直流稳压电源电路,质量轻,效率高。
输入电压范围宽,输出电压稳定。
充电状态采用发光管指示,指示明显;整机输入输出电压、电流均由数字表指示,便于使用者观察操作。
输入过流、欠压保护;输出短路、过流、过压保护。
当充电端口短路或过流时,电源指示灯均为红色,此时端口处于保护状态。
当短路或过流消失后,端口自动复位,指示灯变为正常状态。
充电架输入电流采用交流单相220V50HZ,额定输出直流电压5V,直流电流100A,额定输出功率500W,最大充电能率104盏。
灯浴联合建筑整体工程、室内墙壁、地面工程已全部完工,灯架基础已按设计要求施工完毕,已具备灯架安装,电缆敷设条件,该工程内容包括:矿灯及充灯架安装、接地线安装、电缆敷设等。
二、主要技术要求本安装工程严格按设计要求施工,安装标准必须符合《煤矿安装工程质量检验评定标准》,《煤矿安全规程》的要求。
三、主要施工步骤(一)准备工作1.将矿灯和充灯架逐台运至灯房,等待安装。
在搬运过程中不能拆去外部包装,以免损坏、损伤内部设备。
2.根据图纸设计要求,会同监理、甲方、施工方共同对灯架基础进行验收,并做好验收记录等待安装。
(二)施工方法1.组织人员把矿灯、灯架从仓库运到灯房,逐台逐架开箱检查,检查矿灯灯头零件是否齐全,闭锁螺栓是否紧固可靠,灯泡、开关接触是否良好,灯线有无破口,出线口密封是否良好。
充灯架外观有无碰伤,仪表是否完整。
对个别有碰伤,漆皮脱落的要及时协商处理,待一切检查结束确认无问题后方可进行安装。
河北神华国华定州发电有限责任公司煤仓照明改造设计方案审批:复审:编制:河北神华国华定州发电有限责任公司2018年04月08日一、现场基本情况1、基本情况(1)、煤仓间为4个煤仓和3个连接通道以及1个吊滚筒间组成,尺寸为:机头尺寸:长19米,宽13米;1#煤仓:长81米,宽11米;1#煤仓至2#煤仓通道:长30米,宽11米;2#煤仓:长70米,宽11米;2#煤仓至3#煤仓通道:长50米,宽11米;3#煤仓:长60米,宽11米;3#煤仓至4#煤仓通道:30米,宽11米;4#煤仓:长50米,宽11米;机尾尺寸:长17米,款13米,高6.6米;吊滚筒间尺寸:长22米,宽13米;(2)、现场安装了81套100W金卤灯,4套400W金卤灯,还有30套高顶灯,以及部分破损的方形金卤灯若干。
(3)机头机尾处现场照明安排不合理,设备下方存在大片暗区。
(4)吊滚筒间内照明分布不合理,滚筒设备处存在大量暗区。
(5)现场需要拆除所有非防爆的老旧灯具,安装新的防爆灯具,合理分配灯具,并且要重新布置线路。
新安装的防爆灯具中要有作为应急照明用的防爆灯具,灯具外形要与其他灯具一致,并且电池独立安装在防爆箱内。
2、现场图片(1)煤仓间连接通道(2)煤仓间机头位置(3)煤仓间机尾位置(4)煤仓间煤仓二、设计思路1、在满足工作场所照度、显色性、眩光、照度均匀性要求的情况下,对煤仓间照明系统进行设计,其总体思路是:选择适合现场的工业照明灯具产品,在满足各区域设计照度要求的情况下,尽可能降低灯具总功率和总数量,选用长寿命,高效能灯具,改造后的照明系统能够充分保障安全生产,达到提高工作效率,改善工作环境,最终达到节能降耗和降低采购成本的目的。
2、现场原使用的非防爆金卤灯具,根据现场方面的的要求要全部更换成LED防爆灯具,并且减少现场暗区,提高整个煤仓内的照明效果,同时更加节能环保。
3、为了提高现场整体照明效果,现设计根据区域不同将对灯具安装位置进行调整,缩短灯具之间的安装距离,增加球型防爆泛光灯具数量。
矿区亮化工程施工方案一、项目背景在当前城市建设中,亮化工程已经成为城市形象提升的一项重要工程。
而在矿区亮化工程中,由于地形地貌的特殊性,施工难度更大,但也更具挑战性。
本文将以某矿区亮化工程为例,详细阐述其施工方案。
二、项目概况该矿区亮化工程包括矿山入口、主要道路、矿区大门、广场等重要位置的景观亮化设计和施工。
目的是提升矿区整体形象,吸引更多客户和投资者,促进经济发展。
三、施工方案1.方案设计(1)充分调研:在设计方案前,需要充分了解矿区的地形地貌、气候特点、人流车流等情况,以便更好地进行设计。
(2)科学规划:根据矿区的特点,科学规划矿山入口、主要道路、矿区大门、广场等景观亮化区域的布局和设计。
(3)风格统一:在设计过程中,要保持整体风格的统一,体现矿区的特色,使之成为矿区的一道靓丽风景线。
2. 施工准备(1)人员准备:组建专业的亮化工程施工团队,确保施工人员具备岗位技能和安全意识。
(2)设备准备:准备必备的施工机械设备,确保施工顺利进行。
(3)材料采购:采购符合设计要求的亮化灯具、电缆、配件等材料,确保施工质量。
3. 施工步骤(1)场地清理:清理亮化施工区域,保持施工环境干净整洁。
(2)铺设电缆:根据设计要求,进行电缆的敷设和连接,确保各个灯具能正常工作。
(3)安装灯具:按照设计图纸,安装各类亮化灯具,注意灯具的防水防晒等性能。
(4)调试测试:完成灯具的安装后,进行调试测试,确保每个灯具能正常工作。
(5)验收完工:完成施工后,进行施工质量验收,确保工程质量符合设计要求。
四、施工安全在矿区亮化工程施工中,安全第一。
应该加强安全教育,督促施工人员严格遵守施工规范,严格执行安全操作规程,做好事故预防工作。
五、环境保护在施工过程中,应该尽量减少对环境的影响,采取措施降低噪音、减少灰尘扬尘等污染,确保施工过程的环境友好。
六、项目效果通过该矿区亮化工程的施工,将提升矿区整体形象,增加其吸引力,促进矿区经济发展,带动当地旅游业的发展,提高矿区的社会影响力。
煤矿矿灯改造方案背景煤矿作为我国能源产业的重要组成部分,在经济快速发展的同时,也面临着过度开采、环境污染等诸多问题。
其中,安全问题是煤矿生产中最为关键的一环,矿灯作为煤矿工作中不可或缺的一部分,对于提高煤矿安全生产水平具有重要意义。
目前,煤矿矿灯普遍存在亮度不足、电池续航时间短等问题,且产品质量良莠不齐。
因此,开展煤矿矿灯改造工作,不仅可以提高矿工工作效率,也能有效预防煤矿事故的发生。
改造方案选材为了达到更好的改造效果,首先要选用合适的材料。
改造矿灯需要使用的材料应满足以下要求:•轻便:矿灯需要方便携带,轻便的材料能够有效减轻矿工的负担;•耐用:矿灯使用环境复杂,需要使用能够承受煤尘和湿度的耐用材料;•防爆:煤矿环境易发生瓦斯爆炸,选择防爆等级高的材料可以保障矿工的安全。
根据上述要求,在改造方案中选用轻便、耐用、防爆等级高的材料进行改造。
灯珠煤矿矿灯耗电量大,因此需要使用能够节省能源的LED灯珠。
LED灯珠具有亮度高、寿命长等优点,可以有效提高矿工工作效率和安全性。
电池煤矿矿灯使用时间长,因此需要使用电池容量大、续航时间长的电池。
同时,为了方便更换,电池选用常见规格。
充电器为了保障矿工夜间的工作,需要配备高效的充电器,快速充满矿灯电池。
充电器应具有防爆等级较高,且可靠性高的特点,以保障矿工的安全。
灯体煤矿矿灯灯体应该采用能够耐受煤尘和湿度的材料,并要求防爆等级达到较高水平。
其外观应该符合人体工程学原理,设计舒适合理,方便矿工携带和使用。
实施步骤1.根据煤矿矿灯改造方案选购所有材料和零部件;2.在矿灯内部安装LED灯珠,并且加强散热装置,以避免过度发热;3.更换电池为容量较大的电池,并确保兼容;4.配备防爆等级较高的充电器;5.采用较好的材料重新设计矿灯的外观,增强抗磨损、防尘、防水性能等;6.对改造后的矿灯进行质量测试和验收,确保达到使用要求。
结论通过改造方案,将煤矿矿灯进行升级,不仅可以提高矿工的工作效率,兼顾了用电量、使用寿命和矿灯的安全等问题,同时也可以有效预防矿难的发生,为煤矿行业安全生产做出贡献.。
One reason for suffering, is the pursuit of the wrong things.勤学乐施天天向上(页眉可删)矿灯房设备安装安全技术措施第一章工程概括红土沟煤矿属整合矿井,整合后年产量30万吨/年,矿设计每班下井人数为39人。
矿灯房布置在本矿副井口东侧,安装矿灯充电架4架,可以同时为408盏矿灯同时充电。
为保质保量安全顺利地完成本工程,特编制本措施。
一、安装工程量1、充电架,型号KTSB-102,4台;隔绝式化学氧自救器,型号ZH-30,300台;矿灯,KL5LM,300盏。
配电柜,型号PGL-0.4,一面,装有5台真空断路器;敷设电缆,MY3×25,数量90米。
第二章工程施工承包目标1、质量目标:将本工程打造为合格工程。
2、施工工期:2009 年 12月 29日至 2010年 1月1日.3、施工安全目标:本工程确保无重伤和重大设备安全事故,轻伤率控制在3‰以下。
4、文明施工、环保目标:本工程文明环保施工目标达到矿区文明环保施工工程的目标。
第三章安全技术措施编制依据一、编制依据:根据工程《煤矿安装工程质量检验评定标准》进行编制。
二、工程施工质量执行规范:1、《煤矿安装工程质量验收评定标准》MT5010-952、《煤矿安全规程》2010年版3、红土沟煤矿设备安装工程合同4、机电设备完好标准第四章施工准备工作一、技术准备:首先组织施工技术人员与矿方对施工图纸进行会审,并由矿方设计部门进行技术交底,对施工图纸中的疑问及时反映,确定解决方法,以利施工;其次组织参加施工的人员学习国家相关的质量标准规范,贯彻《施工组织设计》,向施工人员进行工程技术交底和安全注意事项交底。
二、施工材料、工具的准备:根据实际及安装工艺,施工材料、工器具必须准备充分,对即将使用的工器具进行认真检查、检修。
不合格者一律更换,严禁将隐患带入施工场地。
施工主要工(器)具设备:电工用具、十字花螺丝刀、万用表、撬棍、地滚三、验收设备及材料:具体验收方面如下:矿灯到货后进行开箱检查,检查包装是否有损坏,箱内所附说明书、合格证是否齐全,矿灯零部件是否有损坏脱落现象。
矿灯房7S策划方案
1.平面图
2.消防
2.1矿灯房需配备相对应的消防器材,消防按照要求进行管理。
2.1.1防堵塞线要求:线宽100mm,黄色,斜45度,长500mm,宽350mm。
2.1.2消防标志:有使用说明、有点检表、有责任人;
2.1.3粘贴位置:下边沿距离地面1200mm。
3.办公桌、文件柜按照行政办公室标准进行对标打造。
4.区域线:
4.1矿灯房的所有区域线均为100mm;
4.2区域线大小如图:
5.增加矿灯领取对比看板:
5.1矿灯凭矿灯证换取,矿灯证具有唯一性,每一名职工领取矿灯需将矿灯证交到灯房,灯房才可以发放矿灯。
职工交回矿灯时,灯房需将矿灯证交还职工。
矿灯房无人值守经验交流第一篇:矿灯房无人值守经验交流矿灯房无人值守经验交流吾祠矿矿灯房无人值守于2013年9月27日开始运行,全矿共有4个矿灯充电架,可供408盏矿灯充电。
无人值守管理办法是,每一盏矿灯及锁头(钥匙)与充电柜的编号一一对应进行编号,按照队伍的顺序给每一位工人安排固定的矿灯及充电位,并把相应的编号记在入井证上。
上下班由工人自行开锁取灯、充电上锁,如矿灯有故障写在故障记录牌板上由专职人员负责维修,特殊原因无法正常取灯上班可到调度室申请领取备用灯。
矿灯房内装有三个视频监控探头,公共卫生由专人负责,矿灯的档案管理、编排领取等日常管理由机电股负责。
存在主要问题有:1、采掘一线工人流动,钥匙未能及时返还或返还给队长队长又自行把钥匙分配给新工人,导致档案信息不准确、锁头更换频繁;2、工人充电时手法不一导致充电柜充电位损坏。
3、矿灯房的文明卫生较差,存在许多工人矿灯没擦洗、矿灯带绑在矿灯上未取走。
4、矿灯领取情况考勤矿车调度:当班下班前把下一个班的车皮送至井底提升车场,各个片盘车场打点硐室挂有各班次空重车提升情况记录牌板,当班重车拉空必须空车皮交接班。
采掘队伍各工作面上班前把当班所需车皮报至各片盘信号把钩工,信号把钩工根据队伍车皮需求量合理安排给电瓶车司机。
存在问题:1、主平硐运输线路长,车皮周转慢。
2、队伍虚报车皮需求量,导致车皮积压,周转率低。
3、采区之间生产布局偏差大,二采区工作面过多,提升来不及。
坑木防腐;全年坑木总消耗1980立方,每月180立方,按11个月计。
腰板1.3米和2米的每年约各200立方,木塞每年约各30立方。
枕木25片/立方,每年约120立方。
防腐腰板主要用于巷道维修,每年约96立方。
矿车清车底及满载率:矸石山矿车清车底实行承包制,由专人负责每月800元。
煤台矿车清车底由煤台卡煤工负责薪酬包含在卡煤工资3.5元/车。
车底清不干净10kg以下处罚10元/车,10kg以上处罚50元/车.。
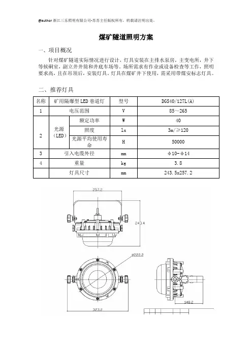
煤矿隧道照明方案
一、项目概况
针对煤矿隧道实际情况进行设计,灯具安装在主排水泵房,主变电所,井下等候硐室,副立井井筒和井底车场等。
场所需求有作业或设备检查等工作,照明要求高,且在吊顶后,安装灯具。
灯具在煤矿井下使用,需采用带煤安标志灯具。
二、推荐灯具
名称矿用隔爆型LED巷道灯型号DGS40/127L(A) 1 电压范围V 85~265
2
光源
(LED)
额定功率W 40
照度lx 3m/≥120
光源平均使用寿
命
H 50000
3 引入电缆外径mm φ10-φ14
4 重量kg 3.8
灯具尺寸mm 243.5x257.2
三、照明设计
1.灯具安装间距
2.安装方式:嵌入式安装
3.照度情况
4.安装效果模拟
5.光学效果模拟
四、灯具安装建议
建议灯具安装间距:3米一盏。
隧道宽度3-4米之间的安装一排。
隧道宽度5-9米之间的安装两排。
每盏灯的照明面积为3米x3米=9平方米。
具体安装方可根据实际使用情况,调节灯具间距。
潞安集团余吾煤业有限责任公司
智能化无人值守灯房
设
计
方
案
太原市金方贸易有限公司
二00九年十二月二十日
智能化无人值守灯房
示意图
一、依据标准
煤矿通信、检测、控制用电工电子产品通用技术要求MT 455-1995 矿灯充电架产品型号编制方法和管理办法
MT/T 68-92 自动电压控制型酸性矿灯充电架通用技术条件
管理系统主控台
(1)智能柜式充电架,增加小柜子可存放矿灯及45分钟自救器并加柜式门锁,小门上留有通风槽,保证每个独立空间空气流通,及散热功能。
小门上留有铭牌插槽,美观大方。
(2)设备示意图:
增加充电架设备硬件配置:
充电架为双面四层柜式钢结构。
采用进口直流稳压独立电源电路,重量轻、效率高。
每只矿灯均由独立的开关式充电器充电,充电器输出直接和矿灯电池连接,线路损耗小,充电电压精度高。
开关式充电器允许交流输入电压变化范围宽(85V-275V),适用于矿井恶劣的供电环境。
充电采用发光指示,指示明显。
整机输入输出电压、电流均有数字表指示,便于使用者观察使用。
输入过流、欠压保护;输出短路、过流、过压保护。
每个充电架上装有两个64位数据采集卡,可同时采集128个矿灯的有关数据。
通讯端口选用RS485,通讯安全、稳定、可靠、快速。
1、充电架特点:
(1)柜式结构,材料为薄钢板,能为96盏矿灯的提供充电灯位。
(2)每个灯位具备独立空间,可同时容纳矿灯及自救器,小门配备锁具,可实现防盗功能。
小门上留有通风槽,保证每个独立空间空气流通,及散热功能。
小门上留有铭牌插槽,可将灯位使用者信息制作铭牌放置插槽,方便使用者寻找及检查。
(3)模块化的电路结构设计,便于日常维护,每个灯位充电状态均由LED发光指示。
(4)对每盏矿灯具有恒流、稳压采样、比较的功能。
具有充电保护功能,利用充电模块进行充电控制。
输入过流、欠压保护;输出短路、过流、过压保护
(5)能够保证每盏灯足够的充电量,在电池充电饱和后自动停止充电。
(6)本充灯架能够满足市场所有矿灯的充电。
(7)外观颜色标配为乳白色、蓝色、灰色。
也可定制颜色。
2、系统特点:
(1)本系统提供了良好的人机界面,傻瓜式操作,便于用户学习和掌握。
(2)界面友好,各种信息的录入、删除、修改、查看等操作简单,易学易用。
(3)数据安全性高,稳定性好。
提供了完善的错误操作中断提示,避免了出现死机或程序无故中断而造成的数据丢失。
(4)设置了用户权限管理。
一般用户只能查看普通信息,责任用户只有将用户名和密码登录后,才能进行数据的增、删、改,同时也避免了不同操作员之间修改彼此的录入记录。
三、技术参数:
2、充电架工作原理:
市电220V经过空开输入开关电源,经过开关电源稳压,变为5V 直流电在直流输出铝排上依次并联着96路充电端子,供矿灯充电。
每个充电回路均装有充电指示灯,通电后在没有加矿灯时绿灯亮,给矿灯充电时红灯亮,充满后转为绿灯。
每个回路均有限流电路。
不用调节输出电压。
3、安装和使用
(1)充电架在安装前,应先检查接触装置,开头电源是否安装牢固,线路是否松动或损坏。
(2)充电架在使用前必须先进行通电试验,试验前直流输出端不接负载,接通电源后将充电架开关开启,此时前面板上指标表应有电压指示,直流输出显示输出直流电压应为5V,各充电回路的绿灯发亮。
加上矿灯后给矿灯充电时红灯亮,充满后转为绿灯。
(3)、本充电架使用于下列条件可靠工作。
工作温度:(-20—50)℃;
储存温度:(-40—70)℃;
相对湿度:90%(40℃);
大气压力:(70—106)KP
无剧烈震动或冲击的地方,室内空气流通。
四、系统功能概述
1、系统功能:
(1)矿灯状态检测和显示
实时检测矿灯房所有矿灯的有关数据,判定每只矿灯挂入和取出的时间(即矿工上井和下井时间)矿灯的各种充电状态由LED显示。
(2)矿灯充电次数累计统计和寿命终止预警
对每只矿灯充电次数进行累计统计,根据实际充电次数和规定充电次数之差,判定该矿灯的剩余充电次数。
当剩余充电次数下降到规定值时,发出矿灯寿命终止告警信号,以便有关人员及时采购或更换矿灯。
(3)矿灯故障诊断和告警
根据采集的矿灯有关数据,工控计算机可判断各矿灯充电是否正常,如出现充电故障可发出矿灯故障告警信号。
(4)考勤管理
可在统计某时间段内某部门矿工的出勤情况,也可在某时间段内统计某工种矿工出勤情况,也可在某时间段内统计某工段矿工出勤情况,也可在某个时间段内统计某个矿工出勤情况。
并可连接矿工定位系统,在矿工领取矿灯后未下井时,可显示报警信号。
(5)矿灯管理
可对矿灯有关信息录入、删除、修改和查询,也可将不同矿灯生产企业的产品信息录入、删除、修改和查询对比各生产企业产品的优缺点,以便于产品选型。
(6)员工档案管理
可按部门、工种、工段和职务等对所有员工的有关信息录入、删除、修改和查询。
(7)查询统计及报表打印
可查询和统计员工档案管理、矿灯管理和考勤管理的所有信息,可打印报表,也可输出为多种文档格式的文件(Word\Excel\Txt\Pdf 等多种常用文件格式)。
2 、系统组成
矿灯充电管理系统由矿灯充电架、管理软件、操作维护终端以及其它辅助设备等组成。
3 、系统硬件需求
(1)操作系统:windowsxp ;
(2)数据库软件:Microsoft SQL Server 2000; (3)通讯转接器软件:集成采集卡程序; (3)预留网络连接端口; 五、无人值守灯房增加设备:
(一)增加LED 显示屏设备:
室内φ5.0单色显示屏(2M ×1M )
西安 异步控制器、系统
西安
LED 显示屏功能:
(1) LED 大屏可显示当日工作状况及人员公布情况,可直观的了解到井下人员分配情况。
(2) 便于监管部门考参井下各部门的人员到位情况。
(3)便于矿领导加强考勤工作及安全管理。
(二)、视频摄像监控设备
(1). 监控系统特点
·采用国际领先的H.264视频压缩算法
·支持四路音视频同步回放
·图像质量、监听音量可调
·录像质量、数据压缩率可调
·具有水印功能.防止非法篡改录像数据
·视频信号丢失及图像遮挡报警功能
·视频移动侦测报警录像功能
·视频区域屏蔽功能
·系统操作日志功能
·具有超强网络功能
·支持多语言方式(简体中文、繁体中文.英文等)
(2)显示
·单画面、四画面、六画面.七画面、八画面、九画面、十六画面、·高分辨率显示768x576(PAL)
·视频监视图像可电子缩放、还原和移动
·所有视频通道可随便定义显示位置
·可对各路的视频图像质量进行相应调节:亮度、对比度、色度、饱和度
·视频图像质量设置值可保存到五个暂存器中.还能根据白天或黑夜选择相应的值(可设定时自动切换)
(3)录像
·录像清晰度达400电视线
·支持多种录像方式:可编程定时录像、即时录像和报警录像
·三种方式的录像速度均可在1帧/秒一25帧/秒之间调节(4)回放
·支持单路音视频回放,支持四路视频同步回放(同时播放四路视频在同一时间的录像数据)
·支持四路视频非同步回放(可播放四路不同时间的录像数据) ·具有智能检索功能:可按摄像机、日期、时间、文件、录像模式检索
(5)其他
·视频区域屏蔽功能可对视频图像的任何区域(每屏768块)进行屏蔽设置
·系统操作日志功能(记录系统操作信息及报警信息)
·录像质量.压缩率可调节
·支持多级用户管理(支持指纹权限验证技术)
·WINDOWS桌面操作权限控制
·具有死机自动恢复功能(硬件看门狗)
(三)、无人值守灯房效果图:。