安装调试记录表
- 格式:docx
- 大小:13.71 KB
- 文档页数:1
设备现场调试记录表
设备现场调试检查记录表
编号:
单位名称:
现场地址:
单位负责人:
检查项目符合不符合
1.1 设备是否按要求安装到查阅工程图纸、施工位设计方案。
□ □
1.2 设备连接是否到位。
查看设备连接处的情况。
□ □
1.3 设备是否有出厂检验合格证。
审查设备的包装情况。
□ □
1.4 设备是否开机正常运行。
审查设备开启运行状态。
□ □
2.1 整体联合试验是否合格。
审查工程项目的设备计划方案。
□ □
2.2 每项设备设计是否达到要求。
□ □
2.3 设备连续运行是否合格。
查阅设备连续运行状况。
□ □
2.4 设备试运行试验是否满足要求。
检查设备的每项参考
图纸设计。
□ □
注:如有不符合项,请在下方详细说明问题。
本次设备现场调试检查记录表共检查了设备的安装、连接、出厂检验合格证、开机运行、整体联合试验、每项设备设计、设备连续运行和试运行试验等方面。
其中,设备安装是否符合要求、设备连接是否到位、设备出厂检验合格证是否齐全、设备开机正常运行、整体联合试验是否合格、每项设备设计是否达到要求、设备连续运行是否合格和试运行试验是否满足要求等项目,均需进行详细检查。
如有不符合项,请在下方详细说明问题,并及时进行整改,确保设备正常运行。
设施安装调试报告
设施简要描绘
设施名称
FinetidaFD-NVR8016H-8F
硬盘录像机设施
型号
安装记录
零件名称
机柜安装地点新主楼监控机房
注意事项1、检查设施加电状况。
2、设施上架要将螺丝固定好。
3、
线路连结正常
操作结果安装成功安装工程
师
加电、调试记录
加电后设施运转状况:运转正常
调试后设施运转状况:运转正常
安装工程师署名:
设施配置记录(按实质配置调试次序详尽记录)
配置内容1、配置硬盘录像机信号地点等。
2、配置摄像头有关参数。
3、配置各显示地点
操作目的达成本次工程实行方案中规定的配置任务
注意事项1、参数配置的一致性。
2、所用要严格按安装要求进行安装
单机调试结论
设施安装结论:
设施正常安装至机柜、设施系统运转正常。
客户人员署名(盖印):
安装工程师署名:。
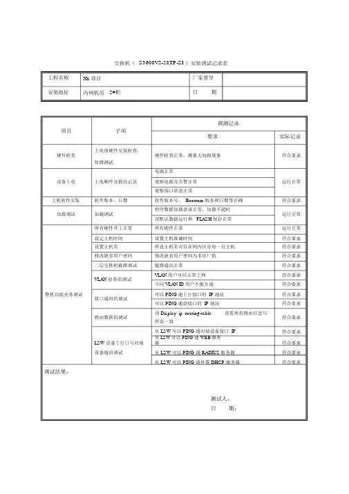
交换机(S3600V2-28TP-SI)安装调试记录表
工程名称Xx 项目厂家督导
安装地址内网机房2#柜日期
调测记录
项目子项
要求实际记录
硬件检查上电前硬件安装检查,
硬件检查正常,测量无短路现象符合要求短路测试
电源正常
设备上电上电顺序及情况记录观察电源及告警正常运行正常
观察端口状态正常
主机软件安装软件版本、日期软件版本号、 Bootrom 版本和日期等正确符合要求
加载调试加载调试程序数据加载请求正常,加载不超时
运行正常用默认数据运行和 FLASH保存正常
所有硬件开工正常所有硬件正常运行正常设定主机时间设置主机准确时间符合要求设置主机名所设主机名可以在网内区分每一台主机符合要求修改缺省用户密码修改缺省用户密码为非出厂值符合要求二层交换机链路调试链路通讯正常符合要求
VLAN业务的调试VLAN用户可以正常上网符合要求不同 VLAN ID 用户不能互通符合要求
整机功能业务调试
接口通讯的调试
可以 PING通上行接口的 IP 地址符合要求
可以 PING通虚接口的 IP 地址符合要求
路由数据的调试用 Display ip routing-table查看所有路由信息与
符合要求所设一致
从 LSW可以 PING 通对端设备接口 IP符合要求
LSW设备上行口与对端从 LSW可以 PING 通 WEB服务
器符合要求
设备通讯调试从 LSW可以 PING 通 RADIUS服务器符合要求
从 LSW可以 PING 通外置 DHCP服务器符合要求调试结果:
测试人:
日期:。
旁站记录表(管道安装调试)项目信息
- 项目名称:[项目名称]
- 项目编号:[项目编号]
- 工程部位:[工程部位]
- 旁站日期:[旁站日期]
旁站人员
- 旁站人员:[旁站人员姓名]
- 项目负责人:[项目负责人姓名]
- 工程师:[工程师姓名]
旁站内容
1. 安装情况:
- 管道的安装位置是否符合设计要求?
- 管道的连接方式是否正确?
- 管道的补偿措施是否到位?
2. 材料确认:
- 管道所用材料是否符合规范要求?
- 材料的质量是否合格?
3. 管道试运行:
- 管道的试运行情况如何?
- 是否存在泄漏或其他问题?
- 是否满足设计要求?
4. 注意事项:
- 对于发现的问题和不合格情况,需要采取什么措施?- 需要进一步跟进处理的事项有哪些?
- 是否需要与相关部门或供应商进行沟通?
旁站结论
根据旁站的情况和评估,我们得出以下结论:
1. 管道安装情况良好,符合设计要求。
2. 管道所用材料质量合格。
3. 管道试运行顺利,未发现泄漏或其他问题。
4. 需要采取措施解决的问题和不合格情况已记录,并将与相关部门进行沟通和跟进处理。
旁站记录人员
- 记录人员:[记录人员姓名]
- 日期:[记录日期]
以上为旁站记录表,仅供参考。
如有需要,请及时与相关人员进行核实和确认。