模板安装工程检验批质量验收记录表
- 格式:docx
- 大小:48.78 KB
- 文档页数:20
模板、支架和拱架安装检验批质量验收记录填写模板范本1. 项目概述为确保模板、支架和拱架安装工程质量,特制定此检验验收记录,对安装工程进行检验验收。
本文档详细记录了模板、支架和拱架安装过程中的质量验收记录,以确保工程符合相关规范和标准。
2. 安装基本信息•工程名称:[工程名称]•工程地点:[工程地点]•施工单位:[施工单位]•质检单位:[质检单位]•施工时间:[施工时间]•质检时间:[质检时间]3. 检验内容3.1. 模板安装质量验收模板安装过程中需检验以下内容:•模板材料的合格证明和检验报告•模板安装是否符合设计要求•模板的固定性和稳定性•模板的表面是否光滑平整•模板接缝是否严密3.2. 支架安装质量验收支架安装过程中需检验以下内容:•支架的材质和型号是否符合设计和规范要求•支架的平整度和垂直度是否满足要求•支架的固定性和稳定性•支架的连接件和钢板是否齐全,并符合要求3.3. 拱架安装质量验收拱架安装过程中需检验以下内容:•拱架的材质和型号是否符合设计和规范要求•拱架的尺寸和位置是否符合设计要求•拱架的焊接质量是否合格•拱架的连接件和螺栓是否齐全,并符合要求4. 检验结果记录4.1. 模板安装检验结果记录以下为模板安装的检验结果记录表:序号检验项目标准要求实际验收情况备注1 模板材料合格证明和检验报告- - -2 模板安装是否符合设计要求- - -3 模板固定性和稳定性- - -4 模板表面是否光滑平整- - -5 模板接缝是否严密- - -4.2. 支架安装检验结果记录以下为支架安装的检验结果记录表:序号检验项目标准要求实际验收情况备注1 支架材料和型号是否符合要求- - -2 支架平整度和垂直度是否满足要求- - -3 支架固定性和稳定性- - -4 支架连接件是否齐全- - -4.3. 拱架安装检验结果记录以下为拱架安装的检验结果记录表:序号检验项目标准要求实际验收情况备注1 拱架材料和型号是否符合要求- - -2 拱架尺寸和位置是否符合要求- - -3 拱架焊接质量是否合格- - -4 拱架连接件是否齐全- - -5. 结论经过质检单位对模板、支架和拱架安装工程的检验验收,现结论如下:•模板安装检验结果:合格 / 不合格•支架安装检验结果:合格 / 不合格•拱架安装检验结果:合格 / 不合格如有不合格现象,请施工单位及时整改,并重新申请验收。
目录一、钢筋制安:钢筋笼、承台与基础梁、一层、二层、顶层(1-10)二、混凝土原材料及配合比设计检验:桩基础、承台与基础梁、一层--顶层梁柱板楼梯(11-15)三、混凝土施工:桩基础、承台与基础梁、一层-顶层梁柱板楼梯(16-20)四、模板安装工程:承台与基础梁、一层-顶层梁柱板楼梯(21-24)五、模板拆除工程:承台与基础梁、一层-顶层梁柱板楼梯(25-28)六、清水砌体勾缝工程:29七、石砌体工程:石档土墙1-3(30-32)八、水泥混凝土垫层:33九、水泥砂浆面层工程:一层、二层、三层、屋面层(33-37)十、砖砌体工程:一层、二层、三层(38-40)十一、一般抹灰工程:室内外41十二、装饰抹灰工程:室内外面砖基层42十三、护栏和扶手制作与安装工程43十四、门窗套制作与安装工程44十五、木门窗制作工程:45十六、门窗安装工程:46十七、金属窗安装工程:47(Ⅰ)010602□□(Ⅱ)010602□□(Ⅰ)010602□□(Ⅱ)010602□□(Ⅰ)010602□□(Ⅱ)010602□□(Ⅰ)010602□□(Ⅱ)010602□□(Ⅰ)010602□□钢筋安装工程检验批质量验收记录表GB50204—2002(Ⅱ)010602□□(Ⅰ)010603□□(Ⅰ)010603□□(Ⅰ)010603□□(Ⅰ)010603□□(Ⅰ)010603□□010603□□010603□□010603□□010603□□混凝土施工检验批质量验收记录表GB50200—2002(Ⅱ)010603□□模板拆除工程检验批质量验收记录表GB50204—2002(Ⅲ)010601□□(Ⅲ)010601□□(Ⅲ)010601□□(Ⅲ)010601□□清水砌体勾缝工程检验批质量验收记录表GB50210—2001水泥混凝土垫层检验批质量验收记录表GB50209—2002(VII)砖砌体工程检验批质量验收记录表GB50203—2002护栏和扶手制作与安装工程检验批质量验收记录表GB50210—2001门窗套制作与安装工程检验批质量验收记录表GB50210—2001木门窗制作工程检验批质量验收记录表GB50210—2001(Ⅰ)门窗安装工程检验批质量验收记录表GB50210—2001(Ⅱ)金属门窗安装工程检验批质量验收记录(GB50210-2001)表5.3编号:030302。
A段三层顶板、梁、楼梯12345678910
1 4.2.1条
2 4.2.2条12345678910
1 4.2.3条
2 4.2.4条
3 4.2.5条--一般项目模板及其支架强度、承受荷载
的承载能力规范规定
规范规定
分包单位主控项目涂刷隔离剂 --项目经理专业工长混凝土结构工程施工质量验收规范GB50204-2002----
模板接缝、涂刷隔离剂、表面
清理、清水混凝土和装饰混凝
土外观质量用作模板的地坪、胎模表面质
量≥4m的现浇钢筋混凝土梁、板
起拱高度模板安装工程检验批质量验收记录(表一)
工程名称
施工单位
施工执行标准名
称及编号
验收部位√
施工班组
长
√
√
监理(建设)单位
验收记录√
施工单位检查评定记录
√
分包项目经理施工单位检查评定记录。
模板安装工程查验批报验申请表工程名称:编号:致贵州建工监理:(监理单位)工作,现报上该工程报验申请我单位已达成了表,请予以审察和查收。
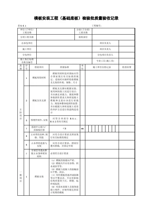
附件:模板安装工程查验批质量查收记录 1 份包办单位(章):项目经理:日期:审察建议:项目监理机构:总 / 专业监理工程师:日期:模板安装工程查验批质量查收记录表GB50204-2002单位(子单位)工程名称分部(子分部)工程名称查收部位施工单位项目经理施工履行标准名称及编号混凝土构造工程施工质量查收规范( GB50204-2002 )施工质量查收规范的规定监理(建设)单位施工单位检查评定记录查收记录主模板支撑、立柱地点和垫板第 4.2.1 条1控项防止隔绝剂沾污第 4.2.2 条2目1 模板安装的一般要求第 4.2.3 条2 用作模板地坪、胎膜质量第 4.2.4 条3 模板起拱高度第 4.2.5 条预埋钢板中心线地点( mm ) 3预埋预埋管、预留孔中心线地点3 (mm )件、中心线地点( mm ) 5 预留插筋4 外露长度(mm )+10,0孔允一预埋螺中心线地点( mm ) 2 许偏般栓外露长度(mm )+10,0 差项中心线地点( mm )10预留洞目尺寸(mm )+10,0轴线地点(mm ) 5底模上表面标高( mm )±5 模板截面内部尺寸基础±105 安装(mm )柱、墙、梁+4,-5 允许层高垂直度不大于 5m6 误差(mm )大于 5m 8 相邻两板表面高低差( mm ) 2表面平坦度( mm ) 5施工单位检查评定结果合格专业工长(施工员)项目专业质量检查员:施工班组长年月日监理(建设)单位查收结论专业监理工程师:(建设单位项目专业技术负责人):年月日模板拆掉工程查验批报验申请表工程名称:编号:致贵州建工监理:(监理单位)我单位已达成了工作,现报上该工程报验申请表,请予以审察和查收。
附件:模板拆掉工程查验批质量查收记录 1 份包办单位(章):项目经理:日期:审察建议:项目监理机构:总 / 专业监理工程师:日期:模板拆掉工程查验批质量查收记录表GB50204-2002(Ⅲ)单位(子单位)工程名称分部(子分部)工程名称施工单位施工履行标准名称及编号施工质量查收规范的规定底模及其支架拆掉时的混凝土1强度主控后张法预应力构件侧模和底模项2的拆掉时间目3后浇带拆模和支顶一1 防止拆模损害般项目2 模板拆掉、堆放和清运施工单位检查评定记录第 4.3.1 条第 4.3.2 条第 4.3.3 条第 4.3.4 条第 4.3.5 条010601020101查收部位项目经理监理 (建设 )单位查收记录专业工长(施工员)施工班组长施工单位检查评定结果项目专业质量检查员:年月日监理(建设)单位查收结论专业监理工程师:(建设单位项目专业技术负责人):年月日钢筋加工工程查验批报验申请表工程名称:编号:致贵州建工监理:(监理单位)我单位已达成了工作,现报上该工程报验申请表,请予以审察和查收。
模板安装工程检验批报验申请表
工程名称:编号:
模板安装工程检验批质量验收记录表
GB50204-2002
模板拆除工程检验批报验申请表
工程名称:编号:
模板拆除工程检验批质量验收记录表
GB50204-2002
(Ⅲ)
钢筋加工工程检验批报验申请表
工程名称:编号:
钢筋加工检验批质量验收记录表
GB50204-2002
(Ⅰ)
钢筋安装工程检验批报验申请表
工程名称:编号:
钢筋安装工程检验批质量验收记录表
GB50204-2002(Ⅱ)
混凝土原材料及配合比检验批报验申请表
工程名称:编号:
混凝土原材料及配合比检验批质量验收记录表
GB50204-2002
(Ⅰ)
混凝土施工工程检验批报验申请表
工程名称:编号:
混凝土施工检验批质量验收记录表
GB50204-2002
(Ⅱ)
钢筋原材料工程检验批报验申请表
工程名称:编号:
钢筋原材料工程检验批质量验收记录表
GB50204-2002
(Ⅰ)
钢筋连接工程检验批报验申请表
工程名称:编号:
钢筋连接工程检验批质量验收记录表
GB50204—2002 010602□□。