轮扣式满堂架支模体系技术交底大全
- 格式:doc
- 大小:3.91 MB
- 文档页数:9
轮扣式支模架技术交底范文一、施工准备。
1. 材料准备。
轮扣式脚手架的杆件必须有产品合格证和质量检验报告,那些个没证的杆件可不能用啊,就像没身份证的人不能随便进重要场所一样。
咱这杆件要顺直,不能弯弯曲曲的,要是杆件本身就像麻花似的,这架子能稳吗?还有配套的底座和顶托,这俩也很关键。
底座得能稳稳地站在地上,顶托要能灵活调整高度,就像人的脚和头顶,都得好好发挥作用。
模板也得选好,要符合咱工程的尺寸和质量要求,可不能随便拿块板子就往上凑。
2. 场地准备。
咱们施工的场地得平整坚实,如果场地坑坑洼洼的,就像在烂泥地里盖房子,这架子肯定立不稳。
所以在搭架子之前,一定要把场地处理好,该填土的填土,该压实的压实。
另外,周围的杂物得清理干净,那些个砖头瓦块的在旁边,不仅影响咱干活儿,还可能绊倒人,造成安全事故呢。
二、轮扣式支模架的搭设。
1. 立杆布置。
立杆的间距可不能瞎定啊,得根据模板支撑体系的设计方案来。
一般来说,就像排兵布阵一样,要有个合理的布局。
纵向间距和横向间距都要严格按照要求,这样整个架子的受力才均匀。
要是间距过大或者过小,就像队伍站得太稀或者太密,都不利于战斗,哦不,不利于支撑模板和承受荷载。
立杆的底部一定要设置底座,就像人得穿鞋一样,这底座能增大受力面积,让立杆站得更稳。
而且,底座要放在坚实的地面上,不能有悬空的情况,要是有地方空着,那就相当于人踩在半空中,肯定得摔跟头。
2. 横杆安装。
横杆要与立杆连接牢固,这就好比人的胳膊和身体得紧密相连。
连接的时候要用专用的扣件,拧紧了,可不能松松垮垮的。
横杆的步距也要按照设计来,它就像楼梯的台阶一样,每一步的高度都有讲究,这样才能保证整个架子的稳定性。
在安装横杆的时候,要注意水平度,不能一边高一边低。
要是横杆不平,就像桌子腿不一样长,那放在上面的模板也会歪歪斜斜的,这可不行。
3. 剪刀撑设置。
剪刀撑可是支模架的稳定器,就像斜着的拉绳能把帐篷撑得更稳一样。
剪刀撑要按照一定的角度和间距设置,一般是与地面成45° 60°角。
轮扣式支模架施工方案交底一、工程概况与特点本次施工工程位于XX市XX区,是一栋XX层高的商业办公楼。
工程结构为钢筋混凝土框架结构,主要特点是结构复杂,对支撑体系要求高。
考虑到工程的复杂性和对安全性的高度要求,我们选择轮扣式支模架作为本次施工的主要支撑体系。
二、施工准备与部署在施工前,我们将进行详细的现场勘查,了解地质条件、周围环境、交通状况等。
根据勘查结果,我们将制定详细的施工部署,包括施工人员的组织、施工材料的采购与运输、施工设备的调配等。
同时,我们将组织施工人员进行技术交底和安全培训,确保施工过程的顺利进行。
三、轮扣式脚手架特点轮扣式脚手架是一种新型的脚手架系统,具有搭设简便、拆卸快捷、受力性能好等优点。
它的轮扣连接方式可以快速锁紧,大大提高了脚手架的整体稳定性。
此外,轮扣式脚手架还具有较高的重复使用性,可以有效降低施工成本。
四、施工要点及技术参数在施工过程中,我们将严格按照相关技术规范进行施工,确保每个施工环节都符合设计要求。
具体技术参数包括脚手架的立杆间距、水平杆步距、剪刀撑设置等,都将根据工程实际情况进行精确计算。
五、脚手架布置与搭设在脚手架的布置和搭设过程中,我们将遵循“稳固、可靠、安全、经济”的原则,确保脚手架的承载能力和稳定性。
同时,我们还将加强对脚手架的日常维护和检查,及时发现问题并进行处理。
六、安全技术交底内容在安全技术交底中,我们将重点强调以下几点:一是严格遵守脚手架搭设和拆除的操作规程;二是正确使用安全防护设施和个人防护用品;三是定期进行安全检查和维护保养;四是发现安全隐患及时上报和处理。
七、模板质量标准与要求本次工程采用的模板材料应符合国家标准和规范要求,具有良好的抗折、抗压性能。
在施工过程中,我们将严格按照模板的设计尺寸进行加工和安装,确保模板的平整度和垂直度。
同时,我们还将加强对模板的日常维护和保养,确保模板的使用寿命和施工质量。
八、成品保护与节约措施在施工过程中,我们将采取一系列成品保护措施,包括设置警示标志、加强施工现场管理等,以防止成品被损坏或污染。
轮扣式支模架安全技术交底轮扣式支模架安全技术交底工程名称:模板支撑体系搭设和拆除施工单位:XXX建设单位:XXX作业部位:2#栋交底部门:安全部、工程部、技术部交底人:接受交底班组或员工签名:技术交底:在搭设轮扣式支撑体系架子之前,应对工人进行新工艺的技术交底工作,交底的重点如下:1.轮扣式脚手架搭设不宜在基层不硬实、地面不平整和未进行混凝土硬化的地面上。
2.轮扣式支撑体系扣件必须插牢固,保证不会自拔。
3.按规范要求(架体高度超过4个步距)每隔五跨设置剪刀撑。
4.可调支座伸出最顶层水平杆的距离小于650mm。
5.作为扫地杆的最底层水平杆高度小于550mm。
6.对一层结构部分每隔5跨由底到顶设置剪刀撑,剪刀撑设置角度为45~60度。
7.对顶板,由于轮扣式脚手架的支设高度不一定能正好到达梁底,因此,在轮扣式脚手架顶端,加设U型托进行顶板标高的立杆高度调整。
立杆顶部U型托丝杆外露不得超过20CM,如果超过则进行适当调整,可在轮扣式支架下部再加设一个U型托,即立杆最上端与最下端各设置一个U型托,保证U托外露丝扣小于20CM,确保支架及U型托的受力稳定。
8.沿楼最外侧四周设置由下至上的竖向连续式通长剪刀撑,剪刀撑用钢管、扣件搭设。
安全交底:1.支撑体系搭设人员应经过专门的技术培训,是熟练工人。
2.操作工在作业时严禁喝酒或带病作业。
3.操作工在上架时必须戴安全帽、安全带,穿防滑鞋等。
高支模拆除时应系好安全带,防止坠落。
4.在搭设和拆除时,操作应控制好施工噪声,并轻拿轻放,不得直接将扣管抛掷。
5.在垂直运输时,小于1米的钢管必须采用料斗进行运输(油顶、扣件)。
施工单位:中建五局工程名称:金时花园二期项目单位工程18#主体施工分部(分项)工程模板工程交底内容支模架搭设安全技术交底日期1、进入施工现场操作人员必需戴好安全帽,扣好帽带。
操作人员严禁穿硬底鞋及有跟鞋作业。
2、轮扣式脚手架节点由轮盘、插头、立杆焊接而成,立杆是在一定长度焊管上按每隔600cm间距依据特定技术指标焊接一只轮盘,尾部焊接一个套管,横杆在一定长度焊管两端接特定技术指标各焊接一个插头。
3、搭接时把横杆插头插入立杆焊接轮盘对应锥形长孔内,用铁锤向下敲击横杆插头即可达成锁紧目标,每只轮盘可同时在水平方向上连接四只横杆,把一根立杆底部插入另一根立杆顶部即可达成向上加高目标。
4、轮扣式脚手架在使用,运输过程中严禁高处抛下,不得严重摔、撞,预防变形,存放时,注意预防锈蚀。
5、在进行平板模、梁底搭设时,必需用专门、同型号横肉杆进行搭设,不得在顶托上一侧上一个扣件另搭设横杆加固方法,这么很轻易造成楼板砼浇筑时荷载过大,支模体系变形或坍塌安全事故。
(具体搭设方法见上图)。
6、支模体系搭设时不能和外架相连,以预防架体变形或重心失稳。
交底人姓名安全员姓名职务项目总工接收交底人(施工员):施工单位:中建五局工程名称:金时花园二期项目单位工程20#主体施工分部(分项)工程模板工程交底内容轮扣式支模架搭设交底日期1、进入施工现场操作人员必需戴好安全帽,扣好帽带。
操作人员严禁穿硬底鞋及有跟鞋作业。
2、轮扣式脚手架节点由轮盘、插头、立杆焊接而成,立杆是在一定长度焊管上按每隔600cm间距依据特定技术指标焊接一只轮盘,尾部焊接一个套管,横杆在一定长度焊管两端接特定技术指标各焊接一个插头。
3、搭接时把横杆插头插入立杆焊接轮盘对应锥形长孔内,用铁锤向下敲击横杆插头即可达成锁紧目标,每只轮盘可同时在水平方向上连接四只横杆,把一根立杆底部插入另一根立杆顶部即可达成向上加高目标。
4、轮扣式脚手架在使用,运输过程中严禁高处抛下,不得严重摔、撞,预防变形,存放时,注意预防锈蚀。
一、交底目的为确保满堂支撑架施工过程中的安全,提高施工人员的安全意识,预防安全事故的发生,特制定本安全技术交底。
二、适用范围本交底适用于满堂支撑架的搭设、使用、拆除等全过程。
三、交底内容1. 施工人员要求(1)所有参与满堂支撑架施工的人员必须经过专业培训,取得相关操作资格。
(2)施工人员必须熟悉满堂支撑架的安全操作规程,严格遵守各项安全规定。
(3)施工人员必须佩戴好个人防护用品,如安全帽、安全带、防滑鞋等。
2. 施工材料要求(1)满堂支撑架所用材料必须符合国家标准,确保材料质量。
(2)钢管、扣件等材料应保持干燥、清洁,不得有锈蚀、裂纹等现象。
(3)模板、支撑等材料应无变形、损坏,确保结构稳定性。
3. 施工现场要求(1)施工现场应设置明显的警示标志,禁止无关人员进入施工区域。
(2)施工现场应保持整洁,通道畅通,确保施工人员通行安全。
(3)施工现场应配备必要的安全防护设施,如安全网、防护栏杆等。
4. 搭设要求(1)搭设前,应先对施工现场进行勘察,确保地基承载力符合要求。
(2)搭设时,应按照设计图纸和施工方案进行,确保支撑架结构稳定。
(3)立杆底部应设置底座或垫板,确保支撑架与地基接触牢固。
(4)立杆间距、水平杆间距、斜杆间距等应符合设计要求。
(5)支撑架应设置剪刀撑,确保结构稳定性。
5. 使用要求(1)使用满堂支撑架时,应定期检查支撑架的稳定性,发现问题及时处理。
(2)施工过程中,严禁超载使用满堂支撑架。
(3)施工人员不得在支撑架上行走、站立,避免发生意外。
6. 拆除要求(1)拆除满堂支撑架前,应先确认施工区域安全,并通知相关人员。
(2)拆除时,应从上至下、从外至内进行,确保拆除过程安全。
(3)拆除过程中,严禁抛掷材料,防止发生意外伤害。
(4)拆除后的材料应分类堆放,及时清理施工现场。
四、注意事项1. 施工过程中,如遇恶劣天气,应暂停施工,确保人员安全。
2. 施工人员应严格遵守操作规程,不得违章作业。
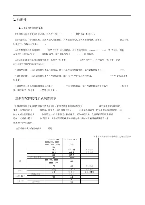
1. 构配件1.1 主要构配件规格要求1.1.1横杆端插头应焊接于横杆的两端,其厚度不应小于10mm下伸的长度L不应小于45mmo1.1.2 横杆端插头应与轮扣盘匹配,端插头插入轮扣盘内,其外表面应与轮扣内表面相吻合,并保证锤击自锁后不拔脱,抗拔力不得小于3kN 。
1.1.3 立杆和横杆宜采用截面直径48.3mm 壁厚不小于3.2mm 规格的钢管。
立杆的长度宜为600mm、900mm 1200mm 1500mm 1800mm 2100mm和2400mm等规格,轮扣盘在立杆上的间距宜按0.6m 的模数设置,横杆的长度宜为600mm 900mm 1200mm 1500m m和1800mm等规格。
1.1.4 立杆之间的连接应采用立杆插套连接,其壁厚不应小于3.2mm,长度不应小于160mm,外伸长度不应小于100mmo套管内径与立杆钢管外径间隙不应大于 1.5mm。
1.1.5 可调底座由螺杆、立杆调位螺母和底座板组成,螺杆与底座板应焊接牢固,底座钢板厚度不应小于6mm。
1.1.6可调托撑由螺杆、立杆调位螺母和“U'型钢板组成,螺杆与“ U”型钢板应焊接牢固,“U'型钢板厚度不应小于5mm。
1.1.7可调底座和可调托撑的螺杆外径不应小于36mm,宜采用梯形螺纹。
螺杆与调位螺母的旋合长度不应少于5扣,螺母高度不应小于30mm,厚度不应小于5mm2. 主要构配件的材质及制作要求2.2.1 轮扣式钢管脚手架的构配件除有特殊要求外,轮扣式脚手架的钢管应符合GB/T13793 或GB/T3091中规定的Q235 普通钢管的要求,其材质应符合GB/T 700 的规定。
轮扣盘、横杆端插头以及可调螺母的调节手柄采用碳素铸钢制造时,其材料机械性能不得低于GB/T 11352 中牌号为ZG 230—450 的屈服强度、抗拉强度、延伸率的要求。
支座螺杆采用碳素钢制造时,其材质应符合GB/T 700 中Q235 的规定。
技术交底记录表C2-1编号工程名称贵阳市 2014 年城市棚户区改造项目(二期)-南明区见龙洞路 127 号地块改造项目交底日期2016年11月3日施工单位中铁城建集团第一工程有限公司分项工程名称满堂脚手架工程交底提要施工准备、施工工艺及流程、质量要求、安全措施等交底内容一、施工准备1、前期做好支撑体系的放线定位,使支撑体系横平竖直,以保证后期剪刀撑和整体连杆的设置,确保其整体稳定性和抗倾覆性。
2、轮扣式脚手架安装基础必须要夯实平整并采取混凝土硬化措施。
3、轮扣式脚手架宜使用同一标高的梁板底板的标高范围。
4、架体搭设完成后要加设足够的剪刀撑,在顶托与架体横杆300mm的距离要增设足够的水平拉杆、水平剪刀撑,使其整体稳定性得到可靠的保证;5、轮扣式脚手架附图片。
6、材料准备(1)各类材、工具劳动力以及防护用具施工前到位。
(2)根据施工工期间的工程量、施工进度,确定材料的数量及进场时间,对于发生变形、翘角、起皮及平面不平整的模板,及时组织退场。
(3)原材料进场后,堆放整齐,上部覆盖严密,下部垫起架空,防止日晒雨淋。
(4)模板放置:模板在工地加工成型后,下面用木方垫平,防止变形,并应对模板型号、数量进行清点。
用油漆在编好号的模板上作标记,堆放于现场施工段内,便于吊装。
二、轮扣式脚手架搭设原则首先进行满堂轮扣式脚手架的搭设,按照梁轴线往两侧,每边0.3~0.4米设一排立杆1、正对柱子、梁的部位,为满足梁、柱尺寸,及模板安装需要,立杆可根据实际情况调整,但是不得大于1.5m。
其他部位,立杆每排间距900mm。
2、对柱边,先少支一排轮扣式脚手架,进行模板支设,柱子模板支完后,用钢管、十字扣件固定在轮扣式脚手架上,对U型托的丝扣进行调整,确保支撑对框架柱的加固牢固。
3、对楼梯踏步的模板,由于模板架支撑是斜向的,采用钢管、扣件进行固定。
4、对顶板,由于轮扣式脚手架的支设高度不一定能正好到达梁底,因此,在轮扣式脚手架顶端,加设U型托进行顶板标高的立杆高度调整。
1.构配件1.1主要构配件规格要求横杆端插头应焊接于横杆的两端,其厚度不应小于,下伸的长度不应小于。
横杆端插头应与轮扣盘匹配,端插头插入轮扣盘内,其外表面应与轮扣内表面相吻合,并保证锤击自锁后不拔脱,抗拔力不得小于。
立杆和横杆宜采用截面直径壁厚不小于规格的钢管。
立杆的长度宜为 ................ 和等规格,轮扣盘在立杆上的间距宜按的模数设置,横杆的长度宜为、、、和等规格。
立杆之间的连接应采用立杆插套连接,其壁厚不应小于,长度不应小于,外伸长度不应小于。
套管内径与立杆钢管外径间隙不应大于。
可调底座由螺杆、立杆调位螺母和底座板组成,螺杆与底座板应焊接牢固,底座钢板厚度不应小于。
可调托撑由螺杆、立杆调位螺母和“”型钢板组成,螺杆与“”型钢板应焊接牢固,“”型钢板厚度不应小于。
可调底座和可调托撑的螺杆外径不应小于,宜采用梯形螺纹。
螺杆与调位螺母的旋合长度不应少于扣,螺母高度不应小于,厚度不应小于。
.主要构配件的材质及制作要求轮扣式钢管脚手架的构配件除有特殊要求外,轮扣式脚手架的钢管应符合或中要求的普通钢管的要求,其材质应符合的要求。
轮扣盘、横杆端插头以及可调螺母的调节手柄采用碳素铸钢制造时,其材料机械性能不得低于中牌号为一的屈服强度、抗拉强度、延伸率的要求。
支座螺杆采用碳素钢制造时,其材质应符合中的要求。
调节螺母采用碳素铸钢制造时,其材料应采用机械性能不低于中要求的一牌号的铸钢。
主要构配件允许偏差应按表采用。
表主要构配件的制作质量及允许公差要求构配件名称检查项目公称尺寸()允许偏差()检测工具立杆长度、、、、、、、±钢卷尺厚度》土游标卡尺外径土游标卡尺轮扣盘间距土钢卷尺杆件垂直度一专用量具横杆长度±钢卷尺轮扣盘厚度》土游标卡尺端插头厚度>±游标卡尺长度>±游标卡尺可调托撑托撑板厚度>±游标卡尺丝杆外径>±游标卡尺可调底座底座板厚度>±游标卡尺丝杆外径>±游标卡尺注:为杆长。
满堂轮扣式脚手架技术交底背景介绍在建设工程中,搭建脚手架是十分重要和常见的一项工作。
脚手架的搭建要满足安全、牢固、稳定等要求,以保障工人的安全和工程的质量。
在脚手架的搭建中,满堂轮扣式脚手架是一种经典的搭建方式,它的搭建方式简单、方便,能够实现高度的灵活性和适应性,被广泛应用于建设工程中。
本文将对满堂轮扣式脚手架的技术进行交底,从而实现对该项技术的全面了解和掌握。
满堂轮扣式脚手架的概述满堂轮扣式脚手架是一种以钢管和扣件为主要构件的脚手架。
它的主要特点是构件之间的扣合靠的是轮扣式的扣件,而不是常规的螺栓和螺母,因此可以实现快速、方便、安全的搭建。
满堂轮扣式脚手架的构件主要包括标准柱、横梁、竖杆、平台、扶手等,各个构件之间通过扣件连接,形成一种具有强大承载能力和稳定性的结构体系。
满堂轮扣式脚手架可适用于电力、化工、造船、建筑等各个领域的工程,广泛应用于各类大型工程和场馆的搭建。
满堂轮扣式脚手架的搭建要素满堂轮扣式脚手架的搭建要素主要包括以下几个方面:1. 施工图纸施工图纸是脚手架搭建的基础,必须在施工前制定完整的施工图纸,包括方案设计、结构布置、构件型号和数量等各个方面的信息。
2. 模板制作在满堂轮扣式脚手架的搭建过程中,需要制定各个构件的制作模板,并按照模板进行制作。
模板制作的质量将直接影响到后续脚手架的承载力、连接质量和稳定性,必须严格按照要求进行制作。
3. 材料准备搭建满堂轮扣式脚手架需要各种构件(钢管、扣件、螺丝等)和辅助器具(卡子、盘车、终端锤等),必须在施工前准备齐备。
4. 地基处理脚手架的基础必须稳固,必须进行地基处理,保证基础平整、坚实,并加固连接处,才能保证搭建后的脚手架能够稳固、安全地使用。
5. 搭建步骤【第一步】竖杆搭建:将竖杆按照图纸要求排列固定,竖杆的数量和分布要合理。
【第二步】横梁搭建:将横梁按照要求布置在竖杆上,并按照相应的标准杆和横向竖杠连接,保证横梁的稳固性和承载力。
轮扣式支模架技术交底范文一、工程概况。
咱们这个工程呀,有不少地方要用到轮扣式支模架来支撑模板呢。
比如说那些楼板呀,梁呀,都得靠它稳稳当当撑着,这样才能保证咱们混凝土浇筑的时候不出乱子,最后建成的结构那是又结实又好看。
二、材料要求。
# (一)轮扣式脚手架。
1. 这轮扣式脚手架的杆件可不能随便用。
它的立杆、横杆得是符合国家标准的,管壁厚度一定要达标,就像人穿衣服得合身一样,太薄了可不行,容易出危险。
咱在进场的时候得仔细检查,看看有没有弯曲变形的,有没有裂缝的,如果有,那就坚决不能用,这就好比选士兵上战场,身体不健康的肯定不行。
2. 轮扣节点那是相当重要的部位。
这个节点要连接牢固,转轮得能灵活转动,这样在安装的时候才能顺利把杆件连接起来。
如果节点有问题,那整个支模架就像没系紧鞋带的鞋子,跑两步就散架了。
# (二)模板。
1. 模板的质量也得把关。
表面要平整光滑,不能坑坑洼洼的,不然混凝土浇筑出来的面就像月球表面似的,全是坑。
厚度也要符合要求,太薄了在浇筑的时候容易被压坏,那咱们前面的努力就白费了。
2. 模板的材质也要注意,要根据工程的实际情况来选择合适的模板,就像不同的菜得用不同的锅炒一样。
有的地方可能需要木模板,有的地方用塑料模板或者钢模板更好,这都得根据实际需求来定。
三、支模架搭设。
# (一)基础处理。
1. 在搭支模架之前呀,咱们得先把基础整好了。
基础必须坚实、平整,就像盖房子要打个好地基一样。
如果基础不平,支模架搭起来就会东倒西歪的,就像站在斜坡上的醉汉,站都站不稳。
如果基础不坚实,承受不了支模架和混凝土的重量,那可就麻烦大了,整个结构可能就会塌下来。
2. 如果是在软土地基上,咱们得进行处理。
可以采用换填、夯实等方法,让地基变得结实起来。
这就好比给软弱的人补充营养,让他变得强壮。
# (二)立杆布置。
1. 立杆的间距可是有讲究的。
要根据梁、板的尺寸和荷载来确定,不能太密也不能太稀。
太密了浪费材料,太稀了又支撑不住。
一、交底目的为确保轮扣支模架施工过程中的安全,降低安全事故的发生概率,特制定本安全技术交底。
二、适用范围本交底适用于所有轮扣支模架的安装、拆除及使用过程。
三、交底内容1. 施工前准备(1)组织施工人员进行安全技术培训,确保全体人员熟悉本交底内容。
(2)检查轮扣支模架的完好性,确保所有部件齐全、无损坏。
(3)对施工现场进行安全检查,确保场地平整、排水畅通,无障碍物。
2. 轮扣支模架安装(1)安装前,检查基础垫层的平整度,确保满足要求。
(2)按照设计要求,合理布置支模架,确保其稳定性。
(3)使用专用工具进行连接,确保连接牢固。
(4)支模架立柱底部应设置垫板,防止地面不均匀沉降。
(5)安装过程中,严禁在支模架上站立、行走。
3. 高处作业(1)2米以上高处作业,必须设置安全防护措施。
(2)高处作业人员必须佩戴安全帽、安全带等防护用品。
(3)严禁在同一垂直面上下操作。
(4)高处作业时,应使用工具袋或绳索将工具固定在身上。
4. 模板加固(1)模板加固应按设计要求进行,确保模板牢固。
(2)模板加固材料应选用合格产品,禁止使用劣质材料。
(3)模板加固过程中,严禁在加固部位站立、行走。
5. 支模架拆除(1)拆除前,应进行安全检查,确认无安全隐患。
(2)拆除顺序应从上至下、从外至内进行。
(3)拆除过程中,严禁在同一垂直面上下操作。
(4)拆除下来的模板、扣件等应及时清理,堆放整齐。
6. 注意事项(1)严禁在支模架上堆放超重物品。
(2)严禁在支模架上行走、跳跃。
(3)严禁在支模架附近进行焊接、切割等作业。
(4)严禁酒后操作支模架。
四、应急措施(1)发生安全事故时,立即停止施工,组织人员进行救援。
(2)及时报告相关部门,按照事故处理程序进行处理。
(3)对事故原因进行调查分析,制定整改措施,防止类似事故再次发生。
五、交底要求(1)施工人员应认真阅读本交底,并严格遵守各项安全规定。
(2)施工过程中,发现安全隐患,应立即报告并采取措施消除。
一、交底目的为确保盘扣式满堂架搭设过程中的安全,预防事故发生,特进行本次安全技术交底。
所有参与搭设人员必须认真听取并严格执行以下安全要求。
二、交底内容1. 人员要求- 参与搭设人员必须经过专业培训,取得相应操作资格。
- 严格遵守操作规程,不得酒后作业,确保自身及他人安全。
2. 材料要求- 所使用材料必须符合国家相关标准,严禁使用不合格产品。
- 材料验收时,严格检查其规格、型号、质量等是否符合要求。
3. 现场环境要求- 施工现场应保持整洁,严禁堆放杂物,确保通道畅通。
- 施工现场应设置警示标志,提醒过往人员注意安全。
4. 搭设前的准备工作- 搭设前,应进行现场勘察,了解地形、地质、水文等情况。
- 制定详细的施工方案,明确施工流程、安全措施等。
- 搭设区域周边应设置警戒线,防止无关人员进入。
5. 搭设过程中的安全要求- 搭设过程中,应严格按照施工方案进行操作,不得擅自更改。
- 上下层操作人员应保持联系,确保信息畅通。
- 禁止站在未固定的架体上作业,防止坠落。
- 严禁使用非标准配件,确保架体稳定。
6. 搭设过程中的检查与验收- 搭设过程中,应定期进行安全检查,发现问题及时整改。
- 搭设完成后,应由专业人员进行验收,合格后方可投入使用。
7. 安全防护措施- 搭设过程中,应设置安全防护设施,如安全网、防护栏杆等。
- 作业人员应正确佩戴安全帽、安全带等防护用品。
- 高空作业时,应使用安全绳索,防止坠落。
8. 应急预案- 制定应急预案,明确事故发生时的应急措施和责任人。
- 定期进行应急演练,提高应对事故的能力。
三、注意事项1. 严禁违规操作,确保施工安全。
2. 严格遵守劳动纪律,不得擅自离岗。
3. 保持通讯畅通,确保信息传递及时。
4. 遇到突发情况,应立即报告并采取相应措施。
四、总结盘扣式满堂架搭设是一项安全要求较高的工程,全体参建人员必须高度重视,严格执行安全技术交底内容,确保施工安全顺利进行。
一、交底目的为确保工程安全,提高施工质量,特对轮扣式支模架的使用进行安全技术交底,明确操作规程和注意事项。
二、工程概况1. 工程名称:_______2. 施工单位:_______3. 建设单位:_______4. 施工部位:_______5. 施工时间:_______三、安全技术交底内容1. 人员培训与资质要求- 所有参与轮扣式支模架搭设、使用、拆除的人员必须经过专业培训,取得相关操作资格证书。
- 施工人员应熟悉支模架的构造、性能、使用方法和安全操作规程。
2. 材料设备要求- 轮扣式支模架及配件应选用符合国家标准的优质产品,严禁使用不合格材料。
- 所有材料设备在使用前应进行检验,确保其完好无损。
3. 施工准备- 施工前应对施工现场进行勘察,确保基础平整、坚实,满足支模架搭设要求。
- 施工区域应设置明显的警示标志,禁止无关人员进入。
4. 搭设要求- 搭设前应制定详细的施工方案,明确搭设步骤、操作规程和安全措施。
- 支模架立杆底部应设置垫块,确保立杆垂直稳定。
- 立杆间距、横杆间距、斜撑设置等应符合设计要求。
- 支模架应与主体结构可靠连接,确保整体稳定性。
5. 安全操作- 施工人员应穿戴安全帽、安全带等个人防护用品。
- 高处作业时,必须使用安全带,并采取防坠落措施。
- 严禁在支模架上行走、站立或放置重物。
- 搭设、拆除过程中,应密切配合,确保安全。
6. 检查与验收- 搭设完成后,应进行自检和互检,确保支模架安全可靠。
- 验收合格后方可投入使用。
7. 拆除要求- 拆除前应制定详细的拆除方案,明确拆除步骤、操作规程和安全措施。
- 拆除过程中,应从上往下逐层进行,严禁从下往上拆除。
- 拆除过程中,应密切配合,确保安全。
四、注意事项1. 严禁超载使用支模架。
2. 严禁擅自更改支模架结构。
3. 严禁使用损坏的支模架及配件。
4. 严禁在支模架上放置易燃、易爆等危险物品。
五、应急措施1. 发生意外情况时,应立即停止作业,迅速撤离现场。
1.构配件1.1主要构配件规格要求1.1.1 横杆端插头应焊接于横杆的两端,其厚度不应小于 10mm,下伸的长度L 不应小于 45mm。
1.1.2 横杆端插头应与轮扣盘匹配,端插头插入轮扣盘,其外表面应与轮扣表面相吻合,并保证锤击自锁后不拔脱,抗拔力不得小于 3kN。
1.1.3 立杆和横杆宜采用截面直径 48.3mm 壁厚不小于 3.2mm 规格的钢管。
立杆的长度宜为 600mm、900mm、1200mm、1500mm、1800mm、2100mm 和 2400mm 等规格,轮扣盘在立杆上的间距宜按 0.6m 的模数设置,横杆的长度宜为 600mm、900mm、1200mm、1500mm 和 1800mm 等规格。
1.1.4 立杆之间的连接应采用立杆插套连接,其壁厚不应小于 3.2mm,长度不应小于 160mm,外伸长度不应小于 100mm。
套管径与立杆钢管外径间隙不应大于 1.5mm。
1.1.5 可调底座由螺杆、立杆调位螺母和底座板组成,螺杆与底座板应焊接牢固,底座钢板厚度不应小于 6mm。
1.1.6 可调托撑由螺杆、立杆调位螺母和“U”型钢板组成,螺杆与“U”型钢板应焊接牢固,“U”型钢板厚度不应小于 5mm。
1.1.7 可调底座和可调托撑的螺杆外径不应小于 36mm,宜采用梯形螺纹。
螺杆与调位螺母的旋合长度不应少于 5 扣,螺母高度不应小于 30mm,厚度不应小于 5mm。
2. 主要构配件的材质及制作要求2.2.1 轮扣式钢管脚手架的构配件除有特殊要求外,轮扣式脚手架的钢管应符合 GB/T13793 或 GB/T3091 中规定的 Q235 普通钢管的要求,其材质应符合 GB/T 700 的规定。
轮扣盘、横杆端插头以及可调螺母的调节手柄采用碳素铸钢制造时,其材料机械性能不得低于 GB/T 11352 中牌号为 ZG 230—450 的屈服强度、抗拉强度、延伸率的要求。
支座螺杆采用碳素钢制造时,其材质应符合 GB/T 700 中 Q235 的规定。
一、交底目的为确保轮扣式支模架施工过程中的安全,提高施工人员的安全意识,降低安全事故发生的风险,特进行本次安全技术交底。
二、交底对象参与轮扣式支模架施工的所有人员。
三、交底内容1. 支模架的基本结构及组成轮扣式支模架由立杆、横杆、斜杆、可调底座、可调托座、连接件等组成,具有结构简单、安装方便、承载能力强的特点。
2. 施工前的准备工作(1)检查支模架的零部件是否齐全,质量是否符合要求。
(2)了解施工现场的实际情况,如地基承载力、周边环境等。
(3)制定施工方案,明确施工顺序、安全措施等。
3. 施工过程中的安全注意事项(1)支模架的搭设应严格按照施工方案进行,确保支模架的稳定性和安全性。
(2)搭设过程中,严禁在支模架上堆放重物,避免造成支模架变形或倾覆。
(3)支模架的搭设高度不得超过规定值,防止发生倾覆事故。
(4)支模架的连接件应紧固可靠,防止松动。
(5)支模架的立杆底部应设置垫板,扩大接触面积,减少地基沉降对支模架的影响。
(6)支模架的搭设应与建筑物保持一定距离,防止因施工过程中发生意外而对建筑物造成损害。
4. 支模架的拆除与回收(1)拆除前,应对现场进行清理,确保拆除过程中不影响其他施工工序。
(2)拆除过程中,严禁在同一高度进行上下交叉作业。
(3)拆除过程中,应先拆除连接件,再拆除立杆、横杆、斜杆等。
(4)拆除后的零部件应分类堆放,方便回收和再次使用。
5. 应急措施(1)如发现支模架出现倾斜、变形等异常情况,应立即停止施工,采取紧急措施进行处理。
(2)如发生人员受伤事故,应立即进行现场急救,并及时拨打急救电话。
四、交底要求1. 施工人员应认真听取安全技术交底,了解施工过程中的安全注意事项。
2. 施工人员应严格按照安全技术交底要求进行施工,确保施工安全。
3. 施工人员应定期对支模架进行检查,发现问题及时整改。
4. 施工单位应加强对施工人员的安全培训,提高安全意识。
五、附件1. 轮扣式支模架施工方案2. 支模架零部件清单3. 支模架安全技术交底记录表请注意,以上内容仅为轮扣式支模架安全技术交底模板,具体施工过程中还需根据现场实际情况进行调整。
轮扣式谦堂架支模体系技能接底之阳早格格创做动工单位:分项工程称呼轮扣式谦堂架支模体系接底部分工程称呼分部工程称呼真量:支模体系普遍分为惯例支模体系及下大支模体系,二种体系有着共共面,也有分歧面.原名目采与轮扣式谦堂架支模体系.一、工法特性轮扣式钢管足脚架:插头、插座铸钢焊接动做对接件.具备成原矮廉、拆拆赶快、俭朴工期成原.然而是架体真足性较扣件式支撑足脚架要好些.普遍用于惯例模板支撑体系中.二、做业条件1、根据工程的结构形式、层下等,决定坐杆及横杆的少度(型号)等,并根据资料周转的央供买买或者租借足够的拆设资料.2、现场有足够数量的一般钢管及扣件,以备拆设剪刀撑等构件.3、支撑里要有足够的强度,并有坐杆有良佳的交战,以好处力的传播.4、楼层搁线已完成.5、坐杆拆设位子已标定.三、动工工艺1、工艺过程2、拆设资料进场根据工程的结构形式及层下央供定制或者租借相映少度(型号)的坐杆战横杆.正在采用的时间要思量二个果素:适用性战周转利用.坐杆的型号主要有:LG-240(少2.4m)、LG-180(少1.8m)、LG-150(少1.5m)、LG-120(少1.2m)、LG-90(少0.9m)、LG-60(少0.6m)、LG-30(少0.3m)7种.横杆的型号主要有HG-30(少0.3m)、HG-60(少0.6m)、HG-90(少0.9m)、HG-120(少1.2m)5 种.少坐杆普遍采用LG-240,根据层下的分歧可采用其余型号,短坐杆普遍采用1.5米战0.3米.3、定位搁线楼层混凝土浇筑完成强度达到1.2Mpa以上后,如坐杆拆设正在天基上经天基处理达到一定强度以去,根据动工图轴线尺寸引测统制线,建坐统制网,引测标下统制线,根据已经测佳的统制线决定梁柱的位子,并标出坐杆拆设位子.4、铺设垫木或者安顿底座为了夸大坐杆底部拆载里的受力里积,包管坐杆拆载里匀称受力,要正在坐杆底部铺搁垫木战安顿底座.5、拆创制杆、横杆★注意重心:扫天杆:足脚架工程的一部分,扫天杆距离大天200mm,对接坐杆根部的火仄杆.分为纵背战横背扫天杆,起到足脚架宁静效率.6、树坐剪刀撑坐杆战横杆按央供拆设完成后,正在架体四边与中间每隔四排支架坐杆应树坐一讲纵背剪刀撑,由底至顶连绝树坐.下于4m的模板支架,其二端与中间每隔4排坐杆从顶层启初背下每隔2步树坐一讲火仄剪刀撑.四角抱角斜撑.中坐里剪刀撑按惯例搞法.★注意事项:A、纵背剪刀撑:正在架体中侧周边及里里纵背每7根坐杆由底至顶树坐连绝横背剪刀撑,剪刀撑宽度为5m~8m,与火仄夹角应为45°~60°.剪刀撑的里侧一根与接叉处坐杆用转扣胀牢,中侧一根与小横杆伸出部分胀牢.B、火仄剪刀撑:支模架下度超出8m的,必须正在架体纵横背树坐火仄剪刀撑.火仄剪刀撑至架体底仄里距离没有超出8m.十字盖距离没有超出7根坐杆.C、剪刀撑斜杆的接少应采与拆接或者对于接,当采与拆接时,拆接少度没有该小于1米,并应采与很多于3个转动扣件牢固.7、对接、加固板底架体支模架拆设完成产死宁静的受力体后,将拆设板底架体,板底架体与坐杆的对接采与可调顶托的形式.8、铺设顶板胶合板当板底下的次龙骨及主龙骨按标下统制线(标下可通过可调顶托安排)拆置完成之后,便不妨拆置顶板的胶合板.正在拆置顶板模板时,用钉子将其与板底木楞牢固,并保证模板拆置坚韧、仄坦、拼缝周到.★第7、第8项注意事项:(1)根据白线管制确定,模架体系火仄杆间距(步距)没有超出1.5m,坐杆间距没有超出1.2m;各杆件的对接办法参照降天式足脚架;(2)梁的二侧坐杆离启梁边没有超出25cm,宽度>45cm 的下的梁中共步减少一根或者数根支启坐杆,且正在坐杆中侧≤50cm 处再坐一根坐杆;(3)当采与轮扣式足脚架时,坐杆上部自由端下度没有大于50cm,顶托螺杆伸出钢管顶部没有大于20cm,拔出坐杆内的少度没有小于25cm;11、支模架裁撤支模架的裁撤程序普遍是后支的先拆;先裁撤非启重部分,后裁撤启重部分.梁板支模架裁撤时混凝土强度达到的央供参照相闭确定.模板支架裁撤前应付于裁撤人员举止技能接底,并搞佳书籍里脚绝.裁撤做业必须由上而下逐步举止,宽禁上下共时做业.分段裁撤的下度好没有该大于二步.多层兴办的模板支架裁撤时,应死存裁撤层上圆很多于二层的模板支架.轮扣式足脚架裁撤时要注意横杆、坐杆战剪刀撑等构件的裁撤程序,宽禁将构件扔掷至大天,要传至大天码搁整齐.对于裁撤下去的构件要即时查看、整建、调养,剔除分歧格的构件.★注意事项:支模架裁撤时,需对于支配工人举止裁撤接底,粗确裁撤程序以及仄安注意事项.果为裁撤时为下处做业,极易爆收下处坠物,对于大天上的动工人员以及临街的人与物制成极大的仄安隐患,所以支模架的裁撤时,需格中注意,切忌随意治扔治拾.并安插博人,推设警戒戴,宽禁所有人员加进拆架天区内.其余,支撑架裁撤庄重按照裁撤程序,由上而下、后拆者先拆、先拆者后拆,预防拆置程序过失,制成支模架受力改变,爆收垮塌.四、品量统制支撑架拆设技能央供允许偏偏好与考验要领睹下表:★除了要按照《扣件架典型》的相闭央供中,还要思量以下真量:1、模板支架的构制央供(1)坐杆之间必须按步距谦设单背火仄杆,保证二目标足够的安排刚刚度;(2)梁战楼板荷载出进较大时,不妨采与分歧的坐杆间距,然而只宜正在一个目标变距、而另一个目标没有变.2、坐杆步距的安排(1)当架体构制荷载正在坐杆分歧下度轴力变更没有大时,不妨采与等步距树坐;(2)核心部有加强层或者支架很下,轴力沿下度分散变更较大,可采与下小上大的变步距树坐,然而变更没有要过多;(3)下支撑架步距以0.9--1.2m为宜,没有宜超出1.2m.3、架体真足性的安排(1)下大模板工程宽禁采与轮扣式足脚架,支撑架下度应≦5m;(2)正在所有情况下,下支撑架的顶部战底部(扫天杆的树坐层)必须设火仄加强层,火仄加强层树坐火仄斜杆或者剪刀撑;(3)支模架必须具备纵横背4跨以上连绝单元体;没有切合坐杆间距的部位,采与扣件式钢管支模架拆设,并与其余架体完备对接.4、剪刀撑的安排(1)沿支架四里中坐里应谦设剪刀撑,剪刀撑采与扣件式钢管拆设;5、顶部支撑面的安排(1)支撑应采与顶托办法,克制火仄杆间接启受横背荷载;(2)模板支架坐杆伸出顶层火仄杆的悬臂少度宽禁超出650mm,可调托座拔出坐杆少度没有得小于250mm;U型支托的螺杆伸出钢管顶部没有得大于200mm.6、支撑架拆设的央供。
轮扣式满堂架支模体系技术交底
施工单位:
分项工程名称轮扣式满堂架支模体系交底部门
工程名称分部工程名称
容:
支模体系一般分为常规支模体系及高大支模体系,两种体系有着共同点,也有不同点。
本项目采用轮扣式满堂架支模体系。
一、工法特点
轮扣式钢管脚手架:插头、插座铸钢焊接作为连接件。
具有成本低廉、拆装快速、节约工期成本。
但是架体整体性较扣件式支撑脚手架要差些。
一般用于常规模板支撑体系中。
二、作业条件
1、根据工程的结构形式、层高等,确定立杆及横杆的长度(型号)等,并根据材料周转的要求购买或租赁足够的搭设材料。
2、现场有足够数量的普通钢管及扣件,以备搭设剪刀撑等构件。
3、支撑面要有足够的强度,并有立杆有良好的接触,以利于力的传递。
4、楼层放线已完毕。
5、立杆搭设位置已标定。
三、施工工艺
1、工艺流程
2、搭设材料进场
根据工程的结构形式及层高要求定制或租赁相应长度(型号)的立杆和横杆。
在选用的时候要考虑两个因素:适用性和周转利用。
立杆的型号主要有:LG-240(长2.4m)、LG-180(长1.8m)、LG-150(长1.5m)、LG-120(长1.2m)、LG-90(长0.9m)、LG-60(长0.6m)、LG-30(长0.3m)7种。
横杆的型号主要有HG-30(长0.3m)、HG-60(长0.6m)、HG-90(长0.9m)、HG-120(长1.2m)5 种。
长立杆一般选用LG-240,根据层高的不同可选择其他型号,短立杆一般选用1.5米和0.3米。
3、定位放线
楼层混凝土浇筑完毕强度达到1.2Mpa以上后,如立杆搭设在地基上经地基处理达到一定强度以后,根据施工图轴线尺寸引测控制线,建立控制网,引测标高控制线,根据已经测好的控制线确定梁柱的位置,并标出立杆搭设位置。
4、铺设垫木或安放底座
为了扩大立杆底部承载面的受力面积,保证立杆承载面均匀受力,要在立杆底部铺放垫木和安放底座。
5、搭设立杆、横杆
★注意要点:
扫地杆:脚手架工程的一部分,扫地杆距离地面200mm,连接立杆根部的水平杆。
分为纵向和横向扫地杆,起到脚手架稳定作用。
6、设置剪刀撑
立杆和横杆按要求搭设完毕后,在架体四边与中间每隔四排支架立杆应设置一道纵向剪刀撑,由底至顶连续设置。
高于4m的模板支架,其两端与中间每隔4排立杆从顶层开始向下每隔2步设置一道水平剪刀撑。
四角抱角斜撑。
外立面剪刀撑按常规做法。
★注意事项:
A、纵向剪刀撑:在架体外侧周边及部纵向每7根立杆由底至顶设置连续竖向剪刀撑,剪刀撑宽度为5m~8m,与水平夹角应为45°~60°。
剪刀撑的里侧一根与交叉处立杆用转扣胀牢,外侧一根与小横杆伸出部分胀牢。
B、水平剪刀撑:支模架高度超过8m的,必须在架体纵横向设置水平剪刀撑。
水平剪刀撑至架体底平面距离不超过8m。
十字盖距离不超过7根立杆。
C、剪刀撑斜杆的接长应采用搭接或对接,当采用搭接时,搭接长度不应小于1米,并应采用不少于3个旋转扣件固定。
7、连接、加固板底架体
支模架搭设完毕形成稳定的受力体后,将搭设板底架体,板底架体与立杆的连接采用可调顶托的形式。
8、铺设顶板胶合板
当板底下的次龙骨及主龙骨按标高控制线(标高可通过可调顶托调整)安装完毕之后,就可以安装顶板的胶合板。
在安装顶板模板时,用钉子将其与板底木楞固定,并确保模板安装牢固、平整、拼缝严密。
★第7、第8项注意事项:
(1)根据红线管理规定,模架体系水平杆间距(步距)不超过1.5m,立杆间距不
★除了要遵守《扣件架规》的相关要求外,还要考虑以下容:
1、模板支架的构造要求
(1)立杆之间必须按步距满设双向水平杆,确保两方向足够的设计刚度;
(2)梁和楼板荷载相差较大时,可以采用不同的立杆间距,但只宜在一个方向变距、而另一个方向不变。
2、立杆步距的设计
(1)当架体构造荷载在立杆不同高度轴力变化不大时,可以采用等步距设
置;
(2)当中部有加强层或支架很高,轴力沿高度分布变化较大,可采用下小上大的变步距设置,但变化不要过多;
(3)高支撑架步距以0.9--1.2m为宜,不宜超过1.2m。
3、架体整体性的设计
(1)高大模板工程严禁采用轮扣式脚手架,支撑架高度应≦5m;
(2)在任何情况下,高支撑架的顶部和底部(扫地杆的设置层)必须设水平加强层,。