单管放大电路静态工作点(公式法计算)
- 格式:docx
- 大小:68.39 KB
- 文档页数:1
在学习之前,我们先来了解一个概念:什麽是Q 点?它就是直流工作点,又称为静态工作点,简称Q 点。
我们在进行静态分析时,主要是求基极直流电流I B 、集电极直流电流I C 、集电极与发射极间的直流电压U CE 一:公式法计算Q 点我们可以根据放大电路的直流通路,估算出放大电路的静态工作点。
下面把求I B 、I C 、U CE 的公式列出来三极管导通时,U BE 的变化很小,可视为常数,我们一般认为:硅管为 0.7V锗管为 0.2V例1:估算图(1)放大电路的静态工作点。
其中R B =120千欧,R C =1千欧,U CC =24伏,ß=50,三极管为硅管解:I B =(U CC -U BE )/R B =24-0.7/120000=0.194(mA) I C =ßI B =50*0.194=9.7(mA) U CE =U CC -I C R C =24-9.7*1=14.3V二:图解法计算Q 点三极管的电流、电压关系可用输入特性曲线和输出特性曲线表示,我们可以在特性曲线上,直接用作图的方法来确定静态工作点。
用图解法的关键是正确的作出直流负载线,通过直流负载线与i B =I BQ 的特性曲线的交点,即为Q 点。
读出它的坐标即得I C 和U CE图解法求Q 点的步骤为:(1):通过直流负载方程画出直流负载线,(直流负载方程为U CE =U CC -i C R C ) (2):由基极回路求出I B(3):找出i B =I B 这一条输出特性曲线与直流负载线的交点就是Q 点。
读出Q 点的坐标即为所求。
例2:如图(2)所示电路,已知Rb=280千欧,Rc=3千欧,Ucc=12伏,三极管的输出特性曲线如图(3)所示,试用图解法确定静态工作点。
解:(1)画直流负载线:因直流负载方程为U CE =U CC -i C R Ci C =0,U CE =U CC =12V ;U CE =4mA ,i C =U CC /R C =4mA ,连接这两点,即得直流负载线:如图(3)中的兰线 (2)通过基极输入回路,求得I B =(U CC -U BE )/R C =40uA (3)找出Q 点(如图(3)所示),因此I C =2mA ;U CE =6V三:电路参数对静态工作点的影响静态工作点的位置在实际应用中很重要,它与电路参数有关。
三极管放大电路原理一、放大电路的组成与各元件的作用Rb和Rc:提供适合偏置--发射结正偏,集电结反偏。
C1、C2是隔直(耦合)电容,隔直流通交流。
共射放大电路Vs ,Rs:信号源电压与内阻; RL:负载电阻,将集电极电流的变化△ic转换为集电极与发射极间的电压变化△VCE二、放大电路的基本工作原理静态(Vi=0,假设工作在放大状态) 分析,又称直流分析,计算三极管的电流和极间电压值,应采用直流通路(电容开路)。
基极电流:IB=IBQ=(VCC-VBEQ)/Rb集电极电流:IC=ICQ=βIBQ集-射间电压:VCE=VCEQ=VCC-ICQRc 动态(vi≠0)分析:放大电路对信号的放大作用是利用三极管的电流控制作用来实现,其实质上是一种能量转换器。
三、构成放大电路的基本原则放大电路必须有合适的静态工作点:直流电源的极性与三极管的类型相配合,电阻的设置要与电源相配合,以确保器件工作在放大区。
输入信号能有效地加到放大器件的输入端,使三极管输入端的电流或电压跟随输入信号成比例变化,经三极管放大后的输出信号(如ic=β*ib)应能有效地转变为负载上的输出电压信号。
电压传输特性和静态工作点一、单管放大电路的电压传输特性图解分析法:输出回路方程:输出特性曲线:AB段:截止区,对应于输出特性曲线中iB<0的部分。
BCDEFG段:放大区GHI段:饱和区作为放大应用时:Q点应置于E处(放大区中心)。
若Q点设置C处,易引起载止失真。
若Q点设置F处,易引起饱和失真。
用于开关控制场合:工作在截止区和饱和区上。
二、单管放大电路静态工作点(公式法计算)单电源固定偏置电路:选择合适的Rb,Rc,使电路工作在放大状态。
工作点稳定的偏置电路:该方法为近似估算法。
分压式偏置电路:稳定工作点的另一种解释:温度T↑→IC↑→IE↑→VE↑(=IERe)↓(VB固定) ,则 IC↓ IB↓VBE↓ (=VB-VE)。
在静态情况下,温度上升引起IC增加,由于基极电位VB基本固定,该电流增量通过Re产生负反馈,迫使IC自动下降,使Q点保持稳定。
单级放大电路静态工作点是指在没有输入信号的情况下,放大电路的输出电压和输出电流的稳定值。
在单级放大电路中,静态工作点的确定需要考虑晶体管的工作状态和工作参数,包括:
1.饱和区、截止区和放大区的划分:晶体管的工作状态会影响静
态工作点的位置和稳定性。
在饱和区,晶体管的电流已经最大,此时静态工作点在输出特性曲线的左下角;在截止区,晶体管的电流几乎为零,此时静态工作点在输出特性曲线的右上角;
在放大区,晶体管的电流随着输入信号的变化而变化,此时静态工作点在输出特性曲线的中间。
2.直流偏置电压的确定:直流偏置电压是指在没有输入信号的情
况下,基极和发射极之间的电压值。
直流偏置电压的大小直接影响静态工作点的位置和稳定性。
3.放大电路的负载:放大电路的负载会影响静态工作点的位置和
稳定性。
负载电阻越小,静态工作点越靠近截止区;负载电阻越大,静态工作点越靠近饱和区。
同时,负载电阻的变化也会导致静态工作点的偏移和稳定性的变化。
综上所述,单级放大电路的静态工作点需要根据晶体管的工作状态和工作参数来确定,以保证输出信号的稳定性和准确性。
竭诚为您提供优质文档/双击可除单级晶体管放大电路实验报告篇一:晶体管单级放大器实验报告晶体管单级放大器一.试验目的(1)掌握multisium11.0仿真软件分析单级放大器主要性能指标的方法。
(2)掌握晶体管放大器静态工作点的测试和调整方法,观察静态工作点对放大器输出波形的影响。
(3)测量放大器的放大倍数,输入电阻和输出电阻。
二.试验原理及电路VbQ=Rb2Vcc/(Rb1+Rb2)IcQ=IeQ=(VbQ-VbeQ)/ReIbQ=IcQ/β;VceQ=Vcc-IcQ(Rc+Re)晶体管单级放大器1.静态工作点的选择和测量放大器的基本任务是不失真的放大信号。
为了获得最大输出电压,静态工作点应选在输出特性曲线交流负载线的中点。
若工作点选的太高会饱和失真;选的太低会截止失真。
静态工作点的测量是指接通电源电压后放大器不加信号,测量晶体管集电极电流IcQ和管压降VceQ。
本试验中,静态工作点的调整就是用示波器观察输出波形,让信号达到最大限度的不失真。
当搭接好电路,在输入端引入正弦信号,用示波器输出。
静态工作点具体调整步骤如下:具有最大动态范围的静态工作点图根据示波器观察到的现象,做出不同的调整,反复进行。
当加大输入信号,两种失真同时出现,减小输入信号,两种失真同时消失,可以认为此时静态工作点正好处于交流负载线的中点,这就是静态工作点。
去点信号源,测量此时的VcQ,就得到了静态工作点。
2.电压放大倍数的测量电压放大倍数是输出电压V0与输入电压Vi之比Av=V0/Vi3、输入电阻和输出电阻的测量(1)输入电阻。
放大电路的输入电阻Ri可用电流电压法测量求得,测试电路如图2.1-3(a)所示。
在输入回路中串接一外接电阻R=1KΩ,用示波器分别测出电阻两端的电压Vs和Vi,则可求得放大电路的输入电阻Ri为(a)(b)oVo-电阻R值不宜取得过大,否则会引入干扰;但也不能取得过小,否则测量误差比较大。
通常取与Ri为同一数量级比较合适。
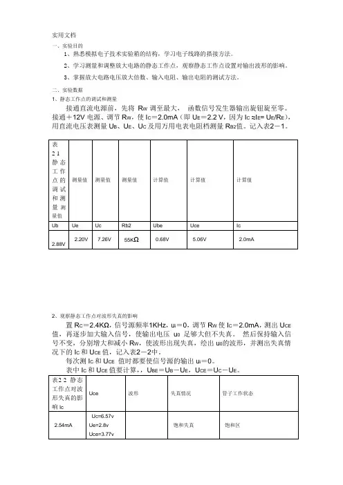
一、实验目的1、熟悉模拟电子技术实验箱的结构,学习电子线路的搭接方法。
2、学习测量和调整放大电路的静态工作点,观察静态工作点设置对输出波形的影响。
3、掌握放大电路电压放大倍数、输入电阻、输出电阻的测试方法。
二、实验数据1、静态工作点的调试和测量接通直流电源前,先将R W调至最大,函数信号发生器输出旋钮旋至零。
接通+12V电源、调节R W,使I C=2.0mA(即U E=2.2 V,因为I C≈I E= U E/R E),用直流电压表测量U B、U E、U C及用万用电表电阻档测量R B2值。
记入表2-1。
2、观察静态工作点对波形失真的影响置R C=2.4KΩ,信号源频率1KHz,u i=0,调节R W使I C=2.0mA,测出U CE 值,再逐步加大输入信号,使输出电压u0足够大但不失真。
然后保持输入信号不变,分别增大和减小R W,使波形出现失真,绘出u0的波形,并测出失真情况下的I C和U CE值,记入表2-2中。
每次测I C和U CE值时都要使信号源的输出u i=0。
表中I C和U CE值要计算,,U BE=U B-U E,U CE=U C-U E。
2.0mAUc=2.88VUe=2.2VUce=0.68v不失真放大区1.0mAUc=9.74VUe=1.1VUce=8.64v截止失真截止区3、测量电压放大倍数在放大器输入端加入频率为1KHz的正弦信号ui,调节函数信号发生器的输出旋钮使放大器输入电压Ui 10mv,同时用示波器观察放大器输出电压uO波形,在波形不失真的条件下用交流毫伏表和示波器测量下述三种情况下的UO值,并用双踪示波器观察uO 和ui的相位关系,注意标示波形幅值,记入表2-3。
R C (KΩ)R L(KΩ)U i(mv)U o(mv)A V观察记录一组u O和u1波形2.4∞(示)15mv(示)35mv 2.33(毫)10.01mv(毫)24.48mv2.451.2∞(示)(示)(毫)(毫)2.4 2.4(示)15mv(示)20mv 1.33(毫)10.01mv(毫)11.68mv1.17数据处理的计算公式:4、测量输入电阻和输出电阻表2-5 测量输入电阻和输出电阻(I c=2mA,R c=2.4KΩ,R L=2.4KΩ,R=10K)U S(mv)U i(mv)R i(KΩ)U O(mv)U L(mv)R0(KΩ)测量计算值理论值测量计算值理论值15mv2mv 1.530.5565mv32mv 2.4 2.4输入电阻的计算公式:输出电阻的计算公式:。
实验一 晶体管单管放大电路一、实验目的1.学习放大电路静态工作点调试方法,分析静态工作点对放大电路性能的影响。
2.学习放大电路电压放大倍数及最大不失真输出电压的测量方法。
3.测量放大电路输入、输出电阻。
4.进一步熟悉各种电子仪器的使用。
二、实验原理图1-1为电阻分压式静态工作点稳定放大电路,它的偏置电路采用R B1 = R W1 + R 3和R B2 = R W2 + R 4组成的分压电路,并在发射级中接有电阻R E = R 6,用来稳定静态工作点。
当在放大电路输入端输入信号U i 后,在放大电路输出端便可得到与U i 相位相反、被放大了的输出信号U 0,实现了电压放大。
R 1和R 2组成输入信号的分压电路,其目的是防止输入信号在电路中静态工作点为: CC B B B B U R R R U 212+=EEEBEBE R UR U UI =-=)(E C C CC CE R R I U U +-=动态参数: 电压放大倍数k 3.3//50==-==R R R R U U A C beLC iU γβ其中)mA ()mv (26)1(300E be I r β++=输入电阻:若开关合上,即R 7短接 be B B i r R R r ////21= 输出电阻:5R R r C o ==放大电路输入电阻测试方法:若输入信号源U S 经R 1 = 5.1k 与C 1串联后再接到三极管V 1的基极,测得U S 和'iU ,即可计算出1''R U UU r iSi i ⋅-=输出电阻可用下式计算:LR UU r )1('00-=其中'0U 为R L 未接入时(R L = ∞)U 0之值,U 0为接入R L 时U 0之值。
1.静态工作点的测试 1)静态工作点的测量放大电路的静态工作点是指在放大电路输入端不加输入信号U i 时,在电源电压V CC 作用下,三极管的基极电流I B ,集电极电流I C 以及集成极与发射极之间的电压U CE 等。
实验二_单级共射放大电路实验实验二单级共射放大电路实验原理图2,1为电阻分压式工作点稳定单管共射放大电路实验原理图。
它的偏置电路采用R和R组B1B2成的分压电路,并在发射极中接有电阻R,以稳定放大电路的静态工作点。
当在放大电路的输入端加E入输入信号u后,在放大电路的输出端便可得到一个与u相位相反,幅值被放大了的输出信号u,ii0从而实现了电压放大。
RP1 RC1100K 2KR B114.7K 47µF 47µFR B1210K 510C 3R E151图2,1 共射极单管放大电路实验电路在图2,1电路中,当流过偏置电阻R和R 的电流远大于晶体管T 的 B1B2 基极电流I时(一般5,10倍),则它的静态工作点可用下式估算: BRB1U,U BCCR,RB1B2U,UBBEI,,IECR EU,U,I(R,R) CECCCCE电压放大倍数R // RCLA,,β Vrbe输入电阻R,R// R// r iB1 B2 be实验二单级共射放大电路输出电阻R?R OC由于电子电路件性能的分散性比较大,因此在设计和制作晶体管放大电路时,离不开测量和调试技术。
在设计前应测量所用元电路件的参数,为电路设计提供必要的依据,在完成设计和装配以后,还必须测量和调试放大电路的静态工作点和各项性能指标。
一个优质放大电路,必定是理论设计与实验调整相结合的产物。
因此,除了学习放大电路的理论知识和设计方法外,还必须掌握必要的测量和调试技术。
放大电路的测量和调试一般包括:放大电路静态工作点的测量与调试,消除干扰与自激振荡及放大电路各项动态参数的测量与调试等。
1、放大电路静态工作点的测量与调试1)静态工作点的测量测量放大电路的静态工作点,应在输入信号u,0的情况下进行,即将放大电路输入端与地端i短接,然后选用量程合适的直流毫安表和直流电压表,分别测量晶体管的集电极电流I以及各电极C对地的电位U、U和U。
一般实验中,为了避免断开集电极,所以采用测量电压U或U,然后算出BCEECI的方法,例如,只要测出U,即可用 CEUU,UECCCI,I,I, 算出I(也可根据,由U确定I), CCCCECRREC同时也能算出U,U,U,U,U,U。
竭诚为您提供优质文档/双击可除单级晶体管放大电路实验报告篇一:晶体管单级放大器实验报告晶体管单级放大器一.试验目的(1)掌握multisium11.0仿真软件分析单级放大器主要性能指标的方法。
(2)掌握晶体管放大器静态工作点的测试和调整方法,观察静态工作点对放大器输出波形的影响。
(3)测量放大器的放大倍数,输入电阻和输出电阻。
二.试验原理及电路VbQ=Rb2Vcc/(Rb1+Rb2)IcQ=IeQ=(VbQ-VbeQ)/ReIbQ=IcQ/β;VceQ=Vcc-IcQ(Rc+Re)晶体管单级放大器1.静态工作点的选择和测量放大器的基本任务是不失真的放大信号。
为了获得最大输出电压,静态工作点应选在输出特性曲线交流负载线的中点。
若工作点选的太高会饱和失真;选的太低会截止失真。
静态工作点的测量是指接通电源电压后放大器不加信号,测量晶体管集电极电流IcQ和管压降VceQ。
本试验中,静态工作点的调整就是用示波器观察输出波形,让信号达到最大限度的不失真。
当搭接好电路,在输入端引入正弦信号,用示波器输出。
静态工作点具体调整步骤如下:具有最大动态范围的静态工作点图根据示波器观察到的现象,做出不同的调整,反复进行。
当加大输入信号,两种失真同时出现,减小输入信号,两种失真同时消失,可以认为此时静态工作点正好处于交流负载线的中点,这就是静态工作点。
去点信号源,测量此时的VcQ,就得到了静态工作点。
2.电压放大倍数的测量电压放大倍数是输出电压V0与输入电压Vi之比Av=V0/Vi3、输入电阻和输出电阻的测量(1)输入电阻。
放大电路的输入电阻Ri可用电流电压法测量求得,测试电路如图2.1-3(a)所示。
在输入回路中串接一外接电阻R=1KΩ,用示波器分别测出电阻两端的电压Vs和Vi,则可求得放大电路的输入电阻Ri为(a)(b)oVo-电阻R值不宜取得过大,否则会引入干扰;但也不能取得过小,否则测量误差比较大。
通常取与Ri为同一数量级比较合适。
三极管放大电路原理及设计一、放大电路的组成与各元件的作用RB 的作用是给基极提供静态工作点的电流Ib ,目的是让交流信号承载在这个Ib 上跨过死区电压的。
工作在放大状态的三极管的Ube 应该、的确比死区电压(0.7V )大一点。
因为静态计算没有输入信号,所以Ube=0.7V 。
(静态啊)你的差分放大电路是一个示意图,不是实际电路。
实际电路有偏置电阻,并且不止一个。
例如下图:Rb 和Rc :提供适合偏置--发射结正偏,集电结反偏。
C1、C2是隔直(耦合)电容,隔直流通交流。
共射放大电路Vs ,Rs:信号源电压与内阻; RL:负载电阻,将集电极电流的变化△ic转换为集电极VCE与发射极间的电压变化△二、放大电路的基本工作原理静态(Vi=0,假设工作在放大状态) 分析,又称直流分析,计算三极管的电流和极间电压值,应采用直流通路(电容开路)。
基极电流:IB=IBQ=(VCC-VBEQ)/Rb集电极电流:IC=ICQ=βIBQ集-射间电压:VCE=VCEQ=VCC-ICQRc 动态(vi≠0)分析:,,,,其中。
放大电路对信号的放大作用是利用三极管的电流控制作用来实现,其实质上是一种能量转换器。
三、构成放大电路的基本原则放大电路必须有合适的静态工作点:直流电源的极性与三极管的类型相配合,电阻的设置要与电源相配合,以确保器件工作在放大区。
输入信号能有效地加到放大器件的输入端,使三极管输入端的电流或电压跟随输入信号成比例变化,经三极管放大后的输出信号(如ic =β*ib)应能有效地转变为负载上的输出电压信号。
电压传输特性和静态工作点一、单管放大电路的电压传输特性图解分析法:输出回路方程:输出特性曲线:AB段:截止区,对应于输出特性曲线中iB<0的部分。
BCDEFG段:放大区GHI段:饱和区作为放大应用时:Q点应置于E处(放大区中心)。
若Q点设置C处,易引起载止失真。
若Q 点设置F处,易引起饱和失真。
用于开关控制场合:工作在截止区和饱和区上。
专业班次电子信息类工科组别题目单管低频放大电路姓名(学号)日期一、实验目的1.熟悉掌握电子仪器的一般使用方法。
2.了解半导体基本放大电路各元件的作用及电路的调试方法。
3.研究静态工作点对放大器的影响,测算共射极交流放大电路的放大倍数。
二、实验设备放大电路实验底板一块函数信号发生器一台交流数字毫伏表一台直流微安表(0~100μA)一个直流稳压器一台直流毫安表(0~10mA)一个双踪示波器一台万用电表一个三、注意事项1、若工作点Q偏高,在信号的正半周时放大器进入“饱和”状态,造成饱和失真;若工作点Q过低,在信号的负半周时,放大器进入“截止”状态,造成截止失真;若输入信号幅度过大,也会引起失真,输出的波形上下都可能有一部分被削掉。
此外,VCC及RC的变化,会引起负载线的位置或斜率变化,从而引起静态工作点变化,也会对输出电压波形有影响。
2、大电路的电压放大倍数Au=Vo/Vi,它只有在不失真情况下才有意义。
而且,是否带有负载以及有没有引入交流负反馈,Au值都是不同的。
3、所有仪表指针不能超过满标值。
四、实验原理及计算下图单管低频放大电路,在VCC和RC确定之后,改变IB就可以改变静态点Q,若Q点过高则会引起饱和失真,过低则是截止失真。
调节RB1,可获得适当IB,使放大器输出的电压波形失真得到改善。
若输入信号振幅过大也会失真,波形上下可能会被切掉,此外VCC及RC的变化也会对输出波形专业班次电子信息类工科组别题目单管低频放大电路姓名(学号)日期有影响。
对于放大电路的放大倍数Au=Vo/Vi 只有在不失真的情况下才有意义,而且对于是否有负载以及是否有引入交流负反馈,Au都是不一样的。
1、测量静态工作点按照下图检查实验底板并接入测IB、Ic的微安表和毫安表,接上12V的直流稳压电源在模拟电子电路实验中,万用表直流档测量Vce、Vbe,对于Ic可以从串入的毫安表读出。
I E =I B+I C; r be=200+(1+β)26(mV)IE(mV)2、共射极放大电路的交流电压放大倍数将信号源Vi(由函数信号发生器供给,f=1kHz建议Vi在40mV内)接入实验底板输入端,用示波器观察放大器输入和输出信号电压的波形并观察其相位(输出波形不失真)3、观察工作点变化和输入信号变化对输出波形的影响(1)放大器输入端仍接函数信号发生器(f=1kHz),输出端接示波器,Vi取适当大小,确保V0不明显失真,保持Vi不变,调节RB1,观察IB,使BJT进入饱和区,观察放大器输出波形失真情况。
单元七晶体管交流放大电路及其分析(教案)
注:表格内黑体字格式为(黑体,小四号,1.25倍行距,居中)
7.1 单管交流电压放大电路的组成
7.2 放大电路的分析(静态分析)【教学过程】
组织教学:
1.检查出勤情况。
2.检查学生教材,习题册是否符合要求。
3.宣布上课。
复习旧课:
1.三极管的结构、类型和电路符号。
2.三极管三种工作状态的特点。
3.三极管的电流放大作用,电流分配关系。
引入新课:
1.通过演示功放经扬声器放出音乐的过程,向学生讲解放大电路的基本结构和信号流程,使学生对放大电路有初步的认识。
2.放大电路广泛应用于各种电子设备中,如音响设备、视听设备、精密仪器、自动控制系统等。
放大电路的功能是将微弱的电信号进行放大得到所需要的信号。
讲授新课:
7.1 单管交流电压放大电路的组成
一个放大器必须含有一个或多个有源器件,如三极管、场效晶体管等,同时还包含电阻、电容、电感、变压器等无源元件。
放大器框图如图所示。
放大器框图
放大电路通常有两部分,如图7-1-1所示,第一部分为电压放大电路,它的任务是将微弱的电信号加以放大去推动功率放大电路,一般它的输出电流较小,电压放大电路是整个放大电路的前置级。
第二部分为功率放大电路,是放大电路的输出级,它的任务是输出足够大的功率去推动执行元件(如继电器、电动机、喇叭、指示仪表等)工作。
功率放大器的输出电(提问,学生回答)
(结合实物讲解)
)。
MOS管的静态⼯作点的计算据场效应管的上述特点,利⽤双极型三极管与场效应管的电极对应关系,即b→G,e→S,c→D,即可在单管共射放⼤电路的基础上,组成共源极放⼤电路。
上图是⼀个由N沟道增强型MOS场效应管组成的单管共源极放⼤电路的原理电路图。
为了使场效应管⼯作在恒流区以实现放⼤作⽤,对于N沟道增强型MOS管来说,应满⾜以下条件:uGS>UTuDS>uGS-UT其中UT为N沟道增强型MOS场效应管的开启电压。
⼀、静态分析为了分析共源极放⼤电路的静态⼯作点,可以利⽤近似估算法或图解法。
(⼀)近似估算法在上图中,由于MOS场效应管的栅极电流为零,因此电阻RG上没有电压降,则当输⼊电压等于零时UGSQ=VGG (2.7.1)由上图可得UDSQ=VDD-IDQRD (2.7.4)(⼆)图解法为了⽤图解法确定静态⼯作点,应先画出直流负载线。
由上图电路的漏极回路可列了以下⽅程:uDS=VDD-iDRD根据以上⽅程,在场效应管的输出特性曲线上画出直流负载线,如下图所⽰。
直流负载线与uGS=UGSQ=VGG的⼀条输出特性的交点即是静态⼯作点Q。
由图可得静态时的IDQ和UDSQ,见下图。
⼆、动态分析同样可以利⽤微变等效电路法对场效应管放⼤电路进⾏动态分析。
⾸先讨论场效应管的等效电路。
由于漏极电流iD是栅源电压uGS和漏源电压uGS 的函数,根据式(2.7.8)可画出场效应管的微变等效电路,如下图所⽰。
图中栅极与源极之间虽然有⼀个电压Ugs,但是没有栅极电流,所以栅极是悬空的。
D、S之间的电流源gmUgs也是⼀个受控源,体现了Ugs对Id的控制作⽤。
等效电路中有两个微变参数:gm和rDS。
它们的数值可以根据式(2.7.6)和(2.7.7)中的定义,在场效应管的特性曲线上通过作图的⽅法求得。
⼀般gm的数值约为0.1⾄20mS。
rDS的数值通常为⼏百千欧的数量级。
当漏极负载电阻RD⽐rDS⼩得多,可认为等效电路中的rDS开路。
单电源固定偏置电路:选择合适的Rb,Rc,使电路工作在放大状态。
工作点稳定的偏置电路:该方法为近似估算法。
分压式偏置电路:
稳定工作点的另一种解释:温度T↑→IC↑→IE↑→VE↑(=IERe)↓(VB固定) ,则IC↓ IB↓ VBE↓ (=VB-VE)。
在静态情况下,温度上升引起IC增加,由于基极电位VB基本固定,该电流增量通过Re产生负反馈,迫使IC自动下降,使Q点保持稳定。
Re愈大,负反馈作用愈强,稳定性也愈好。
但Re过大,输出的动态范围(ΔVCE)变小,易引起失真。
Rb1、Rb2愈小,VB愈稳定。
但它们过小将使放大能力下降。
工程设计时,应综合考虑电阻阻值的影响。
经验公式:I1=(5~10)IBQ,VEQ=IEQRe=0.2VCC(或VEQ=1~3V)。