XT80系列打包机使用说明书
- 格式:doc
- 大小:2.13 MB
- 文档页数:52
打包机说明书(总12页) -本页仅作为预览文档封面,使用时请删除本页-中文操作说明书目录1.一般说明2.规格3.结构与功能4.操作5.调整6.故障检修7.维护示意图片:一般说明:1.1应用本设备应用于聚丙烯带(机用带)捆扎的全自动捆扎机。
捆扎的物件限于弓架内规格(标准规格:宽度850mm*高度600mm)。
该机不宜捆扎湿,多灰,粉末状或者过于笨重(最大负载100kg)的包装物。
我们建议使用一下的规格的捆扎带原材料:聚丙烯固定带宽:最大正负厚度:扭转:每米60弧高:每米50mm带圈高度:180MM-230MM带圈纸芯内径:200mm-405mm1.2安装设备必须安装在靠近电源机及干燥平坦的硬质地板上,并可靠固定不移动。
电源必须与机器侧面的铭牌说明相一致。
安装地点应符合以下条件:室温:-20℃-=+50℃、地板:最大负载350公斤/平方米空间:最小2米*米严重警告:如果不按照机器说明书要求正确安装,将导致严重后果。
严重警告:电源连接线插头必须牢固,电源插座必须有接地保护。
1.3运输和储存长途运输或者长期保管机器,必须用木箱或者硬纸板箱包装,固定在结实的垫板上。
并在包装箱内放吸潮剂,在机器内部喷涂防锈剂。
切勿在包装箱顶部对放任何重物,运输和储存时不要将机器倒置。
长途运输或长期保存机器后,建议在机器接上电源前,先手动检查所有活动部件,以避免电气设备过负荷。
随机供应的标准附件:1.工具: 1套2.弓架活页弹簧: 5件3.紧力臂夹刀弹簧: 1件4.紧力臂弹簧 1件5.紧力臂制动器弹簧 1件6.所有其他品种的弹簧 1套7.电热头 1件8.说明书 1份2-1. 技术要求:批准 CE2-2. 规格:尺寸:宽1412mm 长 600mm 高1540mm净重:220kgs毛重: 230kgs带宽: 8, 9,10, 12, , , 18, 19mm带盘: PP带纸芯内径200mm-280mm(可调)捆扎速度: 26次每分钟捆扎范围:最小。
旭田豪华型高台半自动打包机说明书配图
型号:XT8020豪华型高台半自动打包机
功率:0.66KW
重量:100kgs
打包带宽度:6-15mm 最大包装宽度:60mm 最小包装宽度:60kg 最大捆紧力:不限
打包速度:1.5秒/道
纸蕊尺寸:200mm
体积:895×565×735mm
动力类型:豪华型高台自动打包机适用对象:高台型适应于一些较小、较轻的产品打包。
如:纸箱、木材、书刊杂志、报社报纸、轻工、食品、水产、冷冻、水果、印刷、医药、邮政邮局、信函、物流、机场行李、包裹、五金、家具、电器、电子、塑料塑胶、化工、配件、医疗器械、健身器材、服装等产品的外包装使用。
特性:
1、接头短,不用铁扣,符合国际环保要求;
2、打包速度快,效率高,每打一道PP带仅需1.5秒;
3、速热系统,1V低电压,安全性好,瞬间加热,开机5秒钟后进入最佳打包状态;
4、自动停机装置,省电实用.超过60秒不再操作时,马达会自动停机,进入待机状态;
5、电磁离合,快速平稳,连轴式传动,速度快、噪声小、磨损少、故障率低;
6、新型电路设计,采用插入式集成电路板控制整个打包动作和烫头温度,把电路部份分开,电路板维修检查方便;
7、新型电热钢片设计,寿命长、退热快,免除普通烫头之易变型和短路的缺点;
8、可使用6-15mm宽度之打包带,保证粘合效果完整一致;
9、设有快速调节旋钮,捆紧力大小可任意调节相当方便
豪华型高台半自动打包机(图)。
打包机操作说明打包机是一种广泛应用于物品包装领域的机械设备,它能够高效、快速地将物品进行包装和封装。
本文将为您提供一份打包机的操作说明,帮助您正确使用打包机,提高工作效率和包装质量。
一、准备工作1. 确保打包机安装在平稳的工作台面上,并且固定牢固,防止在操作过程中移动或摇晃。
2. 检查打包机的电源供应,确保电源线连接正常,并且配备了接地线。
3. 确认打包机的绳带供应是否充足,如果不够,及时添加或更换。
二、操作步骤1. 打开打包机主机电源开关,确认电源指示灯点亮。
2. 调整打包机的张力控制器,根据所需打包的物品类型和大小,选择合适的张力力度。
通常,较轻的物品需要较低的张力,较重或较坚固的物品则需要更高的张力。
3. 将待打包的物品放置在打包机的打包区域内,调整物品的位置和方向,确保打包带能够顺利包裹物品。
4. 按下打包机的启动按钮,打包机将开始工作,自动将打包带围绕物品进行包装。
5. 当打包带用完或需要更换时,按下打包机的停止按钮,打包机会自动停止工作。
注意,此时不要试图手动解开打包带。
6. 将打包带的两端使用打包机上的封口器进行封口,确保封口牢固可靠。
7. 将打包好的物品取出,放置在指定的区域,进行下一步的操作或运输。
三、安全注意事项1. 在操作打包机之前,必须佩戴好个人防护装备,如手套和眼镜,以避免意外伤害。
2. 禁止将手或其他物体伸入打包区域,以免触发打包机的工作机构,造成伤害。
3. 使用打包机时,应注意周围环境的安全,确保没有其他人员或障碍物靠近打包机。
4. 定期检查打包机的电源线和其他连接线路是否磨损或损坏,如发现问题,应及时修理或更换。
四、维护保养1. 在使用一段时间后,应清理打包机上的灰尘和杂物,保持打包机清洁干净。
2. 检查打包机的各个零部件是否正常运转,如发现异常,应及时处理。
3. 定期加注润滑油或脂,保证打包机的润滑系统工作正常。
4. 如果长时间不使用打包机,应切断电源并进行适当的防尘措施。
使用说明书半自动捆包机尊敬的用户:感谢您选用本公司半自动系列捆包机!在使用机器前,请仔细阅读本说明书,以便正确的操作。
为了您和机器的安全,延长机器的使用寿命及避免故障,请注意以下事项:1、接通机器的电源必须可靠接地,并配备过载保护装置,机器电源线插头上的插脚不可除去,否则可能导致触电事故发生。
2、接通电源后,不可触摸机器电器部件及速热钢片,以免发生事故。
3、机器运转时,请勿将头、手伸入捆包带环形圈内和机器运转部位,以免发生事故。
4、易破损的物品捆扎时,请注意调整捆紧力,不可过大;漏液、漏粉尘的物品不可直接放在机器上捆扎。
5、请勿在有腐蚀性及粉尘的环境中使用本系列机器。
6、随时保持机内清洁,避免潮湿。
7、请勿在非润滑处加油。
8、请勿使用劣质机用捆包带和手工捆包带,以免影响捆扎效果。
9、非专业人员请勿拆装机器零件。
再次感谢您对本公司的大力支持与惠顾,我们将一如既往的努力专研,用心制造,用心服务,因为您的满足就是我们的追求。
1-1应用本系列机器为半自动捆包机,通过迅速高温的速热钢刀插入上下两层捆包带使其表层融熔粘接,机械式快速退带收紧,前、中刀刀刃交错剪断捆包带,从而实现捆包过程。
本系列捆包机广泛应用于纸箱、木箱、书刊、软硬包裹及方状、筒状、环状物品的捆扎包装,广泛适用于轻工、食品、外贸、物流、百货、印刷、医药、邮电、化工、纺织等行业。
本系列捆包机适用于聚丙烯、聚乙烯(机用带)捆包带捆扎,捆扎的物件尺寸应≥60mm(宽)30 mm(高)。
本系列机器不宜捆扎湿、多灰,粉末状或过于笨重(≤80KG)的包装物。
建议使用以下规格的捆扎带:原材料:PP、PE固定带宽:6mm~15mm,最大±1.0mm带厚:0.6mm~1.0mm扭转:每米60°弧高:每米5mm带圈宽度:170mm~190mm带圈纸芯内径:200mm1-2 安装机器必须放置在干燥平坦的硬质地板上,位置摆放平稳后踩下刹车,使其固定不移动。
打包机使用说明操作程度上海嘉彤包装机械打包机使用说明操作程度1.装带依配图装上带卷,上紧受柄(在工具箱内)。
打包机注意:?高度170和190毫米的带卷应分别按配图上紧。
?为防止卷带松散,装带前勿将包装纸及绳拆开,待放入带盘固定后拆除。
2.穿带打包机3.中台和低台型先拆下带盘三角托架上限位螺丝,将刹车杆扳正,再装回限位螺丝。
然后将托架插入机架右侧槽内,并旋紧紧定螺丝,放上带盘。
将带头穿过倒带轮A?倒带片?倒带轮B,直到看见带头穿出机器台板。
4.打包机高台型打开左门,放入带盘,再打开右门,将带头穿过导带轮A?倒带轮B,再将带头穿过右门下孔,关上右门,再将带头穿过小架(四)?右门上孔?倒带轮C?倒带片?倒带轮D,直到看见带头穿出台板。
5.操作完成装带及穿带后,打包机打开机器前面板上“电源开关”,约一分钟后烫头温度即已达到工作要求,打开“电源开关”,捆包工作即可开始。
6.为保障操作者安全,打包机机器一定要接上保护地线PE。
如有漏电现象,务必检查电源插座是否接上保护电线。
7.温度不足应调整“温度控制器”(即机内烫头变压器上的旋钮),打包机右旋可使烫头温度升高,左旋可使温度降低。
8.按捆包物体积大小调整前面板上“送带长度调节器”。
每一格表示送带时间(秒)。
切勿将之置于,,而送不出带子。
9.临时带子送出不够长可按“手动出带”按钮而任意送带,手放即止。
打包机10.本机设置自动停止装置,停机时间可自行设定。
11.如果扎带端头不平整,可按“手动退带、切带”按钮进行腿带,手按即放且自动切断带子。
注意:非技术人员除了本手册所指示调整部位,其它不得任意拆装或松动,打包机尤其是有红漆部位。
调整打包机1. 带子宽度及接合口调整当带子宽度不匀或更换另一种宽度的带子时,必须调整左、右插带槽太窄时,插带困难;太宽时,打包机捆包后带子接合处会搭接不齐。
一般插带槽宽度应比带子宽度宽0.5-1毫米左右。
2(打包机烫头温度调整烫头温度的高低对带子接头的质量很大影响。
全自动打包机使用说明书
全自动打包机的每个打包动作解析相信没有使用过打包机的客户对于打包机的使用操作还相对陌生,以下旭田为大家详解全自动打包机操作如下:
打包机正常启动,把打包物体基本放于打包机中间,首先右顶体上升,压紧带的前端,把带子收紧捆在物体上;随后左顶体上升,压紧下层带子的适当位置,加热片伸进两带子中间,中顶刀上升,切断带子;最后把下一捆扎带子送到位,完成一个工作循环。
全自动打包机动作解析:
带子送到位→收到捆扎信号→制动器放开,主电机启动。
第一环节:
1、右顶刀上升,顶住右带于滑板处
2、“T”型导板后退
3、接近开关感应到退带探头
4、主电机停转,制动器吸合
5、打包机退带电机转动,退带0.35秒
6、带子收紧捆在物体上;
第二环节:
7、主电机二次启动,制动器吸合
8、大摆杆二次拉带,收紧带子
9、左顶体上升,压紧下层带子
10、加热片伸进两带子中间
11、中顶刀上升,切断带子
12、中顶刀下降
13、中顶刀再次上升,使两带子牢固粘合
14、中顶刀下降,左右顶刀同时下降
15、加热片复位
16、滑板后退;
第三环节:
17、“T”型导板复位
18、接近开关感应到送带探头
19、送带电机启动,带动带子送带
20、大摆杆复位
21、带子到位,带头顶到“T”型导板上
22、接近开关感应到双探头
23、主电机停转,刹车吸合。
全自动打包机整个操作流程结束。
包装机械操作手册一、引言包装机械是现代生产过程中不可或缺的设备之一,它能够高效地完成产品的包装工作,提高生产效率和产品质量。
本操作手册旨在向操作人员提供详细的操作指导,以确保包装机械的正确运行和安全操作。
二、安全注意事项1. 操作人员在使用包装机械前,应进行专业的培训,熟悉设备结构和操作流程,并遵守所有安全规定。
2. 在操作过程中,严禁擅自调整、改动包装机械的任何零部件,以免影响设备正常运行和人员安全。
3. 在设备维护和清洁时,应先切断电源,并等待设备完全停止后方可进行操作。
4. 必须使用防护用具,如手套、护目镜等,以防止意外发生。
5. 严禁将手指、衣物或其他任何物体放入运行中的机器,以免造成伤害。
三、设备操作步骤1. 开机准备:确保包装机械电源连接正常,各个控制开关处于关闭状态。
2. 调整参数:根据产品要求,设置适当的包装速度、包装材料规格等参数。
3. 加载物料:按照产品要求,将待包装产品放置于指定位置,注意确保产品无杂质。
4. 开始包装:按下启动按钮,包装机械开始运行,确保操作人员保持安全距离,防止意外接触。
5. 监控运行:操作人员应时刻关注设备运行情况,如发现异常应立即停机检查。
6. 维护保养:包装机械运行一定时间后,需进行日常维护和保养,清理杂质、润滑机械零部件等。
7. 关机操作:工作结束后,先切断电源,并确保设备完全停止运行,再进行清洁和维护。
四、故障排除1. 无法启动:检查电源是否正常连接,开关是否处于合适位置,电源是否稳定。
2. 运行异常:检查设备运行是否平稳,各个部件是否工作正常,如发现异常及时停机检查。
3. 包装材料问题:检查包装材料是否符合规定要求,避免使用过期或损坏的包装材料。
4. 包装质量差:检查设备参数是否设定正确,包装速度是否过快或过慢,是否存在杂质等。
5. 其他故障:对于其他无法识别和解决的故障,应及时联系设备供应商或维修人员进行维修。
五、操作规范和注意事项1. 操作人员必须穿戴合适的工作服和防护用具,确保自身安全。
一、目的制定打包机操作指引,作为打包人员之作业依据,以避免因作业不当而造成机器及人员伤害,同时也避免因操作不当造成作业中止现象。
二、范围适用于所有涉及打包机的作业。
三、作业内容:1.打包机机构说明:如右图一所示分别为控制面板、挡板、带盘。
如图二所示分别为:总电源开关、送带调节旋钮、捆紧力调节旋钮、手动送带按钮、截断开关(复位开关)。
如图三所示为插带槽。
如图四所示为送带口。
2.作业前检查。
检查打包机工作台面有无异物,保证工作台面的整洁干净。
3. 操作流程A.电源线插头接上电源;B.打开电源开关(机台预热1分钟);C.将包装物放在机器上,靠住档板;D.将带子绕过捆包物,顺着插带槽处插入,插入后打包机会自动收紧带子,此时按下截断开关即捆包完成;E.捆包完成后,移开捆包物;4.关机:按红色开关,红色电源指示灯灭,打包机停止工作。
四、故障排除1.卡带如打包机出现卡带现象,此时应按如下步骤排除:先按下截断开关(复位开关),并手工把带子从送带口处往外拉出,然后再重新装。
2.死机如打包机出现死机现象,此时应按如下步骤排除:先把带子从送带口处往外拉出,然后关机。
等待3分钟后重新开机,并按截断开关(复位开关)让打包机动作一次完成复位动作,此时再重新装带。
如设备出现故障后,操作人员应先按上述方法排除问题,如问题未能解决,应立即汇报上级并填写《设备维修申请表》交给工程部。
请工程人员处理。
打包机操作指导书文件编号产品版本使用部门仓库,生产部打包机外形图示:图1送带长度调节旋钮捆紧力调节旋钮总电源开关截断开关(复位开关)手动送带按钮图2图3图4插带口底板送日期日期制作审核批准日期。
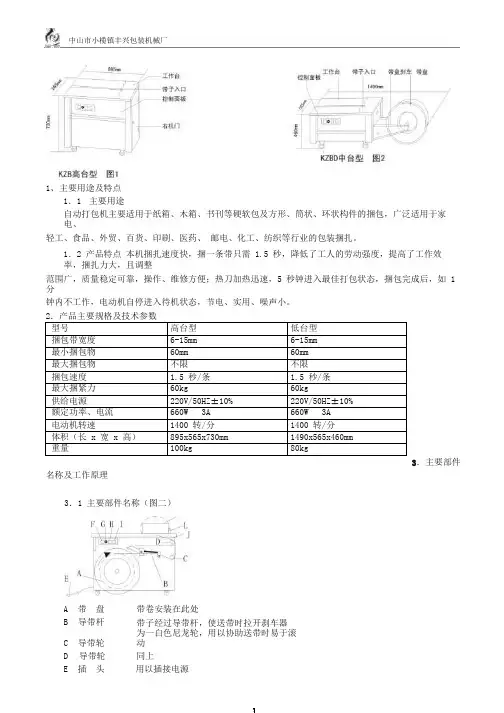
中山市小榄镇丰兴包装机械厂1、主要用途及特点1.1主要用途自动打包机主要适用于纸箱、木箱、书刊等硬软包及方形、筒状、环状构件的捆包,广泛适用于家电、轻工、食品、外贸、百货、印刷、医药、邮电、化工、纺织等行业的包装捆扎。
1.2 产品特点本机捆扎速度快,捆一条带只需 1.5 秒,降低了工人的劳动强度,提高了工作效率,捆扎力大,且调整范围广,质量稳定可靠,操作、维修方便;热刀加热迅速,5 秒钟进入最佳打包状态,捆包完成后,如 1 分钟内不工作,电动机自停进入待机状态,节电、实用、噪声小。
2.产品主要规格及技术参数型号高台型低台型捆包带宽度6-15mm 6-15mm最小捆包物60mm 60mm最大捆包物不限不限捆包速度 1.5 秒/条 1.5 秒/条最大捆紧力60kg 60kg供给电源220V/50HZ±10% 220V/50HZ±10%额定功率、电流660W 3A 660W 3A电动机转速1400 转/分1400 转/分体积(长 x 宽 x 高)895x565x730mm 1490x565x460mm重量100kg 80kg3.主要部件名称及工作原理3.1 主要部件名称(图二)A 带盘带卷安装在此处B 导带杆带子经过导带杆,使送带时拉开刹车器C 导带轮为一白色尼龙轮,用以协助送带时易于滚动D 导带轮同上E 插头用以插接电源F 电源开关用以启动电源- 1 -中山市小榄镇丰兴包装机械厂G 长度调节器调节每次自动送带的长度H 归零开关按此钮每一次退带(半个动作),第二次为归零I 手动出带开关为手动调节任意出带长度J 出带槽带子穿过此,机器没归零或积塞杂物,即无法穿过K 捆包物为欲捆包之物品,紧靠阻挡器 L3.2 工作原理(图三)将捆包物放在捆包机的台面上,调整适当的供带长度,机器自动供带,操作者将捆包带绕过捆包物,将带头沿着导向槽插入直至触动微动开关,前顶刀便立即上升,将带头顶住,随之带子被张紧后,另一端也被上升的后顶刀顶住,中刀立即上升,将带子切断,与此同时,表面温度约 180。
1. 操作程序﹕
A. 電源開關
B. 調帶子初始長度
C. 剪斷帶子按鈕
D. 手動調試帶子長度
1.1將帶裝入帶盤﹐依順時針方向安裝帶盤﹐并使帶穿過導向器﹐穿過引片和導輪之間。
1.2按通電源﹐按下電源按鍵﹐電動機開始預熱,預熱30秒左右。
1.3根據箱子的大小需要﹐調整長度旋鈕。
1.4預熱好后,把箱子放到機子上(如圖),
A B D
C
帶頭入口處
1.5拿帶頭送進“帶頭入口處”﹐帶頭到裏面后會觸動微動開關﹐機器自動完成退帶拉緊﹐
燙帶﹑切帶﹐復原動作。
1.6使用完畢﹐關閉電源開關﹐并斷開電源。
2.注意事項﹕
2.1請勿自調各開關及螺絲位置。
2.2選擇合適帶子。
2.3對機內應保持清潔﹐潤滑。
2.4若有異常﹐應停機找有并人員解決。
打包机操作流程打包机是一种常见的包装设备,用于将物品或货物进行捆绑和压缩,以便更方便地储存、运输或销售。
下面将介绍打包机的操作流程,以帮助您正确、高效地使用打包机。
准备工作1. 确定打包机的工作区域,保证周围空间宽敞、整洁,并远离易燃物品。
2. 检查打包机的电源供应,确保电源稳定并符合要求。
3. 准备好打包所需的包装材料,如封箱带、缠绕膜、捆扎带等。
操作步骤1. 打开打包机的电源开关,确保设备正常启动。
2. 将待打包的物品或货物放置在打包机的工作平台上,并根据需要进行整理和摆放。
3. 根据物品的大小和形状,调整打包机的参数设置,如打包张力、包装速度等。
4. 根据需要选择合适的包装材料,将其装入打包机的材料槽中。
5. 根据打包机的操作说明,通过控制面板或触摸屏设置所需的打包方式,如自动打包、半自动打包或手动打包。
6. 将待打包的物品逐渐推入打包机的工作区域,并确保物品与打包机的接触顺畅。
7. 按下打包机上的启动按钮,开始打包机的工作。
在工作过程中,注意观察打包效果,确保打包带或膜的紧固效果符合需求。
8. 打包完毕后,停止打包机的工作。
根据需要,可以将打包带进行剪断,或者将打包膜撕断。
9. 定期清理打包机的工作区域和材料槽,保持设备的卫生和使用寿命。
10. 关闭打包机的电源开关,结束使用。
安全注意事项1. 操作时要小心,避免手部或其他身体部位接触到打包机的运动部件。
2. 避免将头发、衣物或其他杂物靠近打包机的工作区域,以免被夹紧或缠绕。
3. 在清理和维护打包机时,务必切断电源,并按照操作手册的指导操作。
4. 注意打包机的工作环境温度,避免过热或过冷,以免影响设备的性能和寿命。
5. 若发现打包机出现异常或故障,应立即停止使用,并联系维修人员进行检修。
总结正确操作打包机可以提高包装效率,保证打包质量,同时确保操作的安全性。
在使用打包机之前,要详细了解设备的操作说明和安全注意事项,并按照要求进行操作。
通过熟练掌握打包机的操作流程,可以有效提高工作效率,提升包装效果,为企业的物流管理提供有力的支持。
自动打包机操作规程
1.目的
本规程用于指导操作者正确操作和使用设备,确保安全生产和设备正常运行。
2.适用范围
本规程适用于指导供应链中心所有自动打包机的安全操作.
3.职责
3.1设备技术部人员负责操作规程的制定、培训和维护;
3.2生产部人员、设备技术人员负责本操作规程的执行。
4.作业指导程序
灯亮;
图二
后,
,
5.安全事项:
5.1该设备由专门的操作人员负责操作管理,严禁其他人员随意乱动;
5.2设备使用过程中,严禁将手、头等人身体部位伸进设备传动机构内;
5.3操作人员在操作本机时,不得将身体部位置于机器运转的部位;
5.4 PP带安装及正常保养时,请关闭电源、气源,确保安全。
6.日常的维护及异常处理
6.1保持设备的清洁,每日工作后, 操作者要用压缩空气喷吹、清洁擦拭设备,清扫工作场地
6.2每天开机前,作业员按日常点检表进行对设备的关键部位进行点检确认;
6.3操作者每天下班前须用压缩空气喷吹机子内部容易沾积灰尘、带梢的部位;用刀片把烫头
上热粘合残留物刮干净;清理烫头排烟风机上的污垢;
6.4PP不进带→重新正确安装PP带,检查并调整送带时间(图七)
6.5PP带粘合点失控→调整电热头温度,检查导带装置
6.6PP带不打包→清洁进带上下压轮并调整压轮间隙,检查箱子感应开关是否感应,调整送带
时间(如图八)。
【说明】:1.2.包装。
3. 手动操作按键:按压手动操作按键,将会从目前画面变换至手动操作画面PAGE(4),即可进行各项包装程序的手动操作。
※注意事项:请先将自动运转停止,才能将画面变换至手动操作画面PAGE(4)。
4.5. 将画面变换至温度设定画面,设定主封刀及侧封刀的温度。
6. 参数设定按键:按压此按键画面将会变换至密码输入画面PAGE(41),待输入正确的密码后,才能进入参数设定画面PAGE(5)进行系统参数的修改与调整。
7. PAGE(1)。
8. PAGE(2)。
【说明】:1. PAGE(3)。
3. 自我测试:将画面变换至自动测试程序显示画面PAGE(17)准备进行设备自动测试程序。
PAGE(4)【说明】:1. 左前段按键:按压后,左前段输送带开始运转,再按压一次左前段输送带即停止运转。
2. 左主机按键:按压后,左主机输送带开始运转,再按压一次左主机输送带即停止运转。
3. 推杆马达按键:按压后,推杆马达开始运转向前推出,当推出到最前方后,推杆马达会自动向后退回到起点然后停止运转。
4. 中段降一按键:按压按键后,中段升降板开始往下降第一段;再按压按键一次中段升降板上升。
5. 中段降二按键:按压按键后,中段升降板开始往下降第二段;再按压按键一次中段升降板上升。
6. 中段降三按键:按压按键后,中段升降板开始往下降第三段;再按压按键一次中段升降板上升。
7. 主封气缸按键:按压住按键后,主封气缸开始往下动作;松开按键后主封气缸自动往上退回。
8. 中后输送按键:按压后,中段及后段输送带开始运转,再按压一次中段及后段输送带即停止运转。
9. 升布固定按键:按压后,升布固定开始往上升起,再按压一次升布固定即停止运转往下退回。
10. 按压后,侧封座开始运转向前推出,当推出到最前方或者有布匹阻挡后,侧封座会自动停止运转。
11. 按压后,侧封刀气缸开始动作向前推出,当与刀座夹合经过设定的时间后,侧封刀气缸会自动向后退回。
打包机说明书打包机说明书1. 引言本说明书旨在为使用者提供打包机的正确使用和维护方法。
请仔细阅读本文档并按照指示操作打包机,以确保安全和顺畅的操作。
2. 打包机概述打包机是一种用于将物品进行捆扎和包装的机器设备。
它可以用于包装各种产品,如纸张、纤维、纺织品、食品等。
3. 使用前准备在开始使用打包机之前,请确保按照以下步骤进行准备:1. 确认打包机的电源已连接并已接通电源。
2. 检查打包机的工作台是否干净,清除任何杂物以确保安全操作。
3. 确保打包机的绑扎带已妥善安装并准备就绪。
4. 打包机操作步骤请按照以下步骤正确操作打包机:1. 将要打包的物品放置在打包机的工作台上。
2. 确保物品堆叠整齐,并调整打包机的工作台以适应物品大小。
3. 按下打包机的启动按钮,打包机将开始运作。
4. 打包机将自动将绑扎带固定在物品上,并开始拉紧带子。
5. 当带子拉紧完毕时,打包机将自动剪断带子。
6. 检查打包是否牢固,如有需要可再次按下启动按钮进行打包。
7. 打包完成后,关闭打包机的电源。
5. 维护与保养为了确保打包机的正常运行和延长使用寿命,请进行以下维护和保养措施:1. 每天使用前,清洁打包机的工作台和绑扎带传送系统。
2. 定期检查打包机的绑扎带装载和切割机构,确保它们处于良好状态。
3. 定期润滑打包机的移动部件,使用适当的润滑剂。
4. 定期检查打包机的电源线和插头,确保它们没有受损。
5. 如遇到故障或异常情况,请立即停止使用打包机,并联系专业技术人员进行维修。
6. 安全注意事项在使用打包机时,请务必遵守以下安全注意事项:1. 在使用打包机时,请戴上适当的防护手套和眼镜,以免受伤。
2. 不要将手指或其他物体靠近打包机的运动部件,以免被夹伤。
3. 在清洁维护时,请确保打包机的电源已断开,以免发生电击事故。
4. 如果打包机出现异常运行、异响或故障,请立即停止使用,并联系专业技术人员进行检修。
5. 不要擅自更改打包机的设置或调整打包机的工作参数,以免损坏机器或影响打包效果。
电动打包机使用说明书使用说明书1. 产品概述电动打包机是一种高效、方便的包装设备,它通过电动机驱动打包带,用于固定并固化包裹。
本使用说明书旨在为用户提供详细的操作指南,以确保正确、安全地使用电动打包机。
2. 安全须知- 在操作电动打包机之前,务必仔细阅读本使用说明书,并按照指示操作。
- 使用电动打包机时,请戴上适当的防护手套和眼镜,以防止意外伤害。
- 请确保使用环境干燥、通风良好,以防止设备受潮或因电器故障而引发火灾。
- 在操作完成后,请将电动打包机断电,并将插头拔出电源插座。
3. 使用步骤步骤1: 准备- 将电动打包机放置在平稳的工作台上,确保机器稳定并且未连接电源。
- 将包装带装入打包带卷芯,并确保带宽、带材质符合要求。
- 打开电动打包机上的固定夹具,将包装带通过夹具穿过,并用扳手固定好。
步骤2: 连接电源- 将电动打包机的插头插入电源插座,并确保电源开关处于关闭状态。
- 检查电动打包机的电源线是否暴露或损坏,如有损坏应立即停止使用,并寻求专业人士的帮助进行维修或更换。
步骤3: 调整设置- 根据包裹的大小和稳定性要求,调整电动打包机上的张力调节器,使得打包带可以紧紧包裹包裹。
- 检查打包带的张力是否适中,过紧或过松都会影响打包效果。
步骤4: 打包- 将包裹放置在需要打包的位置,将打包带绕过包裹并通过夹具。
- 按下电动打包机上的启动按钮,让电动机开始运转,将打包带牢牢固定在包裹上。
- 确保夹具固定好打包带,并将包裹继续进行下一个要打包的位置。
4. 故障排除问题: 电动打包机无法启动。
解决方案:- 检查电源是否连接正常,插头是否插紧,并确保电源开关处于打开状态。
- 检查电动打包机的电源线是否受损,如有损坏应停止使用并进行维修或更换。
问题: 打包带松动或无法固定。
解决方案:- 调整电动打包机上的张力调节器,增加或减小打包带的紧度。
- 检查打包带是否正确穿过夹具,并确保夹具处于固定状态。
问题: 打包带断裂。
【说明】:1. 日期与时间:分别显示目前的日期与时间。
2. 自动运转按键:包装机开始自动运转,此时即可将布匹放入输送带进行包装。
※注意事项:请先将温度加热按键启动,待主封刀及侧封刀达到温度表所设定的工作温度后,再行启动自动运转按键。
3. 手动操作按键:按压手动操作按键,将会从目前画面变换至手动操作画面PAGE(4),即可进行各项包装程序的手动操作。
※注意事项:请先将自动运转停止,才能将画面变换至手动操作画面PAGE(4)。
4. 温度加热按键:按压此按键,主封刀及侧封刀即开始加热,当温度达到温度表所设定的工作温度后,再行启动自动运转按键。
5. 温度设定按键:按压此按键,将画面变换至温度设定画面,设定主封刀及侧封刀的温度。
6. 参数设定按键:按压此按键画面将会变换至密码输入画面PAGE(41),待输入正确的密码后,才能进入参数设定画面PAGE(5)进行系统参数的修改与调整。
7. PAGE(1)。
8. PAGE(2)。
【说明】:1. 上一页按键:将画面变换回上一个画面PAGE(3)。
2. PE膜穿法按建:按压此按键画面将会变换至PE膜穿法画面PAGE(10)。
3. 自我测试:将画面变换至自动测试程序显示画面PAGE(17)准备进行设备自动测试程序。
PAGE(4)【说明】:1. 左前段按键:按压后,左前段输送带开始运转,再按压一次左前段输送带即停止运转。
2. 左主机按键:按压后,左主机输送带开始运转,再按压一次左主机输送带即停止运转。
3. 推杆马达按键:按压后,推杆马达开始运转向前推出,当推出到最前方后,推杆马达会自动向后退回到起点然后停止运转。
4. 中段降一按键:按压按键后,中段升降板开始往下降第一段;再按压按键一次中段升降板上升。
5. 中段降二按键:按压按键后,中段升降板开始往下降第二段;再按压按键一次中段升降板上升。
6. 中段降三按键:按压按键后,中段升降板开始往下降第三段;再按压按键一次中段升降板上升。
使用说明书半自动捆包机尊敬的用户:感谢您选用本公司半自动系列捆包机!在使用机器前,请仔细阅读本说明书,以便正确的操作。
为了您和机器的安全,延长机器的使用寿命及避免故障,请注意以下事项:1、接通机器的电源必须可靠接地,并配备过载保护装置,机器电源线插头上的插脚不可除去,否则可能导致触电事故发生。
2、接通电源后,不可触摸机器电器部件及速热钢片,以免发生事故。
3、机器运转时,请勿将头、手伸入捆包带环形圈内和机器运转部位,以免发生事故。
4、易破损的物品捆扎时,请注意调整捆紧力,不可过大;漏液、漏粉尘的物品不可直接放在机器上捆扎。
5、请勿在有腐蚀性及粉尘的环境中使用本系列机器。
6、随时保持机内清洁,避免潮湿。
7、请勿在非润滑处加油。
8、请勿使用劣质机用捆包带和手工捆包带,以免影响捆扎效果。
9、非专业人员请勿拆装机器零件。
再次感谢您对本公司的大力支持与惠顾,我们将一如既往的努力专研,用心制造,用心服务,因为您的满足就是我们的追求。
1-1应用本系列机器为半自动捆包机,通过迅速高温的速热钢刀插入上下两层捆包带使其表层融熔粘接,机械式快速退带收紧,前、中刀刀刃交错剪断捆包带,从而实现捆包过程。
本系列捆包机广泛应用于纸箱、木箱、书刊、软硬包裹及方状、筒状、环状物品的捆扎包装,广泛适用于轻工、食品、外贸、物流、百货、印刷、医药、邮电、化工、纺织等行业。
本系列捆包机适用于聚丙烯、聚乙烯(机用带)捆包带捆扎,捆扎的物件尺寸应≥60mm(宽)30 mm(高)。
本系列机器不宜捆扎湿、多灰,粉末状或过于笨重(≤80KG)的包装物。
建议使用以下规格的捆扎带:原材料:PP、PE固定带宽:6mm~15mm,最大±1.0mm带厚:0.6mm~1.0mm扭转:每米60°弧高:每米5mm带圈宽度:170mm~190mm带圈纸芯内径:200mm1-2 安装机器必须放置在干燥平坦的硬质地板上,位置摆放平稳后踩下刹车,使其固定不移动。
电源必须可靠接地,并配备过载保护。
安装地点应符合以下条件:室温:-20℃~+50℃地板:最大负载200公斤/平方米空间:最小2米×1.5米1-3运输及储存警告:◆如果不按机器说明书要求正确安装,将导致严重后果。
◆电源连接线的插头必须牢固,电源插座必须安装接地保护。
长途运输或长期保管机器,必须用木箱或硬纸板箱包装,固定在结实的垫板上,并在包装箱内放干燥剂,在机器内部喷涂防锈剂,切勿在包装箱顶部堆放任何重物,运输和储存时请勿将机器倒置。
长途运输或长期保存机器后,建议在机器接上电源前,先手动检查所有活动部件是否正常,以避免机械部件干涉,电器部件过载而导致机器损坏。
1-4 随机配送附件:-带盘1套-阻挡器2件-8A保险丝2只-2A保险丝4只-十字螺丝刀1把-8-10 双头开口扳手1把-5mm 内六角扳手1把-毛刷1把-剪刀1把-工具袋1只-使用说明书1本2-1规格ⅠⅤⅥⅦⅧⅨⅩⅪ2-2技术参数73-1操作前注意事项1、检查连接电源与机器侧面铭牌标识是否一致,并配备接地保护。
2、捆包时,捆包物必须靠平阻挡块,并放正,以达到良好的捆包效果。
3-2操作程序1、连接电源,打开电源开关,空转,检查机器是否异常。
2、关机,将捆包带卷装入带盘(捆包带带头方向必须与带盘上标示的箭头方向一致,当捆包带通过导带轮时,带的外表面必须朝下),然后拧紧带盘手柄。
3、穿带。
拉出一段捆包带,将捆包带分别穿过导带轮A、B、C,通过送带轮,直到看见带头穿出机器台面。
(如图一、图二)4、重新打开电源开关,根据捆包物体积大小调整适当的送带长度。
5、将捆包物放置在机器台面上(靠平阻挡块,并放正),将捆包带绕过捆包物,把带头沿着导带槽插入,直至触动微动开关LS1,机器运转,完成一次捆扎。
3-3操作及调整部件1、电源开关:◆“ON”—电源接通,指示灯亮,电热头通电加热,机器处于待机状态。
◆“OFF”—电源断开,指示灯灭,机器停止工作。
2、送带长度调整本系列捆包机依靠两个可调滚轮沿相反方向与捆包带摩擦来实现送带,并通过调节直流电磁铁电流来控制送带长度,其送带快速、可靠、精确。
为快速、安全有效的捆扎,需要合理的送带长度,送带太短,则容易将手捆住,造成安全隐患;太长,则不易对准位置,且延长捆包时间,降低捆包效率。
用户可根据捆包物大小,通过如图所示的“2”电位器予以调整,此后机器将默认所调的送带长度送出捆包带。
“0”—送带长度最短,此时,机器台面将送不出捆包带。
“6”—送带长度最长,约7m。
3、归零点动“归零”按钮,机器将执行退带动作,再次点动“归零”按钮,机器将复位至初始状态。
4、进带按下“进带”按钮,实现手动送带,松开按钮,送带停止。
螺母图六螺塞内调型外调型图五指针螺塞减小增大增大减小5、热刀温度调整旋钮(见图四)本系列捆包机有普通型Ⅰ型和改进型两种热刀可供用户选择(建议用户选择Ⅱ型)。
其速热钢刀采用优质发热材料制作而成,功耗小,温升快且稳定耐用。
其温度调节范围为180℃~320℃。
热刀温度与捆包带接头粘接牢固程度直接相关,电热头温度是否合适,可检查速热钢刀表面粘合情况,PP 、PE 捆包带推荐置于4~5挡之间,机器出厂前已预调至4~5档。
◆“LO ”—速热钢刀温度最低,约180℃。
◆“HI ”—速热钢刀温度最高,约320℃。
6、捆紧力调节旋钮本系列捆包机捆紧力调节有内调和外调两种类型可供用户选择(如图五)。
均采用钢与ABS 工程塑料摩擦来实现捆紧,机械式捆紧,捆紧力大、稳定、可靠。
其最大捆紧力可达60kgf ,出厂预调捆紧力约15kgf 。
用户可根据实际捆包需要予以调节合适的捆紧力,以达到理想的捆包效果。
其调节方法有:警告:捆紧力不宜过大,过大将导致捆包物损坏。
6.1、旋转机器后面的螺塞,顺时针旋转为增大捆紧力, 逆时针旋转为减小捆紧力,每次调节不宜调太大间距, 以免捆紧力过大导致捆包物损坏,指针所指示的为捆 紧程度。
(见图五)6.2、旋转螺母,向上旋转退带滚轮间隙变小,捆紧力 增加,向下旋转,则捆紧力减小。
(图六)警告:上分机在上下两组螺母需留0.3~0.5mm 间 隙,不可锁死。
螺钉螺钉调节片插带槽座图七螺母送带轮退带轮图八分机连接轴7、捆包带宽度及接合口调整当捆包带宽度不均或更换另一种宽度规格的捆包带时,必须调整插带槽和送带槽宽度,插带槽、送带槽太窄,插带、送带困难;插带槽、送带槽太宽,捆包后捆包带熔接处会搭接不良。
一般插带槽、送带槽宽度应比捆包带宽度宽0.5~1.0毫米。
其调节方法为:7.1、松开螺钉,推拉插带槽座以调节适当的插带槽宽度,然后紧固螺钉。
7.2、松开螺钉,旋转调节片以调整适当的送带槽宽度,然后紧固螺钉。
8、送退带滚轮间隙调整本系列捆包机送退带均通过两滚轮沿相反方向旋转与捆包带摩擦来实现。
前一组滚轮控制送带,后一组滚轮控制退带,退带同时兼有拉紧而使摩擦片打滑的作用,故调整时应以控制退带滚轮为主。
两滚轮间的间隙调至捆包带厚度略宽0.05~0.10mm即可。
(见图八)警告:调整以后滚轮应转动灵活;上下两组螺母需留0.3~0.5间隙,不可锁死。
9、冷却时间调整用户可根据所选用的捆包带以及捆包需要,调整捆包带熔融粘合后的冷却时间,以达到良好的捆包效果。
其调整方法:拨动PCB板中间部位的1、2白色方形调整开关,拨至“ON”为闭合,反之则断开。
将1、2个开关都拨离“ON”,冷却时间最短;将1、2开关沿不同方向拨动,则为中间速度,此为出厂默认状态;1、2开关都拨至“ON”,冷却时间最长。
(见图九)机器保养直接影响到机器能否安全高效工作以及使用寿命。
故意义重大,需定期保养:4-1、随时保持机器内部干净、干燥。
4-2、请勿在机器台面板上放置潮湿或脏乱物件。
4-3、电源线避免滚压,不使用时应收卷。
4-4、定期在所有凸轮表面及上分机连接轴处(如图八)加适当润滑油。
4-5、定期在上滑板、前刀及中刀间加适当润滑油。
(如图十)4-6、定期在减速机箱内加齿轮润滑油,减速机内润滑油不得低于蜗杆轮齿。
4-7、其余部位请勿加油。
注油处图十7-1-2 主轴箱部件(-01.2)1、风扇部件(3、刀组合(-01.2.3)4、凸轮部件(-01.2.4)21367689541110121314151617319Ⅱ型热刀5、热刀部件(-01-2.5)热刀部件中热刀有Ⅰ型和Ⅱ型可供用户选择,其中Ⅰ型普通型,Ⅱ型为改进型。
改型后速热钢刀采用了优质的发热材料Cr15Ni60加工而成,结构更加合理,温升更快,发热更均匀,故建议用户选择Ⅱ型热刀。
Ⅰ型热刀配用100V A ,Uin 220V/50Hz ,110V/60Hz ,Uout 1.1V 变压器; Ⅱ型热刀配用45V A ,Uin 220V/50Hz ,110V/60Hz ,Uout 1.5V 变压器。
Heater ІHeater Π6、减速箱部件(-01.2.6)7-1-3 进退带部件(-01.3)1、上分机组件(-01.3.1)2、下分机部件(-01.3.2)3、松紧调整部件(-01.3.3)241314151617181920212223251211109876543127-1-4 横杆部件(-01.4)7-1-5 摆杆部件(-01.5)此部件适用于带摆杆机型,通用型无需此部件。
序号编号零件名称数量备注12 3 4 5 6 7 8 910111213141516 GB/T894.1-1986-1609GB/T276-1994GB/T893.1-1986-1608-1605-1604GB/T97.1-2002GB/T93-87GB/T6173-2000-1607-1602-1606-1601-1603万可带φ2.5×190轴用弹性挡圈 8小轮轴承 608-2Z孔用弹性挡圈 22小轮轴铜套摆杆平垫圈 6弹簧垫圈 6六角薄螺母 M6架脚垫圈摆杆螺钉大轮大轮轴11122111333111117-2 刹车部件(-02)本系列捆包机刹车机构有机械式刹车和电磁式刹车可供用户选择,其中机械式刹车分普通型和豪华型两种,几种类型的刹车各种机型均可配用。
机械式刹车通过传送中的捆包带带动刹车杆,使装在刹车杆上刹车橡皮与带盘摩擦来实现刹车。
电磁式刹车采用电磁铁带动刹车杆,使装在刹车杆上刹车橡皮与带摩擦来实现刹车。
7-2-1 机械式刹车(-02-1) 1、1234567891011121315162423222120191817142、普通型(低台)3、豪华型101345678915141312112167-2-2 电磁式刹车(-02-2)。