2021年自动感应门尺寸计算及安装步骤
- 格式:doc
- 大小:15.50 KB
- 文档页数:4
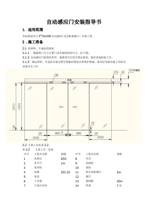
自动感应门安装指导书1. 适用范围本标准适用于4*3mJAD自动感应门(无框玻璃门)安装工程。
2 .施工准备2.1 原材料、半成品的要求2.1.1 根据洞口尺寸计算门及其他材料的尺寸,如下图:2.1.2 自动感应门机组的类型、规格型号应符合预定要求,做好进场检验工作。
2.1.3 确定材料、半成品安装过程中的临时堆放点和保护措施。
落实好电源及施工用机具设备安全工作。
2.2 主要工具见表2.2。
表2.2 主要工具一览表序号工机具名称规格序号工机具名称规格1 水准仪DS3 8 夹具2 水平尺1m 9 切割机3 电焊机10 线坠4 电锤ZIC-22 11 铝合金检测尺2m5 电钻12 钢尺6 工具箱13 插线板20m7 六角自攻丝14 焊条1包2.3 作业条件2.3.1 门框附近粗装修完,细装修之前。
2.3.2 洞口尺寸、标高、预埋件位置、数量、规格符合设计要求和实际施工的需要。
2.3.3 电气预埋管或预留槽完全通达机箱位置。
2.3.4 施工机具全部就位且调试至最佳工作状态。
2.3.5 进行了现场技术交底和安全交底。
2.4 作业人员2.4.1作业人员已经过现场安全、质量、技能培训,能够满足作业规定的要求。
2.4.2 电、气焊工、电工必须持证上岗。
3. 施工工艺3.1 工艺流程抄平划线→地导轨安装→钢横梁安装→电机轨道安装→电机及控制系统安装→装门扇→调试→安装不锈钢板3.2 操作工艺3.2.1 抄平划线水准仪抄平、线坠吊垂直,先弹出地导轨滑槽控制边线,再弹出横梁安装中心线和标高控制线。
3.2.2导轨安装撬出欲装轨道位置的预埋木枋条,按事先弹好的轨道滑槽控制墨线进行剔凿修整,满足安装要求后埋设安装下轨道,注意下轨道总长度应为开启门宽度的2倍+100mm。
并注意下轨道顶标高应与地坪面层标高一致或略低3mm以内。
3.2.3 钢横梁安装自动门钢横梁用18﹟规格的槽钢加工制作,两端焊接固定在门洞两侧的钢筋混凝土门柱或墙的预埋铁件上,预埋件厚度常选δ=8~10mm为宜。
电动感应门施工方案1. 引言本文档旨在提供一个电动感应门的施工方案,以确保项目顺利进行。
电动感应门在现代建筑中越来越广泛使用,能够提供方便的进出门方式,并且增加了安全性与便利性。
施工方案将包括所需材料、施工步骤、安全措施和测试方法等内容,以便施工人员能够按照规范进行工作。
2. 所需材料在开始施工前,确认以下材料已准备就绪: - 电动感应门系统 - 电动门操控器 - 电源线 - 传感器 - 电动门机械装置 - 门框和门板 - 螺丝和螺母 - 工具(电钻、螺丝刀、扳手等)3. 施工步骤以下是电动感应门的施工步骤:步骤1:安装门框和门板1.确保安装位置平整,没有障碍物。
2.按照厂家提供的说明,将门框和门板安装在门口位置。
3.使用螺丝和螺母固定门框和门板。
步骤2:安装电动门机械装置1.将电动门机械装置放置在门框上。
2.使用螺丝和螺母将电动门机械装置固定在门框上。
3.根据厂家提供的说明,连接电动门机械装置和门板。
步骤3:安装传感器1.根据厂家提供的说明,在门框的适当位置安装传感器。
2.使用螺丝和螺母将传感器固定在门框上。
3.连接传感器与电动门机械装置。
步骤4:安装电动门操控器1.将电动感应门系统连接到电源线。
2.根据厂家提供的说明,将电动门操控器安装在适当的位置。
3.连接电动门操控器与电动门机械装置。
步骤5:测试与调试1.确保所有连接正确无误。
2.连接电源,启动电动感应门。
3.测试门的开启和关闭功能是否正常。
4.调试传感器确保其正常工作。
5.确保门的运行轨道畅通无阻,门的运行平稳。
4. 安全措施在施工过程中,应该始终遵守以下安全措施: - 使用合适的个人防护装备,如手套和安全眼镜。
- 确保电源关闭并断开连接,以避免电击风险。
- 小心处理锐利的工具,以防止伤害。
- 在进行高处作业时,使用合适的防护措施。
5. 测试方法在施工完成后,使用以下测试方法对电动感应门进行测试: 1. 测试门的开启和关闭功能是否正常。
自动门安装技术交底1. 简介本文档旨在对自动门的安装技术进行交底和说明。
自动门是便捷、安全和高效的进入设施,其正确安装对于确保其正常运行和使用者的安全非常重要。
2. 安装前准备在进行自动门安装之前,需要进行一系列准备工作,包括但不限于以下步骤:- 确定安装位置:选择合适的位置安装自动门,考虑到使用者的便利性和安全性。
- 测量尺寸:准确测量门洞的尺寸,确保自动门尺寸与之匹配。
- 考虑施工计划:制定详细的施工计划,包括材料采购、工期安排等。
3. 安装步骤自动门的安装过程可分为以下几个步骤:3.1. 安装门框- 将门框组装好,确保其结构牢固。
- 根据测量得到的门洞尺寸,将门框放置到准确的位置。
- 使用适当的螺丝或螺栓将门框固定在墙面上。
3.2. 安装门扇与驱动装置- 安装门扇:将门扇放置在门框上,确保其位置正确。
- 安装驱动装置:将自动门的驱动装置(例如电机)安装在门框上,与门扇相连接。
3.3. 连接电气系统- 将门的电气系统连接到电源,确保正确接线,以使自动门能够正常工作。
- 检查电气系统,确保它与安全规范和标准相符。
3.4. 测试和调试- 在完成安装后,进行测试和调试,确保自动门能够正常开启、关闭以及检测障碍物。
- 调整门的感应器灵敏度,以确保对人员和物品的安全性。
4. 安全措施自动门安装过程中需注意以下安全措施:- 由专业人员进行安装:确保安装人员熟悉自动门的安装技术,遵守相关安全规范。
- 使用质量可靠的材料和设备:选择高品质的自动门及配件,确保其耐用性和可靠性。
- 定期维护和检查:定期对自动门进行维护和检查,确保其安全性和正常运行。
5. 总结本文档对自动门的安装技术进行了交底和说明,包括安装前准备、安装步骤、安全措施等。
在进行自动门安装时,请务必遵循相关安全规范和使用高品质的材料和设备,以确保自动门的安全和可靠性。
自动门禁安装
1、安装门禁电源,一般是12V的,所以如果自动感应门电压是24V 的,就需要再多配一个12V的电源。
2、在门周围合适的地方安装门禁刷卡机,然后将上面的电线与感应门上的电源线和信号线连接。
3、打开电源,测试一下门禁是否可以正常使用即可。
二、安装感应门的注意事项有哪些
1、安装自动感应门的时候,一定要注意门的高度,确保缝隙大小适合之后,在通过固定螺母,将门固定住,这样既可以保障门的正常使用,又可以避免运转过程中出现怪声。
2、因为感应门运转的过程中,皮带是紧绷的状态,所以在安装的时候,必须要确保固定皮带的螺栓牢固,这样才可以很好的调节皮带的张力。
另外,在安装地轮的时候,上下门缝的尺寸要是一致的。
3、如果在使用过程中,操作系统出现的故障,就必须通过手动操作检测感应门,先将感应门关起来,然后再调节门的朝向、速度以及感应角度,确保感应门位置合适。
4、如果感应门采用透明玻璃做成,那么在投入使用之后,需要在玻璃门上面,贴上明显的标志,避免发生人员碰撞。
5、在使用自动感应门的时候,关闭期间不能强行通过,以免因为感应不到位或者感应器灵敏,出现夹伤或者碰撞的危险。
编辑总结:感应门门禁安装复杂,所以如果自己没有专业技巧,建议请专业人员处理。
自动门安装施工工艺标准自动门安装施工工艺标准自动门是一种具有高级功能的门,具有自动启闭、节能、安全、密封、卫生等优点。
随着建筑行业的不断发展,自动门在各种场所得到广泛应用。
为了确保自动门的安装质量和正常运行,本文将详细介绍自动门安装施工工艺标准。
在安装自动门之前,需要进行充分的施工前准备。
首先,根据建筑物的特点和使用要求,确定自动门的型号和规格。
其次,进行工程规划,包括确定自动门的安装位置、布线设计等。
同时,准备好所需的安装工具和材料,确保安装工作的顺利进行。
接下来,进入自动门的安装步骤。
首先,进行门体组装,确保门体各部件连接紧密,门体外观平整、无变形。
然后,进行零配件安装,如电机、控制器、传感器等。
注意按照说明书要求正确连接各部件,确保正常运行。
同时,进行调试检测,对门的启闭速度、感应灵敏度等进行调整,确保自动门的各项功能达到最佳状态。
在安装自动门时,需要注意以下几点事项。
首先,确保自动门的安装位置合理,不影响门的正常启闭。
其次,注意安全问题,如确保电机接线正确、避免触电等。
同时,遵守电气接地规定,确保设备安全运行。
此外,还要注意安装质量,如确保门体与地面紧密连接、避免漏风等。
为了确保自动门长期正常运行,需要进行日常维护和保养。
首先,定期清理自动门的表面灰尘和杂物,保持门的清洁。
其次,检查自动门的零配件是否松动或损坏,及时进行调整或更换。
定期对自动门进行润滑保养,确保其顺畅运行。
此外,在保养过程中如发现问题,应及时联系专业人员进行维修处理。
总之,自动门安装施工工艺标准是确保自动门质量和正常运行的重要环节。
在安装过程中,要充分准备、按照正确的步骤进行安装,并注意安全和安装质量。
进行定期的维护和保养,确保自动门长期正常运行。
希望本文能够帮助大家更好地了解自动门安装施工工艺标准,为建筑行业的发展做出贡献。
电子感应门如今广泛运用于写字楼、工业厂房、商场、飞机场等场地,那么你了解电子感应门是怎样安装的吗?下边我们就来介绍一下电子感应门安装方法,有感兴趣的朋友们都能够来了解一下。
第一:开展维持水准的铝合金型材机闸承重梁的安裝,谨记一定要维持水准,不然电子感应门安裝成功之后工作中的力度会产生不匀称的状况,使门的毁坏速率变快。
第二:安裝门扇吊式,必须依靠门扇吊式地脚螺栓部件开展门扇吊式的安裝,要留意使滚轮的核心平行面于门扇,在安装使用流程中,不可以触碰到驱动力梁內部的别的构件从而驱动力梁的滑轨。
第三:安裝定位设备,调整限位开关的地脚螺栓,将限位开关安裝在驱动力梁的滑轨上。
第四:调节门扇的相对高度和门扇的间隙,根据支架固定不动螺帽的调整开展调节,必须大门口体走动和挪动全过程中的情况开展查验,不可以发生滞重状况及其其它的摩擦阻力,也不可以含有磨擦的响声。
第五:开展传动带支撑力的调节,往左边将涨紧轮机器设备开展拉申,拉伸的历程中传动带必须自始至终都维持绷紧的情况,随后再将全部的销钉地脚螺栓拧紧,固定不动地脚螺栓紧松。
第六:安裝地轮:安装成功之后必须使门扇的上边间隙和下边间隙保持一致,确保地轮不被毁坏。
第七:调节自动控制系统,一般情形下不用调节自动控制系统,只需维持在出厂时的设定就可以开展工作中。
假如要想调节自动控制系统,大家必须在调节前开展手动式的门扇检验,查询它是不是可以成功工作中。
随后开展电源开关的转换实际操作,依据门扇的打开门的方位,设置左方位的打开门或是右方位的打开门;调节打开门的速率是不是处在正中间及其缓存的间距是不是处在正中间;打开门时缓存间距的调节;打开门速率的调节。
第八:安裝摄像头,将感应器开启,随后将感应器安裝再开展摄像头的调节,依据周边环境挑选摄像头合适的视角,调节全过程之中,不可以触碰到无线天线,以防发生问题,促使电子感应门出现异常。
第九:把门体开展插电,这一环节中不可有一切阻碍物。
(点击图片免费申领得到三家公司的免费装修设计、完全免费费用预算、在线设计)以上便是我们跟各位共享的电子感应门的安装方法,期待此文能帮助大伙儿,大家还可以登陆上海装修网,学习培训一下电子感应门的购买方式。
感应门施工方案1. 引言感应门作为一种高科技门禁设备,已广泛应用于商业、办公、住宅等各类场所。
它通过感应人体的存在和动作来自动打开或关闭门,提供了方便、舒适的进出门体验。
本文将介绍感应门施工方案,包括感应门的选型和安装要点。
2. 感应门选型在选择感应门之前,需要考虑以下几个因素:•门的类型:感应门适用于各种类型的门,包括玻璃门、木门、金属门等。
根据门的材质和结构特点,选择适合的感应门型号。
•使用场景:根据门口的使用场景,选择合适的感应门类型。
例如,商场、酒店等场所适合使用双向感应门,而办公室、住宅等场所可以选择单向感应门。
•功能需求:感应门可根据需求配置不同的功能,如手势感应、远程控制、反锁等。
根据具体需求,选择适合的感应门配置。
3. 感应门安装要点3.1 安装位置选择感应门的安装位置对于其正常使用和效果发挥至关重要。
下面是一些安装位置选择的要点:•高度:感应门的感应范围一般为1-2米,所以安装位置的高度应根据具体型号和要求来确定。
一般来说,感应门应安装在人体常规高度范围内。
•安全性考虑:安装位置应考虑门口的安全性,避免安装在易受破坏或危险的区域,以防止不必要的损失。
•便利性:安装位置应考虑使用者的便利性,避免过高或过低的安装位置,以便用户轻松地感应门的开关。
3.2 安装步骤下面是感应门的一般安装步骤:1.确定安装位置并使用水平仪测量并标记水平线。
2.按照感应门的尺寸和安装要求,在门框上标记安装孔位。
3.使用钻孔机在门框上钻孔,并使用螺丝固定感应门的安装座。
4.将感应门的感应器装入安装座,并按照说明书进行线路连接。
5.测试感应门的功能是否正常,并根据需要进行调整。
6.安装完成后,使用嵌入式接触导线或保护管路隐藏线缆,确保整体美观。
7.进行最后的功能测试和安全检查。
4. 使用说明感应门的使用说明可以根据具体型号和配置进行调整,以下是一些通用的使用说明:•进出门时,需靠近感应门感应范围内,门会自动打开,进出门后门会自动关闭。
本工程为平开自动门安装施工,主要应用于公共场所、办公楼、酒店等入口处,以实现便捷、高效的出入体验。
施工内容包括门体安装、电机安装、控制系统安装、轨道安装等。
二、施工准备1. 材料准备:平开自动门门体、电机、控制系统、轨道、螺丝、密封条、绝缘胶带等。
2. 工具准备:电钻、扳手、螺丝刀、水平尺、钢卷尺、墨斗、切割机、磨光机等。
3. 人员准备:施工人员、技术负责人、质量检查员等。
三、施工流程1. 施工测量(1)根据设计图纸,确定门洞位置、尺寸。
(2)测量门洞尺寸,确保门洞尺寸与门体尺寸相符。
2. 门体安装(1)将门体放置于门洞处,调整门体水平。
(2)使用电钻在门体上钻孔,安装固定螺丝。
(3)检查门体是否牢固,确保无松动。
3. 电机安装(1)将电机固定在门体上,确保电机位置正确。
(2)连接电机与控制系统,检查线路连接是否牢固。
4. 控制系统安装(1)将控制系统固定在门体一侧,确保位置合理。
(2)连接控制系统与电机,检查线路连接是否牢固。
5. 轨道安装(1)根据门洞尺寸,安装上下轨道。
(2)调整轨道水平,确保轨道与门体平行。
(3)安装轨道固定螺丝,确保轨道牢固。
6. 调试(1)接通电源,启动电机,检查电机运行是否正常。
(2)调整门扇开启速度、开启幅度等参数,确保门扇运行平稳。
(3)检查控制系统是否正常工作,确保门扇在感应范围内自动开启。
四、施工要求1. 施工过程中,严格按照施工图纸和施工规范进行操作。
2. 安装门体、电机、控制系统等设备时,确保设备固定牢固,无松动。
3. 线路连接要牢固,避免因线路问题导致设备故障。
4. 轨道安装要水平,确保门扇运行平稳。
5. 施工过程中,注意施工安全,避免发生意外事故。
五、质量保证1. 施工过程中,严格把控施工质量,确保工程达到设计要求。
2. 施工完成后,对工程进行全面检查,确保无质量问题。
3. 对工程进行验收,确保工程合格。
4. 提供完善的售后服务,对出现的问题及时解决。
自动感应门安装施工1、施工工艺流程地面导轨安装→安装横梁安装→将机箱固定在横梁→安装门扇→调试。
2、操作工艺(1)地面轨道安装铝合金自动门和全玻璃自动门地面上装有导向性下轨道。
异形钢管自动门无下轨道。
自动门安装时,撬出预埋方木条便可埋设下轨道,下轨道长度为开启门宽的2倍。
埋轨道时注意与地坪的面层材料的标高保持一致。
(2)安装横梁将18号槽钢放置在己预埋铁的n柱处,校平、吊直,注意与下面轨道的位置关系,然后电焊牢固。
自动门上部机箱层主梁是安装中的重要环节。
由于机箱内装有机械及电控装置,因此对支撑横梁的土建支撑结构有一定的强度及稳定性要求。
(3)固定机箱将厂方生产的机箱仔细固定在横梁上。
(4)安装门扇安装门扇,便门扇滑动平稳、润滑。
(5)调试接通电源,调整微波传感器和控制箱,使其达到最佳工作状态。
一旦调整正常后,不得任意变动各种旋转位置,以免出现故障。
3、质量标准(1)主控项目(A)特种门的质量和各项性能应符合设计要求。
(B)特种门的品种、类型、规格、尺寸、开启方向、安装位置及防腐处理应符合设计要求。
(C)带有机械装置、自动装置或智能化装置的特种门,其机械装置、自动装置或智能化装置的功能应符合设计要求和有关标准的规定。
(D)特种门的安装必须牢固。
预埋件的数量、位置、埋设方式、与框的连接方式必须符合设计要求。
(E)特种门的配件应齐全,位置应正确,安装应牢固,功能应满足使用要求和特种门的各项性能要求。
(2)一般项目(A)特种门的表面装饰应符合设计要求。
(B)特种门的表面应洁净,无划痕、碰伤。
(C)自动门安装的留缝限质、允许偏差和检验方法应符合表的规定。
自动门安装的留缝限值、允许偏差和检验方法(D)推拉自动门的感应时间限制和检验方法应符合表的规定。
推拉自动门的感应时间限值和检验方法4、成品保护(1)安装完毕的门洞口不能再做施工运料通道。
如必须使片时,应采取防护措施。
(2)应采取措施,防止焊接作业时电焊火花损坏周围的材料。
自动门的安装方法自动门的安装流程,建筑的出入口是一座建筑的门面,很多人都很注重建筑出入口的设计和门禁的选择,最近几年自动门已经被越来越多的客户所接受,成为了:商场、酒店、银行、会所等高档场所门禁的选择。
一、施工说明:1、安装施工前应先到施工现场了解现场状况是否符合施工要求。
例如:电源必需送到位,地面是否平整,一切合乎施工条件方可开始施工;2、测量门洞尺寸,与甲方商量制作要求,然后按要求制作施工图纸,交甲方认可;3、按图纸制作框架.门扇(其中包括骨架.不锈钢.玻璃等)甲方制作除外;4、等一切前期工程完成后即可进行安装施工。
二、安装门机:1、墙壁安装,安装前必须将墙面整平,以免不平造成轨道弯曲与产生噪音。
导轨安装面平整度应小于1.5mm墙体安装可用膨胀螺丝将导轨打孔固定,间隔为35~45cm之间;2、槽钢与角铁架安装时可直接用平头螺丝或自功螺丝固定,间隔可与上相同,垂直1~2个;3、安装驱动轨道前,先用透明水管充满水之(管中不可有)测定导轨两端及中间水平度,地面以最高点为准;4、将导轨螺丝孔打好,再将导轨两端各暂时用一支螺丝固定在墙面或钢结构上,再次校正水平后确认准确再增加固定。
注意:导轨以门体上升一般以25mm为准确;5、自动门传感器应先装外面一点,一般装在门洞正中央之上方,高度根据现场情况而定;6、安装电动部件前先将导轨清理干净,再将马达、电盘、尾轮、变压器分别装在轨道固定槽内,把它移到适当位置,安装定位凝聚固定螺丝。
三、安装门扇:1、将活动门体,当门体装上后测量活动门体与固定门体之间上下是否相等,大约在7mm~10mm之间等准确后再装上止摆器,然后将门推至与固定门对齐再上好皮带与止动板;2、调整检查。
以上步骤全部完成,自动门安装作业就大致完工,如未达到理想,可再依需要调整。
四、测试控制器依需要调整,但调整时要注意机器非常灵敏,轻轻按下即可(具体调整依照电盘上的说明)如果测试一切正常,封上机箱外盖,装上内感应器即完成。
篇一:感应门使用说明感应门使用说明1. 人员以正常速度从门外或门内走向自动门,自动门应该自动打开,自动门的动作应该平滑而且没有出现碰撞的情况;自动门打开后,人员以每秒约 150mm -200mm 的速度慢速通过自动门时,自动门应该保持打开状态;2. 当人员离开自动门感应器感应区后,在延时 1-10 秒后(时间长短可以由自动门开关参数来设置),自动门将自动关闭,自动门的动作应该平滑而且没有出现碰撞的情况;3. 观察人员正常通过自动门的行走路线,需要把日常行走路线调整为人员正对走向自动门,而不是以一定的角度走向自动门;4. 走向自动门时,自动门感应器的感应宽度范围应该大于门完全打开的宽度;5. 如果自动门安装了辅助光线传感器(红外对射保护装置),当门打开时,人站着不动,用手遮挡辅助光线传感器,门应该保持打开状态。
当手离开后几秒内,门应该重新关闭。
6. 不可以在温度过高(50度以上)、过低(-20度以上)、潮湿、多灰尘环境下使用。
7. 门在自动感应状态下使用时不可以摆放一些活动(或者风吹动会活动)的东西在门的感应头检测的范围内,这会容易造成自动门的误运动动作发生8. 不可以经常性在手掰动自动感应门,这会减低自动感应门的使用寿命。
【注意事项】1、保障自动门安全、可靠地运行,用户或自动门管理人员在日常需要对自动门进行必要的运行检查。
[ 测试检查需要在没有其他人员干扰的情况下进行 ]2、自动门出现故障时,请立即切断自动门电源,然后联系自动门经销商处理篇二:自动门设计说明书机电工程学院课程设计说明设计题目: 自动门控制系统设计学生姓名:解泓立学号: 200848050315 专业班级:机制f0908 指导教师:王宗才2011年 12 月 08 日书内容摘要在当今社会自动门的应用也越来越广泛。
它现在为许多宾馆、超市、百货大楼等现代建筑所使用,不仅可以美化出入口环境,而且具有节能、防尘、隔音等功能,同时也是建筑物智能化的重要指标。
感应玻璃门安装标准
感应玻璃门的安装主要包括以下步骤:
1. 确定门框的位置,根据设计图纸的要求,释放隔墙自动玻璃门的定位线,准确测量门框的地面标高和顶部标高。
2. 安装玻璃隔墙和门顶限位槽,宽度应大于玻璃厚度2~4mm,槽深应为20~30mm之间,便于注胶。
将玻璃上部插入门框顶部的限位槽,然后将
玻璃下部放在底部支架上,对齐中心线,对齐两侧门框的安装位置,使厚玻璃两侧刚好密封门框的金属接缝,内外无装饰接缝。
3. 将两条平方木条钉在底龙骨内外,夹住中间的厚玻璃,但与厚玻璃板留有约4mm的间隙,然后在平方木上刷万能胶,将贴面金属板贴在方木和两条平方木条上,注入玻璃胶密封。
4. 注入玻璃胶,密封上根槽两侧的缝隙、底部支撑玻璃槽口两侧、厚玻璃与门框柱的对接处。
如果两块对齐拼接,必须形成接缝,接缝应保留2块~距离3mm。
5. 调整自动门传感器的部件参数,防止两个活动玻璃碰撞。
6. 根据实际情况对限位进行调整。
如果是松下或者类似松下的各种牌子门机的话,需要断电,把轨道上两侧的定位块往中间移动,或者把门开到需要的位置,然后把定位块移动到可以挡住吊挂件的位置,上紧螺丝上电就可以了。
如果是多玛或者盖泽之类的话,调整起来就比较麻烦,除了重复松下类的调整外,还需要调整程序,重新学习。
感应玻璃门的安装过程比较复杂,需要专业的技术人员进行操作。
安装完成后还需要根据实际情况进行调整和维修。
自动门安装施工方案1. 引言本文档旨在提供一份自动门安装的施工方案。
该方案适用于各类场所,包括商业大楼、医院、酒店等。
我们将详细介绍自动门的安装流程、所需材料以及注意事项。
2. 自动门安装流程自动门安装的流程分为以下几个步骤:2.1 前期准备在安装自动门之前,我们需要进行以下准备工作:- 确定安装位置,并进行现场勘测。
- 确定电源和输送线路,确保满足电气安装要求。
- 订购所需材料和设备。
2.2 安装门体和门禁系统在安装门体和门禁系统时,需要按照以下步骤进行操作:- 安装门体框架和门扇。
- 安装门禁系统及传感器。
- 连接门体和门禁系统。
2.3 安装控制系统安装控制系统需要注意以下事项:- 将控制系统安装在适当位置,并连接电源。
- 连接门禁系统和控制系统。
- 配置控制系统参数,确保自动门的正常运行。
2.4 安装安全设备为了确保用户和行人的安全,需要安装相应的安全设备:- 安装红外线感应器,以检测门口有无人员。
- 安装紧急停机按钮,以便在紧急情况下停止门的运行。
2.5 调试和测试在完成安装后,需要进行以下工作:- 对自动门进行调试和测试,确保各项功能正常。
- 检查控制系统、门体和门禁系统的配合是否良好。
- 考虑用户建议并作出必要的调整。
3. 自动门安装所需材料安装自动门所需的基本材料如下:- 门体框架和门扇- 门禁系统及传感器- 控制系统- 电源线和输送线路- 红外线感应器- 紧急停机按钮- 螺丝、螺母和其他安装配件4. 注意事项在进行自动门安装时,需要注意以下事项:- 遵守当地相关法规和安全规范。
- 保证安装环境清洁,避免杂物干扰自动门的正常运行。
- 合理安排施工时间,以减少对使用者的影响。
- 配置控制系统参数时,确保安全距离和灵敏度设置合适。
5. 结论本文档提供了一份自动门安装的施工方案,请在实际操作中根据具体情况进行调整。
安装过程中需要注意安全和合规要求,以确保自动门的正常运行和使用者的安全。
如有需要,请随时与我们联系以获取更多帮助和指导。
智能门窗感应器的安装说明智能门窗感应器的安装说明一、产品介绍智能门窗感应器是一款高科技的智能家居设备,它能够通过感应技术探测门窗的状态,从而实现自动开关门窗的功能。
本产品具有安装简便、操作方便以及高效节能的特点。
二、安装前准备在开始安装智能门窗感应器之前,您需要准备以下工具和材料:1. 十字螺丝刀:用于固定感应器的螺丝。
2. 电池:提供感应器的电源。
3. 钻孔机:根据感应器的安装位置,可能需要钻孔。
4. 尺子:用于测量门窗的尺寸和感应器的安装位置。
5. 软布:用于清洁门窗表面。
三、安装步骤1. 清洁门窗表面:使用软布清洁门窗表面,确保其干净整洁。
2. 测量尺寸:使用尺子测量门窗的尺寸,确定感应器的安装位置。
3. 安装感应器:根据测量的位置,用钻孔机在门窗框上钻孔,然后用十字螺丝刀将感应器固定在门窗框上。
确保感应器安装稳固。
4. 连接电源:打开感应器的电池仓,将电池正确安装好,然后关闭电池仓。
5. 测试功能:关闭门窗,确保感应器能够正确探测到门窗的关闭状态。
然后打开门窗,感应器应该能够自动探测到门窗的打开状态,并触发相应的开关动作。
6. 调整灵敏度:感应器通常具有调节灵敏度的功能,您可以根据需要进行调节。
一般来说,如果门窗关闭时感应器误触发频繁,您可以适当调低灵敏度;如果门窗打开时感应器未能及时触发,您可以适当调高灵敏度。
四、注意事项1. 在安装和调试感应器时,请务必确保门窗处于关闭状态,以免引发意外。
2. 感应器使用电池供电,请定期检查电池电量,并及时更换新电池。
3. 在安装感应器时,要避免将感应器暴露在阳光直射的位置,以免影响感应器的正常工作。
4. 安装完毕后,请及时清理安装过程中产生的垃圾和尘土。
五、维护与保养智能门窗感应器作为一个高科技产品,需要定期进行维护和保养,以确保其正常运行和延长使用寿命。
1. 定期清洁:使用软布定期清洁感应器表面,以避免灰尘和污垢的积累影响感应器的正常工作。
2. 定期检查:定期检查感应器的固定螺丝是否松动,电池是否需要更换,并进行必要的调整和维修。
自动门安装施工方案(可以直接使用,可编辑优秀版资料,欢迎下载)自动门安装施工方案日照天泰建筑安装工程 2021年4月自动门安装施工方案一、材料要求1、自动门产品,应按设计规定在工厂制作或在市场上按设计要求进行选购。
2、安装材料:膨胀螺栓、螺栓、射钉、焊条、抹布、小五金等。
二、主要机具、工具1、主要机具冲击电钻、射钉枪、电焊机、丝锥等。
2、主要工具常用电工工具、灰线包、吊线坠、扳手、手锤、钢卷尺、毛刷、水平尺、靠尺、扫帚等三、作业条件1、检查自动门上部吊挂滚轮装置的预埋钢板位置是否正确,如有偏移,应及时进行处理。
2、自动门各种零配件质量应符合现行国家标准、行业标准的规定,并按设计要求选用。
不得使用不合格产品。
3、门框、门扇和其他装饰件运至现场后,应放在仓库内,妥为保管,搬运中不得受撞击变形。
并应防止水泥、石灰浆或其他酸碱物质污染门的表面。
4、安排好安装脚手架和安装的安全设施。
四、施工流程1、钢横梁安装自动门钢横梁一般两端焊接固定在门洞两侧的钢筋混凝土上或是门柱铁件上,立柱采用30*50热镀锌方钢。
因现场门洞两侧不属于钢筋混凝土所以采用门柱铁件,门柱安装在门框两边,下方与下方接头必须与混泥土进行连接。
对于门头上方的吊顶要进行切割,切口大小要适合施工安装安装时按事先弹好的标高控制线和钢横梁中心位置线进行对位,并特别注意用水平尺复核水平度后进行对称施焊。
因根据现场的情况和房屋格局,适合电动门的安装,电动门的施工情况需在天花板上开一个2米*0。
5米的洞口,把两根门柱上端固定在楼顶上,下端固定在地板上确保电动门的安全移动.2、电机安装自动门传动控制机箱及自控探测装置都固定安装在钢横梁上,其固定连接方式有钢横梁打孔穿螺栓固定方式和钢横梁上焊接连接板再连接固定的方式。
应注意钢横梁上钻孔或焊接连接板应在钢横梁安装前完成。
3、装门扇先检查轨道顺直、平滑,不顺滑处用磨光机打磨平滑后安装滑动门扇。
滑动门扇尽头应装弹性限位材料。
自动感应门尺寸计算及安装步骤
欧阳光明(2021.03.07)
感应门基本组成:门体和动力组成系统(马达、控制器、遥控器、电源开关接头、动力梁、吊轮、定位器、皮带、尾轮、皮带扣及相应螺丝等,选配配件:【门禁(密码盘、指纹机、读卡器等)、内外开关、内外探头、磁力锁(需要配扩展器或单独电源等】自动感应门的安装遵循以下步骤:
一、检查现场,校对尺寸
(1)检查现场:地面是否完工,两边墙(柱)体是否完工,这些直接关系到门洞尺寸的大小,跟你计算门体的尺寸直接相关,尤其是需要包框的门体,直接影响门的美观效果,甚者导致门体报废(尤其是钢化玻璃)。
(2)确定门洞尺寸:长×高,各测量三个点,以最小尺寸为准;
(3)确定动力梁安装高度,主要是动力梁底口到地面的垂直高度;
二、门体尺寸的确定
(1)门体高度=动力梁底口高度-40~45mm;
(2)门体宽度:根据单开、双开、有无固定玻璃及包框分别结算,一般无框门搭边30-50mm为宜,包框门视包框边框宽度定尺寸;
三、自动门安装:
(1)安装动力梁
动力梁长度=门体开宽×2-20~50mm为宜;
根据安装基层(钢材、模板、墙体)分别采用不同的方式,但是特别注意:动力梁一定保持水平,水平误差不要超过3mm,否则对于使用寿命及性能都有一定的影响,甚者不能正常使用;
(2)安装门体
①门体应与吊轮链接牢固,不同门体用不同链接方式(如:钢门体或医用铅门可以焊接、玻璃门可以用专用门夹或者打孔门夹、铝合金边框可以用螺丝加打了丝孔的衬垫片等);
②连接好以后,开始悬挂门体到动力梁上,切记要扶稳垫好门体底角,尤其是玻璃门;
③调整门缝尺寸:每扇门体上至少有两个掉电,每个掉电能调节高度(一般在8mm以内),确保门体都处于垂直状态,而是门缝均匀;
(3)安装门体防脱装置(吊轮上都有防脱的保险)和定位器(限定门体运行距离的装置);
(4)安装电源开关、马达、控制器、尾轮在合适的位置,将电源开关、马达和控制器接线端口插好,插好遥控器接收端,并固定在运动部分干扰不到的位置(使用说明书上有详细的介绍,而且简单,在此不针对某一款机型赘述);
特别注意:马达及尾轮一定要紧固牢固,这两个部件是动力与被动部分;
(5)安装皮带及皮带扣:
皮带长度=尾轮至马达的距离×2+80-100mm为宜(使用说明书上的计算多数按理论来计算,不太符合现场实际情况),然后调节尾轮张紧装置,使皮带处于张紧状态,手指轻压,幅度在20mm为宜;
皮带切口连接用主动力皮带扣为宜(单开门根据情况用在尾轮皮带扣或者主动轮皮带扣),将皮带扣用连接扣件与主动门扇用相应螺丝固定好;将门完全推到开启位置安装被动皮带扣,这样才能使得两扇门体行走距离一致;
(6)地面定位器安装:
根据活动门体与固定扇或者墙体的上口缝隙确定下口距离,用定位器将门体下口固定,使得门体保持垂直(此处电位器有卡槽形式,适合无框玻璃门;滚轮定位器,适合包框门等);
(7)同临时电进行调试:①第一次通电门体会完成自我检测,速度很慢(不同电机品牌设定不懂,一般检测三次以内)②根据使用说明书,进行调节速度及开门停顿时间及需要的左右(单开门)或点开点关等;③用遥控器测试遥控是否正常(一般有锁、常开、半开、正常四个键);
(8)选配配件:①门禁:一般需要从控制器接出四根线,两根电源(注意电压及正负极)两根信号(注意正负极),详细见说明书;②探头:四根线,两根信号两根电源,感应距离的远近及灵敏度都在探头内进行调节,详细见探头说明书;③安全光线:有的地方不适合安装,控制上都有专门的接口,起到门启动防止夹人,很
多场所不需要安装;但是对于有小孩、老人出入较多的地方建议安装,医院一般都会安装;
(9)完成以上调试后,接通正式电源,对动力梁进行包饰即可;以上安装步骤为通用步骤,不分品牌,具体操作细节操作,需要安装各个品牌的电机说明书进行。
因为感应门的原理都是一样的,安装步骤大同小异,故我们选择说明了通用性,而各类电机的调节细节也是大同小异,读者自己看看说明书即可完成,故不一一累述,也没有头太大的意义,也避免了做广告的嫌疑。