锅炉、压力容器检验收费标准
- 格式:doc
- 大小:83.00 KB
- 文档页数:11
山西省锅炉压力容器压力管道及特种设备监督检验收费标准一、锅炉监督检验收费标准(一)工业锅炉监督检验收费标准(二)电站锅炉监督检验收费标准(三)进出口锅炉监督检验收费标准(一)固定式压力容器监督检验收费标准(三)液化气体气瓶表6(四)医用氧舱监督检验收费标准(五)进出口压力容器监督检验收费标准表8三、压力管道监督检验收费标准四、特种设备监督检验收费标准(一)特种设备监督检验收费标准表10(二)进出口特种设备监督检验收费标准按表10中同类产品验收检验费的1.5倍计取。
五、其它检验项目收费标准(一)无损检测收费标准(二)理化试验收费标准表12(三)安全阀检验收费标准表13(四)资格审查及许可证收费标准表14 序号证件名称金额(元/证)1 锅炉制造许可证(D级)15002 锅炉压力容器安全附件制造许可证15003 锅炉安装许可证整装500 P≤2.5Mpa 1000 P>2.5Mpa 18004 锅炉修理改造单位资格认可证5005 锅炉化学清洗许可证5006 锅炉使用登记证407 压力容器设计单位批准书(一、二类)20008 压力容器制造许可证(一类)1500 压力容器制造许可证(二类)18009 液化石油气钢瓶制造许可证150010 压力容器安装许可证一、二类容器1000三类容器250011 气瓶充装单位注册登记证50012 气瓶检验单位资格认可证100013 压力容器使用登记证4014 槽(罐)车使用登记证5015 锅容管特检验单位资格认可证1000说明:1、许可证收费标准中均包含证件费、资料费、差旅费;凡上述登记证费中均含铭牌费。
2、资格换证按上述标准的50%收取费用。
换证期限按国家有关规定执行。
六、附则1、对残疾人团体或单位、幼儿园、养老院、社会福利院的锅容管特设备检验,本着以服务和社会效益的原则,检验收费按本标准的50%收取。
2、试验、检验人员到现场后,如因受检单位原因影响而不能开展或停止检验工作时,受检单位应支付一定的误工费,检验单位按每工日64元收取。
附件:特种设备检验收费项目和标准第一部分承压类特种设备检验收费标准一、锅炉检验收费标准(一)工业锅炉产品制造过程监督检验收费标准(二)工业锅炉、电站锅炉安装过程、改造过程、重大维修监督检验收费标准(三)锅炉定期检验收费标准1、工业锅炉检验收费标准单位:元/台2、电站锅炉检验收费标准单位:元/吨二、压力容器检验收费标准(一)压力容器1、压力容器产品制造过程监督检验收费标准单位:元/台2、压力容器安装过程、改造过程及重大维修监督检验收费标准单位:元/台3、压力容器定期检验收费标准单位:元/台(二)超高压容器检验收费标准1、超高压容器安装过程监督检验收费标准超高压容器安装过程监督检验收费按工程总造价的1.0%收取,超高压水晶釜安装过程监督检验费1500元/台。
2、超高压容器定期检验收费标准单位:元/台(三)医用氧舱医用氧舱定期检验及安装监检收费标准单位:元/台(四)汽车罐车、铁路罐车检验收费标准三、压力管道检验收费标准(一)压力管道元件制造质量监督检验收费标准压力管道元件制造质量监督检验收费按受检产品设备价的1.0%收取。
(二)钢制压力管道安装过程监督检验及定期检验收费标准单位:元/米(三)PE管压力管道安装过程监督检验及定期检验收费标准单位:元/米四、进口承压类特种设备安全性能监督检验收费标准单位:元/台五、设计技术资料审查收费标准第二部分机电类特种设备检验收费项目和标准一、电梯类收费标准(二)监督检验收费标准二、起重机械检验收费标准(一)起重机械定期检验及验收检验2、臂架起重机定期检验(二)起重机械监督检验收费标准三、厂(场)内机动车辆类收费标准(一)定期检验(二)验收检验四、大型游乐设施类收费标准(一)定期检验(二)游乐设施监督检验收费标准第三部分其他检验收费项目和标准一、各类气瓶检验收费标准元/只(≤40L)二、锅炉水质分析项目收费标准三、有机热载体炉介质检验收费标准单位:元/项四、安全阀离线校验收费标准单位:元/只五、无损检测和其他检测项目收费标准(现场检测)六、理化、金相试验收费标准七、汽车运输液体危险货物常压容器(罐体)检验收费标准单位:元/m3第四部分特种设备作业人员考试收费项目和标准一、特种设备作业人员理论考试收费标准理论考试50元/人。
锅炉、压力容器、压力管道监检收费标准一、锅炉检验收费标准(一)锅炉产品制造质量监督检验收费标准注:(1)表中D为锅炉容量(t/h);(2)热水锅炉按0.7MW相当于1t/h计算;(3)单台锅炉监检费低于260元的按260元收取;(4)散装及组装锅炉应扣除送引风机、烟囱、水处理设备、炉排、平台扶梯、钢架等部件的价格。
(二)锅炉安装质量监督检验收费标准注:(1)锅炉安装工程总造价包括锅炉本体设备销售价、安装工程施工费;(2)散装锅炉安装监检收费按上表收费标准加收30%;(3)单台锅炉安装监检费低于300元的按300元收取。
(三)锅炉定期检验收费标准:注锅炉定期检验收费标准,工作压力大于1.25MPa(1)本表为工作压力小于或等于 50%的锅炉定期检验收费按上述收费标准加收;1.25MPa 元);6D/3006/台(D≤)、元台(>2002()强度校核收费:<1收取;D0.2)(D3()每四台模块锅炉≤为一组,每组检验费按上表 4()锅炉化学清洗监督检验收费标准同锅炉内部检验收费标准。
(四)锅炉修理、改造质量监督检验收费标准 3%收取。
锅炉修理、改造监督检验费按其工程总造价的注:(1)锅炉修理、改造工程总造价包括材料费、工程施工费; 2(元收取。
元的按)单台监检费低于300300 (五)电站锅炉产品制造质量监督检验收费标准410>D410≤D<130130≤D<3535≤D(t/h)容量注:(1)电站锅炉本体出厂价格应扣除随锅炉供应的鼓、引风机、烟囱、除尘器、水泵、水处理设备、炉排、平台扶梯、钢架等附属设施;(2)新产品试制及按国外标准制造在国内使用的电站锅炉,按上述收费标准加收10%。
(六)电站锅炉安装质量监督检验收费标准注:电站锅炉安装工程总造价为工程施工费。
(七)电站锅炉定期检验收费标准注:强度校核收费按外部检验的50%收取。
(八)电站锅炉修理、改造质量监督检验收费标准电站锅炉修理、改造监督检验费按其工程总造价的1%收取。
山东省锅炉压力容器检验收费标准一、在用锅炉检验收费标准二、锅炉产品质量监督检验收费标准三、锅炉安装质量监督检验收费标准1、整装锅炉(包括组装锅炉)安装质量监督检验费按该产品出厂监督检验收费的50%计费。
2、散装锅炉安装质量监督检验费按该产品出厂监督检验费的85%计费。
四、在用固定式压力容器定期检验收费标准1、第一类压力容器内外部检验收费标准2、第二类压力容器内外部检验收费为同容积一类压力容器的1.5倍。
3、第三类压力容器内外部检验收费为同容积一类压力容器的1.7倍,塔器、球罐以及超高压容器为同容积一类容器的2倍。
4、强度校核应根据工作量酌情收费,原则上每个校核项目(或部位)收费50-80元。
5、水压试验和气密性试验按下列公式计算收费:(1)、V<5 m3 水压试验收费100元;气密性试验收费200元;(2)、V>5 m3水压试验收费=3PV+100水压试验收费=5PV+200式中:P——设计压力(Mpa); V——容积(m3)五、压力容器产品安全质量监督检验收费标准(包括气瓶)六、(1)大型压力容器现场组装安全质量监督检验费按现场安装费总额的2%收取。
(2)液化石油气站的安装检验收费按安装工程费的2%收取。
九、锅炉压力容器受压部件修理、改造的监督检验(含水压、度压)按锅炉压力容器修理改造费用的4%收费,但不得少于100元。
十、无损检测与理化、金相收费标准1、无损检测收费标准注:1、X射红探伤,每台班三片为限,超出部分按所内检测片数计费,透明厚度(TA)每增加1毫米,每片加收2元。
2、超声波探伤5米以内按台班计算,超出部分按13元/米计。
3、当检测部位距地面大于或等于四米时,增收30%,当检测部分距地面大于等于7米时,增收50%。
4、莹光磁粉收费按普通磁粉探伤增收20%。
5、进入有毒、易燃介质容器检测加收上述收费的20%-30%。
6、管接头外径大于250毫米时,按周长计算焊缝长度,每米按70元收费。
山西省锅炉压力容器压力管道及特种设备监督检验收费标准一、锅炉监督检验收费标准(一)工业锅炉监督检验收费标准页脚内容14页脚内容14(二)电站锅炉监督检验收费标准页脚内容14(三)进出口锅炉监督检验收费标准二、压力容器监督检验收费标准(一)固定式压力容器监督检验收费标准页脚内容14页脚内容14(二)气瓶监督检验收费标准页脚内容14页脚内容14(三)液化气体气瓶(四)医用氧舱监督检验收费标准表(五)进出口压力容器监督检验收费标准表8三、压力管道监督检验收费标准四、特种设备监督检验收费标准(一)特种设备监督检验收费标准表10页脚内容14页脚内容14(二)进出口特种设备监督检验收费标准按表10中同类产品验收检验费的1.5倍计取。
五、其它检验项目收费标准(一)无损检测收费标准页脚内容14(二)理化试验收费标准表12页脚内容14(三)安全阀检验收费标准表13页脚内容14员工满意度模型页脚内容14(四)资格审查及许可证收费标准序号 证 件 名 称金额(元/证)1 锅炉制造许可证(D 级)1500 2锅炉压力容器安全附件制造许可证1500 3锅炉安装许可证整装500 P ≤2.5Mpa 1000 P >2.5Mpa1800 4 锅炉修理改造单位资格认可证 500 5 锅炉化学清洗许可证 500 6 锅炉使用登记证40 7 压力容器设计单位批准书(一、二类) 2000 8 压力容器制造许可证(一类) 1500 压力容器制造许可证(二类) 1800 9 液化石油气钢瓶制造许可证 1500 10 压力容器安装许可证 一、二类容器 1000 三类容器2500 11 气瓶充装单位注册登记证 500 12 气瓶检验单位资格认可证 1000 13 压力容器使用登记证 40 14 槽(罐)车使用登记证 50 15锅容管特检验单位资格认可证1000说明:1、许可证收费标准中均包含证件费、资料费、差旅费;凡上述登记证费中均含铭牌费。
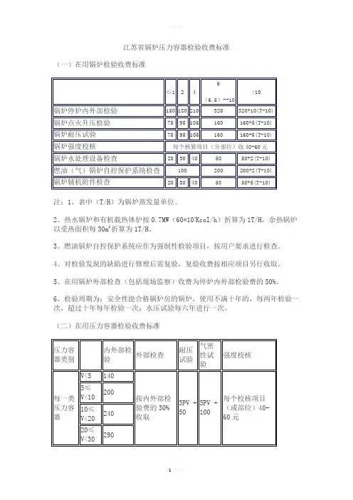
江苏省锅炉压力容器检验收费标准(一)在用锅炉检验收费标准注:1、表中(T/H)为锅炉蒸发量单位。
2、热水锅炉和有机载热体炉按0.7MW(60*104Kcol/h)折算为1T/H,余热锅炉以受热面积每30m2折算为1T/H。
3、燃油锅炉自控保护系统应作为强制性检验项目,按用户要求进行检查。
4、对检验发现的缺陷进行修理后需复验,复验收费按相应项目另行收取。
5、在用锅炉外部检查(包括现场监察)收费为停炉内外部检验费的50%。
6、检验周期为:安全性能合格锅炉房的锅炉,使用不满十年的,每两年检验一次,超过十年每年检验一次;水压试验每六年进行一次。
(二)在用压力容器检验收费标准注:1、V——容积(m3),P——压力(Mpa)2、第二类压力容器内外部检验收费为同容积第一类容器的1.5倍。
3、第三类压力容器内外部检验收费为同容积第一类容器的1.7倍,塔器、球罐以及超高压容器为同容积第一类容器收费的2倍。
4、不停止运行下的外部检查包括现场监察时进行的检查。
5、对检验出缺陷进行处理,需要再进行检验时,复验收费按相应项目另行收费。
6、安全状况等级1-3级者,每3-6年检验一次,安全状况等级为4级者,每年检验一次;第三类压力容器投用一年后应进行一次检验。
(二)锅炉压力容器产品监督检验收费标准注:1、余热锅炉中产生蒸汽锅炉收费,产生热水的按热水锅炉收费;有机载热体炉中气相炉按蒸汽锅炉收费。
液相炉按热水锅炉收费。
2、产品出厂价格应扣除随锅炉本体供应的送风机、引风机、烟囱等。
3、对散装锅炉产品出厂价格还应扣除平台扶梯、炉排等。
4、锅炉安装监督检验费:散装锅炉按锅炉造价的1-1.5%,组装锅炉按锅炉造价0.3-1%,整装锅炉按锅炉造价的0.5-0.8%收取。
5、锅炉压力容器受元件修理、改造监督检验按修理、改造总费用的1-1.5%收取。
6、大型压力容器现场组装安全质量监督检验费按压力容器造价的1-1.2%收取。
7、对进口锅炉压力容器按规定需到制造国现场监督检验的,按监检设备总造价的1-1.5%收取。
山东省锅炉压力容器检验收费标准一、在用锅炉检验收费标准二、锅炉产品质量监督检验收费标准三、锅炉安装质量监督检验收费标准1、整装锅炉(包括组装锅炉)安装质量监督检验费按该产品出厂监督检验收费的50%计费。
2、散装锅炉安装质量监督检验费按该产品出厂监督检验费的85%计费。
四、在用固定式压力容器定期检验收费标准1、第一类压力容器内外部检验收费标准2、第二类压力容器内外部检验收费为同容积一类压力容器的1.5倍。
3、第三类压力容器内外部检验收费为同容积一类压力容器的1.7倍,塔器、球罐以及超高压容器为同容积一类容器的2倍。
4、强度校核应根据工作量酌情收费,原则上每个校核项目(或部位)收费50-80元。
5、水压试验和气密性试验按下列公式计算收费:(1)、V<5 m3 水压试验收费100元;气密性试验收费200元;(2)、V>5 m3水压试验收费=3PV+100水压试验收费=5PV+200式中:P——设计压力(Mpa);V——容积(m3)五、压力容器产品安全质量监督检验收费标准(包括气瓶)3六、(1)大型压力容器现场组装安全质量监督检验费按现场安装费总额的2%收取。
(2)液化石油气站的安装检验收费按安装工程费的2%收取。
九、锅炉压力容器受压部件修理、改造的监督检验(含水压、度压)按锅炉压力容器修理改造费用的4%收费,但不得少于100元。
十、无损检测与理化、金相收费标准 1、 无损检测收费标准注:1、X射红探伤,每台班三片为限,超出部分按所内检测片数计费,透明厚度(TA)每增加1毫米,每片加收2元。
2、超声波探伤5米以内按台班计算,超出部分按13元/米计。
3、当检测部位距地面大于或等于四米时,增收30%,当检测部分距地面大于等于7米时,增收50%。
4、莹光磁粉收费按普通磁粉探伤增收20%。
5、进入有毒、易燃介质容器检测加收上述收费的20%-30%。
6、管接头外径大于250毫米时,按周长计算焊缝长度,每米按70元收费。
附件五:
锅炉、压力容器检验检测收费标准及有关规定
一、锅炉、压力容器(气瓶)定期检验收费标准:
二、CNG气瓶验收检验50元/只。
三、锅炉、压力容器监督检验收费标准:
五、锅炉水处理收费标准:
六、进口锅炉监督检验、压力容器监督检验和在用锅炉定期检验、压力容器定期检验是指内外部宏观检验或运行状态下的外部检验。
七、进口和在用锅炉、压力容器的耐压试验或气密性试验,按检验费的50%计收。
八、超高压容器定期检验收费,按压力容器定期检验收费标准的500%计收。
九、定期检验的锅炉、压力容器,其检验部位高度超过3米的,加收30%检验费,检验部位高度超过7米的,加收50%检验费。
十、安全阀校验收费,按Dg元/只收取(Dg为安全阀的公称直径mm)。
十一、验收、定期检验不合格者,限期整改后进行复检的,按规定收费标准的50%计收
十二、压力容器(CNG气瓶除外)安装验收检验费,按检验费的120%计收。
十三、对来料加工的锅炉压力容器部件,其监督检验计价基数含材料费。
十四、按百分比计收的检验检测费,不足80元的按80元计收。
按百分比计收的检验检测项目,其收费标准暂执行一年,在此期间,相关检验机构应做好检验检测成本的测算工作,并由省质量技术监督局统一汇总,经省物价局、省财政厅核定后,改为定额标准执行。
注:1、D 为锅炉蒸发量(小型和常压热水锅炉也按蒸发量折算)。
2、热水锅炉以每 0 。
7 兆瓦(60×104卡/时)折算为蒸发量 1 吨/时。
3 、 锅炉整机指不包括鼓、引风机、给水泵、除尘器以及水处理设备。
4 、 销售价含材料费和安全附件。
收费标准(元/台) 按产品销售价 1.0% 按产品销售价 1.2% 按产品销售价 1.4%汽(火)车槽车 按产品销售价 1 。
5%注: 1、容器类别按《压力容器安全技术监察规程》规定进行分类。
一、二、三类压力容器产品销售价含材料费和安全附件,不包括填充物料.2、汽(火)车槽车、按罐体(含安全附件)的销售价计算收费。
3、散装、组装大型容器(包括球罐)的现场监检,按设备总价的1.5%或者安装工程总费用的 3%收取。
4、不锈钢及有色金属容器制作的设备按上述标准的50%收取。
5、医用氧舱安装监检费按产品销售安装价的 1 。
5%收取。
1、凡新、改、扩建压力管道的安装监检,按其工程总造价(含材料费)的 2~3%收取。
(1)、工程总造价在 100 万元以下(含 100 万元),按 3%收取,且不低于 1000 元。
(2)、工程总造价在 100 万元至 300 万元(含 300 万元),按 2.5 %收取。
(3)、工程总造价在 300 万以上,按 2 %收取。
2 、压力管道元件制作按其销售价收取, A 、B 级分别收取 3%和 4%。
注:各类钢瓶、实行批量性监督检验时,按该批产品总数销售价计收.收费标准(元/只) 按产品销售价 0.8% 按产品销售价 0 。
6% 按产品销售价 0 。
7%气瓶类别 焊接、无缝钢瓶 液化石油气钢瓶 溶解乙炔气钢瓶收费标准(元/台)按锅炉整机销售价 1 。
4%按锅炉整机销售价 1 。
2% 按锅炉整机销售价 1 。
0%锅炉蒸发量(吨/时)D ≤1 1<D ≤4 D >4备注 每台至少 60 元 每台至少 100 元 每台至少 150 元产品名称 一类压力容器 二类压力容器 三类压力容器注:安装(含修理改造)工程费为安装合同确定的总费用(含材料费)。
附件:浙江省特种设备检查等收费原则一、锅炉检查收费原则二、锅炉介质化验分析及水处理设备调试收费原则三、固定式压力容器检查收费原则五、C类压力容器检查收费原则六、压力管道收费原则七、安全阀校验(含铅封)收费原则八、电梯及升降机收费原则九、起重机械收费原则制造过程监督检查收费原则为按产品出厂价旳0.7%收取;安装过程监督检查费按产品出厂价旳0.9%收取, 且不低于定期检查费旳150%;改造或重大维修过程监督检查费按该设备定期检查费旳1.5倍收取。
3.2 机械式停车设备定期检查按100元/车位收取。
其他类型起重机按上述相似类别收取。
十、厂内机动车辆定期检查收费原则十一、大型游乐设施检查收费原则十二、试验、检测收费原则十三、锅炉技术资料审查收费原则十四、阐明1.除特殊注明外, 特种设备检查过程中进行旳测定厚度与硬度、无损检测、压力试验、金相、理化、安全附件校验、测速、介质化验、水处理设备调试等试验、检测费用及其他动用仪器设备旳费用均按原则规定另行收取。
2、现场检查工作中所产生旳水电费、燃料费、脚手架与工作台搭建费,打磨、除锈、介质清洗置换、压力试验、载荷试验以及因检查检测需要拆装设备(含包装)等发生旳费用,由受检单位承担。
3.除特殊注明外, 检查检测机构仪器设备需到现场工作, 则收取不超过(M-1000)d×0.5%元旳台班费;其中M为仪器设备购入时旳单价(元), 当M≤1000, 不收取台班费;d为仪器设备实际工作天数, 若因受检单位原因延误仪器设备投用旳, 则每天按1/4天计入实际工作天数。
4.特种设备安装、改造和重大维修过程监督检查费应由建设单位支付。
5、需进入有毒、易燃、易爆环境进行检查检测旳,在对应收费原则旳基础上加收15%。
需进入盛装过有毒、易燃、易爆介质旳锅炉压力容器压力管道进行检查检测时,则视介质毒性及危险程度,在对应收费原则旳基础上加收20%;对进入内空间温度高于40℃承压类特种设备进行内部检查或对表面温度高于50℃旳特种设备进行检查时,则每升高1℃增收5%旳高温检查费。
附件五:
锅炉、压力容器检验检测收费标准及有关规定、锅炉、压力容器(气瓶)定期检验收费标准:
、CNG气瓶验收检验50元/只
三、锅炉、压力容器监督检验收费标准:
四、锅炉、压力容器验收检验收费标准:
五、锅炉水处理收费标准:
六、进口锅炉监督检验、压力容器监督检验和在用锅炉定期检验、压力容器定期检验是指内外部宏观检验或运行状态下的外部检验。
七、进口和在用锅炉、压力容器的耐压试验或气密性试验,按检验费的50%计收。
八、超高压容器定期检验收费,按压力容器定期检验收费标准的500%计收。
九、定期检验的锅炉、压力容器,其检验部位高度超过3米的,加收30%检验费,检验部位高度超过7米的,加收50%检验费。
十、安全阀校验收费,按Dg元/只收取(Dg为安全阀的公称直径mm)。
十一、验收、定期检验不合格者,限期整改后进行复检的,按规定收费标准的50%计收
十二、压力容器(CNG 气瓶除外)安装验收检验费,按检验费的120%计收。
十三、对来料加工的锅炉压力容器部件,其监督检验计价基数含材料费。
十四、按百分比计收的检验检测费,不足80 元的按80 元计收。
按百分比计收的检验检测项目,其收费标准暂执行一年,在此期间,相关检验机构应做好检验检测成本的测算工作,并由省质量技术监督局统一汇总,经省物价局、省财政厅核定后,改为定额标准执行。
附件:特种设备检验收费项目和标准第一部分承压类特种设备检验收费标准一、锅炉检验收费标准(二)工业锅炉安装过程、改造过程、重大维修监督检验收费标准单位:元/台(三)电站锅炉安装过程、改造过程、重大维修监督检验收费标准单位:元/吨(三)锅炉定期检验收费标准1、工业锅炉检验收费标准2、电站锅炉检验收费标准单位:元/吨(一)压力容器1、压力容器产品制造过程监督检验收费标准一、二、三类压力容器定期检验超高压容器定期检验收费标准(二)医用氧舱医用氧舱定期检验及安装监检收费标准单位:元/台(三)汽车罐车、铁路罐车检验收费标准三、压力管道检验收费标准(一)压力管道元件制造质量监督检验收费标准压力管道元件制造质量监督检验收费按受检产品设备价的1.0%收取.(二)钢制压力管道安装过程监督检验及全面检验收费标准单位:元/台五、设计技术资料审查收费标准第二部分机电类特种设备检验收费项目和标准一、电梯类收费标准(二)监督检验收费标准(一)起重机械定期检验及验收检验102、臂架起重机定期检验(二)起重机械监督检验收费标准三、厂(场)内机动车辆类收费标准(一)定期检验(二)验收检验四、大型游乐设施类收费标准(二)游乐设施监督检验收费标准第三部分其他检验收费项目和标准一、各类气瓶检验收费标准二、锅炉水质分析项目收费标准三、有机热载体炉介质检验收费标准3一、特种设备作业人员理论考试收费标准理论考试50元/人。
二、特种设备作业人员实践考试收费标准(一)特种设备安全管理实践考试(锅炉、压力容器、气瓶充装、压力管道、电梯、起重机械、厂内机动车、大型游乐设施):100元/人(二)电梯、起重机械安装维修实践考试:320元/人;(三)电梯、起重机械、场内机动车、大型游乐设施操作司机实践考试:100元/人(其中岸边集装箱起重机、轮胎式集装箱门式起重机、桥式抓斗式起重机、港口门座起重机、通用桥式起重机械司机操作考试200元/人);(四)锅炉、压力容器、气瓶充装、压力管道、水处理操作实践考试压力容器、气瓶充装、压力管道:100元/人;锅炉:180元/人;水处理:200元/人;电站锅炉:200元/人;(六)锅炉、压力容器、压力管道焊工实践考试碳钢250元/人、不锈钢600元/人,PE管热熔对焊接(BW-J-d)600元/人、PE管热熔对焊接(BW-J—D)1900元/人、PE管电熔承焊焊(EW-Z-C)750元/人。
特种设备检验检测收费项目及标准公司标准化编码 [QQX96QT-XQQB89Q8-NQQJ6Q8-MQM9N]特种设备检验检测收费项目及标准一、锅炉、压力容器、压力管道产品质量监督检验收费标准(一)注:12、热水锅炉以每兆瓦(60×104卡/时)折算为蒸发量1吨/时。
3、锅炉整机指不包括鼓、引风机、给水泵、除尘器以及水处理设备。
4、销售价含材料费和安全附件。
注:1力容器产品销售价含材料费和安全附件,不包括填充物料。
2、汽(火)车槽车、按罐体(含安全附件)的销售价计算收费。
3、散装、组装大型容器(包括球罐)的现场监检,按设备总价的%或安装工程总费用的3%收取。
4、不锈钢及有色金属容器制作的设备按上述标准的50%收取。
5、医用氧舱安装监检费按产品销售安装价的%收取。
(三)压力管道1、凡新、改、扩建压力管道的安装监检,按其工程总造价(含材料费)的2~3%收取。
(1)、工程总造价在100万元以下(含100万元),按3%收取,且不低于1000元。
(2)、工程总造价在100万元至300万元(含300万元),按 %收取。
(3)、工程总造价在300万以上,按2 %收取。
2、压力管道元件制作按其销售价收取,A、B级分别收取3%和4%。
二、锅炉安装、修理改造质量监督检验收费三、在用锅炉压力容器压力管道定期检验收费标准(一)在用锅炉a2、表中为蒸汽锅炉,热水锅炉按兆瓦(60×104大卡/时)折算为1吨/时。
3、余热锅炉以受热面积每30米2折算为1吨/时,非定型余热锅炉,其检验费加收50%。
4、外部检验、水压试验按内外部检验的50%收取;强度校核按内外部检验的50%。
b2、检验二类压力容器,按一类压力容器标准加收50%。
3、检验三类压力容器,按一类压力容器标准加收100%。
4、检验塔器容器(指高度大于10米或高度与直径之比大于5),按上列标准加收50%。
5、医用氧舱检验收费按以下收费标准执行。
A、定期检验收费标准规格及收费单位:元C、消防和应急呼吸装置检验120元。
山西省锅炉压力容器压力管道及特种设备监督检验收费标准一、锅炉监督检验收费标准(一)工业锅炉监督检验收费标准(二)电站锅炉监督检验收费标准(三)进出口锅炉监督检验收费标准(一)固定式压力容器监督检验收费标准(三)液化气体气瓶表6(四)医用氧舱监督检验收费标准(五)进出口压力容器监督检验收费标准表8三、压力管道监督检验收费标准四、特种设备监督检验收费标准(一)特种设备监督检验收费标准表10(二)进出口特种设备监督检验收费标准按表10中同类产品验收检验费的1。
5倍计取。
五、其它检验项目收费标准(一)无损检测收费标准(二)理化试验收费标准表12(三)安全阀检验收费标准表13(四)资格审查及许可证收费标准表14 序号证件名称金额(元/证)1 锅炉制造许可证(D级)15002 锅炉压力容器安全附件制造许可证15003 锅炉安装许可证整装500 P≤2.5Mpa 1000 P>2.5Mpa 18004 锅炉修理改造单位资格认可证5005 锅炉化学清洗许可证5006 锅炉使用登记证407 压力容器设计单位批准书(一、二类)20008 压力容器制造许可证(一类)1500 压力容器制造许可证(二类)18009 液化石油气钢瓶制造许可证150010 压力容器安装许可证一、二类容器1000三类容器250011 气瓶充装单位注册登记证50012 气瓶检验单位资格认可证100013 压力容器使用登记证4014 槽(罐)车使用登记证5015 锅容管特检验单位资格认可证1000说明:1、许可证收费标准中均包含证件费、资料费、差旅费;凡上述登记证费中均含铭牌费.2、资格换证按上述标准的50%收取费用.换证期限按国家有关规定执行。
六、附则1、对残疾人团体或单位、幼儿园、养老院、社会福利院的锅容管特设备检验,本着以服务和社会效益的原则,检验收费按本标准的50%收取。
2、试验、检验人员到现场后,如因受检单位原因影响而不能开展或停止检验工作时,受检单位应支付一定的误工费,检验单位按每工日64元收取。
锅炉、压力容器检验收费标准有关问题的说明:一、锅炉、压力容器各检验项目,检验单位均须按国务院《锅炉压力容器安全监察暂行条例》以及有关规程、规则、规范、标准进行,保证检验质量,检验后出具检验报告并对其完整性、正确性负责。
二、本标准中的锅炉、压力容器内外部检验,均为宏观检验,不包括测厚、测硬度、无损探伤、金相检验和安全附件的检验等。
三、本标准的收费均不包括检验工作前后所需的现场清理、设备清洗置换、焊缝除锈打磨、脚手架的搭拆以及耐压气密试验所需介质和水电等费用。
四、本标准中产品制造监检、图纸审批费用由制单位缴纳;安装、修理、改造质量监检费用由承担单位缴纳;锅炉房图纸、压力容器安装工艺图纸审查费由设计单位缴纳;定期检验各项费用由使用单位缴纳;进口锅炉、压力容器安全性检验费,由用户向检验单位缴纳。
检验单位委托第三方检验的收费,若超过本标准的,超过部分由检验单位支付。
五、检验人员的旅差费,由受检单位负担。
如检验单位出车,按当地标准计收车费。
六、检验人员到现场,由于受检单位原因不能开展检验的,其误工费由双方协商定,并由受检单位负担。
七、若有未列入本收费标准的项目收费,由检验和受检单位协商决定。
八、对大中小学、托儿所、幼园、福利养老院的锅炉、压力容器检验,本着少收或不收费的原则,按不高于本标准的50%收费。
九、受检单位提供检验仪器设备的,按本标准的50%收费。
十、锅炉、压力容器的使用单位或其主管部门具备检验能力的,检验机构不得对其进行强制检验而收取检验费。
附表一:说明:1、热水器锅炉按0.7MW相当1吨/时折算。
2、锅炉出厂价为扣除随锅炉供应的辅机、烟囱、水处理设备的价格。
3、锅炉修理、改造质量检验收费按同等级内外部检验费计收。
注:“#”表示每增加1蒸吨增收6元,“*”表示每增加1蒸吨增收3元。
附表二压力容器检验收费标准说明:1、压力容器现场安装的,安装质量监检费为现场安装费的1。
5%0;压力容器安装工艺图纸审查费业风场安装费的1%。
锅炉、压力容器检验收费标准
有关问题的说明:
一、锅炉、压力容器各检验项目,检验单位均须按国务院《锅炉压力容器安全监察暂行条例》以及有关规程、规则、规范、标准进行,保证检验质量,检验后出具检验报告并对其完整性、正确性负责。
二、本标准中的锅炉、压力容器内外部检验,均为宏观检验,不包括测厚、测硬度、无损探伤、金相检验和安全附件的检验等。
三、本标准的收费均不包括检验工作前后所需的现场清理、设备清洗置换、焊缝除锈打磨、脚手架的搭拆以及耐压气密试验所需介质和水电等费用。
四、本标准中产品制造监检、图纸审批费用由制单位缴纳;安装、修理、改造质量监检费用由承担单位缴纳;锅炉房图纸、压力容器安装工艺图纸审查费由设计单位缴纳;定期检验各项费用由使用单位缴纳;进口锅炉、压力容器安全性检验费,由用户向检验单位缴纳。
检验单位委托第三方检验的收费,若超过本标准的,超过部分由检验单位支付。
五、检验人员的旅差费,由受检单位负担。
如检验单位出车,按当地标准计收车费。
六、检验人员到现场,由于受检单位原因不能开展检验的,其误工费由双方协商定,并由受检单位负担。
七、若有未列入本收费标准的项目收费,由检验和受检单位协商决定。
八、对大中小学、托儿所、幼园、福利养老院的锅炉、压力容器检验,本着少收或不收费的原则,按不高于本标准的50%收费。
九、受检单位提供检验仪器设备的,按本标准的50%收费。
1 / 11
十、锅炉、压力容器的使用单位或其主管部门具备检验能力的,检验机构不得对其进行强制检验而收取检验费。
附表一:
2 / 11
3 / 11
说明:1、热水器锅炉按0.7MW相当1吨/时折算。
2、锅炉出厂价为扣除随锅炉供应的辅机、烟囱、水处理设备的价格。
3、锅炉修理、改造质量检验收费按同等级内外部检验费计收。
注:“#”表示每增加1蒸吨增收6元,“*”表示每增加1蒸吨增收3元。
4 / 11
附表二
压力容器检验收费标准
5 / 11
说明:1、压力容器现场安装的,安装质量监检费为现场安装费的1。
5%0;压力容器安装工艺图纸审查费业风场安装费的1%。
2、瓶类容器出厂监检费按产品出厂价0。
8%收取,图纸审查费每套700元。
3、产品出厂价指:(1)一般容器为本体及安全附件价格,不包括附属部件;气瓶包角阀。
(2)汽车槽车为包括安全附件在内的本体价格。
4、压力容器修理、改造质量检验收费按同等级内外部检验费计收。
注:“#”表示每增加1M3,增收2元。
6 / 11
附表三
无损检测收费标准
7 / 11
附表四
水质检测收费标准
8 / 11
9 / 11
附表五
安全阀定压铅封收费标准
单位:元/个
10 / 11
锅炉、压力容器检验收费标准
说明:1、喉径D指公称直径.
2、维修及零件配件收费,按维修程度及零配件购进价另收。
3、接触易燃有毒介质的,按同类收费标准的1.5倍计收。
4、运行状态下定压铅封收费,按同类收费标准的2倍计收。
11 / 11。