混凝土灌注桩钢筋笼质量标准和检验方法
- 格式:doc
- 大小:37.00 KB
- 文档页数:1
附:混凝土灌注桩施工技术:1混凝土灌注桩的材料质量:(1)粗骨料应采用质地坚硬的卵石、碎石,其粒径宜用5—40mm连续级配;含泥量不大于2%,无垃圾及杂物;(2)细骨料应选用质地坚硬的中砂,含泥量不大于3%。
无有机物、垃圾、泥块等杂物;(3)水泥宜用强度等级为、的硅酸盐水泥或普通硅酸盐水泥,使用前必须有出厂质量证书和水泥现场取样复试试验报告。
(4)钢筋应具有出厂质量证明书和钢筋现场取样复试试验报告。
(5)混凝土配合比应经试验室试配。
2.混凝土灌注桩的钢筋笼制作场地应平整、坚硬。
钢筋笼制作时宜采用对中支架,钢筋笼整体吊装时应采取有效措施防止钢筋笼。
3.泥浆护壁钻孔灌注桩施工技术,应符合下列要求:(1)泥浆护壁成孔时,宜采用孔口护筒,护筒按下列规定设置:①泥浆埋设应准确、稳定,护筒中心与桩位中心的偏差不得大于50mm。
②护筒内径大于钻头直径100mm.③护筒的埋设深度:在黏性土中不宜小于;砂土中不宜小于,其高度尚应满足孔内泥浆面高度的要求; 采用旋挖钻机施工时护筒的埋设深度不宜小于.④受水位涨落影响或水下施工的钻孔灌注桩,护筒应加高加深,必要时应打入不透水层。
(2)除能自行造浆的黏性土层外,均应制备泥浆。
泥浆制备应选用高塑性黏土或膨润土。
泥浆应按照设计配合比拌制,制备泥浆的性能指标应符合设计要求。
(3)泥浆护壁应符合下列规定:①正、反循环钻机施工期间护筒内的泥浆面应高出地下水位以上,在受水位涨落影响时,泥浆面应高出最高水位以上;旋挖钻机施工期间护筒内的泥浆面宜高出地下水位以上;②在清孔过程中,应使用经沉淀处理或新制备的优质泥浆置换孔内未达标的泥浆;③浇注混凝土前,孔底500mm以上的泥浆相对密度应小于;含砂率小于 8%;黏度小于 28s;④在容易产生泥浆渗漏的土层中应采取投掷黏土土块、加大泥浆相对密度等维持孔壁稳定的措施。
(4)清孔后和灌注水下混凝土前应检测孔底的沉渣厚度。
不符合要求时应重新清孔直至沉渣厚度符合要求为止。
钻孔灌注桩的钢筋笼施工及质量控制2010-10-8 浙江交工二公司技术群讨论内容梳理、总结:一、钢筋骨架制作、存放与安装(一)、钢筋骨架制作1、制作方法:《公路工程质量检验评定标准》中规定了钢筋笼制作的允许偏差2 箍筋间距或螺旋筋间距3 钢筋笼直径钢筋笼每隔2M左右采用加强筋成型法。
加强筋设在主筋内侧,并用三角内撑将它加固,在加强筋外侧点焊主筋,主筋与加强筋必须垂直,再绑扎箍筋,钢筋笼的加工,必须严格按照施工设计图和规范要求,配制好主筋的焊接长度为10D(双面焊),但施焊时,由于起落点都不饱满,达不到施工要求,所以焊缝长度易加1CM,接头位置要错开,距离应不少于规范要求。
主筋的加强筋采用对焊,效果不错,大家可以推广。
钢筋笼由于一般都比较长、重,而且受钻机门架高度(钻机门架一般不都超过10M)的影响,施工中,钢筋笼要采取分节制作,每根桩的钢筋笼,由几节钢筋骨架组成,计算钢筋笼长度尺寸时,除要注意接头位置错开,还要注意计算上焊接长度。
分段制作的钢筋笼的长度以钢筋的定长为宜,但不宜短于6m,连接时50%的钢筋接头应予错开焊接,且两钢筋轴心在一直线上。
为避免灌注导管挂笼及钢筋笼上浮,笼底钢筋可略成喇叭状。
在夜间施工时要特别注意焊缝的饱满程度。
焊条规格有特定的要求,立焊难度很大,采用立焊还容易发生漏电事项,施工时要注意用电安全。
主筋和箍筋由于焊接点量多,工人粗心点就焊不好,而且常常烧伤主筋。
焊接烧伤主筋是个技术问题,究其原因不外乎:1、焊工水平不行,2、采用大电流追求快速度。
项目部电焊工要进行焊接比赛,提高电焊技术,班组长要负起责任来。
以上讨论的是钢筋笼主筋焊接制作工艺,为了提高工效,节省成本,我们要积极探索采用新材料、新工艺、新技术。
钢筋笼主筋连接建议采用新技术:套筒螺纹连接法。
施工质量方面经实践检验采用套筒连接法比较好,但使用之前应进行经济效益详细分析、核算。
成本方面:主筋焊接法主要采用双面焊10D,钢筋浪费较大,采用套筒连接法,主要节约在钢筋接头和焊接人工上。
钢筋混凝土灌注桩钢筋笼长度检测技术指南钢筋混凝土灌注桩是土木工程领域中常用的一种地基处理方法,其质量的好坏直接关系到施工的安全和工程的可靠性。
而钢筋混凝土灌注桩中的钢筋笼长度的检测则是保证桩的质量的重要一环。
下面将为大家介绍钢筋混凝土灌注桩钢筋笼长度检测技术指南,希望能为相关从业人员提供一些帮助。
一、标准要求钢筋混凝土灌注桩钢筋笼长度检测的标准一般应遵循《钢筋混凝土灌注桩技术规范》(JGJ94-2008)中的相关要求。
根据该规范的规定,钢筋混凝土灌注桩的钢筋笼长度检测应符合以下要求:首先,应检查和验收钢筋笼的长度,其允许偏差应符合规范的要求;其次,钢筋笼的加工和制作应符合图纸设计要求;最后,应对钢筋笼的搭接部分进行验收,并进行相应的记录。
在进行相关检测时,应注意遵循施工规范的要求,确保钢筋混凝土灌注桩的质量。
二、检测方法钢筋混凝土灌注桩钢筋笼长度的检测可以采用多种方法,常见的方法有测量法、超声波法和射线透视法等。
测量法是指使用测量工具如卷尺或测距仪对钢筋笼的长度进行直接测量,这种方法简单易行,但在实际操作中需要考虑到测量工具的精度和测量的准确性。
超声波法是通过超声波仪器对钢筋混凝土进行检测,根据超声波的传播速度来计算钢筋笼的长度,这种方法准确性较高,但需要专业知识和设备。
射线透视法是利用射线对钢筋混凝土进行透视检测,可以清晰地显示钢筋笼的位置和长度,但在实际应用中需要注意对射线辐射的防护。
三、检测注意事项在进行钢筋混凝土灌注桩钢筋笼长度检测时,应注意以下几个方面的问题:首先,需要对检测方法进行选择和确定,根据实际情况和施工要求选择合适的检测方法;其次,应配备相应的检测设备和工具,保证检测的准确性和可靠性;最后,对检测结果进行记录和归档,确保相关数据的完整性和真实性。
同时,还需要注意操作人员的安全防护和现场管理,确保施工过程的安全和有序进行。
四、问题解决在进行钢筋混凝土灌注桩钢筋笼长度检测时,可能会遇到一些问题,如检测设备的故障、操作人员的技术不足等。
混凝土灌注桩钢筋笼验收内容(项目工程质量验收资料)
一、验收基本要求和内容
(1)混凝土灌注桩钢筋笼,必须在钢筋检验批质量验收合格后,提请有关单位进行隐蔽工程验收,并填写隐蔽工程验收记录,见质控(建)表4.1.5.2;
(2)放置钢筋笼前,应对原材料、钢筋连接件、钢筋笼进行检查;
(3)主筋、箍筋直径、间距和长度应符合设计和规范要求。
(4)钢筋的材质检验应符合设计要求;
(5)钢筋笼埋置位置应符合设计要求。
二、验收核查办法
(1)核查钢筋合格证、试验报告和复验报告是否符合设计要求;
(2)核查钢筋连接方式和试验报告;
(3)核查钢筋的品种、规格、数量、位置等是否符合设计要求;
(4)核查主筋间距、长度、箍筋间距是否符合混凝土灌注桩钢筋笼质量检验标准的规定;
(5)核查验收意见是否明确,签证手续是否齐全;
(6)核查钢筋笼埋置位置是否符合设计要求。
三、验收核定原则
凡出现下列情况之一,本项目核定为“不符合要求”。
(1)无隐蔽工程验收记录;
(2)隐蔽工程验收记录不能体现钢筋的品种、规格、数量、位置等;
(3)主要的检查内容和质量指标不符合设计和有关规范、规程的要求,且未采取措施进行处理并重新报验;
(4)隐蔽工程验收记录不真实,或验收意见不明确,签证手续不齐全。
混凝土灌注桩钢筋笼质量检验标准一:前言本文档旨在规范混凝土灌注桩钢筋笼的质量检验标准,确保施工质量和安全性。
本文档适用于所有混凝土灌注桩钢筋笼的检验工作,并指导相关人员进行检验操作。
二:术语和定义1.混凝土灌注桩钢筋笼:指用于混凝土灌注桩的钢筋笼,通常由纵向钢筋和横向钢筋编织而成。
2.质量检验:指对混凝土灌注桩钢筋笼进行检查、测试和评估,以确保其符合相关标准和要求。
三:检验准备工作1.准备工具:检验人员需准备测量工具、验收工具和检验设备。
2.组织人员:检验人员需组织好检验团队,明确各人员职责和。
四:检验内容1.钢筋尺寸:测量钢筋的直径、长度和间距,确保符合设计要求。
2.钢筋连接:检查钢筋的连接方式和质量,包括焊接和扎绑。
3.钢筋笼形状:检查钢筋笼的形状是否符合设计要求,如笼的直径、高度和形状。
4.钢筋笼质量:检查钢筋笼的质量,包括钢筋是否生锈、受损或变形。
5.标识和记录:对检验结果进行记录,并做好标识,以便后续追溯。
五:检验方法和标准1.测量方法:使用合适的测量工具,如卷尺、测量仪等,进行测量。
2.检查方法:通过目视检查和手工检测,对钢筋笼进行检查。
3.标准要求:检验人员需参考相关标准和规范,如GB/T 1499.2-2018《钢筋混凝土用钢筋第2部分:焊接钢筋》。
六:检验记录和追溯1.检验记录:对每次检验结果进行记录,包括检验时间、检验人员和检验内容。
2.标识要求:在钢筋笼上做好标识,包括桩号、批次号等信息。
3.追溯要求:保存每次检验的相关记录和标识,以便后续追溯需求。
七:法律名词及注释1.《建筑法》:指中华人民共和国《建筑法》。
2.《建设工程质量管理条例》:指中华人民共和国《建设工程质量管理条例》。
八:附件1.混凝土灌注桩钢筋笼质量检验记录表。
一:引言本文档旨在制定混凝土灌注桩钢筋笼的质量检验标准,以确保施工质量和灌注桩的安全性。
本文档适用于所有混凝土灌注桩钢筋笼的检验工作,并详细介绍了检验的各个步骤和方法。
附:混凝土灌注桩施工技术:1混凝土灌注桩的材料质量:(1)粗骨料应采用质地坚硬的卵石、碎石,其粒径宜用5—40mm连续级配;含泥量不大于2%,无垃圾及杂物;(2)细骨料应选用质地坚硬的中砂,含泥量不大于3%。
无有机物、垃圾、泥块等杂物;(3)水泥宜用强度等级为3.25、4.25的硅酸盐水泥或普通硅酸盐水泥,使用前必须有出厂质量证书和水泥现场取样复试试验报告。
(4)钢筋应具有出厂质量证明书和钢筋现场取样复试试验报告。
(5)混凝土配合比应经试验室试配。
2.混凝土灌注桩的钢筋笼制作场地应平整、坚硬。
钢筋笼制作时宜采用对中支架,钢筋笼整体吊装时应采取有效措施防止钢筋笼。
3.泥浆护壁钻孔灌注桩施工技术,应符合下列要求:(1)泥浆护壁成孔时,宜采用孔口护筒,护筒按下列规定设置:①泥浆埋设应准确、稳定,护筒中心与桩位中心的偏差不得大于50mm。
②护筒内径大于钻头直径100mm.③护筒的埋设深度:在黏性土中不宜小于1.0m;砂土中不宜小于1.5m,其高度尚应满足孔内泥浆面高度的要求; 采用旋挖钻机施工时护筒的埋设深度不宜小于2.5m.④受水位涨落影响或水下施工的钻孔灌注桩,护筒应加高加深,必要时应打入不透水层。
(2)除能自行造浆的黏性土层外,均应制备泥浆。
泥浆制备应选用高塑性黏土或膨润土。
泥浆应按照设计配合比拌制,制备泥浆的性能指标应符合设计要求。
(3)泥浆护壁应符合下列规定:①正、反循环钻机施工期间护筒内的泥浆面应高出地下水位1.0m以上,在受水位涨落影响时,泥浆面应高出最高水位1.5m以上;旋挖钻机施工期间护筒内的泥浆面宜高出地下水位3.0m以上;②在清孔过程中,应使用经沉淀处理或新制备的优质泥浆置换孔内未达标的泥浆;③浇注混凝土前,孔底500mm以上的泥浆相对密度应小于1.25;含砂率小于8%;黏度小于28s;④在容易产生泥浆渗漏的土层中应采取投掷黏土土块、加大泥浆相对密度等维持孔壁稳定的措施。
(4)清孔后和灌注水下混凝土前应检测孔底的沉渣厚度。
混凝土灌注桩钢筋笼检验批质量验收记录一、项目概况项目名称:混凝土灌注桩钢筋笼检验批项目编号:项目地点:日期:二、工程概述该项目是为了确保混凝土灌注桩钢筋笼的质量达到设计要求而进行的检验批工作。
本次检验批主要包括钢筋笼材质、规格、数量、尺寸、加工工艺及表面质量的检验。
三、检验内容及方法1.钢筋笼材质的检验检验方法:抽查取样检测检验内容:钢筋笼材质符合设计要求,具有足够的强度和韧性,以确保整体的稳定性和持久性。
2.钢筋笼规格、数量及尺寸的检验检验方法:抽查检测检验内容:-钢筋笼规格:检查钢筋笼是否符合设计要求,包括直径、长度、周长等。
-钢筋笼数量:检查钢筋笼的数量是否满足设计要求。
-钢筋笼尺寸:检查钢筋笼的尺寸是否符合设计要求,包括直径、长度等。
3.钢筋笼加工工艺检验检验方法:现场观察、抽查检测检验内容:检查钢筋笼的加工工艺是否符合规范要求,包括钢筋的焊接、连接、排列是否牢固、整齐等。
4.钢筋笼表面质量检验检验方法:目测检查、触摸检测检验内容:检查钢筋笼表面是否有裂纹、锈蚀、变形等缺陷,以确保钢筋笼无损伤,并符合设计要求。
四、检验结果1.钢筋笼材质检验结果:符合设计要求,具有足够的强度和韧性。
2.钢筋笼规格、数量及尺寸检验结果:钢筋笼规格、数量及尺寸符合设计要求。
3.钢筋笼加工工艺检验结果:钢筋笼加工工艺符合规范要求,钢筋焊接、连接、排列牢固、整齐。
4.钢筋笼表面质量检验结果:钢筋笼表面无裂纹、锈蚀、变形等缺陷,符合设计要求。
五、质量问题及处理经过检验批的检测,未发现任何质量问题。
六、结论本次混凝土灌注桩钢筋笼检验批的质量验收结果符合设计要求,可以正常使用。
七、质量记录1.检验批工程量清单(详细列出钢筋笼的规格、数量、尺寸等信息)2.检验批工程的抽样记录描述每个被检验的钢筋笼的编号、数量、采样方法及结果。
3.检验批工程的检查记录描述每个被检验的钢筋笼的检查内容、方法、结果。
4.检验批工程的质量问题记录描述出现的质量问题及处理过程。
DB32/T XXXX—XXXX 钢筋混凝土桩中钢筋笼长度检测技术规程1 范围本规程规定了检测机构使用的检测方法、检测工作程序、检测仪器设备、现场检测、检测数据分析及检测结果和检测报告等内容。
本规程适用于采用充电法和磁测井法检测钢筋混凝土桩中的钢筋笼长度的方法。
2 规范性引用文件下列文件中的内容通过文中的规范性引用而构成本文件必不可少的条款。
其中,注日期的引用文件,仅该日期对应的版本适用于本文件;不注日期的引用文件,其最新版本(包括所有的修改单)适用于本文件。
JGJ106 建筑基桩检测技术规范3 术语和定义下列术语和定义适用于本文件。
3.1钢筋混凝土桩 reinforced concrete pile岩土层中以打入(静压)或成孔后再灌注混凝土而成的桩,由钢筋笼和混凝土组成,包括预制桩、钻孔(旋桩)灌注桩、人工挖孔灌注桩、沉管灌注桩等3.2钢筋笼长度 length of reinforcement cage钢筋笼是由主筋、螺旋筋和加劲筋组成,长度是指由单节或多节钢筋笼连接而成的总长度。
3.3充电法‘mise-a-la-masse’ method利用对良导体检测对象充电时形成的充电电场的电位(V)、电位梯度()等特征来检测钢筋笼等导电体长度的方法。
3.4磁测井法 magnetic logging method利用磁性体产生的磁场的垂直分量(Z)、垂直分量梯度(dZ)等分布特征来检测钢筋笼等磁性体长dH度的方法。
4 充电法4.1 仪器设备4.1.1 充电法采用电法仪器,仪器性能应符合下列要求:a)使用深度编码器自动记录深度,深度分辨率不大于10mm;b)测量电极系、电缆防水耐压能力应大于1.5MPa;c)供电电压大于140V;d)供电功率大于140W;e)具有电池反接保护、电池过放保护的功能;f)具有实时显示深度—电位曲线以及深度—电位梯度曲线的功能;g)工作温度:-20℃~50℃;h)电位差和电流强度测量分辨率不小于0.1mV和0.1mA。
混凝土灌注桩安全施工及技术质量验收标准一、操作工艺1.1 工艺流程:1。
1。
1 成孔工艺流程:钻孔机就位→钻孔→检查质量→孔底清理→孔口盖板→移钻孔机1。
1。
2 浇筑混凝土工艺流程:移盖板测孔深、垂直度→放钢筋笼→放混凝土溜洞→浇筑混凝土(随浇随振) →插桩顶钢筋1.2 钻孔机就位:钻孔机就位时,必须保持平稳,不发生倾斜、位移,为准确控制钻孔深度,应在机架上或机管上作出控制的标尺,以便在施工中进行观测、记录.1。
3 钻孔:调直机架挺杆,对好桩位(用对位圈),开动机器钻进、出土,达到控制深度后停钻、提钻。
1。
4 检查成孔质量:1.4。
1 钻深测定:用测深绳(锤)或手提灯测量孔深及虚土厚度.虚土厚度等于钻孔深的差值。
虚土厚度一般不应超过100㎜.1。
4.2 孔径控制:钻进遇有含石块较多的土层,或含水量较大的软塑粘土层时,必须防止钻杆晃动引起孔径扩大,致使孔壁附着扰动土和孔底增加回落土。
1。
5 孔底土清理:钻到预定的深度后,必须在孔底处进行空转清土,然后停止转动;提钻杆,不得曲转钻杆.孔底的虚土厚度超过质量标准时,要分析原因,采取措施进行处理.进钻过程中散落在地面上的土,必须随时清除运走。
1。
6 移动钻机到下一桩位:经过成孔检查后,应填写好桩孔施工记录。
然后盖好孔口盖板,并要防止在盖板上行车或走人.最后再移走钻机到下一桩位。
1。
7 浇筑混凝土:1。
7。
1移走钻孔盖板,再次复查孔深、孔径、孔壁、垂直度及孔底虚土厚度。
有不符合质量标准要求时,应处理合格后,再进行下道工序.1.7.2 吊放钢筋笼:钢筋笼放入前应先绑好砂浆垫块(或塑料卡);吊放钢筋笼时,要对准孔位,吊直扶稳,缓慢下沉,避免碰撞孔壁。
钢筋笼放到设计位置时,应立即固定。
遇有两段钢筋笼连接时,应采取焊接,以确保钢筋的位置正确,保证层厚度符合要求。
1.7。
3 放溜筒浇筑混凝土,在放溜筒前应再次检查和测量钻孔内虚土厚度。
浇筑混凝土时应连续进行,分层振捣密实,分层高度以振捣的工具而定。
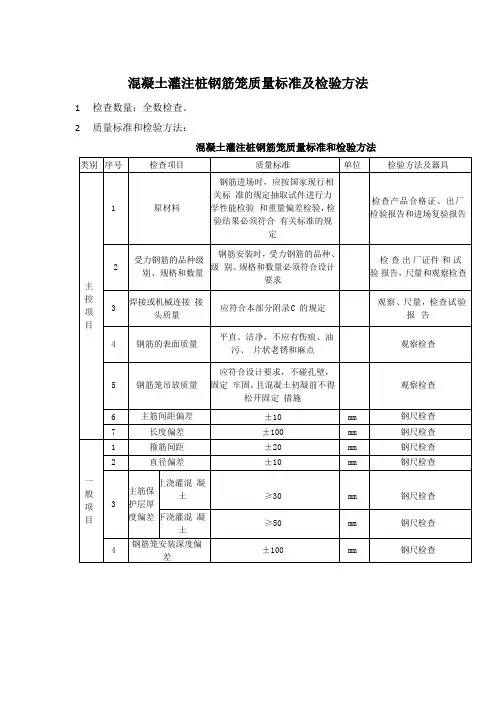
混凝土灌注桩钢筋笼质量标准及检验方法文档一:一、引言本文档旨在制定混凝土灌注桩钢筋笼的质量标准及检验方法,以确保该部件的质量和稳定性。
二、术语和定义1. 混凝土灌注桩:一种通过灌注混凝土材料来构建的桩基。
2. 钢筋笼:用于加固混凝土灌注桩的钢筋结构。
3. 质量标准:混凝土灌注桩钢筋笼在制造和使用过程中应符合的规定。
4. 检验方法:对混凝土灌注桩钢筋笼进行质量检验的步骤和方法。
三、质量标准1. 材料选择1.1 钢筋:应选用符合国家标准的高强度钢筋。
1.2 钢筋焊接:焊接点应牢固,焊接强度应符合相关标准。
2. 钢筋笼制造2.1 型材加工:钢筋笼内的型材应按照设计要求进行精确加工。
2.2 焊接点连接:钢筋笼的焊接点应连接牢固,无裂缝和缺陷。
3. 表面处理3.1 除锈处理:钢筋笼应进行除锈处理,确保表面光洁。
3.2 防腐处理:采用适当的防腐措施,延长钢筋笼的使用寿命。
四、检验方法1. 目测检查:对钢筋笼的外观进行全面检查,确保无明显缺陷。
2. 尺寸检验:测量钢筋笼的尺寸是否与设计要求一致。
3. 强度检验:对钢筋笼进行拉力测试,确保其满足相关标准的强度要求。
4. 焊接质量检验:对钢筋笼的焊接点进行检验,确保连接牢固。
5. 锈蚀检验:对钢筋笼的表面进行检验,检查是否有锈蚀现象。
附件:混凝土灌注桩钢筋笼质量检验报告模板法律名词及注释:1. 国家标准:指中华人民共和国国家标准,是国家统一制定的技术规范和方法的规定。
2. 强度要求:指混凝土灌注桩钢筋笼在使用过程中必须满足的最低承载能力要求。
文档二:一、前言该文档旨在制定混凝土灌注桩钢筋笼质量标准及检验方法,以确保该部件的质量和可靠性。
二、定义和术语1.混凝土灌注桩:一种通过灌注混凝土材料来形成的桩基。
2.钢筋笼:用于加固混凝土灌注桩的钢筋结构。
3.质量标准:混凝土灌注桩钢筋笼在制造和使用过程中应满足的规定。
4.检验方法:对混凝土灌注桩钢筋笼进行质量检验的步骤和方法。
《建筑地基基础工程施工质量验收规范》GB50202-2002基本规定3.0.1 地基基础工程施工前,必须具备完备的地质勘察资料及工程附近管线、建筑物、构筑物和其他公共设施的构造情况,必要时应作施工勘察和调查以确保工程质量及临近建筑的安全。
施工勘察要点详见附录A。
说明:3.0.1 地基与基础工程的施工,均与地下土层接触,地质资料极为重要。
基础工程的施工又影响临近房屋和其他公共设施,对这些设施的结构善的掌握,有利于基础工程施工的安全与质量,同时又可使这些设施得到保护。
近几年由于地质资料不详或对临近建筑物和设施没有充分重视而造成的基础工程质量事故或临近建筑物、公共设施的破坏事故,屡有发生。
施工前掌握必要的资料,做到心中有数是有必要的。
3.0.2 施工单位必须具备相应专业资质。
并应建立完善的质量管理体系和质量检验制度。
说明:3.0.2 国家基础建设的发,促成了大批施工企业应运而生,但这些企业良莠不齐,施工质量得不到保证。
尤其是地基基础工程,专业性较强,没有足够的施工经验,应付不了复杂的地质情况,多变的环境条件,较高的专业标准。
为此,必须强调施工企业的资质。
对重要的、复杂的地基基础工程应有相应资质的施工单位。
资质指企业的信誉,人员的素质,设备的性能及施工实绩。
3.0.3 从事地基基础工程检测及见证试验的单位,必须具备省级以上(含省、自治区、直辖市)建设行政主管部门颁发的资质证书和计量行政主管部门颁发的计量认证合格证书。
说明:3.0.3基础工程为隐蔽工程,工程检测与质量见证试验的结果具有重要的影响,必须有权威性。
只有具有一定资质水平的单位才能保证其结果的可靠与准确。
3.0.4 地基基础工程是分部工程,如有必要,根据现行国家标准《建筑工程施工质量验收统一标准》GB50300规定,可再划分若干个子分部工程。
说明:3.0.4 有些地基与基础工程规模较大,内容较多,既有桩基又有地基处理,甚至基坑开挖等,可按工程管理的需要,根据《建筑工程施工质量验收统一标准》所划分的范围,确定子分部工程。
钢筋混凝土灌注桩钢筋笼长度检测技术指南1. 引言1.1 概述钢筋混凝土灌注桩是一种常用于建筑和基础工程的技术,它通过在钻孔内注入混凝土来形成桩体并增加地基承载能力。
而钢筋笼作为钢筋混凝土灌注桩的重要组成部分,起着增强桩体抗压和抗弯能力的作用。
然而,在钢筋笼的制作过程中,长度的准确测量对于保证灌注桩质量和工程安全至关重要。
1.2 文章结构本文将从引言、钢筋混凝土灌注桩简介、钢筋混凝土灌注桩钢筋笼设计要点、钢筋混凝土灌注桩钢筋笼加工与安装技术指南以及主题部分——"钢筋混凝土灌注桩钢筋笼长度检测技术指南"来详细介绍相关知识。
在每个部分中,我们将逐步解析相关概念、原理及方法,并提供对应的技术指南和规范要求。
1.3 目的本文的目的是为读者提供一个全面的、详尽的"钢筋混凝土灌注桩钢筋笼长度检测技术指南",旨在帮助工程师和施工人员了解如何正确进行钢筋混凝土灌注桩钢筋笼长度的检测。
通过本文,读者将了解到基本的检测原理及方法、推荐的检测设备及工具以及如何正确解读和处理检测结果。
这将有助于提高工程质量控制,并确保项目按照规定要求进行顺利完成。
2. 钢筋混凝土灌注桩简介2.1 定义与特点钢筋混凝土灌注桩(也称为钢筋混凝土灌注桩基)是一种常见的基础工程结构形式,用于支撑建筑物或其他重要工程的承载和稳定。
该桩由一根或多根钢筋和水泥浆料组成,充分利用了钢材和混凝土的互补优势。
这种灌注桩具有良好的承载力、抗弯刚度和耐久性。
它能够适应各种地质条件,并广泛应用于建筑物、桥梁、码头等工程中。
相对于其他类型的基础结构,钢筋混凝土灌注桩在施工过程中对环境影响较小,并且可以适应较高或较低温度条件下的使用。
2.2 应用领域钢筋混凝土灌注桩广泛应用于以下领域:- 建筑物基础:作为重要的支撑结构,确保建筑物的稳定性和安全性。
- 桥梁基础:为桥梁提供稳定的地基支撑,确保桥梁的安全通行。
- 港口码头:用于固定船只或机械装备,保证港口设施的可靠性。