设计供方选择及评价管理规定
- 格式:docx
- 大小:377.75 KB
- 文档页数:13
合格供方评定控制规定范文一、总则(一)为了确保企业采购的产品或服务具有优质、高效、稳定的供应来源,提高企业的供应链管理水平和能力,我公司制定了《合格供方评定控制规定》。
本规定适用于我公司对供应商进行评定和控制的各个环节。
(二)合格供方评定控制旨在通过客观公正的评定方法,筛选出能够满足我公司采购需求的优质供应商,并与其建立长期稳定的合作关系,实现供应链的风险控制和效率提升。
(三)我公司合格供方评定控制的基本原则是公平、公正、公开、透明,并建立有效的管理体系和评价体系,确保评定结果的准确性和可靠性。
(四)本规定所称的“合格供方”,是指经我公司评定合格的供应商,具备良好的质量管理、供应能力和服务意识,可以满足我公司采购需求的供应商。
(五)我公司将对合格供方进行定期复评,并根据评定结果及时进行分类管理,分别制定相应的管理手段和措施,以保证合格供方的绩效稳定和提升。
(六)我公司将根据实际情况,逐步完善和优化合格供方评定控制的工作流程和评价指标,并不断提升评价标准和要求,以适应企业发展和供应链管理的需要。
二、评定标准(一)供方的资质条件:包括企业法人资格、注册资金、管理人员和技术人员的素质要求等。
(二)供方的质量管理能力:包括供方的质量计划、质量控制体系、质量管理人员和技术人员的素质要求等。
(三)供方的供应能力:包括供方的采购能力、生产能力、仓储能力、物流能力等。
(四)供方的服务能力:包括供方的售前服务、售后服务、投诉处理能力等。
(五)供方的信誉度和口碑:包括供方的信用等级、行业声誉、社会口碑等。
三、评定程序(一)供方申请评定:供方应填写《供方评定申请表》,并提供相关资质证明文件和业绩材料。
(二)评定委员会成立:我公司成立供方评定委员会,由相关部门负责人和评价专家组成。
(三)评定材料审核:评定委员会对供方的评定申请材料进行审核,必要时可以要求供方提供补充材料。
(四)评定现场考察:评定委员会根据实际需要,组织对供方进行现场考察,了解其生产设备、技术能力、质量管理体系等情况。
7设计供方管理流程供方管理流程,是指企业针对供应商进行的一系列活动和措施,以确保供方的能力、信誉和绩效能够满足企业所需的物资、设备和服务的质量、交付期限和成本。
供方管理流程通常包括以下几个主要步骤:1.需求分析:企业在开始供方管理之前,首先需要明确自身的需求。
这个阶段需要企业对所需物资、设备和服务进行详细的分析,包括数量、质量要求、交付期限和成本预算等。
同时还需要确定所需物资、设备和服务的关键特性,以便选择和评价供应商的能力和可行性。
2.供应商选择:在需求分析的基础上,企业可以开始寻找合适的供应商。
这个阶段需要企业通过收集供应商信息、评估其能力和信誉等方面的情况,进行筛选和选择。
可以通过询价、招标、谈判等方式,选择出适合的供应商。
3.合同签订:选择好供应商后,企业需要与供应商签订供货合同或者服务协议等文件,明确供应商提供的物资、设备和服务的详细要求、数量、质量以及价格等条款。
合同签订是确保供应商履行合同义务的法律依据,也是双方合作的基础。
4.供应商评价:合同签订后,供方管理流程中的一个重要环节是对供应商进行评价。
企业需要定期对供应商进行绩效评估,包括供货质量、交付期限、响应能力等方面的绩效指标。
评价的结果可以用于对供应商的绩效进行奖惩,或者对其进行改进和提升的建议。
5.供应商发展:供方管理流程不仅仅是对已有供应商进行管理,还包括对新供应商的开发和引进。
企业应该与供应商保持良好的沟通和合作关系,鼓励供应商提升自身的能力和质量水平,以满足企业不断变化的需求。
6.问题解决与改进:在供方管理流程中,难免会出现一些问题和挑战。
企业需要及时发现和解决问题,包括对供应商的不良绩效、质量问题、交付延迟等进行跟踪和处理。
同时,企业也需要定期对供方管理流程进行审查和改进,提升整体的供应链效能。
综上所述,供方管理流程是企业为了确保供应商能够满足其需求而进行的一系列活动和措施。
通过需求分析、供应商选择、合同签订、供应商评价、供应商发展以及问题解决与改进等步骤,企业能够保证供应链的稳定和高效运转,提高整体的运营效率和竞争力。
设计供方管理制度编制日期审核日期批准日期1 人员配置明确设计人员名单后无故不得调整,如人员确需调整,需报备研发设计中心审核。
项目结束对设计人员进行考核,不合格者不再参与我方后续项目。
2 设计周期2.1 项目首开区和其他分期设计周期应满足我方时间节点计划。
2.2 设计供方应在接到研发设计中心书面通知后24 小时内制定详细分解计划并书面回复我方。
3 规划方案图纸质量3.1 报规成果资料,规划关键指标及日照分析报告等关键资料设计方应仔细核对;方案图与报规资料相符;开发报建图纸与集团下发条件相符。
3.2 车库图纸应达到初设深度,地下车库图应落主楼剪力墙,应按我方要求布置柱网,并落人防方案,应按规范要求划分防火分区,按规范布置设备用房4 施工图图纸的质量设计方应对图纸进行全专业叠图并进行三级校审,审查无误后将施工图、三级校审记录、全专业叠图文件、各专业计算书、结构模型、钢筋混凝土预算量打包发我方。
5 成本限额5.1 设计统一采用盈建科软件,模型建完后进行估算,防止超限额。
5.2 所有的竖向构件布置和测算的结果都应经我方确认。
5.3 设计方应提供满足限额图纸,否则,我方对增加成本进行索赔,索赔金额为超过限额成本增加值的100%,最高索赔到设计费总额的20%,设计院可以聘请第三方复核,第三方费用由责任方承担。
6 设计变更设计方应避免同类设计错误的设计变更并建立设计变更台账。
7 现场服务我方要求设计方每周定期到施工现场解决现场问题;离项目现场较远的,每周进行一到两次远程会议,及时解决现场问题;赶工期等必要时设计方派驻驻场设计师。
8 奖罚措施8.1 经我方测算,最终施工图图纸实际成本低于限额指标,我方直接奖励设计方 5 万元;节约成本大于 50 万元,奖励标准为节约成本的 10%,最高 20 万元。
8.2 经我方测算,最终地下车位停车效率(M2/辆)低于限额指标,我方直接奖励设计方 5 万元;节约成本大于 50 万元,奖励标准为节约成本的 10%,最高 20 万元。
XXXXXX XXXXXX质量管理体系文件XXXXXX供方管理制度(共一页)2023-XX-XX发布2023-XX-XX实施XXXXXX发布供方管理制度(签批页)编制:______________________ 审核:______________________ 会签:______________________批准:文件更改记录1目的为了规范对外部供方进行评价、选择、绩效监视以及再评价的管理流程,以便合理选择、评价供方,并对供方实施有效控制,特制订本文件。
2适用范围适用于采购、外包供方的评价、选择、绩效监视以及再评价管理。
3术语和定义无。
4职责质量部:负责组织对供方评价、选择、绩效监视以及再评价工作的归口管理;负责计量、检验/分析外包,与其签订供方合作协议。
生产部:负责物料采购与生产外包(流片、封装)的工作,与其签订供方合作协议;负责参与供方的评价、选择、再评价工作。
检测中心:负责产品筛选试验、测试工装的外包工作,与其签订供方合作协议;负责参与供方的评价、选择、再评价工作。
综合部:负责产品运输外包工作,与其签订供方合作协议;负责参与供方的评价、选择、再评价工作。
产品部:负责测试软件的外包工作,与其签订供方合作协议;负责参与供方的评价、选择、再评价工作。
5工作程序5.1供方分类标准根据外部提供产品对公司产品实现过程及其最终产品符合性的影响程度,将外部供方分为A、B、C三类:A类供方:长期为我司提供关键或重要产品、产品数量多和合作金额大的供方。
B类供方:长期为我司提供重要产品、产品数量多和合作金额较大的供方。
C类供方:除A、B类供方之外的供方。
5.2供方的选择和评价5.2.1选择原则供方的选择应遵循高质量、低价格、重合同、守信用、管理好、就近选点等原则。
特别要重视供方的产品质量、交付进度和售后服务情况,把供方风险降到最低。
选择供方时应确定公司对供方的重要程度,本着双方互惠互利及长远发展原则,不要选择重视程度不高或者实力不足的供方。
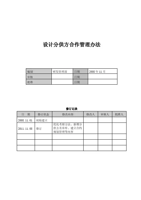
设计分供方合作管理办法修订记录1. 总则1.1 目的为了择优选择与所开发项目相符的设计合作分供方,实现设计成果优良,设计成本合理,设计进度能满足项目开发要求,设计合作分供方能更好地服务于项目设计工作,特制订本管理办法。
1.2 适用范围本办法适用于协信集团各城市公司的建筑、景观装饰、机电的设计合作分供方选择和管理。
2. 分则2.1 建立项目设计合约规划2.1.1 城市公司研发部根据项目定位及项目实际情况,对适合项目的设计分供方库进行初步评估,确定设计合约类别,明确设计合约规划方式。
2.1.2 在项目设计启动后,第一个设计合同提网会签前,城市公司研发部应上报集团研发部审核《项目设计合约规划》表,审批通过后的合约规划的单价及计费方式应上报成本部进行锁定。
2.1.3 形成合约规划后,无论金额大小,均按项目分期建立合约规划,由城市公司研发部提交OA审批,后续所有工作应结合审批后的合约规划进行。
2.1.4 超出控制标准的合约规划和合同审批,集团成本部、研发部可予否决。
2.2 考察设计分供方2.2.1 在项目设计合作分供方确定前,城市公司研发部应提出三家以上设计分供方备选合作单位报集团研发部进行审核。
2.2.2城市公司研发部根据审核后的设计分供方名单组织项目设计管理团队考察,考察内容不仅要与设计分供方进行面对面交流,如果有必要,还需对相关业绩项目进行实地考察并走访项目业主。
对特别重要项目,且分供方为尚未入库的单位,应邀请集团研发部一同参与考察。
2.2.2.1 对参与方案设计的分供方,除考察分供方的实力、业绩外,还需重点关注项目设计团队成员的创新意识和能力。
2.2.2.2 对参与施工图设计及软装实施的分供方,主要考察分供方自身的实力和拟参与项目设计分所的业绩、服务意识以及价格等。
2.2.3 在考察结束后,考察项目团队应对各家设计分供方形成详尽的设计分供方考察报告,报告中应有设计院的人员情况、配合及管理模式、设计进度、图纸质量、成本控制以及其他优势等内容,详《设计分供方考察综合情况一览表》。
和昌地产(集团)设计管理部设计供方库管理制度为了规范设计管理部对供方的管理,建立有效良好的供方筛选、淘汰机制,实现设计供方的良好运作,特制定本管理制度。
设计管理部供方定标遵循集团招采体系原则。
1范围本制度涵盖了设计供方考察和入库、供方选用、供方后评估等内容要求,规范了设计供方管理的操作流程,流程图如下:2职责2.1集团设计管理部负责A库的选拔与考察,对所有供方的入库审核,在网盘办公平台发布《设计供方库》并实时更新,对B库不定期进行抽查。
2.2城市公司设计管理部负责B库的选拔与考察,对所有合作供方进行后反馈评估。
3具体程序要求3.1供方分库原则设计类供方库分为供方A库、供方B库。
(A库为效果类、效果咨询类;B库为实施类、实施咨询类)a)供方A库科目:包含适用于全集团的大范围适用性效果类、效果咨询类供方设计单位,由集团进行选拔考察。
效果类:建筑方案、精装方案、精装软装方案、景观方案、景观软装方案;效果咨询类:快装、幕墙设计(非住宅类)、结构优化、绿建、标识、艺术品、机电顾问、灯光顾问(非住宅类);b)供方B库科目:包含适用于具体城市公司的地区性实施类、实施咨询类设计供方,由城市公司进行选拔考察,由集团进行审核。
实施类:建筑施工图、精装套图、景观施工图及安置房方案;实施咨询类:BIM。
3.2供方入库供方A库设计单位的收集、考察、评价、入库3.2.1收集:集团、城市公司对优秀的A库供方进行收集,每月形成《设计供方档案表》(附录1)作为推荐表,每季度集团进行汇总、筛选;3.2.2考察:集团各专业端口有意录入供方A库的设计供方单位时,须以专业为单位成立考察小组对设计供方实施考察,考察小组组长必须由集团专业端口负责人及以上人员担任,形成《设计供方考察报告》后,由集团设计管理部总经理审核。
考察报告必须真实,报告中文字说明和照片详尽,照片要求能体现考察小组的成员;3.2.3评价:考察完成后,形成《设计供方考察内容及评分表》(附录2),考察结论为“不合格”的,直接淘汰,考察结论为“合格”的,进行入库。
供应商考核评价管理制度1.目的为规范公司市场准入及供应商、承包商管理工作,优化采购资源,规避采购风险,保证采购、施工质量,控制采购、施工成本,根据公司精益管理的要求,依据我公司《招标采购管理制度》与《供应商管理办法》,结合我公司实际情况,特制定此制度。
2 .范围适用于我公司范围内的物资、设备采购的供应商、工程建设类(含设计、建立、施工)承包商的日常评价与定期考核。
3 .职责3.1 供销部是本制度制定、修订和实施的归口管理部门,并对本制度的实施过程进行监督检查。
3.2设备物资类供应商考核评价工作由供销部牵头,涉及部门及车间协助实施。
3.3工程建设类(设计、监理、施工等)供应商考核评价工作由综合办公室或设备部牵头,供销部、设备部、生产部协助实施。
4.工作程序4.1设备物资类供应商考核评价4.1.1考核评价程序设备物资类供应商考核评价工作由供销部组织进行,组织设备物资管理及使用部门组成考评专业工作组,综合考评公司现有供应商名录和经推荐的供应商名录中设备物资类供应商的质量水平、合同履约、交货能力、售后服务、诚信经营、价格水平等,并填写《设备物资类供应商考核评分表》(见附表1)、《设备物资类供应商年度考核结果汇总表》(见附表2)报送公司主管领导审批,并由供销部相关业务人员在xx集团电子采购平台进行结果补录。
4.1.2、考核评价等级设备物资类供应商评定为四级:A、B、C、D级。
得分90-100分为A级,80-89为B级,70-79为C级,70分以下为D级。
评定为D级的供应商取消合格供应商资格。
评定为A、B、C三级的供应商考评合格,A、B级物资供应商为主要采购供应商。
A级物资供应商数量控制在总量的5%以内。
4.2工程建设类承包商考核评价4.2.1、考核评价程序工程建设类(设计、监理、施工等)供应商考核评价工作由设备工程部或生产技术部组织进行,组织项目实施部门组成考评专业工作组,综合考评公司现有供应商名录和经推荐的供应商名录中工程建设类供应商综合管理、质量管理、合同履约、进度管理等,并填写《工程建设类承包商考核评分表》(见附表3)、《工程建设类承包商考核结果汇总表》(见附表4)报送公司领导审批。
房地产集团设计供方管理1、设计供方选定及管理评价管理流程设计供方选定及管理评价管理流程编制日期审核日期批准日期修订记录三、工作程序3.1 设计供方选定方式1)选定方式包括:招标、方案比选和直接委托。
设计类供方(包括规划、建筑、精装修、园林、机电、泛光照明等各类设计)的选择方式原则上为邀请招标(以下简称“招标”)或方案比选,委托合同在20万以下的局部设计(或分项设计)可通过议标(含直接委托)方式确定。
a)招标:是指由规划设计部按照公司相关规定,通过发出招标文件、资格审查、评标定标等程序,择优选择中标者的采购方式。
b)方案比选:是指由规划设计部提出设计任务要求,并邀请认为具有完成该设计任务能力的设计供方进行初步设计,规划设计部综合初步设计成果、取费标准、设计单位资质等确定合作单位的采购方式,方案比选相对招标方式更为灵活快速。
c)议标:对不具有公开性和竞争性,或金额不大、经营管理风险很小、且已有足够经验证明设计供方为某项设计任务的合适选择,可由规划设计部提出申请、经必要审批程序后,选定设计供方并授予合同的采购方式。
议标含设计供方延用。
2)在项目取得之后或每年初,管理部组织编制项目年度经营开发计划,规划设计部在此基础上,着手组织编制设计进度计划部分,其中应包含重要的设计供方选定计划,相关内容包含但不限于:a)对应设计事项的供方选择方式建议(招标/方案比选/议标-含直接委托和延用);b)设计供方选定的进度计划、配合部门、审批人等;c)有初步合作意向单位的推荐说明。
3)设计供方选定工作的启动、选定方式的确定以月度确定的项目节点类计划为执行依据,详见公司计划管理相关规定。
4)因特殊情况原定为“招标方式改为方案比选或直接委托”、“方案比选方式改为直接委托”的,由规划设计部填写《采购方式调整审批表》,按权限(同合同审批权限)上报审批后执行。
5)设计供方选定参与部门:3.2招标方式选定供方1)编制招标文件:d)规划设计部编写技术部分,成本管理部编写商务部分,如在此阶段可提出设计限额要求的,由成本管理部门与规划设计部共同组织编制,并力求在招标文件中予以体现;规划设计部完成招标文件组卷,经成本管理部门复核确认,按公司授权要求报批。
核电厂质量保证安全规定时间:2004年04月07日(1991年7月27日国家核安全局令第1号发布1991年修改)本规定是中华人民共和国核电厂安全法规的第四部分本规定自一九九一年七月二十七日起实施本规定由国家核安全局负责解释。
1引言1.1概述1.1.1本规定对陆上固定式热中子反应堆核电厂的质量保证提出了必须满足的基本要求。
1.1.2本规定提出的质量保证原则,除适用于核电厂外,也适用于其他核设施。
1.1.3为了保证核电厂的安全,必须制定和有效地实施核电厂质量保证总大纲和每一种工作(例如厂址选择、设计、制造、建造、调试、运行和退役)的质量保证分大纲。
本规定对制定和实施这些大纲提出了原则和目标。
各种质量保证大纲所遵循的原则是相同的。
1.1.4必须指出:在完成某一特定工作中(例如在厂址选择、设计、制造、建造、调试、运行和退役中),对要达到的质量负主要责任的是该工作的承担者,而不是那些验证质量的人员。
1.1.5质量保证大纲应包括为使物项或服务达到相应的质量所必需的活动,验证所要求的质量已达到所必需的活动,以及为产生上述活动的客观证据所必需的活动。
1.1.6质量保证是“有效管理”的一个实质性的方面。
通过有效管理促进达到质量要求的途径是:对要完成的任务作透彻的分析,确定所要求的技能,选择和培训合适的人员,使用适当的设备和程序,创造良好的开展工作的环境,明确承担任务者的个人责任等。
概括来说,质量保证大纲必须对所有影响质量的活动提出要求及措施,包括验证需要验证的每一种活动是否已正确地进行,是否采取了必要的纠正措施。
质量保证大纲还必须规定产生可证明已达到质量要求的文件证据。
1.1.7各部门执行本规定的具体方法(对于整个核电厂和各种工作)可以有所不同,但在任何情况下,都必须遵循本规定所确定的原则,制定详细的执行程序。
还必须指出:质量保证大纲必须周密制定,便于实施,并保证技术性的和管理性的工作两者充分地结合。
1.2范围本规定对核电厂的厂址选择、设计、制造、建造、调试、运行和退役期间的质量保证大纲的制定和实施提出了原则和目标。
设计质量管理及控制程序2022 年 07 月 02 日 11:48(一)目的为确保项目的设计和开辟全过程处于受控状态,符合规定的质量控制要求,从而提高项目设计品质,加强成本控制,提高企业经济效益。
(二)合用范围合用于万科集团(以下简称“集团”)及子公司(以下简称“项目公司”)新开发项目及尚未进行方案设计的在开辟项目分期部份的建造、结构、设备、景观、智能、装饰等主要专业设计。
(三)职责分工1、集团公司设计管理部门(规划设计部、总工程师办公室)(1)负责编写各类设计任务书;(2)负责寻觅合适的规划设计、建造设计、景观、智能、室内及室外总图等设计供方,确定供方单位,并与设计单位进行合同谈判、签订及费用支付;(3)负责组织规划设计、建造设计、景观、智能、室内及室外总图设计工作,并审核各阶段、各专业设计成果;(4)负责组织各阶段、各专业的专题论证及汇报会;(5)负责施工过程的重大图纸变更管理及重大技术问题处理;(6)负责各类设计成果文件的存档工作。
2、项目公司(1)负责参预各阶段、各专业设计过程;(2)负责组织项目报批及外部协调工作;(3)负责组织除规划设计、建造设计、景观、智能、室内及室外总图设计以外的其它相关设计工作;(4)负责施工过程的日常技术管理。
二、工作程序(一)产品策划阶段1、集团规划设计部负责依据项目开辟进度计划编写《项目设计整体工作计划》,并报分管领导批准。
2、《产品意向书》由集团规划设计部负责牵头编制。
编制的依据是经审定的《项目可行性研究报告》、《产品策划定位报告》等。
总工程师办公室、营销策划部、项目公司技术负责人等参预编写。
编写拟定的《产品意向书》报分管领导审核、集团公司董事长或者其授权人批准后,在规划设计部备案。
(二)项目规划设计阶段1、规划设计前应向设计单位提交《规划设计任务书》。
《规划设计任务书》由集团规划设计部牵头依据《项目可行性研究报告》、《产品意向书》等编制并报分管领导审定。
房地产集团设计供方管理细则(试行稿)第一章总则第一条为规范某某房地产(集团)股份有限公司及各级子公司设计供方管理,制定本制度。
第二条公司内项目设计、技术咨询服务类的供方管理均适用本制度。
第二章设计合格供方分类第三条为配合设计类招投标,公司建立设计合格供方库。
第四条供方分为长期合作供方和特殊项目临时供方两大类。
根据供方服务的公司层级,长期合作供方可进一步细分为子公司设计合格供方、区域设计合格供方和区域设计集采供方三个层级。
(一)子公司设计合格供方即各地产子公司的设计合格供方,为本城市或临近城市提供服务,由子公司管理并向区域平台报备。
(二)区域设计合格供方即区域平台的设计合格供方,用作区域设计集采的投标单位,由区域平台与股份公司技术中心共同管理。
(三)区域设计集采供方即区域设计集采招投标的中标单位。
为本区域或全集团子公司提供服务,由区域平台与股份公司技术中心共同管理。
(四)特殊项目设计供方即为个别特殊项目的招投标而使用的临时设计供方,通常仅服务于某个项目,由该项目的招投标主办部门管理。
第五条设计供方业务范围可分为全程设计、概念性规划设计、方案设计、施工图深化设计、专项设计五大类,涵盖建筑专业、装饰专业、景观专业及各专项设计。
第三章设计合格供方库的建立第六条子公司设计合格供方库(一)供方来源。
子公司设计供方来源有股份公司内类似项目供方引用和股份公司外绩优供方引进两种。
供方选择应以设计质量高、服务质量好为标准。
(二)合格供方认定程序:1、子公司技术部推荐备选设计供方;2、经子公司主管技术的副总经理及技术部、预决算部等相关部门负责人考察、评价、讨论、会签后,技术部填写《合格供方考察审批表》;3、《合格供方考察审批表》经子公司总经理审核批准后,设计单位方可进入合格供方库;4、每类别合格供方单位数量应满足设计招投标要求。
第七条区域设计合格供方库(一)供方来源。
区域设计供方由子公司推荐,必须是子公司设计合格供方库中的单位。
设计供方选定管理流程供方选定管理流程是指企业在选择供应商或合作伙伴时,通过一系列的流程和步骤来确定最佳的供方或合作方的过程。
供方选定管理流程的目标是确保企业在选择供应商时能够做出明智的决策,并找到符合企业需求的最佳供方或合作伙伴。
以下是供方选定管理流程的详细步骤:1.明确需求:企业首先需要明确自身的需求,包括所需产品或服务的规格、数量、质量要求等。
2.寻找潜在供应商:企业需要通过市场调研、网络等方式寻找潜在的供应商或合作伙伴。
可以考虑参考行业报告、参观展会等方式获取更多信息。
3.预筛供应商:根据企业的需求和标准,对潜在供应商进行初步筛选。
可以通过阅读其网站、产品目录、参考其他客户的评价等方式了解供应商的资质和能力。
5.接受报价:企业收到供应商的投标或报价后,需要进行逐项评估,并与企业的需求进行对比。
评估的指标可以包括价格、质量、交货期、售后服务等。
6.供应商评估:对于表现较好的供应商,企业可以进行更深入的评估。
评估可以包括供应商的财务状况、生产能力、技术能力、品质管理体系等。
可以通过访问供应商的工厂、与其面谈、参观其设备等方式进行评估。
7.签署合同:在确定最终的供方或合作伙伴之后,企业需要与供应商签署正式的合同。
合同应明确双方的权益、义务和责任,包括产品质量、交货时间、付款方式等。
8.持续评估:企业应定期对供应商进行持续评估,以确保其持续符合企业的需求和期望。
评估可以包括供应商的产品质量、交货准时性、售后服务、合作态度等。
9.替代供方的准备:企业需要积极寻找备用供应商,以应对供应链中的风险和变化。
备用供应商的选择应基于相同的流程和标准。
10.维护良好的供应关系:企业与供应商之间的合作关系应建立在互信、合作和共赢的基础上,并及时解决出现的问题和冲突,以确保供应链的稳定和高效。
供方选定管理流程的关键是系统性和透明性。
通过明确的流程和标准,企业能够更加客观和科学地评估供应商,并选择最佳的供方或合作伙伴。
文件制修订记录1、目的选择合适的供应商并对其进行持续管理,以确保其为公司提供合格的过程、产品与服务。
2、适用范围本程序规定了直接用于产品的原材料、外购件(含国产化)、外协件、提供服务及外部过程的供方,其选择、评估(产能及风险)、小批试用、批准、采购监控及业绩评价的方法和要求。
本程序适用于直接用于产品的为本公司提供原材料、外购件、外协件、提供服务及外部过程的供方的供应商的选择和评价。
其它供应商的选择和评价可参照本程序规定进行。
3、职责3.1轨道车辆空调设计部:负责提出采购技术文件,对采购产品的技术、性能、安全环保要求等方面的进行评价并提出认可要求,负责提供相应的技术支持,配合资材部开发符合要求的潜在供应商。
3.2资材部:负责选择供应商并对其分类,对供应商提供的过程、产品和服务的能力进行评价、对提供的样品申请鉴定、小批样品的采购、合格供应商评定的提出、“合格供应商名册”的维护以及对外部供方进行风险管理。
3.3质保部:对供应商提供的过程、产品和服务的质量能力进行评估,组织样品测试方案的提出和鉴定,小批量采购物料的质量跟踪。
3.4工艺科:对供应商的工艺能力进行评估。
3.5 制造部:评核供应商的制造能力。
4、程序和要求4.1外部供方和EPPPS分类外部供方分成提供过程、提供产品、提供服务三大类。
4.1.1提供产品的外部供方根据产品的重要程度依次进行分类。
参考Q3D010《产品零件及原材料分类作业指导书》。
4.1.2供方提供能力的分类Ⅰ类供方准则(满足其中之一)1、绩效考评分达到90分及以上2、业界前三3、战略合作伙伴类4、无市场反馈的不良事件Ⅱ类供方准则1、绩效考评分在80-90之间(含80分)2、业界前三之外的知名企业Ⅲ类供方准则1、绩效考评分在80分以下2、无业界知名度3、市场有反映过不良事件的4.1.3供应商分类及级别在合格供应商名册中体现。
4.2 外部供方的评估及选择4.2.1资材部、轨道车辆空调设计部及相关部门应不断挖掘新的外部供方,以找到最佳合作伙伴,尤其当出现以下情况时需要开发新供应商:(1)新产品开发或工艺改进导致新物料的采用。
设计供方选择及管理流程1.流程概况3.工作程序3.1.设计单位信息收集与选择方式确定3.1.1.总部成本招采负责收集设计单位(包括设计院和勘察单位)信息,填写《设计单位信息登记表》进入设计单位资源信息库。
3.1.2.设计采购分判:总部设计研究中心根据项目节点计划编制《项目施工设计方案》,成本招标中心参与,明确各类设计单位的选择时间及选择方式,《项目施工设计方案》按照权责表进行审批后,总部成本招标中心按确定的选择方式组织设计单位的邀标或直接委托。
3.2.合同管理及履约评价3.2.1.总部成本招标中心组织设计供方洽商设计合同草案内容,填报《项目设计合同审批表》。
经总部设计研究中心、财务管理中心配合,按照权责表进行审批后,由总部成本招标中心负责与设计单位签订合同。
3.2.2.合同签订后或设计供方确定后由项目设计负责人对设计供方进行项目资料提资并交底,并要求设计供方在《项目设计资料移交清单》签收(可通过邮件/传真/实物纸质等方式)。
3.2.3.必要时,设计研究中心组织对设计供方进行技术标准等培训。
3.2.4.由设计经办人组织相关部门对各个阶段设计供方提交的设计成果进行审核。
3.2.5.总部成本招标中心组织对已签约的供方按照评价内容每半年评审一次,经评审合格的供方进入合格供方名录,不合格的终止服务或重新评价,标准包括但可不仅限于如下:(1)是否在设计和修改过程中配合默契,能够保证设计工期;(2)设计成果出品质量水平如何,是否能较完全表达开发商的设计思想;(3)合同履约率是否达到100%。
3.2.6.设计交底(1)设计单位完成方案设计之后,总部设计研究中心组织进行技术交底,公司相关部门参与技术交底(如成本招标中心、营销品牌中心、工程运营中心、物业公司等),由设计单位说明设计理念和意图,进一步明确项目、产品设计风格和具体要求。
(2)技术交底完成后双方对技术交底内容进行确认签字。
4.支持文件4.1.无5.相关记录5.1.《项目设计合同审批表》。
房地产公司设计供方管理细则一、前言随着房地产市场的竞争加剧,房地产公司在进行设计供方管理时变得尤为重要。
设计供方管理是房地产公司进行工程建设的重要组成部分,对于保证工程质量、缩短工程周期、控制工程成本、提升工程管理水平至关重要。
本文旨在为房地产公司制定设计供方管理细则提供参考。
二、基本原则1. 透明公正:设计供方管理应该公开透明,遵循市场化原则,以合理、公正、公开的方式对设计供方进行评价和选择;2. 优质高效:在设计供方选择过程中,应该重点考虑设计供方的设计能力和工程管理水平,从而保证工程的优质高效;3. 合理合法:设计供方管理必须遵守国家和地方有关法律法规,遵循市场规则、诚信、公平竞争的原则,做到合理合法;4. 以德为先:设计供方管理要考虑道德伦理,建立诚信、公正、公平、尊重知识产权的文明管理氛围。
三、供应商审核1. 供应商资格审核:在进行设计供方管理之前,房地产公司应该对所有供应商进行资质审核,主要审核供应商的营业执照、设计资质、注册工程师信息、税务缴纳情况等。
2. 供应商信誉审核:除了对供应商的资格审核之外,房地产公司还应该对供应商的信誉情况进行审核。
具体包括对供应商的财务状况、工程质量、合作态度、纠纷处理能力等进行调查,评价其信誉状况。
3. 供应商经验审核:房地产公司在进行设计供方管理时,应该优先选择有丰富的工程设计、管理经验的供应商,这样可以避免工程风险,提高工程质量。
四、供应商评分1. 设计供应商评分标准:设计供应商评分标准应该根据工程建设的具体需求来制定,主要包括设计能力、管理水平、技术水平、价格、交期等方面。
2. 设计供应商打分标准:针对设计供应商评分标准,房地产公司应该对每个评分标准的重要性进行评估和排序,并按照顺序对所有参与评分的设计供应商进行打分。
3. 设计供应商评分结果:评分结束后,房地产公司根据每个供应商的得分情况进行综合评估,选取综合得分最高的供应商作为设计供方。
五、合同管理1. 合同文件:针对设计供方管理,房地产公司需要与设计供方签订正式合同,以确保工程建设过程的合法性和合规性。
供应商管理规定
是一个组织机构为了管理与供应商的合作关系而制定的相关规定。
这些规定通常包括以下内容:
1. 供应商选定标准:规定供应商必须具备的资质、经验和能力,以及如何评估供应商的能力和可靠性。
2. 供应商评估和审批:规定对供应商进行定期评估和审批的程序和标准,包括评估供应商的质量管理体系、产品质量、交货能力、供应链管理等方面。
3. 供应商合同管理:规定与供应商签订合同的内容、履行要求、违约责任等,确保供应商与组织之间的合作关系合法和公正。
4. 供应商绩效管理:规定对供应商的绩效进行定期评估和跟踪,并据此进行奖惩措施,以保证供应商的持续改进和优质服务。
5. 供应商风险管理:规定如何识别和评估潜在的供应商风险,并采取相应的风险控制措施,确保供应链的稳定和可靠性。
6. 供应商合规要求:规定供应商必须遵守的法律法规、道德标准和环境保护要求,以及组织对供应商合规性的监督和检查程序。
7. 供应商问题解决机制:规定供应商发生问题时的处理流程和责任分工,以保证问题能够及时解决和处理。
供应商管理规定的目的是建立良好的供应商关系,确保供应链的稳定和可靠性,降低组织的风险,提高运营效率和质量水平,从而更好地满足客户的需求。
合格供方选择评价准则在企业采购过程中,选择合格的供方是非常重要的一项任务。
而为了选择合格的供方,需要设计一套科学的评价准则。
下面是一套合格供方选择评价准则:1.资质评价在合格供方选择过程中,首先需要对供方进行资质评价,这是保证供方有能力履行合同和提供高质量产品或服务的前提。
资质评价可以包括以下方面:-公司注册资料:包括注册资金、注册地址、经营范围等信息。
-资质证书:包括营业执照、组织机构代码证、税务登记证等证书的查验。
-供方规模:包括公司员工数量、生产能力、经营时间等。
-供方经验:包括是否有类似项目的经验、合作客户的评价等。
2.财务评价财务评价是对供方财务状况进行评估,以确保供方有足够的财务能力履行合同义务。
财务评价可以包括以下方面:-资产负债表:评估供方的资产、负债和净资产情况。
-利润表:评估供方的盈利能力和盈利状况。
-现金流量表:评估供方的现金流入和流出情况。
3.质量评价质量评价是对供方的产品或服务质量进行评估,以确保供方能够提供合格的产品或服务。
质量评价可以包括以下方面:-质量管理体系:评估供方的质量管理体系,如ISO认证等。
-产品或服务样品:评估供方提供的样品是否符合要求。
-历史质量记录:评估供方过去产品或服务的质量情况。
4.交货期评价交货期评价是对供方交货能力进行评估,以确保供方能够按时交付产品或服务。
交货期评价可以包括以下方面:-供方生产能力:评估供方的生产能力,如生产线数量、设备状况等。
-供方生产计划:评估供方的生产计划是否合理,并能够按时完成。
-供方交货记录:评估供方过去的交货记录,包括是否按时交货。
5.价格评价价格评价是对供方报价进行评估,以确保供方的价格合理且具有竞争力。
价格评价可以包括以下方面:-市场价格调研:评估供方的报价是否与市场价格相符合。
-报价细节分析:评估供方的报价细节,包括是否包含配送费、安装费等附加费用。
-成本分析:评估供方的成本结构,以确定供方报价的合理性。
设计供方选择及评价管理规定
本规定对公司设计供方资源库的建立和设计供方的入库、选择和评价管理进行了统一规定。
1目的和范围
2定义
3应对的主要风险
4管理职责
5设计供方资源库管理
6设计供方入库方式
7设计供方选择
8设计供方评价
9罚则
10记录
11相关文件
附件
正文
1目的和范围
1.1为规范设计供方资源管理,提高设计供方选择和管理水平,结合公司实际情况,特制定本规定。
1.2本规定为公司制度体系第二层级文件,其上一层级文件为《设计管理制度》。
1.3本规定适用于工程总承包项目和投融资类经营项目,咨询、设计和施工总承包项目可参照执行。
1.4二级单位(含分(子)公司、事业部)可根据具体情况制订相应的细则等管理文件。
2定义
2.1设计供方资源库:是指按照本规定建立的,公司已合作或有合作意向的设计、咨询单位信息库。
3应对的主要风险
3.1对设计供方资格审核不严,致使设计供方选择不当,导致设计供方与客户需求不匹配,无法入围或中标的风险。
3.2对设计供方评价不及时、不全面,致使不合格的设计供方在其它工程中使用的风险。
4管理职责
4.1设计管理部
a)负责设计供方资源库建立及日常维护管理;
b)负责首次入库设计供方考察报告的审批、入库管理;
c)组织对设计供方的评价和等级评定;
d)负责重要情形以上项目和投融资类经营项目营销阶段设计供方的选择;
e)负责重要情形以下项目营销阶段设计供方选择的审批。
4.2市场营销部
a)负责自行经营重要情形以下项目设计供方的选择;
b)提出重要情形及以上项目设计供方需求信息; c)
负责对自行经营项目营销阶段设计供方的评价。
4.3投融资事业部
a)提出投融资类经营项目设计供方需求信息;
b)负责对投融资类经营项目设计供方的评价;
c)负责本部门推荐入库设计供方的考察,形成考察报告。
4.4科技部/工程技术研究院/项目管理部:负责本部门推荐入库设计供方的考察,形成考察报告。
4.5二级单位
a)负责本单位自行经营重要情形以下项目设计供方的选择;
b)负责本单位推荐入库设计供方的考察,形成考察报告; c)
负责对自行承揽项目设计供方的评价。
4.6项目部:配合对实施阶段设计供方的考评。
5设计供方资源库管理
5.1设计供方资源库建立:设计管理部对现有设计供方资源按照地域、公司性质、行业资质、擅长领域、等级、是否有过合作、推荐单位等进行分类,建立设计供方资源库。
5.2设计供方资源库更新:及时完成设计供方正常入库和退出(如注销),更新设计供方资源库并在内网发布。
6设计供方入库方式
6.1设计供方要求:当地资质等级高且影响力大的设计单位。
6.2入库方式:采取单位推荐,设计管理部审批的方式。
设计供方入库流程见附件1。
6.3推荐单位包括:市场营销部、科技部、工程技术研究院、项目管理部和二级单位等。
6.4推荐单位要求:编制考察报告,提交设计管理部审批。
6.5考察报告要求
a)考察内容:包括但不限于单位名称、企业性质、设计资质、管理体系认证情
况、专家数量、设计人员情况、擅长领域及其典型业绩、区域优势、获奖情况、联系人职务及联系方式;
b)完成时间:推荐单位考察完成后两周内形成考察报告;
c)评审程序:考察人员签字确认,由推荐单位负责人签字盖章后,报送设计管理部审批。
7设计供方选择
7.1设计供方选择原则
a)需求单位从设计供方资源库选择设计供方,不在设计供方资源库的设计供方先办理入库手续。
b)按照“优先选择内部设计院作为设计供方”、“优先选择已合作且评价等级高的设计供方”、“优先选择项目实施地就近的设计供方”、“优先选择有自主知识产权保护的设计供方”、“优先选择业态设计领域权威的设计供方”五个优先的原则选择与实际业务相匹配的设计供方。
7.2设计供方的选择方式
a)对于重要情形以下项目,市场营销部或二级单位从设计供方资源库中选择适合的设计供方,填写《设计供方选择申请表》(QG/SBC SJ 376—2020/F-1),由职能部门或二级单位负责人签字盖章后,报设计管理部审批。
b)对于重要情形及以上项目和投融资类经营项目,由市场营销部或二级单位填写《设计供方需求信息表》(QG/SBC SJ 376—2020/F-2),由职能部门或事业部负责人签字盖章后,报设计管理部,由设计管理部选择设计供方,报设计管理部分管领导审批。
c)设计供方选择流程见附件2。
d)根据项目特点,需要咨询、设计分包的,依据《中国五矿集团有限公司供应商管理办法》、《工程分包合同管理规定》和标前约定执行。
8设计供方评价
8.1评价要求
a)营销阶段设计供方的评价由市场营销体系内项目负责人对设计供方从技术水
平、履约情况、服务意识三方面按照《营销阶段设计供方评价表》(QG/SBC SJ 376 —2020/F-3)进行评价,经职能部门或二级单位负责人审批。
投标完成后两周内,完成对设计供方的评价,根据设计管理部通知要求及时上报设计管理部。
营销阶段设计供方负责设计管理内容见《营销阶段设计管理规定》。
b)实施阶段设计供方的评价由二级单位组织项目实施主体对设计供方从技术水平、履约情况、服务意识三方面按照《实施阶段设计供方评价表》(QG/SBC SJ 376 —2020/F-4)对设计供方进行评价,经职能部门或二级单位负责人审批。
施工图设计完成后和《设计完工报告》编制完成后两周内,分别完成对设计供方的评价,并及时上报二级单位设计管理部门,根据设计管理部通知要求,由设计管理部门及时上报设计管理部。
实施阶段设计供方负责设计管理内容见《项目设计策划及实施过程管理规定》。
c)设计管理部每半年组织一次对设计供方不同阶段负责设计管理内容评价的统计。
设计供方等级评定管理流程见附件3 。
8.2评定方式:设计管理部依据各职能部门和二级单位对设计供方不同阶段的评价
分数,采用累计平均值法进行分析,根据分析结果,编制设计供方资源库等级名单。
8.3评审程序:设计供方等级划分名单报设计管理部分管领导审批后,每半年在公
司 OA 发布一次。
8.4设计供方等级划分
a)根据评价结果将外部设计供方分为“A”、“B”、“C”、“D”四个由高到低的等级。
A级、B级、C级设计供方为合格的设计供方,D级设计供方为不合格设计供方。
对于首次入库的单位统一评定分数为75分。
b)综合评分在90分(含)以上的为A级;
c)综合评分在80分(含)以上90分以下的为B级;
d)综合评分在65分(含)以上80分以下的为C级;
e)综合评分在65分以下的为D级。
凡被评定为D级的设计共供方,一年内不得选择,停止选择满一年后,推荐单位需重新考察设计供方,并编制考察报告,经设计管理部审核通过后,报分管领导审批,审批通过后,可将其按照首次入库的单位重新划
(QG/SBC SJ 376—2020/F-1)
分等级继续使用。
9罚则
9.1对未履行或未正确履行职责造成国有资产损失或其他严重不良后果的情形,按照《违规经营投资责任追究管理规定(试行)》追究相应责任。
10记录
10.1设计供方选择申请表(QG/SBC SJ 376—2020/F-1)
10.2设计供方需求信息表(QG/SBC SJ 376—2020/F-2)
10.3营销阶段设计供方评价表(QG/SBC SJ 376—2020/F-3)
10.4实施阶段设计供方评价表(QG/SBC SJ 376—2020/F-4)
11相关文件
a)《营销阶段设计管理规定》(QG/SBC SJ 372—2020/F)
b)《工程承包项目投标评审管理规定》(QG/SBC JY 325—2019/F) c)
《项目设计策划及实施过程管理规定》(QG/SBC SJ 375—2020/F) d)
《工程分包合同管理规定》(QG/SBC JY 254—2020/F 02)
e)《违规经营投资责任追究管理规定(试行)》(QG/SBC QH 222—2020/F) f)《中国五矿集团有限公司供应商管理办法》(中国五矿采管[2020]351号)
附件1:设计供方入库流程
附件2:设计供方选择流程
附件3:设计供方等级评定管理流程
设计供方需求信息表
(QG/SBC SJ 376—2020/F-3)
(QG/SBC SJ 376—2020/F-4)
附件1:
设计供方入库流程
设计供方选择流程
设计供方等级评定管理流程。