钢结构防腐项目报价单(丙烯酸聚氨酯漆)
- 格式:doc
- 大小:37.00 KB
- 文档页数:1
钢结构防腐项目报价单(丙烯酸聚氨酯漆)
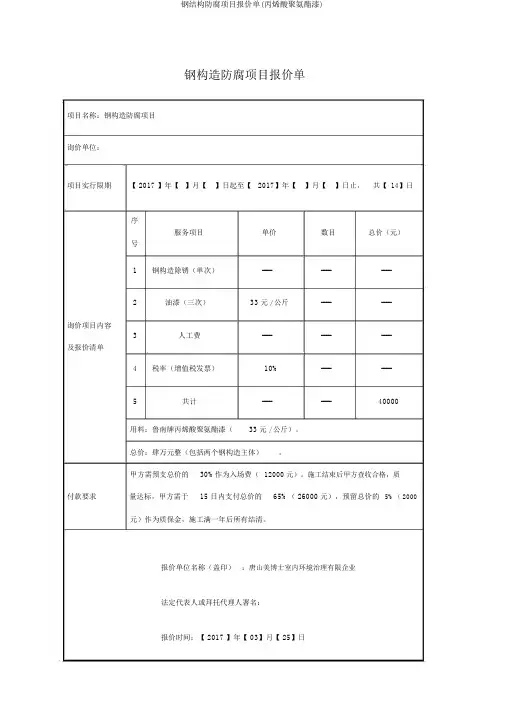
钢构造防腐项目报价单
项目名称:钢构造防腐项目
询价单位:
项目实行限期【 2017 】年【】月【】日起至【2017】年【】月【】日止,共【14】日
序
服务项目单价数目总价(元)号
1钢构造除锈(单次)------------
2油漆(三次)33 元 / 公斤--------
询价项目内容
3人工费------------
及报价清单
4税率(增值税发票)10%--------
5共计--------40000
用料:鲁南牌丙烯酸聚氨酯漆(33 元 / 公斤)。
总价:肆万元整(包括两个钢构造主体)。
甲方需预支总价的30%作为入场费(12000 元)。
施工结束后甲方查收合格,质
付款要求量达标,甲方需于15 日内支付总价的65%( 26000 元),预留总价的5%( 2000元)作为质保金,施工满一年后所有结清。
报价单位名称(盖印):唐山美博士室内环境治理有限企业
法定代表人或拜托代理人署名:
报价时间:【 2017 】年【 03】月【 25】日。
浅谈深圳建筑钢结构防腐弓明深圳市建设工程质量检测中心(邮编518310)【内容摘要】深圳地区气候具有降雨量大,湿度大,气温高,酸雨多的特点,是建筑钢结构工程的天敌。
如何保证建筑钢结构工程的有效使用,是研究钢结构工程的主要问题。
本文通过分析深圳的气候特点、揭示过往钢结构工程使用过程防腐力度不足,对比国内外防腐规范的差距,提出深圳地区钢结构工程的防腐、检测方法,从而使钢结构工程达到或超过设计使用年限,达到安全使用、提高投资效益目的。
【关键词】气候条件建筑钢结构防腐防火层检测方法一、深圳地区钢结构防腐的现状深圳地区属亚热带过渡海洋性气候区,气候温和,阳光充沛。
夏季长达6个月,风向以西南风为主。
春秋冬三季气候温暖,风向仪西南风为主、少时西北风。
全年平均气温为23.7℃,夏季最高气温为36.6℃,冬季最低气温为1.4℃,无霜期为355天。
年日照时数1975.0个小时,每年夏秋两季均有台风,年平均降雨量为1608.1毫米。
深圳地区的降水量大,湿度大,酸雨较多,海洋性气候对钢结构建筑工程有强腐蚀作用。
深圳是个高速发展的城市,同时也是内地的窗口,更是一个试验田,我国钢结构建筑工程的质量关注的重点,由最初的关注各种构件焊接、吊装工艺工法难题,逐渐转为提供长期使用的防腐工艺,这是世界建筑工程钢结构质量控制的必经阶段,也是我国建筑工程钢结构发展的必由之路。
以深圳地区在役重点建筑工程钢结构项目为例,我们对现有钢结构的防腐情况做个初步的了解和判断:1、深圳发展中心大厦,钢结构用材:1.1万吨,建筑面积:75120㎡,建于1990年,该工程采用厚度400μm的油漆防腐+厚涂型防火涂料。
2012年12月对该工程的10、28、40层的避难层、设备层钢结构质量进行质量鉴定时发现,防火涂层脱落的构件锈蚀严重,剥开防火涂层,防腐涂层保持完好,未发现锈蚀。
实际使用寿命>15年。
2、深圳会展中心钢结构,钢结构用材:3.3万吨,建筑面积:28万平方米。
第1篇一、项目背景随着城市化进程的加快,钢结构工程因其自重轻、施工周期短、抗震性能好等优点,在建筑行业中得到了广泛应用。
本报价针对奉贤地区某钢结构工程项目,提供详细的施工报价方案。
二、工程概况1. 项目名称:奉贤某钢结构厂房2. 项目地点:上海市奉贤区3. 建筑面积:10,000平方米4. 结构形式:单层门式钢架结构5. 主要材料:Q235B钢材、H型钢、彩钢板等6. 施工工期:90天三、施工报价1. 材料费用:- 钢材:500元/吨- H型钢:600元/吨- 彩钢板:100元/平方米- 其他辅材:50元/平方米材料总费用 = 钢材费用 + H型钢费用 + 彩钢板费用 + 其他辅材费用材料总费用 = 500元/吨× 100吨 + 600元/吨× 50吨 + 100元/平方米× 10,000平方米 + 50元/平方米× 10,000平方米材料总费用 = 50,000元 + 30,000元 + 1,000,000元 + 500,000元材料总费用 = 1,850,000元2. 人工费用:- 施工人员:50人- 每人每日工资:200元- 施工工期:90天人工总费用 = 每人每日工资× 施工人员数量× 施工工期人工总费用 = 200元/人/天× 50人× 90天人工总费用 = 900,000元3. 机械费用:- 施工机械:吊车、挖掘机等- 每台机械每日租赁费用:2,000元- 施工工期:90天机械总费用 = 每台机械每日租赁费用× 机械数量× 施工工期机械总费用 = 2,000元/台/天× 3台× 90天机械总费用 = 540,000元4. 管理费用:- 管理人员:5人- 每人每月工资:5,000元- 施工工期:90天管理总费用 = 每人每月工资× 管理人员数量× 施工工期管理总费用 = 5,000元/人/月× 5人× 3个月管理总费用 = 75,000元5. 利润:- 利润率:10%利润 = (材料费用 + 人工费用 + 机械费用 + 管理费用) × 利润率利润 = (1,850,000元 + 900,000元 + 540,000元 + 75,000元) × 10%利润 = 3,275,000元× 10%利润 = 327,500元四、总价总价 = 材料费用 + 人工费用 + 机械费用 + 管理费用 + 利润总价 = 1,850,000元 + 900,000元 + 540,000元 + 75,000元 + 327,500元总价 = 3,275,000元五、备注1. 本报价仅供参考,实际施工过程中可能因材料价格波动、施工条件变化等因素导致费用调整。
钢结构造价对于钢结构房屋的建造,有和其它建筑相同的建造过程。
也需要进行多种核算,至于怎样把握核算的每一种数据,那可能每一个项目的要求是各不相同的。
下面就看看怎样把握这些数据更为合理了。
01油漆问题按国家标准钢结构面积按58㎡/吨计算;大型钢结构经验计算为25-30㎡/吨。
单位平方米用漆量:1*50μm厚环氧富锌底漆-----约0.25㎏/㎡。
1*100μm厚厚浆环氧云母氧化铁中间漆-----约0.4㎏/㎡;2*40μm厚丙稀酸脂肪族聚氨脂面漆------约0.25㎏/㎡。
1000吨钢结构预算用漆量:厚环氧富锌底漆:1000吨×30㎡/吨×0.25㎏/㎡==7500㎏;厚厚浆环氧云母氧化铁中间漆:1000吨×30㎡/吨×0.4㎏/㎡== 12000㎏;厚丙稀酸脂肪族聚氨脂面漆1000吨×30㎡/吨×0.25㎏/㎡== 7500㎏报价只是一个形式,按吨位报价是目前国标清单采用的方法,这样方便竣工结算,计算表面积也是很简单的事情,一般算量都采用E X C E L,不同板厚的吨位都能列出来,那不同板的表面积也自然出来(不考虑板厚度方向的面积),扣除不刷油漆的部位,这样总表面积就出来了。
我们的一般做法是,计算油漆面积核算油漆成本,报价按吨位报。
若套定额也可以但要注意较薄构件和较厚构件占的比例注意:C型钢按吨位算油漆不合算,主构件可以。
经测算,实际一公斤油漆能喷涂5平米,跟工人的操作方式有关。
02关于损耗问题1.客户报价时一般最多加5%损耗,用X st e el出图,加上有套料软件专人套料,买材料时板材最多取3%,型材就1%,很少出问题。
2.厂房实际料耗完全能控制在3%以下。
3.碰见懂行的报5%,不懂的就报8%4.重钢,结构复杂的用8%5.钢结构施工手册中有明文规定,角钢75*75以下是 2.2%,80*80~100*100是 3.5%,120*120~150*150是 4.3%,180*180~200*200是 4.8%,平均是 3.7%;工字钢14a以下是3.2%,24a以下是4.5%,36a以下是5.3%,60a以下是6%,平均4.75%;槽钢14a以下是3.0%,24a以下是4.2%,36a以下是4.8%,40a以下是5.2%,平均4.3%;钢板按厚度1~5m m是2.0%,6~12m m是4.5%,13~25m m是6.5%,26~60m m是11%,平均6%6.在合同中,一定要明确损耗,防止以后的麻烦。
化工厂防腐工程施工报价一、项目概述本次防腐工程主要针对化工厂的生产车间、储罐区、管道系统等区域进行防腐处理。
工程范围包括车间墙面、地面、设备、管道等表面的防腐涂装,储罐内外壁的防腐涂装,以及管道的阴极保护等。
防腐材料需满足耐腐蚀、耐磨损、耐温等要求,确保工程质量达到国家相关标准。
二、施工方案1. 车间墙面、地面防腐(1)墙面:采用环氧树脂砂浆抹面,厚度为1.5mm,涂层分两次施工,每次厚度为0.75mm。
(2)地面:采用环氧树脂砂浆抹面,厚度为3mm,涂层分两次施工,每次厚度为1.5mm。
2. 设备防腐(1)设备表面:采用环氧树脂涂料,厚度为1.5mm,涂层分两次施工,每次厚度为0.75mm。
(2)设备内壁:采用环氧树脂涂料,厚度为2mm,涂层分两次施工,每次厚度为1mm。
3. 管道防腐(1)管道外壁:采用环氧树脂涂料,厚度为1.5mm,涂层分两次施工,每次厚度为0.75mm。
(2)管道内壁:采用环氧树脂涂料,厚度为2mm,涂层分两次施工,每次厚度为1mm。
4. 储罐防腐(1)储罐外壁:采用环氧树脂涂料,厚度为2mm,涂层分两次施工,每次厚度为1mm。
(2)储罐内壁:采用环氧树脂涂料,厚度为3mm,涂层分两次施工,每次厚度为1.5mm。
5. 阴极保护(1)管道:采用外加电流阴极保护,保护电流密度为0.3-0.5A/m²。
(2)储罐:采用牺牲阳极阴极保护,阳极材料为镁合金,保护电流密度为2-3A/m²。
三、施工报价1. 墙面、地面防腐:环氧树脂砂浆抹面,单价为100元/平方米,总面积约为10000平方米,总价为1000000元。
2. 设备防腐:环氧树脂涂料,单价为200元/平方米,总面积约为5000平方米,总价为1000000元。
3. 管道防腐:环氧树脂涂料,单价为150元/米,总长度约为10000米,总价为1500000元。
4. 储罐防腐:环氧树脂涂料,单价为200元/平方米,总面积约为5000平方米,总价为1000000元。
丙烯酸漆和聚氨酯漆的区别公司所在地:北京通州区品??牌:紫禁城电话:0,北京紫禁城漆业有限公司联系人:刘倩-zai(联系时,请一定说明是从谷瀑环保网看到的)传真:0地址:北京市通州区区潞城镇侉子店村东丙烯酸漆,聚氨酯漆,丙烯酸聚氨酯漆这几种漆的区别:油漆行业的众多专业术语,对于非业内人士来讲,能叫的上来已经不容易了,大部分人不知道怎么分别这几种油漆,也不清楚自己要的丙烯酸漆还是聚氨酯漆。
下面就丙烯酸漆,聚氨酯漆,丙烯酸聚氨酯漆分别作以下简单介绍。
一、单组份丙烯酸漆单组份丙烯酸漆又叫868丙烯酸漆。
种类:丙烯酸工程面漆、丙烯酸工程底漆、丙烯酸金属漆(闪金、闪银)、丙烯酸实色漆、丙烯酸马路漆、丙烯酸烘干桔形漆。
优缺点:这类油漆施工方便,不需要配套固化剂使用,具有快干的特点,十分钟就可表干。
缺点是耐溶剂性差,不如双组份油漆。
二、双组份丙烯酸漆,也就是丙烯酸聚氨酯漆双组份丙烯酸漆又称为户外聚氨酯漆、828丙烯酸漆等。
特性:有较高的光泽和硬度以及良好的耐候性。
?漆膜光亮、丰满、具有优良的机械性能,三防性能可与多种底漆及中涂漆配套。
缺点是耐水性不如环氧漆好。
耐碱性也比不上环氧漆。
三、聚氨酯漆。
聚氨酯漆也是一种双组份的油漆,除了在耐候性能上和丙烯酸聚氨酯漆有所差别外,漆膜的物理性能,三防性能和丙烯酸聚氨酯漆相差不多。
缺点:户外使用,容易黄变。
北京油漆厂家-北京紫禁城漆业主打以下工业漆产品:1、可喷砂处理至级的钢结构表面(户外使用):无机富锌底漆+环氧云铁漆+丙烯酸漆/氟碳漆环氧富锌底漆+环氧云铁中间漆+丙烯酸聚氨酯漆/脂肪族聚氨酯漆/氟碳漆2、手工除锈、动力除锈的钢结构表面:环氧铁红底漆+云铁中间漆+双组份耐候丙烯酸漆/ 自洁氟碳漆3、水上钢结构设施防腐:环氧铁红底漆+环氧云铁中间漆+氯化橡胶漆/氟碳漆3、水下钢结构设施防腐环氧富锌漆/环氧铁红底漆+环氧云铁中间漆/环氧漆4、户内钢结构油漆:环氧底漆+环氧云铁漆+聚氨酯漆/环氧面漆5、耐高温漆:有机硅耐高温底漆+面漆,6、外墙:墙面封闭底漆+外墙氟碳漆配套体系7、机械设备专用耐油面漆:过氯乙烯漆(各种实色,银色)8、化工防腐漆:高氯化聚乙烯漆(各色、金属色防腐漆,底漆,面漆,中间漆)9、工程机械快干面漆(耐候型快干面漆):快干丙烯酸漆10、管道防腐漆:无机富锌底漆(高温防腐)环氧煤沥青漆(埋地)11、铝合金轻金属:环氧锌黄底漆,PVDF(230℃),中温氟碳漆(180℃)。
钢结构(含除锈、油漆)项目预算价格探讨一、钢结构项目新工艺材料钢结构抛丸除锈工艺是近几年发展起来的新工艺,H型钢构件焊接完成后进入抛丸除锈封闭空间,可以对钢构表面的中锈以下程度构件进行抛丸除锈,抛丸除锈工艺除具有除锈作用本身以外,还可以消除H型钢构件焊接完成以后产生的残余应力,改善钢构件施加荷载后的受力状态。
目前具有一定规模的钢结构企业均具有进行抛丸除锈的车间和设备,与传统的手工除锈、喷沙除锈相比,具有抗腐蚀年限更长、改善构件应力状态的特点,其工序报价通常为260~300 元/t;成品翼缘板:焊接H型钢构件由翼缘板和腹板焊接构成,目前钢材生产企业推出了新品种——成品翼缘板,其规格常见有b=150mm、160mm、180mm、200mm,厚度δ=6~12mm不等;宽度定尺可达到1mm一个规格。
与传统的有普通钢板切割、焊接、抛边构成的H型钢构件相比,材料价格比普通钢板高500~600元/t(现市场价两者接近),而采用成品翼缘板材料损耗率低(普通钢板定额材料损耗率6%),制作过程人工费用底。
定额子目设置滞后于新材料、新工艺的涌现,建议定额管理部门测算、发布成品翼缘板钢构件的消耗水平、编制补充定额子目。
二、钢结构项目定额清单计价目前,钢结构项目在青岛的城阳区、开发区等的工业项目中已广泛采用。
由于钢结构项目的施工工序与普通土建项目有所区别,有其独特的特点和规律。
为便于和市场清单报价项目的对比分析,根据钢结构项目施工工序的特点,以主钢构为例进行对比分析,划分为主钢构制作、除锈、安装、油漆四道工序(即四个清单项目)进行测算。
测算的基础取定为费率比例最低的Ⅲ类工程,非技术措施项目费全不计取,管理费、利润、税金按规定费率计算。
以焊接H型钢柱为例进行测算,钢板材料价取定为4250元/t;钢结构常用的抛丸除锈定额子目缺项,以金属面动力工具除锈代替测算;主钢构油漆按设计通常采用的红丹防锈漆和防火漆各两遍测算;钢结构表面油漆、抛丸除锈表面积按主钢构每吨32m2测算。
钢结构防腐涂料本文主要根据钢结构油漆的设计依据、防腐涂料选用等作表述。
特别需要注意的或重点部分用红字表示。
一、设计依据1、环境条件大气环境对建筑钢结构长期作用下的腐蚀性等级可按表1确定。
表1大气环境对建筑钢结构长期作用下的腐蚀性等级注:1在特殊场合与额外腐蚀负荷作用下,应将腐蚀类型提高等级;2处于潮湿状态火不可避免结露的部位,环境相对湿度应取大于75%。
在大气腐蚀环境下,建筑钢结构设计的一般规定详见《建筑钢结构防腐蚀技术规程》GJT251-2011中第3.1节。
2、除锈等级根据《涂装前钢材表面锈蚀等级和除锈等级》GB8923-88,可将钢材除锈等级分为喷射或抛射除锈(Sa)、手工和动力工具除锈(St)以及火焰除锈(FI)三种。
1)喷射或抛射除锈喷射或抛射除锈以字母“Sa”表示。
喷射或抛射除锈前,厚的锈层应铲除。
可见的油脂和污垢也应清除。
喷射或抛射除锈后,钢材表面应清除浮灰和碎屑。
对于喷射或抛射除锈过的钢材表面,有四个除锈等级。
其文字叙述如下:Sal轻度的喷射或抛射除锈钢材表面应无可见的油脂和污垢,并且没有附着不牢的氧化皮、铁锈和油漆涂层等附着物。
Sa2彻底的喷射或抛射除锈钢材表面应无可见的油脂和污垢,并且氧化皮、铁锈和油漆涂层等附着物已基本清除,其残留物应是牢固附着的。
Sa21非常彻底的喷射或抛射除锈钢材表面应无可见的油脂、污垢、氧化皮、铁锈和2油漆涂层等附着物,任何残留的痕迹应仅是点状或条纹状的轻微色斑。
Sa3使钢材表观洁净的喷射或抛射除锈钢材表面应无可见的油脂、污垢、氧化皮、铁锈和油漆涂层等附着物,该表面应显示均匀的金属色泽。
2)手工和动力工具除锈用手工和动力工具,如用铲刀、手工或动力钢丝刷、动力砂纸盘或砂轮等工具除锈,以字母“St”表示。
手工和动力工具除锈前,厚的锈层应铲除,可见的油脂和污垢也应清除。
手工和动力工具除锈后,钢材表面应清除去浮灰和碎屑。
对于手工和动力工具除锈过的钢材表面,本标准订有两个除锈等级,其文字叙述如下:St2彻底的手工和动力工具除锈钢材表面应无可见的油脂和污垢,并且没有附着不牢的氧化皮、铁锈和油漆涂层等附着物。
附录A(规范性附录)腐蚀环境分类A.1 大气区大气区腐蚀环境分级见表A.1。
表A.1 大气区腐蚀环境分级腐蚀分级材料损失(第一年暴露后)温性气候下的典型环境(仅作参考)低碳钢锌外部内部质量损失g•m-2厚度损失μm质量损失g•m-2厚度损失μmC2 10~200 1.3~25 0.7~5 0.1~0.7 /钢箱梁封闭环境内表面结构(配置除湿机)C3 中等200~40025~505~150.7~2.1暴露在城市和工业大气,中等二氧化硫污染与低盐度沿海区的钢桥外部结构。
钢箱梁封闭环境内表面结构(未配置除湿机)C4 高400~65050~8015~30 2.1~4.2暴露在工业区和中等盐度的沿海区的钢桥外部结构。
/C5 很高650~150080~20030~60 4.2~8.4暴露在高湿度和恶劣大气的工业区域和高含盐度的沿海区域的钢桥外部结构。
/CX 极端〉1500~5500〉200~700〉60~180〉8.4~25暴露在具有高含盐度的海上区域以及具有极高湿度和侵蚀性大区的热带亚热带工业区域的钢桥外部结构。
/注1:与外部大气相通的内部环境,如风嘴等,其腐蚀环境等同于外部大气腐蚀环境。
注2:未配置除湿机的钢箱梁封闭环境内表面结构所处腐蚀环境相近或低于外部大气腐蚀环境。
A.2 浸水区和埋地区浸水区和埋地区腐蚀环境分级见表A.2表A.2 浸水区和埋地区腐蚀环境分级分类 环境 环境和结构的案例Im1 淡水 内陆淡水河流上的桥梁干湿交替区与水下区钢结构Im2 海水或微咸水 没有阴极保护的海洋环境的桥梁干湿交替区与水下区钢结构Im3 土壤 埋入土壤的桥梁钢结构Im4 海水或微咸水 带有阴极保护的海洋环境的桥梁干湿交替区与水下区钢结构 注:注意腐蚀性类别Im1和Im3,如果采用阴极保护与涂料体系联合防护,要进行相应性能测试。
附录B(资料性附录)防腐涂层体系特殊设计要求B.1 设计要求由水性涂料、石墨烯涂料等环保、高性能涂料,以及环保性低但防腐效果优良的热喷金属涂层等构成的桥梁钢结构防腐涂层体系,其性能应达到5.1.1的要求,并且具有实际桥梁工程应用案例,同时由相关方包括业主、设计单位、涂料供应商以及施工单位组织专家论证会讨论,达成意见一致后方可实施。
丙烯酸漆和聚氨酯漆的区别公司所在地:北京通州区品牌:紫禁城电话:0,北京紫禁城漆业有限公司联系人:刘倩-zai(联系时,请一定说明是从谷瀑环保网看到的)传真:0地址:北京市通州区区潞城镇侉子店村东丙烯酸漆,聚氨酯漆,丙烯酸聚氨酯漆这几种漆的区别:油漆行业的众多专业术语,对于非业内人士来讲,能叫的上来已经不容易了,大部分人不知道怎么分别这几种油漆,也不清楚自己要的丙烯酸漆还是聚氨酯漆。
下面就丙烯酸漆,聚氨酯漆,丙烯酸聚氨酯漆分别作以下简单介绍。
一、单组份丙烯酸漆单组份丙烯酸漆又叫868丙烯酸漆。
种类:丙烯酸工程面漆、丙烯酸工程底漆、丙烯酸金属漆(闪金、闪银)、丙烯酸实色漆、丙烯酸马路漆、丙烯酸烘干桔形漆。
优缺点:这类油漆施工方便,不需要配套固化剂使用,具有快干的特点,十分钟就可表干。
缺点是耐溶剂性差,不如双组份油漆。
二、双组份丙烯酸漆,也就是丙烯酸聚氨酯漆双组份丙烯酸漆又称为户外聚氨酯漆、828丙烯酸漆等。
特性:有较高的光泽和硬度以及良好的耐候性。
漆膜光亮、丰满、具有优良的机械性能,三防性能可与多种底漆及中涂漆配套。
缺点是耐水性不如环氧漆好。
耐碱性也比不上环氧漆。
三、聚氨酯漆。
聚氨酯漆也是一种双组份的油漆,除了在耐候性能上和丙烯酸聚氨酯漆有所差别外,漆膜的物理性能,三防性能和丙烯酸聚氨酯漆相差不多。
缺点:户外使用,容易黄变。
北京油漆厂家-北京紫禁城漆业主打以下工业漆产品:1、可喷砂处理至级的钢结构表面(户外使用):无机富锌底漆+环氧云铁漆+丙烯酸漆/氟碳漆环氧富锌底漆+环氧云铁中间漆+丙烯酸聚氨酯漆/脂肪族聚氨酯漆/氟碳漆2、手工除锈、动力除锈的钢结构表面:环氧铁红底漆+云铁中间漆+双组份耐候丙烯酸漆/ 自洁氟碳漆3、水上钢结构设施防腐:环氧铁红底漆+环氧云铁中间漆+氯化橡胶漆/氟碳漆3、水下钢结构设施防腐环氧富锌漆/环氧铁红底漆+环氧云铁中间漆/环氧漆4、户内钢结构油漆:环氧底漆+环氧云铁漆+聚氨酯漆/环氧面漆5、耐高温漆:有机硅耐高温底漆+面漆,6、外墙:墙面封闭底漆+外墙氟碳漆配套体系7、机械设备专用耐油面漆:过氯乙烯漆(各种实色,银色)8、化工防腐漆:高氯化聚乙烯漆(各色、金属色防腐漆,底漆,面漆,中间漆)9、工程机械快干面漆(耐候型快干面漆):快干丙烯酸漆10、管道防腐漆:无机富锌底漆(高温防腐)环氧煤沥青漆(埋地)11、铝合金轻金属:环氧锌黄底漆,PVDF(230℃),中温氟碳漆(180℃)。
浙江交通职业技术学院学报,第21卷第1期,2020年3月Journal of Zhejiang Institute of CommunicationsVol.21No.l,Mar.2020浙江沿海钢结构桥梁防腐保护与涂装马旭涛(浙江公路水运工程咨询有限责任公司,杭州310000)摘要:对浙江沿海主要钢结构桥梁的防腐涂装应用情况进行了文献调研和实地调研,结果表明现有主体工程的防腐涂层防护体系基本达到设计防护要求,主要存在问题是面漆的耐候性以及桥面系钢构件普遍锈蚀问题,并从设计、施工、养护和管理角度提出了钢结构桥梁防腐涂装的提升改进建议,最后展望了未来的长效防腐涂装材料发展方向。
关键词:钢结构桥梁;防腐涂装;涂层体系中图分类号:U448.36文献标识码:A doi:10.3969/j.issn.1671-234X.2020.01.006文章编号:1671-234X(2020)01-0025-061钢结构桥梁防腐涂装概述钢结构桥梁具有强度高、韧性好、制作方便、施工速度快等优点,已广泛应用于铁路、公路及人行天桥。
由于钢结构长期暴露在自然环境中,同时承受着交变荷载,会受到环境介质的腐蚀,特别是在一些环境恶劣的地区,往往会造成钢结构的严重腐蚀⑴,影响桥梁的外观和耐久性。
在钢结构设计建造时,根据自身结构特点和环境条件采用相应的防腐措施,并合理考虑后期的涂层养护,才能确保桥梁的耐久性。
2钢结构桥梁防腐措施常用的桥梁钢结构件防腐蚀措施主要分为两类:一类是机械隔离措施,即采用惰性材料包覆在钢结构表面,隔离水、氧气等腐蚀介质以达到防腐目的,如涂料涂装;另一类是根据电化学腐蚀原理,人为提高钢结构构件的电位,使其处于电位较高的一极,从而达到保护目的,如牺牲阳极保护阴极法。
热浸镀、电弧喷涂为机械屏蔽和阴极保护联合作用。
钢结构桥梁的涂装通常是由具有耐腐蚀、耐候性和施工性能好的底漆、中间漆和面漆组成的综合防腐蚀体系。
海洋大气环境下的金属钢结构防腐涂料体系主要采用防锈底漆(金属喷涂或富锌底漆)、中间封闭漆以及以耐紫外线老化为主要功能的面漆的配套体系。
钢结构防腐涂料涂装方案钢结构防腐层的质量,取决于钢结构表面的处理,防腐涂料的选用及合理的施工等。
针对本工程的情况,较详细地介绍了防腐涂料的选用与配套、涂装前表面处理的质量要求、涂装环境条件、油漆的调配与施工等,该推荐方案可供用户参考。
1、前言(1) 为了防止钢结构的腐蚀,延长使用寿命,保证漆膜质量,应按本方案的各项要求进行油漆的涂装施工。
(2)在进行油漆涂装施工时,应按本方案有关产品的说明书规定进行表面处理和涂装作业,以保证防腐层的性能。
2、配套推荐方案3、表面处理在施工中正确地选择涂料品种是十分重要的,关系到涂料对钢铁结构的保护效果的使用寿命。
但是在涂料品种确定之后,更为重要的是钢板的表面处理和施工工艺是否符合不同涂料品种的各自要求。
因为任何油漆不可能在处理不良的表面上发挥最佳的功效。
在锈蚀、油渍等杂质沾污的表面上涂装油漆,任何油漆都将在短期内失效。
为了保证所用的重防腐涂料能发挥最佳的保护性能,对钢板的表面处理是极其重要的,不能在丝毫的疏忽。
〈1〉钢材表面的预处理除去附着于钢板表面的杂质,用稀释剂或清洗剂除去油脂等污垢。
对普通钢材以喷砂法进行除锈处理,除尽铁锈、氧化皮等杂物。
表面处理质量控制应达到GB8923《涂装前钢材表面锈蚀等级和除锈等级》标准规定的Sa2级,表面粗糙度35~75μm,喷砂后将灰尘除尽。
喷砂后的钢材应在4h之内完成第一道漆的涂装〈2〉涂有车间底漆的钢板表面处理(即二次除锈)将车间底漆表面的水、湿气、油腻、锈、锌盐及用粉笔或油漆画下的记号和其他污垢,用清水洗净后再以溶剂擦试干净。
如果车间底漆的漆膜因储存、运输、操作、滚轧、切割、焊接等过程中受到损坏并锈蚀时,应以风动钢丝或圆盘砂轮打磨机等清理损坏和锈蚀部分,在达到除锈质量的要求后,即可涂装第一道防锈漆。
〈3〉表面处理的标准和要求为了控制钢板表面的除锈质量,以符合不同类型涂料的要求,很多国家都制订了钢铁等金属材料的除锈标准。
抛丸或喷砂除锈钢材表面形成了一定的粗糙度,这样可以提高漆膜的附着力。
第1篇一、工程概况本项目位于嘉定区,占地面积约10000平方米,建筑面积约5000平方米。
工程包含钢结构厂房、仓库、办公楼等建筑,采用钢结构体系,工期为6个月。
二、施工报价1. 材料费用(1)钢材:Q235B,板材厚度3-10mm,单价为5000元/吨。
(2)型材:槽钢、角钢、圆钢等,单价为4500元/吨。
(3)焊接材料:焊条、焊丝等,单价为2000元/吨。
(4)螺栓、螺母等紧固件,单价为1000元/吨。
(5)防火涂料、防腐涂料等,单价为200元/平方米。
2. 人工费用(1)施工人员:包括焊工、电工、木工、油漆工等,日工资标准为200元/人。
(2)现场管理人员:包括项目经理、技术员、安全员等,日工资标准为300元/人。
3. 施工机具费用(1)吊车:租赁费用为1000元/天。
(2)焊接设备:租赁费用为500元/天。
(3)切割设备:租赁费用为400元/天。
(4)其他施工机具:租赁费用为300元/天。
4. 施工管理费用(1)项目管理费:按工程总造价的3%计算。
(2)现场管理费:按工程总造价的2%计算。
5. 预留费用预留费用按工程总造价的5%计算。
三、总价计算1. 材料费用:钢材+型材+焊接材料+紧固件+防火涂料+防腐涂料=(5000+4500+2000+1000+200)5000=2.75亿元。
2. 人工费用:施工人员+现场管理人员=(200+300)(工期30天)=1200万元。
3. 施工机具费用:吊车+焊接设备+切割设备+其他施工机具=(1000+500+400+300)30=510万元。
4. 施工管理费用:项目管理费+现场管理费=(3%+2%)2.75亿元=975万元。
5. 预留费用:5%2.75亿元=1375万元。
6. 总价=材料费用+人工费用+施工机具费用+施工管理费用+预留费用=2.75亿元+1200万元+510万元+975万元+1375万元=3.64亿元。
四、付款方式1. 预付款:合同签订后,支付合同总价的30%。