不锈钢进料检验标准
- 格式:xls
- 大小:99.00 KB
- 文档页数:2
不锈钢材料进货检验规范标准[详]不锈钢钢材进货检验规程1. ⽬的本规程规定了衡器所⽤不锈钢材料⼊库检验和质量控制规程,以保证材料的质量满⾜衡器产品的制造及销售需要。
2. 适⽤范围适⽤于本公司衡器产品所需不锈钢板材,型材的原材料的⼊库检验及使⽤过程中控制。
本规范也适⽤于供应商进货检验使⽤。
3.引⽤⽂件Q/MT00S720 采购过程控制程序Q/MT32S004 采购件质量验证程序GB/T1220-1992 不锈钢牌号及化学成分GB/T4237-2007 不锈钢热轧钢板和钢带GB/T3280-2007 不锈钢冷轧钢板GB709-88 热轧钢板和钢带的尺⼨、外形、重量及允许偏差QTY/3012-2003 不锈钢冷轧钢板(太钢标准)4.职责4.1 物料部采购⼯程师或授权的物料员根据计划需求及BU管理⼈员的要求负责钢材的采购。
4.2 进货检验⼯程师或经授权仓库管理员负责钢材的进货验证⼯作。
4.3 仓库管理员负责对钢材进库数量的验收、贮存、防护和发放⼯作。
4.4 制造/质量⼯程师负责提供钢材在线使⽤过程中的质量信息。
5. 控制程序5.1通知供货和收料物料⼯程师负责或授权物料员通知供应商将所需钢材送到钢材仓库,仓库管理员负责核对钢材数量、规格及有关质量证明⽂件⽆误后,在送货单上签名。
如未按合同或协议要求提交质量证明⽂件应予拒收。
5.2钢材送检钢材进⼊公司后,物料⼯程师或授权物料员及时在 POMT屏幕上打印(Ctrl+F7)“ 国内采购件⼊库单”,对已确定免检供应商和免检物料时可直接将有关质量证明⽂件⼀起交仓库管理员,若不是免检供应商和免检物料时,将有关质量证明⽂件交进货检验⼯程师。
5.3检验⽅法5.3.1钢材的进货检验采⽤⽬测、测量和验证的⽅法。
5.3.2抽检⽅案、批次判定合格与否、质量记录执⾏Q/MT32S004《采购件质量验证程序》。
5.4检验内容a)质量证明资料2b)外观;c)尺⼨;5.5质量要求5.5.1质量证明a)验证钢⼚提供质量证明⽂件上钢材的规格、牌号与公司规定⼀致;钢材的化学成份及机械性与国家标准GB/T20878-2007规定⼀致。
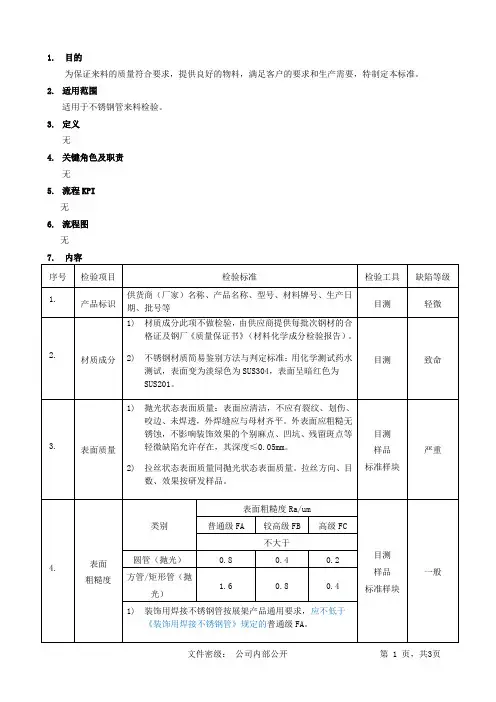
不锈钢制品管质量检验标准1、目的:确保我厂不锈钢制品管有一个统一明确的质量检测标准,客户满意认可为宗旨拟定。
2、范围:适用于本厂所有不锈钢制品管及进料检验的操作。
3、权责:品质部负责本标准的制定和修改,质检部、生产部负责该标准的执行。
4、内容:4.1检验条件4.1.1光照:在天然散射光线或无反射光线的白色透射光线下进行(或在60W日光灯下)4.1.2检验距离:150CM--200CM4.1.3检查人员的视力:1.04.1.4内/外观检验的时间:20--30秒4.1.5相对湿度:45°--60°4.1.6检验数量:60%以上4.2不锈钢制品管的质量标准4.2.1材质:牌号化学成份%牌号碳(C)硅(SI)锰(MN) 磷(P)硫(S) 镍(Ni) 铬(Cr) 钼(Mo) 氮(N) 其它SUS201 ≤0.1≤1.010 ≤0.06≤0.03 0.9-1.113 - ≤0.25 1Cr13Mn10NiI1N5SUS201 ≤0.15 ≤1.07.5-10 ≤0.06≤0.03 4.0-6.17-19 - ≤0.26 1Cr18Mn8Ni5NSUS304 ≤0.08≤1.0≤2.0 ≤0.06≤0.03 8-10.5 18-20 - - 0Cr17Ni9SUS316 ≤0.08 ≤1.0≤2.0 ≤0.06≤0.03 10-14 18-18 2.0-3.- 0Cr17Ni12Mo2SUS430 ≤0.12≤0.75≤1.0 ≤0.06≤0.03 - 16-18 - - 1CR174.2.2表面质量标准:缺陷名称镜光砂光2B 检验方法判定验收的标准CRMA MI砂眼长100cm内允许有5个针孔砂眼长100cm内允许有1个针砂眼长100cm内允许有1个针孔砂眼目测或参考样板★夹点少许不明显允许不明显的★凹凸不平正面看不允许出现不允许允许有手感但不明显(小于0.15mm深度)★碰伤人为机械碰伤不允许不明显的夹伤、碰伤允许少量的出现★划允许不明显轻微允许有不明显允许少量的★伤裂纹不允许不允许不允许★脱皮不明显、少许不允许不明显★发黄发黑允许少量的不允许允许少量的★乱纹不允许★补充1、不锈钢制品管色泽一致,无色差。
不锈钢原材料检验标准不锈钢是一种耐腐蚀、具有高强度和耐高温性能的合金钢。
原材料的检验是确保最终产品质量的关键步骤之一。
以下是不锈钢原材料检验常用的一些标准:1. 化学成分检验:* 包括合金元素的含量,例如铬、镍、钼等。
这通常通过ASTM A959(化学成分要求不锈钢和镍合金)等标准进行检验。
2. 力学性能检验:* 包括抗拉强度、屈服强度、延伸率等力学性能的检验。
ASTM A370(机械试验方法和定义不锈钢和相关合金)是一个常用的标准。
3. 硬度检验:* 不锈钢的硬度是一个重要的质量指标,通常使用Rockwell 硬度测试或布氏硬度测试。
ASTM E18(金属材料硬度测试)是一个相关标准。
4. 冲击测试:* 用于评估不锈钢在低温条件下的韧性。
ASTM A370中包括了冲击试验的标准。
5. 铁素体和奥氏体相比例检验:* 不锈钢中铁素体和奥氏体的比例对于耐腐蚀性能很重要。
ASTM A923(铁素体含量测定)提供了检验的方法。
6. 非破坏性检测:* 包括超声波检测、X射线检测等,用于发现不锈钢中的隐藏缺陷。
ASTM E213(超声波检测标准实施规程)和ASTM E94(X射线和伽马射线检测)是相关标准。
7. 宏观和微观检验:* 对不锈钢的表面和内部结构进行宏观和微观的检验。
ASTM A262(铁素体、奥氏体、双相和其他特殊不锈钢的铬-铁-镍合金的抗晶间腐蚀性试验方法)等标准提供了相关指导。
8. 表面质量检验:* 涉及对表面缺陷、氧化物、划痕等进行检查。
ASTM A480/A480M(通用要求和测试方法,不锈钢和相关合金板、薄板和带)是一个通用的表面质量标准。
以上标准主要由美国材料和试验协会(ASTM)发布,其他国家和地区可能有相应的标准。
在进行不锈钢原材料检验时,应根据具体的应用要求和标准规范进行选择。
奥捷五金(江苏)有限公司AOJIE HARDWARE(JIANG SU)CO.,LTD.文件名称不锈钢材料通用检验规范编码:AJ-STS-WIQA-版页次正文页数:9 附件页数:0总页数:9页次版次生效日期制订/ 修订原因制订日期9 A 2009/02/21 新版制定2009/02/21会签单位■总经办■财务部■ PMC部■采购部■研发中心■业务部■制造中心■品保中心■人力资源部□分发单位:■总经办■ PMC部■研发中心■制造中心■业务部■财务部■采购部■品保中心■人力资源部制/修订部门制/修订者审核核准品保中心文件名称不锈钢材料通用检验规范页码: 2 OF 91.0 目的制定不锈材料厚度、长度、宽度、硬度的允许偏差及表面质量要求,明确不锈钢材料的化学成分及机械性能之技术标准,为不锈钢材料的来料检验作业提供依据。
2.0 适用范围奥捷五金(江苏)有限公司所有不锈钢材料的通用检验标准均属之。
3.0 定义不锈钢(SUS):不锈钢是由铁、铬、碳及众多不同元素所组成的合金,铁是主要成分元素,铬是第一主要的合金元素。
一般而言,铬含量至少要占11%才能称为不锈钢,因为如果铬含量不足,则不锈钢外表将无法形成一层致密的氧化铬保护膜,而失去防锈﹝腐蚀﹞的功能。
若铬的含量足够,在常温大气中,是不会生锈的。
我司常用的有Sus301、Sus304的奥氏体不锈钢材和Sus430铁素体不锈钢。
4.0权责品保中心:负责进料不锈钢材料的检验标准制订和执行检查验证作业;研发中心:负责新产品开发阶段对所需使用之不锈钢材料的规格制定;PMC部:负责材料的安全存储和先进先出管理;采购部:负责材料的购买和退货处理。
5.0作业内容5.1 不锈钢的表面质量5.1.1 不锈钢表面质量1)表面不可有结疤和杂质;2)深度小于料厚公差1/4的麻点,凹痕每300mm×200mm范围,最多可出现2点,2点间间距大于100mm;3)长度小于20mm的轻微划痕,每300mm×200mm范围,最多可出现1条。
不锈钢进货检验指导书不锈钢进货检验指导书一、引言本文档旨在提供一套详细的不锈钢进货检验指导,以确保所采购的不锈钢材料符合质量要求。
检验内容涵盖不锈钢材料的外观、尺寸、物理性能、化学成分等方面。
本文档适用于所有采购不锈钢材料的企业。
二、检验依据1、国家标准:GB/T 4237-2015《不锈钢热轧板和钢带》、GB/T 3280-2015《不锈钢冷轧薄板和钢带》等;2、企业内部技术规范及相关质量要求。
三、不锈钢进货检验流程3.1 外观检验3.1.1 外观检验包括表面光洁度、无缺陷、无划痕等方面的检查。
3.1.2 使用裸眼和放大镜观察不锈钢材料表面,确定是否存在凹凸、氧化、斑点、烧蚀等缺陷。
3.1.3 如果表面有污垢,应使用合适的清洁剂进行清洗,并重新检验。
3.2 尺寸检验3.2.1 根据所采购不锈钢材料的规格要求,使用测量工具(如卷尺、千分尺、千分尺等)对其尺寸进行检测。
3.2.2 检验尺寸包括长度、宽度、厚度等方面的测量,应与合同规定的要求相符。
3.3 物理性能检验3.3.1 不锈钢材料的物理性能包括硬度、拉伸强度、冲击韧性等方面的检验。
3.3.2 使用相应的物理性能测试仪器,按照标准要求进行检测。
3.3.3 检测结果应符合国家标准和企业要求。
3.4 化学成分检验3.4.1 根据所采购不锈钢材料的牌号和合同要求,使用光谱仪、分光光度计等仪器对其化学成分进行检测。
3.4.2 检验项目包括元素含量、杂质含量等,应符合国家标准和企业要求。
3.4.3 检测过程中,应注意避免杂质的污染,并按照标准要求进行样品制备和测试。
四、检验记录与报告4.1 检验记录应详细记录每批不锈钢材料的检验结果,包括外观检查、尺寸检测、物理性能和化学成分等内容。
4.2 检验报告应包括检验记录以及一系列图表、数据等,以清晰展示检验结果。
4.3 检验报告由质检人员编制,并在完成检验后及时提供给相关部门和供应商。
五、附件本文档涉及的附件包括以下内容:六、法律名词及注释1、《产品质量法》:我国法律关于产品质量监督和管理的法规。
不锈钢检验标准及方法1. 不锈钢检验标准及方法是确保不锈钢材料质量和性能的重要步骤。
2. 不锈钢检验标准通常由国际标准化组织(ISO)和国际不锈钢论坛(ISSF)等机构制定。
3. 不锈钢材料的检验标准通常包括化学成分、机械性能、物理性能和特殊性能等方面的要求。
4. 不锈钢材料的化学成分主要包括铁、铬、镍、碳等元素的含量,以及其他杂质元素的要求。
5. 检验不锈钢材料的化学成分通常通过光谱分析、湿化学分析等方法进行。
6. 不锈钢材料的机械性能主要包括抗拉强度、屈服强度、延伸率等指标的要求。
7. 检验不锈钢材料的机械性能通常通过拉伸试验、冲击试验等方法进行。
8. 不锈钢材料的物理性能主要包括密度、热导率、热膨胀系数等指标的要求。
9. 检验不锈钢材料的物理性能通常通过测量仪器和设备进行。
10. 不锈钢材料的特殊性能主要包括耐腐蚀性、耐磨性、耐高温性等指标的要求。
11. 检验不锈钢材料的特殊性能通常通过实验室测试和现场试验进行。
12. 不锈钢材料的检验方法通常包括化学分析、机械测试、物理测试、特殊性能测试等步骤。
13. 化学分析方法主要包括光谱分析、湿化学分析、X射线衍射分析等。
14. 机械测试方法主要包括拉伸试验、冲击试验、硬度测试等。
15. 物理测试方法主要包括密度测量、热导率测量、热膨胀系数测量等。
16. 特殊性能测试方法主要包括腐蚀试验、磨损试验、高温试验等。
17. 不锈钢材料的检验方法需要依据所制定的标准进行,并由经验丰富的专业人士进行操作和解读结果。
18. 不锈钢材料的检验应遵循严格的操作规程和标准化程序,以确保测量结果的准确性和可重复性。
19. 检验过程中应注意样品的取样方法和保存条件,以及仪器设备的校准和维护问题。
20. 不锈钢材料的检验结果通常通过检测报告的形式呈现,并包括各项指标的具体数值和是否符合标准要求的判断。
21. 检验报告应具备科学的数据分析和解释能力,以便用户和相关人员理解和应用检测结果。
不锈钢材料检验标准不锈钢是一种耐腐蚀、耐磨损的金属材料,广泛应用于建筑、化工、医疗器械、食品加工等领域。
为了确保不锈钢材料的质量和性能符合要求,需要进行严格的检验。
本文将介绍不锈钢材料的检验标准,包括检验方法、检验项目和标准要求。
一、外观检验。
外观检验是不锈钢材料检验的第一道工序,主要包括表面光洁度、无损伤、无氧化皮和无锈斑等方面。
根据相关标准,不锈钢材料的表面应平整光滑,无裂纹、氧化皮和锈斑,色泽均匀一致。
二、化学成分检验。
化学成分是影响不锈钢材料性能的重要因素,其检验项目包括主要合金元素含量、杂质含量和非金属夹杂物含量等。
根据标准要求,不锈钢材料的化学成分应符合相关标准的要求,以保证其耐腐蚀性能和机械性能。
三、力学性能检验。
力学性能是衡量不锈钢材料质量的重要指标,包括抗拉强度、屈服强度、延伸率和冲击功等。
根据标准规定,不锈钢材料的力学性能应符合相应的标准要求,以确保其在使用过程中具有足够的强度和韧性。
四、尺寸偏差检验。
尺寸偏差是不锈钢材料检验的重要内容,主要包括厚度、宽度、长度和直角度等方面。
根据标准规定,不锈钢材料的尺寸偏差应在允许范围内,以保证其能够满足设计要求和工艺要求。
五、表面质量检验。
表面质量是影响不锈钢材料外观和耐腐蚀性能的关键因素,其检验项目包括表面粗糙度、表面清洁度和表面平整度等。
根据相关标准,不锈钢材料的表面质量应符合相应的标准要求,以确保其外观美观和耐用性能。
六、非破坏检验。
非破坏检验是不锈钢材料检验的重要手段,主要包括超声波检测、磁粉检测和液体渗透检测等。
根据标准要求,不锈钢材料应进行相应的非破坏检验,以发现内部缺陷和隐患,确保其使用安全性和可靠性。
七、包装和标识检验。
包装和标识是不锈钢材料出厂的最后一道环节,其检验项目包括包装完整性、标识清晰度和标识内容等。
根据标准规定,不锈钢材料的包装和标识应符合相关要求,以确保其在运输和使用过程中能够保持完好和清晰。
总结。
不锈钢材料的检验标准涉及多个方面,包括外观检验、化学成分检验、力学性能检验、尺寸偏差检验、表面质量检验、非破坏检验和包装标识检验等。
1目的规范来料检验(板材)的标准,便于对来料的控制,提高产品质量,明确检测方法。
2适用范围公司所有的电解板、冷扎板、不锈钢板、铝板的来料检测。
3引用文件《线性尺寸未注公差标准》GB/T1804-1992《计数抽样检验程序》GB/T2828.1-20034职责采购部:负责所有原材料的采购及不良品的反馈仓库:负责进料(包装,产品型号,规格,数量)的验证与收货。
品质部:负责所有来料的检验和判定。
5.检测标准与检测方法铝板按冷扎板标准检验。
5.2检测方式:千分尺或数显卡尺5.3.1 外观表面不得有气泡、裂纹、结疤、凹凸不平、变形、拉裂和夹杂等不良。
电解板:锌层颜色一致,表面无黑点、锌层脱落等不良。
冷扎板:表面无锈迹。
5.3.2 表面有特殊要求的材料,如氧化、表面不作处理的材料、贴膜材料,要求无深浅划伤、变形等不良。
5.3.3 钢板表面上的局部缺陷应用修磨方法清除,但不得使钢板厚度小于最小允许厚度5.3.4 冷轧钢板两面允许有厚度公差一半范围内不大于钢板最小厚度的下列缺陷:轻微麻点及局部深麻点、小气泡、小拉裂、划伤、轻微划痕及轧辗压痕。
允许有局部的蓝色氧化色,反面允许有厚度公差范围内。
不大于钢板最小厚度的下列缺陷:轻微麻点、小气泡、小拉裂、轻微划痕和轧辗压痕。
5.3.5 不锈钢板的外观要求等问于冷轧钢板的外观要求。
6其它有特殊要求的材料,以技术部、客户要求为准。
7检查数量按抽样标准检测。
对表面有特殊要求的材料外观全检。
8对供应商每季度提供一次准材质证明。
(性能不检测)。
不锈钢进货检验指导书不锈钢进货检验指导书1.引言本文档是针对不锈钢进货检验所编写的指导书,旨在帮助供应商、采购人员等有效进行不锈钢产品的检验工作,确保产品质量符合要求。
2.适用范围本文档适用于所有不锈钢产品的进货检验,包括不锈钢板材、不锈钢管材、不锈钢棒材等。
3.检验前的准备工作3.1 确定产品技术要求3.1.1 确定不锈钢产品的规格、型号、标准等信息。
3.1.2 确定不锈钢产品的特殊要求,如表面处理、力学性能等。
3.2 确定检验方法和标准3.2.1 根据不锈钢产品的类型和要求,选择适用的检验方法和标准。
3.2.2 确定检验所需的仪器设备和工具。
3.3 确定抽样方案3.3.1 根据不锈钢产品的批次和数量,确定抽样方案。
3.3.2 确定每批次的样品数量和分布位置。
4.检验过程4.1 不锈钢产品外观检验4.1.1 检查不锈钢产品表面是否平整,无明显划痕和凹陷等缺陷。
4.1.2 检查不锈钢产品的表面是否有腐蚀、氧化等现象。
4.1.3 检查不锈钢产品的色泽是否均匀一致。
4.2 不锈钢产品尺寸检验4.2.1 使用适当的工具,检测不锈钢产品的尺寸是否符合要求。
4.2.2 检查不锈钢产品的长度、宽度、厚度等尺寸是否在允许范围内。
4.3 不锈钢产品物理性能检验4.3.1 使用相应的仪器设备,检测不锈钢产品的物理性能,如拉伸强度、屈服强度等。
4.3.2 比较检测结果与产品技术要求的要求。
4.4 不锈钢产品化学成分分析4.4.1 采取适当的方法,进行不锈钢产品的化学成分分析,如主元素含量、杂质含量等。
4.4.2 检测结果与产品技术要求进行比对。
4.5 其他检验项目根据具体不锈钢产品的要求,进行适当的其他检验项目,如硬度检验、耐腐蚀性能检验等。
5.检验结果评定根据检验结果,以不合格、合格或待定的方式,对不锈钢产品进行评定,并记录评定结果。
6.检验报告根据检验结果,编写不锈钢产品的检验报告,并包含以下内容:6.1 不锈钢产品的基本信息,包括型号、规格、批次等。
不锈钢材料进货检验规范一、进货前准备工作1.准备检验设备和工具,包括称重器具、测量工具、试验设备等。
2.根据进货的不锈钢材料的规格和要求准备好标准样品。
3.确定进货的不锈钢材料的批次和数量。
二、外观检验1.检验不锈钢材料表面是否平整,是否有裂纹、划痕、氧化等缺陷。
2.检查不锈钢材料的尺寸是否符合要求,包括长度、宽度、厚度等。
三、化学成分检验1.抽取不锈钢材料中的样品,送至实验室进行化学成分分析。
2.化学分析的项目包括主要元素(铬、镍、钼等)的含量,以及其他杂质元素的含量。
3.分析结果与进货要求进行比较,判断是否合格。
四、力学性能检验1.根据进货要求,检验不锈钢材料的拉伸强度、屈服强度、延伸率等力学性能指标。
2.进行拉伸试验、硬度试验等,评估不锈钢材料的强度和韧性。
五、耐腐蚀性能检验1.对不锈钢材料进行腐蚀试验,评估其耐腐蚀性能。
2.使用化学试剂或模拟实际使用环境进行腐蚀试验,检查不锈钢材料表面是否发生腐蚀、生锈等现象。
六、标识和包装检验1.检查不锈钢材料上的标识是否清晰、准确。
2.检查包装是否完好,防止不锈钢材料在运输过程中受损。
七、检验报告及记录1.检验过程中需要详细记录每个不锈钢材料的信息,包括批次、数量、外观、化学成分、力学性能等数据。
2.生成检验报告,包括每个不锈钢材料的检验结果,以及是否合格的评定。
以上是一份不锈钢材料进货检验规范,旨在确保进货的不锈钢材料符合质量要求,提供给使用方一个合格的材料。
当然,具体的检验要求还需根据实际情况进行调整和补充。
不锈钢国内标准
不锈钢是一种常见的金属材料,因其具有良好的耐腐蚀性、高温强度、低温韧性等特点,被广泛应用于建筑、制造、化工等领域。
为了规范不锈钢的生产和使用,国家制定了一系列不锈钢国内标准,包括材料标准、制品标准和检测标准。
1.材料标准
不锈钢材料标准是规定不锈钢材料的基本要求和标准。
根据国家标准GB/T 20878-2007《不锈钢和耐热钢牌号及化学成分》,不锈钢是以不锈、耐蚀性为主要特性,且铬含量至少为10.5%,碳含量最大不超过1.2%的钢。
根据材料的成分和力学性能,不锈钢分为奥氏体不锈钢、铁素体不锈钢、双相不锈钢等。
2.制品标准
不锈钢制品标准是规定不锈钢制品的制造、检验和试验等方面的要求。
根据制品的不同类型和应用领域,不锈钢制品标准分为多个不同的标准体系,如压力容器、管道、法兰、管件等。
在制品标准中,除了对制品的尺寸、形状、外观等基本要求外,还对制品的力学性能、耐腐蚀性能等方面进行了规定。
3.检测标准
不锈钢检测标准是规定对不锈钢材料和制品进行检测和试验的方法和要求。
根据检测项目的不同,不锈钢检测标准分为多个不同的标准体系,如化学成分分析、力学性能试验、无损检测等。
检测标准中规定了各种试验方法的原理、试验设备、试验步骤、试验数据处理等方面的要求,以确保材料和制品的质量和性能符合相关标准。
总之,不锈钢国内标准是规范不锈钢生产和使用的必要手段,包括材料标准、制品标准和检测标准等多个方面。
对于不锈钢材料和制品的生产、使用和检验来说,这些标准都是非常重要的技术依据。
不锈钢材料检验试验规范引言:不锈钢是一种防腐蚀性能优良的材料,广泛应用于建筑、化工、医疗器械等领域。
为了确保不锈钢材料的质量和性能符合标准要求,需要进行严格的检验试验。
本文旨在制定一套完整的不锈钢材料检验试验规范,以指导实际生产和应用过程中的检验工作。
1.材料检验1.1外观检查:包括表面平整度、光洁度、氧化皮、划痕等外观缺陷的检查。
1.2尺寸检验:包括长度、宽度、厚度等尺寸参数的测量,并与标准要求进行比较。
1.3化学成分分析:采用光谱分析仪、X射线荧光光谱仪等设备,对不锈钢材料的化学成分进行检测。
1.4物理性能测试:包括密度、弹性模量、热导率、导电性等物理性能的测试。
1.5机械性能测试:包括拉伸强度、屈服强度、延伸率等机械性能的测试。
2.试验方法2.1外观检查:采用肉眼观察、放大镜观察等方法进行,根据标准要求对外观缺陷进行评定。
2.2尺寸检验:采用量具、千分尺、测微计等工具进行测量,确保尺寸参数符合标准要求。
2.3化学成分分析:采用光谱仪、荧光光谱仪等设备进行分析,根据标准要求判断不锈钢材料的化学成分是否合格。
2.4物理性能测试:密度可采用浮法、气法等方法进行测量;弹性模量、热导率、导电性可采用相应的设备进行测试。
2.5机械性能测试:拉伸强度可采用拉伸试验机进行测试,屈服强度和延伸率可采用相应的试验方法进行测量。
3.试验记录和结果评定3.1试验记录:对每次试验过程进行详细记录,包括试验日期、试验人员、试验设备、试验方法、试验数据等内容。
3.2结果评定:根据试验数据和标准要求,对不锈钢材料进行评定,包括合格、不合格等结果。
4.试验误差和准确度4.1试验误差:考虑到试验设备和操作可能存在的误差,对试验结果进行合理的误差范围评估,并在试验报告中明确说明。
4.2试验准确度:根据试验的需要确定准确度要求,并确保试验设备和操作的稳定性和准确性。
5.试验报告和结果保存5.1试验报告:编制符合标准要求的试验报告,包括试验日期、试验人员、试验设备、试验方法、试验数据、结果评定等内容。