激光甲烷遥距检测仪FDL-7
- 格式:doc
- 大小:2.68 MB
- 文档页数:3
《便携式激光甲烷检测仪》团体标准的编制说明一、工作概况(一)任务来源根据中国石油和化学工业联合会下发的《关于印发2020年第一批中国石油和化学工业联合会团体标准项目计划的通知》,《便携式激光甲烷检测仪》团体标准被列入2020年中国石油和化学工业联合会团体标准制定计划项目。
随着经济的快速发展,能源、化工、环保等行业中涉及的危险气体越来越多,由于这些气体的泄漏不易察觉,扩散速度快,一旦泄漏极易造成燃爆和人员中毒等安全事故,造成恶劣的社会影响,因此对于危险气体的监测备受世界各国的重视,并大力通过科技创新来推动气体检测技术和装备的进步。
工业环境中各种危险气体,如甲烷、硫化氢等在泄漏时会首先扩散到空气中,空气的组成很复杂,含有氧气、氮气、二氧化碳等多种成分,因此从众多气体中快速、准确地发现目标气体,就成为气体检测设备的首要需求。
由于特定种类的气体分子会对特定波长的光具有吸收作用,那么根据这一原理,就可以利用光这种特殊介质来检测空气中的目标气体成分。
而激光由于其波长的稳定性,可以始终保证被特定气体分子吸收的唯一性,做到指纹性的一一对应,就是发出的激光只会被目标气体的分子吸收。
而且根据朗伯比尔定律,当特定波长的激光在空气中被特定气体分子吸收时,光强就会发生变化,其变化程度和气体分子数量的多少(即危险气体浓度)成正比,通过检测光强变化情况可以准确计算出危险气体浓度。
而且通过对激光输出波长的调谐,可以同时测量多种危险气体,能够真实反映现场的气体变化情况。
激光吸收光谱技术作为当前最先进的一种气体检测技术,具有可进行远距离遥测、灵敏度高、反应速度快、抗交叉干扰能力强、无需定期调校等特点。
激光光谱检测技术弥补了现有气体检测技术的全部缺陷,有着非常巨大的应用优势。
“激光气体检测技术”,不仅是天然气下游产业链的“合成气、氢氟酸、乙炔”等的气体检测市场需要,包括再延伸下的细分市场都急需一种更安全可靠的气体检测技术来提高生产发展,保证安全。
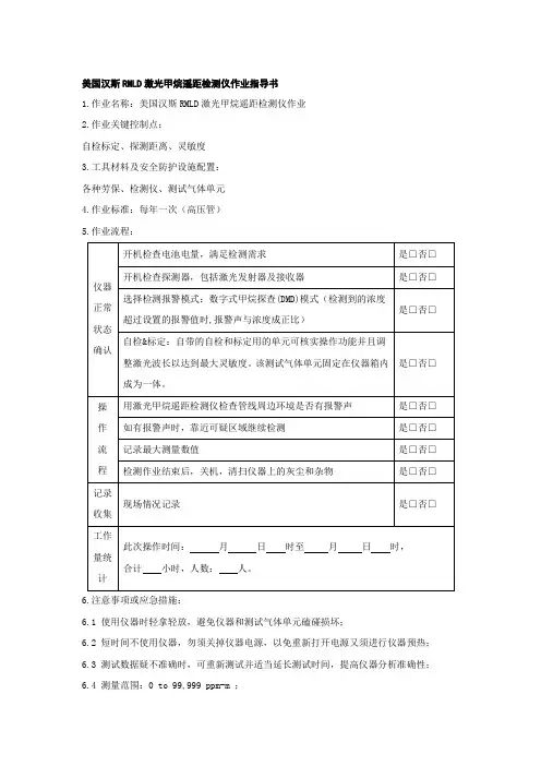
美国汉斯RMLD激光甲烷遥距检测仪作业指导书
1.作业名称:美国汉斯RMLD激光甲烷遥距检测仪作业
2.作业关键控制点:
自检标定、探测距离、灵敏度
3.工具材料及安全防护设施配置:
各种劳保、检测仪、测试气体单元
4.作业标准:每年一次(高压管)
5.作业流程:
6.注意事项或应急措施:
6.1 使用仪器时轻拿轻放,避免仪器和测试气体单元磕碰损坏;
6.2 短时间不使用仪器,勿须关掉仪器电源,以免重新打开电源又须进行仪器预热;
6.3 测试数据疑不准确时,可重新测试并适当延长测试时间,提高仪器分析准确性;
6.4 测量范围:0 to 99,999 ppm-m ;
6.5 灵敏度:5 ppm - m 在从0到50英尺的距离 (15 m) ;10 ppm - m 从50 到100 英尺(15 to 30 m);
6.6 探测距离:100英尺 (30m)标称距离。
最大检测距离:100米;
6.7 报警值调整范围:0~255 ppm﹒m;
6.8 连续声音提示:声音强度与甲烷浓度成正比;
6.9 人员及车辆在行驶过程中注意交通安全;
6.10 如碰到寒冷、雨雪、炎热等恶劣天气时,作业人员应及时停止作业。
专利名称:一种手持式激光甲烷遥测仪专利类型:实用新型专利
发明人:李雷
申请号:CN202120690105.X
申请日:20210406
公开号:CN215727687U
公开日:
20220201
专利内容由知识产权出版社提供
摘要:本实用新型公开了一种手持式激光甲烷遥测仪,包括本体,本体的底端设有与其相配合的功能架,功能架的底部为球形结构,功能架的底端设有与其相配合的功能座,功能座的内部开设有与功能架底部相配合的功能槽,功能座的两侧均螺纹连接有与功能槽相配合的螺纹销,功能座底端的中间位置设有与其相配合的支撑杆,支撑杆的外壁套设有与相配合的连接环,连接环底端的两侧均设有与其相配合的功能板。
有益效果为:设备在整个使用期间,能够保持手持式设备轻便性的同时,能够很好解决因为手持式设备的不规则形状,难以在无法手持有需要保证工作效果进行的同时,实现设备保证效果的固定和角度的固定,从而使设备更加灵活和实用。
申请人:大连易卓激光科技有限公司
地址:116000 辽宁省大连市保税区罗湖路9号
国籍:CN
代理机构:北京中政联科专利代理事务所(普通合伙)
代理人:秦佩
更多信息请下载全文后查看。
RMLD激光甲烷遥距检测仪简介RMLD(Remote Methane Leak Detector,远程甲烷泄漏检测器)是一种基于激光吸收光谱技术的气体检测仪器,可以用于远距离、高灵敏度检测甲烷泄漏。
该设备采用超窄带谱(0.1 cm^-1 或更窄)的激光器,可以实现远距离、高分辨率、高精度的监测。
该设备适用于石油、天然气、矿山等领域的环境监测和安全生产,是环保、安全、高效的监测设备。
技术参数•波长:1.65 微米•激光器输出功率:2 W•分辨率:20 cm^-1•最小检测浓度:1ppm•最大检测距离:500m工作原理RMLD利用激光吸收光谱技术检测甲烷泄漏,其操作原理如下:1.激光器发出波长为1.65微米的红外激光光束。
2.激光光束穿过大气中的甲烷,部分光被甲烷分子吸收。
3.探测器接收经过吸收后的激光光束的剩余部分,通过光谱分析得到甲烷浓度数据。
优势1.远距离检测:RMLD最大检测距离可达500m,适用于需要对广大区域进行检测的场景。
2.高精度、高灵敏度:RMLD可以检测1ppm以下的浓度,同时分辨率为20cm^-1,可以区分并检测多种气体。
3.环保和安全:RMLD使用的是激光光束,对环境没有污染,同时无需接触泄漏源,保证生产过程中的安全。
应用场景1.石油和天然气生产:RMLD可以用于检测石油和天然气的泄漏量,防止液化石油气和天然气泄露引起火灾或爆炸。
2.矿山:RMLD可以用于检测地下瓦斯爆炸隐患,保障采煤过程的安全。
3.环境保护:RMLD可以检测城市废气、垃圾填埋场气体等,确保环境污染得到控制。
结论RMLD是一种使用激光吸收光谱技术的环保、安全、高效的气体检测仪器,具有远距离检测、高精度、高灵敏度等优势,广泛适用于石油、天然气、矿山等领域的环境监测和安全生产。
手持激光甲烷遥测仪主要功能及技术特点
手持激光甲烷遥测仪是一款先进的燃气巡检设备。
采用目前世界上最为先进的激光气体探测技术,非接触测量,可以实现遥测,检测人员无法到达的地方,并能够准确定位,快速查找泄漏源。
本产品可大大提高人员检测效率,降低劳动强度。
一般来说,手持激光甲烷遥测仪采用的可调谐激光二极管吸收光谱技术,灵敏度高,响应速度快,选择性好,只对甲烷有反应,不会对其它碳氢化合物气体产生误报。
那么手持激光甲烷遥测仪有哪些主要功能和技术特点呢。
手持激光甲烷遥测仪主要功能及技术特点:
1.市面上一些手持激光甲烷遥测仪采用光学吸收法,根据物质的相互作用来进行分析的一类重要的仪器分析法,通过遥测气体泄漏,无需接触。
2.一般来说遥测距离可达80米,远距离对气体进行测量,是对使用人员的安全保障。
3.一些手持激光甲烷遥测仪自带分体式扳机锁,更方便安全。
4.手持激光甲烷遥测仪体积小,重量轻,携带方便。
5.选择性好,只对甲烷有反应,有效避免水蒸汽、汽车尾气等其它气体的干扰,同时灵敏度高,即使是微小的泄漏也可以检测到,配合响应速度快,在漏点上就会瞬间发出报警,无报警延迟,大限度保证安全。
6. 市面上有些手持激光甲烷遥测仪会采用专业抗震设计,不宜损坏,因为手持的特性,一般易于操作,遥测仪具有声光报警功能。
7.市面上一些产品选用本质安全型仪器,以达到安全性能提升。
目前由于手持激光甲烷遥测仪具备的特点和功能使它可广泛应用于城市燃气输配管路、石油、石化行业的炼油厂、化工厂、冶金行业、电力行业等可能产生燃气泄漏的场所。
从而保证工作者的安全和企业环境的安全。
警告:1、使用前,请确保电池电量正常。
2、禁止在爆炸性气体环境中拆卸和维修。
3、禁止在爆炸性气体环境中使用充电器。
4、禁止将仪器置于高温和火源旁烘烤。
5、不得更改产品本安(及其关联)电路中元器件的型号、规格及其参数!6、电池/电池组充电必须在安全场所进行!7、严禁使用说明书中规定以外的电池!8、该产品使用时须佩戴动物皮套!9、该产品不可替代甲烷检测报警仪!目录1 概述 (1)2 技术指标 (1)3 工作原理与结构特征 (2)4使用方法 (4)5 注意事项 (4)6 运输、贮存 (5)7 随机文件及备、附件 (5)8 订货须知 (5)1 概述1.1 产品介绍JJB10激光甲烷遥测仪是以激光器为检测元件的远距离测量仪器,利用合适的微功率激光能被不同浓度的甲烷所吸收原理而设计的高精密甲烷检测仪器。
此仪器是具有按键控制的智能本安型监控仪表,用于空气中甲烷浓度的连续测定。
本仪器具有性能稳定、传感器元件寿命长、灵敏度高等特点,机内各项指标均可通过按键调校。
1.2 主要用途和适用范围1.2.1 主要用途:监测各工作场所的甲烷气体浓度。
1.2.2 适用范围:危险场所、隧道及各种地下工程,天然气管道检漏。
1.2.3 适用人员:危险场所管理干部、安全监察人员、通风管理人员、机电维修人员以及流动作业人员。
1.3防爆型式、型号含义及外型尺寸重量1.3.1 防爆型式为矿用本质安全型,防爆标志为“ExicIIAT3 Gc”1.3.2 由国家检验机构统一归口编制型号:JJB101.3.3 外形尺寸及重量1.3.3.1 外型尺寸:163.7×79.8×35.7(mm)1.3.3.2 重量:270g1.3.3.3 外壳材质:PC+玻纤1.3.3.4 防护性能:IP542 技术指标2.1工作环境条件:a)温度:(0~40)℃;b)相对湿度:≤98%;c)大气压力:(68~115)kPa;d)风速:(0~8)m/s;e)仅限于2区含有IIA类气体的T1~T3组别环境。
警告:1、使用前,请确保电池电量正常。
2、禁止在爆炸性气体环境中拆卸和维修。
3、禁止在爆炸性气体环境中使用充电器。
4、禁止将仪器置于高温和火源旁烘烤。
5、不得更改产品本安(及其关联)电路中元器件的型号、规格及其参数!6、电池/电池组充电必须在安全场所进行!7、严禁使用说明书中规定以外的电池!8、该产品使用时须佩戴动物皮套!9、该产品不可替代甲烷检测报警仪!目录1 概述 (1)2 技术指标 (1)3 工作原理与结构特征 (2)4使用方法 (4)5 注意事项 (4)6 运输、贮存 (5)7 随机文件及备、附件 (5)8 订货须知 (5)1 概述1.1 产品介绍JJB10激光甲烷遥测仪是以激光器为检测元件的远距离测量仪器,利用合适的微功率激光能被不同浓度的甲烷所吸收原理而设计的高精密甲烷检测仪器。
此仪器是具有按键控制的智能本安型监控仪表,用于空气中甲烷浓度的连续测定。
本仪器具有性能稳定、传感器元件寿命长、灵敏度高等特点,机内各项指标均可通过按键调校。
1.2 主要用途和适用范围1.2.1 主要用途:监测各工作场所的甲烷气体浓度。
1.2.2 适用范围:危险场所、隧道及各种地下工程,天然气管道检漏。
1.2.3 适用人员:危险场所管理干部、安全监察人员、通风管理人员、机电维修人员以及流动作业人员。
1.3防爆型式、型号含义及外型尺寸重量1.3.1 防爆型式为矿用本质安全型,防爆标志为“ExicIIAT3 Gc”1.3.2 由国家检验机构统一归口编制型号:JJB101.3.3 外形尺寸及重量1.3.3.1 外型尺寸:163.7×79.8×35.7(mm)1.3.3.2 重量:270g1.3.3.3 外壳材质:PC+玻纤1.3.3.4 防护性能:IP542 技术指标2.1工作环境条件:a)温度:(0~40)℃;b)相对湿度:≤98%;c)大气压力:(68~115)kPa;d)风速:(0~8)m/s;e)仅限于2区含有IIA类气体的T1~T3组别环境。
RMLD激光甲烷遥距检测仪(手持式)一、概述随着政府,企业及社会对燃气管道安全及环保的日益重视,燃气管道的安全巡检,尤其是泄漏检测越来越显得重要。
现有的便携式检漏仪都要求探头置于有燃气的环境中,与燃气直接接触。
实际现场中,常遇到管道或设施难以到达,甚至不能到达(例如围墙内,花圃中,河流上方,高楼外立管,房间里面等等)的情况。
这就使得管网泄漏巡检效率不高或对某些管段放弃巡检,给燃气管道安全带来隐患。
针对这一现象,RMLD激光甲烷遥距检测仪应运而生。
美国汉斯激光甲烷遥距检测仪(RMLD TM)是一种高科技的先进技术,能检测出从远距离泄漏出的甲烷。
RMLD是泄漏检测的新一代的领先产品,它大大地提高了步行巡检的效率和安全性,该仪器面世以来,得到全世界的广泛认可,并获得2005年100佳发明奖。
使用RMLD可以使得原来不能到达或不易到达的地方的巡检变为可能。
因为采用了一种叫做TDLAS(可调谐二级管激光吸收)技术,不用像现有的便携式检测仪要求将探头置于有可燃气体的环境中,RMLD的激光束由探测器发出后,穿越管道或设施上方空间,射到另一端的目标(如墙,树,路面或柱子等)上。
二、工作原理RMLD 是美国汉斯公司联合美国燃气研究院,以及多家大型燃气营运公司最新研究的成果,其核心部分采用了最先进的可变波长(TDLAS)技术。
该仪器工作原理如下:激光束由探测器发出后,穿越管道或设施上方空间,射到另一端的目标(如墙,树或柱子等)上,部分被目标反射回到探测器。
被反射的光被收集起来并被转换成电信号。
这些电信号用来分析甲烷的浓度,其单位为ppm-m。
通过采用波长模制激光吸收光谱技术,该探测器达到极高的灵敏度。
某一波长的光只被甲烷吸收,因此,只对甲烷有反应,不受其它气体成份的影响,这大大提高了检测的准确性,消除了误测。
三、系统组成·激光发生子系统,包含激光光源模块及电子模块,用来综合激光和控制信号。
·信号处理模块,用来分离和处理被吸收信号。
便携式激光甲烷报警仪电话:1520107911使用说明书(使用前请先阅读说明书)V1.0执行标准: GB3836-2010Q/DAK002-2014大连市艾科开发有限公司出版日期2019年5月警告●禁止在爆炸性气体环境中拆卸和维修。
●禁止将仪器置于高温和火源旁烘烤。
注意●请注意本设备必须遵守使用规则和测试方法。
警告●严格禁止私自拆卸本设备。
此举关系到本设备的防爆等级安全问题,如出现故障时,本设备不可由使用者自行修理。
危险●请勿在非允许的爆炸性环境中使用本设备。
目录1 概述 (1)2 技术指标及性能 (1)3 工作原理与结构特征 (2)4 使用方法 (4)5 运输、贮存 (6)6 随机文件及备、附件 (6)7 订货须知 (6)1 概述便携式激光甲烷报警仪是为满足监测甲烷的需要而研制的智能化仪表,是基于本公司国际领先的光电器件技术,利用甲烷气体对特定波长的激光具有吸收效应,且吸收强度与甲烷气体浓度相关(朗伯-比尔定律)的原理而设计。
采用最新智能监测控制技术和新型绿色环保锂聚合物电池,可以准确测量井下甲烷气体浓度,具有就地显示甲烷浓度值、超限声光报警、电池电压检测显示。
该报警仪操作方便、体积小、质量轻,适用于对甲烷气体浓度进行连续检测。
2 技术指标及性能2.1 工作环境条件:a)温度:(0~40)℃。
b)相对湿度:≤98%(无冷凝)。
c)压力:68kPa~115kPa。
2.2 贮存温度:(-40~60)℃。
2.3 工作电压:(3.7~4.2)V DC。
2.4 电源:聚合物锂离子蓄电池 2000mAh,具有短路保护功能。
电池封胶材质: 6302环氧树脂灌封胶,厚度:1mm,电池与保护板浇封为一体。
2.5 电池数量及寿命:1块,充放电次数大于500次。
2.6 外型尺寸及重量a)外型尺寸: 103×66×34mm。
b)重量:186g。
2.7 功耗:≤0.8W;待机时间:≥8h。
2.8 显示分辩率:0.01%2.9 响应时间:≤20s。
激光甲烷遥测仪原理
激光甲烷遥测仪是一种用于检测大气中甲烷浓度的仪器,它利用激光技术和遥测原理来实现对甲烷的高精度测量。
该仪器的原理基于激光的吸收和散射特性,以及甲烷分子对特定波长激光的吸收特性。
在激光甲烷遥测仪中,激光器产生一束特定波长的激光,这束激光通过大气中的空气和甲烷气体。
甲烷分子对特定波长的激光有吸收作用,因此当激光穿过大气中的甲烷区域时,部分激光会被甲烷分子吸收。
接收器接收到透过大气的激光,并测量被吸收的激光强度,从而得到甲烷浓度的信息。
激光甲烷遥测仪的原理还包括了激光的时间延迟测量和多普勒效应。
通过测量激光在大气中的传播时间和频率变化,可以进一步精确地确定甲烷的浓度和分布情况。
总的来说,激光甲烷遥测仪利用激光的吸收和散射特性,结合大气中甲烷分子的吸收特性,通过测量激光的强度、时间延迟和多普勒效应,实现了对甲烷浓度的高精度遥测。
这种原理不仅可以应
用于大气环境监测,还可以用于地质勘探、气候变化研究等领域,具有重要的科学研究和环境保护价值。
激光甲烷气体检测仪使用说明1. 简介嘿,亲爱的朋友们!今天咱们来聊聊激光甲烷气体检测仪——这个小家伙可不是开玩笑的,简直就是现代科技的黑科技!有句话说得好,“有备无患”,在我们的生活中,甲烷气体可是个不易被察觉的小精灵,它藏得可深的呢。
如果不小心闻到臭烘烘的味道,可能就要掉进“大坑”里了,因此,检测仪就成了我们的“侦探”!2. 激光甲烷气体检测仪的基本功能2.1 甲烷检测说起这个检测仪,大家可能会想,“这东西能干啥?”首先嘛,它的主打功能就是检测甲烷气体。
这玩意儿不仅精确,还灵敏,能在空气中精准找到甲烷,并通过激光技术迅速发出警报。
想象一下,你正在做饭,忽然检测仪“滴滴滴”响了,及时提醒你关小火,多省事啊!2.2 数据记录而且呢,仪器不仅仅是个“报警器”,它还会记下历史数据,有时你想了解一段时间的甲烷浓度变化,查看这些数据就像是在翻一本“日记”,这可真是太贴心了。
有些人可能会好奇,这些数据能干嘛?当然能拿来写报告,甚至是给朋友们聊天时当炫耀的资本!3. 如何使用激光甲烷气体检测仪3.1 开机与校准好了,别说我啰嗦,咱们这就进入使用环节。
首先,拿到这台检测仪,第一件事就是开机。
轻轻一按开关,屏幕亮起,哗,这种科技感真是让人心花怒放!不过,在使用之前,别忘了给它校准一下,保证数据准确。
就像是一位老爷爷,经历了不少风霜,总得喝点水,润润嗓子才能开口嘛。
3.2 实地检测接下来的步骤就是实地检测了。
找个您觉得可能出现甲烷的地方,比如厨房、地下室或者更隐蔽的角落,慢慢地将检测仪晃一晃,让它在空气中“嗅嗅”。
只要仪器发出信号,提醒您浓度过高,赶紧锁定“嫌疑”!我告诉你,这时候可别想着“这没事”,安全第一,处理好情况再说。
4. 注意事项4.1 保养与存放当然,咱们的侦探小仪器也需要好好照顾。
使用完后,别忘了轻轻擦拭,保持它的清洁,毕竟“人靠衣装,佛靠金装”,仪器也一样,干净了才能干好活。
存放的时候,尽量放在干燥、通风的地方,免得它受潮变得“懒惰”!4.2 定期检查另外呢,建议大家定期检查一下仪器的电量和灵敏度。
便携遥测式激光甲烷检测仪技术要求首先,激光甲烷检测仪需要具备高精度的测量能力。
甲烷气体的浓度通常在低浓度范围内变化,要求检测仪具备很高的灵敏度和准确性。
因此,检测仪应具备尽可能小的测量误差,能够精确地测量甲烷气体的浓度。
其次,便携遥测式激光甲烷检测仪需要具备实时监测的能力。
甲烷气体的浓度会随着时间和位置的变化而变化,因此,检测仪应能够快速、准确地采集和分析甲烷气体的浓度,并能够实时显示监测结果。
同时,检测仪还应具备数据传输和存储的功能,方便用户进行数据分析和处理。
第三,便携遥测式激光甲烷检测仪还需要具备高可靠性和稳定性。
环境中的甲烷气体浓度通常较低,因此,检测仪需具备稳定的激光发射器和接收器,能够在各种环境条件下稳定工作。
另外,检测仪还需要具备较长的工作寿命和低能耗,以满足长时间实时监测的需求。
第四,便携遥测式激光甲烷检测仪需要具备便携性和易操作性。
检测仪应具备小巧轻便的外形设计,方便携带和在不同场合使用。
同时,检测仪的操作简单、直观,用户只需简单几步即可进行测量和数据分析。
最后,便携遥测式激光甲烷检测仪还需要具备良好的环境适应性。
甲烷气体主要存在于煤矿、油田、城市排污等环境中,这些环境通常具备一定的灰尘、湿度和温度变化等特点。
因此,检测仪需具备抗干扰能力和良好的环境适应性,能够在各种环境条件下正常工作。
综上所述,便携遥测式激光甲烷检测仪的技术要求涵盖了高精度、实时监测、可靠性与稳定性、便携性和易操作性以及良好的环境适应性等多个方面。
只有满足这些技术要求,才能提供准确、可靠的甲烷气体浓度监测解决方案,满足用户的需求。
美国汉斯RMLD-IS激光甲烷遥距检测仪(手持式)(信息内容由青岛聚创环保设备有限公司提供)一、产品概述:随着政府,企业及社会对燃气管道安全及环保的日益重视,燃气管道的安全巡检,尤其是泄漏检测越来越显得重要。
现有的便携式检漏仪都要求探头置于有燃气的环境中,与燃气直接接触。
实际现场中,常遇到管道或设施难以到达,甚至不能到达(例如围墙内,花圃中,河流上方,高楼外立管,房间里面等等)的情况。
这就使得管网泄漏巡检效率不高或对某些管段放弃巡检,给燃气管道安全带来隐患。
针对这一现象,RMLD-IS激光甲烷遥距检测仪应运而生。
美国汉斯激光甲烷遥距检测仪是一种高科技的先进技术,能检测出从远距离泄漏出的甲烷。
RMLD-IS 是泄漏检测的新一代的领先产品,它大大地提高了步行巡检的效率和安全性,该仪器面世以来,得到全世界的广泛认可,并获得2005年100佳发明奖。
使用RMLD-IS可以使原来不能到达或不易到达的地方的巡检变为可能。
因为采用了一种叫做TDLAS(可调谐二级管激光吸收)技术,不用像现有的便携式检测仪要求将探头置于有可燃气体的环境中,RMLD-IS 的激光束由探测器发出后,穿越管道或设施上方空间,射到另一端的目标(如墙,树,路面或柱子等)上。
二、工作原理:RMLD-IS是美国汉斯公司联合美国燃气研究院,以及多家大型燃气营运公司最新研究的成果,其核心部分采用了最先进的可变波长(TDLAS)技术。
该仪器工作原理如下:激光束由探测器发出,穿越管道或设施上方空间,射到另一端的目标(如墙,树或柱子等)上,部分被目标反射回到探测器。
被反射的光被收集起来并被转换成电信号。
这些电信号用来分析甲烷的浓度,其单位为ppm﹒m。
通过采用波长模制激光吸收光谱技术,该探测器达到极高的灵敏度。
某一波长的光只被甲烷吸收,因此,只对甲烷有反应,不受其它气体成份的影响,这大大提高了检测的准确性,消除了误测。
三、系统组成:1、激光发生子系统,包含激光光源模块及电子模块,用来综合激光和控制信号。
激光甲烷遥测仪算法激光甲烷遥测仪是一种用于测量大气中甲烷浓度的仪器。
它采用激光技术和遥测方法,能够实时、准确地监测甲烷的浓度。
在这篇文章中,我们将介绍激光甲烷遥测仪的算法原理和工作过程。
激光甲烷遥测仪的基本原理是利用激光束与大气中的甲烷分子发生相互作用,测量激光束经过大气后的强度变化,从而推算出大气中甲烷的浓度。
具体而言,激光甲烷遥测仪通过以下算法实现浓度的计算。
第一步是激光传输模型的建立。
激光传输模型描述了激光束在大气中传输的过程。
它考虑了激光散射、吸收和退偏振等因素对激光束的影响。
通过建立准确的激光传输模型,可以准确地计算激光束在大气中的强度。
第二步是反演模型的构建。
反演模型利用激光传输模型和测量的激光强度数据,推算出大气中甲烷的浓度。
反演模型的构建通常基于多元线性回归或神经网络等方法,通过拟合实验数据得到最优的参数。
第三步是数据处理和校正。
由于大气中存在其他气体、颗粒物等干扰因素,测量的激光强度数据可能受到干扰。
因此,在进行甲烷浓度计算之前,需要对数据进行处理和校正,以提高计算的准确性和可靠性。
第四步是甲烷浓度的计算。
根据反演模型和经过处理和校正的激光强度数据,可以计算出大气中甲烷的浓度。
计算结果可以实时显示或记录,以供后续分析和应用。
激光甲烷遥测仪算法的关键在于建立准确的激光传输模型和反演模型。
激光传输模型需要考虑到激光与大气中各种因素的相互作用,如散射、吸收和退偏振等。
反演模型则需要通过实验数据的分析和处理,找到最优的参数,以实现浓度的准确反演。
激光甲烷遥测仪算法还应考虑到测量误差的影响。
由于各种因素的干扰和测量设备自身的误差,测量结果可能存在一定的误差。
因此,在算法设计中应该考虑到误差的补偿和校正,以提高测量的准确性。
激光甲烷遥测仪算法是一种通过激光技术和遥测方法实现甲烷浓度测量的算法。
它通过建立激光传输模型和反演模型,以及进行数据处理和校正,实现对大气中甲烷浓度的准确计算。
激光甲烷遥测仪算法的研究和应用对于环境保护和气候变化研究具有重要意义。
激光甲烷遥测仪检定规程
激光甲烷遥测仪是一种用于检测大气中甲烷含量的仪器,其检
定规程是非常重要的,因为它确保了仪器的准确性和可靠性。
检定
规程通常包括以下几个方面:
1. 标准要求,检定规程首先会明确激光甲烷遥测仪的检定标准,包括国家标准、行业标准或者其他相关标准,以确保检定过程符合
相应的规定和要求。
2. 检定方法,规定了激光甲烷遥测仪的检定方法,包括仪器的
校准、零点校正、灵敏度检定等,以及具体的操作步骤和要求。
3. 检定设备,规定了用于检定的设备和仪器,确保其精密度和
可靠性,以保证检定结果的准确性。
4. 检定过程,详细描述了激光甲烷遥测仪的检定过程,包括前
期准备、检定操作、数据记录等环节,以及可能出现的问题和应对
措施。
5. 检定结果评定,规定了对检定结果的评定标准,包括合格判
定和不合格判定的条件,以及针对不合格情况的处理措施。
6. 检定记录和报告,要求对检定过程中的数据和结果进行记录和整理,形成检定报告,并确保其可追溯性和可信度。
总的来说,激光甲烷遥测仪的检定规程是为了确保仪器在使用过程中能够准确、可靠地检测大气中的甲烷含量,保障环境监测和相关科研工作的准确性和可信度。
这些规程的制定和执行对于保障大气环境监测数据的准确性和可比性具有重要意义。
激光甲烷遥距检测仪在燃气泄漏检测中的应用作者:苗辉来源:《建筑建材装饰》2014年第12期摘要:随着天然气使用的快速发展,作为燃气输配的主要方式,燃气管线在城市中各个角落不断延伸。
管道天然气在给城市发展带来巨大便利的同时,天然气管线不可避免的老化、腐蚀及人为破坏等原因,可能会产生天然气管线泄漏,如果对其处置不当,极易发生严重的后果。
无论哪种原因,都可以通过对地下管道的巡查、检测,对管道进行及时有效的评估,对于存在的隐患及时治理,保证人民生命财产和城市公共设施的安全。
因此,在实际的工作过程中,选择切实有效的燃气泄漏检测装置,是保证燃气管网安全运行的重要前提。
现场实际应用效果表明,激光甲烷遥距检测仪检测准确率较高,误报率低,响应速度快,符合现代城市燃气泄漏检测的需要。
关键词:城市燃气;激光甲烷遥距检测仪;泄漏;检测范围;响应速度;泄漏抢修引言随着政府,企业及社会对燃气管道安全及环保的日益重视,燃气管道的安全巡检,尤其是泄漏检测越来越显得重要。
现有的便携式检漏仪都要求探头置于有燃气的环境中,与燃气直接接触。
实际现场中,常遇到管道或设施难以到达,甚至不能到达(例如围墙内,花圃中,河流上方,高楼外立管,房间里面等等)的情况。
这就使得管网泄漏巡检效率不高或对某些管段放弃巡检,给燃气管道安全带来隐患。
激光甲烷遥距检测仪能检测出从远距离泄漏出的甲烷,它大大地提高了步行巡检的效率和安全性,使用激光甲烷遥距检测仪可以使得原来不能到达或不易到达的地方的巡检变为可能。
通过和交通工具及其他检测仪器的配合使用,可以大大提高燃气泄漏检测的效率、准确性及管网覆盖率。
城市燃气泄漏可能导致局部燃气管道停输,不仅给居民生活带来不便,如果采取措施不及时,甚至还会造成重大事故和经济损失。
目前国内对燃气泄漏检测普遍采用便携式、袖珍式和固定式3类甲烷浓度检测仪,在检测过程中很容易受到C0、C02和H2O等其他气体和现场实际条件(如潮湿度、覆盖物和风向等)的干扰影响,导致误检和判断失效。
RMLD 激光甲烷遥距检测仪RMLD 激光甲烷遥距检测仪RMLD (Remote Methane Leak Detector) 激光甲烷遥距检测仪是一种用于检测甲烷气体泄漏的先进设备。
它的设计目的是快速、准确地识别甲烷泄漏,并提供相应的报警,以便采取必要的措施来防止潜在的危险和环境污染。
本文将介绍该检测仪的工作原理、应用领域以及其在环境保护中的作用。
RMLD 激光甲烷遥距检测仪利用激光束来测量空气中的甲烷浓度。
它采用了探测器和激光源的组合,探测器用于接收并测量反射回来的激光信号,激光源则用于产生激光束。
当激光束通过空气中的甲烷时,一部分激光将被甲烷分子吸收,而另一部分则被反射回来。
利用探测器测量反射回来的激光信号的强度,可以确定甲烷的浓度。
激光甲烷遥距检测仪具有高精度和快速响应的特点。
其测量范围可以达到数百米,而且对甲烷气体的浓度变化非常敏感。
因此,它可以在远距离上精确地检测到甲烷泄漏,即使在监测点周围没有直接接触到气体的情况下也能实现。
此外,该仪器使用的激光技术使其具有高分辨率和高灵敏度,能够实时监测甲烷气体泄漏的状况。
激光甲烷遥距检测仪在许多领域中都得到了广泛应用。
首先,在工业和化工领域中,它可以有效地监测和控制甲烷泄漏,保障工作人员的安全。
在石油和天然气行业中,它可以用于检测管道、储罐等设施中的甲烷泄漏,防止火灾和爆炸的发生。
其次,在环境监测与保护方面,激光甲烷遥距检测仪可以用于检测城市和农村地区的甲烷泄漏,预防大气污染和气候变化。
此外,它还可以应用于地质勘探、航空航天等领域,以提高工作效率和安全性。
激光甲烷遥距检测仪在环境保护中发挥着重要的作用。
首先,它可以提供实时监测和报警功能,帮助防止甲烷泄漏事故的发生。
通过及时发现和处理泄漏源,可以防止火灾和爆炸,保证人员的安全。
其次,它可以准确测量甲烷的浓度,帮助科研人员和决策者评估和监测环境中的甲烷排放情况,为制定环境保护政策提供科学依据。
此外,该仪器使用的激光技术不会产生有害的污染物,符合环保要求。
FDL-7手持式激光甲烷遥距检测仪
FDL-7是一款创新性的便携式激光检测设备,可以很方便从30米远的距离检测难以接近的区域和危险区域的甲烷泄漏情况。
FDL-7激光遥距甲烷检测仪应用了国际先进的TDLAS(可调谐二极管激光吸收光谱)技术,使用户可以远距离检测甲烷从而保证人身安全。
在使用时,只需将激光光束指向待测目标上,用户无需进入到待测管道所在的潜在危险区域。
只有在发现真正有燃气泄漏的情况下,才需要让经过培训的人员去进行漏点确认和修复。
用FDL-7大大减少了燃气泄漏的预判工作,相对于传统工作方法来说节约了大量的燃气管线巡查的成本。
检测原理
FDL-7核心部分采用最先进的可调谐半导体激光吸收光谱技术,激光束由探测器发出后,穿越管道或设施射到另一端目标上,部分会被目标反射回探测器。
由于甲烷只会对某一波长的光进行吸收,通过波长模制激光吸收光谱技术,探测器不仅能够达到极高的灵敏度,而且还不受其他气体成分的影响,极大的提高了设备检测的准确度,还能有效的消除误差。
典型应用范围:
检查燃气管线,例如管道位置很高的情况
巡查危险区域,例如沼气工厂,燃气调压站
在窗外对建筑物内较高浓度的甲烷进行检测
远距离检查密闭式气体厂
不定时的检查埋地管线
特点:
彩色LCD触摸屏
只针对甲烷进行检测,对于其他碳氢化合物没有交叉反应
响应非常迅速,精度高,可检测到极少量的甲烷泄漏
用户可设定报警值
即便是隔着多层中空式的玻璃,也可以检测到甲烷
通过功能键和触摸屏进行操作,简单直观
绿色指示激光,即使是在阳光直射下,在测量范围内的可视性也是最佳的测量结果可以选择以图形或数字的方式来显示
声间、图形指示报警
外壳坚固,防护等级IP54
可充电锂电池能保证8小时的工作时间
技术参数:
射束大小30米为25~30cm
镜头尺寸直径50
开机自检开机自动检测&标定
不需要周期性的调校和维护
报警值设定在一定范围内自由设定
偏移值设定在一定范围内自由设定
报警报警声和显示器指示,报警声随着浓度的变
化而变化
检测结果显示数值和图像两种方法
外形尺寸213×155×66mm
测量范围0—50000ppm*m
温度范围-17℃- 50℃
湿度 5 ~90 %无冷凝
防护等级IP54
连接口USB, 耳机,直流电源插口
供货范围耳机,背带,仪器箱,充电器
激光等级:
Class I:低输出激光(功率小于0.4mW),基本不会对眼睛产生危害,可以保证设计上的安全
ClassIIIa:可见的连续激光(1- 5mW),避免用望远设备观察,这样可能产生危险,不要直接在光束内观察,也不要用激光直射眼睛。