空调水处理工作方案
- 格式:doc
- 大小:26.00 KB
- 文档页数:3
安峰环保我们都知道,在炎热的夏天,空调可以给我们带来清新凉爽,让我们的生活舒适,但其实空调的知识也很高。
比如中央空调的水系统运行时,通常会带有大量的水垢、泥沙、铁锈等腐蚀产物,以及一些藻泥。
如果污垢长期沉积,会降低中央空调的制冷量,甚至缩短其使用寿命。
那么我们该怎么办呢?让我们来看看中央空调水处理的最佳方案。
中央空调水处理最佳方案如下:一、对水质进行分析中心空调循环水检测项目有:ph,tds,总硬度,浑浊度,总铁,总铜,总菌数等。
注意:检测标准为DB31/T143-94备注:1kg/m3=1000mg/l二、水处理工作的具体流程1.首先在水系统的冷却塔和膨胀水箱中加入一些剥离剂或杀菌灭藻剂(如果没有,可以先去超市买),然后加入一些活性比较大的分散剂,这样就可以利用水循环功能进行操作,操作时间可以在24小时到48小时左右。
消毒、除藻、去污工序完成后,即可进行排污。
2.我们需要给水系统添加一些清洁剂。
这样做的目的是让去污效果更快更明显。
我们需要清除系统中所有的污垢和铁锈,然后使用水循环大约12小时到24小时,这样污水的污染程度可能会低于15PPM。
最后一项工作是移除并清洁Y过滤器上方的滤网。
3、然后在整个水系统中加入一定量的预膜剂钝化其表面,钝化24小时后即使完成,PH 值也应限制在6点到6点5分之间,污染排放时的污染度应降低到5PPM以下的位置。
4、在日常维护作业中,添加药剂的浓度应在具体水质的情况下适量添加,通过分析监视决定其投入量的多少,由于维护和修补系统中的金属表面形成保护膜,容易分散污垢,阻止污垢离子的形成以上是关于中央空调水处理的最佳解决方案,我认为我们对水处理方法有一定的了解,水处理方法是将一些水处理化学品及时投入到中央空调冷却水系统和制冷剂水系统中,以减少腐蚀,保护中央空调机组的功能。
因此,该方法现在是工业循环水处理、中央空调水处理等处理工作中非常普遍的方法,也是经济有效的方法。
空调水处理操作规程一、前言随着人们生活水平的提高,空调已成为现代生活中不可缺少的一部分。
随之而来的是空调产生的大量废水,若没有正确的处理方法,将给环境带来巨大的污染。
因此,空调水的处理工作显得尤为重要。
本文就空调水处理的操作规程进行阐述,以供参考。
二、空调水的处理原则1、环保原则空调水的处理一定要遵循环保原则,确保处置后的水符合国家相关环保法律法规的规定。
2、安全原则空调水处理中涉及到有毒、有害物质的处理,一定要遵循安全原则,确保人员和设备的安全。
3、经济原则空调水处理过程中要充分考虑经济原则,确保处理成本控制在可接受的范围内。
三、空调水处理的基本步骤1、收集与处理收集空调水,将其运输到处理区域进行预处理。
预处理包括沉淀池、酸、碱、氧化等方法,以去除空调水中的杂物、悬浮物、沉淀物等。
2、过滤经过初步处理后的空调水,需要利用过滤器进一步过滤。
过滤器的主要作用是滤除空调水中的微粒、泥屑、纤维等杂质,并防止管道堵塞。
3、调节pH值空调水处理的pH值一般在7-8之间,若偏离这个范围,将会对下一步的处理过程产生影响。
因此,需要对处理后的水进行pH值的调节,保持其在合理范围内。
4、杀菌消毒空调水在经过初步处理和过滤后,需要进行细菌、病毒的杀灭,以免影响空调设备的使用和环境的卫生。
杀菌消毒可以采用化学方法、紫外线灭菌、臭氧消毒等多种方式。
5、深度过滤深度过滤是指利用活性碳、离子交换树脂等材料,对低级别的有机物、重金属等污染物进行深度过滤,使水质符合环保要求。
6、管道加氧管道加氧是指在流入空调设备前,对水进行充分加氧,以减少水中的氧化铁和锈蚀物质的产生,保证设备正常运行。
四、注意事项1、处理空调水的设备应放置在专门的处理区域,设备要求防止产生二次污染。
2、处理空调水时,应对材料选择、工艺流程、操作规范等方面进行规定,确保水处理效果良好。
3、处理空调水过程中要不断监测水的水质情况,及时调整处理工艺。
4、空调水处理后的废水应按照国家环保法律法规的规定进行处置,以免对环境造成污染。
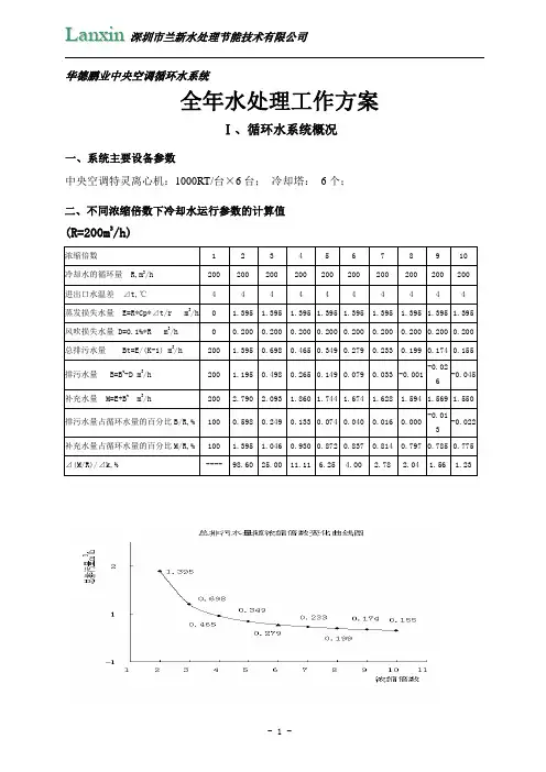
华德鹏业中央空调循环水系统全年水处理工作方案Ⅰ、循环水系统概况一、系统主要设备参数中央空调特灵离心机:1000RT/台×6台;冷却塔:6个;二、不同浓缩倍数下冷却水运行参数的计算值(R=200m3/h)三、不同循环水量下冷却水运行参数的计算值(浓缩倍数为6)四、循环水现场及水质分析:1、中央空调冷却水系统贵方中央空调冷却水为敞开式冷却水系统,存在腐蚀、结垢及微生物滋生。
贵方冷却水为结垢性水质,硬度较高。
循环水水质处理重点应为阻垢,首次进场的清洗、预膜工作非常重要。
因此,我公司对于贵方冷却水系统采用缓蚀阻垢剂为LX-HS308高效缓蚀阻垢剂,控制磷含量为5-7ppm。
自来水和大气中含有一定量的细菌微生物,细菌微生物在循环水中不断繁殖,产生大量的生物粘泥,冷却塔的温度和阳光的照射十分适宜藻类的生长,藻类生长更为迅速,如不进行有效控制,冷却水产生大量的生物粘泥,进入主机冷凝器会影响热交换,增加耗电量,冷却塔填料生物粘泥和藻类会严重影响冷却塔的散热,增加主机负荷。
杀菌剂采用LX-SJ202、SJ210、SJ205及SJ206杀菌剂交替投加,防止微生物的抗药性而导致杀菌剂失效或杀菌效果欠佳。
2、中央空调冷水机组冷冻水系统:冷冻水系统为密闭系统,密闭的冷冻水系统虽然不存在好氧菌的滋生,但厌氧菌的滋生不可避免,需投加杀菌剂进行有效控制。
对于系统内存在不锈钢材质设备的循环水,采用的杀菌剂不能用含氯的氧化型杀菌剂,为避免微生物的抗药性,采用每季度交替投加LX-SJ202及LX-SJ210杀菌剂的方法,将细菌数控制在小于5×105个/mL范围,达到国标要求。
冷冻水系统缓蚀,我公司采用高效缓蚀剂LX-HS304(钢、铜腐蚀率远低于国家标准要求的范围,优秀级)。
如果贵方冷冻水系统漏损量控制在标准要求范围内,缓蚀效果可达一年甚至更长时间。
Ⅱ、中央空调冷却水系统清洗及湿保方案一、循环冷却水系统及换热器的清洗:1、系统管道清洗:①、利用系统停机(晚上或贵方年度停机)机会,用高压水枪清洗冷却塔,然后于冷却塔投加杀菌剂LX-SJ202,开泵循环16~24小时,对系统进行杀菌灭藻清洗;②、利用系统停机(晚上或年度停机)机会,于冷却塔投加清洗剂LX-QX101,开泵循环16~24小时,以较大的循环水量,对系统进行除油去锈清洗;③、清洗过程中检测冷却水的浊度、总铁、钙离子等水质指标,以了解清洗效果,补加清洗药剂及确定清洗终点。
空调水处理操作规程模版第一章总则1.1 目的和依据本操作规程的目的是为了确保空调系统的正常运行和水质的稳定,保证空调水供应的质量达到相关标准要求。
本操作规程的编制依据国家相关法律法规和技术标准。
1.2 适用范围本操作规程适用于本单位所有空调系统的水处理工作。
1.3 术语和定义1)空调系统:指本单位所有的空调设备和相关设施,包括冷水机组、冷却塔、冷却水泵等。
2)空调水:指用于空调系统的循环供水,包括冷冻水和冷却水。
第二章空调水处理工作的责任和要求2.1 责任2.1.1 本单位负责人对空调水的处理质量负总责,确保空调系统的正常运行。
2.1.2 相关部门和人员负责空调水处理工作的实施和监督。
2.2 要求2.2.1 空调水的处理应符合国家有关标准和规定。
2.2.2 空调水处理应定期进行,确保水质稳定。
2.2.3 空调水处理应采用科学合理的方法和措施,确保水质达到标准要求。
2.2.4 对于空调水处理过程中出现的异常情况应及时处理,防止发生故障或事故。
第三章空调水处理工作流程3.1 空调水质监测3.1.1 对空调系统的冷冻水和冷却水进行定期监测,确保水质符合要求。
3.1.2 监测项目包括总硬度、氯含量、PH值、浊度等。
3.1.3 监测结果应记录并及时分析,发现问题应及时处理。
3.2 空调水处理方法3.2.1 根据空调水的质量要求,选择合适的水处理方法,包括过滤、杀菌、除垢等。
3.2.2 水处理剂的选择应符合国家标准,使用合格的产品。
3.2.3 水处理剂的投加应按照使用说明进行,确保投加量正确。
3.2.4 水处理剂的投加记录应详细记录,包括投加量、投加时间等信息。
3.3 水处理设备维护3.3.1 对于空调系统中的水处理设备,应定期进行维护保养。
3.3.2 检查泵、过滤器、杀菌装置等设备的工作状态,确保其正常运行。
3.3.3 维护保养记录应详细记载,包括维护内容、时间等信息。
第四章空调水处理的安全措施4.1 防护设施4.1.1 在空调水处理操作区域设置明显的安全警示标志。
中央空调水处理方案 HEN system office room 【HEN16H-HENS2AHENS8Q8-HENH1688】中央空调清洗方案一:项目背景贵公司的中央空调系统为Carrier/开利冷水机组,型号:19XL400冷吨,2台。
在连续运行使用中,本着对空调系统的维护保养及本公司员工的身体健康高度负责的精神,贵司决定对其中央空调系统进行清洗,还办公区更清新的空气,给公司员工提供更舒适的办公环境。
公司工程技术人员通过会议研究并向有关工程技术人员进行了解,制定了本施工方案。
二:工程地点该工程位于三、工程范围及主要实物量、工期:工程范围:对冷水机组水系统冷却水、冷却塔、冷冻水进行清洗、保养、预膜;对冷凝器进行清洗、除垢;主要实物:开利离心机冷水机组,型号:19XR400冷吨 2台冷凝器清洗;冷却塔清洗;冷冻水系统保养;冷却水系统保养、杀菌。
清洗工期:全年维保(维保单详见附件)四、清洗水处理质量标准除垢率:>90%;腐蚀率:碳钢<6g/(m2·h);铜<2g/(m2·h);钝化膜完整致密。
符合HG/T2387-92《工业设备化学清洗质量标准》中央空调水处理控制指标:1、腐蚀率:碳钢≤a,铜及铜合金≤a;2、污垢热阻率≤4~6×10﹣4·℃·h/Kcal;3、水质指标冷冻水单位PH值~电导率≤3500 us/cm铁离子≤㎎/L铜离子≤㎎/L细菌总数<5×105 个/ml五、冷冻水系统清洗范围冷冻水系统清洗包括主机蒸发器、Y型水过滤器、循环管道、末端表面冷却器(风机盘管)的清洗,即在冷冻循环泵运行条件下,将清洗剂加入冷冻水中(从膨胀水箱加),清洗剂即与系统内污垢(水垢及金属锈蚀产物)发生反应,将污垢溶解剥离分散于水中,通过排污、清水置换、拆洗Y型水过滤器,使系统内壁恢复洁净状态,并对系统金属表面进行钝化处理,使金属表面形成一层耐腐蚀保护膜。
空调水处理操作规程1. 目的空调水处理的目的是保证空调系统的正常运行和延长设备的使用寿命,防止因水质问题引起的设备故障。
2. 水质要求空调水的水质要求如下:2.1 pH值:保持在7.0-8.5的范围内。
2.2 溶解性固体:保持在200ppm以下。
2.3 硬度:保持在200ppm以下。
2.4 氯离子:保持在50ppm以下。
2.5 重金属离子:保持在规定合理范围内。
2.6 铜离子:保持在0.3ppm以下。
2.7 锈蚀产物:保持在规定合理范围内。
3. 检测频率空调水的水质应定期检测。
一般情况下,每月检测一次,如发现异常情况,应加大检测频率。
4. 处理方法4.1 pH值调节:如果pH值超出规定范围,可以通过加入酸碱调节剂进行调节,使其回到正常范围内。
调节剂的用量应根据具体情况进行,一般情况下,20-50ppm的用量即可。
4.2 溶解性固体控制:溶解性固体超标时,应采取适当的措施进行清除。
可以通过添加适量的抗垢剂或进行水质清洗来解决。
4.3 硬度控制:硬度超标时,可以通过添加柔性剂进行去除,用量根据实际情况确定。
4.4 氯离子控制:氯离子超标时,可以通过活性炭过滤或添加适量的亚硫酸氢钠进行去除。
4.5 重金属离子控制:重金属离子超标时,可以采用离子交换法进行处理或添加适量的络合剂进行去除。
4.6 铜离子控制:铜离子超标时,可以添加适量的络合剂进行去除。
4.7 锈蚀产物控制:锈蚀产物超标时,应进行定期的水质清洗或更换水质。
5. 检测方法5.1 pH值检测:使用pH测试仪进行检测,将测试仪插入水中,读取pH值。
5.2 溶解性固体检测:采用溶解性固体检测仪进行检测,将检测仪接触水体,读取溶解性固体含量。
5.3 硬度检测:采用硬度测试仪进行检测,将测试仪接触水体,读取硬度值。
5.4 氯离子检测:采用氯离子测试仪进行检测,将测试仪接触水体,读取氯离子含量。
5.5 重金属离子检测:采用重金属离子测试仪进行检测,将测试仪接触水体,读取重金属离子含量。
空调系统水处理方案空调系统在商业和家庭生活中起到了至关重要的作用,为室内提供舒适的温度和湿度。
然而,由于空调系统中水的运行和循环,可能会导致水质问题和后续的系统故障。
为了确保空调系统的正常运行和延长其使用寿命,采取适当的水处理方案是必要的。
水处理的目标是去除或减少水中的有害物质,以提供适合于空调系统使用的水质。
常见的水处理方法包括物理处理、化学处理和生物处理。
下面将逐一介绍这些方法,并提供适用于空调系统的水处理方案。
1. 物理处理物理处理是通过物理手段去除水中的悬浮物、沉淀物和杂质。
常见的物理处理方法有过滤和沉淀。
过滤是通过使用滤芯或过滤介质去除水中的颗粒物质。
空调系统中常用的过滤器包括颗粒过滤器和微孔过滤器。
颗粒过滤器适用于去除较大的颗粒物质,而微孔过滤器则可以去除更小的微粒和细菌。
沉淀是指利用重力或离心力使悬浮物和沉淀物沉淀下来。
在空调系统中,通过合理设计水箱和沉淀池,可以将水中的杂质沉淀到底部,从而使水质得到改善。
2. 化学处理化学处理是利用化学药剂对水进行处理,以去除或减少水中的有害物质。
常见的化学处理方法包括消毒、抗腐蚀和抗垢。
消毒是为了杀灭水中的细菌、病毒和其他微生物。
常用的消毒剂包括氯和臭氧。
消毒剂应根据空调系统的具体要求和水质情况进行选择和投放。
抗腐蚀是为了防止水对管道和设备的腐蚀。
腐蚀会导致管道和设备损坏,从而降低系统的性能和寿命。
常用的抗腐蚀剂包括缓蚀剂和腐蚀抑制剂。
选择适合的抗腐蚀剂可以有效延长系统的使用寿命。
抗垢是为了防止水中的矿物质沉积在管道和设备上形成垢层。
垢层会导致热交换效果降低,增加系统的能耗。
抗垢剂可以有效阻止矿物质的沉积,保持系统的高效运行。
3. 生物处理生物处理是利用微生物来去除水中的有机物和细菌,以提高水质。
常见的生物处理方法包括生物滤池和生物杀菌剂。
生物滤池通过培养一定的生物群落,如蓝藻、绿藻和浮游生物,来降解水中的有机物。
同时,这些生物还可以竞争水中的细菌和其他微生物,从而提高水质。
中央空调水质处理全年工作方案Ⅰ、清洗、预膜工作一、冷冻水系统1、清洗膨胀水箱,然后于水箱投加杀菌灭藻剂、污泥剥离剂,启动冷冻泵循环24小时,作全系统的杀菌剥污泥处理。
2、于膨胀水箱投加清洗剂,启动泵循环24小时,可将系统内的浮锈、油污渗透剥离。
3、于冷冻水最低点排放冷冻水,将剥出的锈渣、污泥排出冷冻系统之外,打开冷冻丫形过滤器,清除滤网上的污杂物,加水和消泡剂排气,水加满后,启动冷冻泵循环24小时,停泵、排污,如此重复4~5次,至排出的冷冻水浊度降到10mg/L以下时停止排污。
4、加入锈垢清洗剂和分散剂,启动冷冻泵循环,定时分析浊度和铁离子浓度,清洗到浊度和铁离子浓度的增加渐趋于缓慢和稳定时,待浊度连续三小时不再增加和出入口水铁离子不变时清洗结束(清洗时间需24小时左右),进行排污同时加入少量的中和剂,严格控制水系统的pH值为8.0左右。
5、尽可能地对系统大量排水和大量补水,进行置换,当浊度降到10mg/L以下时,停止排污。
系统加满清水,加入pH值调节剂及于膨胀水箱投加冷冻水缓蚀剂和钝化剂,加药后启动冷冻泵循环4~8小时,使药物均匀分布于整个冷冻系统,同时调节系统的pH值为8.0~10.0。
冷冻水系统清洗、预膜完毕。
二、冷却水系统1、清洗时,先打开冷凝器端盖,检查冷凝器铜管是否有结垢现象,如有则采用一个外接泵,用除垢液、中和钝化液、预膜液分三步清洗冷凝器铜管,使铜管热交换效率保持良好;如铜管无垢,但有生物污泥或锈渣等,则用通炮器逐一铜管通炮,通完炮再用系统的水冲洗之。
2、冷凝器端盖用专用打磨机刮锈,并涂上防水防锈漆,待漆干透后装回端盖,使之完全复原。
3、排放冷却塔内冷却水后,用人工方法清洗冷却塔外围及冷却塔,清除塔盘上的灰尘、污泥,洗完塔补满水后投加杀菌灭藻剂、污泥剥离剂、油污清洗剂和消泡剂,开冷却泵循环24小时,作全系统的杀菌灭藻剥浮锈除油污处理。
4、采用边排边补水的方法,清洗整个冷却水系统,清洁后,开启冷却丫形过滤器,清除过滤器上的污杂物。
中央空调水质处理工作方案将空调的冷冻水和冷却水循环再用是为了节约用水和节省电能,这是开源节流、降低经营成本的重要组成部分。
但在水循环再用的过程中所发生的一些化学反应或生物过程对金属管材有腐蚀作用,并且会降低冷凝器及蒸发器热交换效率,因而必须进行水质处理。
为了实现工业循环水水质处理《国标GB-50050-95》中各项水质指标,达到保护空调设备,节电节水等目的,对贵方的空调系统拟按如下方案进行。
(-)冷冻水系统[1]进场工作1、系统清洗:A.人丁清洗膨胀水箱。
B.于膨胀水箱投加杀菌剂,投药后循环16〜24小时,将系统内生物污泥渗透剥离。
C.投加清洗剂,循环16〜24小时后,将系统内的浮锈油污渗透剥离。
D.于系统的最低点排放所有冷冻水,拆开Y型过滤器,清除滤网污杂物。
E.加水至满,开泉循环、排水冲洗,如此重复操作多次,至系统冷冻水不含明显固体物为止。
2、缓蚀处理:目的在于保护系统管道,延长管道的使用寿命。
向系统中投加缓蚀剂,开泉循环,取水样化验pH、药剂浓度两项指标,使pH值达8.5-10 (如pH值小于8.5,则补足NF-904缓蚀剂),系统进入正常开机运行状态。
[2]廿常运行管理1.每季度取冷冻水样化验一次。
2.每季度交替投加杀菌剂,控制细菌总数达标。
3、每季度取水样测试pH、钢腐蚀率、铜腐蚀率等指标,测试项冃和频度见表表一冷冻水系统水质检测项目和频率(―)冷却水系统[1]进场工作1・系统清洗处理A.杀菌灭藻剥粘泥处理:直接向系统中投加杀菌剂,连续封闭运行(即不排放运行)16〜24小时,至水中浊度升至稳定值后,停泵全排系统水。
B.除汕污浮锈清洗:于冷却系统中投加清洗剂,开泵运行16〜24小时。
C.全排冷却清洗液,并人工清洗冷却塔托水盘和填充料,并将塔盘积存的沉枳物清除干净。
2.系统预膜处理采用高浓度缓蚀剂在洁净金属表面迅速形成致密均匀的缓蚀保护膜,既控制住初始的高腐蚀速率,又为其后长期运行建立良好的缓蚀保护基础。
中央空调水质处理工作流程
中央空调水质处理工作流程通常包括以下步骤:
1. 水质测试:首先需要对中央空调系统的水进行测试,以确定
其水质情况。
测试项目包括总硬度、碱度、酸度、总溶解固体、氯
含量等。
2. 水处理剂投加:根据水质测试结果,选择合适的水处理剂进
行投加。
水处理剂可以包括缓蚀剂、阻垢剂、杀菌剂等。
投加的目
的是防止水垢、腐蚀和微生物生长等问题。
3. 混合搅拌:投加水处理剂后,需要进行充分的混合搅拌,以
确保水处理剂均匀分布在整个水系统中。
4. 过滤处理:在中央空调系统中设置过滤器,对水进行过滤处理,去除悬浮物、颗粒物和杂质等。
5. 循环水处理:中央空调系统中的循环水需要定期进行处理,
以保持水质的稳定。
处理方法包括定期排污、补充水处理剂、调整
水质平衡等。
6. 定期清洗:定期对中央空调系统进行清洗,清除系统内的污
垢和沉积物。
清洗方法可以包括化学清洗、机械清洗等。
7. 监测与调整:定期对中央空调系统的水质进行监测,包括
pH值、溶解氧、浊度等指标的检测。
根据监测结果,进行必要的调
整和优化。
8. 定期维护:定期对中央空调系统进行维护,包括清洗过滤器、检查管道和阀门的状况、更换损坏的部件等。
以上是中央空调水质处理的一般工作流程,具体的操作步骤和方法可能会根据不同的中央空调系统和水质情况有所不同。
在实际操作中,应严格按照相关规范和标准进行操作,并定期对水质进行监测和评估,以确保中央空调系统的正常运行和水质的安全。
空调水处理操作规程范文一、概述本操作规程旨在规范空调水处理操作流程,确保空调系统的正常运行和水质的稳定性。
所有执行人员必须按照本规程中的步骤进行操作,确保操作过程的安全性和水质的净化效果。
二、操作准备1. 准备所需工具和器材,包括水质测试仪器、清洁工具、化学处理剂等。
2. 确认空调系统从电源中断电,并关闭相应阀门。
3. 检查空调水处理设备的工作状态和总览图,确保其正常运行和连接状态良好。
三、操作步骤1. 清洗空调水系统a. 打开空调水系统的排放阀,将废水排放至污水处理设备。
b. 使用清洁工具,彻底清洗空调水系统内的杂物和污垢。
c. 关闭排放阀,打开系统的供水阀门。
2. 测量空调水质a. 使用水质测试仪器对供水口和回水口的水质进行测试。
b. 记录水质测试结果,并与标准值进行比较。
3. 添加化学处理剂a. 根据水质测试结果,确定需要添加的化学处理剂种类和剂量。
b. 按照操作说明书的要求,将化学处理剂逐步加入到系统中。
c. 确保化学处理剂的混合均匀,并等待一段时间以使其发挥作用。
4. 冲洗空调水系统a. 打开空调水系统的洗涤阀,将系统内的化学处理剂和杂质排放至污水处理设备。
b. 关闭洗涤阀,打开系统的供水阀门。
c. 重复以上步骤,直至冲洗水呈清澈无浊。
5. 检测水质稳定性a. 使用水质测试仪器对供水口和回水口的水质进行再次测试。
b. 比较测试结果与标准值,确认水质的稳定性。
6. 记录和报告a. 将操作过程中的关键步骤、水质测试结果和化学处理剂使用记录进行详细记录。
b. 将操作记录和测试结果报告提交给相关部门,并妥善保存备查。
四、操作注意事项1. 操作人员必须戴好个人防护装备,如手套、护目镜和口罩等。
2. 操作过程中严禁吸烟、闲聊和乱扔垃圾等行为。
3. 严禁将化学处理剂直接接触皮肤,如不慎接触到皮肤,请立即用清水冲洗并及时就医。
4. 操作结束后,对操作区域进行清理,严禁将化学处理剂和废水随意倾倒。
5. 如有突发情况或操作不当引发异常情况,请立即停止操作并汇报相关部门。
高层住宅空调水处理施工方案为了确保高层住宅的空调系统运行正常,改善室内空气质量,我们将采取以下空调水处理施工方案。
一、施工前准备工作在开始施工前,我们将进行详细的现场勘察和调研,了解高层住宅的建筑结构、空调系统布局以及水处理设备的安装位置。
同时,我们将与业主或物业管理方沟通,确保施工期间对住户的影响最小化。
二、水质测试和分析针对高层住宅的水质特点,我们将采集水样进行测试和分析。
通过检测水中的硬度、PH值、浊度、余氯含量等指标,确定适用的水处理方案,并根据水质分析结果进行调整。
三、防腐措施为了防止管道和设备内部的生锈和腐蚀现象,我们将根据水质分析结果选择合适的防腐剂,并按照相应比例投加到空调水系统中。
同时,我们将定期检查和更换防腐剂,以保证长期的防腐效果。
四、水处理设备的安装与调试根据高层住宅的空调水系统特点,我们将安装适当的水处理设备,如过滤器、软化器、消毒器等。
在安装完成后,我们将进行系统调试,确保设备正常运行,并根据实际情况进行参数的调整。
五、系统运行监测与维护在施工完毕后,我们将设立定期的巡检和维护计划,监测空调水系统的运行情况。
定期进行水质测试,检查设备运行状态,并进行必要的清洗和维护工作,以确保水处理系统的持续有效运行。
六、售后服务与技术支持我们将提供全面的售后服务和技术支持。
业主和物业管理方在使用过程中遇到任何问题,均可随时联系我们的技术人员,并及时提供解决方案和技术支持。
通过以上的高层住宅空调水处理施工方案,我们将确保空调系统的正常运行,提高室内空气质量,为高层住宅的居民提供一个舒适、健康的生活环境。
中央空调清洗方案一:项目背景贵公司的中央空调系统为开利冷水机组,型号冷吨,台。
在连续运行使用中,本着对空调系统的维护保养及本公司员工的身体健康高度负责的精神,贵司决定对其中央空调系统进行清洗,还办公区更清新的空气,给公司员工提供更舒适的办公环境。
公司工程技术人员通过会议研究并向有关工程技术人员进行了解,制定了本施工方案。
二:工程地点该工程位于三、工程范围及主要实物量、工期:工2程.范1围:对冷水机组水系统冷却水、冷却塔、冷冻水进行清洗、保养、预膜;对冷凝器进行清洗、除垢;主要实物:开利离心机冷水机组,型号冷吨台冷凝器清洗;冷却塔清洗;冷冻水系统保养;冷却水系统保养、杀菌。
清2洗.工3期:全年维保(维保单详见附件)四、清洗水处理质量标准除垢率:>%;腐蚀率:碳钢<•铜<(•);钝化膜完整致密。
符合一2工业设备化学清洗质量标准》中3央.空4调水处理控制指标:、腐蚀率:碳钢W5铜及铜合金W5、污垢热阻率或〜X一・℃・、水3质指标冷冻水单位值PH 〜.0电导率W铁离子W mg铜离子W mg细菌总数<X 个/五、冷冻水系统清洗范围冷冻水系统清洗包括主机蒸发器、型水过滤器、循环管道、末端表面冷却器(风机盘管)的清洗,即在冷冻循环泵运行条件下,将清洗剂加入冷冻水中(从膨胀水箱加),清洗剂即与系统内污垢(水垢及金属锈蚀产物)发生反应,将污垢溶解剥离分散于水中,通过排污、清水置换、拆洗型水过滤器,使系统内壁恢复洁净状态,并对系统金属表面进行钝化处理,使金属表面形成一层耐腐蚀保护膜。
冷冻水系统清洗作业程序及要点:冷冻水系统清洗按下面程序进行:清洗前准备f杀菌灭藻一水洗置换f 化学清洗除垢f水洗置换一钝化预膜f水洗置换一检查验收:将系统内余水排尽,检查排1、清洗前准备:系统保有水量测定方法水阀是否完好;在补水管上安装水表,记下读数;向系统补水至补满,记下读数;前后两次读数差值即为系统保有水量。
此数据较为重要,清洗用药量及日常保养药量都用它计算。
空调水处理操作规程一、操作前的准备工作1.根据空调系统的设计和水质要求,选择合适的水处理药剂和设备,保证水质达标。
2.准备必要的工具和仪器,如水质测试仪器、管道清洁工具等。
3.关停或分区停机空调系统,确保操作安全和顺利进行。
4.集中准备所需药剂,并按照规定的比例进行调配。
二、水质测试与分析1.使用水质测试仪器对循环水进行测试,包括总硬度、总碱度、pH值、游离氯含量等。
2.根据测试结果进行水质分析,判断是否需要采取相应的调整措施。
三、清洗与排污1.清洗循环水管道和设备,包括过滤器、冷却塔、冷凝器、蒸发器等。
2.定期排污,清除循环水中的杂质和污垢,避免对系统造成影响。
四、药剂投加1.根据实际需要,按照药剂生产商提供的使用方法和剂量要求进行投加。
2.确保药剂的均匀分布和充分溶解,避免药剂沉淀或结垢。
五、维护保养1.定期检查空调系统的运行情况和水质状况,发现问题及时处理。
2.检查循环水过滤器、水泵、风扇盘管等设备的运行状态,确保其正常工作。
3.定期清除冷却塔、冷凝器等设备表面的污垢和藻类,避免影响系统散热效果。
六、记录与报告1.对每次操作进行详细的记录,包括操作步骤、使用的药剂和药剂剂量、操作人员等。
2.定期向上级提交水质监测报告,包括水质测试结果、药剂使用情况等。
3.根据需要,及时向上级汇报系统运行状况和问题处理情况。
七、安全与环保1.操作人员需佩戴适当的防护用品,避免药剂和污水直接接触皮肤或吸入。
2.合理使用和储存药剂,注意防火、防潮和防毒。
3.将废水和废药剂按照相关环保要求处理,防止对环境造成污染。
以上是空调水处理操作规程的一般内容,具体操作细节可根据不同的空调系统和实际情况进行调整和补充。
在操作过程中,应严格遵守安全操作规程,保证水质达标和系统的正常运行。
遵义沃尔玛春天堡分店中央空调水处理施工方案及价格预算长沙紫光制冷设备有限公司贵公司中央空调系统采用水冷式中央空调机组制冷量为120万千卡/小时、18万千卡/小时各1台,根据空调应用的实际情况,特作以下施工方案和价格预算。
施工方案一、前期工作(1)了解系统情况,包括系统分布情况、保有水量、工作场地等。
(2)组织好人员进行具体分工,以利于工序的正常进行。
(3)组织好水处理所需要的药剂,全部运到现场。
(4)将所需水处理设备运至现场二、系统清洗根据冷却水和冷媒水两循环系统的不同特点,采用化学的物理方法相结合进行系统清洗和水质稳定处理。
冷却水系统主要解决腐蚀、硬垢、软垢、菌藻滋生等障碍;冷媒水系统主要解决腐蚀障碍,兼顾软垢及菌藻繁殖,降低系统污垢热阻,以恢复系统清洗金属表面。
具体施工步骤:(1)冷却塔底,膨胀水箱内清除污泥、杂物,提高清洗剂有效利用率。
(2)分别由冷却塔和膨胀水箱内加入相应量的杀菌剂、剥离剂、开泵循环6—8小时,进行系统杀菌剥离,保证下一步清洗工作高效进行。
本公司杀菌剂采用广谱杀生剂,能有效地控制和杀死各类微生物—细菌和藻类,特别是形成粘泥的微生物;对环境无污染、且具有分散生物粘泥能力,从而避免粘泥剥离后成块堵塞支管现象。
(3)在系统分别加入高效复合清洗剂、除垢剂、缓蚀剂、开泵循环16小时以上,使垢、锈彻底从管壁脱落,以悬浮颗粒的形式随排污程序排出,缓蚀剂主要是保证清洗过程高效安全的进行。
(4)再次清除冷却塔内污泥、杂物,并拆洗系统主管道上Y型过滤器,消除堵塞铜管的事故隐患。
(5)系统补充清水循环,视系统情况重复以上程序,直至清洗达到要求。
现场清洗工作由本公司派技术人员到场,根据清洗药剂的消耗、水的浊度、水中铁离子浓度变化、PH值等情况综合判断决定药剂补充,放水及清洗过程结束。
三、预膜处理预膜处理也叫基础处理,即在清洗结束后整个系统的运行初期,用预膜药剂使活化的金属本体表面迅速形成一层完整而致密稳定的保护膜,有效阻止有害介质对设备的侵蚀。
XXXXXXXX有限公司中央空调水质处理方案及预算XXXXX暖通设备有限公司公司电话目录一、工程方案及工程报价二、中央空调水处理的必要性及清洗原理三、中央空调水系统清洗及日常维护方案四、中央空调水处理预算五、水处理验收标准六、技术质量保证七、仪器仪表的保护措施八、安全文明施工2工程方案及工程报价致:XXXXXXXXXXX有限公司首先,感谢贵公司给予我方报价机会,根据贵方设备目前使用情况以及贵方提供给我方的设备参数,我方对贵公司中央空调进行水质处理并安装加药装置,并作出如下工程方案及报价:本次工程总费用为陆万壹仟捌佰元整(¥:61800.00)以上报价按如下条件作出:①本报价单费用为一年中央空调水系统清洗处理费用;②工程内容为:中央空调水系统清洗、预膜、投加药物等。
③付款方式:工程竣工,甲方验收合格(一星期内)一次性付工程款的95%。
余款5%作为质量保证金。
合同期满一次性付清。
希望本方案能符合贵公司的技术要求,并作出答复,我方将以精良的人本、优质的服务,为您创造一个温馨的工作环境。
XXXXXXXXXX暖通设备有限公司2009-5-25中央空调水处理的必要性及清洗原理一、中央空调水处理的必要性:空调系统的水处理就是对空调系统的水进行化学处理,改善循环水的水质。
中央空调的水系统分为冷却水和冷冻水两个部分,其中冷却水系统靠冷却塔散热,把负荷上的热散于大气之中。
但水在冷却塔中溅成无数小水珠或在填料表面成膜状流动,把空气中大量灰尘、微生物、可溶性盐及腐蚀性气体等带入冷却水中,使水中杂质不断增加;此外由于水不断蒸发,使水的硬度不断提高,这给中央空调系统的运行带来很多危害。
①产生水垢降低制冷效果,增加能源消耗,严重时造成主机停机。
由于水中溶有大量碱土金属离子和碳酸氢根离子等,这些离子遇热后生成不溶解的盐类(如CaCO3,MgCO3等),它们沉集成块即为水垢。
水垢的导热系数小于0.8,而紫铜管的导热系数为320,两者相差400倍。
中央空调水质处理全年工作方案
Ⅰ、清洗、预膜工作
一、冷冻水系统
1、清洗膨胀水箱,然后于水箱投加杀菌灭藻剂、污泥剥离剂,启动冷冻泵循环24小
时,作全系统的杀菌剥污泥处理。
2、于膨胀水箱投加清洗剂,启动泵循环24小时,可将系统内的浮锈、油污渗透剥离。
3、于冷冻水最低点排放冷冻水,将剥出的锈渣、污泥排出冷冻系统之外,打开冷冻丫
形过滤器,清除滤网上的污杂物,加水和消泡剂排气,水加满后,启动冷冻泵循环
24小时,停泵、排污,如此重复4~5次,至排出的冷冻水浊度降到10mg/L以下时
停止排污。
4、加入锈垢清洗剂和分散剂,启动冷冻泵循环,定时分析浊度和铁离子浓度,清洗到
浊度和铁离子浓度的增加渐趋于缓慢和稳定时,待浊度连续三小时不再增加和出入
口水铁离子不变时清洗结束(清洗时间需24小时左右),进行排污同时加入少量的
中和剂,严格控制水系统的pH值为8.0左右。
5、尽可能地对系统大量排水和大量补水,进行置换,当浊度降到10mg/L以下时,停
止排污。
系统加满清水,加入pH值调节剂及于膨胀水箱投加冷冻水缓蚀剂和钝化
剂,加药后启动冷冻泵循环4~8小时,使药物均匀分布于整个冷冻系统,同时调
节系统的pH值为8.0~10.0。
冷冻水系统清洗、预膜完毕。
二、冷却水系统
1、清洗时,先打开冷凝器端盖,检查冷凝器铜管是否有结垢现象,如有则采用一个外
接泵,用除垢液、中和钝化液、预膜液分三步清洗冷凝器铜管,使铜管热交换效率
保持良好;如铜管无垢,但有生物污泥或锈渣等,则用通炮器逐一铜管通炮,通完
炮再用系统的水冲洗之。
2、冷凝器端盖用专用打磨机刮锈,并涂上防水防锈漆,待漆干透后装回端盖,使之完
全复原。
3、排放冷却塔内冷却水后,用人工方法清洗冷却塔外围及冷却塔,清除塔盘上的灰尘、
污泥,洗完塔补满水后投加杀菌灭藻剂、污泥剥离剂、油污清洗剂和消泡剂,开冷
却泵循环24小时,作全系统的杀菌灭藻剥浮锈除油污处理。
4、采用边排边补水的方法,清洗整个冷却水系统,清洁后,开启冷却丫形过滤器,清
除过滤器上的污杂物。
5、冷却系统、冷凝器清洗完毕,于冷却塔投加预膜液,开泵循坏48小时,对全系统
进行化学预膜处理,使管道形成一层均匀致密的保护膜以控制系统的锈蚀速度。
6、边排边补冷却预膜水,并按系统保有水量投加适量的缓蚀阻垢剂,开泵循环半小时,
机组可转入正常运行。
冷却水系统清洗、预膜完毕。
全部工作完成后,三天内出具一份详细的工作报告(需有甲方人员核实签字)。
Ⅱ、日常水质保养
一、冷冻水系统
1、每季度交替投加几种不同的杀菌剂控制好生物粘泥。
2、每周定期投加一定量的缓蚀阻垢剂。
3、每月清洗一次膨胀水箱。
4、每月分析水质一次,并及时向甲方提交分析报告。
二、冷却水系统
1、加药工作:
①每周投加缓蚀阻垢剂。
②开机阶段,每周交替投加杀菌剂作杀菌灭藻处理。
2、洗塔工作:
每月至少清洗一次冷却塔。
如环境较差,影响冷却传热,此时则应采用投加不同的杀菌灭藻剥粘泥剂,投药后水中悬浮物含量升高,保持运行约20小时,再进行
适当排污,将剥离的悬浮物排出系统之外,并将洗塔周期缩短至20天或半个月一次。
3、分析化验工作:
每月洗塔前应取水样进行分析,如出现某个项目超标,则应调节水稳药的成份和调整其药量或加大杀菌剂药量,使之达到合同水质标准。
4、排污工作:
深圳、广州地区的自来水的总硬度虽不高,但在冷却水系统中经蒸发浓缩后其浓缩倍数往往很高,尤其在夏季高温季节,浓缩倍数往往达8倍以上,所以必须进行及时合理的排污。
5、湿保工作:
冬季停用空调,此时不存在结垢问题,但锈蚀较易发生,所以应于冷却系统在冬季停机时,进行停机湿保,加入湿保剂,防止系统锈蚀。
6、应急服务:
如在机组运行过程中冷凝器出现温差小、压力高的现象,甲方通知乙方,乙方在2小时内赶到现场,对冷凝器进行化学清洗,排除冷凝器脏堵的因素。
7、其它:
①乙方安排施工人员洗塔或排污时,应至少提前一天与甲方约定好。
②乙方加药或洗塔时,必须戴工作证、穿戴工作服,并征得甲方人员同意后,方可
进行工作,且应在甲方工作人员的陪同下进行,工作完毕后必须填写一式两份工作单交与甲方加签意见并签名认可。
③乙方管理工程师每月至少一次不定期到甲方巡访,观察和了解水质情况及主机运
行相关数据,并填写一式两份巡点单。
此单也需有甲方人员加签意见并签字确认。