打印控件、二维码安装步骤
- 格式:docx
- 大小:1.13 MB
- 文档页数:11
机动车销售发票二维码打印系统简要安装说明1、通过“控制面板”的“添加或删除程序”卸载旧版本的机动车销售发票二维码打印系统。
2、运行“机动车销售发票二维码打印系统安装盘(新版开票软件专用版).EXE”进行新软件的安装,所有默认下一步即可。
如安装过程中有类似360安全卫士的提示,请选择允许程序所有操作。
3、运行桌面的“机动车销售发票二维码打印系统”,如出现以下界面:请输入机动车销售发票税控发票开票系统使用企业的纳税人识别号。
4、如出现以下界面:请选择Yes,输入二维码标签纸外包装上的序列号,请辐入标签纸包装護上面的序列号,I -I -I -I -I -I标签序列号必需设龙*否则会造成务码标釜不能正當打印,画I 提示:如果本电脑不能访问互匿厕,输入序列号前僑先在能谊问互匿厕的电脑上打进行标签妖序列号注旺卞载获得对应的注册文件(列tmdat)・通过优盘需止文件拷贝到本电脑匚盘根目录,再进行序列号的输入.输完序列号点击应用按钮,如果提示以下界面表示序列号正确Array5、如出现以下界面:请从机动车销售发票二维码打印系统主界面的顶部按钮选择系统初始化按钮,从打印机型号中选择电脑上已有的激光打印机,点击应用按钮6、以上步骤都正确完成后,点击主界面的“系统退出”按钮完成机动车销售发票二维码打印软件的安装和配置,还需要进行税控发票开票系统和打印机自定义纸张的设置。
7、打开“税控发票开票系统”,进入“系统设置”的“参数设置”,选择“运行参数”标签:在“机动车销售统一发票导出”栏目,选择“自动导出”,并且点击浏览按钮将“导出路径”设置为,点击确定按钮即可。
8 进入Windows系统的打印机和传真设置界面,对用来打印二维码的打印机进行自定义纸张设置(不同品牌型号的打印机请参考打印机的用户手册),自定义纸张宽度为76毫米,高度为144毫米,如宽度数值自动被打印机设置为类似76.2毫米的不影响。
Zebra(斑马)条码打印机驱动安装及ZebraDesigner操作指导一、安装驱动程序将斑马打印机与电脑连接,打开电源;然后把斑马打印机自带的关盘放入电脑光驱中,双击自动运行.如果电脑没有自动运行而是打开了光盘,那么在光盘中找到””的文件双击运行此文件.在这个页面中选择打印机型号,点击”运行Zerbra Setup Utilities”前面的黄色剪头,弹出窗口点击按钮”Install New Printer”,弹出安装打印机驱动窗口,点击”下一步”,弹出窗口点击”安装打印机”按钮,弹出窗口选择所购买的打印机型号,点击”下一步”按钮,弹出窗口选择打印机可用端口,一般情况下,建议使用USB数据方式连接打印机和电脑,端口选择完成后点击”下一步”按钮,将”开始安装Zebra Font Downloader Setup Wizard(L)”前的勾选去掉,点击”完成”按钮;二、安装ZebraDesigner软件回到如下页面按照图片所示点击红圈位置选择”简体中文”点击”确定”按钮按照图片所示点击操作点击下一步如有需要,在红圈处更改软件安装路径,一直点击下一步,直至安装完成;三、使用ZebraDesigner软件进行标签模板的编辑选择创建新标签,点击完成按钮选择打印机驱动,点击下一步按钮将自动调整大小前面勾选去掉,填写正确的纸张大小,注意单位是毫米,填写完成后,点击下一步注意下一步到此页面,标签宽度和标签高度是不是和实际纸张大小一致,如果不一致修改,最后点击完成按钮四、添加/编辑条码:点击主界面左侧条码按钮,再在标签模板空白处左键单击,弹出页面之后,在固定条码数据中填入需要的数据内容,在条码类型中选择需要的条码类型,默认条码类型为CODE128,点击完成按钮如果需要对已经产生的条码进行更改,双击条码即可弹出条码向导页面五、添加/编辑文本:点击主界面左侧文本按钮, 再在标签模板空白处左键单击,弹出页面后,在固定文本中填入需要输入的文本内容,点击选择按钮选择需要的文本字体,建议使用黑体作为打印字体,更加清晰容易识别,点击完成按钮六、打印点击主界面上方的打印按钮,弹出窗口在数量中更改需要打印的数量,单击打印完成打印操作。
Lis条码打印机安装步骤条码打印机安装步骤一、方法一1、安装驱动,型号选择gk888t,不要选gk888t epl2、设置端口,在安装驱动时设置如果安装驱动时没设置,可以在驱动安装好后设置,驱动安装好连接上打印机,打开打印机电源后,在控制面板-》设备和打印机中会自动创建一个gk888t epl的打印机,分别右键gk888t和gk888t epl-》打印机属性-》端口,将gk888t设置为usb001端口,gk888t epl设置为lpt1端口3、设置标签库,右键gk888t打印机-》打印机首选项-》标签库-》新建,按图示设置打印浓度、尺寸、非打印区域数值,非打印区域数值可以根据打印情况调整图 1图 24、选择标签和设置份数,右键gk888t打印机-》打印机首选项-》选项,按图示选择刚新建的标签5、校正介质,右键gk888t打印机-》打印机首选项-》工具,按图示命令类型选择:操作,命令名称选择:校正介质,后点发送,打印机会自动校正介质,也就是打印机会自动检测标签纸的大小和出纸位置,在这里的其他命令可以根据实际情况发送到打印机进行相应设置6、进行完上面的步骤后就可以在his里选择gk888t打印机打印了。
二、方法二按键设置,比较麻烦,长按进纸键按钮使指示灯呈绿色并闪烁,闪烁次数代表如下意思:注:闪烁次数是第一次闪一下,大二次闪两下,不是总共闪的次数闪1次:此时放开进纸键按钮,打印当前打印机配置参数。
闪2次:此时放开进纸键按钮,打印机会进入介质感应模式,打印机自动测出条码打印纸长度,并停在正确的撕纸位置,自动保存打印参数。
闪3次:打印机自动调整打印机的波特率。
闪4次:打印机将把所有设置恢复到出厂参数,并自动测纸,自动保存参数。
闪5次:打印机进入打印宽度打印调整模式。
闪6次:打印机进入调整打印深度模式。
闪7次:打印机退出设置模式,返回ready状态。
感谢您的阅读,祝您生活愉快。
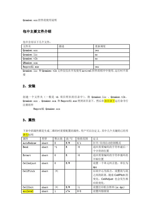
控件的使用说明包中主要文件介绍包中含有以下几个文件:和文件仅仅在开发使用ActiveX控件的程序中使用。
运行时不需要2、安装创建一个文件夹(一般是vb项目所在的目录中),将、、、和拷到该目录下,然后在该目录下运行命令行注册组件Regsvr323、属性下表中的属性都是生成二维码时需要配置的属性,用户可以自定义。
其中几个关键的已经用黄色标明错率为:25%)3对应H等级(最大纠错率为:30%)InputData r/w输入要编码的字符串ModelNo short2r/w1-3设置QR码的模式numcell short r返回创建的额QR码图像中每条边上的单元个数picture r返回创建的二维码图片QuietZone5r/w设置二维码页边距(周围空白区域宽度)Rotate short00-3设置图片旋转角度(0,,270) TextOrBinary0r返回当前编码模式,文本还是二进制4、对属性批注1)ModelNo属性设置QR编码所属的编码类型(ModelNo):其中1对应编码类型为Model 13对应编码类型为MicroQRQR编码是一种二维matrix编码,它是由很多不同的正方形模式组成,它由三种类型,即model 1、model2和MicroQR,其中model 1和model2在三个角都有检测模式,MircroQR只有一个角有检测模式,检测模式形如正方形块,如下图所示:不同的编码类型,如下图所示:Model 1Model2Micro QR 编码类型:Model 1:是一种原始编码。
Model 2:在Model 1的基础上的加强版的QR编码方式,有更大的数据存储量。
MicroQR:适用于存储数据流少的编码方式数据与编码块的对应关系:黑块表示二进制1,白块表示二进制0编码格式Model 1: 21×21块~ 73×73块 (版本号由1~ 14 版)Model 2:21×21块~ 177×177块(版本号由1~ 40 版)MicroQR:11×11块~ 17×17块(版本号由M1~ M4版)编码与最大数据量关系:Model Cells/side Numerics Alphanumerics Binary Kanji Model114731167707486299 Model2401777089429629531817 MicroQR M4173521169存储数据实例图:2)Rotate属性作用:设置QR编码图片旋转角度0 对应旋转 0度1对应旋转90度2对应旋转180度3对应旋转270度如下图所示:旋转0°旋转90°旋转180°旋转270°5、使用实例(VB版)5、vb中使用的简单例子一定要安装,见章节2.使用例子:1)创建一个vb项目,然后通过“工程-部件”,找到”QRmaker ole controlmodule”,点上对号,然后点击确定,可看到项目左侧的“工具箱”中会有这个,把这个拖拽到你创建的窗口中就行,大小自己调整2)Dim codetext as string‘codetext为编码内容,自己写=codetext ‘QRmaker1为刚才你拖放时生成的对象名(java中这样称呼),系统默认为这个名称好了,就是这么简单。
打印条码操作步骤
一、准备条码标签纸和条码打印机
在开始打印之前,需要准备足够的条码标签纸和一台可靠的条码打印机。
确保标签纸的大小和规格符合打印需求,同时选择一台与电脑兼容的条码打印机。
二、安装条码打印机和标签纸
按照条码打印机的说明书,将打印机正确安装在稳定的位置,并装入准备好的条码标签纸。
确保标签纸的卷轴和打印头位置正确,并调整打印机的标签纸感应器。
三、连接打印机与电脑
使用合适的线缆将条码打印机与电脑连接起来,确保连接稳定可靠。
在电脑上安装打印机的驱动程序,以便能够正确识别和控制打印机。
四、设计条码标签
打开条码打印软件或使用在线条码生成器,根据需要设计和创建条码标签。
输入相应的文本、数字或扫描码等内容,选择合适的条码类型(如Code 128、EAN等),并调整标签的布局、字体和大小等样式。
五、打印条码标签
在完成标签设计后,选择打印设置,如纸张大小、标签数量、打印份数等。
点击“打印”按钮,将条码标签发送到打印机进行打印。
六、检查打印效果
打印完成后,仔细检查打印的条码标签,确保标签清晰、完整且易于扫描。
如果发现打印问题,如模糊、错位或无法扫描等,需要根据问题调整打印参数或重新设计标签。
七、调整打印参数
根据实际打印效果,可以调整打印参数,如打印速度、温度、墨带张力等,以提高打印质量和效率。
在调整参数时,建议先进行小批量测试,确保参数调整合适后再进行大规模打印。
1.单据打印模板1.1单据模板位置(以备料通知单(条码)为例)1.打开UBF,点击报表打印个性化切换2.点击登录3.输入效劳器,点击刷新,找到相应企业,组织,然后输入用户名和密码4.点击最右边的连接,选择打印元数据库5.在文件夹下MO---备料通知单(条码)6.双击{zh-CN}{zh-CN} 即可看到备料通知单(条码)的模板,其他模板同理可找到。
1.2单据模板复制和修改操作(以备料通知单(条码)为例)1.2.1 单据模板的复制1.找到备料通知单(条码)模板,右键选择另存为,输入名称,描述信息,确信。
2.另存模板位置如图所示:1.2.2单据模板的修改假设需修改预制单据模板,请复制预制模板另存为自概念模板,在新模板上进行修改操作。
若要修改自概念模板可直接修改。
1.2.2.1 单据行条码为例1.点击行上最右边的条码,查看报表属性即可看到该条码的所有属性。
属性_条形码:可在选项当选择用户适用的码制属性_文本:在打印模板中增加一个函数GetBarCode,GetBarCode('条码类型标识'),GetBarCode('条码类型标识',条码规那么编码'')。
关于头条码,行条码,子行条码来讲,不需要传递参数。
关于料品条码那么需要在模板上指定对应的条码规那么头条码:文本应为行条码:文本应为子行条码:文本应为料品条码:文本应为其中‘001’对应的条码规那么1.2.2.2 单据行条码修改举例:将行上的条码修改为料品条码信息1.选择行上某个字段位置,右键选择在左侧插入列点击左侧字段,将ItemBarCode拖放到新增列里面,点击=Fields!ItemBarCode.Value,右边查看属性,点击属性条形码,选择二维码格式点击文本选择,输入表达式,其中‘001’是对应的条码规那么。
最终结果如下图:同理:行上打印出子行条码信息,操作如上只只是将文本表达式改成1.2.3单据模板的发布步骤一:点击做好的模板,右键选择发布应用步骤二:选择要发布的数据库效劳器步骤三:点击下一步步骤四:假设需要将该新做的模板作为默许的那么需要勾选设定默许参照,不需要那么不需要勾选,然后点击下一步步骤五:点击执行步骤六:点击下一步,点击确信,发布成功。
商家手册2016.8目 录打印组件商家手册服务公告服务价值操作指引服务公告(商家)《关于对菜鸟打印组件进行升级的公告》2016年,愿更好的为今年的双十一打单保驾护航,菜鸟打印组件将会从本月起联合各家第三方软件服务商、快递公司对打印组件进行升级。
升级后的CAINIAO打印组件由官方自研,兼容性好,系统稳定,取号更快捷!请尽快联系您的ISV(第三方软件服务商)进行新打印组件模板的切换。
打印组件商家手册提升页面信息 - 准确性l 保障页面信息准确性,降低因包裹信息不全、有误退回的情况发生l 服务信息更准确,便于快递小哥按需配送服务价值为什么要对 打印组件 进行升级?提升操作 - 效率l 电子面单+拣货单 2合1,节省成本,提升效率l 解决打单过程中出现的漏打、重打问题提升自定义区 - 体验l 标准模板自定义区增高至4cm,承载更多个性需求l 自定义区可作留底联(需配合快递网点提供的新样式面单)官方出品打印组件商家手册W=100mm H=180mm 产品服务的表达更准确、清晰货到付款服务、VIP用户等产品服务的显示更加清晰准确物流服务信息表达准确无误标准快递、COD、时效类服务等打印组件 标准模板 -示例1三段码展现完整、准确、清晰分单的三段码得以有效展现12 34打印日期、批次、序号完整展现批量打印、中断打印的参考项上联(快递联)下联(买家联)商家自定义区(H=4cm) 5商家自定义区拣货单、品牌透传、营销信息完全自定义W=100mmH=180mm产品服务的表达更准确、清晰货到付款服务、VIP用户等产品服务的显示更加清晰准确物流服务信息表达准确无误标准快递、COD、时效类服务等三段码展现完整、准确、清晰分单的三段码得以有效展现上联右下角的二维码聚合分单信息将三段码融入二维码中,便于快递公司实现全自动分拣12345打印日期、批次、序号完整展现批量打印、间断打印的参考项上联(快递联)下联(买家联)商家自定义区(H=4cm)7商家留底联固定格式,贴面单前撕下,对帐凭证打印组件 标准模板 -示例2新增刀切线面单打印后直接沿虚线撕下保存留底(新式面单纸张由快递网点提供)6CAINIAO打印组件操作指引商家手册安装组件1. 下载“CAINIAO打印组件”安装程序Setup.exe 这是打印组件的安装程序,双击安装进入安装界面;2. 点击“下一步”3. 点击“我接受”商家手册安装组件4. 点击“安装”5. 点击“完成”组件属性6. 安装完毕后打印组件自动启动,点击任务栏图标可对打印组件进行设置;点击打印机——打印选项,可进入打印配置,设置偏移、缩放及定制面单纸等选项商家手册安装完毕后会自动运行,在系统任务栏可看到组件图标,点击图标可进行相关设置控件属性ü当商家使用有快递公司LOGO的打印纸打印面单时,请勾选“已印刷上联LOGO”和“已印刷下联LOGO”;ü当商家使用无快递公司LOGO的打印纸打印面单时,请勾选“已印刷上联LOGO”和“已印刷下联LOGO”,系统会打印对应模板中的快递公司LOGO商家手册ü不同打印机设置不同,可能会出现内容偏移,进入打印配置中调整偏移量即可完美打印商家手册商家操作1. 进入编辑器登陆界面,输入账号密码登陆编辑器商家手册商家操作2. 进入编辑器,可看到各快递公司的标准模板3. 点击您常用的快递公司标准模板,创建模板名称,建立自己的自定义面单模板商家手册商家操作3. 点击任一自定义模板,可编辑自己的电子面单模板商家操作ü编辑器提供文本、形状、图片、二维码与打印项5中编辑选项ü文本编辑支持横排与竖排文本ü形状编辑支持横线、竖线与矩形框选项ü图片编辑支持插入本地图片,格式为jpg、png、gifü二维码选项可调整二维码的位置、大小,同时可编辑二维码对应的网址ü打印项由各ISV提供ü商家仅可编辑商家自定义区的内容ü可根据自身需求编辑任意内容,包括不限于收件人地址、促销信息、商品备注、营销二维码、商家logo等商家手册商家操作ü图片编辑支持插入本地图片,格式为jpg、png、gifü编辑器提供文本、形状、图片、二维码与打印项5中编辑选项ü文本编辑支持横排与竖排文本ü形状编辑支持横线、竖线与矩形框选项商家手册商家手册商家操作ü二维码选项可调整二维码的位置、大小,同时可编辑二维码对应的网址ü打印项由各ISV提供,例如商品名、下单时间、买家旺旺名称等订单信息,用户点击即可添加至自定义区商家手册商家操作ü模板编辑完毕后,选择预览,可查看模板预览效果,预览提供PDF与HTML两种形式ü模板编辑完毕后,记得一定要先点保存、再点发布,模板才能生效End打印组件商家手册服务公告(ISV)《关于对菜鸟打印组件进行升级的公告》2016年,愿更好的为今年的双十一打单保驾护航,菜鸟打印组件将会从本月起联合各家第三方软件服务商、快递公司对打印组件进行升级。
IE8浏览器安装打印控件操作流程参考
1、点击【打印】或【套打】后,浏览器上方弹出加载项弹出窗口,点击此消息,选择【为此计算机的所有用户安装此加载项】
2、浏览器提示确实要离开改页面,单击【确定】
3、点击【重试】
4、重新打开单据或凭证,点击【打印】或【套打】,浏览器弹出如下窗口,点击【更多选项】,选择【总是安装来自“北京久其软件股份有限公司”的软件】,点击【安装】,打印控件安装完毕,即可打印或预览。
注意:不要选择【每次都询问】,可能会重复提示安装!
Win8或win10的电脑操作系统,使用IE11浏览器安装打印控件
1、关闭控制面板的【更改用户帐户控制设置】为从不通知,重启电脑后生效;
2、重启电脑后,右键点击IE11功能图标,选择【以管理员身份运行】启动IE11(32位),即可安装打印控件;.
3、登录系统,点击单据打印按钮,弹出安装控件提示窗口后按IE8安装流程安装即可。
TSC条码打印机驱动安装及BarTender操作指导第一篇:TSC条码打印机驱动安装及BarTender操作指导TSC(台半)条码打印机驱动安装及BarTender操作指导一、安装驱动程序首先将打印机通过USB通讯线连接到电脑,开机;在电脑光驱中放入驱动光盘,在我的电脑中找到光盘图标,右键---打开光盘,光盘中找到打印机驱动软件,驱动软件的路径为:光盘:Driver,驱动软件为DriverWizard.exe双击DriverWizard.exe文件来运行驱动程序,不需要修改设置,直接点击“下一步”直至“完成”。
二、安装BarTender软件BarTender软件路径为:光盘:BarTender,在文件夹中找到BT100_SR1_2846UL_TSC.exe文件,双击此文件来运行安装:默认为简体中文,不需要修改,左键单击”确定”;有任何提示安装的插件请点击”安装”这一步由于各个电脑的配置和网络情况不同等待时间可能很漫长,请耐心等待……”点击”下一步选择”我接受许可协议中的条款”,之后点击”下一步”如果需要更改软件安装路径,可以在这一步中修改,修改好之后点击”下一步”点击”安装”将”打开<>”和”运行BarTender”前对号去掉,点击”完成”三、使用BarTender软件进行标签模板的编辑在开始中找到所有程序-BarT ender 10。
0 UltraLite里面的BarTender UltraLite左键单击开机有一个版本选择,选定最后一个”Run the UltraLite edition only”,左键单击”OK”按钮进入软件;进入软件之后按照如下图所示操作选择所购买的打印机型号,单击”下一步” 在这个页面中,如果所购买的标签纸有不同样式,比如一行有两个标签的标签纸,那么就应该做如下选择: 调整好所购买的标签的大小之后,点击”完成”按钮,进入编辑界面;四、添加/编辑条码: 如果在界面中需要建立条码,首先,在界面中找到条码编辑按钮,如图弹出如图对话框:,左键点击按钮,之后,选择所需要的条码类型,单击”Select”按钮,之后,再在标签空白处左键单击,出现一个默认内容的条码,改变条码内容左键双击条码,选中需要编辑内容的条码,在”嵌入的数据”里面更改所需要的内容,编辑结束后,单机”关闭”按钮;更改条码所在位置直接执行拖动条码操作放在需要放置的位置即可。
Qrmaker.ocx控件的使用说明包中主要文件介绍包中含有以下几个文件:要2、安装创建一个文件夹(一般是vb项目所在的目录中),将Qrmaker.lic 、Qrmaker.tlb、Qrmaker.ocx 、Qrmaker.oca 和Regsvr32.exe拷到该目录下,然后在该目录下运行命令行注册组件Regsvr32 Qrmaker.ocx3、属性下表中的属性都是生成二维码时需要配置的属性,用户可以自定义。
其中几个关键的已经用0对应L等级(最大纠错率为:7%)1对应M等级(最大纠错率为:15%)2对应Q等级(最大纠错率为:25%)3对应H等级(最大纠错率为:30%) InputData r/w 输入要编码的字符串ModelNo short 2 r/w 1-3 设置QR码的模式numcell short r 返回创建的额QR码图像中每条边上的单元个数picture r 返回创建的二维码图片QuietZone 5 r/w 设置二维码页边距(周围空白区域宽度)Rotate short 0 r.w 0-3 设置图片旋转角度(0,90.180,270) TextOrBinary 0 r 返回当前编码模式,文本还是二进制4、对属性批注1)ModelNo属性设置QR编码所属的编码类型(ModelNo):其中➢1对应编码类型为Model 1➢3对应编码类型为MicroQRQR编码是一种二维matrix编码,它是由很多不同的正方形模式组成,它由三种类型,即model 1、model2和MicroQR,其中model 1和model2在三个角都有检测模式,MircroQR 只有一个角有检测模式,检测模式形如正方形块,如下图所示:Model 1 Model2 Micro QR 编码类型:➢Model 1:是一种原始编码。
➢Model 2:在Model 1的基础上的加强版的QR编码方式,有更大的数据存储量。
➢MicroQR:适用于存储数据流少的编码方式数据与编码块的对应关系:黑块表示二进制1,白块表示二进制0编码格式Model 1: 21×21块~ 73×73块 (版本号由1~ 14 版)Model 2:21×21块~ 177×177块(版本号由1~ 40 版)MicroQR:11×11块~ 17×17块(版本号由M1~ M4版)编码与最大数据量关系:Model Max.version Cells/side Numerics Alphanumerics Binary Kanji Model1 14 73 1167 707 486 299 Model2 40 177 **** **** 2953 1817 MicroQR M4 17 35 21 16 9存储数据实例图:2)Rotate属性作用:设置QR编码图片旋转角度➢0 对应旋转 0度➢1对应旋转90度➢2对应旋转180度➢3对应旋转270度旋转0°旋转90°旋转180°旋转270°5、使用实例(VB版)5、vb中使用的简单例子一定要安装,见章节2.使用例子:1)创建一个vb项目,然后通过“工程-部件”,找到”QRmaker olecontrol module”,点上对号,然后点击确定,可看到项目左侧的“工具箱”中会有这个,把这个拖拽到你创建的窗口中就行,大小自己调整2)Dim codetext as string‘codetext为编码内容,自己写QRmaker1.inputdata=codetext ‘QRmaker1为刚才你拖放时生成的对象名(java中这样称呼),系统默认为这个名称QRmaker1.refresh好了,就是这么简单。
lodop简单⼊门教程
lodop简单⼊门
1 安装(这个不介绍,下载安装即可)
2 使⽤
使⽤⾮常简单,本地安装控件之后,页⾯引⼊两个js⽂件
3 之后便是打印使⽤
使⽤⼀个字⾮常的坑爹⾮常的耗时,此时就⼀个字,所有格式⽹上找,⽐如你想打印⼩票名⽚⼆维码等,就在⽹上对应的格式然后先黏贴上去看打印预览
使⽤打印设计设计图⽚⼤⼩和⽂字,然后反复的看样式-------此过程极度的磨性⼦,极度的需要你去研究对应的⽅法,研究每⼀个代表的含义
由于业务场景不同,业务需求不⼀样,有时候会出现崩溃。
但是切记,崩溃只是因为某个⽅法你不熟悉多看⽂档
4 举个简单的业务场景
公司要开发⼀个⼆维码打印的需求,批量⽣成⼆维码之后,⼆维码要批量打印。
⾸先我第⼀步是想到批量⽣成⼆维码,⽣成后使⽤html ⽣成整版的⼆维码,插⼊word ,然后打印word。
但是以前的做法是直接输出到打印机打印,那么等条码纸及打印机回来后,就开动起来。
所以思路就是批量⽣成⼆维码。
然后选取刚⽣成的⼆维码批量打印。
使⽤lodop的控件就是遍历出所有的⼆维码图⽚流输出,循环调⽤直接打印完成,此刻lodop的优势就体现出来,简单⼏⾏代码就打出来了,然后糟⼼的就是调整页⾯,⾮常繁琐,最后使⽤绝招,那就是⽤尺⼦量,纸张严格按照打印纸来,然后只要预览和纸张⼤⼩上显⽰正常就可以了。
最后预祝⼤家都能打印成功。
打印控件和身份证读卡器驱动程序安装说明
一,打印控件安装说明:
1、在阅读下面内容之前,请先点击这里下载打印控件安装程序。
2、将下载之后的文件解压。
3、将解压之后的文件夹放到您电脑C盘根目录下。
4、打开解压之后的文件夹,双击安装打印控件.bat文件。
5、如果需要安装条形码,请双击安装条形码字体.bat文件。
6、关闭IE浏览器,重新登陆江苏省普高和学测网报后台管理系统。
7、注意:安装完成之后不能再移动安装文件夹的位置,否则会导致打印控件失效。
二,身份证读卡器驱动安装说明:
1、在阅读下面内容之前,请先点击这里下载身份证读卡器驱动安装程序。
3、将下载之后的文件解压。
4、将解压之后的文件夹放到您电脑的任意位置。
5、请在安装之前查看下电脑的IE浏览器版本,此驱动程序不支持IE8。
如果您使用的是IE8,请卸载后安装IE6或IE7。
6、打开解压之后的文件夹,双击华腾永泰OCX接口v1.7.3.exe文件,根据提示进行安装。
7、安装完成后关闭IE浏览器,重新登录江苏省普高和学测网报后台管理系统即可。
在DevExpress程序中使⽤条形码⼆维码控件,以及进⾏报表打印处理在很多业务系统⾥⾯,越来越多涉及到条形码、⼆维码的应⽤了,不管在Web界⾯还是WInform界⾯都需要处理很多物料相关的操作,甚⾄很多企业为了减少录⼊错误操作,为每个设备进⾏条形码、⼆维码的标签,直接在流程中进⾏扫描处理,仅仅在界⾯勾选⼀些处理选项即可,极⼤提⾼⼯作效率,降低出错的⼏率。
本篇随笔介绍如何在基于WInform的DevExpress程序中对条形码、⼆维码的处理,包括界⾯展⽰,报表打印等常规的处理。
1、DevExpress的条形码操作及报表打印在15.1以上的DevEpxress版本中,增加了BarCodeControl控件,该控件包含了条形码、⼆维码等的展⽰和处理,⽀持很多种编码。
在⼯具箱⾥⾯,我们可以找到这个控件,添加到界⾯后,设置属性就可以显⽰如下的效果。
对于条形码的控件显⽰,需要设置对应的编码,以及显⽰内容等信息。
设置正确的格式显⽰,才能显⽰出条形码的内容,否则会处理得不到显⽰的内容。
为了⽅便界⾯的处理,动态增加对应的条形码控件展⽰,我们独⽴出⼀个条形码控件,如下所⽰。
为了⽅便展⽰,我们在界⾯上添加⼀个FlowLayoutPanel流布局控件,⽤来动态添加条码内容的容器,界⾯代码如下所⽰。
运⾏Demo程序,可以得到下⾯的测试界⾯效果。
对于条形码的打印操作,我们可以基于XtraReport的报表模板对内容进⾏展⽰的,因此需要设计⼀个报表的界⾯,如下所⽰是设计好的报表界⾯。
这个报表界⾯就是添加⼀个空⽩报表,然后加⼊对应的标签和⼆维码报表控件,和操作WInform界⾯⼀样,排版后就可以了。
然后增加对应的数据源信息,以及设定绑定控件的字段名称即可。
最后绑定报表数据源,并打印报表的界⾯代码如下所⽰。
得到界⾯效果如下所⽰。
2、⼆维码控件的处理上⾯介绍的是条形码操作,其中BarCodeControl很有迷惑性,其实它也可以作为⼆维码的空间处理的,这是后来才发现,哈哈。
扫码打印机使用方法
使用扫码打印机的方法如下:
1. 首先确保扫码打印机与电源连接,并开启电源。
2. 将需要打印的文件或内容保存为二维码格式,可以使用专门的二维码生成工具或在线生成器生成。
3. 将生成的二维码图片保存到电脑或移动设备上。
4. 打开扫码打印机的扫码软件或应用程序,有些扫码打印机可能需要连接到手机或电脑的蓝牙或Wi-Fi网络。
5. 在软件或应用中选择打印选项。
6. 选择需要打印的二维码文件,可以通过扫描电脑或移动设备中的二维码图片,或者通过选择保存在本地的文件。
7. 设置打印机的打印参数,如打印方向、打印质量等。
8. 确认打印选项后,点击打印按钮开始打印。
9. 等待打印机完成打印,打印完成后可以取出打印好的二维码文件。
注意事项:
- 在使用扫码打印机之前,确保已经安装了相应的打印机驱动程序或软件,并且该驱动程序和软件兼容您的电脑或移动设备。
- 根据您所使用的扫码打印机型号,具体的操作步骤和选项可能会有所不同,请参考您的扫码打印机的使用说明书。
- 如果遇到任何问题或困难,建议查阅扫码打印机的用户手册或联系厂商的客服获取帮助。
专利名称:一种基于WINCC平台打印二维码的方法专利类型:发明专利
发明人:谢炜,孙偲,冯海涛,刘成盟
申请号:CN202111246952.8
申请日:20211026
公开号:CN113971444A
公开日:
20220125
专利内容由知识产权出版社提供
摘要:本发明公开了一种基于WINCC平台打印二维码的方法,基于VisualStudio2005平台开发并生成具有生成二维码和驱动打印机的.dll文件,注册后直接通过WINCC软件可调用执行该.NET控件,直接通过WINCC软件平台的操作终端生成二维码并驱动打印机,相较于之前单独利用二维码软件打印二维码,实现了自动化控制操作功能与产品管理标识系统融合在同一平台,使工业现场操作员操作效率提升40%、产品数据录入准确性达到99%以及操作终端成本减少50%,不仅能完成对现场生产的监控,而且进一步融合了产品的生产全过程溯源、生产数据管理和产品标识功能,解决了当前不同平台操作造成的操作增项等问题。
申请人:飞马智科信息技术股份有限公司
地址:243000 安徽省马鞍山市雨山区湖南西路1390号
国籍:CN
代理机构:马鞍山市金桥专利代理有限公司
代理人:王益西
更多信息请下载全文后查看。
1.清理IE缓存方法
此次营改增升级,涉及到新的打印控件使用,升级后客户端在打印发票是有可能出现一些异常情况,是由于浏览器缓存造成的。
按如下操作就能解决该问题:
1.1将服务器站点加入可信任站点中
1、打开Internet选项
2、进入安全-可信任站点,点击站点
3、点击添加,再确认,最后关掉浏览器,重新输入应用访问地址,访问应用。
4、关闭浏览器,重新登录应用访问地址,在浏览器右下部出现如下绿色勾勾表示添加
正确
1.2清理客户端缓存
1、打开Internet选项
2、选择常规浏览历史下面的删除按钮
3、点击删除
4、在点击设置按钮
5、打开Internet临时文件和历史记录设置
6、点击查看文件,将该目录下的文件全部删除。
2.打印控件的安装
在“二维码打印测试Demo”目录下install_lodop.exe 这个程序就是打印控件,在不同的操作系统,会有不同的安装方式;
如果需要将打印空间卸载的时候,将install_lodop.exe 修改成uninstall_lodop.exe,双击运行即可卸载打印控件
2.1 xp系统
打开浏览器,登录BSS页面,当你进入发票打印页面时,系统会直接提示安装打印控件,按照语言描述安装即可。
如果页面没有弹出自动安装的提示;首先清理缓存,然后手动安装“二维码打印测试Demo”目录下install_lodop.exe 这个程序即可;
2.2 win7系统
win 7 系统登录BSS页面时,如果没有弹出自动安装的提示,可以手动以管理员的身份安装,如下图:
之后,提示安装成功。
此时可以使用登录BSS系统打印发票,查看安装是否真正成功,
如果还是没有成功,重新清理一遍缓存,重新卸载、安装打印控件;
3.二维码控件注册
二维码安装程序AutoRun.bat ,不同系统,不同的操作步骤
3.1 xp系统
进入“二维码控件注册”目录下,直接双击执行AutoRun.bat,程序注册成功,如下截图:
3.2 win7系统
完全退出360安全卫士、360杀毒等各种杀毒软件,保证没有程序阻止bat程序运行如果没有退出360等软件,在提示的时候需要选择“允许程序运行”
进入“二维码控件注册”目录下,用鼠标右键点击一下,以管理员身份运行;
运行成功后。