数控冲床模具弹簧注意事项及压缩量计算方法
- 格式:xls
- 大小:57.00 KB
- 文档页数:2
冲压模具弹簧知识点总结一、弹簧的基本概念弹簧是指具有弹性的金属制品,在外力作用下能发生形变,并在外力撤离后能恢复原状。
弹簧广泛应用于机械、汽车、航空、航天等领域,是一种常见的机械零件。
二、弹簧的分类及用途根据弹簧的形状和用途,可以将弹簧分为压缩弹簧、拉伸弹簧、扭转弹簧和复合弹簧等多种类型。
压缩弹簧常用于机械和汽车领域,拉伸弹簧常用于工业和民用设备上,扭转弹簧常用于钟表和仪器仪表中。
三、弹簧的制造工艺1. 物料选择:弹簧的制造材料通常为优质碳素钢、合金钢、不锈钢等,根据使用环境和要求选择合适的材料。
2. 弯管切断:传统生产工艺是通过手工或机械设备将钢线弯曲成所需形状,并根据要求进行切割。
3. 加工成型:通过拉伸、压缩、扭转等方式,将原材料加工成所需的弹簧形状。
4. 热处理:将加工好的弹簧放入炉中进行淬火、回火等热处理工艺,提高弹簧的强度和韧性。
5. 表面处理:弹簧的表面处理通常包括喷砂、镀锌、喷涂等方式,提高弹簧的表面硬度和耐腐蚀性。
四、冲压模具弹簧的特点与用途1. 冲压模具弹簧的特点:(1)精度高:冲压模具弹簧加工精度要求高,能够满足模具零部件的精密加工需求。
(2)耐磨性好:冲压模具弹簧采用优质钢材制造,具有较高的硬度和耐磨性。
(3)弹性好:冲压模具弹簧经过特殊工艺处理,具有较好的弹性和韧性。
(4)使用范围广:冲压模具弹簧广泛应用于模具制造、汽车制造、电子设备等领域。
2. 冲压模具弹簧的用途:(1)模具制造:冲压模具弹簧常用于模具的顶针、导柱等部件中,起到支撑和缓冲的作用。
(2)汽车制造:冲压模具弹簧常用于汽车座椅、车门等零部件中,能够提高零部件的耐磨性和使用寿命。
(3)电子设备:冲压模具弹簧常用于电子设备中的按键、接插件等部件中,能够提高设备的稳定性和可靠性。
五、冲压模具弹簧的生产工艺1. 材料选择:冲压模具弹簧通常采用优质碳素钢、合金钢等材料制造,根据模具应用和要求选择合适的材料。
2. 加工成型:冲压模具弹簧采用机械冷加工成型工艺,通过拉伸、压缩等方式将原材料加工成所需形状。
压缩弹簧参数计算压缩弹簧是一种常见的机械弹性元件,广泛应用于各种机械设备和结构中。
在进行压缩弹簧参数计算时,需要考虑以下几个重要因素:载荷、变形、刚度和失效。
1.载荷计算:弹簧的设计目的是为了承受一定的载荷,因此首先需要计算所需的载荷。
载荷的计算可以根据具体的应用需求和设备要求来确定,包括静载荷、动载荷和冲击载荷等。
静载荷是指弹簧在静止状态下所承受的载荷,动载荷是指弹簧在动态工况下所承受的载荷,而冲击载荷是指弹簧在瞬态工况下所承受的载荷。
2. 变形计算:弹簧的变形是指弹簧在受载后发生的长度变化。
变形计算可以通过胡克定律进行估算,即变形量与载荷成正比。
胡克定律表达式为:F=kx,其中F表示载荷,k表示弹簧刚度,x表示弹簧的变形量。
根据这个表达式,可以得到弹簧的变形量x=F/k。
变形量的计算对于确定弹簧的合适尺寸和工作范围非常重要。
3.刚度计算:弹簧的刚度是指单位载荷下的变形量。
在计算弹簧的刚度时,可以使用胡克定律中的刚度系数k,即刚度k等于载荷F除以变形量x。
刚度的计算可以帮助确定弹簧的合适尺寸和工作范围,以满足设备和结构的工作要求。
4.失效计算:弹簧的失效是指在使用过程中发生破坏或功能异常。
弹簧的失效可以通过应力和变形进行分析。
应力失效是指弹簧在超过其承载能力时破裂,变形失效是指弹簧在经过多次循环加载后变形超过允许范围。
失效分析可以通过工程设计和材料强度等参数来确定。
除了上述几个重要因素,还需要考虑一些其他因素,如材料选择、温度影响、疲劳寿命等。
在进行压缩弹簧参数计算时,需要充分考虑这些因素,并进行全面分析,以确保弹簧的设计和使用符合要求,并能够可靠地工作。
总结起来,压缩弹簧参数计算包括载荷计算、变形计算、刚度计算和失效计算等。
这些计算可以通过胡克定律、工程设计和材料强度等参数来进行,同时需要考虑其他因素,如材料选择、温度影响和疲劳寿命等。
通过合理的参数计算,可以确保弹簧的设计和使用符合要求,并能够满足设备和结构的工作要求。
数控冲床模具说明及相关手册1、模具选用的注意事项关于模具的相关知识(一)标准模具的选用(1)模具的刃口直径应尽量大于加工板厚的2倍,直径一般应大于3mm,否则易折断,寿命极短;但也不是绝对的,3mm直径以下推荐使用进口高速钢作为模具材料。
(2)加工厚板的模具尺寸接近工位极限尺寸时请往上选用大一级的工位以保证有足够的退料力。
(3)加工厚板的模具刃口不允许有尖角,所有尖角应改为圆角过渡,否则极易磨损或塌角,推荐在一般情况下,尽可能用R>0.25t的圆角半径来代替清角。
(4)当加工的板材为高Cr材料(如lCr13等不锈钢)及热轧板材时,由于板材固有的特性而不宜采用国产高Cr模具,否则极易磨损、拉毛以及带料等一系列弊病,推荐使用进口高速工具钢来作为模具材料。
(二)成型模具的选用:(1)不同的数控冲床滑块的打击行程不同,因此要注意成型模具闭合高度的调整,为保证成型的充分,推荐使用可调式打击头,应仔细的调整,每次调整最好不要超过O.lOmm,否则容易造成模具损坏,甚至于损坏机器。
(2)成型应尽量浅,一般来说成型总高度不大于8mm,之所以有这个高度所以它的卸料需要较长时间,成型加工时一定要采用低速,最好要有延时。
(3)成型模具工位附近的工位不可用,因为成型模具高度远远大于普通模,最好是成型加工放在程序的最后来实现,冲完后拆除。
(4)对于拉伸成型模具,请选用轻型弹簧组件,以防止板料的撕裂或变形不均匀及卸料困难等。
(5)订货时注意模具的让位问题,如两个成型的距离(前后、左右)比较近,请一定与我们讲清楚,否则有可能会出现干涉的情况。
(6)成型模调整方法见下图:a、成型模具装上后,将件2松开,将件1顺时针旋转,旋至最低点,再拧紧件2。
b、先空冲一下,如无异常,将板料送入冲压,量一下成型高度,如高度不够则将件2松开,件1逆时针旋转(旋转一圈一般为2mm,具体看螺纹牙距的大小,请适度调节,以免损坏模具),再拧紧件2,不断地调整、试冲,直到达到要求高度。
弹簧压缩公式范文
在弹簧的压缩过程中,外力会使弹簧发生弹性变形,这种变形会产生
恢复力,使弹簧努力恢复到原始的形状和尺寸。
弹簧的弹性变形与外力的
大小和弹簧的刚度有关,弹簧的刚度由弹簧的材料和几何形状决定。
弹簧的刚度可以用弹性系数(简称弹性常数)来表示,通常用符号k
表示,其单位是牛顿/米(N/m)。
弹性系数描述了弹簧单位压缩量产生的
恢复力。
根据胡克定律,弹性系数k等于恢复力F与压缩量x之间的比值,即k=F/x。
弹簧的压缩公式可以通过将弹簧的弹性系数和外力代入得出,推导公
式如下:
F=k*x
其中,F表示受到的外力,k表示弹簧的弹性系数,x表示弹簧的压
缩量。
弹簧的压缩公式可以进一步推导为:
x=F/k
该公式可以用来计算弹簧压缩量或者给定弹簧的弹性系数和外力,计
算压缩量。
需要注意的是,弹簧压缩公式是一个理想化的模型,并不考虑弹簧的
材料的塑性变形、弯曲变形等因素,适用于刚性的弹簧和小的弹簧压缩量。
在实际应用中,尤其是对于具有大的弹簧压缩量的情况,可能需要考虑其
他因素,如材料的非线性特性、弯曲变形等。
总结起来,弹簧压缩公式是用来计算在一定外力作用下弹簧的压缩量的公式,通过弹簧的弹性系数和外力之间的关系建立起来。
这个公式对于一些简单的弹簧系统和小的压缩量是适用的,但在实际应用中,还需要考虑材料的非线性特性和弯曲变形等因素。
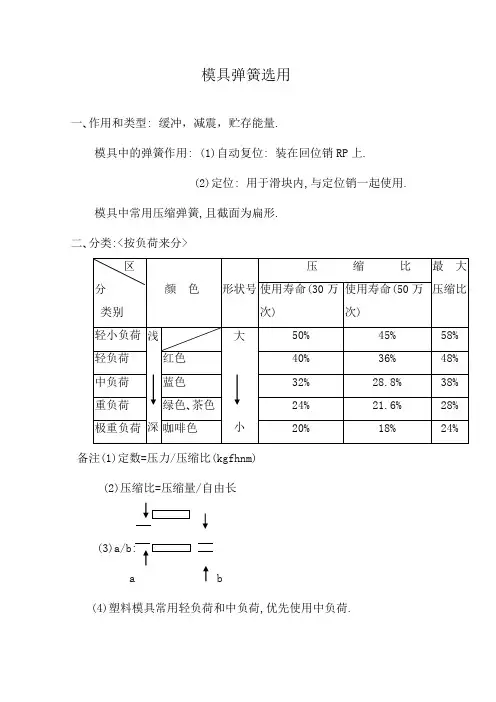
模具弹簧选用一、作用和类型: 缓冲,减震,贮存能量.模具中的弹簧作用: (1)自动复位: 装在回位销RP 上. (2)定位: 用于滑块内,与定位销一起使用. 模具中常用压缩弹簧,且截面为扁形. 二、分类:<按负荷来分>备注(1)定数=压力/压缩比(kgfhnm)(2)压缩比=压缩量/自由长 (3)a/b:a b(4)塑料模具常用轻负荷和中负荷,优先使用中负荷.三、选用条件:1.使用极限:由模具寿命、行程确定弹簧的负荷类型.2.弹簧的内孔径ΦD比安装销的直径大.3.弹簧的外径Φd比安装孔小单边1mm.4.自由长度计算: 由行程预压量和压缩比来计算.5.弹簧规格、长度优先使用规格品.四、自由长度计算:1.自动复位(即回位销弹簧)L自由=(S+预压量)/压缩比其中(1)S:顶出行程 S>成品高度+<15~20>(2)预压量取5~10mm,根据回位时的阻力确定,阻力小则预压小.(3)L自由长度须向上取规格长度.备注:(1)装配图中弹簧为预压状态.(参见图1)L=L自由长度预压量(2)须校核强度:h≧1.5d(参见图1)2.定位:(滑块弹簧)L自由=(S+预压量)/压缩比其中:(1)S:滑块抽芯距(2)预压量:通过计算确定滑块预压量=压力/定数‧系数天测滑块压力为滑块自重(3)L自由长度须再上取规格长度备注(1)弹簧在滑块中装配为压缩(工作)状态(附图2) L=L自由长度-预压量-抽芯距五、安装定位1.回位销装弹簧,不存在安装定位问题.2.滑块中弹簧应防止失稳.(1)弹簧偷孔不易太大(2)滑块抽芯距较大,加装导向销(如图3)(3)滑块抽芯距较大,又不便加装导向销,可用外装式弹簧定位,(如图4)。
弹簧压紧长度和压缩量【实用版3篇】篇1 目录1.弹簧的基本概念与分类2.弹簧的压紧长度3.弹簧的压缩量4.弹簧的应用领域篇1正文弹簧是一种具有弹性的金属制品,广泛应用于各种工程机械、仪器仪表、汽车、摩托车等领域。
它可以在受到外力作用时发生形变,当外力去除后,又能恢复到原来的形状。
根据弹簧的材料、形状和功能等方面的不同,弹簧可以分为多种类型,如螺旋弹簧、圆柱弹簧、平板弹簧等。
弹簧的压紧长度是指在弹簧受到外力作用时,其长度会发生变化,当外力达到一定程度时,弹簧的长度不再发生变化,此时的长度即为弹簧的压紧长度。
压紧长度是弹簧的一个重要参数,它直接影响到弹簧的弹性性能和承载能力。
在实际应用中,根据不同的使用环境和要求,需要对弹簧的压紧长度进行合理选择。
弹簧的压缩量是指弹簧在受到外力作用下,其长度发生的变化量。
压缩量是衡量弹簧弹性性能的一个重要指标,它反映了弹簧在一定范围内能够承受的外力大小。
弹簧的压缩量与弹簧的材料、截面积、线径等因素有关。
在实际应用中,需要根据弹簧的使用环境和承载能力要求,合理选择弹簧的压缩量。
弹簧在工程机械、仪器仪表、汽车、摩托车等领域具有广泛的应用。
例如,在汽车悬挂系统中,弹簧起到支撑车身、缓冲振动等作用;在仪器仪表中,弹簧常用于测量、控制、调节等部件,以保证仪器仪表的精度和稳定性。
随着科技的不断发展,弹簧在航空航天、新能源等高端领域的应用也越来越广泛,对弹簧的性能要求也越来越高。
总之,弹簧作为一种重要的弹性元件,其压紧长度和压缩量等性能参数对弹簧的弹性性能和承载能力具有重要影响。
篇2 目录1.弹簧的基本概念2.弹簧的压紧长度3.弹簧的压缩量4.弹簧的应用领域篇2正文弹簧是一种重要的弹性零件,广泛应用于各种工程机械、仪器仪表、汽车、摩托车等领域。
弹簧的主要作用是在外力作用下产生弹性变形,当外力去除后,弹簧能够恢复到原来的形状。
本文将介绍弹簧的压紧长度和压缩量,并探讨弹簧在不同领域的应用。
压缩弹簧压力计算公式F=k*x其中,F表示弹力,k表示弹簧的弹性系数,x表示弹簧的形变量。
弹簧的弹性系数k是表示弹簧刚度的一个常数,其单位是N/m。
弹性系数的大小与弹簧的刚度成正比。
刚度越大,弹性系数就越大,弹簧变形越小;反之亦然。
形变量x是指弹簧的变形量。
当外力作用于弹簧时,弹簧会因而发生形变,形变量表示弹簧的压缩或伸展的程度。
形变量的单位通常是米。
1.弹簧受力平衡原理当外力作用于弹簧时,弹簧内部各点受到的应力和变形都保持平衡。
根据受力平衡原理,可以得到其中一截面上的外力与内力之间的关系式。
2.应力-应变关系根据胡克定律,应力与应变之间的关系式可以写为:σ=E*ε其中,σ表示应力,E表示弹簧的杨氏模量,ε表示应变。
应力是单位面积上的力,单位是帕斯卡(Pa),表示为N/m²。
杨氏模量是描述固体材料弹性性能的物理量,单位是帕斯卡(Pa)。
应变是单位长度上的变形量,是一个无量纲量。
3.弹簧变形与应变的关系由于弹簧在压缩过程中无法保持完全均匀形变,故无法应用长度不变原理。
我们可以假设弹簧的变形是线弹性的,且弹簧截面积保持不变。
这样,弹簧的应变与形变量之间可以表示为:ε=ΔL/L其中,ΔL表示弹簧的变形量,L表示弹簧的原始长度。
4.弹性系数k的计算根据弹性系数的定义,该值可以表示为应力与应变的比例系数。
由应力-应变关系式,我们可以得到:σ=E*εk*x/A=E*ΔL/Lk=E*A/L其中,A表示弹簧的截面积。
5.弹簧的压力计算将弹性系数k的计算结果代入弹簧的压力计算公式,可以得到:F=k*xF=E*A*ΔL/L以上就是压缩弹簧压力计算公式的推导过程。
根据此公式,我们可以通过测量弹簧的形变量和已知的材料参数,计算出弹簧所产生的压力。
这个公式在设计和选择弹簧系统时非常有用,可以帮助工程师确定所需的弹簧参数,以满足特定的压力需求。
数控冲床模具说明及相关手册1、模具选用的注意事项关于模具的相关知识(一)标准模具的选用(1)模具的刃口直径应尽量大于加工板厚的2倍,直径一般应大于3mm,否则易折断,寿命极短;但也不是绝对的,3mm直径以下推荐使用进口高速钢作为模具材料。
(2)加工厚板的模具尺寸接近工位极限尺寸时请往上选用大一级的工位以保证有足够的退料力。
(3)加工厚板的模具刃口不允许有尖角,所有尖角应改为圆角过渡,否则极易磨损或塌角,推荐在一般情况下,尽可能用R>0.25t的圆角半径来代替清角。
(4)当加工的板材为高Cr材料(如lCr13等不锈钢)及热轧板材时,由于板材固有的特性而不宜采用国产高Cr模具,否则极易磨损、拉毛以及带料等一系列弊病,推荐使用进口高速工具钢来作为模具材料。
(二)成型模具的选用:(1)不同的数控冲床滑块的打击行程不同,因此要注意成型模具闭合高度的调整,为保证成型的充分,推荐使用可调式打击头,应仔细的调整,每次调整最好不要超过O.lOmm,否则容易造成模具损坏,甚至于损坏机器。
(2)成型应尽量浅,一般来说成型总高度不大于8mm,之所以有这个高度所以它的卸料需要较长时间,成型加工时一定要采用低速,最好要有延时。
(3)成型模具工位附近的工位不可用,因为成型模具高度远远大于普通模,最好是成型加工放在程序的最后来实现,冲完后拆除。
(4)对于拉伸成型模具,请选用轻型弹簧组件,以防止板料的撕裂或变形不均匀及卸料困难等。
(5)订货时注意模具的让位问题,如两个成型的距离(前后、左右)比较近,请一定与我们讲清楚,否则有可能会出现干涉的情况。
(6)成型模调整方法见下图:a、成型模具装上后,将件2松开,将件1顺时针旋转,旋至最低点,再拧紧件2。
b、先空冲一下,如无异常,将板料送入冲压,量一下成型高度,如高度不够则将件2松开,件1逆时针旋转(旋转一圈一般为2mm,具体看螺纹牙距的大小,请适度调节,以免损坏模具),再拧紧件2,不断地调整、试冲,直到达到要求高度。
冲压模具弹簧的压缩量和计算内容来源网络,由“深圳机械展(11万㎡,1100多家展商,超10万观众)”收集整理!更多cnc加工中心、车铣磨钻床、线切割、数控刀具工具、工业机器人、非标自动化、数字化无人工厂、精密测量、3D打印、激光切割、钣金冲压折弯、精密零件加工等展示,就在深圳机械展.在一套冲压模具中,需要用到比较多的弹性材料,其中包括各种不同规格的弹簧、优力胶、氮气弹簧等,按照不同的需要选用不同的弹性材料。
像折弯、冲孔一般用普通的扁线弹簧就可以了,比如棕色弹簧,也称为咖啡色弹簧;如果力量不够就加氮气弹簧,当然成本要高一点;优力胶一般用于拉深模具、整形模具、或整平面度用。
拉深模具用优力胶非常不错,当然也可以选用氮气弹簧。
其他的像顶料销、浮块、两用销等一般用线簧或黄色弹簧,只要可以脱料、不把产品顶出印子、顶变形就好了。
优力胶的特点就是力量比较均衡,然而其寿命比较短,生产一段时间就可能裂掉了、不行了、萎掉了,因此一般比较少用,通常比较常用氮气弹簧。
整平面度优力胶用的多。
弹簧包括扁线弹簧、线簧等,弹簧的目的就是脱料、压料,弹簧力度的大小,关系着模具生产是否顺利、打出来的产品是否合格等。
弹簧力量小了,有可能会造成产品变形、模具不脱料、产品不好从模具里面拿出来、带料,刀口、冲头容易磨损等各种问题。
扁线弹簧一般按颜色划分为:棕色、绿色、红色、蓝色、黄色,力量也依次减弱,颜色不同,力量大小就不同,压缩量也不同。
有一个土方法可以计算弹簧的压缩量:事先测量一下弹簧的总高度,再把弹簧放台虎钳中,锁死,然后用卡尺测量一下弹簧被夹死之后剩下的长度,再用弹簧的总长度减去这个数,再除以总长度即可,此方法任何弹簧通用,比如棕色弹簧长度为60mm,被虎钳夹死后应该还剩下45.6左右,然后你再用60减去45.6等于14.4,再用14.4除以60,结果等于0.24,这就是它的压缩量。
弹簧按照不同生产次数,比如100万次、50万次、30万次,压缩量选的越大,弹簧寿命越短,模具寿命也就越短(当然弹簧打坏了是可以换的),模具生产一段时间可能弹簧就没力了,质量差一点的弹簧还有可能断在模具里面。
模具弹簧规格及参数模具弹簧规格及参数⼀. 弹簧功能弹簧是模具中⼴泛应⽤的弹性零件,主要⽤于卸料、压料、推件和顶出等⼯作.根据荷重不同,共分五种不同颜⾊加以区分,易於判别和选⽤.⼆. 规格系列1.弹簧外径系列: Φ6Φ8,Φ10,Φ12,Φ14,Φ16,Φ18,Φ20,Φ22,Φ25,Φ30,Φ35,Φ40,Φ50等.2.种类3.弹簧长度:15<=L<=80MM时,每5MM为⼀个阶;80=L>=100MM时,每25MM为⼀个阶.4.扁线弹簧最⼩直径6mm5.弹簧内径等于弹簧外径的⼆分之⼀.6.相同直径颜⾊的弹簧,不管⾃由长度是多长,压40%产⽣的⼒⼀样结论:相同直径颜⾊的弹簧,⾃由长度越短,压缩1mm产⽣的⼒越⼤7.通常使⽤的最⼤压缩⽐是弹簧使⽤30万次的最⼤压缩⽐.汽车模具使⽤50万次的最⼤压缩⽐..8.弹簧能压缩的长度=弹簧的⾃由长度x弹簧的压缩⽐例:Φ20绿⾊弹簧长度50mm,弹簧要求寿命30万次,弹簧能压缩多长?50x24%=12(mm)9.弹簧的长度=弹簧要压缩的长度÷弹簧的压缩⽐例:弹簧要压缩20mm, 弹簧颜⾊为红⾊,弹簧要求寿命50万次要⽤多长的弹簧?弹簧的长度=20÷28.8%+5MM=74.4 查表选⽤75MM长弹簧⼀般选弹簧长度会加5mm的安全余量10.弹簧要压缩的长度=活动板⾏程+3~5mm预压 (常规预压3mm)11.弹簧模板孔的⼤⼩直径<20模板孔=D+1直径>=20模板孔=D+2三. 选⽤原则1.长度选择⼀般保证:在开模状态弹簧的预压缩量等於3~5(常规预压3mm,预压缩量随实际情况⽽定.);闭模状态弹簧压缩量⼩於或等於最⼤压缩量(最⼤压缩量LA=弹簧⾃由长L*最⼤压缩⽐取值%).2.模板压料,脱料板压料优先选⽤绿⾊或棕⾊(茶⾊,咖啡⾊)弹簧;如果向上成形的下模压料,折弯脱料所需的顶料⼒不很⼤时,可选⽤红⾊,绿⾊弹簧,浮料⽤黄⾊,圆线弹簧.3.复合模外脱料板⽤红⾊弹簧,内脱料板⽤绿⾊或棕⾊弹簧.4.活动定位销⼀般选⽤Φ6顶料销,配Φ10黄⾊弹簧和M12⽌付螺丝.Φ8顶料销,配Φ12黄⾊弹簧和M14⽌付螺丝.5.冲孔模和成形模⽤绿⾊或棕⾊(茶⾊,咖啡⾊)弹簧,如有特殊需求时,由专案主管确定.6.弹簧规格优先选⽤Φ30.在空间较⼩区域可考虑选⽤其它规格(如Φ25,Φ20,Φ18,Φ16…...等).Φ25的内导柱⽤Φ30的弹簧脱料Φ20的内导柱⽤Φ25的弹簧脱料四. 排配原则1.弹簧过孔中⼼到模板边缘距离⼤於外径D,与其他孔距离保持实体壁厚⼤於5MM,空间不⾜时最少留2MM.2.弹簧排列⾸先考虑受⼒重点部位,然後再考虑整个模具受⼒均衡平稳.受⼒重点部位是指:复合模的内脱料板外形和冲头的周围;冲孔模的冲头周围;成形模的折弯边及有抽成形的地⽅.3.成形模采⽤⽓垫结构时,下打板排配2~6个弹簧.下模座上不沉孔,弹簧选⽤黄⾊或蓝⾊即可.五. 五⾦零件需求表填写范例弹簧(颜⾊):D*L (D-弹簧外径L-⾃由长度)例: 弹簧TH(绿): Φ20*70。
压簧、拉簧、扭簧弹力计算公式压力弹簧压力弹簧的设计数据,除弹簧尺寸外,更需要计算出最大负荷及变位尺寸的负荷;·弹簧常数:以k表示,当弹簧被压缩时,每增加1mm距离的负荷(kgf/mm);·弹簧常数公式(单位:kgf/mm):G=线材的钢性模数:琴钢丝G=8000,不锈钢丝G=7300,磷青铜线G=4500 ,黄铜线G=3500d=线径Do=OD=外径Di=ID=内径Dm=MD=中径=Do-dN=总圈数Nc=有效圈数=N-2弹簧常数计算范例:线径=2.0mm , 外径=22mm , 总圈数=圈 ,钢丝材质=琴钢丝拉力弹簧拉力弹簧的 k值与压力弹簧的计算公式相同·拉力弹簧的初张力:初张力等于适足拉开互相紧贴的弹簧并圈所需的力,初张力在弹簧卷制成形后发生。
拉力弹簧在制作时,因钢丝材质、线径、弹簧指数、静电、润滑油脂、热处理、电镀等不同,使得每个拉力弹簧初始拉力产生不平均的现象。
所以安装各规格的拉力弹簧时,应预拉至各并圈之间稍为分开一些间距所需的力称为初张力。
·初张力=P-(k×F1)=最大负荷-(弹簧常数×拉伸长度)扭力弹簧·弹簧常数:以 k 表示,当弹簧被扭转时,每增加1°扭转角的负荷 (kgf/mm).·弹簧常数公式(单位:kgf/mm):E=线材之钢性模数:琴钢丝E=21000 ,不锈钢丝E=19400 ,磷青铜线E=11200 ,黄铜线E=11200d=线径Do=OD=外径Di=ID=内径Dm=MD=中径=Do-d N=总圈数R=负荷作用的力臂p=。
冲床冲压力计算公式这下面有几个公式,任选一个就可以,只能算出个大概,如果想自己算,就用下面的任一个公式都能算.---------------------------------------冲床冲压力计算公司P=kltГ其中:k为系数,一般约等于1,l冲压后产品的周长,单位mm;t为材料厚度,单位mm;Г为材料抗剪强度.单位MPa .算出的结果是单位是牛顿,在把结果除以9800N/T,得到的结果就是数字是多少就是多少T.这个只能算大致的,为了安全起见,把以上得到的值乘以2就可以了,这样算出的值也符合复合模的冲压力.----------------------------------冲裁力计算公式:P=K*L*t*τP——平刃口冲裁力(N);t——材料厚度(mm);L——冲裁周长(mm);τ——材料抗剪强度(MPa);K——安全系数,一般取K=1.3.------------------------------------冲剪力计算公式:F=S*L*440/10000S——工件厚度L——工件长度一般情况下用此公式即可。
-------------------------------------冲压力是指在冲裁时,压力机应具有的最小压力。
P冲压=P冲裁+P卸料+P推料+P压边力+P拉深力。
冲压力是选择冲床吨位,进行模具强度。
刚度校核依据。
1、冲裁力:冲裁力及其影响周素:使板料分离动称作冲裁力.影响冲裁力的主要因素: 2.冲裁力计算:P冲=Ltσb其中:P冲裁-冲裁力L-冲裁件周边长度t-板料厚度σb-材料强度极限σb-的参考数0.6 算出的结果单位为KN3、卸料力:把工件或废料从凸模上卸下的力Px=KxP冲其中Kx-卸料力系数 Kx-的参考数为0.04 算出的结果单位为KN4、推件力:将工件或废料顺着冲裁方向从凹模内推出的力Pt=KtPnKt-推件力系数 n-留于凹模洞口内的件数其中:Px、Pt --分别为卸料力、推件力Kx,Kt分别是上述两种力的修正系数P——冲裁力;n——查正表卡在凹模洞口内的件数 Kt的参考数为0.05,结果单位为KN 5、压边力: P y=1/4 [D2—(d1+2R凹)2]P式中 D------毛坯直径d1-------凹模直径R凹-----凹模圆角半径p--------拉深力6、拉深力: Fl= d1 bk1(N)式中 d1-----首次拉深直径(mm)b-----材料抗拉强度(Mpa)K-------修正系数。
压缩弹簧压力计算公式
压缩弹簧压力通常指弹簧力。
计算公式为k=gd^4/8nd^3。
压缩弹簧(压缩弹簧)是受压的螺旋弹簧。
使用的大多数材料是圆形的,也由矩形钢和多股钢制成。
弹簧通常是等距的。
压缩弹簧压力计算公式
压缩弹簧力公式
公式:k=gd^4/8nd^3
上述公式中的每一项是指:
G=剪切弹性模量[mpa](G值:碳钢80000,不锈钢72000)
D=钢丝直径[mm,in]
N=有效圈数[-]
D=中心直径[mm,in]
K=弹簧常数[n/mm,lb/in]
该公式用于计算弹簧刚度。
刚度乘以工作行程等于弹簧的工作力。
由上式可知,压缩弹簧的参数必须由材料、线径、中心直径、有效圈数、弹簧总长度、工作高度和所需强度组成。
如果弹簧强度没有特殊要求,则无法提供工作高度和所需力的参数。
什么是灵活性
物体在力的作用下形状或体积的变化称为变形。
外力停止后,能恢复原状的变形称为弹性变形。
变形的物体必须对与其接触的物体施加力,因为它必须回到原来的状态。
这叫做弹性。
也就是说,在弹性极限内,物体所产生的使物体变形的力被称为弹性力。
日常生活中观察到的相互作用,无论是推、拉、举、拉火车、锻造工件、打球、射箭等,都只有在物体与物体接触时才会发生。
这种相互作用可以称为接触力。
接触力按其性质可分为弹性力和摩擦力。
它们基本上是由电磁力引起的。
弹性力就是接触力,弹性力只能存在于物体的接触部位,而相互接触的物体之间不存在弹性效应。
因为弹性不仅需要接触,还需要相互作用。
压缩和拉伸弹簧计算压缩和拉伸是弹簧力学中常见的两种变形形式,分别指的是弹簧在受到外力作用时缩短和伸长的过程。
弹簧力学是力学中的一个分支,研究材料受到外力作用时的变形和力学性质。
在进行弹簧的压缩和拉伸计算时,可以利用胡克定律和弹性势能公式进行分析。
胡克定律是弹簧力学中最基本的定律之一,它描述了弹簧在受力时变形的关系。
根据胡克定律,弹簧的变形正比于外力的大小,并与弹簧的劲度系数有关系。
弹簧的劲度系数可以用来度量弹簧的刚度,它是一个固有的物理特性。
胡克定律可以表示为以下公式:F=k*x其中,F是外力的大小,k是弹簧的劲度系数,x是弹簧的变形量。
当弹簧的变形为压缩时,变形量x为负值;当变形为拉伸时,变形量x为正值。
在进行弹簧的压缩和拉伸计算时,可以利用胡克定律来求解弹簧的劲度系数或者变形量。
如果知道弹簧的劲度系数和外力的大小,可以通过胡克定律求解变形量;反之,如果知道弹簧的劲度系数和变形量,可以通过胡克定律求解外力的大小。
例如,假设一个劲度系数为k的弹簧受到一个外力F的作用,求解弹簧的压缩量x。
根据胡克定律,有F=k*x,可以求解出压缩量x=F/k。
同样地,如果知道弹簧的劲度系数k和压缩量x,可以求解外力F=k*x。
弹簧的变形会引起弹簧中的弹性势能的变化。
弹性势能是弹性体在变形过程中存储的能量,表示了变形体系潜在能量的一种形式。
弹性势能可以通过下列公式进行计算:U=(1/2)*k*x^2其中,U表示弹性势能,k表示弹簧的劲度系数,x表示变形量。
在进行弹簧的压缩和拉伸计算时,可以利用弹性势能公式求解弹簧的变形量或者劲度系数。
如果知道弹簧的劲度系数和外力的大小,可以通过弹性势能公式求解变形量;反之,如果知道弹簧的劲度系数和变形量,可以通过弹性势能公式求解外力的大小。
例如,假设一个劲度系数为k的弹簧受到一个外力F的作用,求解弹簧的压缩量x。
根据胡克定律,有F=k*x,代入弹性势能公式U=(1/2)*k*x^2,可以把弹性势能表示为U=(1/2)*F*x。
物理弹簧压缩量计算公式弹簧是一种常见的弹性体,具有压缩和伸长的特性。
在物理学中,弹簧常常被用来研究弹性形变和力学性质。
弹簧的压缩量是指在外力作用下,弹簧发生压缩的程度,通常用来描述弹簧的变形程度。
在本文中,我们将介绍物理弹簧压缩量的计算公式及其应用。
首先,我们来看一下弹簧的基本性质。
弹簧的压缩量与外力的大小和弹簧的刚度有关。
在物理学中,弹簧的刚度通常用弹簧常数k来表示,单位是牛顿/米(N/m)。
弹簧的压缩量与外力F成正比,与弹簧的刚度k成反比。
根据胡克定律,弹簧的压缩量可以用以下公式来表示:Δx = F / k。
其中,Δx表示弹簧的压缩量,单位是米(m);F表示外力的大小,单位是牛顿(N);k表示弹簧的刚度,单位是牛顿/米(N/m)。
这个公式告诉我们,弹簧的压缩量与外力成正比,与弹簧的刚度成反比。
当外力增大时,弹簧的压缩量也会增大;当弹簧的刚度增大时,弹簧的压缩量会减小。
这与我们的日常经验是一致的,比如我们用力挤压弹簧时,挤压的力越大,弹簧的压缩量也越大。
接下来,我们来看一些实际应用。
弹簧的压缩量计算公式可以用来解决一些物理问题,比如弹簧振子的周期和频率计算。
在弹簧振子中,弹簧的压缩量与振动的周期和频率有密切关系。
根据胡克定律和牛顿第二定律,弹簧振子的周期T和频率f可以用以下公式来表示:T = 2π√(m/k)。
f = 1/(2π)√(k/m)。
其中,T表示振动的周期,单位是秒(s);f表示振动的频率,单位是赫兹(Hz);m表示振动物体的质量,单位是千克(kg);k表示弹簧的刚度,单位是牛顿/米(N/m)。
这两个公式告诉我们,弹簧振子的周期和频率与弹簧的刚度和振动物体的质量有关。
当弹簧的刚度增大时,振动的周期和频率会减小;当振动物体的质量增大时,振动的周期和频率也会减小。
这与我们的日常经验是一致的,比如我们用更硬的弹簧做振子,振动的周期和频率会变得更小。
除了弹簧振子,弹簧的压缩量计算公式还可以用来解决一些力学问题,比如弹簧的压缩力和形变计算。
弹簧压紧长度和压缩量摘要:一、弹簧压紧长度概述二、弹簧压缩量的影响因素1.材料性质2.弹簧直径3.弹簧圈数4.工作环境三、如何选择合适的弹簧压缩量1.满足功能需求2.考虑材料疲劳性能3.留有适当的余量四、弹簧压缩量的检测与调整1.检测方法2.调整策略五、弹簧压紧长度的应用实例1.汽车零部件2.机械设备3.电子设备正文:弹簧作为一种常见的弹性元件,其在各种设备和产品中的应用极为广泛。
弹簧的性能参数之一——弹簧压紧长度和压缩量,直接影响着产品的性能和使用寿命。
本文将从以下几个方面阐述弹簧压紧长度和压缩量的相关知识,以帮助读者更好地理解和应用。
一、弹簧压紧长度概述弹簧压紧长度指的是弹簧在受到压缩力作用后,原始长度的减小值。
它反映了弹簧的弹性特性,是衡量弹簧性能的重要指标。
弹簧压紧长度与弹簧的材料、直径、圈数等参数密切相关。
二、弹簧压缩量的影响因素1.材料性质:弹簧材料的弹性模量、屈服强度等性能指标直接影响弹簧的压缩量。
优质弹簧材料具有较高的弹性模量和良好的抗疲劳性能,可以实现较大的压缩量。
2.弹簧直径:弹簧直径越大,其承受的压缩力越大,压缩量也相应增大。
但在实际应用中,直径较大的弹簧容易发生变形,因此需要根据具体工况选择合适直径的弹簧。
3.弹簧圈数:弹簧圈数越多,其压缩量越大。
但过多的圈数会导致弹簧的自重增加,影响传动效率,因此在设计时需要根据实际需求权衡圈数。
4.工作环境:弹簧所处的工作环境对其压缩量也有影响。
例如,高温、高压环境会加速弹簧材料的疲劳老化,降低其压缩量。
三、如何选择合适的弹簧压缩量1.满足功能需求:根据产品的设计要求,选择能够满足功能需求的弹簧压缩量。
例如,在汽车零部件中,弹簧的压缩量需要能够平衡舒适性和安全性。
2.考虑材料疲劳性能:在选择弹簧压缩量时,要充分考虑弹簧材料的疲劳性能,避免因过度压缩导致弹簧疲劳损坏。
3.留有适当的余量:为了保证弹簧在长时间使用过程中不会出现性能下降,一般在设计时留有适当的压缩余量。