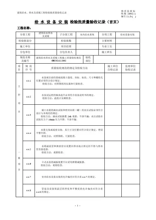
建筑饮用水供应系统水处理设备及控制设施安装检验批
- 格式:xls
- 大小:14.97 KB
- 文档页数:2
建筑饮用水供应系统管道及配件安装检验填写
1. 建筑名称:____________________
2. 检验日期:____________________
3. 建筑地址:____________________
4. 施工单位:____________________
5. 检验人员:____________________
6. 检验结果:合格/不合格 (请打勾)
[ ] 合格
[ ] 不合格
7. 检验内容:
a) 管道安装:检查管道连接是否牢固,无漏水现象。
b) 管件安装:检查各种管件的安装是否正确,无错位或松动
现象。
c) 阀门安装:检查阀门的安装是否密封良好,并可正常开关。
d) 消防设备:检查消防水箱、消防泵等设备的安装是否符合
要求,无渗漏或故障。
e) 水质检测:对饮用水进行抽样并送往实验室进行水质检测,确保水质符合卫生要求。
8. 备注:
______________________________________________________
_____
9. 检验人员签名:____________________
10. 施工单位代表签名:____________________
11. 监理单位代表签名:____________________
请在检验结果后打勾,并填写相关信息和备注。
如有不合格项,请注明具体问题,并提出整改要求。
建筑饮用水供应系统检验批填写范例建筑饮用水供应系统检验批填写范例一、前言建筑饮用水供应系统是人们日常生活中重要的组成部分,它直接关系到人们的健康和生活质量。
在建筑饮用水供应系统的建设中,对水质的检验和监测是必不可少的环节。
为了帮助大家更好地了解建筑饮用水供应系统检验批的填写,本文将给出一个范例,并对其中的关键要点进行解析。
二、建筑饮用水供应系统检验批填写范例检验批编号:20210801施工单位:XX建筑工程有限公司项目名称:XX小区饮用水供应系统检验日期:2021年8月1日填写人:XXX序号|检验项目|检验内容|结果要求|实际情况|填写说明:-:|:-:|:-|:-|:-|:-1|管道材质|检查主管道、分支管道和连接管道的材质是否符合规范要求|管道材质应符合X标准|主管道采用不锈钢材质,分支管道和连接管道采用PVC材质|管道材质符合要求2|管道连接|检查管道连接是否牢固且无渗漏|管道连接应稳固且无渗漏|所有管道连接均牢固且无渗漏|管道连接合格3|进水口设施|检查进水口阀门、阀门操作杆、过滤器等设施是否完好|设施应完好,阀门灵活、易操作|进水口阀门完好,操作灵活|进水口设施齐全且完好4|水泵设备|检查水泵的性能和工作状态|水泵应正常工作、无异常声响|水泵正常工作,无异常声响|水泵设备合格5|消毒设施|检查消毒设施(如紫外线消毒器、氯气消毒装置等)是否安装正确并运行正常|消毒设施应正确安装并正常运行|紫外线消毒器和氯气消毒装置均安装正确并运行正常|消毒设施符合要求三、范例解析1. 检验项目和检验内容在填写检验批时,首先需要列出各项检验项目,并明确每个项目的具体检验内容,这有助于全面把握系统的检验范围和要求。
2. 结果要求在每个检验项目中,需要写明该项目的结果要求。
这是衡量系统是否符合规范的重要依据,也是后续评估和改进的基础。
3. 实际情况在实际检验时,需要将实际情况与结果要求进行对比,记录下实际情况,并在填写说明中说明具体情况。
首开龙湖翔安2016XP08地块主体及室外工程检验批划分长春建工集团有限公司编制日期:2018年03月03日目录一、编制依据 (1)二、工程概况 (1)三、施工段的划分 (2)四、本工程涉及分部、子分部、分项工程 (2)五、分项、检验批的划分 (5)六、分部、分项、检验批工程验收 (9)一、编制依据(一)施工合同(二)施工图纸1 《建筑工程施工质量验收统一标准》GB50300-20132 《建筑地基基础工程施工质量验收规范》GB50202-20113 《地下防水工程质量验收规范》GB50208-20114 《混凝土结构工程施工质量验收规范》GB50204-20155 《普通混凝土力学性能试验方法标准》GB/T50081-20166 《砌体工程施工质量验收规范》GB50203-20117 《通风与空调工程施工质量验收规范》GB50243-20168 《建筑节能工程施工质量验收规范》GB50411-20079 《建筑电气工程施工质量验收规范》GB50303-201510 《建筑给水排水及采暖工程施工质量验收规范》GB50242-200211 《钢结构工程施工质量验收规范》GB50205-200112 《屋面工程施工质量验收规范》GB50207-201213 《铝合金结构工程施工质量验收规范》GB50576-2010(四)本工程施工组织设计二、工程概况建筑设计概况总建筑面积257620m2㎡建筑类别一类高层住宅/商业、多层住宅地下/上建筑面积55843.㎡/84658.72㎡人防工程等级甲类、核6级、常6级建筑高度A1地块商业:1#商业11.15m;2#、3#商业46.8m住宅:4#、5#住宅:99.6m;6#、7#、10#、11#住宅26.8m;8#、9#住宅20.4m A2 地块1#、2#楼:99.6m; 3#、4#楼20.4m ;5#楼 87.5mA3地块1#楼:99.6m;2#楼54.3 m;建筑层数A1地块地下:2层商业:1#商业1层;2#、3#商业10层住宅:4#、5#住宅:33层;6#、7#、10#、11#住宅8层;8#、9#住宅6层建筑设计概况A2地块1#、2#楼:33层;3#、4#楼 6层;5#楼31层A3地块1#楼33层;2#楼18层耐火等级A1地块:1#-3#商业、4#5#住宅一级;6#-11#住宅二级;地下车库一级A2地块:1#、2#、5#楼一级,3#、4#住宅二级;地下车库一级A3地块:1#、2#楼一级;地下车库一级。
建筑饮用水供应系统管道及配件安装检验填写
建筑饮用水供应系统管道及配件安装检验填写
安装单位:________________________日期:_____________
工程名称:________________________工程编号:
_____________
系统管道材料:______________________
管道及配件安装方式:_____________________
序号管道及配件项目是否符合要求备注
1 管道安装位置符合 / 不符合
2 管道连接方式符合 / 不符合
3 管道支架安装符合 / 不符合
4 管道固定牢固符合 / 不符合
5 管道保温等级符合 / 不符合
6 阀门及管件安装符合 / 不符合
7 防腐处理符合 / 不符合
8 管道标示符合 / 不符合
9 管道漏水测试符合 / 不符合
10 压力测试符合 / 不符合
11 消防设施连接符合 / 不符合
填写人:______________________审核人:
______________________
备注:
______________________________________________________ _
以上是一份简单的填写示例,具体内容和要求可以根据实际情况进行调整和补充。
对于不符合要求的项目,需要详细描述问题,并进行整改和重新检验。
同时,可以附上相关的照片和文件以作为证据。