吊车梁设计说明书
- 格式:docx
- 大小:184.42 KB
- 文档页数:14
单层工业厂房的结构设计目录一、设计条件3二、计算简图的确定5三、荷载计算7四、力计算10五、最不利荷载组合19六、柱截面设计25七、牛腿设计29八、柱的吊装验算32九、基础设计35一、设计条件1.1项目概述某厂装配车间为单跨钢筋混凝土厂房,跨度24m ,长66m ,柱顶标高12.4m ,轨顶标高10.0m ,厂房设有天窗,使用两台5~20t 中间作业吊车。
防水层采用聚氨酯防水胶,维护墙采用240mm 厚双面砖墙,钢门窗,混凝土地面,室外高差150mm 。
建筑剖面见图1。
1.2结构设计数据自然条件:基本风压值为20.55/KN m 。
地质条件:天然地面下1.2米处为老土层,修正后的地基承载力为2120/KN m ,地下水位在地面下2.5米。
1.3 吊车使用情况车间设有两台200/50KN 中级工作制吊车,轨顶标高为10.0米,吊车的注:min max p ()/2G Q p =+-1.4车间标准件的选择屋顶板采用1.5X6m 预应力钢筋混凝土屋面板,标注其自重(含填缝)。
该值必须为1.4kN/m2。
1.4.2沟板天沟板标准重量为17.4KN/块(含积水重量)。
天窗框架门窗用钢筋混凝土天窗框架的自重荷载标准,以及每个天窗框架到屋顶框架的支柱 该值为36KN 。
屋顶桁架采用预应力钢筋混凝土折线屋架,标准重量106KN/跨。
屋架支撑屋架支撑自重标准值为0.05kN/m2。
吊车梁起重机为预应力钢筋混凝土吊车梁,高度为1200mm,自重标准值为44.2kN/根。
轨道部件重量的标准值为1kN/m,轨道垫层的高度为200毫米。
1.4.6连续梁和过梁均为矩形截面,尺寸见图集。
基础梁基础梁的尺寸;基础梁截面为梯形,顶部宽300mm,底部宽300mm。
200毫米,高度500毫米。
1.5材料选择1.5.1栏混凝土:C20 ~ C30;钢筋:采用HRB335级钢。
1.5.2基础混凝土:C20;钢筋:采用HRB335级钢。
摘要我做的毕业设计课题是单梁桥式起重机。
单梁桥式起重机是一种轻型起重设备,它适用起重量为0.5~5 吨,适用跨度4.5~16.5米,工作环境温度C在-20℃到40℃范围内,适合于车间、仓库、露天堆场等处的物品装卸工作。
桥架由一根主梁和两根端梁刚接组成。
根据起重量和跨度,主梁采用普通工字钢和U形槽组合焊接形成。
主梁和端梁之间采用承载凸缘普通螺栓法兰连接。
提升机构采用CD型电葫芦。
此次设计的主要内容有:问题的提出、总体方案的构思,结构设计及对未知问题的探索和解决方案的初步设计,装配图、零件图等一系列图纸的设计与绘制,以及毕业设计说明书的完成。
关键词:起重机;桥式起重机;大车运行机构;小车运行结构;小车起升;结构桥架;主端梁ABSTRACTThe topic of my graduation design is list the beam bridge type derrick of design the list beam bridge type derrick is a kind of light heavy equipments, it start to apply the weight as 0.5~5 tons, apply to across degree 4.5~16.5 meters, the work environment temperature is -20℃to 40℃.Inside scope, suitable for car, warehouse, open-air heap field etc. of the product pack to unload a work. The bridge was carried beam by a lord beam and 2 to just connect to constitute. According to weight with across a degree, lord beam adoption common the work word steel and U form slot combination weld formation. Lord beam and carry an of beam an adoption loading To good luck common stud bolt method orchid conjunction. Promote the organization adoption CD type an electricity bottle gourd.The main contents of this time design have: The problem put forward, conceive outline of total project, possibility design, structure design and draw towards doing not know a problem of investigate and solution of first step design, assemble diagram, spare parts diagram wait a series the design of the diagram paper with, end include graduation design manual of completion.Keywords: cranes;bridge type derrick ;During operation organization; Car running structure; Car hoisting structure; Bridge; Main girders.目录前言 (6)1 单梁桥式起重机的概述 (7)1.1单梁桥式起重机的整体描述 (7)1.1.2 单梁桥式起重机机构的特点 (8)1.1.3 单梁桥式起重机的基本参数 (8)1.1.4 桁架梁和箱形梁的比较 (8)1.2 LD型电动单梁桥式起重机各部件的作用(位结构) (8)1.2.1 主梁 (8)1.2.2 端梁 (8)1.2.3主梁和端梁的联接 (9)1.2.4 电动葫芦 (9)1.2.5 大车 (9)1.2.6 小车架 (10)1.2.7 小车 (10)1.2.8操纵室 (10)1.3 运行机构 (10)1.3.1 小车运行机构 (11)1.3.2 大车运行机构 (11)2 工作条件及设计要求 (12)2.1 型式及设计的构造特点 (13)2.2 选择电动葫芦的规格型号 (14)2.3 主梁设计计算 (14)2.3.1 主梁断面几何特性 (14)2.3.2 主梁强度的计算 (16)2.3.3刚度计算 (21)2.3.4 稳定性计算 (23)2.4 端梁设计计算 (23)2.4.1 轮距的确定 (24)2.4.2 端梁中央断面几何特性 (24)2.5 起重机最大轮压 (25)2.5.1起重机支座及作用 (25)2.5.2 起重机最大轮压的计算 (26)2.6 最大歪斜侧向力 (30)2.7 端梁中央断面合成应力 (31)2.8 车轮轴对端梁腹板的挤压应力 (31)2.9 主、端梁连接计算 (32)2.9.1 主、端梁连接形成式及受力分析 (32)2.9.2 螺栓拉力的计算 (33)3 小车起升和运行机构的设计计算 (36)3.1 电动葫芦起升机构设计计算 (37)3.1.1 电动葫芦的基本设计参数 (37)3.1.2 电动葫芦起升机构简要设计步骤 (38)3.2 电动葫芦运行机构设计计算 (45)3.2.1.电动小车运行静阻力计算 (45)3.2.2.电动机的初选预验算 (46)3.2.3 传动比 (47)3.2.4 制动器的选择与计算 (48)4 大车运行机构设计计算 (50)4.1 确定机构传动方案 (50)4.2 选择车轮和轨道,验算车轮强度 (50)4.3 验算车轮的疲劳强度 (50)4.4 传动装置设计计算 (52)4.4.1 选择电动机 (52)4.4.2 大车运行机构的功率计算 (53)4.4.3 验算电动机 (53)4.5设计减速装置 (55)4.5.1选择减速器的类型 (55)4.5.2确定减速器的型号 (56)4.6 起重机有关使用机构的安全装置 (57)4.6.1 缓冲器 (57)4.6.2 起升高度限位器 (58)4.6.3 行程限位器 (58)4.6.4 安全开关 (58)4.7 起重机的组装及试车要求 (58)4.7.1起重机的安装注意事项 (58)4.7.2 起重机的试车要求 (60)致谢 (62)参考文献 (63)前言光阴似箭,转眼间四年大学生活即将结束,毕业设计是对我们四年大学生活的一个总结,更是对四年大学学习成果的检验。
吊车梁的设计范文吊车梁是一种用于起重和搬运货物的重要机械设备,广泛应用于建筑工地、港口、物流仓库等行业。
其设计需要考虑到起重能力、安全性、稳定性以及适用环境等方面的因素。
以下将详细介绍吊车梁的设计要点和注意事项。
首先,吊车梁的设计需要考虑到所需起重能力。
根据具体应用场景和需求,确定吊车梁的起重能力,包括最大承载能力和起重高度。
这将决定吊车梁的结构形式、材料选择和加强措施等。
同时,还要考虑到运输和安装等方面的因素,以便确保吊车梁能够满足实际使用要求。
其次,吊车梁的设计需要注意安全性。
吊车梁在起重和搬运货物时面临着一定的安全风险,设计时需要采取相应的措施来减少潜在的安全隐患。
例如,结构设计上要合理布置吊机的运动部件和管线,避免交叉干扰和碰撞;加强吊车梁的稳定性,确保其在起重过程中不会发生倾倒等意外情况;合理选择安装位置和避免使用超载或过载等情况。
另外,吊车梁的设计还需要考虑到稳定性。
吊车梁在起重时会产生一定的摇摆和振动,因此需要设计结构以增强吊车梁的稳定性。
例如,在梁的两端加装平衡装置,使吊车梁能够保持平衡;在地面上设置牢固的基础,以增加吊车梁的稳定性;采用合理的支撑构造,以减少吊车梁的摇晃和振动。
此外,吊车梁的设计还要考虑到适用环境。
吊车梁常常需要在复杂的环境中工作,如高温、低温、潮湿等恶劣的条件下。
因此,在设计过程中需要选择适用于这些环境的材料,如耐腐蚀、耐高温、耐磨损等特殊材料。
同时,还要考虑到环境因素对吊车梁操作和维护的影响,合理安排检修孔和维修通道,方便操作和维护人员进行维修和保养工作。
最后,吊车梁的设计还需要考虑到轻量化和节能环保的要求。
近年来,随着对节能环保的要求越来越高,吊车梁的设计也越来越注重轻量化和减少能耗。
例如,采用高强度、轻量化的材料来减轻吊车梁自身的重量,提高其起重能力;采用高效能的电机和液压系统,减少能耗和排放。
综上所述,吊车梁的设计需要全面考虑起重能力、安全性、稳定性、适用环境以及节能环保等方面的因素。
1总则钢结构的图纸分为钢结构设计图和钢结构施工详图(也称为钢结构加工制作详图)两个部分,土建结构专业施工图设计阶段提供钢结构设计图,本总说明为钢结构设计图的说明。
钢结构施工详图需由具有相应资质级别的钢结构加工制造企业或委托设计单位完成。
本工程土建结构部分主厂房及附属部分等钢结构的设计、制作、运输、堆放与安装,除本工程土建部分施工图总说明以及设计图纸中另有注明的外,均应按本说明书下列各项要求进行(如各施工图卷册中有关钢结构要求与本说明有冲突之处应以本说明为准)。
钢结构建(构)筑物设计使用年限为50年。
2规程、规范及标准本钢结构工程在遵照本说明第1条“总则”的前提下,设计、制作与安装应符合下列规程、规范及标准(最新版):GB50017-2003 钢结构设计规范GB50205-2001 钢结构工程施工质量验收规范JGJ81-2002 建筑钢结构焊接技术规程JGJ82-1991 钢结构高强度螺栓连接的设计、施工及验收规程GB/T700-1988 碳素结构钢GB/T1591-1994 低合金高强度结构钢GB/T5313---1985 厚度方向性能钢板GB/T3632---1995 钢结构用扭剪型高强度螺栓连接副GB/T3633---1995 钢结构用扭剪型高强度螺栓连接副技术条件GB/T1228---1991 钢结构用高强度大六角头螺栓GB/T1229---1991 钢结构用高强度大六角螺母GB/T1230---1991 钢结构用高强度垫圈GB/T1231---1991 钢结构用高强度大六角头螺栓、大六角螺母、垫圈技术条件GB/T5780-2000 六角头螺栓C级GB/T41---2000 六角螺母C级GB/T95-1985 平垫圈C级GB/T852--1988 工字钢用方斜垫圈GB/T853--1988 槽钢用方斜垫圈GB/T708--1988 冷轧钢板和钢带的尺寸、外形、重量及允许误差GB/T709--1988 热轧钢板和钢带的尺寸、外形、重量及允许误差GB/T3277-1991 花纹钢板GB/T5117-1995 碳钢焊条GB/T5118-1995 低合金钢焊条GB/T983--95 不锈钢焊条YB3301--92 焊接H型钢YB/T4001-98 压焊钢格栅板GB/T11263-1998 热轧H型钢和部分T型钢GB324-88 焊缝符号表示法GB/T9787-1988 热轧等边角钢GB/T9788-1988 热轧不等边角钢GB/T706-1988 热轧工字钢GB/T707-1988 热轧槽钢尺寸GB10854-89 钢结构焊缝外形尺寸GB8923-88 涂装前钢材表面锈蚀等级和除锈等级3钢材钢材采用碳素结构钢Q235B、低合金结构钢Q345B。
起重机主梁设计说明书第⼀章桥式起重机概述桥式起重机是指⽤吊钩或抓⽃吊取货物的⼀般⽤途的桥式起重机。
⽽起重机钢结构是起重机的重要组成部分,约占起重机总量的40%~90%,制造成本占总成本的1/3以上。
钢结构制造质量是评价起重机整体质量最重要的因素之⼀。
桥式起重机是应⽤最⼴泛的⼀种起重机,其结构在制造技术上很有典型性。
桥式起重机钢结构可分为桥架、门架和⼩车架等。
桥架⼜分为正轨箱型梁桥架、偏轨箱型梁桥架、偏轨空腹箱型梁桥架等;本书主要介绍了跨度16.5m,起重量10t 的通⽤桥式起重机箱型梁的设计⽣产过程。
第⼆章桥式起重机主梁的结构及尺⼨2.1 设计要求:通常按刚度和强度条件,并使截⾯积最⼩(经济条件),满⾜建筑条件要求(如吊车梁及平台焊接梁最⼤⾼度受建筑条件限制),来确定梁的⾼度,然后初步估算梁的腹板、盖板厚度,进⾏截⾯⼏何特征的计算,然后进⾏验算,经适当调整,直到全部合格。
设计题⽬:跨度为16.5⽶的桥式箱形起重机主梁的设计设计内容及要求:1.起重机主梁的设计:确定载荷;主梁垂直最⼤弯矩和剪切⼒的计算;主梁截⾯主要尺⼨的确定;主梁强度的验算;主梁垂直刚度的验算;主梁整体性的验算;主梁局部稳定性的验算;主梁翼缘焊缝的设计与强度计算等。
2. 绘制产品的结构图3.设计说明书1份。
要求说明书能以“⼯程语⾔和格式”阐明⾃⼰的设计观点、设计⽅案的优劣及设计数据的合理性;按照设计步骤、进程,科学地编排设计说明书的格式与内容,书写⼯整、叙述简明,约15页左右。
设计参数:起重量(t):10;跨度(m):16.5;⼯作类型:A7;起升⾼度(m):10;起升速度(m/min):16 ⼩车运⾏速度(m/min):40 ⼤车运⾏速度(m/min):110 ⼩车运⾏⽅式:分别传动桥架主梁形式:箱形梁估计重量(不⼤于t):⼩车5.6,起重机17.1。
2.2主要尺⼨的确定⼤梁轮距K=(1/8 ~1/5)L = (1/8~ 1/5)× 16.5 m= 2.0625 ~ 3.3 m 取K = 3 m 。
桥式起重机设计说明书姓名:胡会会学号:学院:材料科学与工程学院专业班级:材0802-2指导教师:朱浩日期:2011年7月目录一、主梁的几何尺寸 (1)1、梁的截面选择和验算 (1)2、箱形主梁截面的主要几何尺寸 (2)二、主梁的受力分析 (3)1、载荷计算 (3)2、强度验算 (3)3、主梁刚度的验算 (5)第二章主梁的制造焊接工艺过程 (6)一、备料 (6)二、下料 (7)三、焊接 (7)第三章焊缝外观评定及焊接无损检测 (9)一、焊接外观质量评定 (9)二、无损检测 (9)第四章焊接工艺卡 (10)第五章焊接接头微观组织及显微硬度 (11)一、微观组织观察 (11)二、显微硬度测试 (12)第六章焊接接头的力学性能评定 (13)一、接头拉伸试验 (14)二、接头弯曲试验 (15)三、接头冲击试验 (15)结束语16第一章桥式起重机箱型主梁截面尺寸一、主梁的几何尺寸1、梁的截面选择和验算通常按刚度和强度条件,并使截面积最小(经济条件),满足建筑条件要求(如吊车梁及平台焊接梁最大高度受建筑条件限制),来确定梁的高度,然后初步估算梁的腹板、盖板厚度,进行截面几何特征的计算,然后进行验算,经适当调整,直到全部合格。
图1起重机的结构图中部高度h端梁连接处高度h1梯形高度c 端梁宽度腹板的壁间距b腹板厚度δ0 盖板宽度b大隔板间距a小隔板高度h2 小隔板间距a1 纵向加筋角钢h3腹板厚均布载荷移动载荷F每个轮子的轮压F 1、F2小车自重Gx水平均布载荷qsh水平集中载荷Fsh 2、箱形主梁截面的主要几何尺寸靠近端梁处mmhha127221=--==δδ跨中为mmha2000)0.2~5.1(==查表并根据实际需要确定二、主梁的受力分析1、载荷计算由起重机主梁自重曲线得桥梁自重Gq=11t,自重均布载荷q1=Gq/L=55N/cm其中α为确定小车自重的系数,Q=5~100t的小车,α=0.35,动力系数φ取1.2Gx=Qα=172kN2、强度验算(1)、垂直弯矩包括两部分:移动载荷引起的弯矩:mNFLMF⋅⨯=⨯⨯⨯⨯==63107.35.198.9105.774141均布载荷引起的弯矩:(2)水平弯矩包括两部分:水平集中载荷引起的弯矩:水平均布载荷引起的弯矩:(3)尺寸确定后惯性矩的计算对x轴的惯性矩对y轴的惯性矩46233110308.0212122cmbhhbIy⨯=⎥⎥⎦⎤⎢⎢⎣⎡⎪⎭⎫⎝⎛+++⨯=δδδδ(4)截面弯曲系数由水平垂直和MM产生的主梁跨中截面的正应力分别为故水平和垂直弯矩同时作用时,在主梁上下盖中引起最大正应力为1300mm700mm2000mm3500mm700mm6mm752mm1272mm2000mm424mm636mm318mm查资料查资料172kN5.5N/cm38kN][52.20252.1201σσσσ<=+=+=MPa 水平垂直16Mn 钢][σ为225.5MPa 故为安全主梁截面最大剪应力在腹板中部,0max 2δτ⨯=xd s I S F 主梁端部N qL F F s 813252=+= 主梁端部截面对x 轴的静矩为311111011468821627001675241627006)162700()22(422)2(2cm h b h h S =⨯-⨯⨯+⨯-⨯⨯-=-+-⨯-=δδδδδ 主梁端部截面对x 轴的惯性矩411110113125442)2)()2(31[cm h h b h I xd =-+-=δδδδ故][64.1016.023125444688813125max ττ<=⨯⨯⨯=MPa (16Mn 钢][τ为137.3MPa)故为安全3、主梁稳定性的计算由于s h σδ/2351702126/1272/00>==,故应配置横向和纵向加筋。
单层工业厂房结构吊装设计说明书课程设计 HUA system office room 【HUA16H-TTMS2A-HUAS8Q8-HUAH1688】单层工业厂房结构吊装设计说明书(课程设计)一:工程概况本工程为某厂单层钢筋混凝土装配式车间,该车间共三跨(即12米、18米,24米),施工技术经济条件如下:(1)地质:由勘测报告知,土壤为一级大孔性黄土,天然地基承载力为 15T/m2,地下水位在地表下6~7米;(2)吊装前基础已施工完毕并回填平整至-0.20米;(3)柱、顶应为屋架及12米跨两铰拱屋架,均为现场预制;吊车梁、联系梁、基础梁及预应力大型屋面板在预制构件加工厂制作,用汽车运入现场并排放;(4)钢天窗梁系,分两段在金属结构厂制作,运到现场拼装并排放;(5)工期:自2010年3月1日至10月30日。
二:厂房结构安装方案的选择及确定:由工程概况可知构件数量较多且相差较大,若采用综合吊装法则起重机种类更换频繁,吊索更换也很平凡,造成费工费时现象。
而分件吊装法每次吊装相同的构件,索具不需经常更换,操作方法简单且基本相同,中间有间隔时间,能为后续工作提供工作面和时间。
基于以上分析,将施工方案定位分件吊装。
柱子及抗风柱的吊装采用旋转法,屋架的堆放采用斜向堆放。
柱和屋架采用现场预制。
采用同时预制,先吊装柱,然后吊装吊车梁,最后是屋盖系统,包括屋架、连系梁和屋面板,一次安装完毕。
三:起重机型号的选择确定:由主要构件大致尺寸得,构件重量均小于15吨,安装高度均小于19米,因此起重机暂定为W-100型履带起重机.起重机型号的确定和工作参数的计算:1、吊装柱子的起重机选择:边柱最重为6.9吨,长度为14.24米,要求起重量和起重高度分别为:要求起重量:Q= Q1+ Q2=6.9+0.6=7.5t要求起重高度:H=h1+h2+h3+h4=0+0.3+11.6+2=13.9m现初选用W-100型履带式起重机,起重机臂长23m,当Q=7.5t时相应的起重半径R=8m,起重高度H=20m>13.9m,满足吊装柱子的要求。
第二部分 钢混吊车梁设计部分一、吊车梁截面型式此电站单机容量为3.5万KW ,电站的吊车梁为两跨连续梁,跨长为7米,梁的截面形式为T 型,其截面尺寸如图所示。
吊车跨度m L K 14=,根据最大起重重量3G =23t ,选用30t 单小车桥式起重机。
吊车其他数据为:吊车轮距K=0m ,吊车主钩极限位置m l 1.11=,吊车重1G =26.1t ,单个小车重t G 5.92=,吊车两边轮数m=1,吊车轨道及埋件600N/m 。
1、高度:根据T 型梁截面混凝土梁的截面一般为跨度的1/5~1/8,即为7000/5~7000/8,即1400~875,取h=900mm 。
2、梁肋宽:梁肋宽为梁高的1/2~1/3,即450~300,取b=400mm 。
3、翼板厚度:翼板厚度常为梁的1/7~1/10,但不小于100mm ,故取为150mm 。
4、翼板宽度除考虑受力要求外,还应有足够尺寸以布置钢轨及埋件钢轨附件,一般不小于350mm ,在梁端部,肋宽宜适当加大,以利于主筋的锚固。
5、设计原则及混凝土标号、钢筋型号按《混凝土结构设计规范(GBJ-8为9)》。
吊车梁混凝土标号为C40,纵筋Ⅱ级,箍筋为Ⅰ级。
二、吊车梁荷载计算2.1、均布恒荷载q (取单位长度为1m 计算) (1)、吊车梁自重:N/m 109360.1024)6.015.04.075.0(q 431⨯=⨯⨯⨯+⨯=(2)、砂浆抹平层(3cm 容量为34/102m N ⨯)及埋件重(m N /600) N /m 10960.010)06.06.003.02(q 442⨯=⨯+⨯⨯= (3)、均布荷载: N /m 1003.110)096.0936.0(q 44⨯=⨯+= 2、垂直最大轮压:N t p 4104.224.22⨯== 3、横向水平制动力:T 0=1.633N 410⨯三、吊车梁内力计算3.1、在垂直作用下(1)、弯矩计算:从《水工钢筋混凝土结构学》附录表中应得n a 和n k 值。
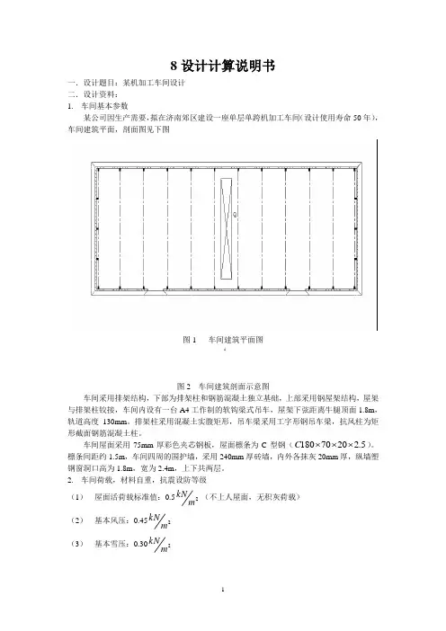
8设计计算说明书一.设计题目:某机加工车间设计 二.设计资料: 1. 车间基本参数某公司因生产需要,拟在济南郊区建设一座单层单跨机加工车间(设计使用寿命50年),车间建筑平面,剖面图见下图图1 车间建筑平面图‘图2 车间建筑剖面示意图车间采用排架结构,下部为排架柱和钢筋混凝土独立基础,上部采用钢屋架结构,屋架与排架柱铰接,车间内设有一台A4工作制的软钩梁式吊车,屋架下弦距离牛腿顶面1.8m ,轨道高度130mm 。
排架柱采用混凝土实腹矩形,吊车梁采用工字形钢吊车梁,抗风柱为矩形截面钢筋混凝土柱。
车间屋面采用75mm 厚彩色夹芯钢板,屋面檩条为C 型钢(5.22070180⨯⨯⨯C )。
檩条间距约1.5m ,车间四周的围护墙,采用240mm 厚砖墙,内外各抹灰20mm 厚,纵墙塑钢窗洞口高为1.8m ,宽为2.4m ,上下共两层。
2. 车间荷载,材料自重,抗震设防等级 (1) 屋面活荷载标准值:0.52m kN (不上人屋面,无积灰荷载)(2) 基本风压:0.452m kN (3) 基本雪压:0.302m kN(4) 屋面75mm 厚夹芯钢板及檩条自重标准值:0.252m kN(5) 钢屋架及屋面支撑自重标准值:0.352m kN(6) 钢筋混凝土自重253mkN;砖及抹灰自重203mkN;回填土自重203m kN(7) 抗震设防等级:6度 3. 荷载组合(1) 钢屋架:为简化计算,屋面暂不考虑风荷载作用,首先计算一榀典型简支屋架的内力系数,然后计算在下述三种荷载标准值下的杆件内力:全跨永久荷载,全跨屋面活荷载,半跨屋面活荷载,然后进行内力组合。
(2) 排架柱:不考虑车间的空间作用,将钢屋架简化成刚度无穷大的水平横梁,两端与排架柱铰接连接,然后计算排架在各种荷载下的内力,最后进行内力组合。
4. 地质情况经过勘测,地表土为人工填土,1.2m 厚,不宜作为天然地基土,建议全部挖除;其下为粘土,地基承载力特征值kPa f ak 200=,压缩模量MPa E S 10=,适宜作为地基持力层,场地地下水静止水位埋深10.5m ,可不考虑水质对基础混凝土的侵蚀,最大冻土深度可按0.5m 考虑。
┊┊┊┊┊┊┊┊┊┊┊┊┊装┊┊┊┊┊订┊┊┊┊┊线┊┊┊┊┊┊┊┊┊┊┊┊┊摘要桥式起重机使厂矿企业实现机械化生产,减轻繁重体力劳动的重要设备。
在一些连续性生产流程中他有事不可或缺的工艺设备。
目前,桥式起重机被广泛应用在国民经济建设各个领域,产品也已经形成多个系列。
随着经济建设的发展,用户对其性能要求越来越高,这需要我们从其零件着手,优化设计,提高桥式起重机的综合经济效益。
本文主要介绍了桥式起重机的整体设计理论和设计过程,其中重点设计了桥式起重机的起升机构和运行机构。
主要包括桥式起重机小车运行机构的整体设计及传动机构的布置、起升机构的计算、小车运行机构计算。
还有起升机构卷筒组的设计计算和吊钩组的设计计算,还有联轴器的选择、电动机的选择、减速器的选择和校核。
关键词:桥式起重机;起升机构;起重机小车;卷筒;吊钩┊┊┊┊┊┊┊┊┊┊┊┊┊装┊┊┊┊┊订┊┊┊┊┊线┊┊┊┊┊┊┊┊┊┊┊┊┊AbstractBridge crane to enable the realization of mechanical production of Factories and mines to reduce the importance of heavy equipment manual.In some of the continuity of the production process it is essential for process equipment .It can be in plant ,warehouse use ,also son of the use of open-air yard ,is a most widely used mechanical crane.At present ,the bridge crane is widely used in various fields of national economic construction,the production has also formed a number of series .With the development of the economic construction, users increasingly high performance requirements .so its design requirements has become more sophisticated,Which require us to proceed from the parts And optimize the design ,improve improve the comprehensive cost-effective bridge crane.This article mainly introduced the entire design theory and design process ofbridge-type hoist crane,which focused on the design of the bridge crane hoisting mechanism and operation of institutions.Including major bridge crane car running in the overall design and layout of the transmission mechanism,the lifting bodies,agencies calculate car running.Since there are groups or institutions reel and hook the design and calculation of the design group,and the choice of bear and coupling,the choice of motor,the choice and checking of reducer.KEYWORDS:bridge-type hoist crane;the lifting bodies ;crane trolley;reel;hook┊┊┊┊┊┊┊┊┊┊┊┊┊装┊┊┊┊┊订┊┊┊┊┊线┊┊┊┊┊┊┊┊┊┊┊┊┊目录前言 (1)第一章起重机总体方案的设计 (2)1.1、桥架结构的选型设计 (2)1.2、起升机构 (3)1.2.1、起升机构传动方案的确定 (3)1.2.2、钢丝绳选择 (5)1.2.3、卷筒的设计 (7)1.2.4、滑轮及滑轮组的设计 (7)1.3、运行机构 (7)1.3.1、运行机构的驱动方式选择 (8)1.3.2、大车运行机构 (8)1.3.3、小车运行机构 (9)1.4、金属结构设计 (10)1.4.1、桥架的总体结构 (10)1.4.2、桥架结构的设计要求 (12)1.5、附件设计 (13)1.5.1、司机室的选择 (13)1.5.2、缓冲器的选择 (13)1.5.3、电气系统设计 (13)1.5.4、控制系统电路图设计 (14)第二章起升机构的设计计算 (15)2.1、主起升机构的设计 (15)2.1.1、钢丝绳的选择 (15)2.1.2、卷筒的选择 (17)2.1.3、滑轮及滑轮组的确定 (19)2.1.4、主起升机构电动机 (21)2.1.5、减速器的选用 (22)2.1.6、制动器的选择 (24)2.1.7、联轴器 (24)2.2、副起升机构的设计 (25)2.2.1、钢丝绳的选择 (25)2.2.2、卷筒的选择 (27)2.2.3、滑轮及滑轮组的确定 (29)2.2.4、副起升机构电动机 (30)2.2.5、减速器的选用 (32)2.2.6、制动器的选择 (33)2.2.7、联轴器 (34)第三章运行机构的设计计算 (35)3.1、小车运行机构的设计计算 (35)3.1.1、选择车轮与轨道并验算其强度 (35)3.1.2、运行阻力的计算 (36)3.1.3、电动机选择 (37)3.1.4、减速器选择 (38)3.1.5、制动器选择 (39)3.1.6、联轴器的选择 (39)┊┊┊┊┊┊┊┊┊┊┊┊┊装┊┊┊┊┊订┊┊┊┊┊线┊┊┊┊┊┊┊┊┊┊┊┊┊3.1.7、打滑的验算 (40)3.2、大车运行机构的设计计算 (41)3.2.1、选择车轮与轨道并验算其强度 (41)3.2.2、运行阻力的计算 (43)3.2.3、电动机选择 (44)3.2.4、减速器选择 (45)3.2.5、制动器选择 (46)3.2.6、联轴器的选择 (47)3.2.7、打滑的验算 (47)第四章桥架结构的设计计算 (49)4.1 主要尺寸的确定 (49)4.1.1、大车轮距 (49)4.1.2、主梁高度 (49)mLH1181818===(理论值) (50)4.1.3、端梁高度 (50)4.1.4、桥架端梁梯形高度 (50)4.1.5、主梁腹板高度 (50)4.1.6、确定主梁的截面尺寸 (50)4.2、主梁的计算 (50)4.2.1、计算载荷确定 (50)4.2.2、主梁垂直最大弯矩 (51)4.2.3、主梁水平最大弯矩 (52)4.2.4、主梁的强度验算 (52)4.2.5、主梁的垂直刚度验算 (54)4.2.6、主梁的水平刚度验算 (54)4.3、主梁与端梁的焊接形式选择 (55)第五章附件的设计选择 (56)5.1、起重机电气系统的选择 (56)5.2、大车缓冲器的选择 (56)5.2.1、碰撞时起重机的动能 (56)5.2.2、缓冲行程内由运行阻力和制动力消耗的功 (56)5.2.3、缓冲器的缓冲容量 (56)5.3、小车缓冲器的选择 (57)5.3.1、碰撞时起重机的动能 (57)5.3.2、缓冲行程内由运行阻力和制动力消耗的功 (57)5.3.3、缓冲器的缓冲容量 (58)5.4、司机室的选择 (58)结论 (58)致谢 (59)参考文献 (60)┊┊┊┊┊┊┊┊┊┊┊┊┊装┊┊┊┊┊订┊┊┊┊┊线┊┊┊┊┊┊┊┊┊┊┊┊┊前言起重机械是用来升降物品或人员的,有的还能使这些物品或人员在其工作范围内作水平或空间移动的机械。
行车吊车梁设计说明书
说明:
一、行车吊车梁采用国家标准钢吊车梁或标准H型工字型钢;
二、采用国家标准钢吊车梁的可参阅中国建筑标准设计研究院出版的《钢吊车梁》图集;
三、本设计说明书充分考虑了:分项系数rθ、动力系数α、吊车梁和轨道自重η等因素,安全系数高;
四、设计原则:①最大弯距;②最大剪力;③饶度;
五、本设计书符合钢结构设计原理;
六、本设计最终解释权归上海马菱机电设备有限公司。
安全系数的选择:
分项系数rθ:rθ = 1.4;
动力系数α:α= 1.05,悬挂吊车、电动葫芦及轻、中级工作制的软钩吊车;
α= 1.10,重级工作制的软钩吊车及硬钩和其他特种吊车。
吊车梁和轨道自重η:η= 1.05p
设计方案:
①最大弯距
弯距计算简图:
其中:R A = P(2b+w)/L × (rθαη) R B = P(2a+w)/L × (rθαη)
M c = Pa(2b+w)/L × (rθαη) M d = Pb(2a+w)/L × (rθαη)
代入表格数据,并统一单位,得:
R A =
R B =
M c =
M d =
②最大剪力
最大剪力简图:
其中:V A = (Pw/L + P) × (rθαη)
代入表格数据,并统一单位,得:
V A =
③饶度
最大下饶度简图:
其中:M max = [P(L-w)/2] ×η
y max = M max L2/(10EIx)
代入表格数据,并统一单位,得:
M max =
y max =
项目说明:。
焊接结构课程设计说明书题目:焊接工字梁截面尺寸设计
院系:材料科学与工程学院
专业:2010级焊接
*名:***
学号:************
指导老师:***
日期:2013.10.28~2013.11.8
目录
第一节、课程设计题目 (3)
第二节、课程设计基本要求 (3)
第三节、设计步骤 (4)
3.1. 总体设计方案 (4)
3.2. 梁高的设计 (4)
3.3. 腹板尺寸的设计 (6)
3.4. 翼缘尺寸的设计 (6)
3.5. 设计结果小结 (7)
第四节、设计心得体会 (7)
第五节、参考资料 (7)
设计及计算过程结果
第一节、课程设计题目
设计手动焊接吊车工字梁的截面尺寸,条件如下:
吊车跨度为6m,采用Q235材料制度,最大承载为6吨,梁的最大弯矩
为376.32KN•m,钢材的抗弯强度设计值f为200MPa,腹板用钢板可供选
择的厚度规格为:12mm、16mm、20mm、24mm。
第二节、课程设计基本要求
1、焊接结构设计的基本要求是:实用性、可靠性、工艺性和经济性。
2、焊接结构设计的基本原则是:材料的合理选择和利用;结构形式的合
理设计;焊缝的合理布置;焊接量的减少;施工的方便性;有利于生产组
织与管理。
3、焊接结构设计的基本原则是:常规设计法、安全系数法和可靠设计法。