剩余工程量进度计划表2018年4月12日
- 格式:doc
- 大小:95.00 KB
- 文档页数:2
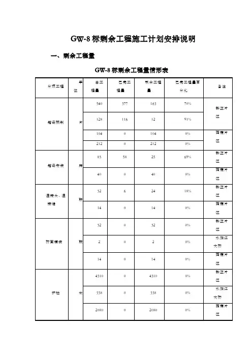
GW-8标剩余工程施工计划安排说明一、剩余工程量GW-8标剩余工程量情形表二、施工顺序整体施工顺序:以箱梁预制、安装为施工主线,结合水阳江大桥合拢工期进行安排部署。
目前我项目部的架桥机正在往新正片区小里程方向箱梁架设安装作业,计划5月1日开始进行架桥机调头转向,8月6日完成西莲片区架设。
同时穿插进行湿接头、湿接缝,桥面铺装、护栏等分项工程施工。
10月20日完本钱标段合同内容工程施工。
三、编制依据一、箱梁预制施工计划:①截止到3月6日新正片区剩余25米箱梁163片,从3月7日-31日期间,共计25个工作日。
计划每一个工作日完成新正片区25米箱梁预制4片,其中正常施工23个工作日,丰裕2个工作日,3月份计划完成箱梁预制92片;从4月1日-20日计划每一个工作日完成新正片区25米箱梁预制4片,共计20个工作日。
其中正常施工18个工作日,丰裕2个工作日,计划完成25米箱梁预制71片;②在完成新正片区25米箱梁预制任务后,紧接着开始预制西莲片区30米箱梁,西莲片区30米箱梁设计104片。
从4月21日-4月30日共计10个工作日,计划每一个工作日完成30米箱梁预制片,其中正常施工8个工作日,丰裕2个工作日,计划完成30米箱梁预制20片;从5月1日-5月31日共计31个工作日,计划每一个工作日完成30米箱梁片。
其中正常施工28个工作日,丰裕3个工作日,计划5月份期间完成30米箱梁预制70片;从6月1日-6月8日共计8个工作日,计划每一个工作日完成30米箱梁片。
其中正常施工6个工作日,丰裕2个工作日;计划6月上旬期间完成30米箱梁预制14片,共完成西莲片区30米箱梁104片;③在完成西莲片区30米箱梁预制任务后,接着预制25米箱梁,西莲片区25米箱梁设计212片。
考虑到进入6月中旬天气酷热,箱梁模板脱模时刻、张拉时刻提前等有利因素。
从6月9日-6月30日共计22个工作日,计划每一个工作日完成25米箱梁预制片,其中正常施工20个工作日,丰裕2个工作日。
施工进度计划表范本施工进度计划表范本 11、各施工阶段的进度安排1.1、总工期目标本工程招标文件要求工期为170日历天,我公司承诺工期为170日历天,并在此工期内完成合同范围内的全部工作量。
1.2、主要施工顺序①第一阶段(±0.00以下)基础施工总体的施工顺序:土方开挖→人工清理基坑(做垫层)→截桩及预应力管桩填芯(插筋)→桩基验收→承台、地梁钢筋,一层柱插筋→安装承台基础模板→隐蔽工程验收→浇筑承台基础砼→拆模→基础工程验收→基础回填土。
②第二阶段(±0.00以上)主体施工主体结构→围护砌体、小型结构、预留预埋→门窗、水电暖安装→内外装饰→设备安装调试→扫尾工程→完工。
1.3、±0.00以下基础施工由于本工程占地面积较大,土方开挖工程量相对较多,因此在施工期间必须采取抢工赶工的施工措施,精心组织、科学调配,组织好人力、机械、设备,处理好工序交接的衔接工作,使基坑暴露的时间最短,为上部施工做好准备。
1.4、建筑主体施工①土建主体施工是本工程建设的关键阶段,其进度处于关键线路上,只有土建主体工程做到按计划、有秩序、有组织地向前推进,才能使其他工程顺利完成。
本工程实施进程中,其重点抓好框架砼的流水施工,确保平均每8天一层的施工进度。
②每层结构施工流程搭设脚手架支撑→铺设底模→钢筋绑扎→预埋管线、留洞→梁侧模安装→砼浇筑→测量放线定轴线标高。
③内外墙砌筑,必须坚持质量第一的标准,严格按规范施工,以免给装修带来隐患。
④回填土应及时,回填范围内的杂物应清除干净,淤泥挖除,积水排干。
1.5、安装阶段施工①安装工程施工需要土建工程密切配合,要穿插土建施工的全过程中,总包单位必须加强组织协调工作,检查隐蔽工程必须检查安装工程预埋,及时发现问题妥善解决问题。
②安装工程施工过程中,水、电各专业要加强现场协调,安排好先后顺序,避免反复凿洞,多次修补的现象。
1.6、装饰工程施工①本工程的普通装饰工程必须确定创市优的目标,要严格把好材料质量关,材料采购时严格按照甲方限定的品牌采购;在施工过程中,树立精品意识,在微处下功夫,保证优良率100%。
CB02 施工进度计划申报表(华龙[ 2018 ]进度001号)合同名称: 河南省人民胜利渠灌区续建配套与节水改造项目2018年施工II标合同编号:RMSLQGQXJ[2018]-SG-02说明:本表一式_份,由承包人填写,监理机构签收后,发包人_份、设代机构_份、监理机构_份、承包人_份。
附件1施工进度计划一、工程概况本标段主要工作内容包括西一一分干渠(0+624-3+995),渠道衬砌3.371km,重建生产桥5座,重建水闸1座,重建斗门9座。
本标段主要工程量:1、渠道工程:渠道土方开挖:28399.95m³,渠道回填土方:2191m³,渠道混凝土衬砌4523.24m³,模板安装:2529.6㎡,土工膜铺设:6742.0㎡。
2、建筑物工程:土方开挖:2530m³,土方回填:2261m³,混凝土浇筑:729.86m³。
二、施工进度计划本工程计划于2018年5月4开工,在2018年10月30日完工,工期180日历天,详细的进度安排如下:1、施工准备及临建工程,于2018年5月4日开工,2018年5月20日完工,工期17天;2、西一一分干渠,于2018年5月21日开工,2018年9月10日完工,工期113天。
3、生产桥5座,于2018年6月10日开工,2018年9月10日完工,工期93天。
4、节制闸,于2018年5月25日开工,2018年9月20日完工,工期119天。
5、设备安装工程,于2018年9月25日开工,2018年10月5日完工,工期10天。
6、斗门工程,于2018年9月10日开工,2018年9月25日完工,工期16天。
7、收尾及资料整理,于2018年10月6日开工,2018年10月30日完工,工期25天。
三、工程进度控制和保证措施本工程计划2018年5月4日开工,整个工程按合同要求的工期完成。
工程进度保证措施是工程进度按计划进行的保证,主要包括组织措施、技术措施、合同措施、经济措施和网络技术措施等。
阶段计划及保障措施编制:代成平审核:张子川批准:张兴凯宁夏回族自治区水利水电工程局古蔺县观文水库工程一标段施工项目部 2017年8月11日一、概述按照政府、业主等领导部门要求的年底合同工程完工的目标要求,结合现场实际施工情况,特制定以2018年2月5日为完工目标倒排工期的阶段计划和保障措施。
二、工程形象面貌及剩余主要工程量1、大坝填筑形象面貌为:大坝整体填筑至1092.45m,大坝上游坝坡预制块护坡施工至1083.00m;完成全部固结灌浆施工,完成齿槽段、灌浆平洞4单元及20~23单元部分帷幕灌浆,正在进行左坝肩23单元帷幕灌浆实验。
2、取水(导流)隧洞形象面貌为:进水塔浇筑至1090.50m,完成进水塔人行桥1#、2#、3#、4#排架及5#桥台混凝土浇筑;进口箱涵及进水口全部完成;洞身只剩0+30~0+50龙台头段、取水洞出口只剩闸室启闭机以上闸房,其余混凝土均已完成。
完成取水洞0+70.4~0+236.5段回填灌浆。
3、溢洪道形象面貌为:溢洪道开挖施工全部完成;完成进口0+000.0~0+030.0段、交通桥桥台及桥面板、0+038.0~0+118.0段混凝土浇筑。
剩余主要工程量表如下表1:表1 剩余主要工程量表单位工程项目名称单位设计量剩余工程量备注剩余数量占设计比例拦河大坝过渡料m³27360 1650 6.1%1092.45-1094m 帷幕灌浆m 6900 1297 18.8%预制块护坡块42000 8000 19.5% 大坝上游防浪墙m³350 350 100%坝顶路面砼m³250 250 100%坝后砼框格梁护坡m(m³)2200(135)2200(135)100%坝后1076平台砼浇筑m³900 900 100%取水隧洞进水塔启闭机层m³800 100 12.5%至启闭机平台进水塔闸房项 1 1 100%取水隧洞出口闸房项 1 1 100%导流洞封堵m³550 550 100.0% 导0+5.5~0+45 取0+30~0+50砼m³130 130 100.0%取0+5.55~0+70.4段回填㎡230 230 100.0%溢洪道锚杆施工根125 350 35.7% 溢118~194段混凝土浇筑m³4510 1950 41.0% 溢118~194段其他管理房项 1 1 100.0% 左右岸管理公路砼m³3500 3500 100.0%三、进度计划1、从上表1可以看出本阶段剩余主要项目为混凝土浇筑和帷幕灌浆,在2017年第二个枯水期进行导流洞封堵,二枯还需完成取水洞剩余的混凝土衬砌、回填灌浆工作和验收工作,这些工作完成后进行收尾工程施工,计划总工期175天,详细进度见后附:观文水库枢纽一标段阶段施工进度计划横道图。
剩余工程量统计表格(可以直接使用,可编辑实用优秀文档,欢迎下载)
剩余工程量统计表格
注:目前现场未完成合同内工程量较多,工期已超出合同工期。
现要求各楼栋项目部严格按照该表时间组织施工,如有延误影响后配套进场施工的,将按照施工合同进行处罚。
本表作为目标责任书,要求各楼栋负责人签字。
楼栋负责人签字:时间:
昆山城建龙池花园二标段监理部
完成工程量统计报表
美嘉花园店面住宅楼工程
工 程 量 清 单
课题名称 美嘉花园店面住宅楼
姓 名 龚令 学 号 0903302-27 院 系 土木工程学院
专 业 土木工程专业(建筑工程方向)
指导教师
王伟宏
2021年 5 月 15 日
※※※※※※※※※ ※※ ※※ ※
※
※※※※※※※※※
2021届学生 毕业设计(论文)材料
填表须知
1、工程量清单及计价格式中所有要求签字、盖章的地方,必须由规定的单位和人员签字、盖章。
2、工程量清单及计价格式中的任何内容不得随意删除或涂改。
3、工程量清单计价格式中列明的所有需要填报的单价和合价,投标人均应填报;未填报的单价和合价,视为此项费用已包含在工程量清单的其他单价和合价中。
3、金额(价格)均应以人民币表示。
总说明
工程名称:美嘉花园店面住宅楼第1页共1页
施工措施项目清单(一)
工程名称:美嘉花园店面住宅楼第 1 页共 1 页
施工措施项目清单(二)
工程名称: 美嘉花园店面住宅楼第 1 页共 1 页
其他项目清单
工程名称: 美嘉花园店面住宅楼第 1 页共 1 页
规费、税金项目清单
工程名称: 美嘉花园店面住宅楼第 1 页共 1 页。
尾工计划1 编制原则(1)为了响应金沙江鲁地拉公司“关于第二次质量现场巡视所提问题及建议进行整改的通知要求”文件精神。
(2)依据本工程控制性进度需要,针对工程具体特点,合理配置资源,均衡生产。
(3)进度动态管理,尤其是关键线路的进度控制,原设计为Ⅱ类围岩可组织多工序的平行交叉作业,现Ⅲ类围岩只能进行顺序作业。
(4)对不可预见的地质坍塌等因素有所准备,施工上留有余地,合理安排剩余工作。
(5)正确处理进度、质量、安全之间关系,以质量保进度,以安全促进度。
2剩余工程量统计表3尾工进度计划1)根据剩余工程量和工期要求进行计划安排如下:石方洞挖:2011年8月20日到2011年9月27日;出口明挖:2011年8月24日到2011年9月27日;进口衬砌:2011年8月20日到2011年9月23日;钢模台车移动:2011年9月24日到2011年10月8日;出口衬砌:2011年10月9日到2011年11月19日;避车道衬砌:2011年11月20日到2011年12月11日;进口底板、小边墙和垫层:2011年8月20日到2011年11月15日;出口底板、小边墙和垫层:2011年8月20日到2011年11月22日;路面面层浇筑:2011年12月12日到2012年1月15日施工安排详见《进度计划网络图》如下:尾工计划网络图2)进度分析(1)石方洞挖及支护Ⅲ级围岩剩余施工范围为K0+786.5m~K0+854m;Ⅲ级围岩开挖作业单循环时间按12.0h考虑,单循环进尺3m,平均月进尺150m。
作业循环见表。
Ⅲ类围岩洞段开挖及支护作业循环时间表每周6个循环,月平均最高进尺85m,平均月进尺70m,剩余石方洞挖施工用时为29天,加上施工过程其他的时间需要,计划完成工程量所用时间为35天,每周计划完成工程量为12.5m/周,施工日期为2011年8月20日到2011年9月23日。
(2)进口衬砌砼进口衬砌砼施工采用9.1m(台车长度9.2m,每茬搭接长度0.1m)钢模台车进行,计划每周浇筑3仓。
xxx加高扩建工程第x标段剩余工程施工进度计划批准:审核:编制:xxx工程有限公司xxx工程四标项目经理部二O一六年十一月xxx工程第四标段剩余工程施工进度计划一、工程概况及完成形象进度xxx工程第四标段为水库的主坝墙,桩号0+070~1+000、1+200~2+900,战线长,工程量大,工期紧。
我部自进点以来,按照合同要求投入各种资源,精心组织,合理安排,至2016年冬季停工,完成工程形象如下:1、新设掺配料心墙:全部完工;2、上游坝面护坡:全部完工;3、防浪墙砼浇筑:完成1000m;4、排水沟:完成500m;5、砼盖板预制:2000块。
二、剩余主要工程量截止2016年冬歇期,我部合同内剩余主要工程量有:1、防浪墙砼浇筑:1630m,砼方量为2934m3;2、排水沟:剩余2130m;3、砼盖板:3000块,砼方量为750m3;4、坝后加高培厚:40万m3;5、量水堰:4座;检查井:7座。
6、纵向排水沟:78m,砼方量为200m3。
三、主要施工方法上述剩余工程所在分部工程已上报施工方案,此处不在详述。
详见已批准的分部工程施工方案。
四、投入资源1、投入人员五、进度计划1、防浪墙:剩余1630m,163个单元,10套模板,每天浇筑5个单元,需163/5=33天,工期安排:2017.3.15~2017.4.302、坝后培厚加高整个坝长范围内,分成4个工区,工区间采用平行作业。
工区内采用流水作业。
每个工区长度约2630/4=660m。
坝壳料方量为40万m3。
平均每个工区约为40万/4=10万m3。
每个工作面长度按150m计,每层铺土厚度为35cm,最大上料强度为20*150*0.35*1.2=1260m3。
取土料场配备2台365挖机上料,10辆双桥车运输。
第每循环时间计算:上料、铺料4h,碾压2h,试验1h,必要的休息和机械保养时间1h,故每循环需4+2+1+1=8h。
每天完成3个循环,计3*150=450m。
施工倒排计划表施工倒排计划表篇一:倒排施工计划安排海口市货运大道二期工程 H 标段交叉口施工计划安排(K6+900,K7+400路段)中建六局货运大道 H 标项目部 2017 年 6 月 20 日0一、货运大道二期 H 标段交叉口施工计划编制说明海榆中线与货运大道交叉口工程属海口市货运大道二期工程 H 标段重要施工任务内容,与货运大道一期工程终点相距约 100m,交叉口紧挨海口市秀英区儒益村,在海榆中线里程 4 公里处。
是目前海榆中线到海口车辆的必经之地,车流量大、交通负荷繁重,目前已经完成 K6+900, K7+000 主线排水管线、部分路基土方施工,标段内所有四个涵洞工程的已完成征地的 60m 范围内的部分及交叉口部分东侧货运大道主干道沥青混凝土路面的施工。
目前业主已经批准改交叉口内的设计变更及征地遗留问题正在由政府协助解决,交叉口范围内基本具备了大面积施工的条件。
目前我项目部根据交叉口实际情况编制、筹安排各分项工程及各工序施工。
统二、交叉口 K6+900, K7+400 路段施工安排计划现在经过重新布署,施工方案重做调整,根据工期要求,对未完工程量综合考虑,就施工目标、配备足够的机械设备、材料供应、劳动力等,对工期保证措施等计划重新安排如下,确保交叉口东侧工程保质如期完成,交叉口西侧及 K7+300- K7+400 征地情况再具体调整 : 视(一) 施工总体部署:、首先要完成交叉口东侧施工,交叉口西侧施工方可进行。
由 K6+900 开始路基形成一段,各综合管线及路面工程施工完成一段 ;交叉施工、分完成、填方及挖方段多个点同步进行,往K7+400 方向推进,交叉口段施工重点为软基换填及综合管线施工与水稳层搅拌站、预制场建设,同时要认真作好交叉口施工期间的交通疏导工作,确保施工与安全两不误。
(二) 交叉口东侧施工目标:、1、2、 2017 年 6 月 25 之前,完成清淤、放线工作。
2017 年 7 月 15 之前,确保 y10-y11 及 y 10-y 12 雨水管加固处理工程完成。
CB02 施工进度计划申报表(许水[ ]进度号)致:河南华北水电工程监理有限公司许昌市学院河饮马河连通工程建设监理部我方今提交施工总进度计划□年施工进度计划□月施工进度计划□专项施工进度计划(如度汛计划、赶工计划等)请贵方审批。
附件:1、施工进度计划。
2、图表、说明书共页.承包人:项目经理:日期:年月日说明:本表一式份,由承包人填写。
监理机构签收后发包人份、设代机构份、监理机构份、承包人份。
剩余施工进度计划安排批准:审核:编制:剩余工程量进度计划一、剩余工程量进度计划安排(以下排序以工程开始时间为先后顺序。
)(一)管理用房、公共卫生间(计划工程开始时间:2015年7月10日—计划工程结束时间:2015年9月30日.):截止2015年8月20日:完成管理房、公共卫生间主体结构工程施工。
截止2015年9月10日:管理房、公共卫生间墙面粉刷.截止2015年9月20日:完成管理房、公共卫生间门、窗的安装.截止2015年9月20日:完成管理房、公共卫生间玻璃门厅的安装。
截止2015年9月20日:完成管理房、公共卫生间玻璃门厅、四方管幕墙安装。
截止2015年9月25日:完成管理房、公共卫生间块料楼地面的安装.(二)汀步(计划工程开始时间:2015年7月28日—计划工程结束时间:2015年8月30日。
)截止2015年8月5日:完成土方开挖工程。
截止2015年8月15日:完成石汀步护脚安装。
截止2015年8月30日:完成石汀步100厚500X1000自然面花岗岩安装。
(三)喷灌(计划工程开始时间:2015年7月15日—计划工程结束时间:2015年8月15日。
)截止2015年7月18日:挖沟槽土方完成1909。
502m³。
截止2015年7月20日:完成阀箱33台。
截止2015年7月25日:完成阀箱23台。
截止2015年7月29日:完成阀箱4台.截止2015年8月2日:完成喷灌管线安装100m。
截止2015年8月5日:完成喷灌管线安装146m。
某工程1月完成工程情况表四、工程完成情况与计划进度的对比分析(包括可能影响工程按照进度计划进行的任何因素之详情,以及为消除这些因素正在采取(或准备采取)的措施,抢工措施等施工单位制表人:监理专业工程师:业主单位现场代表:跟踪审计单位现场代表:施工单位计量工程师: 监理计量工程师:业主单位计量工程师: 跟踪审计单位计量工程师: 施工单位负责人:总监理工程师:业主单位项目部经理:跟踪审计单位项目负责人:填报日期: 审核日期: 复核日期: 审定日期:某工程1月完成工程情况表四、工程完成情况与计划进度的对比分析(包括可能影响工程按照进度计划进行的任何因素之详情,以及为消除这些因素正在采取(或准备采取)的措施,抢工措施等施工单位制表人:监理专业工程师:业主单位现场代表:跟踪审计单位现场代表:施工单位计量工程师: 监理计量工程师:业主单位计量工程师: 跟踪审计单位计量工程师: 施工单位负责人:总监理工程师:业主单位项目部经理:跟踪审计单位项目负责人:填报日期: 审核日期: 复核日期: 审定日期:某工程1月完成工程情况表四、工程完成情况与计划进度的对比分析(包括可能影响工程按照进度计划进行的任何因素之详情,以及为消除这些因素正在采取(或准备采取)的措施,抢工措施等施工单位制表人:监理专业工程师:业主单位现场代表:跟踪审计单位现场代表:施工单位计量工程师: 监理计量工程师:业主单位计量工程师: 跟踪审计单位计量工程师: 施工单位负责人:总监理工程师:业主单位项目部经理:跟踪审计单位项目负责人:填报日期: 审核日期: 复核日期: 审定日期:某工程1月完成工程情况表四、工程完成情况与计划进度的对比分析(包括可能影响工程按照进度计划进行的任何因素之详情,以及为消除这些因素正在采取(或准备采取)的措施,抢工措施等施工单位制表人:监理专业工程师:业主单位现场代表:跟踪审计单位现场代表:施工单位计量工程师: 监理计量工程师:业主单位计量工程师: 跟踪审计单位计量工程师: 施工单位负责人:总监理工程师:业主单位项目部经理:跟踪审计单位项目负责人:填报日期: 审核日期: 复核日期: 审定日期:某工程1月完成工程情况表( 202x年12月26日——202x年1月25日)序 号工程项目及其主要内容型号单位 预算金额已审金额 完成工 程量 至本月累 计完成量 占总量 比率 (%) 综合单价 (元)总投资额 本月完成 投资额 (万元) 累计完成 投资额 占总投资 额比率 (%)(万元) (万元) 1 疏散指示 个 9162 防爆灯 个 13 暗装单极开关 个 124 暗装双极开关 个 25 暗装三极开关 个 26 暗装单级双控开关 个 27 二、三级插座个 38 耐火线NH-BV-2.5米12362.39 地下车库A 区防火卷帘门10 防火卷帘门 ㎡ 310.34 11钢质复合帘片封隔㎡2四、工程完成情况与计划进度的对比分析(包括可能影响工程按照进度计划进行的任何因素之详情,以及为消除这些因素正在采取(或准备采取)的措施,抢工措施等施工单位制表人: 监理专业工程师: 业主单位现场代表: 跟踪审计单位现场代表: 施工单位计量工程师: 监理计量工程师: 业主单位计量工程师: 跟踪审计单位计量工程师: 施工单位负责人: 总监理工程师: 业主单位项目部经理: 跟踪审计单位项目负责人: 填报日期:审核日期 :复核日期:审定日期:某工程1月完成工程情况表( 202x 年12月26日——202x 年1月25日)序完成工 至本月累 占总量 综合单价 总投资额 本月完成 累计完成 投资额 占总投资 工程项目及其主要内容 型号 单位 预算金额 已审金额 比率 程量 计完成量 额比率 投资额 (元)号四、工程完成情况与计划进度的对比分析(包括可能影响工程按照进度计划进行的任何因素之详情,以及为消除这些因素正在采取(或准备采取)的措施,抢工措施等施工单位制表人:监理专业工程师:业主单位现场代表:跟踪审计单位现场代表:施工单位计量工程师: 监理计量工程师:业主单位计量工程师: 跟踪审计单位计量工程师: 施工单位负责人:总监理工程师:业主单位项目部经理:跟踪审计单位项目负责人:填报日期: 审核日期: 复核日期: 审定日期:某工程1月完成工程情况表四、工程完成情况与计划进度的对比分析(包括可能影响工程按照进度计划进行的任何因素之详情,以及为消除这些因素正在采取(或准备采取)的措施,抢工措施等施工单位制表人:监理专业工程师:业主单位现场代表:跟踪审计单位现场代表:施工单位计量工程师: 监理计量工程师:业主单位计量工程师: 跟踪审计单位计量工程师: 施工单位负责人:总监理工程师:业主单位项目部经理:跟踪审计单位项目负责人:填报日期: 审核日期: 复核日期: 审定日期:某工程1月完成工程情况表四、工程完成情况与计划进度的对比分析(包括可能影响工程按照进度计划进行的任何因素之详情,以及为消除这些因素正在采取(或准备采取)的措施,抢工措施等施工单位制表人:监理专业工程师:业主单位现场代表:跟踪审计单位现场代表:施工单位计量工程师: 监理计量工程师:业主单位计量工程师: 跟踪审计单位计量工程师: 施工单位负责人:总监理工程师:业主单位项目部经理:跟踪审计单位项目负责人:填报日期: 审核日期: 复核日期: 审定日期:某工程1月完成工程情况表四、工程完成情况与计划进度的对比分析(包括可能影响工程按照进度计划进行的任何因素之详情,以及为消除这些因素正在采取(或准备采取)的措施,抢工措施等施工单位制表人:监理专业工程师:业主单位现场代表:跟踪审计单位现场代表:施工单位计量工程师: 监理计量工程师:业主单位计量工程师: 跟踪审计单位计量工程师: 施工单位负责人:总监理工程师:业主单位项目部经理:跟踪审计单位项目负责人:填报日期: 审核日期: 复核日期: 审定日期:某工程1月完成工程情况表四、工程完成情况与计划进度的对比分析(包括可能影响工程按照进度计划进行的任何因素之详情,以及为消除这些因素正在采取(或准备采取)的措施,抢工措施等施工单位制表人:监理专业工程师:业主单位现场代表:跟踪审计单位现场代表:施工单位计量工程师: 监理计量工程师:业主单位计量工程师: 跟踪审计单位计量工程师: 施工单位负责人:总监理工程师:业主单位项目部经理:跟踪审计单位项目负责人:填报日期: 审核日期: 复核日期: 审定日期:。
附件22018年市政府其它民生工程项目进度表一、老旧住宅维修工程(一)基本情况1.项目内容:深入贯彻落实党的十九大关于以人民为中心的发展思想,坚持问题导向,着力解决群众身边的堵点、难点、痛点问题,切实加强和改善民生,市政府确定2018年继续对市内四区1980年及以前建成,影响居民正常生活,长期得不到维修且未纳入拆迁、棚户区改造、“暖房子”计划的老旧住宅实施维修,其中中山区1.1万平方米,西岗区2.2万平方米,沙河口区2.2万平方米,甘井子区2.7万平方米,共计8.2万平方米。
维修内容主要包括:屋面维修、外墙保温、楼梯间粉刷和更换塑钢窗、电气线路老化维修、楼院局部整治等。
工程完工后,房屋透寒、漏雨现象将得以解决,外立面效果得以改观,楼院环境得以美化,既解决了百姓身边的生活小事,又改善了群众居住环境,提升了居民生活质量。
2.牵头部门:市国土房屋局3.责任人:王欣军(市国土房屋局副局长)4.相关单位:市内四区政府、市行政执法局5.资金情况:总投资4100万元,按照3:1比例,由市、区两级财政分别承担。
(二)逐月分解计划二、重点房屋健康情况鉴定工程(一)基本情况1.项目内容:深入贯彻十九大关于以人民为中心的发展思想,落实国家、省、市关于老旧住宅安全排查的工作部署,市政府确定开展市内四区老旧住宅安全排查项目,主要对市内四区建筑年代较长、建设标准较低、失修失养严重的老旧住宅实施安全排查。
项目计划两年完成,2017年已对市内四区3500余栋老旧住宅进行了初步排查和结构整体检测工作。
2018年将根据2017年初步排查和结构整体检测工作情况,对重点房屋健康情况进行体检、鉴定,给出全方位体检、鉴定报告,制定整治方案。
项目完成后,明确了市内四区房屋的健康状况,细化了房屋档案管理,强化了房屋安全使用管理。
2.牵头部门:市国土房屋局3.责任人:王欣军(市国土房屋局副局长)4.相关单位:市内四区政府5.资金情况:总投资1981万元,全部由市财政承担。