焊接工艺评定指导书修订稿
- 格式:docx
- 大小:43.37 KB
- 文档页数:3
钢结构焊接工艺评定作业指导书JZB-JSZW-B/1-041.目的为验证拟定的焊件是否满足钢结构焊接作业指导的要求,确定焊件焊接接头的使用性能符合标准要求。
2.适用范围适用于本公司承揽的钢结构工程项目的焊接工艺评定。
3.编制依据建筑钢结构焊接技术规程 JGJ81-20024.焊接工艺评定基本要求4.1 凡符合以下情况之一者,应在钢结构构件制作及安装施工之前进行焊接工艺评定:4.1.1 首次采用的钢种、焊接材料和焊接方法必须进行焊接工艺评定。
4.1.2 设计规定的钢材类别、焊接材料、焊接方法、接头形式、焊接位置、焊后热处理制度以及所采用的焊接工艺参数、预热后热措施等各种参数的组合条件为首次采用。
4.2 焊接工艺评定应由结构制作、安装企业根据所承担钢结构的设计节点形式、钢材类型、规格、采用的焊接方法、焊接位置等,制定焊接工艺评定方案,拟定相应的焊接工艺评定指导书,按《建筑钢结构焊接技术规程》JGJ81-2002的规定施焊试件、切取试样并由具有国家技术质量监督部门认证资质的检测单位进行检测试验。
4.3 焊接工艺评定的施焊参数,包括热输入、预热、后热制度等应根据被焊材料的焊接性制订。
4.4 焊接工艺评定所用设备、仪表的性能应与实际工程施工焊接相一致并处于正常工作状态。
焊接工艺评定所用的钢材、焊钉、焊接材料必须与实际工程所用材料一致并符合相应标准要求,具有生产厂出具的质量证明文件。
4.5 焊接工艺评定试件应由该工程施工企业中技能熟练的焊接人员施焊。
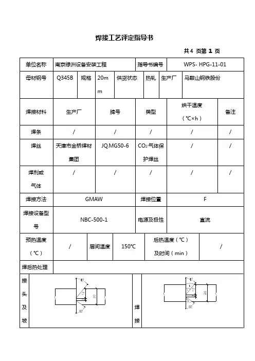
4.6 焊接工艺评定所用的焊接方法、钢材类别、试件接头形式、施焊位置分类代号应符合《建筑钢结构焊接技术规程》中表5.1.6/1-5.1.6/4及图5.1.6/1-5.1.6/4的规定。
5.2.8 焊接工艺评定结果不合格时,应分析原因,制订新的评定方案,按原步骤重新评定,直到合格为止。
5.2.9 已具有同等条件焊接工艺评定资料时,可不必重新进行相应项目的焊接工艺评定试验。
焊接工艺评定方案修订苏州宝带东路跨运河钢桁梁制造焊接工艺评定方案(修订)编制:复核:审核:批准:中铁九桥工程有限公司2013年09 月、总则苏州宝带东路跨运河钢桁梁主体结构采用Q345qD 钢材制造。
各结构中存在多种不同规格的对接、熔透或坡口角接及T 型角接接头,根据钢梁的设计图纸及相关技术文件要求,结合全桥钢梁的结构形式,我们根据《公路桥涵施工技术规范》(JTG/T F50-2011)附录F1的相关规定,从各种形式接头所有的板厚规格中选择有代表性的板厚组合进行焊接工艺评定试验(以下简称试验) 。
二、接头选择结合各部分结构形式,我们整理了结构中存在的各种不同板厚、不同焊接方法和不同施焊工位的各类主要对接、熔透或坡口角接及T 型角接接头,详见《附表:苏州宝带桥全桥主要接头形式表》。
并从所有的接头形式中选择了33 组有代表性和针对性的板厚和接头组合进行焊接工艺评定试验:其中包括14组对接接头,10组熔透角接接头,5 组坡口角接接头和4组T 型角接接头。
三、试验材料和焊接设备1、母材本次试验用钢板包括厚度为8mm、12mm、20mm、25mm、30mm、35mm、40mm、50mm、55mm的Q345qD 材质钢板。
符合GB/T714-2008的技术要求。
试板规格:对接接头:150X 800角接接头:150X 6002、焊接材料2.1埋弧自动焊:①上下弦杆件节点板对接焊缝、箱型杆件棱角焊缝箱体外部采用H08Mn2E (?5.0)焊丝,配合sjioiq旱剂。
②上下层桥面板对接焊缝填充盖面层焊接采用H08Mn2E (构.0)焊丝,配合SJ101q旱剂。
③工型腹杆、桥面系T型横梁主焊缝采用H08MnA (构.0)焊丝,配合SJ10iq旱剂。
2.2 CO2气体保护焊:①上下弦杆件腹杆接头板、横梁接头板焊缝采用药芯焊丝E501T-1 (?1.2)焊接。
②上层桥面U肋焊缝采用药芯焊丝E501T-1 (也.2)焊接,下层桥面纵向板肋焊缝采用实芯焊丝ER50-6 (?1.2)焊接;弦杆、腹杆纵向加劲肋采用实芯焊丝ER50-6 (?1.2)焊接。
(大连交大)焊接工艺评定指导书焊接工艺评定报告材料成型及控制工程专业(焊接方向)课程设计学生姓名专业班级所在院系材料科学与工程学院指导教师完成日期2011 年 3 月21 日焊接工艺评定报告焊评编号(PQR No.)PQR 020415焊接方法SAW母材钢号Q235C类别、组别号Ⅰ—1焊接材料H08A+HJ431厚度14mm直径1.焊接工艺评定指导书(任务书)……………………………………………………………( 2 )2.焊评施焊记录表……………………………………………………………………………( 3 )3.外观和无损检测记录表……………………………………………………………………( 4 )4.力学性能检验记录表………………………………………………………………………( 5 )5.硬度、金相、角焊缝、焊缝化学成分检验记录方法打磨焊接方法焊材牌号焊材规格电流种类及极性电流(A)电压(V)焊接速度cm/min热输入kJ/cm钨极直径SA W H08A+HJ431 4.0 交流580~600 36~38 45~47SA W H08A+HJ4314.0 交流600~620 36~38 45~47SA W H08A+HJ4314.0 交流600~62036~3845~47 检验项目、评定指标及试样数量检验项目检验标准评定指标检验项目检验标准评定指标试样数量外观检查JB4708—2000无裂纹拉伸试验常温GB/T228—1987 σs≥235MPa2高温射线JB4730—1994 Ⅱ焊缝超声弯曲试验面弯GB/T232—1988α=180°无裂纹2 背弯GB/T229—1994α=180°无裂纹2渗透侧弯磁粉冲击试验℃焊缝GB/T229—1994≥27J 3焊缝化热影GB/T22≥ 3温度≤200℃焊后热处理后热处理清根方法碳弧气刨,砂轮打磨保护气体脉冲频率脉宽比,%焊接方法焊材牌号焊材规格电流种类及极性电流(A)电压(V)焊接速度cm/min热输入kJ/cm钨极直径喷嘴直径SA W H08A+HJ4314.0mm 交流580~600 36~38 45~47外观和无损检测记录表焊评编号(PQR No.)PQR 020415焊缝外观检查表面裂纹无单面焊根部未焊透表面气孔无单面焊根部未熔合弧坑无单面焊根部凹陷咬边无焊脚焊缝余高2~3 焊脚差JB473—19941 Ⅱ合格JB473—19942 Ⅰ合格注:检测者:年月审核人:年月日MT PT UT 检测报告编号:检测检测部结果检测标检测部结果位置度(℃)MPa)MPa)%)%)和部位注宽度厚度焊缝2514常温415 250 27接头2514常温460 270 26弯曲试验验标准号:GB/T228—1988 试验报告编号:试样号试样型式试样厚度a(mm)弯轴直径D=4a(mm)弯曲角(°)弯曲结果备注1 面弯14 56 180 合格2 面弯14 56 180 合格3 背弯14 56 180 合格单位名称: 共6 页 第6页HV(维氏)HB(布氏)测点位置示意图硬度位置最大值最小值母材热影响区焊缝金相检验记录宏观组织检验微观组织检验角焊缝试验切接头断面示意图:殊检验项目。