电缆配管及敷设方式
- 格式:doc
- 大小:43.50 KB
- 文档页数:10
工程图纸都有图纸设计说明各个字母代表的意思SR:沿钢线槽敷设BE:沿屋架或跨屋架敷设CLE:沿柱或跨柱敷设WE:沿墙面敷设CE:沿天棚面或顶棚面敷设ACE:在能进入人的吊顶内敷设BC:暗敷设在梁内CLC:暗敷设在柱内WC:暗敷设在墙内CC:暗敷设在顶棚内ACC:暗敷设在不能进入的顶棚内FC:暗敷设在地面内SCE:吊顶内敷设,要穿金属管一,导线穿管表示SC-焊接钢管MT-电线管PC-PVC塑料硬管FPC-阻燃塑料硬管CT-桥架MR-金属线槽M-钢索CP-金属软管PR-塑料线槽RC-镀锌钢管二,导线敷设方式的表示DB-直埋TC-电缆沟BC-暗敷在梁内CLC-暗敷在柱内WC-暗敷在墙内CE-沿天棚顶敷设CC-暗敷在天棚顶内SCE-吊顶内敷设F-地板及地坪下SR-沿钢索BE-沿屋架,梁WE-沿墙明敷三,灯具安装方式的表示CS-链吊DS-管吊W-墙壁安装C-吸顶R-嵌入S-支架CL-柱上沿钢线槽:SR沿屋架或跨屋架:BE沿柱或跨柱:CLE穿焊接钢管敷设:SC穿电线管敷设:MT穿硬塑料管敷设:PC穿阻燃半硬聚氯乙烯管敷设:FPC电缆桥架敷设:CT金属线槽敷设:MR塑料线槽敷设:PR用钢索敷设:M穿聚氯乙烯塑料波纹电线管敷设:KPC 穿金属软管敷设:CP直接埋设:DB电缆沟敷设:TC导线敷设部位的标注沿或跨梁(屋架)敷设:AB暗敷在梁内:BC沿或跨柱敷设:AC暗敷设在柱内:CLC沿墙面敷设:WS暗敷设在墙内:WC沿天棚或顶板面敷设:CE暗敷设在屋面或顶板内:CC吊顶内敷设:SCE地板或地面下敷设:FC。
电缆导管等敷设施工方案一、前期准备1.了解施工现场的情况,包括地形地貌、土壤类型、交通条件等。
2.按照设计要求,编制施工组织设计和施工图纸,并报请相关部门批准。
3.采购所需的施工材料和设备。
二、施工准备1.清理施工现场,确保施工区域的平整和整洁。
2.拉设临时围栏,确保施工区域的安全。
3.划定施工路线和施工区域,标明施工路线和施工区域的限制区域。
4.配置施工人员和机械设备,确保施工进度和质量。
三、管道敷设1.开挖沟槽:根据设计要求和土壤情况,选择合适的机械设备进行沟槽开挖,保证沟槽的宽度和深度符合要求。
2.敷设管道:根据设计要求,选择合适的管道材料,进行管道敷设。
在敷设过程中,要保证管道的水平和垂直度,同时注意管道之间的间距和连接方式。
3.固定管道:使用适当的固定设备固定管道,确保其稳固。
4.封闭沟槽:在管道敷设完成后,及时封闭沟槽,防止沟槽塌方和其他危险。
四、电缆敷设1.准备电缆:根据设计要求,选择合适的电缆类型和规格,并进行检查和测试。
2.将电缆放入管道中:使用电缆牵引装置将电缆逐段放入管道中,注意保护电缆,防止产生弯曲和拉扯。
3.连接电缆:根据设计要求,将电缆进行连接,确保连接牢固和接地良好。
4.测试电缆:在电缆敷设完成后,进行电缆的测试和检查,确保其正常工作和质量。
五、施工记录和收尾工作1.记录施工过程:在施工过程中,要做好详细的施工记录,包括施工进度、质量检查和问题处理等。
2.收尾工作:在施工完成后,及时清理施工现场,恢复原状,并按要求进行竣工验收。
3.编制施工报告:根据施工记录和竣工验收结果,编制施工报告,总结施工经验和教训。
通过以上的电缆导管等敷设施工方案,可以保证施工的顺利进行和施工质量的高标准。
但在实际操作中,还需根据具体情况进行调整和完善。
CE-沿顶板面明敷WE-沿墙面明敷WC-沿墙体暗敷FC-沿地面暗敷CC-沿顶板暗敷CT-沿桥架敷设一下是我收集的电气设计施工图中常用线路敷设方式:SR:沿钢线槽敷设BE:沿屋架或跨屋架敷设CLE:沿柱或跨柱敷设WE:沿墙面敷设CE:沿天棚面或顶棚面敷设ACE:在能进入人的吊顶内敷设BC:暗敷设在梁内CLC:暗敷设在柱内WC:暗敷设在墙内CC:暗敷设在顶棚内ACC:暗敷设在不能进入的顶棚内FC:暗敷设在地面内SCE:吊顶内敷设,要穿金属管一,导线穿管表示SC-焊接钢管MT-电线管PC-PVC塑料硬管FPC-阻燃塑料硬管CT-桥架MR-金属线槽M-钢索CP-金属软管PR-塑料线槽RC-镀锌钢管二,导线敷设方式的表示DB-直埋TC-电缆沟BC-暗敷在梁内CLC-暗敷在柱内WC-暗敷在墙内CE-沿天棚顶敷设CC-暗敷在天棚顶内SCE-吊顶内敷设F-地板及地坪下SR-沿钢索BE-沿屋架,梁WE-沿墙明敷三,灯具安装方式的表示CS-链吊DS-管吊W-墙壁安装C-吸顶R-嵌入S-支架CL-柱上沿钢线槽:SR沿屋架或跨屋架:BE沿柱或跨柱:CLE穿焊接钢管敷设:SC穿电线管敷设:MT穿硬塑料管敷设:PC穿阻燃半硬聚氯乙烯管敷设:FPC电缆桥架敷设:CT金属线槽敷设:MR塑料线槽敷设:PR用钢索敷设:M穿聚氯乙烯塑料波纹电线管敷设:KPC 穿金属软管敷设:CP直接埋设:DB电缆沟敷设:TC导线敷设部位的标注沿或跨梁(屋架)敷设:AB暗敷在梁内:BC沿或跨柱敷设:AC暗敷设在柱内:CLC沿墙面敷设:WS暗敷设在墙内:WC沿天棚或顶板面敷设:CE暗敷设在屋面或顶板内:CC吊顶内敷设:SCE地板或地面下敷设:FCHSM8-63C/3PDTQ30-32/2P 这两个应该是两种塑壳断路器的型号,HSM8-63C/3P 适用于照明回路中,为3极开关,额定电流为63A(3联开关)DTQ30-32/2P 也是塑壳断路器的一种,额定电流32A,2极开关。
电缆配管电力电缆配管注:适用于三芯、三芯+N及四芯等截面电力电缆;电力电缆的敷设方式有几种如简很据敷设方式选用电缆电力电缆的敷设方式有以下几种:1直接埋在地下;2安装在架空钢索上; 3安装在地下隧道内; 4安装在电缆沟内; 5安装在建筑物墙上或天棚上; 6安装在桥梁构架上;7敷设在水下;以上各种敷设方式各有优缺点,采取何种敷设方式,应由具体情况决定,一般要考虑到城市发展规划、现有建筑物的密度、电缆线路的长度、敷设电缆的根数及其周围环境的影响;将电缆直接埋在地下,是最经济而又最广泛采用的敷设方式,它适用于郊区和车辆通行不太频繁的地方;电力电缆的敷设方式不同时,应选用不同的电缆;直埋敷设应使用具有铠装和防腐层的电缆;在室内、沟内和隧道内敷设的电缆,应采用阻燃难燃或非阻燃交联聚乙烯铠装电缆;确保无机械外力时,可选用无铠装电缆;易发生振动的区域必须使用铠装电缆;承受压力的敷设条件下,应选用钢带铠装电缆;承受拉力的敷设条件下,应选用钢丝铠装电缆;PR 塑料线槽敷设PC 硬制塑料管敷设FPC 半硬制塑料管敷设SC 薄电线管敷设RC 水煤气管敷设MR 封闭式金属线槽敷设CT 电线桥架或托盘敷设K 瓷瓶或拄式绝缘子敷设PCL 塑料夹敷设CP 蛇皮管/金属软管敷设QR 铝合金线槽敷设PL阻燃半硬聚乙烯管敷设AL 铝皮线卡敷设SR 沿钢索敷设BE 沿屋架或跨屋架敷设CLE 沿柱或跨柱敷设WE 沿墙面敷设ACE 能进入的吊顶内敷设CE 沿顶棚面或顶板面敷设BC 暗敷设在梁内CLC 暗敷设在柱内WC 暗敷设在墙内FC 暗敷在地面CC 暗敷在顶板内ACC 暗敷在不能进人的吊顶内要穿金属管SCE 在吊顶内敷设要穿金属管CEC或CC都表示暗敷设在顶板内CEC表示:暗敷设在顶板内--现浇板.空芯预制板,线就穿预制板孔CEC是一种不常用的敷设方式,CE在这里是天棚的意思,而后面的C为暗敷设,即天棚内暗敷设,实际就是在吊顶内沿楼板下敷设;电力电缆的敷设方式电力电缆的敷设方式有直埋敷设、穿管敷设、浅槽敷设、电缆沟敷设、电缆隧道敷设、空敷设等几种方式;从技术上比较,电缆隧道方式和电缆沟敷设方式是最佳的敷设方式,因为这两种方式便于电缆的施工、维护和检修;在一些发达国家的城市中,城市规划建设时,已考虑公用隧道;实践证明公用隧道运行效果良好,大大减少了重复投资,避免了反复开挖路面,但初期投资巨大;在国内,由于各种因素的限制,这种敷设方式是较少的;相比而言,直埋敷设和浅槽敷设则是属于经济型的敷设方式,但不利于电缆的维护和检修,一旦遇到电缆故障,即使使用测试仪测出故障点,也要重新挖开电缆沟,极不方便;因此电缆敷设方式的选择,要结合实际情况,根据工程条件、环境特点、电缆型号和数量等因素,用发展的眼光,按照满足运行可靠性,便于维护的要求和技术经济合理的原则确定;电力电缆的选型常用的电力电缆有油浸电缆、聚氯乙烯绝缘电缆、交联聚乙烯电缆等,根据使用场合的不同,又延伸为不同种类的特种电缆;目前,随着生产技术和生产工艺的不断提高,交联聚乙烯电缆已成为使用最广的电缆产品;在电缆选型时,应根据使用的不同环境和条件, 结合具体情况进行选择,如采用直埋和浅槽敷设方式时,应考虑使用加钢铠的电缆;电缆截面积的选择电缆截面积的选择, 关系到投资多少、线路的损耗和电压质量、电缆的使用寿命等;如选用的电缆截面积偏小,会导致电压质量下降;线路损耗过大,严重的甚至电缆过热烧毁;截面积过大,则会使初期投资太高;因此应根据负荷预测结果,选择合适的截面积,使电力电缆满足最大工作电流下的缆芯温度要求和电压降要求,最大短路电流作用下的热稳定要求;由于负荷预测工作难度性高、准确性较低,因此,选择电缆截面积时,还要满足城市中低压配电网改造技术导则和城市电力网规划导则要求;在三相四线制低压电网选用电力电缆时,还要考虑中性线截面积的选择,在公用低压网络中,由于受用户因素影响较大,三相负荷平衡难以控制,为改善电压质量,降低线损,中性线截面积应与相线截面积相同;电缆工程敷设方法发布时间:2007-12-10电缆工程敷设方式的选择应根据工程条件、环境特点和电缆类型、数量等因素确定,且按运行可便于维护的要求和经济技术合理的原则来选择;电力电缆敷设方式一般选择排管敷设、沟道敷设、隧道敷设、直埋敷设、水下敷设,以及上述方式交互结合的方式敷设,具体的敷设方法分为人力敷设和机械敷设;电缆敷设方式的选择应根据工程项目中电缆类型及数目,电缆路径特点等因素来选择; A.直埋敷设直埋敷设具有投资省的显着优点,是被广为采用的一种敷设方式;敷设电缆前,应检查电缆表面有无机械损伤;并用lkV兆欧表遥测绝缘,绝缘电阻一般不低于10M Ω;但由于安全性较差,很容易遭受外力破坏,所以现在不作为电缆永久性敷设方式,只作临时过渡考虑; ①电缆沟的深度应按有关规划部门提供的标高来决定,必须保证电缆的埋设深度;直埋电缆的深度不应小于,穿越农田时不应小于1m;直埋电缆的沟底应无硬质杂物,沟底铺100mm厚的细土或黄砂,电缆敷设时应留全长%~1%的裕度,敷设后再加盖100mm的细土或黄砂,然后用水泥盖板保护,其覆盖宽度应超过电缆两侧各500cm,也可用砖块替代水泥盖板;回填至沟深的一半时,建议铺一层带有警示标志的彩条布;待回填完成后,应在电缆转弯处、中间接头处、与其他管线交处等特殊位置放置明显的方位标志和标桩,以增强防止外力破坏能力;②电缆穿越道路及建筑物或引出地面高度在2m以下的部分,均应穿钢管保护;保护管长度在30m以下者,内径不应小于电缆外径的倍,超过30m以上者不应小于倍,两端管口应做成喇叭形,管内壁应光滑无毛刺,钢管外面应涂防腐漆;电缆引入及引出电缆沟、建筑物及穿入保护管时,出人口和管口应封闭;③交流四芯电缆穿入钢管或硬质塑料管时,每根电缆穿一根管子;单芯电缆不允许单独穿在钢管内采取措施者除外,固定电缆的夹具不应有铁件构成的闭合磁路;④地下并列敷设的电缆,中间接头的位置需互相错开,防止接头事故时,损伤其他接头;对于电缆与其他管线、建筑等平行和交叉时,应按规格的规定执行,不得随意更改;⑤农村低压电力电缆,一般采用聚氯乙烯绝缘电缆或交联聚乙烯绝缘电缆;在有可能遭受损伤的场所,应采用有外护层的铠装电缆;在有可能发生位移的土壤中沼泽地、流沙、回填土等敷设电缆时,应采用钢丝铠装电缆;B.排管敷设方式作为城市目前采用最多的一种敷设方式,,电缆通道狭窄,城市建设频繁,为更好的利用各种地形,保护电缆安全运行,这是一种最合理的方式;其不足之处,一是使电缆散热条件下降,降低了载流量;二是建设成本较高;①如果电缆出线较多,直埋敷设有困难,且又不易修沟时,可采用排管敷设方式;排管内径不应小于电缆外径的倍,埋深应在地下以下;当与其他管线、建筑等平行和交时,应按规格的规定执行;每个排管之间应由20mm间隙,以保证散热;②敷设电缆时,排管的管口应打磨圆滑,管内的赃物必须清除干净,防止划伤电缆;为了便于检查和维修,每隔150-200m或转弯处需设置工作井;电缆的接头均应设在井内;③选做穿管用的管材科采用塑料、石棉或水泥管等;比较常用的是采用塑料管;但在选用塑料管材时,应对材料的难稀性、抗冲击性、承压能力做出选择,不宜采用热阻系数较大的管材,目前很多厂商生产的波纹PVC惯性能很好,适于选用; C.穿管所用管材一般采用水泥导管或PVC导管;水泥导管一般用于中低压电缆管道,我局新建110KV电缆管道大多采用PVC管;PVC管道管壁光滑,安装简便,电缆敷设时摩擦力较小,对外护套损伤较轻;砖砌或预制沟体敷设方式也是一种普遍采用的电缆敷设方式;优点是可以同时容纳许多类型、许多数量电缆,用电缆支架加以区分隔离;对于高压电缆,敞开式沟体中电缆敷设更安全直观;缺点是沟体占地较宽,不太适合城市地下管线布置;D.隧道或地下管廊敷设方式对于城市某些地段,地下管线集中,难以布局,这时就必须建设较大空间的地下走廊;根据不同管线,考虑安全合理因素加以安排;在隧道中敷设电缆必须考虑的问题就是防火和防潮;E.水下敷设方式要求电缆本身具有很高的机械强度有加强铠装,外护套防水性佳如PE护套,以及在电缆敷设前应选择水流速度较低,外界干扰较少的路径环境;电缆敷设后应采取严密保护措施,如设立标示牌等,保证安全运行;电缆敷设是介于制造和运行之间关键环节,电缆敷设质量的好与坏对今后电缆安全可运行起着至关重要的影响;应引起施工人员的高度重视,电缆敷设前后要做好以下工作:①做好敷设前的准备工作,首先查看电缆敷设路径,土建设施电缆沟、电缆隧道、保护管等及敷设深度、宽度是否符合规程要求;备好工器具,排除各种障碍,为敷设创造条件;②电缆必须作为特殊材料吊云,严禁瓜、碰、挤、磨,按敷设要求安排好电缆盘的位置和方向,认真做好外观检查;敷设前应对电缆进行耐压鉴定,合格后方可敷设;线管的代号及敷设方式一、线管的代号SC:焊接钢管TC:电线管PC:硬质塑料管CT:电缆桥架CP:金属软管SR:钢线槽RC:水煤气管二、导线敷设部位:SR:沿钢索敷设CLE:沿柱或跨柱敷设WE:沿墙面敷设CE:沿天棚面或顶棚面敷设ACE:在能进入的吊顶在敷设BC:暗敷设在梁内CLC:暗敷设在柱子内WC:暗敷设在墙内FC:预埋在地面内CC:暗敷设在顶板内根据中国建筑标准设计研究所出版的建筑电气工程设计常用图形和文字符号00DX001 73页规定:线路敷设方式标注:穿焊接钢管敷设:SC穿电线管敷设:MT穿硬塑料管敷设:PC穿阻燃半硬聚氯乙烯管敷设:FPC 电缆桥架敷设:CT金属线槽敷设:MR塑料线槽敷设:PR 用钢索敷设:M穿聚氯乙烯塑料波纹电线管敷设:KPC 穿金属软管敷设:CP直接埋设:DB电缆沟敷设:TC混凝土排管敷设:CE导线敷设部位的标注沿或跨梁屋架敷设:AB暗敷在梁内:BC沿或跨柱敷设:AC暗敷设在柱内:CLC沿墙面敷设:WS暗敷设在墙内:WC沿天棚或顶板面敷设:CE暗敷设在屋面或顶板内:CC吊顶内敷设:SCE地板或地面下敷设:F另外,JDG–紧定式电线管,KBG–扣压式电线管一,导线穿管表示MT-电线管PC-PVC塑料硬管FPC-阻燃塑料硬管CT-桥架MR-金属线槽M-钢索CP-金属软管PR-塑料线槽RC-镀锌钢管二,导线敷设方式的表示DB-直埋TC-电缆沟BC-暗敷在梁内CLC-暗敷在柱内WC-暗敷在墙内CE-沿天棚顶敷设CC-暗敷在天棚顶内SCE-吊顶内敷设F-地板及地坪下SR-沿钢索BE-沿屋架,梁WE-沿墙明敷三,灯具安装方式的表示CS-链吊DS-管吊W-墙壁安装C-吸顶R-嵌入S-支架CL-柱上穿焊接钢管敷设:SC 穿电线管敷设:MT 穿硬塑料管敷设:PC穿阻燃半硬聚氯乙烯管敷设:FPC 电缆桥架敷设:CT金属线槽敷设:MR塑料线槽敷设:PR用钢索敷设:M 穿聚氯乙烯塑料波纹电线管敷设:KPC 穿金属软管敷设:CP直接埋设:DB电缆沟敷设:TC导线敷设部位的标注沿或跨梁屋架敷设:AB暗敷在梁内:BC沿或跨柱敷设:AC暗敷设在柱内:CLC沿墙面敷设:WS暗敷设在墙内:WC沿天棚或顶板面敷设:CE 暗敷设在屋面或顶板内:CC 吊顶内敷设:SCE地板或地面下敷设:FC。
电缆敷设和配管规程一、电缆敷设(GB 50168-2006)1、直埋电缆:⑴电缆表面距地面的距离不应小于0.7m⑵直埋电缆的上、下部应铺以不小于100mm厚的软土或沙层,并加盖保护板,覆盖宽度应超过电缆两侧50mm,保护板可采用混凝土盖板或砖块⑶直埋电缆在直线段每隔50~100mm处、电缆接头处、转弯处、进入建筑物等处,应设置明显的方位标志或标栓,标栓露出地面以150mm为宜⑷回填土前,隐蔽工程应验收合格,回填土应分层夯实⑸电缆之间,电缆与其他管道、道路、建筑物等之间平行和交叉时的最小浄距,应符合规定1、电缆沿支架、桥架敷设⑴电缆沿桥架或托盘水平敷设时,应单层敷设,排列整齐,不得有交叉⑵不同等级电压的电缆应分层敷设,高压电缆应敷设在上层⑶通等级电压的电缆沿支架敷设时,水平浄距不得小于35mm,沿桥架或托盘垂直敷设时,每层最小加装两道卡固支架⑷电缆穿过楼板时,应加装套管,敷设完后应将套管用防火材料堵死2、挂标示牌:⑴标示牌上应注明电缆编号、型号、规格、电压等级及起止地点⑵直埋电缆进入建筑物、电缆井两端应挂标示牌⑶沿支架、桥架敷设电缆时,在其两端、拐弯处、交叉处应挂标志牌。
直线段应适当增加标示牌二、桥架安装⑴横平竖直、标高符合设计要求⑵支点间距符合规范要求⑶连成整体,妥善接地(镀锌桥架、托盘、线槽的搭接处用螺母、平垫、弹簧垫紧固后可不做跨接地线。
非镀锌制品的金属桥架、托盘、线槽的搭接应用跨接地线连接成整体)⑷线槽内敷设的导线应按回路绑扎成束,并应适当固定,导线不得在线槽内接头,安装任何场所的线槽均须用盖板牢固⑸电缆可敷设在线槽内,但在桥架或托盘内不应直接辐射导线三、配管1、混泥土体内的钢管与铁盒:⑴钢管的内壁、外壁均应做防腐处理(刷防腐漆)。
若埋设于混凝土内,钢管外壁可不做防腐处理,但应除锈;采用镀锌钢管时,锌层剥落处应涂防腐漆⑵管口除毛刺,入箱、盒时需加护口⑶管的弯曲半径≥6D,弯扁角≤0.1D(D为管子外径)⑷SC20及以下钢管暗配时,宜作螺纹连接,管箍两端必须焊接跨接地线,但也可套管连接。
电缆敷设及管内穿线施工方案1、概述本方案为工程管内穿线及电缆敷设施工方案,依据施工合同、国家现行标准及以往施工阅历编制。
本工程内容主要包括电缆、电线、电缆桥架的施工。
2、管内穿线2.1、工艺流程选择导线→扫管→穿带线→导线与带线的绑扎→管口带护口→导线连接→线路绝缘遥测。
2.2、施工条件配管工程或桥架工程协作土建构造施工完毕;竖井内配管及桥架安装完毕;协作土建工程顶棚施工配管或桥架安装完毕。
2.3、施工方法2.3.1、选择导线〔1〕各回路的导线严格依据设计图纸选择型号规格,相线、零线及保护地线应加以区分,用黄、绿、红导线分别作 A、B、C 相线,黄绿双色线作接地线,蓝线作零线。
2.3.2、清扫管路配管完毕后,在穿线之前,必需对全部的管路进展清扫。
清扫管路的目的是去除管路中的灰尘、泥水等杂物。
具体方法为:一般管路用空压机吹扫,假设有积水等则先穿带线,将布条的两端结实地绑扎在带线上,两人来回拉动带线,将管内杂物清净。
2.3.3、穿带线穿带线的目的是牵引导线并检查管路是否畅通,管路的走向及盒、箱质量是否符合设计及施工图要求。
带线承受φ2mm的钢丝,先将钢丝的一端弯成不封口的圆圈,再将带线穿入管路内,在管路的两端留有10~15cm 的余量。
当穿带线受阻时,可用两根钢丝分别穿入管路的两端,同时搅动,使两根钢丝的端头相互钩绞在一起,然后将带线拉出。
2.3.4、放线及断线(1)放线:放线前应依据设计图对导线的规格、型号进展核对,放线时导线应置于放线架或放线车上,不能将导线在地上随便拖拉,更不能野蛮使力,以防损坏绝缘层或拉断线芯。
(2)断线:剪断导线时,导线的预留长度按以下状况予以考虑:接线盒、开关盒、插销盒及灯头盒内导线的预留长度为 15cm;配电箱内导线的预留长度为配电箱箱体周长的 1/2。
(3)导线与带线的绑扎:当导线根数较少时,可将导线前端的绝缘层削去,然后将线芯直接插入带线的盘圈内并折回压实,绑扎结实;当导线根数较多或导线截面较大时,可将导线前端的绝缘层削去,然后将线芯斜错排列在带线上,用绑线缠绕绑扎结实。
配管配线施工方案电缆敷设1)电缆敷设定额综合了不同的敷设方式,即土沟内、穿管、支架、沿墙卡设、钢索、沿支架卡设、垂直敷设七种方式,定额将这七种方式按一定的比例进行了综合扩大,因此,在实际工作中不论采取何种方式,一律不作换算和调整。
电缆敷设按不同截面以延长米计算并套用定额。
其截面计算是电缆单芯计算套用定额,不得将三芯及零线的截面相加计算,电缆头制作及安装亦相同。
2)“竖直通道电缆”子目主要适用于高层建筑和电视塔等电缆工程,由于竖直电缆敷设定额是按电缆垂直敷设的安装条件综合考虑的,并不是高层建筑的专用电缆,因此应和其他电缆一样按规定条件计取各种应计取的费用。
3)单芯电缆敷设、终端头、中间接头可按同截面的三芯电缆敷设定额基价,乘以0.66的系数。
4)37芯以下的控制电缆敷设套用35mm的电力电缆敷设定额。
5)电缆敷设及电缆头制作安装定额是按铝芯电缆编制的,因此,铜芯电缆敷设按相应截面的铝芯电缆安装定额人工和机械乘1.4的系数,电缆头制作安装按相应定额乘以1.2的系数。
6)电缆在山地、丘陵地区直埋敷设时,野生乘以1.3的系数,该地段所需的材料如固定桩、夹具等按实践用量计算。
7)厂外电缆(包括进厂部分)敷设,套用《电力建设工程预算定额》第四册“送电线路安装工程”35kV电缆敷设相应定额乘以0.9的系数。
由于进厂电缆较远,需要另计工地运输,执行第四册“送电线路工程”的电缆敷设定额的相应项目。
注:电力行业预算定额为第四册。
8)电缆桥架、托盘、槽盒等,如现场制造时,应套用第六章“轻型铁构件制造”定额,其装置应执行第十册“主动化控制装置及仪表工程”中第十一章“附件装置”定额的相应工程。
9)电缆防火用的设备及材料的安装,可套用《全统定额》第十三册“刷油、绝热、防腐蚀工程”中的有关定额子目。
10)电缆敷设长度应根据敷设路径水平和垂直距离,另按表1规定增加附加长度。
表1电缆附加长度11)电缆支架的接地线应执行室内接地母线装置定额。
电气配管敷设方式————————————————————————————————作者:————————————————————————————————日期:sc:焊接钢管tc:电线管薄钢管pc:硬质塑料管ct:电缆桥架cp:金属软管SR:钢线槽RC:水煤气管sc管是钢导管的英文单词steel conduit 的开头字母缩写.SC新的标准标注,同于原来的G,应该是电线管,(也就是通常说的厚壁电线管)新标注为RC,通于原来标注的GG,是通常说的水水煤气管。
新标注的TC,指的是薄壁电线管。
以上通称焊接钢管。
新标注,PC聚氯乙烯硬管FPC半硬管KPC 波纹管CT,为桥架敷设KBG,JBG是薄壁电线管的一个变种,属于行业标准标注,不是国标,和SC等不是一回事SC是规范上的焊管,而且是厚壁的,壁厚通常不小于3mmKBG---扣压式电气导管,用专用的压钳将套接管与导管压接紧固;JBG---紧固式电气导管,套管与导管使用用螺丝紧固.JDG、KBG管成为扣压式镀锌钢管,不用防腐、不用跨接。
是黄色的。
壁厚为1.2mm。
2.5左右。
广泛应用,节省钢材。
安装简便,功效高。
但要用正规厂家的,否则弯曲时,易扁、开裂。
要用配套的弯曲工具和弹簧。
JDG导管及系列产品是我公司在吸收国内外同类先进技术的改进型,与日本JIS工业标准相一致,并与GB50303、GB50300相吻合,即改变了传统熔焊和套丝复杂的施工工艺,也弥补了国内市场同类产品易滑扣等不良现象。
选材精当JDG导管及系列产品均采用优质钢材,经精密加工而成,双面镀锌,既美观,又有良好的防腐性能。
施工方便无需电焊机和套丝设备,也不需做跨接地线,无须刷漆,省去了传统熔焊和套丝等复杂的施工工序。
只需将直管接头连接管与管,螺纹管接头连接管与接线盒,定位后用专用工具拧紧(拧断)螺钉即可,与接线盒连接处用锁母紧定即可。
管路转弯处用弯管器可现场弯曲相应的弧度。
适用范围广JDG导管有超轻型管和轻管两种,超轻型管可用于明敷,轻型管既可明敷亦可暗敷。
电缆敷设方式与代号线管的代号及敷设方式一、线管的代号SC:焊接钢管TC:电线管PC:硬质塑料管CT:电缆桥架CP:金属软管SR:钢线槽RC:水煤气管二、导线敷设部位:SR:沿钢索敷设CLE:沿柱或跨柱敷设WE:沿墙面敷设CE:沿天棚面或顶棚面敷设ACE:在能进入的吊顶在敷设BC:暗敷设在梁内CLC:暗敷设在柱子内WC:暗敷设在墙内FC:预埋在地面内CC:暗敷设在顶板内根据中国建筑标准设计研究所出版的《建筑电气工程设计常用图形和文字符号》00DX001 73页规定:线路敷设方式标注:穿焊接钢管敷设:SC穿电线管敷设:MT穿硬塑料管敷设:PC穿阻燃半硬聚氯乙烯管敷设:FPC电缆桥架敷设:CT金属线槽敷设:MR塑料线槽敷设:PR用钢索敷设:M穿聚氯乙烯塑料波纹电线管敷设:KPC穿金属软管敷设:CP直接埋设:DB电缆沟敷设:TC混凝土排管敷设:CE导线敷设部位的标注沿或跨梁(屋架)敷设:AB暗敷在梁内:BC沿或跨柱敷设:AC暗敷设在柱内:CLC沿墙面敷设:WS暗敷设在墙内:WC沿天棚或顶板面敷设:CE暗敷设在屋面或顶板内:CC吊顶内敷设:SCE地板或地面下敷设:F另外,JDG--紧定式电线管,KBG--扣压式电线管一,导线穿管表示MT-电线管PC-PVC塑料硬管FPC-阻燃塑料硬管CT-桥架MR-金属线槽M-钢索CP-金属软管PR-塑料线槽RC-镀锌钢管二,导线敷设方式的表示DB-直埋TC-电缆沟BC-暗敷在梁内CLC-暗敷在柱内WC-暗敷在墙内CE-沿天棚顶敷设CC-暗敷在天棚顶内SCE-吊顶内敷设F-地板及地坪下SR-沿钢索BE-沿屋架,梁WE-沿墙明敷三,灯具安装方式的表示CS-链吊DS-管吊W-墙壁安装C-吸顶R-嵌入S-支架CL-柱上穿焊接钢管敷设:SC穿电线管敷设:MT穿硬塑料管敷设:PC穿阻燃半硬聚氯乙烯管敷设:FPC电缆桥架敷设:CT金属线槽敷设:MR塑料线槽敷设:PR用钢索敷设:M穿聚氯乙烯塑料波纹电线管敷设:KPC穿金属软管敷设:CP直接埋设:DB电缆沟敷设:TC导线敷设部位的标注沿或跨梁(屋架)敷设:AB暗敷在梁内:BC沿或跨柱敷设:AC暗敷设在柱内:CLC沿墙面敷设:WS暗敷设在墙内:WC沿天棚或顶板面敷设:CE暗敷设在屋面或顶板内:CC吊顶内敷设:SCE地板或地面下敷设:FC电缆电线穿管,先计算要穿的导线总截面积(电线、电缆的外径的平方x0.7854x电线根数)计算结果应小于或等于管·子截面的40%。
电线、电缆导管和线槽敷设、敷线 NO: D-1电线、电缆导管和线槽敷设、敷线1适用范围本章适用于民用建筑电气照明与动力电线、电缆导管和线槽敷设、敷线安装工程。
2编制依据《建筑电气工程施工质量验收规范》(GB50303-2002)3施工准备3.1材料准备3.1.1镀锌钢管(或电线管)壁厚符合设计要求且均匀,焊缝均匀规则,无劈裂、砂眼、棱眼、棱刺和凹扁现象。
除镀锌管外其它管材的内外壁需预先除锈刷防腐处理(埋入砼内可不刷防腐漆,但应除锈)。
镀锌管或刷过防腐漆的钢管外表层完整,无剥落现象,有产品合格证和材质化验报告。
3.1.2管箍使用通丝的,丝扣清晰无乱扣现象,镀锌层完整,无剥落,无劈裂,两端光滑无毛刺,有产品合格证。
3.1.3锁紧螺母外形完好无损伤,丝扣清晰。
3.1.4护口有薄、厚壁管之区别,护口要完整无损。
3.1.5铁制灯头盒、开关盒、接线盒等,板材厚度应不小于1.2mm,镀锌层无剥落,无变形开焊,敲落孔洞完整无缺,面板安装孔与地线连接孔齐全,有产品合格证。
3.1.6面板、盖板的规格、尺寸、安装孔距与所用盒相配套,外形完整无损,板面颜色均匀一致,有产品合格证。
3.1.7使用的各种型钢应符合国家标准,镀锌层完整无损,有产品合格证。
3.1.8螺丝、螺栓、膨胀螺栓、螺母,垫圈等应采用镀锌件。
3.1.9凡所使用的阻燃型(PVC)塑料管,其材质均应具有阻燃、耐冲击性能并符合防火规范要求,有产品合格证及材质化验报告。
3.1.10阻燃型塑料管应有间距不大于1m的连续阻燃标记和制造厂厂标,管子内、外壁光滑、无凸棱、凹陷、针孔、气泡,内外径的尺寸应符合设计要求及国家统一标准,管壁厚度应均匀一致。
电线、电缆导管和线槽敷设、敷线 NO: D-13.1.11阻燃型塑料管的配件如各种灯头盒、开关盒、插座盒、管箍、端接头等,必须使用配套的阻燃塑料制品。
3.1.12阻燃型塑料灯头盒、开关盒、接线盒,其外观应整齐,预留孔齐全,无劈裂等损坏现象。
导线敷设方式的选择主要考虑以下因素:
1. 安全性:导线敷设要符合国家电气安全标准,比如防火、防水、绝缘等要求。
2. 经济性:选择合适的敷设方式可以减少施工成本和材料浪费。
3. 效率:敷设方式应能提高施工效率,并方便日后维护和检修。
常见的导线敷设方式包括:
1. 直埋敷设:适用于地下敷设,实施成本相对较低,但维护和检修不便。
2. 架空敷设:适用于户外长距离输电线路,安装维护方便,但受外部环境影响较大。
3. 导管敷设:适用于室内或室外,敷设在导管管道内,便于维护和更换,但施工成本较高。
常用导线配管的选择主要考虑以下因素:
1. 材料:常见的导线配管材料有金属(如钢管、铝合金管)和非金属(如PVC、HDPE)材料,应根据导线特性、环境要求和预算等因素选择合适的材料。
2. 尺寸:导线配管的尺寸应根据导线截面积和敷设要求确定,确保导线能够正常通行且安装方便。
3. 安装方式:可以选择悬挂、埋地、埋马道等不同的安装方式,根据具体情况选择合适的方式。
需要注意的是,导线敷设方式和配管选择应符合国家的相关电气安全标准和规范要求。
在实际操作中,还应根据具体情况综合考虑上述因素,选择最合适的方式和材料。
电气配管方式介绍电气配管是电气工程中的一个重要环节,其目的是将电气线缆、电缆、电缆槽等电气设备及管道进行布置和安装,以便实现整个电气系统的正常运行与安全操作。
在电气配管中,不同的配管方式可以具有不同的优势和缺陷,因此在具体的电气工程设计中,工程师需要根据实际情况,选用合适的电气配管方式。
本文将介绍电气配管常用的四种方式:箱式配电、电缆梯架、电缆桥架和管道敷设。
一、箱式配电箱式配电是指在电气系统中,使用配电箱的方式进行电气配管。
配电箱通常由一定厚度的钢板制成,可以为各种用电设备提供保护和强度支撑,其主要作用是集中管理一些关键电气元件和维护电气系统的运行。
配电箱通常可以分为高低压两种,高压箱多用于配电室中,低压箱通常用于办公室、工厂车间等场所。
箱式配电的优点是:安装简单、配线方便、易于维护和规范管理;缺点是其通常只适用于中小型场景,对于大规模的配电系统而言,箱子本身的面积大小和维护难度成为了箱子能否在大规模的电气系统中更好地运用的关键。
二、电缆梯架电缆梯架也是一种常见的电气配管方式。
电缆梯架通常由金属材料制成,其结构相对简单,主要由梯架和装卡扣构成,可以灵活使用和场所适应。
在工程实施中,电缆梯架可按照实际施工方式来进行随意延伸,杜绝了使用电气配管难以应对场地的尴尬。
此外,电缆梯架还可以直接安装在墙面、天花板和地面等上,可以为空间规划提供支持。
电缆梯架的优点在于无需更多的管道安装(比如电缆桥架),最大程度的装配钢制管夹,减小表面钢薄削地带来的减震效应。
缺点是在高层建筑中悬吊需要经过良好的分析和预判;并且在特殊的环境中,例如潮湿或者易受污染的地方,还要使用特别防水或抗菌措施进行处理。
三、电缆桥架电缆桥架是指将电气设备和电缆沿墙或天花板等固定悬挂方式的电缆架,通常由金属和铝材料制成,以实现电线电缆进行分支、支路、转弯等的排布。
电缆桥架有较强的负载能力,可以适应不同场所和形状的需求。
与电缆梯架相比,电缆桥架可以灵活地安装在不同的地方,比如墙面、天花板、地面,但其耐受度方面较为局限,容易遭受物理损害或者环境污染。
本工程为某建筑物电气配管敷设工程,主要包括照明、动力、消防、弱电等系统的配管敷设。
施工区域为建筑物内部,涉及楼板、墙体、地面等部位。
为确保工程质量、安全、进度,特制定本施工方案。
二、施工准备1. 材料准备(1)电缆:根据设计要求,选用符合国家标准、质量合格的电缆。
(2)配管:选用符合国家标准、质量合格的镀锌钢管、PVC穿线管等。
(3)附件:电缆桥架、线槽、接线盒、灯头盒、插座盒等。
2. 工具准备(1)电钻、冲击钻、扳手、钳子、螺丝刀等。
(2)切割机、磨光机、切割片、砂轮片等。
(3)水平尺、线坠、卷尺等。
3. 人员准备组织专业施工队伍,进行技术培训和安全教育,确保施工人员具备相应的技能和素质。
三、施工工艺1. 配管敷设(1)按照设计图纸要求,确定配管敷设位置。
(2)根据实际需求,选择合适的配管材料。
(3)在墙体、楼板等部位开孔,安装固定配管。
(4)将电缆穿入配管,确保电缆在配管内畅通无阻。
(5)在配管转弯处、接头处、末端等部位安装接线盒、灯头盒等附件。
2. 电缆敷设(1)根据设计要求,确定电缆敷设路径。
(2)在墙体、楼板等部位开孔,安装固定电缆桥架、线槽等。
(3)将电缆敷设至指定位置,确保电缆在桥架、线槽内畅通无阻。
(4)在电缆转弯处、接头处等部位安装接线盒、灯头盒等附件。
3. 电缆接续(1)按照国家标准,选用合适的电缆接续材料。
(2)对电缆进行剥皮、剥绝缘等处理。
(3)将电缆接续在一起,确保接续牢固、绝缘良好。
(4)对接续部位进行绝缘处理,防止漏电。
四、质量控制1. 材料质量:选用符合国家标准、质量合格的电缆、配管等材料。
2. 施工质量:严格按照施工工艺进行操作,确保配管、电缆敷设、接续等环节符合设计要求。
3. 安全质量:加强施工现场安全管理,确保施工人员安全。
五、进度安排根据工程规模和施工条件,制定合理的施工进度计划,确保工程按期完成。
六、安全措施1. 施工现场设置安全警示标志,确保施工人员安全。
电线电缆穿管和线槽敷线<1>主控项目1、三相或单相的交流单芯电缆,不得单独穿于钢导管内。
不同回路、不同电压和交流与直流的电线,不应穿于同一导管内;同一交流回电线应穿于同一金属导管内,且管内电线不得有接头。
同一交流回路要穿在同一金属管内的目的,也是为了防止产生涡流效应。
回路是指同一个控制开关及保护装置引出的线路,包括相线和中性线或直流正、负2根电线,且线路自始端至用电设备器具之间或至下一级配电箱之间不再设置保护装置。
2、爆炸危险环境照明线路的电线和电缆额定电压不得低于750v,且电线必须穿于钢导管内。
3、由于现行这国家标准GB5023.1-5023.7ditIEC227的聚氯乙烯绝缘电缆的额定电压提高为450/750V,故而将电压提高为750V,其余规定与《电气装置安装工程爆炸和火灾危险环境电气装置施工及验收规范》GB50257相一致。
<2>一般项目1、电线、电缆穿管前,应清除管内杂物和积水。
管口应有保护措施,不进入接线盒(箱)的垂直管口穿入电线、电缆后,管口应密封。
2、当采用多相供电时,同一建筑物、构筑物的电线绝缘层颜色选择应一致,即保护地线(PE线)应是黄绿相间色,零线用淡蓝色;相线用;A相-黄色、B相-绿色、C相-红色。
电线外护层的颜色不同是为区别其功能不同而设定的,对识别和方便维护检修均有利。
PE 线的颜色是全世界统一的,其他电线的颜色还未一致起来。
要求同一建筑内其不同功能的电线绝缘层颜色有区别是提高服务质量的体现。
3、线槽敷线应符合下列规定:(1)电线在线槽内有一公平余量,不得有接头。
电线按回路编号分段绑扎,绑扎点间应大于2m。
(2)同一回路的相线和零线,敷设于同一金属线槽内;(3)同一电源的不同回抗干扰要求的线路用隔板隔离,或采用屏蔽电线且屏蔽护套一端接地。
为方便识别和检修,对每个回路的线槽内进行分段绑扎;由于线槽内电线有相互交叉和平行紧挨现象,所以要注意有抗电磁干扰要求的线路采取屏蔽和隔离措施。
电气设计施工图中常用线路敷设方式电气安装配管及敷设方式符号表示方法SR:沿钢线槽敷设BE:沿屋架或跨屋架敷设CLE:沿柱或跨柱敷设WE:沿墙面敷设CE:沿天棚面或顶棚面敷设ACE:在能进入人的吊顶内敷设BC:暗敷设在梁内AC:沿或跨柱敷设AB:沿或跨梁(屋架)敷设CLC:暗敷设在柱内WC:暗敷设在墙内WS:沿墙面敷设CC:暗敷设在顶棚内 (暗敷设在屋面或顶板内)ACC:暗敷设在不能进入的顶棚内FC:暗敷设在地面内SCE:吊顶内敷设,要穿金属管导线穿管表示SC:焊接钢管MT:电线管PC-PVC:塑料硬管FPC:阻燃半硬聚氯乙烯管CT:桥架MR:金属线槽M:钢索CP:金属软管PR:塑料线槽RC:镀锌钢管KPC:穿聚氯乙烯塑料波纹电线管导线敷设方式的表示DB:直埋TC:电缆沟BC:暗敷在梁内CLC:暗敷在柱内WC:暗敷在墙内CE:沿天棚顶敷设CC:暗敷在天棚顶内SCE:吊顶内敷设F:地板及地坪下SR:沿钢索BE:沿屋架,梁WE:沿墙明敷灯具安装方式的表示CS:链吊DS:管吊W:墙壁安装C:吸顶R:嵌入S:支架CL:柱上断路器型号介绍HSM8-63C/3PDTQ30-32/2P 这两个应该是两种塑壳断路器的型号,HSM8-63C/3P 适用于照明回路中,为3极开关,额定电流为63A(3联开关)DTQ30-32/2P 也是塑壳断路器的一种,额定电流32A,2极开关电线穿线管一般有:PVC管:PC20、焊接钢管:SC20、扣压式镀锌薄壁电线管:KBG20紧定式镀锌薄壁电线管:JDG20静置设备与工艺金属结构制作安装工程-容器金属结构, 工艺, 容器, 工程, 设备可以加工、处理或贮存物质的容器或包壳结构的设备统称为容器,如压力容器、反应器、换热器等。
容器一般是由简体(又称壳体)、封头(又称端盖)及其附件(法兰、支座、接管、人孔、视镜、液面计)所组成。
容器根据形状,容器主要有圆筒形、球形、矩形三种。
矩形容器由平板焊接而成,制造简便,但承压能力差,只用作小型常压储槽。
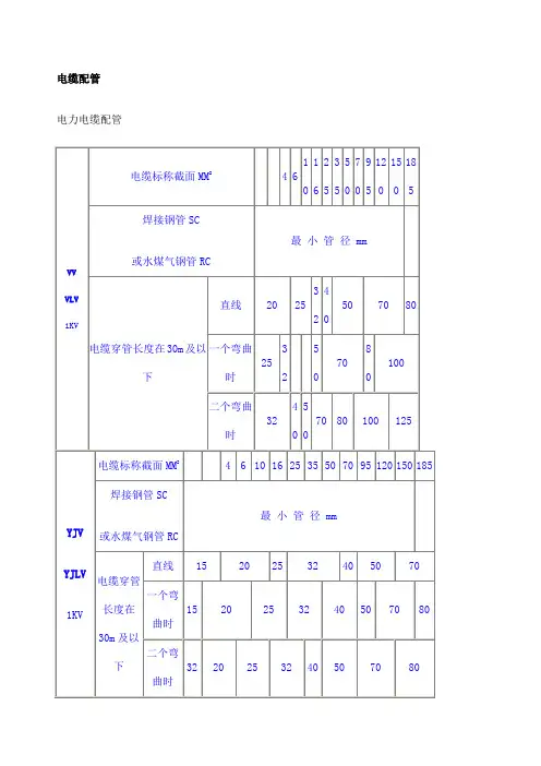
电缆配管电气安装知识电力电缆配管注:适用于三芯、三芯+N及四芯等截面电力电缆。
电力电缆的敷设方式有几种?如简很据敷设方式选用电缆?电力电缆的敷设方式有以下几种:(1)直接埋在地下。
(2)安装在架空钢索上。
(3)安装在地下隧道内。
(4)安装在电缆沟内。
(5)安装在建筑物墙上或天棚上。
(6)安装在桥梁构架上。
(7)敷设在水下。
以上各种敷设方式各有优缺点,采取何种敷设方式,应由具体情况决定,一般要考虑到城市发展规划、现有建筑物的密度、电缆线路的长度、敷设电缆的根数及其周围环境的影响。
将电缆直接埋在地下,是最经济而又最广泛采用的敷设方式,它适用于郊区和车辆通行不太频繁的地方。
电力电缆的敷设方式不同时,应选用不同的电缆。
直埋敷设应使用具有铠装和防腐层的电缆;在室内、沟内和隧道内敷设的电缆,应采用阻燃(难燃)或非阻燃交联聚乙烯铠装电缆;确保无机械外力时,可选用无铠装电缆;易发生振动的区域必须使用铠装电缆。
承受压力的敷设条件下,应选用钢带铠装电缆;承受拉力的敷设条件下,应选用钢丝铠装电缆。
PR 塑料线槽敷设PC 硬制塑料管敷设FPC 半硬制塑料管敷设SC 薄电线管敷设RC 水煤气管敷设MR 封闭式金属线槽敷设CT 电线桥架或托盘敷设K 瓷瓶或拄式绝缘子敷设PCL 塑料夹敷设CP 蛇皮管/金属软管敷设QR 铝合金线槽敷设PL阻燃半硬聚乙烯管敷设AL 铝皮线卡敷设SR 沿钢索敷设BE 沿屋架或跨屋架敷设CLE 沿柱或跨柱敷设WE 沿墙面敷设ACE 能进入的吊顶内敷设CE 沿顶棚面或顶板面敷设BC 暗敷设在梁内CLC 暗敷设在柱内WC 暗敷设在墙内FC 暗敷在地面CC 暗敷在顶板内ACC 暗敷在不能进人的吊顶内要穿金属管SCE 在吊顶内敷设要穿金属管CEC或CC都表示暗敷设在顶板内CEC表示:暗敷设在顶板内--现浇板.空芯预制板,线就穿预制板孔CEC是一种不常用的敷设方式,CE在这里是天棚的意思,而后面的C为暗敷设,即天棚内暗敷设,实际就是在吊顶内沿楼板下敷设。
电力电缆的敷设方式电力电缆的敷设方式有直埋敷设、穿管敷设、浅槽敷设、电缆沟敷设、电缆隧道敷设、空敷设等几种方式。
从技术上比较,电缆隧道方式和电缆沟敷设方式是最佳的敷设方式,因为这两种方式便于电缆的施工、维护和检修。
在一些发达国家的城市中,城市规划建设时,已考虑公用隧道。
实践证明公用隧道运行效果良好,大大减少了重复投资,避免了反复开挖路面,但初期投资巨大。
在国内,由于各种因素的限制,这种敷设方式是较少的。
相比而言,直埋敷设和浅槽敷设则是属于经济型的敷设方式,但不利于电缆的维护和检修,一旦遇到电缆故障,即使使用测试仪测出故障点,也要重新挖开电缆沟,极不方便。
因此电缆敷设方式的选择,要结合实际情况,根据工程条件、环境特点、电缆型号和数量等因素,用发展的眼光,按照满足运行可靠性,便于维护的要求和技术经济合理的原则确定。
电力电缆的选型常用的电力电缆有油浸电缆、聚氯乙烯绝缘电缆、交联聚乙烯电缆等,根据使用场合的不同,又延伸为不同种类的特种电缆。
目前,随着生产技术和生产工艺的不断提高,交联聚乙烯电缆已成为使用最广的电缆产品。
在电缆选型时,应根据使用的不同环境和条件,结合具体情况进行选择,如采用直埋和浅槽敷设方式时,应考虑使用加钢铠的电缆。
电缆截面积的选择电缆截面积的选择,关系到投资多少、线路的损耗和电压质量、电缆的使用寿命等。
如选用的电缆截面积偏小,会导致电压质量下降。
线路损耗过大,严重的甚至电缆过热烧毁;截面积过大,则会使初期投资太高。
因此应根据负荷预测结果,选择合适的截面积,使电力电缆满足最大工作电流下的缆芯温度要求和电压降要求,最大短路电流作用下的热稳定要求。
由于负荷预测工作难度性高、准确性较低,因此,选择电缆截面积时,还要满足《城市中低压配电网改造技术导则》和《城市电力网规划导则》要求。
在三相四线制低压电网选用电力电缆时,还要考虑中性线截面积的选择,在公用低压网络中,由于受用户因素影响较大,三相负荷平衡难以控制,为改善电压质量,降低线损,中性线截面积应与相线截面积相同。
电缆工程敷设方法发布时间:2007-12-10电缆工程敷设方式的选择应根据工程条件、环境特点和电缆类型、数量等因素确定,且按运行可便于维护的要求和经济技术合理的原则来选择。
电力电缆敷设方式一般选择排管敷设、沟道敷设、隧道敷设、直埋敷设、水下敷设,以及上述方式交互结合的方式敷设,具体的敷设方法分为人力敷设和机械敷设。
电缆敷设方式的选择应根据工程项目中电缆类型及数目,电缆路径特点等因素来选择。
A.直埋敷设直埋敷设具有投资省的显著优点,是被广为采用的一种敷设方式。
敷设电缆前,应检查电缆表面有无机械损伤;并用lkV兆欧表遥测绝缘,绝缘电阻一般不低于10MΩ。
但由于安全性较差,很容易遭受外力破坏,所以现在不作为电缆永久性敷设方式,只作临时过渡考虑。
①电缆沟的深度应按有关规划部门提供的标高来决定,必须保证电缆的埋设深度。
直埋电缆的深度不应小于0.7m,穿越农田时不应小于1m。
直埋电缆的沟底应无硬质杂物,沟底铺100mm厚的细土或黄砂,电缆敷设时应留全长0.5%~1%的裕度,敷设后再加盖100mm的细土或黄砂,然后用水泥盖板保护,其覆盖宽度应超过电缆两侧各500cm,也可用砖块替代水泥盖板。
回填至沟深的一半时,建议铺一层带有警示标志的彩条布。
待回填完成后,应在电缆转弯处、中间接头处、与其他管线交*处等特殊位置放置明显的方位标志和标桩,以增强防止外力破坏能力。
②电缆穿越道路及建筑物或引出地面高度在2m以下的部分,均应穿钢管保护。
保护管长度在30m以下者,内径不应小于电缆外径的1.5倍,超过30m以上者不应小于2.5倍,两端管口应做成喇叭形,管内壁应光滑无毛刺,钢管外面应涂防腐漆。
电缆引入及引出电缆沟、建筑物及穿入保护管时,出人口和管口应封闭。
③交流四芯电缆穿入钢管或硬质塑料管时,每根电缆穿一根管子。
单芯电缆不允许单独穿在钢管内(采取措施者除外),固定电缆的夹具不应有铁件构成的闭合磁路。
④地下并列敷设的电缆,中间接头的位置需互相错开,防止接头事故时,损伤其他接头。
对于电缆与其他管线、建筑等平行和交叉时,应按规格的规定执行,不得随意更改。
⑤农村低压电力电缆,一般采用聚氯乙烯绝缘电缆或交联聚乙烯绝缘电缆。
在有可能遭受损伤的场所,应采用有外护层的铠装电缆;在有可能发生位移的土壤中(沼泽地、流沙、回填土等)敷设电缆时,应采用钢丝铠装电缆。
B.排管敷设方式作为城市目前采用最多的一种敷设方式,,电缆通道狭窄,城市建设频繁,为更好的利用各种地形,保护电缆安全运行,这是一种最合理的方式。
其不足之处,一是使电缆散热条件下降,降低了载流量;二是建设成本较高。
①如果电缆出线较多,直埋敷设有困难,且又不易修沟时,可采用排管敷设方式。
排管内径不应小于电缆外径的1.5倍,埋深应在地下0.5m以下。
当与其他管线、建筑等平行和交*时,应按规格的规定执行。
每个排管之间应由20mm间隙,以保证散热。
②敷设电缆时,排管的管口应打磨圆滑,管内的赃物必须清除干净,防止划伤电缆。
为了便于检查和维修,每隔150-200m或转弯处需设置工作井。
电缆的接头均应设在井内。
③选做穿管用的管材科采用塑料、石棉或水泥管等。
比较常用的是采用塑料管。
但在选用塑料管材时,应对材料的难稀性、抗冲击性、承压能力做出选择,不宜采用热阻系数较大的管材,目前很多厂商生产的波纹PVC惯性能很好,适于选用。
C.穿管所用管材一般采用水泥导管或PVC导管。
水泥导管一般用于中低压电缆管道,我局新建110KV电缆管道大多采用PVC管。
PVC管道管壁光滑,安装简便,电缆敷设时摩擦力较小,对外护套损伤较轻。
砖砌或预制沟体敷设方式也是一种普遍采用的电缆敷设方式。
优点是可以同时容纳许多类型、许多数量电缆,用电缆支架加以区分隔离;对于高压电缆,敞开式沟体中电缆敷设更安全直观。
缺点是沟体占地较宽,不太适合城市地下管线布置。
D.隧道或地下管廊敷设方式对于城市某些地段,地下管线集中,难以布局,这时就必须建设较大空间的地下走廊。
根据不同管线,考虑安全合理因素加以安排。
在隧道中敷设电缆必须考虑的问题就是防火和防潮。
E.水下敷设方式要求电缆本身具有很高的机械强度(有加强铠装),外护套防水性佳(如PE护套),以及在电缆敷设前应选择水流速度较低,外界干扰较少的路径环境;电缆敷设后应采取严密保护措施,如设立标示牌等,保证安全运行。
电缆敷设是介于制造和运行之间关键环节,电缆敷设质量的好与坏对今后电缆安全可*运行起着至关重要的影响。
应引起施工人员的高度重视,电缆敷设前后要做好以下工作:①做好敷设前的准备工作,首先查看电缆敷设路径,土建设施(电缆沟、电缆隧道、保护管等)及敷设深度、宽度是否符合规程要求。
备好工器具,排除各种障碍,为敷设创造条件。
②电缆必须作为特殊材料吊云,严禁瓜、碰、挤、磨,按敷设要求安排好电缆盘的位置和方向,认真做好外观检查。
敷设前应对电缆进行耐压鉴定,合格后方可敷设。
线管的代号及敷设方式一、线管的代号SC:焊接钢管TC:电线管PC:硬质塑料管CT:电缆桥架CP:金属软管SR:钢线槽RC:水煤气管二、导线敷设部位:SR:沿钢索敷设CLE:沿柱或跨柱敷设WE:沿墙面敷设CE:沿天棚面或顶棚面敷设ACE:在能进入的吊顶在敷设BC:暗敷设在梁内CLC:暗敷设在柱子内WC:暗敷设在墙内FC:预埋在地面内CC:暗敷设在顶板内根据中国建筑标准设计研究所出版的《建筑电气工程设计常用图形和文字符号》00DX001 73页规定:线路敷设方式标注:穿焊接钢管敷设:SC穿电线管敷设:MT穿硬塑料管敷设:PC穿阻燃半硬聚氯乙烯管敷设:FPC 电缆桥架敷设:CT金属线槽敷设:MR塑料线槽敷设:PR用钢索敷设:M穿聚氯乙烯塑料波纹电线管敷设:KPC穿金属软管敷设:CP直接埋设:DB电缆沟敷设:TC混凝土排管敷设:CE导线敷设部位的标注沿或跨梁(屋架)敷设:AB 暗敷在梁内:BC沿或跨柱敷设:AC暗敷设在柱内:CLC沿墙面敷设:WS暗敷设在墙内:WC沿天棚或顶板面敷设:CE暗敷设在屋面或顶板内:CC吊顶内敷设:SCE地板或地面下敷设:F另外,JDG–紧定式电线管,KBG–扣压式电线管一,导线穿管表示MT-电线管PC-PVC塑料硬管FPC-阻燃塑料硬管CT-桥架MR-金属线槽M-钢索CP-金属软管PR-塑料线槽RC-镀锌钢管二,导线敷设方式的表示DB-直埋TC-电缆沟BC-暗敷在梁内CLC-暗敷在柱内WC-暗敷在墙内CE-沿天棚顶敷设CC-暗敷在天棚顶内SCE-吊顶内敷设F-地板及地坪下SR-沿钢索BE-沿屋架,梁WE-沿墙明敷三,灯具安装方式的表示CS-链吊DS-管吊W-墙壁安装C-吸顶R-嵌入S-支架CL-柱上穿焊接钢管敷设:SC穿电线管敷设:MT 穿硬塑料管敷设:PC穿阻燃半硬聚氯乙烯管敷设:FPC 电缆桥架敷设:CT金属线槽敷设:MR塑料线槽敷设:PR用钢索敷设:M 穿聚氯乙烯塑料波纹电线管敷设:KPC穿金属软管敷设:CP直接埋设:DB电缆沟敷设:TC导线敷设部位的标注沿或跨梁(屋架)敷设:AB 暗敷在梁内:BC沿或跨柱敷设:AC暗敷设在柱内:CLC沿墙面敷设:WS暗敷设在墙内:WC沿天棚或顶板面敷设:CE 暗敷设在屋面或顶板内:CC 吊顶内敷设:SCE地板或地面下敷设:FC。