气藏气井生产动态分析题改图
- 格式:doc
- 大小:597.50 KB
- 文档页数:13
采气高级工考试强化练习1、单选(江南博哥)输气管道椭圆度大于()时,应增大清管器皮碗的变形能力。
A、5%B、6%C、8%D、10%答案:A2、单选()的开度是通过电气转换器的输出信号来控制的。
A、电动调节阀B、气动调节阀C、电动切断阀D、气动切断阀答案:B3、单选“零位接阴”和“参比电极”是关键电路,它们之间和对()应保持高的阻抗。
A、地线B、零线C、火线D、保险线答案:A4、问答题含硫气田中危害最大的是哪些腐蚀?答案:硫化物应力腐蚀,氢诱发裂纹和氢鼓泡。
5、判断题气井动态分析是利用气藏静动态资料、图表经过必要的计算综合分析。
对此,预测其将来生产中油、气、水压力等各项参数变化情况和变化规律,以及产层渗透性、气藏类型、储集单元、动力系统、驱动方式等基本特征。
答案:对6、判断题地面水是在井下作业过程中带入井筒、渗入产层,随生产过程又被带出井口的水。
答案:对7、名词解释根据示意图说明背斜的主要构造要素。
答案:背斜要素:a.倾角;b.脊;c.核部;d.翼部;e.轴;f.高点;g.长轴;h.短轴;i.闭合面积;j.闭合度(闭合差),图中闭合度=550-300=250。
8、单选在天然气甘醇脱水装置中,可增加装置处理量的是()A、提高温度B、拆除吸收塔顶部塔盘C、降低温度D、提高泵的排量答案:B9、判断题气井动态预测就是根据气井(藏)动(静)态资料和气井(藏)的变化规律,对气井(藏)在不同生产条件下,未来各个阶段的产量、压力、剩余储量、采气速度、气井见水和水淹时间、采收率等以及各种经济指标进行预测。
答案:对10、单选当出站压力()导阀设定压力时,则井口安全系统将动作。
A、高于B、等于C、低于D、波动答案:C11、单选自动控制系统中,()一旦确定通常不会改变。
A、设定参数B、立体作用方式C、平面作用方式D、正反作用方式答案:D12、单选开度为50%的气开式调节阀突然失去仪表风供给时,其开度将()A.保持不变B.全开C.不确定D.回零答案:D13、单选天然气组成分析中最常用的一种方法是()A.分离法B.对比法C.间接法D.气相色谱法答案:D14、名词解释什么叫闭合度?答案:构造上最低一根闭合等高线到构造最高点之高差。
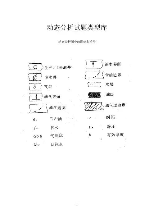
动态分析试题类型库动态分析图中的图例和符号一、看图,回答下列问题:(1)该决的油藏是什么类型?(2)油井气油比的变化说明了什么?(3)你认为注水井的合理配注量多大比较适当?为什么?(4)如何正确利用气预和注水的能量?答:由图可得:(1)该块油藏是断层遮挡的气顶油藏。
(2)油井的气油比变化主要受注水量的大小所控制。
在当时油井生产状况一下。
注水量为。
30立方米/日左右时,气顶气串,气油比升高,说明以气预驱为主,注水量增至每日用立方米左右时,气油比下降,产量上升,说明以注入水驱为主。
(3)在目前油井生产状况下,注水井合理配注量为7@立方米门左右。
这个注入量使油井气油比低,产量高。
(4)在油井采油时,当注水量维持油气界面基本不动为合理,利用了气预和注入水能量。
气顶气窜、压力下降或边部注入量过大都可使原油进入气顶造成储量损失。
(2)油井见水主要是哪个层?为什么?(3)油井含水在40%以后,为什么含水上升变快,产量下降趋势加快?(4)根据动态分析,该井如何挖潜?答:(1)该块油藏是断鼻型的边水油藏或断层遮挡的边水油藏。
(2)油层见水主要为下部油层。
原因主要是:①下层渗透率(800 X 10-’平方微米)高于上层渗透率(300 X 10-’平方微米)。
②油井在同一生产压差下,下部层产量高,采出地下亏空大。
③下部层射孔底界更接近油藏油水界面。
(3)当含水40%以后,处于中含水阶段,含水卜升加快;再加上在含水4O%时放大了油嘴,加剧了层间矛盾,造成深部层出水更加严重。
(4)该井可封下采上、或上下分采、打调整并。
(2)1井为什么气油比上升产量下降?(3)2井为什么气油比上升;含水上升?(4)这种类型的油藏,油井管理应注意什么?答:(1)该块油藏是背斜型气顶边水油藏。
(2)1井气油比上升为气顶纵向气串。
尽管气油界面附近有物性隔层存在,但因其平面发育不稳定,仍发生了气串。
所不同的是物性隔层的存在只是延缓了气串的时间。
(3)2井气油比上升为平面气串,含水上升为底水锥进所致。
基于LSTM的气井动态分析
朱英杰;梁金宝;梁兵;徐艳丽;张艳玲
【期刊名称】《石油石化物资采购》
【年(卷),期】2024()5
【摘要】气井生产动态分析是天然气井生产过程中采用的重要技术手段。
积累气井的产能、油气藏特性以及井筒的状态等历史数据信息,通过LSTM预测方法对气井生产数据进行预测,通过生产数据变化情况分析得到气井生产状态,结合生产异常操作经验,得到气井健康状态结论,从而指导生产并注入操作,优化气井的生产效果。
【总页数】3页(P242-244)
【作者】朱英杰;梁金宝;梁兵;徐艳丽;张艳玲
【作者单位】中国石油西南油气田分公司重庆气矿
【正文语种】中文
【中图分类】TE3
【相关文献】
1.特殊类型气井凝析气井井筒动态分析新方法
2.苏里格气田东区气井管理与生产动态分析
3.基于生产动态分析的气井产能评价方法
4.合川气田井下节流气井动态分析新方法
5.基于产量递减与LSTM耦合的常压页岩气井产量预测
因版权原因,仅展示原文概要,查看原文内容请购买。
1、起下钻过程中为什么要灌泥浆?答:①保护井壁以避免井内垮塌造成的复杂情况。
②平衡地层压力,避免发生井喷,保护钻井安全。
2、钻井过程中钻井液的功用是什么?答:冷却润滑钻头,携带岩屑、向井下动力钻具传递动力平衡地层压力,依据钻井液性能变化判断和处理井下复杂情况、钻井液录井。
3、气井在生产过程中,未动操作油、套压均上升,请分析主要原因。
答:①.井底附近赃物,积液带出,渗透性改善;②.井下带出污物在节流阀或输气管中形成堵塞,产量下降、井口压力上升;③.单井生产中因用户用气量减少,引起产量下降,使油套压上升;④.针形阀等水合物堵塞;⑤.连通好的邻井关井或减少气量。
4、某井生产时套压、油压、气量均同时下降的原因可能是 CA、导压管内有水B、油管在井下断落或穿孔C、井底坍塌堵塞D、输气管破裂5、某井生产时油套压差突然下降,几乎持平的原因可能是 BA、导压管内有水B、油管在井下断落或穿孔C、井底坍塌堵塞D、输气管破裂6、井底大裂缝不发肓;水显示阶段长;出水后氯根稳定,水量不大;出水后,气量和井口压力大幅度下降,产气方程中摩阻A,惯阻B剧增;关井后水不能全退回地层,具有此现象特征属于( b )。
a.断裂出水;b.水锥型出水;c.横向水窜型出水;d.阵发型出水7、造成气井(藏)产量递减的主要地质因素是(a )a.地层压力下降;b.边水进入;c.地层水活动;d.双重介质的差异性8、气井过早出水,产层受地层水伤害,造成哪些不良后果?答:a.加速产量递减。
气层的一部分渗流通道被水占据,单相流变为两相流,增大了气体渗流阻力,使产气量大幅度下降,递减加快。
b.地层水沿裂缝,高渗透带窜进,气体被水封割、遮挡,气体流动受阻,部分区块形成死气区,使采收率降低。
c.气井出水后水气比增加,造成油管中两相流动,使压力损失增加,井口流动压力下降,严重时会造成井筒积液,产气量下降,甚至造成气井过早停喷,大大缩短了气井寿命。
9、有边、底水气藏气井,出水早、迟,主要受哪些因素影响?答:a.井底距原始气水界的高度。
储气库井生产动态分析方法及应用随着天然气的普及和消费量的不断增加,地下储气库的建设越来越紧迫,在数据库设计建设过程当中,存在着很多技术挑战,以保证数据库的安全,注采井的安全是地下储气库安全运行的重要依托,国内外有大量对于储气库安全的研究,而且很多研究着眼于井下的管串安全,储气库注采经验表明出砂对储层的长期有效运行造成威胁。
笔者根据自身的工作经验,分析了储气库井生产动态分析方法和应用。
标签:储气库井;生产动态;分析方法;应用近百年以来,地下储气库经过不断的建设发展,已经成为各国天然气的主要存储方式和重要调峰手段,2000年,我国建立了第一座储气库,保证了京津地区的天然气的稳定供应,随着我国对于天然气需求量的不断增加,储气库建设必须紧随时代发展,满足日益增长的消费量。
我国的储蓄库建设面临着很多的技术挑战,例如,建设管理体系处于起步阶段,缺乏研究和实践经验,在储气库注井井筒温度压力调整的过程当中,周期性变化不均,缺乏完善的管理体系与监督体系。
因此,在储气库的建设和管理过程中,我们需要借鉴其他国家的先进经验,及时发现我国存在的问题,在生产运行过程当中重视技术的创新,来保证储气库的安全和有效运行。
1 储气库井生产动态研究现状我国的储气库建设技术,包括地质方案,施工技术,废弃井封井技术,钻井、固井、完井技术,钻井液技术和储层保护技术,这些技术对于储气库建设的每一个环节都会产生很大的影响。
储气库井注采出砂预测研究:储气库建设的过程中,储层未被打开之前,内部系统处于力平衡状态,储层一旦被打开,周围的应力系统会发生变化,岩石颗粒所承受的应力也会变得不平衡,这时如果应力超过岩石,自身的抗压和抗剪程度变小,延时就会发生变形,在进行油气井生产时,流体流入井底,将地层砂带入井底,导致出砂现象的出现,岩石破坏导致储层出砂的机理包括三种:滑移次生破坏、剪切破坏和拉伸破坏。
油井地层的出砂原因有很多,一是地层中充填砂在流动粘滞力和惯性作用的影响下被动的流入井底,引起油气井出砂现象,二是由于岩石超过其及耐受强度而被破坏,产生的松散砂,被地层流体带入到井底之中,也引发油气井出砂现象,滑移次生破坏是导致充填砂进入井底出沙的重要原因,而剪切和拉伸的影响,则导致延时超过极限强度,出现松散砂流入地层的现象。
不同气井生产动态分析方法对比分析研究陈济宇;魏明强;段永刚【摘要】气井生产动态特征分析是气田开发过程中重要的基础工作.长期以来,动态分析方法在油气田产量预测、可采储量计算、地层参数的确定中得到广泛应用.为此,在调研大量国内外文献的基础上,系统介绍了传统的Arps、Fetkovich方法和现代的Blasingame曲线、Agarwal-Gardner (A-G)、规整化压力积分(NPI)方法的基本原理及适用条件,进一步对比了不同气井生产动态分析方法的优缺点.把握不同动态分析方法的原理及其优缺点,为气藏工作者选择合适的动态分析方法提供了依据.【期刊名称】《天然气勘探与开发》【年(卷),期】2012(035)004【总页数】4页(P56-59)【关键词】动态分析;Arps方法;Fetkovich方法;Blasingame方法;A-G方法;NPI 方法【作者】陈济宇;魏明强;段永刚【作者单位】西南石油大学;西南石油大学;西南石油大学【正文语种】中文0 引言单井动态资料的研究始于19世纪20年代,但早期仅是基于经验公式,后来许多学者结合渗流理论不断丰富生产动态分析方法,形成了多元回归、迭代求解、曲线位移、最佳拟合和典型曲线拟合等多种成熟方法。
其中典型曲线拟合法是目前运用的最为广泛的方法,被集成到多种商业软件(如Topaze, Fast.RTA等)中。
然而不同的生产动态分析方法无论从原理还是适用条件均有所差异,各有其优缺点。
目前广泛应用的生产动态分析方法主要有:传统的Arps分析方法、Fetkovich方法、现代的Blasingame分析方法、 Agarwal-Gardner(A-G)、规整化压力积分(NPI)等方法。
1 传统分析方法1.1 Arps方法1945年,J.J.Arps根据矿场实际资料的统计研究,将油气井的产量递减规律分为三种类型,即指数递减、双曲递减和调和递减,并提出了确定递减参数以及产量预测的图版拟合方法。
气藏气井生产动态分析题一、*井位于构造顶部,该气藏为底水衬托的碳酸盐岩裂缝—孔隙性气藏,该井于1984年4月28日完井,井深3058.4米,油层套管7〞×2890.3米,油管21/2〞×3023.3米,井段2880.6~2910.2米为浅灰色白云岩,2910.2~2943.5米为页岩,2943.5~3058.4米为深灰色白云岩,井底距离原始气水界面为107.2米,完井测试时,套压15.31MPa,油压14.98MPa,产气38×104m3/d,产水2.1m3/d(凝析水)为纯气藏。
该井于1986年2月23日10:30开井投产,定产量25×104m3/d,实际生产情况见采气曲线图。
1986年4月3日开始,气井生产套压缓慢上升,油压、气量、水量下降,氯根含量无明显变化。
4月22日9:00~11:00下井下压力计了解井筒压力梯度,变化情况见井下压力计原始记录。
请结合该井的采气曲线和压力计原始记录:1、计算该井压力梯度;2、分析判断气井采气参数变化的原因。
测压时间井深(m)压力(MPa)压力梯度(MPa/100m)备注86.4.28 9:00014.259:20100014.930.0689:40150015.270.06810:00200015.610.06810:20227115.800.07010:40270016.100.07011:00295016.280.0722950遇阻答:该井在生产过程中套压上升,而油压下降,产气量、产水量下降,氯根含量不变(1)4月28日井下压力计测井筒压力梯度为0.070Mpa/100m左右,井筒基本为纯气柱。
(2)下井下压力计在井深2950m处遇阻表明油管不通畅,气井生产参数变化的原因为油管下部节流所致。
二、**井位于**气藏顶部,该气藏为砂岩孔隙性纯气藏,该井于1977年4月23日完井,井深1375.7m,油层套管7〞×1203.4米油管21/2〞×1298.8米,衬管5〞×1195.2~1324.9米,完井测试套压9.23MPa,油压8.83MPa,产气量19.4×104m3/d,产水微。
1978年2月3日10:00开井投产,投产初期套压8.82MPa,油压8.54MPa,产气21.2×104m3/d,产水0.4m3/d。
1990年12月,套压3.82MPa,产气4.3×104m3/d。
请依据该井1978~1990年的采气曲线特征划分生产阶段,并描述出该井各生产阶段的生产特征。
答;根据该井采气曲线特征大致划分为四个生产阶段:(1)上升阶段(产层净化阶段):在此阶段,气井产量、井口压力、无阻流量随着井下渗滤条件的逐渐改善而逐步上升。
(2)稳产阶段:产量基本上保持不变,仅压力下降,在曲线上表现出产量平稳而压力下降的生产过程。
(3)递减阶段:随差开采,当气井能量不足以克服地层的流动阻力、井筒的阻力和地面设备的阻力时,产气量明显下降,递减速度快。
(4)低压低产相对稳定阶段:产量、压力都很低,递减速度大大减慢,生产相对稳定,开采时间延续很长。
三、×井位于*气藏的北翼2号断层附近,该气藏为碳酸盐岩孔隙——裂缝性边水气藏。
该井于1974年7月23日完井,钻井过程中,钻井至井深2985.3—2985.42m,放空0.12m,完井测试时,地层压力29.15Mpa,井底流动压力28.13Mpa,套压22.5Mpa,油压21.8Mpa,产气30.5×104m3/d,产水1.8m3/d。
该井于1975年8月20日投产,定产25×104m3/d,气井井口压力、气量、水量、氯根含量均较稳定,75年12月14日将产气量从23×104m3/d加至28×104m3/d,12月19日,气井生产参数发生突然变化(说见该井采气曲线图)。
请利用该井采气曲线图结合完井资料,(1)分析气井生产参数变化的原因。
(2)划分气井生产阶段,并描述出各阶段的生产特征。
答:该井位于构造北翼2号断层附近,钻井过程中放空0.12m,孔隙、裂缝发育,完井测试时,生产压差小,产气量大,是一口高渗高产气井。
12月14日加气后,气井油压、产气量下降,产水量、氯根含量上升快,套、油管压差大,反映气井为断裂性水特征。
因此,气井生产参数变化为气井产地层水所致,气井产地层水的原因是加大气量不合理生产。
根据该井的采气曲线特征,大致将该井划分为两个生产阶段:一是1975年8月20日—12月19日为无水采气阶段,主要特征为:气井生产套压、油压、气量、水量、氯根含量稳定,套、油压差小,产水量、氯根含量低。
二是1975年12月19日—1976年1月15日。
为带水生产阶段,其生产特征为:油压、气量下降快、稳定快,产水量、氯根含量上升快、稳定快,套油管压差大,垂管中流体阻力大。
四、**井位于**气藏西南翼,该气藏为底水衬托的碳酸盐岩孔隙——裂缝性气藏。
该井于1985年3月24日完井,井深2980.5米,油层套管7〞×2850.3米,油管21/2〞×2940.1米,衬管5〞×2830.2~2980.1米,井底距离原始气水界面-6.32m,完井测试套压18.0MPa,油压17.0MPa,产气量6.5×104m3/d,产水量17.0m3/d (地层水)。
该井于1986年3月28日10:00开井投产,投产初期套压18.51MPa,油压17.20MPa,产气量5.6×104m3/d,产水量16.3m3/d,气井井口压力、气量基本稳定。
1989年4月17日开始,气井生产参数发生明显变化(采气曲线)4月30日10:00~12:00下井下压力计实测井筒井压力梯度了解井筒压力,变化情况见井下压力计测压原始记录。
(1)根据该井井下压力计测压数据计算油管中流体压力梯度;(2)根据该井采气曲线和压力梯度分析气井生产参数变化的原因。
测压时间井深(m)压力(MPa)压力梯度(MPa/100m)备注86.4.30 10:000 5.210:201000 6.20.10010:401500 6.850.13011:0020007.550.14011:2024008.090.13511:4027009.590.50012:00292010.980.6318答:该井4月17日以后,生产数据中套压缓慢上升,油压、气量、水量下降,4月30日下井下压力计实测油管中流体压力梯度、井深2400m以下,压力梯度从0.141MPa/100升至0.5 MPa/100以上,反映该井井深2400以下的油管中有积液存在,说明该井在4月17日发生的变化主要原因是井筒(油管)积液所致。
五、**井位于**气藏南翼,该气藏为底水衬托的碳酸盐裂缝—孔隙气藏。
该井于1983年6月17日完钻,井深2935.6m,井底距原始气水界面为27.6m,井身结构良好未进行酸化增产措施,完井测试套压19.51MPa,油压19.20MPa,产气24.0×104m3/d,产水0.8m3/d(凝析水、纯气井)。
1985年9月18日8:30开井生产,定产量24×104m3/d,产水1.0m3/d,氯根含量、产水产气及井口压力发生缓慢变化,7月中旬气井生产参数基本稳定,具有明显的水锥型出水的基本特征(详见该井采气曲线图)。
请利用采气曲线将该井3月2日~7月31日,划出三个出水阶段,并描述出各出水阶段的生产特征。
答:该井采气曲线反映该井为水锥形出水气井,依据其特征大致分为1986年3月2日—4月10日为出水征兆阶段,此阶段特征为:氯根上升,气井产量、产水量、压力稳定。
1986年4月10日—5月20日为出水显示阶段,其特征为:氯根含量、产水量均有上升,井口压力、产气量、产水量、氯根含量均有较大波动。
1986年5月20—7月3日为气井出水阶段(或气井出水产能递减阶段),此阶段气井井口压力,产量下降,水量上升,套油压差增大,各生产参数于7月20日以后基本趋于稳定。
六、**井位于构造长轴北段偏东翼,临近①号断层,产气层位:P132,岩性;石灰岩、钻井中在P132层曾放空0.5m,漏失泥浆70m3,岩芯分析,储层基质孔隙度φ<2%,渗透率K<0.01×10-3um2。
完井测试6小时,稳定0.5小时,P cf16.0MPa,q g:70×104m3/d,不产地层水。
一点法计算绝对无阻流量200×104m3/d,井口最大关井压力31.0MPa,原始地层压力:43.0MPa。
该井为一单裂缝系统,含气面积及气水关系不清楚。
投产后先定产30×104m3/d生产两个月,之后定井口压力生产1个月,然后关井复压3个月,井口最高关井压力23.0MPa,尚未稳定,其生产及关井动态特征如图所示。
请根据气井静、动态资料分析判断:(1)气井生产及关井动态特性;(2)储集层类型;(3)单井控制储量大小。
Pw sLgt**井第一次关井压力恢复曲线答:(1)气井生产特征为初始产量、压力高、生产压差小,但稳定性差,压力、产量递减速度快,压力恢复速度也较慢。
定产30×104m3/d生产阶段,井口套压由30 MPa下降到20MPa,下降10MPa,平均降6MPa,压力月递减为16.7%。
定井口油压18MPa生产阶段,井口产量由30下降至10×104m3/d,月降20×104m3/d,产量月递减率平均高达66.7%。
关井压力恢复速度很慢,关井3个月尚未稳定,最高关井压力为23.0MPa,较投产前井口最大关井压力31.0MPa 低8.0MPa。
(2)储层岩芯分析基质中和K均很低,不具备储渗条件,但该井孔洞,裂缝十分发育,表现在:气井位于断层附近,钻井中有放空和大量井漏现象,测试产量高、无阻流量大(一点法)压力恢复曲线初始段平缓,综合分析认为,该井储层属裂缝~洞穴型。
(3)气井压力恢复曲线呈凹型,生产中压力、产量递减有规律,不产地层水,储集层为裂缝隙——洞穴型,分析气井压力,产量不稳定,不是地层水推进或泥浆污堵影响,而是该井裂缝系统控制储量较小的反映。
七、根据下述资料和图件分析*井压裂酸化工作是否有效果参数时间套压(MPa)油压(MPa)产气量(104m3/d)产水量(m3/d)试井分析摩擦阻力系数A惯性阻力系数B酸化前2620 5.60.20.74260.09526酸化后262513.80.50.300750.00887(2)酸化施工综合曲线图(3)压力恢复试井曲线图答:1、酸化施工综合曲线上明显可见,t1时刻泵压开始突降,排量和吸指同时上升,反映地层有压开的显示。