RS232各种连接方式及通讯
- 格式:pdf
- 大小:151.63 KB
- 文档页数:5
rs232 接口是什么,rs232 接口特点和作用
一般的电子产品上面都会有一些接口,像我们的电脑就会有网线的接口,USB 接口,耳机的接口。
对于我们的智能手机来说,就会有充电接口,耳机接口,甚至有的手机还有麦克风的接口。
不过今天小编就跟大家讨论的并不是以上的接口,而是一个陌生的名词rs232 接口,那幺究竟这个rs232 接口是什幺,又有什幺用呢。
rs232 接口是什幺
RS-232 接口符合美国电子工业联盟(EIA)制定的串行数据通信的接口标准,原始编号全称是EIA-RS-232(简称232,RS232)。
它被广泛用于计算机串行接口外设连接。
连接电缆和机械、电气特性、信号功能及传送过程。
RS232 接口特点
RS-232 是现在主流的串行通信接口之一。
由于RS232 接口标准出现。
RS232基本接线方法RS232是一种常见的串行通信协议,用于在计算机和外部设备之间进行数据传输。
它定义了信号的电气特性、信号的传输方式和数据格式等。
在进行RS232通信时,通常需要用到标准9针或25针的D型连接器,以及正确的接线方法。
本篇文章将详细介绍RS232的基本接线方法,以及各个引脚的作用和连接方式。
1. DCD(Data Carrier Detect):用于指示数据载波的状态,一般连接到外部设备的DCD引脚。
2. RXD(Received Data):用于接收数据,一般连接到外部设备的TXD引脚。
3. TXD(Transmitted Data):用于发送数据,一般连接到外部设备的RXD引脚。
4. DTR(Data Terminal Ready):用于指示数据终端就绪状态,一般连接到外部设备的DSR引脚。
5. GND(Ground):地线,用于连接设备之间的共同地。
6. DSR(Data Set Ready):用于指示数据集就绪状态,一般连接到外部设备的DTR引脚。
7. RTS(Request To Send):请求发送数据,一般连接到外部设备的CTS引脚。
8. CTS(Clear To Send):准备好接收数据,一般连接到外部设备的RTS引脚。
根据RS232协议规定,TXD引脚和RXD引脚是进行数据传输的主要引脚,而其他引脚可以按需使用。
下面是几种常见的RS232接线方法:1.直连方式:在直连方式中,将一台计算机与另一台计算机或外部设备直接相连,通常需要使用一根将两台设备连接在一起的串口线。
接线方法如下:-将计算机的TXD引脚连接到另一台设备的RXD引脚。
-将计算机的RXD引脚连接到另一台设备的TXD引脚。
-将两台设备的GND引脚连接在一起。
2.线路交换方式:当需要连接多个设备时,可以使用线路交换方式,通过一些辅助设备(如集线器、转换器等)将多个设备连接在一起。
接线方法如下:-将每个设备的TXD引脚连接到线路交换设备的RXD引脚。
RS232通信原理是一种基于电压变化的异步串行通信方式。
以下是其主要的通信原理和特点:
传输方式:RS232使用一对传输线(发送线和接收线)通过发送和接收电信号来传输数据。
发送线负责将数据位从计算机发送到外部设备,而接收线则负责将数据位从外部设备发送到计算机。
电平表示:在RS232通信中,逻辑1和逻辑0是通过不同的电压电平来表示的。
通常,正电压表示逻辑0,负电压表示逻辑1。
但需要注意的是,有些设备可能采用相反的电平表示方式。
数据帧格式:RS232通信将数据划分为数据帧进行传输。
每个数据帧包括一个起始位、数据位、校验位和停止位。
起始位用于指示数据的开始,数据位是实际传输的数据,校验位用于验证数据的准确性,停止位用于指示数据的结束。
异步通信:RS232通信是异步的,这意味着发送方和接收方没有共同的时钟信号来同步数据传输。
相反,它们依赖于数据帧中的起始位和停止位来识别每个字节的边界。
电气特性:为了使RS232通信正常工作,发送方和接收方的电气特性需要匹配。
这包括电压范围、驱动能力和接收灵敏度等方面。
电缆和连接器:RS232通信使用满足一定要求的电缆和连接器来确保数据的传输质量和稳定性。
常见的RS232电缆类型包括DB9和DB25等。
总的来说,RS232通信原理基于电压的变化,通过发送和接收电信号来传输数据。
它具有简单、可靠、低成本等优点,在计算机与外部设备之间的通信中得到了广泛应用。
然而,随着技术的发展,RS232通信已经逐渐被更高速、更稳定的通信方式所取代,如USB、Ethernet等。
rs232串口程序实例RS232串口程序实例RS232串口是计算机与外部设备进行数据传输的一种常用接口标准。
在计算机网络技术快速发展的背景下,RS232串口虽然已经不再是主流接口,但在某些特定应用场景下仍然得到广泛应用。
本文将以RS232串口程序实例为主题,介绍如何使用RS232串口进行数据传输的一些常见操作和注意事项。
一、RS232串口的基本介绍RS232串口是一种串行通信接口标准,它使用了DB9或DB25接头,通过串行方式传输数据。
RS232串口常用于计算机与外部设备之间进行数据传输,比如打印机、调制解调器、扫描仪等。
RS232串口传输速率一般为115200bps,支持全双工通信。
二、RS232串口的连接方式RS232串口连接需要使用串口线缆将计算机与外部设备相连。
一般来说,计算机上有一个或多个RS232串口接口,我们需要根据实际需求选择合适的串口接口进行连接。
在连接时需要注意接线的正确性,一般按照1-1、2-2、3-3、4-4...的顺序进行连接。
三、RS232串口的通信协议RS232串口的通信协议是指在数据传输过程中,计算机与外部设备之间所遵循的规则。
常见的通信协议有ASCII码、Modbus等。
在编写RS232串口程序时,需要根据实际应用场景选择合适的通信协议,并按照协议规定的格式进行数据的发送和接收。
四、RS232串口程序的编写编写RS232串口程序需要使用编程语言,比如C、C++、Python 等。
以Python为例,下面是一个简单的RS232串口程序实例:```pythonimport serial# 打开串口ser = serial.Serial('COM1', 115200, timeout=0.5)# 发送数据data = 'Hello, RS232!'ser.write(data.encode())# 接收数据recv_data = ser.read(1024)print(recv_data.decode())# 关闭串口ser.close()```在这个程序中,首先通过`import serial`导入serial库,然后使用`serial.Serial`函数打开串口。
RS232接口是一种串行通信协议,常用于计算机与其他设备之间的数据传输。
以下是RS232接口的使用手册:一、接口定义RS232接口采用9针或25针的D型插头,通常在设备上会有DB9或DB25的标识。
其中,2脚为接地线(GND),3脚为发送线(TXD),5脚为数据终端设备线(DTR)和接收线(RXD)共用。
其他引脚功能因设备和协议而异。
二、连接方式1. 直连:用于近距离(小于15米)的设备间通信,如计算机与串口设备的连接。
2. 交叉连接:用于连接两个具有不同电气特性或端接电阻的设备,如PC与调制解调器或两个PC之间的连接。
3. 转换器连接:通过转换器实现不同电气特性的设备之间的通信,如通过RS232转USB转换器连接PC和串口设备。
三、通信参数1. 波特率:通信速率,常见的波特率有9600、19200、115200等,需要根据设备和协议的要求进行设置。
2. 数据位:用于传输数据的有效位数,常见的有5、6、7、8位。
3. 停止位:用于表示一个字符的结束,常见的停止位有1位和2位。
4. 奇偶校验:用于错误检测,可以选择奇校验或偶校验。
四、数据传输1. 发送数据:将需要发送的数据按照规定的通信参数进行格式化,通过TXD线发送出去。
2. 接收数据:从RXD线接收数据,并进行相应的格式化处理,得到需要的数据。
五、注意事项1. 在连接设备时,需要确保接口的引脚定义与设备的电气特性相匹配。
2. 在长时间未使用时,应将设备的电源关闭,以避免接口和设备损坏。
3. 在进行数据传输时,应确保设备的波特率、数据位、停止位和奇偶校验等参数设置正确。
RS232通讯协议引言RS232通讯协议是一种常用的串行通信协议,用于在计算机和外部设备之间传输数据。
本文将介绍RS232通讯协议的基本原理、特点和应用,并提供一些常见的使用示例。
RS232通讯协议的基本原理RS232通讯协议使用串行通信方式,通过发送和接收电平信号来实现数据的传输。
它使用一对差分信号线,分别为TX(发送)和RX(接收)线。
数据在发送端被转换成电压值并通过TX线发送,接收端则将接收到的电压信号转换成对应的数据。
RS232通讯协议使用的电压电平范围为正负12V,其中正电压表示逻辑“0”,负电压表示逻辑“1”。
通过这种方式,RS232协议可以实现可靠的数据传输。
RS232通讯协议的特点1.可靠性:RS232通讯协议使用差分信号线,能够抵抗干扰,提供可靠的数据传输。
2.灵活性:RS232通讯协议支持全双工通信,即发送和接收可以同时进行,提高通信效率。
3.距离限制:RS232通讯协议在使用过程中存在最大传输距离的限制,通常在15米左右。
4.速率可调:RS232通讯协议支持多种传输速率,可以根据具体需求进行调整。
RS232通讯协议的应用RS232通讯协议广泛应用于各种领域,如计算机通信、工业控制、仪器仪表等。
下面是一些常见的应用场景:1.计算机通信:RS232通讯协议被广泛用于计算机和外部设备之间的数据传输,如打印机、调制解调器等。
2.工业控制:RS232通讯协议在工业自动化领域中起着重要作用,用于控制和监测各种设备,如PLC、传感器等。
3.仪器仪表:RS232通讯协议也常用于仪器仪表的数据传输,如示波器、电压表等。
RS232通讯协议的使用示例以下是一个简单的使用示例,演示了如何通过RS232通讯协议在计算机和外部设备之间传输数据:1. 打开计算机的串口终端软件。
2. 设置串口参数,包括波特率、数据位、停止位和校验位。
3. 连接计算机和外部设备的RS232接口线,确保连接稳固。
4. 在串口终端软件中输入要发送的数据,点击发送按钮。
标准rs232接口RS232接口是一种广泛应用于串行通信的标准接口,它可以实现设备之间的数据传输和通信。
RS232接口通常用于连接计算机和外部设备,例如打印机、调制解调器、传感器等。
本文将介绍标准RS232接口的特点、工作原理以及常见的应用场景。
首先,我们来了解一下RS232接口的特点。
RS232接口采用串行通信方式,使用单根电缆进行数据传输,其中包括数据线、控制线和地线。
RS232接口采用负逻辑电平表示逻辑1,正逻辑电平表示逻辑0,其电压范围为-15V至+15V。
此外,RS232接口还具有较高的抗干扰能力,能够在工业环境中稳定可靠地工作。
其次,我们来了解一下RS232接口的工作原理。
在RS232接口中,数据是以位的形式进行传输的,发送端将并行数据转换为串行数据发送到接收端,接收端再将串行数据转换为并行数据进行处理。
在数据传输过程中,需要使用起始位、数据位、校验位和停止位来进行数据帧的组织和校验,以确保数据的准确传输。
除此之外,RS232接口还具有一些常见的应用场景。
例如,在工业自动化领域,RS232接口常用于连接PLC(可编程逻辑控制器)和人机界面设备,实现设备之间的数据交换和控制。
在通信领域,RS232接口常用于连接调制解调器和计算机,实现数据的调制和解调。
在仪器仪表领域,RS232接口常用于连接传感器和数据采集设备,实现数据的采集和监测。
总的来说,标准RS232接口作为一种广泛应用的串行通信接口,具有较高的稳定性和可靠性,适用于各种不同的应用场景。
通过本文的介绍,相信大家对RS232接口的特点、工作原理和应用场景有了更深入的了解。
希望本文能够为大家对RS232接口有所帮助,谢谢大家的阅读!。
RS232接口转USB接口的通信方法USB作为一种新的PC机互连协议,使外设到计算机的连接更加高效、便利。
这种接口适合于多种设备,不仅具有快速、即插即用、支持热插拔的特点,还能同时连接多达127个设备,解决了如资源冲突、中断请求(IRQs)和直接数据通道(DMAs)等问题。
因此,越来越多的开发者欲在自己的产品中使用这种标准接口。
而RS232是单个设备接入计算机时,常采用的一种接入方式,其硬件实现简单,因此在传统的设备中有很多采用了这种通信方式。
一般的IC卡门禁考勤系统也使用RS232接口与PC机通信。
如果将USB技术应用于IC卡门禁考勤系统与PC机之间的数据通信,这样,不仅能使IC卡门禁考勤设备具备USB 通信的诸多优点,而且对PC机而言还可以节余1个RS232串口为其它通信所用。
1 USB系统概述USB规范描述了总线特性、协议定义、编程接口以及其它设计和构建系统时所要求的特性。
USB是一种主从总线,工作时USB主机处于主模式,设备处于从模式。
USB系统所需要的唯一的系统资源是,USB系统软件所使用的内存空间、USB主控制器所使用的内存地址空间(I/O地址空间)和中断请求(IRQ)线。
USB设备可以是功能性的,如显示器、鼠标或者集线器之类。
它们可以作低速或者高速设备实现。
低速设备最大速率限制在1.5 Mb/s,每一个设备有一些专有寄存器,也就是端点(endpoint)。
在进行数据交换时,可以通过设备驱动间接访问它。
每一个端点支持几种特殊的传输类型,并且有一个唯一的地址和传输方向。
不同的是端点0仅用作控制传输,并且其传输可以是双向的。
系统上电后,USB主机负责检测设备的连接与拆除、初始化设备的列举过程,并根据设备描述表安装设备驱动后自动重新配置系统,收集每个设备的状态信息。
设备描述表标识了设备的属性、特征并描述了设备的通信要求。
USB主机根据这些信息配置设备、查找驱动,并且与设备通信。
典型的USB数据传输是由设备驱动开始的,当它需要与设备通信时,设备驱动提供内存缓冲区,用来存放设备收到或者即将发送的数据。
RS232规程及数据收发原理随着科技的迅猛发展,数据通信技术也日新月异。
RS232作为一种最基础的串口通信协议,被广泛应用于各种设备之间的数据交互,其规程和数据收发原理显得尤为重要。
本文将对RS232的规程及数据收发原理做详细的探讨,以期为读者带来更深入的了解。
一、RS232规程1. RS232的概念RS232是一种在计算机和外部设备之间传输数据的标准接口,它定义了数据通信时的电气特性和连接器的排列方式。
RS232接口最早应用于调制解调器和终端设备之间,后来被广泛用于个人电脑通信和打印机连接。
2. RS232的特点RS232接口采用串行通信,每次只能传输一位数据。
它采用负逻辑电平表示数据位(1为-3V至-25V,0为+3V至+25V),通常使用DB9接口。
RS232的数据传输速率取决于波特率,常见的波特率有9600bps、xxxbps等。
3. RS232的连接方式RS232接口采用点对点连接方式,即一对一连接。
在实际应用中,需要通过串口转换器等设备实现多个设备之间的通信。
4. RS232的工作原理RS232接口工作原理主要包括数据发送和接收两个过程。
发送端将要传输的数据转换成电平信号发送至接收端,接收端将接收到的电平信号还原成数据。
而RS232接口中数据传输的时序和协议也有严格的要求,通常采用起始位、数据位、校验位和停止位组成一个完整的数据帧。
二、RS232数据收发原理1. RS232数据发送原理(1)串行并行转换:发送端将并行数据流转换成串行数据流,通过串行发送至接收端。
(2)波特率设定:根据通信双方的协商确定通信的波特率。
(3)数据格式设置:设置数据位、校验位、停止位等发送端参数。
(4)数据传输:通过发送端进行数据传输,发送端将数据转换成电平信号,发送至接收端。
2. RS232数据接收原理(1)电平转换:接收端将接收到的电平信号转换成逻辑电平。
(2)数据解析:根据通信双方的约定解析接收到的数据信息。
RS232通讯协议RS-232是一种常见的串行通信协议,用于在计算机和外部设备之间传输数据。
它于1962年由电子工程师协会(EIA)制定,并在电信领域和工业控制领域得到广泛使用。
RS-232协议规定了电气特性、物理连接和通信过程,使得不同类型的设备能够进行可靠的通信。
在RS-232通信中,每个设备都有一个发送线路(Tx)和一个接收线路(Rx),它们通过一对导线进行连接。
发送方将数据位逐位地发送到接收方,接收方通过接收线路接收这些数据位。
RS-232定义了一种异步传输模式,即数据位之间没有固定的时间间隔,而是由发送方发送时钟信号来同步。
RS-232规定了数据传输的电气特性,包括信号电平和信号极性。
标准的RS-232信号电平为正负12V,其中正电平表示逻辑0,负电平表示逻辑1、数据位逐位地从发送方传输到接收方,接收方通过检测信号电平的变化来恢复数据位的值。
RS-232还规定了数据传输的物理连接方式。
常见的RS-232连接器是DB-9和DB-25两种类型。
DB-9连接器有9个引脚,用于发送线路、接收线路、地线和控制信号的连接。
DB-25连接器有25个引脚,除了上述的连接方式外,还可以提供更多的控制信号。
RS-232协议还规定了数据的传输格式,包括数据位数、校验位和停止位。
常见的数据位数为8位,校验位可以选择奇校验、偶校验或无校验,停止位为1位或2位。
这些参数的设置要保证发送方和接收方一致,以确保正确的数据传输。
总的来说,RS-232通信协议是一种可靠且广泛应用的串行通信协议。
它定义了物理连接、电气特性、数据传输格式和控制信号等方面的规定,使得不同类型的设备能够进行可靠的数据传输。
虽然现在已经有了更快速、更先进的通信协议,但RS-232在许多传统的应用领域仍然被广泛使用。
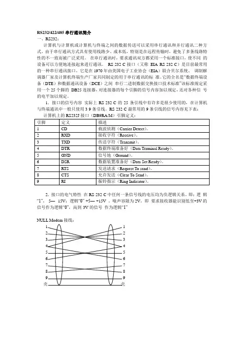
RS232/422/485串行通讯简介一、RS232:计算机与计算机或计算机与终端之间的数据传送可以采用串行通讯和并行通讯二种方式。
由于串行通讯方式具有使用线路少、成本低,特别是在远程传输时,避免了多条线路特性的不一致而被广泛采用。
在串行通讯时,要求通讯双方都采用一个标准接口,使不同的设备可以方便地连接起来进行通讯。
RS-232-C接口(又称EIA RS-232-C)是目前最常用的一种串行通讯接口。
它是在1970年由美国电子工业协会(EIA)联合贝尔系统、调制解调器厂家及计算机终端生产厂家共同制定的用于串行通讯的标准。
它的全名是“数据终端设备(DTE)和数据通讯设备(DCE)之间串行二进制数据交换接口技术标准”该标准规定采用一个25个脚的DB25连接器,对连接器的每个引脚的信号内容加以规定,还对各种信号的电平加以规定。
1.接口的信号内容实际上RS-232-C的25条引线中有许多是很少使用的,在计算机与终端通讯中一般只使用3-9条引线。
RS-232-C最常用的9条引线的信号内容见下表:计算机上的RS232J接口(DB9RA/M)引脚定义:2.接口的电气特性在RS-232-C中任何一条信号线的电压均为负逻辑关系。
即:逻辑“1”,-5— -15V;逻辑“0” +5— +15V 。
噪声容限为2V。
即要求接收器能识别低至+3V的信号作为逻辑“0”,高到-3V的信号作为逻辑“1”NULL Modem接线:1 12 23 34 45 56 67 78 89 9壳壳软握手接线(三线串口方式—):2 353壳3.传输电缆长度:RS-232-C接口连接器一般使用型号为DB-9的9芯插头座,通常插头在DCE端,插座在DTE端. 一些设备与PC机连接的RS-232-C接口,因为不使用对方的传送控制信号,只需三条接口线,即“发送数据”、“接收数据”和“信号地”。
所以采用DB-9的9芯插头座,传输线采用屏蔽双绞线,22AWG或24AWG,特征阻抗100欧。
串口通信详解一、RS-232RS-232在1962年发布,命名为EIA-232-E ,作为工业标准,以保证不同厂家产品之间的兼容。
RS-232-C 是美国电子工业协会EIA (Electronic Industry Association )制定的一种串行物理接口标准。
RS 是英文“推荐标准”的缩写,232为标识号,C 表示修改次数。
RS-232-C 总线标准设有25条信号线,包括一个主通道和一个辅助通道。
在多数情况下主要使用主通道,对于一般双工通信,仅需几条信号线就可实现,如一条发送线、一条接收线及一条地线。
RS-232-C 标准规定的数据传输速率为每秒50、75、 100、150、300、600、1200、2400、4800、9600、19200波特。
RS-232-C 标准规定,驱动器允许有2500pF 的电容负载,通信距离将受此电容限制,例如,采用150pF/m 的通信电缆时,最大通信距离为15m ;若每米电缆的电容量减小,通信距离可以增加。
传输距离短的另一原因是RS-232属单端信号传送,存在共地噪声和不能抑制共模干扰等问题,因此一般用于20m 以内的通信。
目前RS-232是PC 机与通信工业中应用最广泛的一种串行接口。
RS-232被定义为一种在低速率串行通讯中增加通讯距离的单端标准。
RS-232采取不平衡传输方式,即所谓单端通讯。
图1收、发端的数据信号是相对于信号地,如从DTE 设备发出的数据在使用DB25连接器时是2脚相对7脚(信号地)的电平,DB25各引脚定义参见图1。
典型的RS-232信号在正负电平之间摆动,在发送数据时,发送端驱动器输出正电平在+5~+15V ,负电平在-5~-15V 电平。
当无数据传输时,线上为TTL ,从开始传送数据到结束,线上电平从TTL 电平到RS-232电平再返回TTL 电平。
接收器典型的工作电平在+3~+12V 与-3~-12V 。
由于发送电平与接收电平的差仅为2V 至3V 左右,所以其共模抑制能力差,再加上双绞9针串口(DB9) 25针串口(DB25)针号 功能说明 缩写 针号功能说明 缩写1 数据载波检测 DCD 8 数据载波检测 DCD2 接收数据 RXD3 接收数据 RXD 3 发送数据 TXD 2发送数据TXD4 数据终端准备 DTR 20 数据终端准备 DTR 5信号地GND 7 信号地 GND 6 数据设备准备好 DSR 6 数据准备好 DSR 7 请求发送 RTS 4 请求发送 RTS 8清除发送 CTS5清除发送 CTS 9振铃指示DELL 22振铃指示DELL线上的分布电容,其传送距离最大为约15米,最高速率为20kb/s。
RS-232接口定义及连线RS-232接口又称之为RS-232口、串口、异步口或一个COM(通信)口。
"RS-232"是其最明确的名称。
在计算机世界中,大量的接口是串口或异步口,但并不一定符合RS-232标准,但我们也通常认为它是RS-232口。
严格地讲RS-232接口是DTE(数据终端设备)和DCE(数据通信设备)之间的一个接口,DTE包括计算机、终端、串口打印机等设备。
DCE通常只有调制解调器(MODEM)和某些交换机COM口是DCE。
标准指出DTE应该拥有一个插头(针输出),DCE拥有一个插座(孔输出)。
这经常被制造商忽视(如:WYSE终端就是孔输出DTE串口)但影响不大,只要搞清楚DCE、DTE就行了,然后按照标准接线图接线就不会错了。
(DTE、DCE 引脚定义相同)RS-232接口引脚定义二、路由器的硬件连接从上面的介绍或知,路由器的接口类型非常多,它们各自用于不同的网络连接,如果不能明白各自端口的作用,就很可能进行错误的连接,导致网络连接不正确,网络不通。
下面我们通过对路由器的几种网络连接形式来进一步理解各种端口的连接应用环境。
路由器的硬件连接因端口类型,也主要分与局域网设备之间的连接、与广域网设备之间的连接以及与配置设备之间的连接三类。
1. 路由器与局域网接入设备之间的连接局域网设备主要是指集线器与交换机,交换机通常使用的端口只有RJ-45和SC,而集线器使用的端口则通常为AUI、BNC和RJ-45。
下面,我们简单介绍一下路由器和集线设备各种端口之间如何进行连接。
(1). RJ-45-to-RJ-45这种连接方式就是路由器所连接的两端都是RJ-45接口的,如果路由器和集线设备均提供RJ-45端口,那么,可以使用双绞线将集线设备和路由器的两个端口连接在一起。
需要注意的是,与集线设备之间的连接不同,路由器和集线设备之间的连接不使用交叉线,而是使用直通线,也就是说,跳线两端的线序完全相同,但也不是说只要线序相同就行,但最好不要采用一一对应法。
串行接口RS232介绍及应用介绍:RS232接口通常使用9针或25针的D型连接器,其中9针连接器是最常见的。
其中的信号线包括数据传输线(TX、RX)、硬件流控制线(RTS、CTS)、请求发送线(DTR、DSR)、接收线(RI)和地线(GND)等。
RS232接口的工作方式是通过发送和接收电压来传输数据,典型的电平标准是±12V,其中正电压表示逻辑0,负电压表示逻辑1、信号采用倒装的方式传输,即1对应低电平,0对应高电平。
为了确保可靠的通信,通常还需要在远端设备和接口之间使用MAX232转换芯片,将RS232接口的电压转换为标准的TTL电平。
应用:1.计算机通信:RS232接口被广泛用于计算机和外部设备(如打印机、调制解调器、终端等)之间的通信。
通过RS232接口,计算机可以与外设进行数据的传输和控制,实现数据输出、输入和操作控制等功能。
2.工业自动化:RS232接口在工业自动化领域中也得到了广泛的应用。
在工控系统中,RS232接口可以连接各种传感器、执行器、PLC等设备,实现数据的采集、控制和监测等功能。
它可以用于数据采集设备的现场配置、监控设备的故障诊断和远程控制等。
3.医疗设备:RS232接口在医疗设备中也有重要的应用。
例如,医疗仪器、医疗设备的数据传输、监测和控制等功能常常使用RS232接口来实现。
通过RS232接口,医生和技术人员可以方便地获取设备的数据、调整参数等,提升医疗设备的效能和稳定性。
4.安防监控:安防监控系统中的摄像头、录像机、报警器等设备通常也使用RS232接口进行数据的传输和控制。
通过RS232接口,可以实现对摄像头的控制、图像的传输和录制等功能,便于安防人员对监控设备进行操作和管理。
总结:RS232接口作为一种成熟的串行通信标准,在各个领域都得到了广泛的应用。
它能够实现可靠的数据传输和控制,具有简单、可靠、易于扩展等特点。
随着现代通信技术的不断发展,RS232接口也在逐渐被更先进的接口标准所取代,如USB、Ethernet等。
无Modem的Rs232串口连接与通讯
RS232串口通讯是最常用的,但是为什么就连接了RXD,TXD和GND三个信号,没有任何的握手信号。
原来一直高不明白。
在网上搜了很多关于RS232的资料,也没有找到理想的。
后来就找了一篇英文的资料,自己翻译了一下,总算真正弄清楚了RS232。
特此分享一下。
(本文原创:百度空间——发现电子设计之美,作者Flyasiwng,转载请注明出处。
)
简介
Rs232串口通讯是计算机领域中最古老、应用最广泛的通讯方式。
Rs232标准规定了DTE和DCE 之间的通讯方法,即PC与Modem这类外围设备的通讯。
DTE是数据终端设备,DCE是数据通讯设备。
而当今,串口通讯最主要的应用是没有Modem的DTE与DCE之间的通讯,而标准中并没对种通讯方式作出详细的规定。
最初的Modem并没有执行某些握手功能。
但是握手功能可以提高通讯的速度,因为这可以让计算机有能力控制信息的流动。
RS232最初的应用方式
观察RS232的引脚分配图,可以看到两个专门用于流控制的引脚。
一个RTS,一个CTS。
RTS是请求发送,从DTE输出,输入到DCE。
CTS是确认发送,从DCE输出,输入到DTE。
在发送数据前,DTE先将RTS设为高电平,向DCE请求数据。
如果DCE不允许发送数据,将使CTS保持低电平。
如果允许发送数据,则就爱能够CTS置为高电平。
这是一种简单并有效的单向数据流控制机制。
为了对数据流进一步的控制,通信双方都增加了向对方汇报当前自身状态的能力。
为了实现这一目的,便增加了DTR和DSR信号。
数据终端设备使用DTR信号告知自己已经准备好接受数据。
数据通讯设备使用DSR说明自己已经准备好接受数据。
这两个信号不像RTS和CTS那样,只是单向的请求与应答,它们是双向的握手信号。
DTE和DCE通讯的最后一个流控制信号是CD(载波监听)。
CD不直接对流进行控制,而只是表征Modem可以与对方进行通讯。
这个信号表明两个Modem设备间存在通讯线路。
无Modem,无握手信号的通讯
如果没有Modem,怎么使用握手信号呢?那当然是不使用。
这种情况下,只有数据线和信号地在两个设备间交叉互联。
其他的引脚都不连接。
如下图所示。
兼容性问题
这是最简单的连接方式,但是也是万能的连接方式。
但是这里存在一个问题。
如果通讯双方其中有一方检测DSR和CD输入信号。
这些信号定义了是否能与对方通讯。
如过这两条线没有连接,它们始终为低电平,这就有问题。
同样的问题也发生在了RTS和CTS上,如果DTE将RTS置为了高电平,然后等待CTS为高电平。
而CTS没有连接,所以DTE会永远挂在那里。
所以这种连接方式仅仅是Rx和Tx上的数据传输。
但这并不意味着这种无Modem的连接方式是无用处的。
像PC与电子测量设备之间的通讯就可以采用这种通讯方式。
正如你想象的,这种最简单的连接方式不能进行任何形式的硬件流控制。
只能通过在软件中通过XOFF和XON字符来对数据流进行控制。
无Modem,带有回环(Loop Back)握手信号的连接方式
前面的那种连接方式,对于一般的软件存在着问题。
即,如果软件按正常的方式检测Modem的握手信号,会因为检测不到合适的握手信号而挂在那里。
为了避免这种情况,同时又能使用最简单的三线的连接方式,便产生了下面这种带回环(Loop Back)的连接方式。
无Modem,带回环的连接方式
采用这种方式的目的,主要是为了用最简单的三线通信方式时,普通的软件也能适用。
兼容性问题
首先考虑DSR信号,此信号表示对方已经Ready。
在图中,这根线连接到了DTR。
这就是说,本地的软件检测到的不是对方的Ready信号,而是本地的DTR信号。
而有99%的设备的软件在天差DSR和CD信号的时候都要先将本地的DTR信号置为高电平。
这样,这种连接方式对于99%的软件就都适用了。
同样的技巧也应用在了CTS和RTS上。
其他问题
在无Modem的低成本连接方式下,大多数人建议采用这种带回环的连接方式。
但是这种连接方式就真的完美无缺了吗?不是的!
这种连接方式虽然可以使大多数的软件适用,但是相对与前面那种最简单的连接方式,这种方式在功能上并没有人任何提高。
通讯双方都不能对数据流进行控制,也只能采用XON和XOFF字符的握手方式。
因此,如果软件不知道没有硬件流控制信号,在数据传输速率超过接受方所能承受的能力时就会产生数据丢失。
因此在用的时候也要十分小心。
无Modem,带部分握手信号的连接
以上两种连接方式虽然很有用,但是都没有提供硬件流控制。
如果通讯时,硬件流控制确实需要的话,可以采用下面这种带有部分握手信号的连接方式。
Null modem with partial handshaking
无Modem,带有部分握手信号的连接
兼容性问题
这种连接方式下,本地的RTS与CTS连接在了一起,然后与对方的CD连在了一起。
这样,只有在对方检测CD信号时,RTS信号才会传递给对方。
而在现在的软件中几乎都是采用这用检测CD的方式。
DSR和DTR交叉互联。
因此双方就可以互相告知对方本地是否Ready,如果对方Ready的话就发送数据,对方不Ready的话就停止发送。
只采用RTS和CTS握手的软件不能采用这种带有部分握手信号的连接方式。
而大部分软件在使用RTS和CTS的同时也会检查DSR信号,在这种情况下,这种连接方式就可以适用了。
无Modem,带有完整握手信号的连接方式
这种连接方式是成本最高的,它使用了七根连接线。
只有振铃指示(RI)和载波监听(CD)没有连接。
连接方式如下:
无Modem,全握手信号连接
兼容性问题
原来RTS和CTS是用来询问和回答是否可以传输数据。
但在这种连接方式下,就成了纯粹告诉对方自己是否可以进行通讯。
此时RTS和DTR都可以用来对数据流进行控制。
总结
在单片机中,就是采用的无任何握手信号的连接方式,所以才必须有起始位和停止位。
在进行通讯时,如果发送方一直发送,而接受方没有足够的能力或时间进行应答,就会产生数据丢失。