采购产品订购单产品订购单表格格式
- 格式:docx
- 大小:2.59 MB
- 文档页数:3
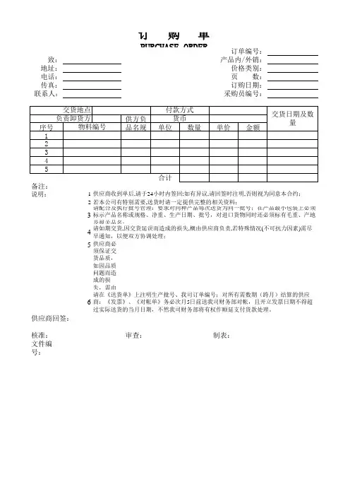
产品订购单
订单号码:
*1、请于年月日前一批/分批交清,交货地点:,卖方必须严守交货日期,逾期交货每逾天罚订货总价%或得由本公司迳将订货部份或全部取消。
2、所供货品卖方需提供%备品,不良品并得交换。
3、如因交货误期,规格不符,品质不良而造成本公司损失,卖方应负赔偿责任,货品虽经本公
司验收,如因品质不良而致使本公司产品遭客户退货或索赔时卖方应负赔偿责任。
4、所订货品其所用原料若为国外进口,则卖方需提供退税同意书,以供本公司申请外销品
冲退税款,否则卖方应负赔偿责任。
5、厂商签收后存本公司采购部一联,交货时请在送货单注明订单号码及材料编号名称,送
仓库验收。
6、请照订购数量交货,量多不可超过订购总数之10%,否则拒收。
7、货品检验根据本公司所订的检验标准。
进货日期表
送货验收单
产品订购确定或更改通知单□确定通知
原料订购单。
产品订购单2
订单号码:
厂商名称:订购日期:年月
*1、请于年月日前一批/分批交清,交货地点:,卖方必须严守交货日期,逾期交货每逾天罚订货总价%或得由本公司迳将订货部份或全部取消。
2、所供货品卖方需提供%备品,不良品并得交换。
3、如因交货误期,规格不符,品质不良而造成本公司缺失,卖方应负赔偿责任,货品虽经本公
司验收,如因品质不良而致使本公司产品遭客户退货或索赔时卖方应负赔偿责任。
4、所订货品其所用原料若为国外进口,则卖方需提供退税同意书,以供本公司申请外销品
冲退税款,否则卖方应负赔偿责任。
5、厂商签收后存本公司采购部一联,交货时请在送货单注明订单号码及材料编号名称,送
仓库验收。
6、请照订购数量交货,量多不可超过订购总数之10%,否则拒收。
7、货品检验依照本公司所订的检验标准。
商品采购订购单
为落实物料、零件采购作业管理,确保采购工作顺畅,制定订购采购流程制度。
订购单是在商品订购行为中明确订购单位所需商品的详细信息,是采购合同签署前的简单订
购协议。
订购单
厂商编号地址电话联系人
订购内容
相次物流名称料号单位订购数量单价金额交货日期数量
1
2
3
4
5
6
合计金额
交货地址
交易条款
一、交期。
承制厂商须依本订单交期或本公司采购部以电话或书面调整之交货期,若有延误,每逾一日扣该批款的 %。
二、品质
1 .依照图纸要求。
2 .进料检验:依 MIL-STD-I05D II;抽样检验:AQL依本公司规定。
三、不良处理
1 .经检验后之不合格品,应于三日内取回,逾时本公司不负责。
2 .如急用需选其他供货商,所产生之费用,依本公司之索赔标准计费。
总经理经理主管承办人承制厂。
采购产品订购单产品订
购单表格格式
Hessen was revised in January 2021
产品订购单
订单号码:
厂商名称:订购日期:年月日
*1、请于年月日前一批/分批交清,交货地点:,卖方必须严守交货日期,逾期交货每逾天罚订货总价 %或得由本公司迳将订货部
份或全部取消。
2、所供货品卖方需提供 %备品,不良品并得交换。
3、如因交货误期,规格不符,品质不良而造成本公司损失,卖方应负赔偿责任,货品虽经本公
司验收,如因品质不良而致使本公司产品遭客户退货或索赔时卖方应负赔偿责任。
4、所订货品其所用原料若为国外进口,则卖方需提供退税同意书,以供本公司申请外销
品冲退税款,否则卖方应负赔偿责任。
5、厂商签收后存本公司采购部一联,交货时请在送货单注明订单号码及材料编号名称,
送仓库验收。
6、请照订购数量交货,量多不可超过订购总数之10%,否则拒收。
7、货品检验根据本公司所订的检验标准。
产品订购单订单号码:厂商名称:订购日期:年月*1、请于年月日前一批/分批交清,交货地点:,卖方必须严守交货日期,逾期交货每逾天罚订货总价%或得由本公司迳将订货部份或全部取消。
2、所供货品卖方需提供%备品,不良品并得交换。
3、如因交货误期,规格不符,品质不良而造成本公司损失,卖方应负赔偿责任,货品虽经本公司验收,如因品质不良而致使本公司产品遭客户退货或索赔时卖方应负赔偿责任。
4、所订货品其所用原料若为国外进口,则卖方需提供退税同意书,以供本公司申请外销品冲退税款,否则卖方应负赔偿责任。
5、厂商签收后存本公司采购部一联,交货时请在送货单注明订单号码及材料编号名称,送仓库验收。
6、请照订购数量交货,量多不可超过订购总数之10%,否则拒收。
7、货品检验根据本公司所订的检验标准。
品味人生1、不管鸟的翅膀多么完美,如果不凭借空气,鸟就永远飞不到高空。
想象力是翅膀,客观实际是空气,只有两方面紧密结合,才能取得显着成绩。
2、想停下来深情地沉湎一番,怎奈行驶的船却没有铁锚;想回过头去重温旧梦,怎奈身后早已没有了归途。
因为时间的钟摆一刻也不曾停顿过,所以生命便赋予我们将在汹涌的大潮之中不停地颠簸。
3、真正痛苦的人,却在笑脸的背后,流着别人无法知道的眼泪,生活中我们笑得比谁都开心,可是当所有的人潮散去的时候,我们比谁都落寂。
4、温暖是飘飘洒洒的春雨;温暖是写在脸上的笑影;温暖是义无反顾的响应;温暖是一丝不苟的配合。
5、幸福,是一种人生的感悟,一种个人的体验。
也许,幸福是你风尘仆仆走进家门时亲切的笑脸;也许,幸福是你卧病床上百无聊赖时温馨的问候;也许,幸福是你屡遭挫折心灰意冷时劝慰的话语;也许,幸福是你历经艰辛获得成功时赞赏的掌声。
关键的是,你要有一副热爱生活的心肠,要有一个积极奋进的目标,要有一种矢志不渝的追求。
这样,你才能感受到幸福。
6、母爱是迷惘时苦口婆心的规劝;母爱是远行时一声殷切的叮咛;母爱是孤苦无助时慈祥的微笑。
玲珑电子材料有限公司
订购单
地址:巴城镇湖亭东路NO:
电话:86-0512- 传真:0512-6 Ver. Prt. Page.
厂商代码:厂商名称:联络电话:币别:订购日期:
请购日期:运输方式:付款条件:
请购单号:
物料编码单位订货量含税单价金额预交日期备注
注意事项:
所购产品符合GP环保要求厂商确认:
(副)总经理:经理:采购:
表单编号:JM-FOR-063 A0
玲珑电子材料有限公司
订购单
地址:巴城镇湖亭东路NO:
电话:86-0512- 传真:0512-6 Ver. Prt. Page.
厂商代码:厂商名称:联络电话:币别:订购日期:
请购日期:运输方式:付款条件:
请购单号:
物料编码单位订货量含税单价金额预交日期备注
注意事项:
所购产品符合GP环保要求厂商确认:
(副)总经理:经理:采购:
表单编号:JM-FOR-063 A0。
开户行:开户行:账号:
账号:盖章:
盖章:
二、 质量标准:按国家标准、行业标准或企业标准。
三、 运输方式及费用:供方送货到厂或承担到厂运费。
四、 验收标准:需方按相关产品的国家标准、行业标准或企业标准对货物进行验收,出具检测验收报告。
五、 结算方式:先款,供方提供与货款金额一致的增值税专用发票。
六、 供方送货请附:送货单、生产厂家的相关资质、产品检验报告、产品合格证、若为肉源还需提供当地卫生部门的检疫检验报告以及相应等额增值税发票。
七、 交货时间:八、 交货地址:
需求方:供货方:联系人:联系人:联系电话:联系电话:订购单。
学海无涯
产品订购单
订单号码:
厂商名称:订购日期:年月
*1、请于年月日前一批/分批交清,交货地点:,卖方必须严守交货日期,逾期交货每逾天罚订货总价%或得由本公司迳将订货部份或全部取消。
2、所供货品卖方需提供%备品,不良品并得交换。
3、如因交货误期,规格不符,品质不良而造成本公司损失,卖方应负赔偿责任,货品虽经本公
司验收,如因品质不良而致使本公司产品遭客户退货或索赔时卖方应负赔偿责任。
4、所订货品其所用原料若为国外进口,则卖方需提供退税同意书,以供本公司申请外销品
冲退税款,否则卖方应负赔偿责任。
5、厂商签收后存本公司采购部一联,交货时请在送货单注明订单号码及材料编号名称,送
仓库验收。
6、请照订购数量交货,量多不可超过订购总数之10%,否则拒收。
7、货品检验根据本公司所订的检验标准。
产品订购单
编号公司
一、本公司拟向贵公司订购下列物品,其数量、价格、规范;已经双方同意如下:
物品名称规格数量价格备注
□一次
贰、双方同意上列物品在年月日以前交至本公司工厂验收组,贵公司必须
□分批
保证所交为新品
叁、若贵公司无法如期交待,本公司有权在约定交货期后日内要求取消定单,并向贵公司要求赔偿。
如贵公司所交货品品质不符规定,本公司亦有权利退货或要求赔偿,贵公司不得拒绝。
四、其他及附件
五、本单两份希贵公司签收后于日内将第一联送交本公司,双方并同意以此为合同。
采购部:
经理:
经办人:
表格说明(使用时删除):
1、该表格主要用途包含不局限于学校、公司企业、事业单位、政府机构,主要针对对象为白领、学生、教师、律师、公务员、医生、工厂办公人员、单位行政人员等。
2、表格应当根据时机用途及需要进行适当的调整,该表格作为使用模板参考使用。
3、表格的行列、文字叙述、表头、表尾均应当根据实际情况进行修改。
《合同条件》是根据《中华人民共和国合同法》,对双方权利义务作出的约定,除双方协商同意对其中的某些条款作出修改、补充或取消外,都必须严格履行。
《协议条款》是按《合同条件》的顺序拟定的,主要是为《合同条件》的修改、补充提供一个协议的格式。
双方针对工实际情况,把对《合同条件》的修改、补充和对某些条款不予采用的一致意见按《协议条款》的格式形成协议。
《合同条件》和《协议条款》是双方统一意愿的体现,成为合同文件的组成部分。
采购订单
框架协议编号:/ 日期:年月日
采购单号:
甲方名称:乙方名称:
需求日期:电话:
收货人电话:
到货地址:
说明:1.本订单一式两份,甲乙双方各持一份乙方所供货物按国标供货、货到一月如有质量问题可退、换货物,货到工地甲方对货物验收(包括检验报告与合格证的验收),以上为含税到厂价。
2.请送货单上备注采购单号及项目名称,无备注可拒绝收货。
3.供货周期: 10 天
4.付款方式:货到付款,收到乙方开具增值税专用发票后7个工作日内付款
5.质保期:1年
甲方签字盖章:乙方签字盖章:。
实用才是硬道理产品订购单订单号码:厂商名称:订购日期:年月*1、请于年月日前一批/分批交清,交货地点:,卖方必须严守交货日期,逾期交货每逾天罚订货总价%或得由本公司迳将订货部份或全部取消。
2、所供货品卖方需提供%备品,不良品并得交换。
3、如因交货误期,规格不符,品质不良而造成本公司损失,卖方应负赔偿责任,货品虽经本公司验收,如因品质不良而致使本公司产品遭客户退货或索赔时卖方应负赔偿责任。
4、所订货品其所用原料若为国外进口,则卖方需提供退税同意书,以供本公司申请外销品冲退税款,否则卖方应负赔偿责任。
5、厂商签收后存本公司采购部一联,交货时请在送货单注明订单号码及材料编号名称,送仓库验收。
6、请照订购数量交货,量多不可超过订购总数之10%,否则拒收。
7、货品检验根据本公司所订的检验标准。
美文欣赏实用才是硬道理1、走过春的田野,趟过夏的激流,来到秋天就是安静祥和的世界。
秋天,虽没有玫瑰的芳香,却有秋菊的淡雅,没有繁花似锦,却有硕果累累。
秋天,没有夏日的激情,却有浪漫的温情,没有春的奔放,却有收获的喜悦。
清风落叶舞秋韵,枝头硕果醉秋容。
秋天是甘美的酒,秋天是壮丽的诗,秋天是动人的歌。
2、人的一生就是一个储蓄的过程,在奋斗的时候储存了希望;在耕耘的时候储存了一粒种子;在旅行的时候储存了风景;在微笑的时候储存了快乐。
聪明的人善于储蓄,在漫长而短暂的人生旅途中,学会储蓄每一个闪光的瞬间,然后用它们酿成一杯美好的回忆,在四季的变幻与交替之间,散发浓香,珍藏一生!3、春天来了,我要把心灵放回萦绕柔肠的远方。
让心灵长出北归大雁的翅膀,乘着吹动彩云的熏风,捧着湿润江南的霡霂,唱着荡漾晨舟的渔歌,沾着充盈夜窗的芬芳,回到久别的家乡。
我翻开解冻的泥土,挖出埋藏在这里的梦,让她沐浴灿烂的阳光,期待她慢慢长出枝蔓,结下向往已久的真爱的果实。
4、好好享受生活吧,每个人都是幸福的。
人生山一程,水一程,轻握一份懂得,将牵挂折叠,将幸福尽收,带着明媚,温暖前行,只要心是温润的,再遥远的路也会走的安然,回眸处,愿阳光时时明媚,愿生活处处晴好。
采购产品订购单产品订
购单表格格式
Hessen was revised in January 2021
产品订购单
订单号码:
厂商名称:订购日期:年月日
*1、请于年月日前一批/分批交清,交货地点:,卖方必须严守交货日期,逾期交货每逾天罚订货总价 %或得由本公司迳将订货部
份或全部取消。
2、所供货品卖方需提供 %备品,不良品并得交换。
3、如因交货误期,规格不符,品质不良而造成本公司损失,卖方应负赔偿责任,货品虽经本公
司验收,如因品质不良而致使本公司产品遭客户退货或索赔时卖方应负赔偿责任。
4、所订货品其所用原料若为国外进口,则卖方需提供退税同意书,以供本公司申请外销
品冲退税款,否则卖方应负赔偿责任。
5、厂商签收后存本公司采购部一联,交货时请在送货单注明订单号码及材料编号名称,
送仓库验收。
6、请照订购数量交货,量多不可超过订购总数之10%,否则拒收。
7、货品检验根据本公司所订的检验标准。