220kV构架及基础计算书
- 格式:docx
- 大小:3.99 MB
- 文档页数:30
第一章220KV 变电站电气主接线设计第1.1节原始资料1.1.1变电所规模及其性质:电压等级220/110/35 kv线路回数220kv 本期2回交联电缆(发展1回)110kv 本期4回电缆回路(发展2回)35kv 30回电缆线路,一次配置齐全本站为大型城市变电站2.归算到220kv侧系统参数(SB=100MVA,UB=230KV)近期最大运行方式:正序阻抗X1=0.1334;零序阻抗X0=0.1693近期最大运行方式:正序阻抗X1=0.1445;零序阻抗X0=0.2319远期最大运行方式:正序阻抗X1=0.1139;零序阻抗X0=0.14883.110kv侧负荷情况:本期4回电缆线路最大负荷是160MW 最小负荷是130MW远期6回电缆线路最大负荷是280MW 最小负荷是230MW4.35kv侧负荷情况:(30回电缆线路)远期最大负荷是240MW 最小负荷是180MW近期最大负荷是170MW 最小负荷是100MW5.环境条件:当地年最低温度-24℃,最高温度+35℃,最热月平均最高温度+25℃,海拔高度200m,气象条件一般,非地震多发区,最大负荷利用小时数6500小时。
第1.2节主接线设计本变电站为大型城市终端站。
220VKV为电源侧,110kv侧和35kv侧为负荷侧。
220kv和110kv采用SF6断路器。
220kv 采取双母接线,不加旁路。
110kv 采取双母接线,不加旁路。
35kv 出线30回,采用双母分段。
低压侧采用分列运行,以限制短路电流。
第1.3节电气主接线图第二章主变压器选择和负荷率计算第2.1节原始资料1.110kv侧负荷情况:本期4回电缆线路最大负荷是160MW 最小负荷是130MW远期6回电缆线路最大负荷是280MW 最小负荷是230MW 2.35kv侧负荷情况:(30回电缆线路)远期最大负荷是240MW 最小负荷是180MW近期最大负荷是170MW 最小负荷是100MW3.由本期负荷确定主变压器容量。
3 设计计算书3.1 短路电流计算3.1.1 计算电路图和等值电路图TS900/296-32QFS300-2SSP-360/220 SSPSL-240/220100KM150KMI II III IIIIII230KV115KVKVKVd1d2d3X1 X4X2X3X7X8X9X10 X5X6X11X12X13X14X15X19X20X16X17X18X22X23d1d2d3230KV10.5KV115KV X21X24系统阻抗标幺值:设:SJ=100MVAX1=X2=X3=0.2X4=X5=X6=(Ud/100 )*(S j/S e)=(14.1/100)*(100/240)=0.59X7=X8=X9=X10=X d*”*(S j/S e)=0.167*(100/300/0.85)=0.0473 X7=X8=X9=X10= ( Ud% / 100 )*(S j/S e)=(14.6/100)*(100/360)=0.0406X15=X16=X* S j / U p²= 0.4*150*( 100 / 230²) = 0.1134X17=X18=X* S j / U p²= 0.4*100*( 100 / 230²) = 0.0756根据主变的选择SFPSLO-240000型变压器,可查出:U dI-II% =14.6、U dI-III% =6.2、U dII-III% =9.84X19=X22=1/200*( U dI-II%+ U dI-III%- U dII-III%)*(S j/S e)=1/200*(14.6+6.2-9.84)*(100/240)=0.0228X20=X23=1/200*( U dI-II%+ U dII-III%- U dI-III%)*(S j/S e)=1/200*(14.6+9.84-6.2)*(100/240)=0.0379X20=X23=1/200*( U dI-III%+ U dII-III%- U dI-II%)*(S j/S e)=1/200*(6.2+9.84-14.6)*(100/240)=0.003 (1)、d1点短路电流的计算:d 1X 28X 26X 27X 25X 29X 30d 1230K V230K VX 25=(X 1+X 4)/3=0.0863 X 26=(X 7+X 11)/4=0.02198 X 27=X 15/2=0.0567 X 28=X 17/2=0.0378 X 29=X 25+ X 27=0.143 X 30=X 26+ X 28=0.05978 用个别法求短路电流 ① 水电厂 S –1:X jss –1= X 29*( S N ∑1/ S j )=0.143 * ( 3*200/0.875/100 ) = 0.98 ② 水电厂 H –1:X jsH –1= X 30*( S N ∑1/ S j )=0.0598 *( 4*300/0.85/100 ) = 0.844 查运算曲线 : t=0”时 I *S-1”=1.061 I *H-1”=1.242I S-1”= ( I *S-1” * S NS-1)/(√3 * U j )=1.061*( 3*200/0.875)/(√3 * 230 )=1.826KAI chS-1= I S-1”*√[1+2*(K ch -1) ²]=1.826*√[1+2*(1.85-1) ²]=2.855KAI H-1”= (I *H-1”* S NH-1)/(√3 * U j )=1.242*(4*300/0.85)/(√3 * 230 )=4.402KAI chH-1= I H-1”*√[1+2 * (K ch -1) ²]=4.402*√[1+2 * (1.85-1) ²]=6.883KAI”= I S-1”+ I H-1”=1.826+4.402=6.288KA I ch1= I chS-1+ I chH-1=2.855+6.833=9.738KA t=2”时I *t=2s-1”=1.225 I *t=2H-1”=1.36I t=2s-1”= (I *t=2s-1”* S NS-1)/ (√3 * U j )=1.225*(3*200/0.875)/ (√3 * 230 )=2.109KAI t=2H-1”=(I *t=2H-1”*S NH-1)/(√3 * U j )=1.36*(4*300/0.85)/( √3 * 230 )=4.8198KAI t=2”= I t=2s-1”+ I t=2H-1”=2.109+4.8198=6.928KA T=4”时I *t=4s-1”=1.225 I *t=4H-1”=1.375I t=4s-1”= (I *t=4s-1”* S NS-1)/ (√3 * U j )=1.225*(3*200/0.875)/ (√3 * 230 )=2.109KA=1.375*(4*300/0.85)/( √3 * 230)=4.873KAI t=4”= I t=4s-1”+ I t=4H-1”=2.109+4.873=6.982KA ⑵、d 2点短路电流的计算: X 31=(X 19+X 20)/2=0.03035 X 32=X 29+X 31+ X 29*X 31/ X 30=0.143+0.03035+0.143*0.03035/0.0598=0.246 X 33=X 30+X 31+ X 30*X 31/ X 29=0.0598+0.03035+0.0598*0.03035/0.143=0.103 用个别法求短路电流d2d2①水电厂 S –1:X jss –1= X 32*( S N ∑1/ S j )=0.246 *( 3*200/0.875/100 ) = 1.687 ②水电厂 H –1:X jsH –1= X 33*( S N ∑1/ S j )= 0.103*( 4*300/0.85/100 ) = 1.454 查运算曲线 : t=0”时 I *S-1”=0.616 I *H-1”=0.71I S-1”= ( I *S-1” * S NS-1)/(√3 * U j )=0.616*( 3*200/0.875)/(√3 * 230 )=1.06KAI chS-1= I S-1”*√[1+2*(K ch -1) ²]=1.06*√[1+2*(1.85-1) ²]=1.657KAI H-1”= (I *H-1”* S NH-1)/(√3 * U j )=0.71*(4*300/0.85)/(√3 * 230 )=2.516KAI chH-1= I H-1”*√[1+2 * (K ch -1) ²]=2.516*√[1+2 * (1.85-1) ²]=3.934KAI”= I S-1”+ I H-1”=1.06+2.516=3.576KA I ch1= I chS-1+ I chH-1=1.657+3.934=5.591KA t=2”时I *t=2s-1”=0.649 I *t=2H-1”=0.74I t=2s-1”= (I *t=2s-1”* S NS-1)/ (√3 * U j )=0.649*(3*200/0.875)/ (√3 * 230 )=1.117KA=0.74*(4*300/0.85)/( √3 * 230)=2.623KAI t=2”= I t=2s-1”+ I t=2H-1”=1.117+2.623=3.74KAT=4”时I*t=4s-1”=0.649I*t=4H-1”=0.74I t=4s-1”= (I*t=4s-1”* S NS-1)/ (√3 * U j )=0.649*(3*200/0.875)/ (√3 * 230)=1.117KAI t=4H-1”=(I*t=4H-1”*S NH-1)/(√3 * U j )=0.74*(4*300/0.85)/( √3 * 230)=2.623KAI t=4”= I t=4s-1”+ I t=4H-1”=1.117+2.623=3.74KA⑶、d3点短路电流的计算:X34=(X19+X21)/2=0.0129X35=X29+X34+ X29*X34/ X30=0.143+0.0129+0.143*0.0129/0.0598=0.187X36=X30+X34+ X30*X34/ X29=0.0598+0.0129+0.0598*0.0129/0.143=0.078用个别法求短路电流①水电厂 S–1:X jss–1= X35*( S N∑1/ S j )=0.187 *( 3*200/0.875/100 ) = 1.282 ②水电厂 H–1:X jsH–1= X36*( S N∑1/ S j )= 0.078*( 4*300/0.85/100 ) = 1.101 查运算曲线:t=0”时I*S-1”=0.810I*H-1”=0.94I S-1”= ( I*S-1” * S NS-1)/(√3 * U j )=0.810*( 3*200/0.875)/(√3 * 230)=1.394KAI chS-1= I S-1”*√[1+2*(K ch-1)²]=1.394*√[1+2*(1.85-1)²]=12.18KAI H-1”= (I*H-1”* S NH-1)/(√3 * U j )=0.94*(4*300/0.85)/(√3 * 230 )=3.331KAI chH-1= I H-1”*√[1+2 * (K ch-1)²]=3.331*√[1+2 * (1.85-1)²]=5.21KAI”= I S-1”+ I H-1”=1.394+3.331=4.725KAI ch1= I chS-1+ I chH-1=2.81+5.21=7.39KAt=2”时I*t=2s-1”=0.888I*t=2H-1”=1.011I t=2s-1”= (I*t=2s-1”* S NS-1)/ (√3 * U j )=0.888*(3*200/0.875)/ (√3 * 230)=1.529KAI t=2H-1”=(I*t=2H-1”*S NH-1)/(√3 * U j )=1.011*(4*300/0.85)/( √3 * 230)=3.583KAI t=2”= I t=2s-1”+ I t=2H-1”=1.529+3.583=5.112KAT=4”时I*t=4s-1”=0.888I*t=4H-1”=1.011I t=4s-1”= (I*t=4s-1”* S NS-1)/ (√3 * U j )=0.888*(3*200/0.875)/ (√3 * 230)=1.529KAI t=4H-1”=(I*t=4H-1”*S NH-1)/(√3 * U j )=1.011*(4*300/0.85)/(√3 * 230)=3.583KAI t=4”= I t=4s-1”+ I t=4H-1”=1.529+3.583=5.112KA3.2 电气设备的选择与校验3.2.1 断路器的选择与校验,隔离开关的选择与校验3.2.1.1 220KV电压等级断路器S n=240MVA最大工作电流:I max =1.05* S n/(√3 * U n )=1.05*240/(1.732*220)=661A选SW2-220型断路器假定主保护动作时间为0.05”,后备保护3.9”。
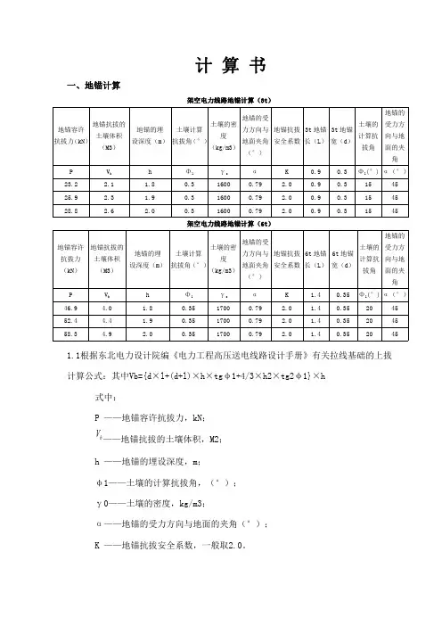
目录一. ..................................... 概述21.1工程概况 (2)1.2编写依据 (3)二. 施工准备 (5)2.1接桩 (5)2.2材料点(施工驻点)选择 (7)2.3施工测量(复测) (7)2.4工地运输 (7)三. ....................................... 基础施工103.1混凝土杆基础施工 (10)3.2铁塔基础施工 (12)3.3基础作业工艺流程图 (20)3.4混凝土配合比计算 (21)四. ................................................. 铁塔基础施工工艺及技术措施 (23)五. 质量标准及检验要求 (36)六. 安全措施及文明施工 (39)七. ....................................... 组织措施41八. 结束语 (42)二概述1.1工程概况本工程为220kV架空输电线路全长61.5公里,全线路杆塔总共167 基,其中混凝土杆82基,铁塔85基。
导线采用2X LGJQ-300分裂导线,地线采用两根GJ-50避雷线。
本工程根据地质水文资料,沿线主要地层为黄土状亚粘土,呈浅黄色、褐黄色,中密稍湿,地下水位均在8米以下。
本工程地势起伏变化较大,除电厂出口地形平坦外,其它地段地形变化大,台地多,冲沟多,部分冲沟宽而深,全线路越山河、河流、水库等较多,跨距大可供大车运输的道路很少,所以运输比较困难,大部分杆塔需人共搬运。
1.1.1工程技术特性:气象条件:最大设计风速30m/s;最大覆冰厚度10mm电压等级:220千伏;建设性质:新建架空输电线路;导线:2X LGJ-300;地线:一根为GJ-50地线;1.1.2地形、地貌及地质情况根据岩土工程勘察报告,本线路沿线主要地层为黄土状亚粘土,呈浅黄色、褐黄色,中密稍湿,地下水位均在8米以下。
设计阶段:施工图阶段工程名称:雨雪220kV变电站设计计算书名称: 220kV主变压器构架及基础计算书工程检索号: 65-B1001S-T0301 卷册号: T0301220kV主变压器构架及基础计算书批准人:审核人:校核人:计算人:西安思维电力设计公司2011年8 月220kV构架及基础计算书一、设计资料1. 220kV主变构架资料220kV主变构架,构架高度14.5m,构架梁跨度16m,构架梁为3相挂点,导线挂点高度为14.5m,平面外计算时偏角按0°考虑。
详见图一、图二、图三所示:图一:220kV构架轴测图图二:构架梁展开图图三:挂线点位置示意图2. 220kV主变构架荷载资料图四:主变架两侧导线连接示意图2.1 主变架两侧导线型号与长度主变架220kV侧导线: LGJ-500/45,L=31.7m,v=25m/s,最大弧垂2.0m。
引下线两处,每相长度两处引下线合计为22米。
导线长度合计=31.7+22=53.7米:主变架110kV侧导线: 2xLGJ-500/45,L=30.0m,v=25m/s,最大弧垂1.5m。
引下线两处,每相长度两处引下线合计为2x22=44米。
导线长度合计=2x(30+22)=104米:2.2 主变架两侧导线荷载[电气提供]2.2.1 主变架220kV侧导线荷载计算结果LGJ-500/45 A= 531.68 mm^2 E= 65000 MPa α= .0000205 1/℃N= 1λ1= 2.55 mG1= 47.5 Kg 串X片= 1 X 17 每片受风.02 m^2λ2= 2.55 mG2= 47.5 Kg 串X片= 1 X 17 每片受风.02 m^2L= 31.7 m构架允许最大张力8000 N/相第一引下线长11 m距一侧12.7 m第二引下线长11 m距一侧27.7 m------------------------------------------------------------------------------各气象条件下的张力(控制条件:过牵引)条件气温风速覆冰导线荷载(N/m) K张力(N) 最低气温-20 0 0 16.5424 2.413656E+12 2944.828 最大风10 25 0 23.95948 4.608003E+12 3986.185 覆冰-5 10 0 16.66543 2.442548E+12 2962.283 最高气温40 0 0 16.5424 2.413656E+12 2790.088 安装0 10 0 16.66543 2.442548E+12 2943.682 2.2.2 主变架110kV侧导线荷载计算结果LGJ-500/45 A= 531.68 mm^2 E= 65000 MPa α= .0000205 1/℃N= 2(双分裂)λ1= 2.55 mG1= 57.5 Kg 串X片= 1 X 17 每片受风.02 m^2 单片覆冰1 Kgλ2= 2.55 mG2= 57.5 Kg 串X片= 1 X 17 每片受风.02 m^2 单片覆冰1 KgL= 30 m构架允许最大张力8000 N/相第一引下线长11 m距一侧 3 m第二引下线长11 m距一侧27 m各气象条件下的张力(控制条件:过牵引)最低气温-20 0 0 16.5424 1.426696E+12 2048.54 平均气温10 0 0 16.5424 1.426696E+12 1987.488 最大风-5 25 0 19.7219 1.886624E+12 2318.705 覆冰-5 10 10 27.8693 3.871095E+12 3316.716 最高气温40 0 0 16.5424 1.426696E+12 1931.512 安装-10 10 0 16.66543 1.443064E+12 2039.0952.3 主变架荷载表3. 场地条件地震抗震烈度6度,建筑场地类别Ⅰ类;地面粗糙度为B 类,基本风压为0.90kN/㎡。
水北变T1主变定值计算1#主变参数:内△180/180/90MVA 60MVA220+3-1×2.5%/121/38.5kV 15kV472/859/1350A 1333AYN ao yno d11阻抗电压Uk%: H-M 9.48H-L 33.76M-L 22.22零序阻抗(低压绕组开路,内△闭合):Z H-N 115.39ΩZ H-M//N 23.81ΩZ M-N 29.05ΩZ M-H//N 6.03ΩX1(正序):X1=(U12+U13-U23)/2=(9.48+33.76-22.22)/2=10.51 标幺值:0.0584X2=(U12+U23-U13)/2=(9.48+22.22-33.76)/2=-1.03 标幺值:-0.0057X3=(U13+U23-U12)/2=(33.76+22.22-9.48)/2=23.25 标幺值:0.129Xo(零序):变压器额定阻抗:Z B220=U2N/S N=2202/180=268.9ΩZ B110=U2N/S N=1212/180=81.3Ω用变压器额定阻抗作基准,将零序阻抗化至标幺值:Z H-N=115.39/268.9=0.429Z H-M//N=23.81/268.9=0.0885Z M-N=29.05/81.3=0.357Z M-H//N=6.03/81.3=0.074Z ON1=√(Z H-N(Z M-N-Z M-H//N))=√(0.429×(0.357-0.074))=0.3484 Z ON2=√(Z M-N(Z H-N-Z H-M//N))=√(0.357×(0.429-0.0885))=0.3486 取平均值 Z ON=0.3485Z HO=Z H-N-Z ON=0.429-0.3485=0.0805Z MO=Z M-N-Z ON=0.357-0.3485=0.0085将Z ON、Z HO、Z MO化至标幺值(100MVA 230kV):Z ON=0.3485×(100/180)×(220/230) 2=0.177Z HO=0.0805×(100/180)×(220/230) 2=0.041Z MO=0.0085×(100/180)×(220/230) 2=0.004水北变T1正序参数X1:水北变T1零序参数Xo:2#主变参数:内△180/180/90MVA 60MVA220+3-1×2.5%/121/38.5kV 15kV472/859/1350A 1333AYN ao yno d11阻抗电压Uk%: H-M 8.95H-L 34.14M-L 22.94零序阻抗(低压绕组开路,内△闭合):Z H-O 119.1ΩZ H-M//N 22.7ΩZ M-O 30.04ΩZ M-H//N 5.81ΩX1(正序):X1=(U12+U13-U23)/2=(8.95+34.14-22.94)/2=10.075 标幺值:0.056 X2=(U12+U23-U13)/2=(8.95+22.94-34.14)/2=-1.125 标幺值:-0.0063 X3=(U13+U23-U12)/2=(34.14+22.94-8.95)/2=24.065 标幺值:0.1337 Xo(零序):变压器额定阻抗:Z B220=U2N/S N=2202/180=268.9ΩZ B110=U2N/S N=1212/180=81.3Ω用变压器额定阻抗作基准,将零序阻抗化至标幺值:Z H-N=119.1/268.9=0.4429Z H-M//N=22.7/268.9=0.0844Z M-N=30.04/81.3=0.3695Z M-H//N=5.81/81.3=0.0715Z ON1=√(Z H-N(Z M-N-Z M-H//N))=√(0.4429×(0.3695-0.0715))=0.3633 Z ON2=√(Z M-N(Z H-N-Z H-M//N))=√(0.3695×(0.4429-0.0844))=0.364 取平均值 Z ON=0.3637Z HO=Z H-N-Z ON=0.4429-0.3637=0.0792Z MO=Z M-N-Z ON=0.3695-0.3637=0.0058将Z ON、Z HO、Z MO化至标幺值(100MVA 230kV):Z ON=0.3637×(100/180)×(220/230) 2=0.1849Z HO=0.0792×(100/180)×(220/230) 2=0.0403Z MO=0.0058×(100/180)×(220/230) 2=0.0029水北变T2正序参数X1:水北变T2零序参数Xo:220kV母线:正序大方式:∑X=0.0114小方式:∑X=0.0428=0.0217零序大方式:∑XO=0.0738小方式:∑XO110kV母线(按T1、T2并列运行考虑):大方式:∑X=0.0114+(0.0584-0.0057)//(0.056-0.0063)=0.037 I3k=502/0.037=13568A小方式:∑X=0.0428+0.0584-0.0057=0.0955I2k=0.866×502/0.0955=4552A35kV母线(按T1、T2分列运行考虑):大方式:∑X=0.0114+0.056+0.1337=0.2011I3k=1560/0.2011=7757A小方式:∑X=0.0428+0.0584+0.129=0.2302I2k=0.866×1560/0.221=5869A110kV单相接地:大方式:∑X1=0.037∑X0=0.0217//0.177//0.1849+(0.041+0.004)//(0.0403+0.0029) =0.0175+0.022=0.0395=3×502/(2×0.037+0.0395)=13269A3IO小方式:∑X1=0.0955∑X0=(0.0738+0.041)//0.177+0.004=0.0696+0.004=0.0736=3×502/(2×0.0955+0.0736)=5692A3IO主变后备保护整定:110kV复压过流Ⅰ段原则:①与110kV出线ZⅠ配②作110kV母线近后备,Klm﹥1.5①计算110kV出线ZⅠ范围内的最大短路电流110kV出线ZⅠ整定24Ω,标幺值:24/132.25=0.1810.03880.181110kV系统大方式,短路电流最大:T1、T2并列∑X=0.0388+0.1815=0.2203I3k=502/0.2203=2279A并列运行时110kV出线故障,T1、T2分流,为了与110kV出线ZⅠ配,考虑在T1、T2分列运行的情况下整定。
Sc=2500mm 2导体直径 dc=61.9mm tic=2.0mm 导体屏蔽直径 Dic=66.4mm ti=24mm Di=114.4mm tiu=1.0mm Du=116.4mm tih=5.0mm Dh=126.4mm til=2.8mm Dl=147.0mm te=5.0mm De=157mm运行系统:三相交流系统,双回路,金属护套单点接地或交叉互联敷设条件:直埋土壤,平行排管敷设导体运行最高工作温度 θc=90℃环境温度:土壤中 θh=26℃标准环境温度θ0=20℃直埋环境热阻系数 1.2Km/w2 导体交流电阻已知:20℃导体直流电阻 R0=0.0000073Ω/m导体温度系数α=0.00393电缆允许最高工作温度θc=90℃最高工作温度下导体直流电阻由下式给出: 各参数值代入,计算得:R'=9.308E-06Ω/m 2.2 集肤效应因数电源系统频率f=50HzKs=0.435Ω/m·HzXs 2=8·π·f·10-7·Ks/R'Xs 2=5.8726集肤效应因数Ys由下式给出:各参数值代入,计算得:Ys=0.15712.3 邻近效应因数Kp=0.37S=350mm(平行排管敷设电缆间距)Xs 2=8·π·f·10-7·Kp/R'Xp 2=4.995Ω/m邻近效应因数Yp由下式给出:对于三根单芯电缆,按平行排列方式:Yp=Yp=0.01122.4 交流电阻220kV电缆工程技术参数计算YJLW03 127/220kV 1×2000mm 2电缆载流量计算书1. 基本条件铝套直径1.2 电缆敷设方式、环境条件和运行状况1.1 电缆结构绝缘直径绝缘屏蔽厚度绝缘屏蔽直径标称截面 导体屏蔽厚度绝缘厚度 肤效应及邻近效应有关,各参数计算如下。
R'=R0[1+α(θc-θ0)]Ys=Xs 4/(192+0.8*Xs 4)缓冲层厚度缓冲层直径 电缆额定载流量计算,即GB/T 10181-20001.3 计算依据铝套厚度PE外护套厚度PE外护套直径 导体损耗主要涉及到导体的交流电阻。
嘉荫县乌拉嘎镇胜利村220kW光伏扶贫电站项目光伏支架桩基础计算书基本信息:本项目位于黑龙江省伊春市嘉荫县,支架采用独立桩基支架形式,支架倾角(θ)40度,支架间距3.7m(取最不利布置为计算对象)。
依据《光伏发电站设计规范》GB50797-2012支架计算风、雪荷载及荷载效应按现行国家规范《建筑结构荷载规范》GB50009中25年一遇的荷载数值取值。
地面支架风荷载体型系数取1.3;风振系数取1.0;风压高度变化系数取1.0。
一、荷载计算1、恒载:光伏组件规格:1640X992,含组件自重为20Kg,即0.2KN.支架自重约为80 Kg,支架间距为3.7m,根据布置图一组支架支撑面为6块光伏组件。
支架及光伏组件自重每平米G1=2KN/1.65*0.992*6=0.2KN/m2。
2、风荷载查《建筑结构荷载规范》取基本风压W0=0.3KN/m2查《光伏发电设计规范》6.8.7风荷载体形系数μs1=1.3;风压高度变化系数μz=1.0;由《建筑结构荷载规范》不考虑风振影响。
因此取风振系数βz=1.0。
风荷载标准值W k1=βz*μs1*μz*W0=1.0×1.3×1.0×0.3=0.39KN/m2(垂直于光伏组件面)。
W kh= W k1*sinθ=0.39*0.643=0.25 KN/m2(水平方向)W kv= W k1*cosθ=0.39*0.766=0.3 KN/m2(铅锤方向)3、雪荷载查《建筑结构荷载规范》基本雪压S0=0.56KN/m2(铅锤方向);查《建筑结构荷载规范》表7.2.1,屋面积雪分布系数μr=0.55;则雪荷载标准值S k=μr*S0=0.56×0.55=0.31KN/m2(铅锤方向)。
二、计算单元计算单元的选取:根据支架布置计算单元取以中间支架为计算单元,计算单元面积为A=3.3*3=9.9 m2三、荷载组合及内力计算(顺风向工况和逆风向工况)4.1支架计算(顺风向起控制)支架计算采用节点荷载输入:节点承载面积A=0.83*3=2.5 m2垂直于光伏板方向:节点荷载Fh=1.4*2.5*0.39=1.365KN(↘)铅锤向下:节点荷载Fv=2.5*(1.2*0.2+1.4*0.6*0.31)=1.25KN(↓)4.2檩条计算(顺风向起控制)檩条计算采用线荷载输入:承载面宽B=0.83m垂直于光伏板方向:风荷载Fh=1.4*0.83*0.39=0.45KN/m(↘)铅锤向下:恒荷载Fv=1.2*0.83*0.12=0.12KN/m(↓)4.3桩承载力计算(顺风向起控制)桩竖向承载力:Fv=3.3*3*{1.2*0.2+1.4*(0.31+0.6*0.3) }=9.16KN(↓)桩水平承载力:Fh=1.4*3.3*3*0.25=3.5KN(→)4.4桩抗拔计算(逆风向起控制)桩竖向承载力:Fv=3.3*3*(1.0*0.2-1.4*0.3)=2.2KN(↑)桩水平承载力:Fh=1.4*3.3*3*0.25=3.5KN(←)。
目录1. 计算说明 (3)1.1 计算目的 (3)1.2 基本资料 (3)2. 计算结果 (3)3. 计算过程 (4)3.1 构架横梁计算 (4)3.1.1 横梁计算简图 (4)3.1.2 横梁荷载 (4)3.1.3 内力计算 (6)3.1.4 截面特性计算 (7)3.1.5 应力计算 (9)3.1.6 梁挠度计算 (9)3.2 构架计算 (10)3.2.1 截面特性计算 (11)3.2.2 构架内力计算 (12)3.2.3 应力计算 (16)3.2.4 挠度计算: (17)3.3 中间跨构架 (17)3.3.1 内力计算 (17)3.3.2 应力计算 (21)3.3.3 挠度计算: (22)3.4 基础设计 (22)3.4.1 地基承载力验算 (23)3.4.2 基础抗拔安全系数与抗倾覆安全系数验算 (24)4. 计算成果分析 (25)5. 附表及附图 (25)开关站进出线构架结构计算及其基础设计1. 计算说明1.1 计算目的本计算书为XXXXXXX扩建220kV开关站进出线构架进行结构计算及其基础设计。
1.2 基本资料互提资料卡:;参考资料:《变电架构设计手册》(电力工业部中南电力设计院)、《水工钢结构》(武汉水力电力大学等合编第3版)、《电力工程高压送电线路设计手册》(中国电力出版社第2版)、《钢结构设计手册》(中国建筑工业出版社第2版)。
2. 计算结果出线构架横梁弦杆和腹杆拟采用角钢,弦杆和腹杆夹角为o,截面为一正三角形;格构架柱采用角钢,所有钢材均用Q235钢。
钢构架结构设计满足规范要求,截面见计算简图。
地基应力及基础抗拔抗倾满足要求,截面见计算简图。
3. 计算过程3.1 构架横梁计算桁架弦初步选用L80×7的角钢,腹杆选用L70×7的角钢3.1.1 横梁计算简图横梁按简支梁计算,如下图所示。
横梁计算简图横梁截面示意图3.1.2 计算工况出线构架按终端构架计算,根据互提资料运行工况、安装工况和检修工况单根导线荷载见下表。
第一章220KV 变电站电气主接线设计第1.1节原始资料1.1.1变电所规模及其性质:电压等级220/110/35 kv线路回数220kv 本期2回交联电缆(发展1回)110kv 本期4回电缆回路(发展2回)35kv 30回电缆线路,一次配置齐全本站为大型城市变电站2.归算到220kv侧系统参数(SB=100MVA,UB=230KV)近期最大运行方式:正序阻抗X1=0.1334;零序阻抗X0=0.1693近期最大运行方式:正序阻抗X1=0.1445;零序阻抗X0=0.2319远期最大运行方式:正序阻抗X1=0.1139;零序阻抗X0=0.14883.110kv侧负荷情况:本期4回电缆线路最大负荷是160MW 最小负荷是130MW远期6回电缆线路最大负荷是280MW 最小负荷是230MW4.35kv侧负荷情况:(30回电缆线路)远期最大负荷是240MW 最小负荷是180MW近期最大负荷是170MW 最小负荷是100MW5.环境条件:当地年最低温度-24℃,最高温度+35℃,最热月平均最高温度+25℃,海拔高度200m,气象条件一般,非地震多发区,最大负荷利用小时数6500小时。
第1.2节主接线设计本变电站为大型城市终端站。
220VKV为电源侧,110kv侧和35kv侧为负荷侧。
220kv和110kv采用SF6断路器。
220kv 采取双母接线,不加旁路。
110kv 采取双母接线,不加旁路。
35kv 出线30回,采用双母分段。
低压侧采用分列运行,以限制短路电流。
第1.3节电气主接线图第二章 主变压器选择和负荷率计算第2.1节 原始资料1.110kv 侧负荷情况:本期4回电缆线路 最大负荷是 160MW 最小负荷是130MW远期6回电缆线路 最大负荷是280MW最小负荷是 230MW2.35kv 侧负荷情况:(30回电缆线路) 远期 最大负荷是240MW 最小负荷是 180MW近期 最大负荷是170MW最小负荷是 100MW3.由本期负荷确定主变压器容量。
开关站进出线构架结构计算及其基础设计开关站进出线构架结构计算及其基础设计目录1. 计算说明 (3)1.1 计算目的 (3)1.2 基本资料 (3)2. 计算结果 (3)3. 计算过程 (4)3.1 构架横梁计算 (4)3.1.1 横梁计算简图 (4)3.1.2 横梁荷载 (4)3.1.3 内力计算 (6)3.1.4 截面特性计算 (7)3.1.5 应力计算 (9)3.1.6 梁挠度计算 (9)3.2 构架计算 (10)3.2.1 截面特性计算 (11)3.2.2 构架内力计算 (12)3.2.3 应力计算 (16)3.2.4 挠度计算: (17)3.3 中间跨构架 (17)3.3.1 内力计算 (17)3.3.2 应力计算 (21)3.3.3 挠度计算: (22)3.4 基础设计 (22)3.4.1 地基承载力验算 (23)3.4.2 基础抗拔安全系数与抗倾覆安全系数验算 (24)4. 计算成果分析 (25)5. 附表及附图 (25)开关站进出线构架结构计算及其基础设计1. 计算说明1.1 计算目的本计算书为XXXXXXX扩建220kV开关站进出线构架进行结构计算及其基础设计。
1.2 基本资料互提资料卡:;参考资料:《变电架构设计手册》(电力工业部中南电力设计院)、《水工钢结构》(武汉水力电力大学等合编第3版)、《电力工程高压送电线路设计手册》(中国电力出版社第2版)、《钢结构设计手册》(中国建筑工业出版社第2版)。
2. 计算结果出线构架横梁弦杆和腹杆拟采用角钢,弦杆和腹杆夹角为o,截面为一正三角形;格构架柱采用角钢,所有钢材均用Q235钢。
钢构架结构设计满足规范要求,截面见计算简图。
地基应力及基础抗拔抗倾满足要求,截面见计算简图。
3. 计算过程3.1 构架横梁计算桁架弦初步选用L80×7的角钢,腹杆选用L70×7的角钢3.1.1 横梁计算简图横梁按简支梁计算,如下图所示。
横梁计算简图横梁截面示意图3.1.2 计算工况出线构架按终端构架计算,根据互提资料运行工况、安装工况和检修工况单根导线荷载见下表。
第一章220KV 变电站电气主接线设计第1.1节原始资料1.1.1变电所规模及其性质:电压等级220/110/35 kv线路回数220kv 本期2回交联电缆(发展1回)110kv 本期4回电缆回路(发展2回)35kv 30回电缆线路,一次配置齐全本站为大型城市变电站2.归算到220kv侧系统参数(SB=100MVA,UB=230KV)近期最大运行方式:正序阻抗X1=0.1334;零序阻抗X0=0.1693近期最大运行方式:正序阻抗X1=0.1445;零序阻抗X0=0.2319远期最大运行方式:正序阻抗X1=0.1139;零序阻抗X0=0.14883.110kv侧负荷情况:本期4回电缆线路最大负荷是160MW 最小负荷是130MW远期6回电缆线路最大负荷是280MW 最小负荷是230MW4.35kv侧负荷情况:(30回电缆线路)远期最大负荷是240MW 最小负荷是180MW近期最大负荷是170MW 最小负荷是100MW5.环境条件:当地年最低温度-24℃,最高温度+35℃,最热月平均最高温度+25℃,海拔高度200m,气象条件一般,非地震多发区,最大负荷利用小时数6500小时。
第1.2节主接线设计本变电站为大型城市终端站。
220VKV为电源侧,110kv侧和35kv侧为负荷侧。
220kv和110kv采用SF6断路器。
220kv 采取双母接线,不加旁路。
110kv 采取双母接线,不加旁路。
35kv 出线30回,采用双母分段。
低压侧采用分列运行,以限制短路电流。
第1.3节电气主接线图第二章主变压器选择和负荷率计算第2.1节原始资料1.110kv侧负荷情况:本期4回电缆线路最大负荷是 160MW 最小负荷是130MW远期6回电缆线路最大负荷是280MW 最小负荷是 230MW 2.35kv侧负荷情况:(30回电缆线路)远期最大负荷是240MW 最小负荷是 180MW近期最大负荷是170MW 最小负荷是 100MW3.由本期负荷确定主变压器容量。