《危险化学品重大危险源核销登记表》
- 格式:doc
- 大小:33.50 KB
- 文档页数:1
湖北省安全生产监督管理局关于印发《湖北省危险化学品重大危险源监督管理实施办法》的通知文章属性•【制定机关】湖北省安全生产监督管理局•【公布日期】2012.10.11•【字号】鄂安监发[2012]185号•【施行日期】2012.10.11•【效力等级】地方规范性文件•【时效性】现行有效•【主题分类】正文湖北省安全生产监督管理局关于印发《湖北省危险化学品重大危险源监督管理实施办法》的通知(鄂安监发〔2012〕185号)各市(州)、直管市、神农架林区安全生产监督管理局,中央在鄂和省属石化、化工企业:现将《湖北省危险化学品重大危险源监督管理实施办法》印发给你们,请认真贯彻执行。
湖北省安全生产监督管理局2012年10月11日湖北省危险化学品重大危险源监督管理实施办法第一章总则第一条为加强湖北省危险化学品重大危险源的安全监督管理,防止和减少危险化学品事故的发生,保障人民群众生命财产安全,根据《中华人民共和国安全生产法》、《危险化学品安全管理条例》和《危险化学品重大危险源监督管理暂行规定》(国家安全生产监督管理总局令第40号,以下简称《暂行规定》)等有关法律、行政法规和规章,结合我省实际情况,制定本办法。
第二条湖北省行政区域内从事危险化学品生产、储存、使用和经营的单位(以下统称危险化学品单位)的危险化学品重大危险源的辨识、评估、登记建档、备案、核销及其监督管理,适用本办法。
城镇燃气、用于国防科研生产的危险化学品重大危险源以及港区内危险化学品重大危险源的安全监督管理,不适用本办法。
第三条本办法所称危险化学品重大危险源(以下简称重大危险源),是指按照《危险化学品重大危险源辨识》(GB18218)标准辨识确定,生产、储存、使用或者搬运危险化学品的数量等于或者超过临界量的单元(包括场所和设施)。
第四条重大危险源的安全监督管理实行属地监管与分级管理相结合的原则。
各级人民政府安全生产监督管理部门(以下简称安监部门)按照有关法律、行政法规、规章、标准和本办法,对本辖区内的重大危险源实施安全监督管理。
附件6:
重大危险源登记表项目部名称: 填报日期:
填报人:联系电话:
注:1、重大危险源等级分为四级:可能造成特别重大事故的为一级;可能造成重大事故的为二级;可能造成较大事故的为三级。
可能造成一般事故的为四级。
2、重大危险源类型:储罐区、库区(库)、生产场所、压力管道、锅炉、压力容器、煤矿、金属非金属地下矿山、其它。
附件6:
重大危险源登记表
项目部名称: 填报日期:
填报人:联系电话:
注:1、重大危险源等级分为四级:可能造成特别重大事故的为一级;可能造成重大事故的为二级;可能造成较大事故的为三级。
可能造成一般事故的为四级。
2、重大危险源类型:储罐区、库区(库)、生产场所、压力管道、锅炉、压力容器、煤矿、金属非金属地下矿山、其它。
危险化学品重大危险源备案、核销为加强我公司危险化学品安全管理,规范危险化学品重大危险源的备案(核销)工作,根据《中华人民共和国安全生产法》、《危险化学品安全管理条例》(国务院令第591号,以下简称《条例》)、《危险化学品重大危险源监督管理暂行规定》(国家安监总局令第40号,以下简称《暂行规定》)和《河北省重大危险源监督管理规定》等有关规定,结合实际,特制定我公司危险化学品重大危险源备案(核销)工作制度如下:一、备案(核销)原则(一)凡在本公司内从事危险化学品生产、储存和使用已构成危险化学品重大危险源的,必须按照《条例》第二十五条和《暂行规定》第二十三条、第二十四条和第二十七条的要求到安监局进行危险化学品重大危险源备案(核销)。
(二)本制度所称危险化学品重大危险源(以下简称重大危险源),是指按照《危险化学品重大危险源辨识》(GB18218)标准辨识确定,生产、储存、使用或者搬运危险化学品的数量等于或者超过临界量的单元(包括场所和设施)。
二、备案材料及申报(一)备案材料1.《危险化学品重大危险源备案申请表》(一式两份);2.危险化学品重大危险源建档材料。
主要包括:⑴辨识、分级记录;⑵重大危险源基本特征表;⑶涉及的所有化学品安全技术说明书;⑷区域位置图、平面布置图、工艺流程图和主要设备一览表;⑸重大危险源安全管理规章制度及安全操作规程清单表;⑹安全监测监控系统、措施说明、检测、检验结果;⑺重大危险源事故应急预案、评审意见、演练计划和评估报告;⑻安全评估报告或者安全评价报告;⑼重大危险源关键装置、重点部位的责任人、责任机构名称;⑽重大危险源场所安全警示标志的设置情况;⑾其他文件、资料。
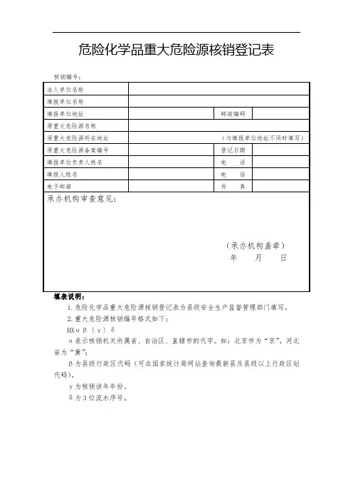
(二)备案申报危险化学品在完成重大危险源安全评估报告或者安全评价报告后的15日内向安监局报送备案材料;三、核销重大危险源经过安全评价或者安全评估不再构成重大危险源的,应当向安监局申请核销。
(一)核销材料1.危险化学品重大危险源核销申请表(一式两份);2.安全评价报告或者安全评估报告(原件)。
重 大 危 险 源 登 记
表
填报单位盖章:单位名称 单位电话
单位地址
主要负责人姓
名
主要负责人电
话 许可证书或登记 证书编号
证书起止日期
经济类型 经营方式 生产经营范围 职工总数 承担安全评价
机构名称
安全评价报告
定稿时间
危险化学品
储存情况
储罐数量(立方米/个;吨/
个)
储存总量
(立方米/吨)
储存容器建筑
结构 加油加气站及
石油库等级
重大危险源 基本情况重大危险源名
称
重大危险源类
别
重大危险源数量
重大危险源等
级
重大危险源位
置
周边环境 基本情况 备注
单位声明:本单位所填写资料真实有效。
主要负责人签字: 填表人: 联系电话: 填表日期: 年 月 日
说明:1.支撑文件:《危险源管理制度》;2.适用范围:重大危险源的安全管理;3.要求:安全部负责组织相关部门进行评估确定重大危险源,经主管领导审核后,安全部建档保存;4.保存三年。
危险化学品重大危险源核销申请表一、申请单位基本情况单位名称:xxxx地址:xxxx联系电话:xxxx邮政编码:xxxx二、危险化学品存储和使用情况1.单位总体情况序号危险化学品名称存储位置存储量(吨)使用工艺使用量(吨/年)1xxxx xxxx xxxx xxxx xxxx 2xxxx xxxx xxxx xxxx xxxx ………………………………2.主要危险化学品储罐情况序号储罐材质储罐容积(m³)储存液位(m)装卸管径(mm)附件安放情况1xxxx xxxx xxxx xxxx xxxx 2xxxx xxxx xxxx xxxx xxxx ………………………………3.主要危险化学品管道情况序号管道材质输送液体管道径(mm)管道长度(m)管道连接方式1xxxx xxxx xxxx xxxx xxxx 2xxxx xxxx xxxx xxxx xxxx ………………………………三、企业管理措施措施内容是否采取效果安全管理制度是否已制订、实施、评价是/否xxxx 安全生产管理组织架构、职责是否明确是/否xxxx 各级管理人员职业健康安全教育培训情况是/否xxxx 员工职业健康安全教育培训情况是/否xxxx 危险化学品安全技术措施是否落实是/否xxxx 安全生产设施是否符合规定的技术标准、安全标志、标牌、标识等是否齐全是/否xxxx 管理制度、操作程序、警告和标志是否得到有效控制是/否xxxx 事故应急救援措施是否落实是/否xxxx四、危险源管控措施危险源在用情况预防、控制、减轻措施安全状况评价危险源在用情况预防、控制、减轻措施安全状况评价储罐使用掌控储罐操作人员人数、提高其岗位技能、设置温度、压力报警装置、设置液位表、防静电接地xxxx管道使用加强管道巡检,定期清洗管道,设置泄漏报警装置xxxx其他危险源使用 (xxxx)五、核销申请人信息申请人姓名申请人联系电话申请日期xxxx xxxx xxxx六、审核意见审核意见:xxxx 审核人:xxxx 审核日期:xxxx注:本申请表主要用于危险化学品重大危险源管理核销申请,如实填写信息,不得造假。
××(省、市、县)危险化学品重大危险源统计信息表填报安全监管部门名称:
一级危险化学品重大危险源二级危险化学品
重大危险源
三级危险化学品
重大危险源
四级危险化学品
重大危险源
序号
市、县(
区)
个数单位数个数单位数个数单位数个数单位数合计
重大危险源
总数
重大危险源
单位总数
填表人: 联系电话: 填表日期: 年 月日
(盖章)填表说明:
1.危险化学品重大危险源统计信息表为县、市或省级安全生产监督管理部门填写。
2.表中“单位数”为具有相应级别危险化学品重大危险源的危险化学品单位
3.在统计重大危险源单位总数时,如一个重大危险源单位同时含有多个重大危险源,应仅统计为一个。
4.本表格不能满足需要时,可自行续表,格式和内容要求应与本表一致。
危险化学品重大危险源备案表
法人单位名称填报单位名称(盖章)
通讯地址邮政编码
法人单位法定代表人姓名电话
填报单位主要负责人姓名电话
填报单位技术负责人姓名电话
经济类型□国有经济□集体经济□私营经济■有限责任公司
□联营经济□股份合作□外商投资□港澳台投资
□其它经济
序
号危险化学品重大危险源名称
主要危险化
学品
R值
重大危
险源级
别
1 液氯仓库液氯3
2 三级可能发生的事故
类型
泄漏中毒事故
可能受影响的单办公楼、门卫室
位
主要事故应急措
制定应急救援预案,并已经备案
施
备案材料清单:
一、重大危险档案(材料:1、辨识、分级记录;2、重大危险源基本特征表;3、涉及的所有化学品安全技术说明书;4、区域位置图、平面布置图、工艺流程图和主要设备一览表;5、重大危险源安全管理规章制度及安全操作规程;6、安全监测监控系统、措施说明、检测、检验结果;7、重大危险源事故应急预案、评审意见、演练计划和评估报告;8、安全评价报告;9、重大危险源关键装置、重点部位的责任人、责任机构名称;10、重大危险源场所安全警示标志的设置情况;11、其他文件、资料。
)
填表人:联系电话:填表日期:2012年1月10
日
注:如纸面不敷,可另增页。
附件1危险化学品重大危险源基本特征表填表人:联系电话:填表日期:年月日(盖章)注:本表格不能满足需要时,可自行设置续表,格式和内容要求应与本表一致。
填表说明:1.为保证重大危险源辨识的统一性,危险化学品单位厂区内存在多个(套)危险化学品的生产装置、设施或场所并且相互之间的边缘距离小于500m时,都应按一个单元来进行重大危险源辨识。
当危险化学品单位存在两个以上重大危险源时,应分别填写危险化学品重大危险源基本特征表。
2.填报单位为重大危险源生产运行所在的产业活动单位或法人单位。
3.重大危险源名称以重大危险源主要生产装置名称或项目立项名称命名。
当企业整个厂区构成一个重大危险源时,可以以企业名称(厂区)方式命名。
4.重大危险源投用时间为重大危险源的装置、设施或场所正式投入生产使用的日期。
当重大危险源所涉及的各装置、设施或场所投入生产使用的日期不同时,按投用最早的日期填写。
5. 化工(工业)园区为重大危险源所在的化工园区、工业园区或主导产业包含化工(包括危险化学品储存)的开发区,不属于以上所列情形的则应填“否”。
6.重大危险源与周边重点防护目标最近距离情况,应填写重大危险源四周最近的重点防护目标(标明方位)及最近距离。
重大危险源与周边重点防护目标最近距离为重大危险源的设备、装置、设施的边缘到周边重点防护目标边缘的最近距离。
周边重点防护目标为《危险化学品重大危险源监督管理暂行规定》(国家安全生产监督管理总局令第40号)附件2表1中所列出的危险化学品单位周边重要目标和敏感场所。
7.厂区边界外500m范围内人数估算值,根据对厂区周边500m范围内建筑、设施或单位内存在的人员数量进行估算。
8.近三年内危险化学品事故情况为填报之日起之前三年内发生的危险化学品事故情况,应包括事故人员伤亡和经济损失情况、事故涉及到的危险化学品和事故原因等内容。
9.危险化学品名称应按《危险化学品目录》中的名称填写,当该危险化学品为混合物时,应标注各成分所占质量百分比。