计算力学复习题答案
- 格式:doc
- 大小:744.50 KB
- 文档页数:12
课程考试复习题及参考答案工程力学一、填空题:1.受力后几何形状和尺寸均保持不变的物体称为。
2.构件抵抗的能力称为强度。
3.圆轴扭转时,横截面上各点的切应力与其到圆心的距离成比。
4.梁上作用着均布载荷,该段梁上的弯矩图为。
5.偏心压缩为的组合变形。
6.柔索的约束反力沿离开物体。
7.构件保持的能力称为稳定性。
8.力对轴之矩在情况下为零。
9.梁的中性层与横截面的交线称为。
10.图所示点的应力状态,其最大切应力是。
11.物体在外力作用下产生两种效应分别是。
12.外力解除后可消失的变形,称为。
13.力偶对任意点之矩都。
14.阶梯杆受力如图所示,设AB和BC段的横截面面积分别为2A和A,弹性模量为E,则杆中最大正应力为。
15.梁上作用集中力处,其剪力图在该位置有。
16.光滑接触面约束的约束力沿指向物体。
17.外力解除后不能消失的变形,称为。
18.平面任意力系平衡方程的三矩式,只有满足三个矩心的条件时,才能成为力系平衡的充要条件。
19.图所示,梁最大拉应力的位置在点处。
20.图所示点的应力状态,已知材料的许用正应力[σ],其第三强度理论的强度条件是。
21.物体相对于地球处于静止或匀速直线运动状态,称为。
22.在截面突变的位置存在集中现象。
23.梁上作用集中力偶位置处,其弯矩图在该位置有。
24.图所示点的应力状态,已知材料的许用正应力[σ],其第三强度理论的强度条件是。
25.临界应力的欧拉公式只适用于杆。
26.只受两个力作用而处于平衡状态的构件,称为。
27.作用力与反作用力的关系是。
28.平面任意力系向一点简化的结果的三种情形是。
29.阶梯杆受力如图所示,设AB和BC段的横截面面积分别为2A和A,弹性模量为E,则截面C的位移为。
30.若一段梁上作用着均布载荷,则这段梁上的剪力图为。
二、计算题:1.梁结构尺寸、受力如图所示,不计梁重,已知q=10kN/m,M=10kN·m,求A、B、C处的约束力。
2.铸铁T梁的载荷及横截面尺寸如图所示,C为截面形心。
工程力学复习题答案一、单项选择题1. 刚体在平面内运动时,其运动学描述不包括以下哪一项?A. 平移B. 旋转C. 振动D. 变形答案:D2. 材料力学中,下列哪一项不是应力的类型?A. 正应力B. 剪应力C. 拉应力D. 扭应力答案:C3. 在梁的弯曲问题中,以下哪一项不是梁的内力?A. 剪力B. 弯矩C. 扭矩D. 轴力答案:C二、多项选择题1. 以下哪些因素会影响材料的弹性模量?A. 材料类型B. 温度C. 材料的微观结构D. 材料的密度答案:A, B, C2. 根据胡克定律,以下哪些描述是正确的?A. 应力与应变成正比B. 比例系数称为弹性模量C. 应力与应变成反比D. 弹性模量是材料的固有属性答案:A, B, D三、填空题1. 在材料力学中,材料在外力作用下发生形变,当外力移除后,材料能够恢复原状的性质称为_______。
答案:弹性2. 当梁受到均布载荷时,其最大弯矩通常出现在梁的_______。
答案:中点3. 材料的屈服强度是指材料在受到外力作用时,从弹性变形过渡到塑性变形的临界应力值,通常用_______表示。
答案:σy四、简答题1. 简述材料力学中应力集中的概念及其对结构设计的影响。
答案:应力集中是指在构件的局部区域,由于几何形状、材料不连续性或其他原因,导致应力值远高于周围区域的现象。
这种现象可能导致结构的局部应力超过材料的强度极限,从而引发裂纹或断裂,对结构的安全性和可靠性造成影响。
因此,在结构设计中,应尽量避免应力集中的产生,或采取适当的措施来降低其影响。
2. 描述梁在弯曲时的正应力分布规律。
答案:梁在弯曲时,其横截面上的正应力分布规律是:在中性轴上,正应力为零;在中性轴上方,正应力为拉应力,且随着距离中性轴的增加而增大;在中性轴下方,正应力为压应力,且随着距离中性轴的增加而增大。
这种分布规律可以用弯曲应力公式σ=My/I来描述,其中M是弯矩,y是距离中性轴的距离,I是横截面的惯性矩。
工程力学复习题及答案Last revision on 21 December 20202011年课程考试复习题及参考答案工程力学一、填空题:1.受力后几何形状和尺寸均保持不变的物体称为。
2.构件抵抗的能力称为强度。
3.圆轴扭转时,横截面上各点的切应力与其到圆心的距离成比。
4.梁上作用着均布载荷,该段梁上的弯矩图为。
5.偏心压缩为的组合变形。
6.柔索的约束反力沿离开物体。
7.构件保持的能力称为稳定性。
8.力对轴之矩在情况下为零。
9.梁的中性层与横截面的交线称为。
10.图所示点的应力状态,其最大切应力是。
11.物体在外力作用下产生两种效应分别是。
12.外力解除后可消失的变形,称为。
13.力偶对任意点之矩都。
14.阶梯杆受力如图所示,设AB和BC段的横截面面积分别为2A和A,弹性模量为E,则杆中最大正应力为。
15.梁上作用集中力处,其剪力图在该位置有。
16.光滑接触面约束的约束力沿指向物体。
17.外力解除后不能消失的变形,称为。
18.平面任意力系平衡方程的三矩式,只有满足三个矩心的条件时,才能成为力系平衡的充要条件。
19.图所示,梁最大拉应力的位置在点处。
20.图所示点的应力状态,已知材料的许用正应力[σ],其第三强度理论的强度条件是。
21.物体相对于地球处于静止或匀速直线运动状态,称为。
22.在截面突变的位置存在集中现象。
23.梁上作用集中力偶位置处,其弯矩图在该位置有。
24.图所示点的应力状态,已知材料的许用正应力[σ],其第三强度理论的强度条件是。
25.临界应力的欧拉公式只适用于杆。
26.只受两个力作用而处于平衡状态的构件,称为。
27.作用力与反作用力的关系是。
28.平面任意力系向一点简化的结果的三种情形是。
29.阶梯杆受力如图所示,设AB和BC段的横截面面积分别为2A和A,弹性模量为E,则截面C的位移为。
30.若一段梁上作用着均布载荷,则这段梁上的剪力图为。
二、计算题:1.梁结构尺寸、受力如图所示,不计梁重,已知q=10kN/m,M=10kN·m,求A、B、C处的约束力。
《工程力学》考试复习题库(含答案)一、选择题1. 工程力学是研究()A. 材料力学性能B. 力的作用和物体运动规律C. 结构的计算和分析D. 机器的设计与制造答案:B2. 在静力学中,力的作用效果取决于()A. 力的大小B. 力的方向C. 力的作用点D. A、B、C均正确答案:D3. 平面汇交力系的平衡条件是()A. 力的代数和为零B. 力矩的代数和为零C. 力的投影和为零D. 力的投影和为零且力矩的代数和为零答案:D4. 拉伸或压缩时,杆件横截面上的正应力等于()A. 拉力或压力B. 拉力或压力除以横截面面积C. 拉力或压力乘以横截面面积D. 拉力或压力除以杆件长度答案:B5. 材料在屈服阶段之前,正应力和应变的关系符合()A. 胡克定律B. 比例极限C. 屈服强度D. 断裂强度答案:A二、填空题1. 工程力学中的基本单位有()、()、()。
答案:米、千克、秒2. 二力平衡条件是:作用在同一个物体上的两个力,必须()、()、()。
答案:大小相等、方向相反、作用在同一直线上3. 材料的弹性模量表示材料在弹性范围内抵抗()的能力。
答案:变形4. 在剪切力作用下,杆件横截面沿剪切面发生的变形称为()。
答案:剪切变形5. 梁的挠度是指梁在受力后产生的()方向的位移。
答案:垂直三、判断题1. 力偶的作用效果只与力偶矩大小有关,与力偶作用点位置无关。
()答案:正确2. 在拉伸或压缩过程中,杆件的横截面面积始终保持不变。
()答案:正确3. 材料的屈服强度越高,其抗断裂能力越强。
()答案:错误4. 在受弯构件中,中性轴是弯矩等于零的轴线。
()答案:错误5. 梁的挠度曲线是梁的轴线在受力后的实际位置。
()答案:正确四、计算题1. 一根直径为10mm的圆形杆,受到轴向拉力1000N的作用。
求杆件的伸长量。
答案:杆件的伸长量约为0.005mm。
2. 一根简支梁,受到均布载荷q=2kN/m的作用,跨度l=4m。
求梁的最大挠度。
中南大学网络教育课程考试复习题及参考答案工程力学一、判断题:1.力对点之矩与矩心位置有关,而力偶矩则与矩心位置无关。
[ ]2.轴向拉压时无论杆件产生多大的变形,正应力与正应变成正比。
[ ]3.纯弯曲的梁,横截面上只有剪力,没有弯矩。
[ ]4.弯曲正应力在横截面上是均匀分布的。
[ ]5.集中力所在截面上,剪力图在该位置有突变,且突变的大小等于该集中力。
[ ]6.构件只要具有足够的强度,就可以安全、可靠的工作。
[ ]7.施加载荷使低碳钢试件超过屈服阶段后再卸载,材料的比例极限将会提高。
[ ]8.在集中力偶所在截面上,剪力图在该位置有突变。
[ ]9.小柔度杆应按强度问题处理。
[ ]10.应用平面任意力系的二矩式方程解平衡问题时,两矩心位置均可任意选择,无任何限制。
[ ]11.纯弯曲梁横截面上任一点,既有正应力也有剪应力。
[ ]12.最大切应力作用面上无正应力。
[ ]13.平面平行力系有3个独立的平衡方程。
[ ]14.低碳钢试件在拉断时的应力为其强度极限。
[ ]15.若在一段梁上作用着均布载荷,则该段梁的弯矩图为倾斜直线。
[ ]16.仅靠静力学平衡方程,无法求得静不定问题中的全部未知量。
[ ]17.无论杆件产生多大的变形,胡克定律都成立。
[ ]18.在集中力所在截面上,弯矩图将出现突变。
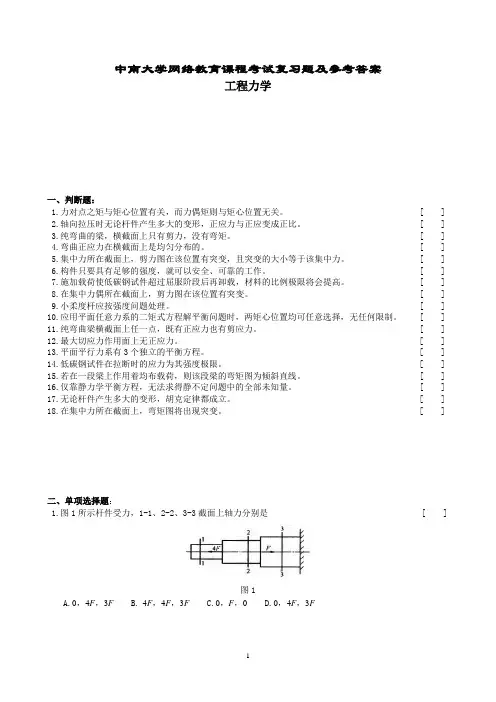
[ ]二、单项选择题:1.图1所示杆件受力,1-1、2-2、3-3截面上轴力分别是[ ]图1A.0,4F,3FB.-4F,4F,3FC.0,F,0D.0,4F,3F2.图2所示板和铆钉为同一材料,已知bs []2[]στ=。
为充分提高材料利用率,则铆钉的直径应该是[ ]图2A.2d δ=B.4d δ=C.4d δπ=D.8d δπ=3.光滑支承面对物体的约束力作用于接触点,其方向沿接触面的公法线 [ ]A.指向受力物体,为压力B.指向受力物体,为拉力C.背离受力物体,为压力D.背离受力物体,为拉力4.一等直拉杆在两端承受轴向拉力作用,若其一半为钢,另一半为铝,则两段的 [ ]A.应力相同,变形相同B.应力相同,变形不同C.应力不同,变形相同D.应力不同,变形不同5.铸铁试件扭转破坏是 [ ]A.沿横截面拉断B.沿45o 螺旋面拉断C.沿横截面剪断D.沿45o 螺旋面剪断6.图2跨度为l 的简支梁,整个梁承受均布载荷q 时,梁中点挠度是45384C ql wEI =,图示简支梁跨中挠度是 [ ]图2A.45768ql EIB.45192ql EIC.451536ql EID.45384ql EI 7.塑性材料冷作硬化后,材料的力学性能变化的是 [ ]A.比例极限提高,弹性模量降低B.比例极限提高,塑性降低C.比例极限不变,弹性模量不变D.比例极限不变,塑性不变8.铸铁试件轴向拉伸破坏是 [ ]A.沿横截面拉断B.沿45o 斜截面拉断C.沿横截面剪断D.沿45o 斜截面剪断9.各向同性假设认为,材料沿各个方向具有相同的 [ ]A.外力B.变形C.位移D.力学性质10.材料不同的两根受扭圆轴,其直径和长度均相同,在扭矩相同的情况下,它们的最大切应力和相对扭转角之间的关系正确的是 [ ]A.最大切应力相等,相对扭转角相等B.最大切应力相等,相对扭转角不相等C.最大切应力不相等,相对扭转角相等D.最大切应力不相等,相对扭转角不相等11.低碳钢试件扭转破坏是 [ ]A.沿横截面拉断B.沿45o螺旋面拉断C.沿横截面剪断D.沿45o螺旋面剪断12.整根承受均布载荷的简支梁,在跨度中间处 [ ]A.剪力最大,弯矩等于零B.剪力等于零,弯矩也等于零C.剪力等于零,弯矩为最大D.剪力最大,弯矩也最大三、填空题:1.圆轴扭转时,横截面上各点的切应力与其到圆心的距离成比。
《工程力学》期末复习题及参考答案一、绘图、计算题:1、已知F1﹑F2﹑F3三个力同时作用在一个刚体上,它们的作用线位于同一平面,作用点分别为A﹑B﹑C,如图所示。
已知力F1﹑F2的作用线方向,试求力F3的作用线方向。
解:将力F1﹑F2的作用线延长汇交于O点,由三力平衡汇交定理可知,力F3的作用线方向必沿CO,如图所示。
2、已知接触面为光滑表面,试画出图示圆球的受力图。
解:按照光滑接触面的性质,画出受力图如下:3、试画出各分图中物体AB的受力图。
解:物体AB的受力图如图所示。
4、如图所示,简易起重机用钢丝绳吊起重量G=10kN的重物。
各杆自重不计,A、B、C三处为光滑铰链联接。
铰链A处装有不计半径的光滑滑轮。
求杆AB和AC受到的力。
解:画A处光滑铰链销钉受力图(见图),其中重物重力G垂直向下;AD绳索拉力F T沿AD方向,大小为G;AB 杆拉力F BA 沿AB 方向;AC 杆受压,推力F CA 沿CA 方向。
以A 为原点建立Axy 坐标系,由平衡条件得到如下方程:030sin 45sin ,0001=--=∑=T BA CA niix F F F F (a)030cos 45cos ,0001=--=∑=G F F F T CA ni iy (b)由(b)式得kN G F CA 4.2645cos )130(cos 00=+=,代入(a )式得kN F F F T CA BA 66.135.010707.04.2630sin 45sin 00=⨯-⨯=-=所以杆AB 受到的力kN F BA 66.13=,为拉力;杆AC 受到的力kN F CA 4.26=,为压力。
5、拖车的重量G =250kN ,牵引车对它的作用力F =50kN ,如图所示。
求当车辆匀速直线行驶时,车轮A 、B 对地面的正压力。
解:画拖车受力图,如图所示,拖车受6个力的作用:牵引力F ,重力G ,地面法向支撑力F NA 、F NB ,摩擦力F A 、F B 。
第一套填空题(每题2分,共10分)1、在介质中上抛一质量为m 的小球,已知小球所受阻力v R k -=,若选择坐标轴x 铅直向上,则小球的运动微分方程为_____________________。
2、质点在运动过程中,在下列条件下,各作何种运动①a τ=0,a n =0(答): ; ②a τ≠0, a n =0(答): ; ③a τ=0,a n ≠0(答): ; ④a τ≠0,a n ≠0(答): ; 3、质量为10kg 的质点,受水平力F 的作用,在光滑水平面上运动,设t F 43+=(t 以s 计,F 以N 计),初瞬间(0=t)质点位于坐标原点,且其初速度为零。
则s 3=t 时,质点的位移等于_______________,速度等于_______________。
4、在平面极坐标系中,质点的径向加速度为__________;横向加速度为_______。
5、哈密顿正则方程用泊松括号表示为 ,二、选择题(每题5分,共20分)1、已知某点的运动方程为 S=a+bt 2(S 以米计,t 以秒计,a 、b 为常数),则点的轨迹______________。
① 是直线;② 是曲线; ③ 不能确定;④抛物线。
2、在图<>所示圆锥摆中,球M 的质量为m ,绳长l ,若α角保持不变,则小球的法向加速度为______________。
①αsin g ;② a g cos ;③ αtg g ;④ αctg g 。
<图二.2>3、求解质点动力学问题时,质点的初始条件是用来___________。
① 分析力的变化规律; ② 建立质点运动微分方程; ③ 确定积分常数; ④ 分离积分变量。
4、如图<>所示距地面H 的质点M ,具有水平初速度0v ,则该质点落地时的水平距离l 与________________成正比。
①H ; ② 2/1H; ③2H ; ④ 3H<图二.4>三、是非题(每题2分,共20)1、只要知道作用在质点上的力,那么质点在任一瞬间的运动状态就完全确定了。
复习题及参考答案应用力学一、判断题:1.物体平衡就是指物体相对于地球处于静止状态。
(×)2.在力的作用下,若物体内部任意两点间的距离始终保持不变,则称之为刚体。
()3.约束反力的方向总是与物体运动的方向相反。
(×)4.二力杆一定是直杆。
(×)5.合力的大小一定大于每一个分力。
(×)6.当力与某一轴平行时,在该轴上投影的绝对值等于力的大小。
()7.力对点之矩与矩心位置有关,而力偶矩则与矩心位置无关。
()8.力偶对物体只产生转动效应,不产生移动效应。
()9.平面力系的二矩式方程和三矩式方程都是平面力系平衡的充要条件。
(×)10.应用平面力系的二矩式方程解平衡问题时,两矩心位置均可任意选择,无任何限制。
(×)11.应用平面力系的三矩式方程解平衡问题时,三矩心位置均可任意选择,无任何限制。
(×)12.当物体系统平衡时,系统中的任一物体也必然处于平衡状态。
()13.仅靠静力学平衡方程,无法求得静不定问题中的全部未知量。
()14.摩擦力的方向不能随意假设,它只能与物体相对运动或相对运动趋势的方向相反。
()15.静摩擦力的大小可随主动力的变化而在一定范围内变化。
()16.摩擦在任何情况下都是有害的。
(×)17.全反力与接触面公法线间的夹角称为摩擦角。
(×)18.物体放在不光滑的支承面上,就一定受摩擦力作用。
(×)19.空间的一个力F,在x轴上的投影等于零,则此力的作用线必与x轴垂直。
()20.在分析杆件变形时,力的平移定理仍然适用。
(×)21.只要杆件受一对等值、反向、共线的外力作用,其变形就是轴向拉伸(或压缩)变形。
(×)22.两根材料不同的等截面直杆,受相同的轴力作用,其长度和截面也相同,则这两根杆横截面上的应力是相等的。
(×)23.无论杆件产生多大的变形,胡克定律都成立。
(×)24.塑性材料的极限应力是指屈服极限。
计算力学试题答案1. 有限单元法和经典Ritz 法的主要区别是什么?答:经典Ritz 法是在整个区域内假设未知函数,适用于边界几何形状简单的情形;有限单元法是将整个区域离散,分散成若干个单元,在单元上假设未知函数。
有限单元法是单元一级的Ritz 法。
2、单元刚度矩阵和整体刚度矩阵各有什么特征?刚度矩阵[K ]奇异有何物理意义?在求解问题时如何消除奇异性?答:单元刚度矩阵的特征:⑴对称性⑵奇异性⑶主元恒正⑷平面图形相似、弹性矩阵D 、厚度t 相同的单元,相同⑸的分块子矩阵按结点号排列,每一子矩阵代表一个结点,占两行两列,eK eK 其位置与结点位置对应。
整体刚度矩阵的特征:⑴对称性⑵奇异性⑶主元恒正⑷稀疏性⑸非零元素呈带状分布。
的物理意义是任意给定结构的结点位移所得到的结构结点力总体上满足力和力矩的平衡。
[]K 为消除的奇异性,需要引入边界条件,至少需给出能限制刚体位移的约束条件。
[]K 3. 列式说明乘大数法引入给定位移边界条件的原理?答:设:,则将 j j a a =jj jjk k α=j jj jP k a α=即:修改后的第个方程为j 112222j j jj j j n n jj jk a k a k a k a k a αα+++++= 由于得 jj j jj j k a k a αα≈所以 j ja a ≈对于多个给定位移时,则按序将每个给定位移都作上述修正,得到全部进行修正()12,,,l j c c c = 后的K 和P ,然后解方程即可得到包括给定位移在内的全部结点位移值。
4. 何为等参数单元?为什么要引入等参数单元?答:等参变换是对单元的几何形状和单元内的场函数采用相同数目的结点参数及相同的插值函数进行变换,采用等参变换的单元称之为等参数单元。
借助于等参数单元可以对于一般的任意几何形状的工程问题和物理问题方便地进行有限元离散,其优点有:对单元形状的适应性强;单元特性矩阵的积分求解方便(积分限标准化);便于编制通用化程序。
第一章一、填空题1、一质点做圆周运动,轨道半径为R=2m,速率为v = 5t2+ m/s,则任意时刻其切向加速度aτ=________,法向加速度a n=________.2、一质点做直线运动,速率为v =3t4+2m/s,则任意时刻其加速度a =________,位置矢量x =________.3、一个质点的运动方程为r = t3i+8t3j,则其速度矢量为v=_______________;加速度矢量a为________________.4、某质点的运动方程为r=A cosωt i+B sinωt j, 其中A,B,ω为常量.则质点的加速度矢量为a=_______________________________,轨迹方程为________________________________。
5、质量为m的物体自空中落下,它除受重力外,还受到一个与速度平方成正比的阻力的作用,比例系数为k,k为正的常数,该下落物体的极限速度是_________。
二、选择题1、下面对质点的描述正确的是 [ ]①质点是忽略其大小和形状,具有空间位置和整个物体质量的点;②质点可近视认为成微观粒子;③大物体可看作是由大量质点组成;④地球不能当作一个质点来处理,只能认为是有大量质点的组合;⑤在自然界中,可以找到实际的质点。
A.①②③;B.②④⑤;C.①③;D.①②③④。
2、某质点的运动方程为x = 3t-10t3+6 ,则该质点作[ ]A.匀加速直线运动,加速度沿x轴正方向;B.匀加速直线运动,加速度沿x轴负方向;C.变加速直线运动,加速度沿x轴正方向;D.变加速直线运动,加速度沿x轴负方向。
3、下面对运动的描述正确的是 [ ]A.物体走过的路程越长,它的位移也越大;B质点在时刻t和t+∆t的速度分别为 "v1和v2,则在时间∆t内的平均速度为(v1+v2)/2 ;C.若物体的加速度为恒量(即其大小和方向都不变),则它一定作匀变速直线运动;D.在质点的曲线运动中,加速度的方向和速度的方向总是不一致的。
第一章:静力学基本概念1、只限物体任何方向移动,不限制物体转动的支座称()支座。
A:固定铰 B:可动铰 C:固定端 D:光滑面【代码】50241017【答案】A3、既限制物体任何方向运动,又限制物体转动的支座称()支座。
A:固定铰B:可动铰C:固定端D:光滑面【代码】50241037【答案】C4、平衡是指物体相对地球()的状态。
A、静止B、匀速运动C、匀速运动D、静止或匀速直线运动【代码】50241047【答案】D6.加减平衡力系公理适用于( )。
A.刚体B.变形体C.任意物体D.由刚体和变形体组成的系统【代码】50141067【答案】A7.在下列原理、法则、定理中,只适用于刚体的是( )。
A.二力平衡原理B.力的平行四边形法则C.力的可传性原理D.作用与反作用定理【代码】50141077【答案】C8.柔索对物体的约束反力,作用在连接点,方向沿柔索( )。
A.指向该被约束体,恒为拉力B.背离该被约束体,恒为拉力C.指向该被约束体,恒为压力D.背离该被约束体,恒为压力【代码】50242088【答案】B9.图示中力多边形自行不封闭的是( )。
A.图(a)B.图(b)C.图(b)D.图(d)【代码】50142026【答案】B10.物体在一个力系作用下,此时只能( )不会改变原力系对物体的外效应。
A.加上由二个力组成的力系B.去掉由二个力组成的力系C.加上或去掉由二个力组成的力系D.加上或去掉另一平衡力系【代码】50241107【答案】D11.物体系中的作用力和反作用力应是( )。
A.等值、反向、共线B.等值、反向、共线、同体C.等值、反向、共线、异体D.等值、同向、共线、异体【代码】50142117【答案】C12.由1、2、3、4构成的力多边形如图所示,其中代表合力的是( )。
A.F1B.F2C.4D. 3【代码】50142128【答案】C13.物体受五个互不平行的力作用而平衡,其力多边形是( )A.三角形B.四边形C.五边形D.六边形【代码】50141139【答案】C19.加减平衡力系公理适用于( )。
第一章一、填空题1、一质点做圆周运动,轨道半径为R=2m,速率为v = 5t2+ m/s,则任意时刻其切向加速度aτ=________,法向加速度a n=________.2、一质点做直线运动,速率为v =3t4+2m/s,则任意时刻其加速度a =________,位置矢量x =________.3、一个质点的运动方程为r = t3i+8t3j,则其速度矢量为v=_______________;加速度矢量a为________________.4、某质点的运动方程为r=A cosωt i+B sinωt j, 其中A,B,ω为常量.则质点的加速度矢量为a=_______________________________,轨迹方程为________________________________。
5、质量为m的物体自空中落下,它除受重力外,还受到一个与速度平方成正比的阻力的作用,比例系数为k,k为正的常数,该下落物体的极限速度是_________。
二、选择题1、下面对质点的描述正确的是 [ ]①质点是忽略其大小和形状,具有空间位置和整个物体质量的点;②质点可近视认为成微观粒子;③大物体可看作是由大量质点组成;④地球不能当作一个质点来处理,只能认为是有大量质点的组合;⑤在自然界中,可以找到实际的质点。
A.①②③;B.②④⑤;C.①③;D.①②③④。
2、某质点的运动方程为x = 3t-10t3+6 ,则该质点作[ ]A.匀加速直线运动,加速度沿x轴正方向;B.匀加速直线运动,加速度沿x轴负方向;C.变加速直线运动,加速度沿x轴正方向;D.变加速直线运动,加速度沿x轴负方向。
3、下面对运动的描述正确的是 [ ]A.物体走过的路程越长,它的位移也越大;B质点在时刻t和t+∆t的速度分别为 "v1和v2,则在时间∆t内的平均速度为(v1+v2)/2 ;C.若物体的加速度为恒量(即其大小和方向都不变),则它一定作匀变速直线运动;D.在质点的曲线运动中,加速度的方向和速度的方向总是不一致的。
一、问答题1.什么是流体?什么是流体微团?流体是液体和气体的总称,是由大量的、不断地作热运动而且无固定平衡位置的分子构成的,当作用力停止作用,固体可以恢复原来的形状,流体只能够停止变形,而不能返回原来的位置。
流体力学中微团是指在连续的流体中微小的质点团,它的体积可以看为无限小,它的形状视问题的需要而定,可以是四面体,也可以是六面体,还可以是其它形状。
它的起始位置也是根据问题需要而定。
在运动着的流体中,流体的微团是在不断运动和不断变形的。
或者:在研究流体的机械运动中所取的最小流体单元,它的体积无穷小却又包含无数多个流体分子。
2.什么是连续介质模型,该模型的引入对流体的研究有何意义?连续介质模型:认为流体是由无数质点(流体微团)组成、质点之间没有空隙、连续地充满其所占据空间的连续体。
物理意义:将流体看成是连续介质,描述流体运动的各物理要素可用连续函数来表征,从而利用微积分的方法研究流体的受力和运动规律。
3.作用在流体上的力分为哪些、表达式,各有何特点?根据力的作用方式不同,作用在流体上的力分为质量力(体积力)和表面力(面积力)。
质量力:是作用在流体每一个质点(或微团)上与受作用流体的质量成正比的力,常采用单位质量力的坐标分量来表示,f=Zk+Yj+Xi表面力:是作用在所考察的流体(或称分离体)表面上与受作用流体的表面积成正比的力,常用单位面积上表面力,分为切向力τ(内摩擦力)和法向力p(压强)来表示。
4.什么是流体的粘性,粘性有何特征?流体的粘性:流体内部相邻质点间或流层间存在相对运动时,在其接触面上会产生内摩擦力(内力)以反抗(阻碍)其相对运动的性质。
粘性的特征:粘性是流体的固有属性,粘性阻碍或延缓液体相对运动的过程而不能消除,静止流体的粘性无法表现表现。
5.牛顿内摩擦定律及其各项含义是什么?描述流体粘性的物理参数及其关系是什么?6.流体力学中所定义的流体力学模型有哪些,各模型的概念、物理意义是什么?7.静水压强的定义及其特性,静水压强函数的的表达式及其含义是什么?静水压强函数特点没问8.研究流体运动有哪两种方法?分别论述他们的概念与区别?9.什么是恒定流,非恒定流,?10.什么是流线和迹线,各自有何特点,相互关系如何?感觉不太对,但是百度问题一样答案就这个11.什么是随体导数、时变加速度和位变加速度?随体导数:表示流体质点在欧拉场内(见流体运动学)运动时所具有的物理量对时间的全导数。
计算力学试题答案1. 有限单元法和经典Ritz 法的主要区别是什么?答:经典Ritz 法是在整个区域内假设未知函数,适用于边界几何形状简单的情形;有限单元法是将整个区域离散,分散成若干个单元,在单元上假设未知函数。
有限单元法是单元一级的Ritz 法。
2、单元刚度矩阵和整体刚度矩阵各有什么特征?刚度矩阵[K ]奇异有何物理意义?在 求解问题时如何消除奇异性?答:单元刚度矩阵的特征:⑴对称性⑵奇异性⑶主元恒正⑷平面图形相似、弹性矩阵D 、厚度t 相同的单元,e K 相同⑸e K 的分块子矩阵按结点号排列,每一子矩阵代表一个结点,占两行两列,其位置与结点位置对应。
整体刚度矩阵的特征:⑴对称性⑵奇异性⑶主元恒正⑷稀疏性⑸非零元素呈带状分布。
[]K 的物理意义是任意给定结构的结点位移所得到的结构结点力总体上满足力和力矩的平衡。
为消除[]K 的奇异性,需要引入边界条件,至少需给出能限制刚体位移的约束条件。
3. 列式说明乘大数法引入给定位移边界条件的原理?答:设:j j a a =,则将 jj jj k k α=j jj j P k a α=即:修改后的第j 个方程为112222j j jj j j n n jj j k a k a k a k a k a αα+++++=由于得 jj j jj j k a k a αα≈ 所以 j j a a ≈对于多个给定位移()12,,,l j c c c =时,则按序将每个给定位移都作上述修正,得到全部进行修正后的K 和P ,然后解方程即可得到包括给定位移在内的全部结点位移值。
4. 何为等参数单元?为什么要引入等参数单元?答:等参变换是对单元的几何形状和单元内的场函数采用相同数目的结点参数及相同的插值函数进行变换,采用等参变换的单元称之为等参数单元。
借助于等参数单元可以对于一般的任意几何形状的工程问题和物理问题方便地进行有限元离散,其优点有:对单元形状的适应性强;单元特性矩阵的积分求解方便(积分限标准化);便于编制通用化程序。
5、对于平面4节点(线性)和8节点(二次)矩形单元,为了得到精确的刚度矩阵,需要多少个Gauss 积分点?说明理由。
111211211212222222122212222222j n j nj j jj j n j jj j n n nj n n n n k k k k a P k k k k a P k k k k a k a k k k k a P αα⎡⎤⎧⎫⎧⎫⎢⎥⎪⎪⎪⎪⎢⎥⎪⎪⎪⎪⎢⎥⎪⎪⎪⎪⎪⎪⎪⎪=⎢⎥⎨⎬⎨⎬⎢⎥⎪⎪⎪⎪⎢⎥⎪⎪⎪⎪⎢⎥⎪⎪⎪⎪⎪⎪⎪⎪⎢⎥⎩⎭⎩⎭⎣⎦1510α≈0 ()ijjjk i j k α≈≠ ()jj ij k k i j α>>≠答:对于平面4节点(线性)矩形单元:(,)i N ξη∝1,,,ξηξηT B DB 221,,,,,ξηξηξη∝ =J 常数 所以2m =因而积分点数为:22⨯矩阵对于平面8节点(二次)矩形单元:(,)i N ξη∝22221,,,,,,ξηξηξηξηT B DB 221341,,,,,,ξηξηξηη∝ =J 常数 所以4m = 因而积分点数为:33⨯矩阵⑴矩形、正方形、平行四边形=J 常数1、有限单元法的解题步骤如何?它与经典Ritz 法有何区别?答:⑴划分单元,输入结点和单元信息; ⑵单元分析:eeN K P 、、⑶整体分析:引入位移边界条件得到:=Ka P⑷求解方程得到解a⑸对位移a 结果进行有关整理、计算单元或结点的应力、应变2、总刚度矩阵[K]的任一元素k ij 的物理意义是什么?如何解释总刚度矩阵的奇异性和带状稀疏性?答:K 中元素的ij K 物理意义:当结构的第j 个结点位移方向上发生单位位移,而其它结点位移方向上位移为零时,需在第i 个结点位移方向上施加的结点力大小。
奇异性:K=0,力学意义是对任意给定的结点位移所得到的结构结点力总体上是满足力和力矩的平衡。
反之,给定任意满足力和力矩平衡的结点载荷P ,由于K 的奇异性却不能解得结构的位移a ,因而结构仍可能发生任意的刚体位移。
为消除[]K 的奇异性,结构至少需给出能限制刚体位移的约束条件。
带状稀疏性:由于连续体离散为有限个单元体时,每个结点的相关单元只是围绕在该结点周围为数甚少的几个,一个结点通过相关单元与之发生关系的相关结点也只是它周围的少数几个,因此虽然总体单元数和结点数很多,结构刚度矩阵的阶数很高,但刚度系数中非零系数却很少,即为总刚度矩阵的稀疏性。
另外,只要结点编号是合理的,这些稀疏的非零元素将集中在以主对角线为中心的一条带状区域内,即为总刚度矩阵的带状分布特性。
1 1.52m n +≥=1412.522m n ++≥==1,en e e e e T ==∑K G K G 1en e e e T ==∑P G P3、以3节点三角形单元为例证明插值函数特性11i =∑=niN,n 为节点数。
答: 图形见课本P105图3.6 由面积坐标:插值函数:i i N L =()i j m P L ,L ,L所以4、什么是等参单元?等参单元的收敛性如何?答:等参变换是对单元的几何形状和单元内的场函数采用相同数目的结点参数及相同的插值函数进行变换,采用等参变换的单元称之为等参元。
等参单元满足收敛性需满足两个条件:即单元必须是协调的和完备的。
完备性条件:要求插值函数中包含完全的线性项(包含常数项和一次项)。
协调性条件:单元边界上位移连续,相邻单元边界具有相同的结点,每一单元沿边界的坐标和未知函数采用相同的插值函数。
5、对于空间8节点(线性)和20节点(二次)六面体单元,为了得到精确的刚度矩阵,需要多少个Gauss 积分点?说明理由。
答:对于空间8节点(线性)六面体单元:(,)i N ξη∝1,,,,,,,x y z xy yz zx xyzT B DB 221,,,,,x xy xz x y ∝ =J 常数 所以2m = 因而积分点数为:222⨯⨯矩阵对于空间20节点(二次)六面体单元:(,)i N ξη∝2223332222221,,,,,,,,,,,,,,,,,,,x y z x y z x y z xy yz zx x y xy x z xz y z yz xyzT B DB 41,,,,,x xy xz x ∝ =J 常数所以4m =因而积分点数为:333⨯⨯矩阵ii A L A =(i,j,m)i =nj i j m i m i i 1+1A A A A A A A N A A A =+=++==∑(i,j,m)i =11.52m n +≥=1 2.52m n +≥=1、为什么说3 节点三角形单元是常应变单元?答:常应变单元指的是在一个单元内的应变为常数,有限元中的常应变单元指的是线性三角形单元,线性三角形单元的位移场为线性的,应变为位移的一阶导数,故为常数,因此称为常应变单元。
2.以平面4 节点双线性单元为例,说明形函数的两个重要特性。
答:图形见课件2.5矩形单元插值函数(形函数)的性质进而验证插值函数的性质:3、何为等参变换?等参元有那些优点?答:等参变换是对单元的几何形状和单元内的场函数采用相同数目的结点参数及相同的插值函数进行变换,采用等参变换的单元称之为等参元。
借助于等参元可以对于一般的任意几何形状的工程问题和物理问题方便地进行有限元离散,其优点有:对单元形状的适应性强;单元特性矩阵的积分求解方便(积分限标准化);便于编制通用化程序。
二、如图所示平面问题有限元网格,每个单元4 个节点,每个节点2 个自由度,1. 给出适当的节点编号,使总的系数矩阵的半带宽最小,并计算半带宽的值;2. 在您的节点编号下,图中节点A 的主对角线上的元素在总系数矩阵中的行号和列号如何?3. 哪几个单元对节点A 的主对角线上的系数有非零贡献?1、答:沿短边回头编号,存储量最小。
带宽的计算:(1)D =+⨯相邻结点号码的最大差值自由度2、答:由 得节点A 的主对角线上的元素11,11k 、12,12k 在总系数矩阵中的行号为11和12,列号为11,12。
()()11114N ξη=++()()21114N ξη=-+()()31114N ξη=--()()41114N ξη=+- 1 ()(,)0 ()i j jij i j N i j ξηδ=⎧==⎨≠⎩411i i N ==∑11,1111,126612,1112,12k k K k k ⎡⎤=⎢⎥⎣⎦3、答:2、3、4单元对A 的主对角线上的系数有非零贡献。
注意:杆件单元在每个节点上有1个自由度,带宽不用乘以2。
三、图示6 节点三角形单元的142 边作用有均布侧压力q ,单元厚度为t ,求单元的等效 节点载荷。
见课件2.5.3—5采用面积坐标时,单元矩阵的计算中:(2)均布侧压力q 和(4)x 方向三角形分布力中的形函数。
四、见课件3.3.31234567891011121314151234567A五、答:⑴观察插值函数,包含一次完全多项式,满足完备性要求,但其含有三次项37a ξ与38a η,此点与八点矩形单元四个边上均仅有三个点,最多满足二次项矛盾,不满足协调性,因而不满足收敛性。
⑵观察差值函数,包含一次完全多项式,多项式最高次为2,明显既满足完备性和协调性,故收敛。
第三页PDF :六、考虑等截面轴力杆单元,题图中分别示出2 节点和3 节点单元体,1. 写出它们的位移插值函数;2. 推导这两种单元体的刚度矩阵;3. 对3 节点单元体用静力凝聚法消去中间节点自由度,建立单元体刚度矩阵表达式。
解:⑴图a , 令1212212()2()x x x x x x x x Lξ-+-+==-,则有121,1,11ξξξ=-=-≤≤。
故有,(1)211121()()(1)2N l ξξξξξξξ-===--,(1)122211()()(1)2N l ξξξξξξξ-===+-。
图b ,令1212312()2()x x x x x x x x Lξ-+-+==-,则有1231,0,1,11ξξξξ=-==-≤≤。
故有,(2)23111213()()1()()(1)()()2N l ξξξξξξξξξξξξ--===---(2)213222123()()()()1()()N l ξξξξξξξξξξξ--===---(2)12313132()()1()()(1)()()2N l ξξξξξξξξξξξξ--===+--⑵图a :有应变矩阵12122dNdN dN dN d dN B LN dxdx d d dx d Lξξξξ⎡⎤⎡⎤====⎢⎥⎢⎥⎣⎦⎣⎦。
[]0011211T TLLL eTdN dN EA dN dN EA K B DBdx EA dx d dx dx L d d L ξξξ-⎡⎤====⎢⎥-⎣⎦⎰⎰⎰。