物料、中间产品、成品放行管理程序SOP
- 格式:docx
- 大小:8.25 KB
- 文档页数:2
1.0目的和范围规范公司的原辅材料、中间体和产品放行的管理要求。
适用于原辅材料、中间体和产品放行的管理。
2.0职责2.1 QA负责对公司原辅材料、部分中间体和产品的放行。
2.2 QA负责产品生产过程质量确认,批生产记录审核确认,批检验记录审核确认。
2.3 QC负责对原辅材料、部分中间体和产品的检验,并整理、审核批检验记录。
2.4生产车间负责对公司自用的中间体放行。
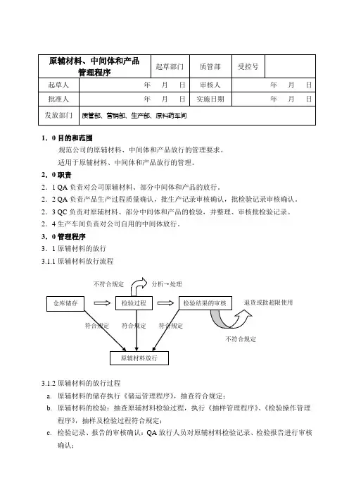
3.0管理程序3.1原辅材料的放行3.1.1原辅材料放行流程3.1.2原辅材料的放行过程a.原辅材料的储存执行《储运管理程序》,抽查符合规定;b.原辅材料的检验:抽查原辅材料检验过程,执行《抽样管理程序》、《检验操作管理程序》,抽样及检验过程符合规定;c.检验记录、报告的审核确认:QA放行人员对原辅材料检验记录、检验报告进行审核确认;d.原辅材料的放行3.1.3“QA放行证”的发放a.对于准予放行的原辅材料,QA放行人员据原辅材料数量签发“QA放行证”交与营销部,由仓库保管员张贴在原辅材料外包装的明显处。
“QA放行证”内容:3.2中间体、产品的放行。
3.2.1中间体、产品的放行流程图(见下页)3.2.2产品生产过程质量确认a.QA质量员根据《生产过程质量监督管理程序》对产品生产过程质量进行监督,并填写《生产过程监督记录》和《产品放行记录》。
3.2.3批生产记录审核确认a.QA质量员根据《生产过程质量监督管理程序》对产品批生产记录审核确认,并填写《批生产记录审核确认记录》。
3.2.4批检验记录、检验报告的审核确认a.QA质量员审核批检验记录、检验报告。
中间体、产品的放行流程图:b.若以上内容符合规定,在《批检验记录》上签字确认后,填写《产品放行记录》,并在检验报告上加盖“QA放行章”,放行该批产品;c.若生产过程审核确认记录、批生产记录确认记录、批检验记录、检验报告审核确认记录,出现任何一方不符合规定,必须进行偏差调查,采取纠正预防措施。
审核放行管理规程1.主题内容与适用范围1.1本标准规定了物料、中间产品、成品审核放行管理的内容与要求。
1.2本标准适用于物料、中间产品、成品放行审核的管理。
2.职责:2.1质量受权人、转受人及其质保部QA(放行审核人)对本标准的执行负责。
2.2物料、中间产品、成品仓管人员对本标准的执行负责。
2.3质量受权人负责检查本标准的执行情况与监督管理。
3.管理内容与要求3.1管理的基本要求3.1.1质量管理部门应有物料和中间产品使用、成品放行的决定权。
3.1.2药品放行前应由质量管理部门对有关记录进行审核。
审核内容应包括:配料、称重过程中的复核情况;各生产工序检查记录;清场记录;中间产品质量检验结果;偏差处理;成品检验结果等。
符合要求并有审核人员签字后方可放行。
3.1.3负责审核工作的人员应熟悉GMP,并具有一定的药学专业知识和实践经验。
3.1.4物料、中间产品、成品必须检验合格,经质量保证部人员审核,放行人批准后方可放行。
3.2放行决定权3.2.1 A级物料由质量受权人批准放行;B、C级物料由质量转受人批准放行。
3.1.2中间产品经质量保证部受权人员批准放行,质量保证部授权车间质量监督员(QA)为中间产品审核放行人员。
3.1.3成品由质量受权人批准放行。
3.3物料审核放行程序及要求3.3.1质量控制室完成物料检验后,由质量控制部负责人对物料批检验记录审核,填写批检验记录审核表并签字,交质保部QA(放行审核人)进行审核签字,并由质量保证部经理审核签字。
3.3.2物料放行前除应对物料批检验记录进行审核外,还应对物料仓储记录等相关文件进行审核,填写物料审核放行记录并签字,经质量保证部经理审核签字后,A级物料交质量受权人、B或C级物料交质量转受人批准放行。
3.3.3质保部QA(放行审核人)根据放行人批准意见,同意放行的填写物料放行证(合格证),经放行人签字后,连同物料检验报告单交物料仓库,该批次物料方可发放使用(放行)。
目的:建立物料、中间产品、成品放行的管理程序,防止不合格的物料投入生产、不合格的中间产品流入下工序、不合格的成品出厂。
适用范围:适用于本厂进厂物料、车间中间产品及成品的管理。
责任:QA、QC 实验室、仓储部门、生产部门有关人员。
内容:
1.物料的放行:
(1)物料进库后,由仓库管理员通知QC 实验室取样检验。
(2)检验合格后,由QC 实验室主管签发合格检验报告单。
无合格报告单的物料一律不准投入生产。
2.中间产品的放行:
(1)车间生产的中间固体产品,应放置于中间站或规定区域,做好待检标识,写明品名、规格、批号、生产日期、数量。
(2)车间及时通知QC 实验室取样检验。
(3)待检验结果出来,经QC 复核无误后,在生产记录上签字放行进入下一道工序。
(4)待包装产品由质检部通知生产部包装后,产品才可进入包装工序。
(5)如果是液体,车间直接通知QC取样分析,分析符合标准直接在生产记录上签字放行。
3.成品的放行:
(1)批生产完成后,由车间通知交质检部QC 取样全检。
(2)化验员按照检验操作规程逐一检验,并记录。
(3)检验合格后由化验员填写成品检验报告单,经QC复核无误后,QA负责人在报告书上签字,同时在报告书上盖上检验专用章。
产品检验报告单作为成品入库的凭证。
(4)由产品放行受权人负责成品的放行,放行前需检查有无产品合格检验报告单,并检查批生产记录、质量监控记录等,在产品放行单上签章放行。
只有收到成品放行单后,成品才可出库销售。
4.对于经检验后不合格的物料、中间产品、成品按不合格品的控制程序执行。
物料、中间产品、成品放行管理制度1. 引言为了确保物料、中间产品、成品的质量,避免在生产过程中出现质量问题,特制定本管理制度。
2. 适用范围本管理制度适用于公司所有物料、中间产品、成品的放行管理。
3. 定义•物料:公司用于生产的原材料。
•中间产品:公司生产过程中形成的半成品。
•成品:公司生产过程中制成的最终产品。
4. 风险评估在放行物料、中间产品、成品的过程中,可能存在以下风险:1.物料、中间产品、成品质量问题,导致生产效率下降、产品质量下降,给公司带来经济损失。
2.放行不到位,导致产品出现严重质量问题,造成公司信誉受损、产品安全问题等严重后果。
5. 放行管理流程5.1. 物料放行管理1.QA部门对到货的物料进行质量检查,合格的物料方可进行入库放行。
2.物料入库时需要做相应记录,并对物料价格、数量等信息进行记录。
3.入库记录需要保存3年以上,方便追溯。
5.2. 中间产品放行管理1.生产过程中,各工序需要进行自检、互检和专检,确保质量符合标准。
2.生产线结束后,由QA部门进行确认放行。
5.3. 成品放行管理1.生产结束后,将成品移交至QA部门进行确认放行。
2.QA部门对成品进行质量检查,合格的成品方可进行出库放行。
3.出库记录需要保存3年以上,方便追溯。
6. 放行管理的责任划分1.QA部门负责对物料、中间产品、成品的放行管理。
2.生产部门负责制定产品生产规范和操作规程,并保证生产过程中的质量管理。
3.仓库管理员负责对物料、成品的入库和出库进行记录,并保存相应文档。
7. 放行管理的监督1.公司内部审核人员对放行管理制度的执行情况定期抽样检查。
2.审核结果以报告形式向公司领导层报告。
3.QA部门需在每个季度结束前,对过去三个月内放行的物料、中间产品、成品进行数据分析和汇总,及时发现并整改问题。
8. 结束语本管理制度的制定旨在确保物料、中间产品、成品的质量,提高公司生产效率和产品质量,保证公司信誉和产品安全。
物料中间产品成品放行管理制度物料、中间产品和成品的放行管理制度是企业生产运营中非常重要的一环。
通过建立和完善这一制度,可以确保企业生产过程中物料、中间产品和成品的质量、数量和安全。
下面是一份基本的物料、中间产品和成品放行管理制度,供参考:一、目的和范围1.目的:建立物料、中间产品和成品放行管理制度,确保物料的质量、中间产品的质量和数量以及成品的质量和安全,保证生产过程的顺利进行。
2.范围:适用于我司所有生产、仓储和物流过程中的物料、中间产品和成品的放行管理。
二、管理责任1.生产部门:负责物料和中间产品的接收、检验和放行。
2.资材部门:负责物料的采购、入库和仓储,保证供应及时、数量准确。
3.质量部门:负责监督和检验物料、中间产品和成品的质量,并保证质量记录完整。
4.仓储部门:负责物料、中间产品和成品的仓储管理,确保数量和质量的准确。
三、放行流程1.物料放行流程(1)采购员确认物料需求,并向供应商提出采购订单。
(2)供应商交付物料,资材部门验收物料外观质量和数量是否与订单一致。
(3)验收合格的物料由资材部门按照规定放行,并进行标记。
(4)被标记为不符合质量要求的物料,需进行退货处理,退货流程按照退供货流程执行。
2.中间产品放行流程(1)生产部门制定中间产品生产计划,并按计划生产。
(2)生产完成后,生产部门将中间产品移交给质量部门进行抽样检验。
(3)质量部门对抽样的中间产品进行检验,并记录检验结果。
(4)检验合格的中间产品由质量部门放行,并进行标记。
(5)被标记为不合格的中间产品,生产部门需进行返工或报废处理。
3.成品放行流程(1)生产部门按照生产计划进行成品生产。
(2)生产完成后,生产部门将成品移交给质量部门进行全面检验。
(3)质量部门对成品进行全面检验,包括外观质量、功能性能、安全性等。
(4)检验合格的成品由质量部门放行,并进行标记。
(5)被标记为不合格的成品,生产部门需进行返工或报废处理。
四、记录与管理1.物料、中间产品和成品的放行记录由质量部门负责登记和管理。
产品放行管理制度一、目的建立物料、中间产品、成品放行的管理程序,防止不合格的物投入生产不合格的中间产品流入下工序、不合格的成品出厂。
二、范围适用于本厂进厂物料、车间中间产品及成品的管理。
三、职责1、品质部:负责物料、中间产品、成品的检验。
2、仓储部:负责物料保管、领用,待检产品的标识,产成品的储运。
3、生产车间:负责中间产品的生产、调整。
四、内容1、来货放行1.1 原辅料、包装材料到达后,保管员按送货单验证产品名称、品种数量,对其外观质量及包装进行验收,通知QC对来料进行检验验收。
1.2 由QC检查来料生产厂的产品合格证或原料产地声明,根据公司原辅料、包装材料《检验计划》进行检验并填写《进货质量检验(验证)记录》,检验合格通知仓管员准予入库。
1.3 仓管员做好原辅料、包装材料的入库工作,认真填写《入库单》,详细记录名称、数量、生产日期或生产批号、进货日期以及供货商。
1.4 对检验不合格的物料通知保管员立即标识、隔离,拒绝入库,并通知采购部办理退货,向质量负责人汇报质量情况,执行《不合格品控制程序》。
2、中间产品2.1 各工序操作人员按照工艺要求进行生产,本工序加工完成,通知QC人员进行检验。
2.2 QC人员按照《检验规程》的要求,对生产过程进行检验。
所有检验项目符合要求,QC盖合格确认后允许进入下一工序。
2.3 生产主管仔细核查中间产品检验结果、监控标识状态。
3、成品放行2广州xxxxx有限公司3.1 每批生产完成后,保管员对产品进行清点,做“待检”标识。
3.2 质检员按照《检验计划》对待检产品进行全项检验,开具产品检验报告单。
3.3 品质主管核实该批产品生产加工过程:要求原辅料有合格检验报告单;质控点记录完整、正确;中间产品、成品检验结果在规定范围之内,开具产品放行通知单;通知库房可以办理入库手续。
3.4 产品出厂必须实行批批检验,原始记录和检验报告格式规范完整,检验数据准确,填写正确,QC开具《产品出厂检验报告单》,经品质主管复核无误签字确认,同时在报告单上盖上“质检专用章”后才可放行。
成品仓库SOP操作程序一、目的本规定是为了提高仓库管理水平,加强成品出库、入库和退库的规范性,保证物资的安全,提高仓库周转率。
二、范围适用于成品仓库的管理三、内容1.入库1.1仓管员接收到车间《入库转序单》,确认产品订单号、产品名称、项目名称、数量等信息正确完整。
1.2仓管员与车间人员清点数量,签字确认。
1.3仓管员协同搬运人员将入库成品摆放至对应库位。
1.4仓管员依据《入库转序单》录入到ERP系统,并打印入库单。
1.5车间人员在入库单上签字确认,仓管员将《入库转序单》白红联和入库单黄联传递给车间人员,将入库单红联传递给财务人员。
2.出库2.1仓管员接收《销售发货单》或《售后发货单》,确认是否有销售部、财务部相关人员以及总经理的签名。
2.2仓管员按照《销售发货单》或者《售后发货单》配货,协同搬运人员将成品摆放至发货区。
2.3仓管员通知成品品检按照《销售发货单》或者《售后发货单》复核并签字确认。
2.4仓管员与第三方物流人员清点数量签字确认,通知装卸组长组织人员装车,开具放行条。
2.5仓管员按照《销售发货单》或《售后发货单》在ERP系统中出库。
2.6仓管员将《销售发货单》或《售后发货单》的两联传递给物流人员,一联传递给财务人员,一联给销售人员,一联留底以便以后查询。
3.退库3.1仓管员在ERP系统中红字入库,并打印入库单。
3.2仓管员协同车间人员将成品搬运至车间清点数量,要求车间人员在入库单上签字确认。
3.3仓管员将入库单红联传递给财务人员,黄联传递给车间人员,白联留底以便日后查询。
4.盘点4.1做好盘点计划。
4.2盘点前,做好原材料仓库的清洁与整理、盘点工具的准备、盘点区域的划分。
4.3盘点时,各区域经办人协助稽核人员现场清点,如稽核人员盘点数量与仓储部盘点的结果不一致,则应安排相关人员再次进行盘点。
4.4盘点后,各区域经办人整理相关资料,撰写《盘点结果报告》。
5.报废5.1呆滞物料报废需由仓管员开具报废单,经仓储部经理、品质部经理、生管部经理、生产部经理、财务部经理、分厂总经理、总经理签字确认,由仓储部门按照报废单结果执行。
目的:建立成品出厂前的放行管理规程,以确保产品质量。
范围:公司成品出厂前放行审核的管理。
责任者:质量受权人对本规程的实施负责。
内容:1每批成品放行前,各相关负责人应承担审核的职责,以确保产品质量的有效性与安全性。
2计划物控部负责人的审核内容应包括:2.1 供应商采购的物料是否是经批准的供应商;供应商是否提供检验报告书。
2.2 物料的接受物料接受是否对品名、规格、批号、数量等进行核对;物料接受后是否按sop进行管理与请验。
2.3 物料的贮存物料贮存是否符合相应的贮存条件;物料的状态是否与检验报告单的结论一致。
2.4 物料的发放物料是否处于合格状态并处于放行状态;物料是否处于效期内; 物料发放是否按照“先进先出”或“近效期先出”原则执行;物料发放是否与领料单进行核对并签字确认。
2.5 物料发放后是否做好物卡记录并检查物卡品名、规格、数量等一致;是否做好物料的封存保管工作。
2.6 计划物控部审核无误后,将审核结果填写在成品放行审核单上并签名,将成品放行审核单、批生产记录与批包装记录交与生产管理部经理。
3生产管理部经理的审核内容应包括:3.1生产物料所用物料有无合格检验报告单,物料领用数量与领料单相符;配方与工艺规程是否相符,称量准确并有操作人、复核人签名;投料量符合现行工艺规程, 投料次序正确,工艺参数控制规范。
3.2 批生产记录有批生产指令、记录及时、内容齐全、书写规范、数据完整,有操作人、复核人签名;生产过程符合工艺要求,生产与设备状态、清场合格证等均符合要求;中间产品得到控制并有合格检验报告单。
3.3 批包装记录所用说明书、标签、合格证均正确,打印批号及有效期正确;具有批包装指令,记录齐全、书写正确、数据完整,有操作人、复核人签名。
3.4 物料平衡物料平衡计算公式正确;各工序物料平衡结果符合规定。
3.5 偏差与变更处理生产偏差、变更是否执行相应的处理程序,处理结果是否符合要求。
3.6 生产管理部审核无误后,将审核结果填写在成品放行审核单上并签名;将成品放行审核单、批生产记录与批包装记录交与QC 主管。
1.目的:建立物料、产品审核放行标准操作规程,完善物料、产品审核放行工作。
2.适用范围:物料、中间品、成品的审核放行。
3.责任:仓库保管员、QC负责人、车间负责人、质管科负责人对本规程的实施负责。
4.内容:4.1 物料审核放行流程4.2 成品审核放行流程4.3 各级放行人员职责仓库负责对入库物料进行初验。
◆化验室负责检验过程和检验结果的审核。
◆生产车间负责产品生产过程的审核。
◆质管科质量审核员负责物料、产品放行前的审核。
◆转受权人负责所用物料、包装材料的审核结果评估和批准放行。
◆质量受权人负责产品的审核结果评估和批准放行。
4.4 物料审核放行程序◆物料进厂,供应科及时填写《来货通知单》,仓库按《物料接收管理规程》对来货进行初验、贮存,并做好初验记录。
◆初验合格后填写《请验单》,交化验室取样检验,不合格物料拒收。
◆化验室接到请验单,及时到仓库取样,取样严格按照4《取样管理规程》进行,并对检品按内控质量标准、检验操作规程进行检验、记录。
检验结果异常按《OOS调查处理管理规程》进行处理,检验结果确认后,出具检验报告,填写《批检验过程审核表》,交QC负责人进行审核签字后,将检验记录和《批检验过程审核表》交给质量管理科审核员,同时在《记录送审登记表》上登记备查。
◆QC负责人对检验记录进行审核,并对检验过程和检验结果的正确性作出判断,审核内容有:●取样操作符合规定,取样记录完整准确,样品按规定储存条件存放,请验单完备;●检验是严格依照经过验证的分析方法的规定进行的,有法定标准的按法定标准进行检验,不再进行验证;●所有的检验均完成,检验记录内容完整,检验结果己复核,检验报告单打印内容及签章完整,内容和结论准确,记录内容和报告单内容相一致;●记录中计算过程经复核无误,复核人签字齐全。
记录中的原始图谱齐备,有检验人签名及日期,原始数据图谱与记录数据相一致;●检验过程中是否存在试液、仪器、对照品、执行SOP等方面的偏差;●检品己按规定的数量和保存位置进行了留样。
1 目的制定本文件规定了物料、产品放行的流程,防止不合格的物料、产品投入使用或销售。
2 适用范围本规程适用于原辅料、包装材料、半成品、成品的放行操作3 责任生产负责人:负责审核半成品、成品的批生产记录。
质量保证部:负责审核原辅料、包装材料的供应商检验报告单和审核物料接收记录及原辅料、包装材料的现场审核。
质量受权人:负责批准原辅料、包装材料、半成品和成品的放行或拒绝放行。
4 内容4.1 物料、产品放行原则4.1.1 物料、产品的放行要保证物料、产品及其生产过程符合相应的法规要求和质量标准;4.1.2 物料、产品的放行要明确放行的对象、放行的职责和放行的流程;4.1.3 物料、产品放行时,所有的偏差、变更和检验结果超标等情况均按相关规定处理完毕。
4.2 流程图4.2.1 原辅料、包装材料放行流程图4.2.2 半成品、成品放行流程图4.3 放行职责4.3.1 质量受权人4.3.1.1 负责批准原辅料、包装材料、半成品和成品的放行或拒绝放行;4.3.1.2 质量受权人批准放行时应保证以下内容符合要求:——产品生产和检验均符合相关法规和注册要求;——产品的生产过程符合要求;——产品符合相应的质量标准;——产品相关的所有偏差、变更和OOS都经过相应的调查和处理;——需要经医疗器械监督管理部门批准的重大变更已经上报并得到批准;——完成所有必要的检验;——所有的必要的生产和检验文件已经完成,并被批准;——判断生产和检验文件的结果符合要求;——物料和产品均按要求留样;——产品使用的原辅料、包装材料等符合注册批准的要求和质量标准;——确保相关人员经过必要的培训并考核合格;——确保关键设备、生产工艺、检验仪器、检验方法经过确认或验证,并在效期内;——考虑其他可能影响产品质量的因素。
4.3.2 质量保证部4.3.2.1 负责审核原辅料、包装材料的供应商检验报告单和审核物料接收初检记录及原辅料、包装材料的现场审核;4.3.2.2 负责审核半成品、成品的批生产记录;4.3.2.3 负责半成品、成品生产过程监控回顾;4.3.2.4 质量保证部在物料、产品放行审核过程中,应确保以下内容符合要求;——物料、产品符合相应的审核标准;——所有偏差、变更、检验结果超标等异常情况均得到处理、风险评估和批准;——按有关标准操作规程对外包装材料进行检验放行和留样,完成内包装材料常规质量检查、留样和最终放行审核。
SOP仓库管理操作流程
一、仓库入库操作流程
1.收货确认:收到货物后,核对物料清单,确保无误。
2.分类登记:将货物按照分类进行登记,标明货物名称、数量、生产日
期等信息。
3.入库存放:将货物按照分类、尺寸等特征放置到指定位置,并记录存
放位置信息。
4.入库盘点:完成入库后,进行盘点确认,确保库存信息准确无误。
二、仓库出库操作流程
1.领料申请:根据需求部门需求,填写领料申请单,并核对申请物料信
息。
2.出库操作:按照领料单信息,到仓库取货,核对物料信息,并记录出
库数量。
3.物料发放:发放物料给领料部门,确认领料部门签收。
4.出库记录:记录出库信息,包括出库数量、日期、领料部门等。
三、库存管理操作流程
1.定时盘点:每日对仓库进行盘点,核对实际库存与系统库存是否一致。
2.库存调整:发现库存异常时,及时调整库存信息,确保库存准确。
3.超期处理:定期检查库存中的物料是否超期,做好超期物料的处理工
作。
4.库存报表:定期生成库存报表,分析库存情况,为后续采购和管理提
供参考依据。
以上即为SOP仓库管理操作流程,通过严谨的操作和规范流程,能有效提高仓库管理效率,降低出错率。
物料与产品放行管理程序1.目的:规范物料和产品的放行管理,防止不合格物料投入生产,不合格的中间产品流入下工序,不合格的成品出厂。
2.范围:生产用原材料、包装材料、中间产品、成品的放行管理。
3.职责:3.1工艺员:严格按该程序对本车间批生产记录进行审核,保证生产过程符合工艺要求。
3.2生产部经理:严格按该程序对整个批生产记录进行审核,保证生产过程符合工艺要求。
3.3库房管理员:严格按该程序对进厂物料进行验收,保证存储过程符合要求。
3.4物资部经理:严格按该程序进行物料采购和审核,保证来源符合规定。
3.5 质量管理员:严格按该程序对批生产记录进行审核,保证出厂产品符合标准要求。
3.6 QA现场监控员:严格按该程序对批生产记录进行审核,保证出厂产品符合标准要求,凭借生产过程符合及检验报告批准中间物料及中间产品的放行。
3.7质量部经理:严格按《物料与产品放行审核SOP》审核,填写成品放行审核单并批准成品放行。
4.内容:4.1定义4.1.1物料:指原材料和包装材料等。
4.1.2产品:包括中间产品和成品。
4.1.3放行:对一批物料或产品进行质量评价,作出批准使用或投放市场或其他决定的操作。
4.2各部门在放行中的责任4.2.1质量经理4.2.1.1保证产品符合要求4.2.1.2保证产品的生产符合《医疗器械生产质量管理规范》的要求。
4.2.1.3保证产品符合相应的质量标准。
4.2.1.4签署审核放行单。
4.2.1.5保证产品相关的所有偏差、变更和OOS都经过相应的调查和处理。
4.2.1.6保证需要经市场监督管理部门批准的重大变更已经上报并得到批准。
4.2.1.7 保证完成所有的必要检验。
4.2.1.8保证所有的必要生产和检验文件已经完成,并被批准。
4.2.1.9判断和评价生产和检验文件的结果。
4.2.1.10考虑其他可能影响产品质量的因素。
4.2.1.11决策产品放行或物料拒收。
4.2.2质量部4.2.2.1保证物料符合相应的放行标准。
文件制修订记录1.0目的对原料、包材进行控制,确保质量符合规定的要求,防止不合格品流入或投入使用。
对产品进行监视和测量,以防止不合格品的转序和错误使用。
2.0适用范围适用于化妆品物料、中间产品和成品的放行审核。
3.0职责生产部:负责相关记录的填写与搜集。
各部门:负责完成各环节的记录和移交。
质量负责人和品质部:负责物料、中间产品和成品的审查和放行审批,并审核批记录。
4.0内容4.1品质部门独立行使物料、中间产品和成品的放行权。
4.2企业对原料、包材、半成品和成品实施检验,只有经过检验检查合格后方可进行下一流程,确保只有经放行的物料才能用于生产,具体参考《检验管理程序》。
如需要让步接受,经品质部门评估质量无风险后,才能用于生产,否则按《不合品控制程序》执行。
4.3成品放行前,品质部检查所有相关的生产和质量活动记录,以确保过程中的偏差都经过处理。
4.4紧急放行作业。
(除材料外,其他半成品、成品无紧急放行作业)4.4.1因生产急需来不及进行检验的原材料,可由来料检验人员进行取样,巡回检查、确认。
4.4.2检验员对紧急放行材料样品进行检验,合格时则及时通知生产部,并取消“紧急放行”标识,换上“合格”标签。
4.4.3若检验不合格,则通知生产部门,将用该批“紧急放行”材料所生产的半成品/成品,及未生产的原材料部分换成“不合格”标识且停止使用,并按《不合格品控制程序》相关规定处理。
4.5产品的合法性技术部、质量负责人或品质部要确认产品的合法性,内容包括:4.5.1生产特殊用途化妆品是否有有效许可批件。
4.5.2非特殊用途化妆品是否经备案。
4.5.3产品包装标签是否符合法律法规要求。
4.5.4《化妆品生产许可证》是否在许可有效期限内。
4.5.5生产项目是否超出行政许可范围。
4.5.6生产的产品符合产品签样标准。
4.6每批物料及成品放行的批准4.6.1成品放行前批生产记录及批包装记录的复核工作首先由生产部授权人担任,授权人应熟悉生产工艺规程,且具有相当的化妆品专业知识和实践经验。
目的:建立物料、中间产品、成品的质量标准及放行的管理程序,防止不合格的物料投入生产、不合格的中间产品流入下工序、不合格的成品出厂,特制订本制度。
范围:适用于本厂进厂物料、车间中间产品及成品的管理。
责任:质量部、生产部、质监科、生产车间、生产车间有关人员。
内容:1制订物料、中间产品、成品的质量标准的依据1.1物料的质量标准依据中华人民共和国药典或国标、企标及相关的标准制订,具体见《原辅料质量标准》、《包装材料质量标准》。
1.2中间产品的质量标准依据企业标准的内容制订公司的内控质量标准,具体件《各产品的内控质量标准》。
1.3产品的质量标准是依据保健食品批件的技术要求制订的各产品的企业标准,具体内容见《产品质量标准》。
2物料的放行:2.1每批物料放行前,质量部对物料厂家资质、生产商的检验报告、产品包装、取样、物料进厂检验记录、报告单等审核无误后签名放行,否则不准放行。
2.2物料放行前由质量部审核,审核内容包括:2.2.1供货单位是否为“合格供应商目录”中厂家。
2.2.2 是否有生产商的检验报告,内、外包装是否完整、严密、洁净。
2.2.3 执行批准的取样规程、取样证填写正确完整。
4.2.2.4 是否按规定的检验方法检验,是否按检验操作规程检验,检验记录、报告单填写真实、正确、完整。
2. 3 质量部审核人员审核完成后,填写物料放行审核记录连同相关记录一并交质量受权人审核。
2.4 质量受权人对物料放行单与物料检验报告单进一步审核无误后签名放行。
2.5 QA将物料审核放行单及检验报告单、合格证一同交仓库保管员。
3中间产品的放行3. 1 中间产品由质量部取样员取样,取样后交质检科QC检验。
中间产品放行前,QA审核该工序生产记录和检验记录,经审核无误后发检验报告单及合格证放行,否则不准流入下道工序。
3.2中间产品由QA审核,内容包括:3.2.1 生产过程是否符合GMP要求、符合工艺要求3.2.2 操作是否执行操作规程3.2.3 配料、称量过程是否经复核人复核3.2.4 物料平衡是否符合规定。
文件内容:一、目的......……………………………………………………………………………..………二、适用范围.....…………………………………………………………………………..…….三、责任…………………………………………………………………………..……………四、操作规程…………………………………………………………………………………..五、引用文件…………………………………………………………………………………….六、附件………………………………………………………………………………………….七、文件变更记载及原因………………………………………………………………………分发清单:质量技术部机密等级:非机密一、目的:建立物料批质量评价标准和放行程序,确保物料放行正确无误。
二、使用范围:适用于对本公司生产用物料的质量评价与放行操作。
三、职责:质量技术部、生产部、仓库等对本规程实施负责。
四、规程:1、定义:物料:指原料(含中间体提取物、购进原料)、辅料和包装材料(含与药品直接接触的包装材料和印刷包装材料)。
2、操作规程:2.1新购进物料的评价与放行2.1.1评价项目及标准2.1.1.1物料的接收与验收●根据物料《合格供应产目录》确定是否来自于经批准的物料供应商。
●根据《物料接收记录》评价物料是否正确接收:外包装容器的完整性、密封性;外包装容器的标识信息正确性、完整性;随货同行文件的齐全性。
●重点评价内容:外包装容器的标识信息正确性、完整性内容:名称、贮藏条件、生产日期、产品批号、有效期、执行标准、批准文号、生产企业,同时还需注明运输注意事项等,尤其是评价执行标准是否与检验报告书相关内容一致;批准文号是否与相关注册批件或证明性文件一致性等。
供应商(主要是指生产商)的检验报告书内容:名称、规格、批号、数量(批量与供应量之间的合格性)、生产日期、有效期等是否与实物标识一致;检验数据结果是否符合标准规定(包括是否符合本公司的内控采购标准)。
物料中间产品成品放行管理制度目的:确保公司的物料、中间产品和成品能够按照规定的程序和标准进行放行,以保证产品质量和安全,提高生产效率。
范围:适用于公司所有物料、中间产品和成品的放行管理。
定义:1.物料:指作为生产过程中所使用的原材料、辅助材料、工具等物品。
2.中间产品:指生产过程中形成的未完成的产品,需要经过后续加工才能成为最终产品。
3.成品:指经过所有生产工序加工完成,达到具备使用价值并符合质量要求的产品。
职责和权限:1.生产部门负责对生产过程中的物料和中间产品进行检查,并将合格物料和中间产品报告给质量部门。
2.质量部门负责对合格物料和中间产品进行检验和放行,并记录相关信息。
3.仓库部门负责对成品进行检查和放行,并记录相关信息。
流程:1.物料放行管理:a.供应商将物料送达公司仓库,仓库员进行初步验收。
b.仓库员将验收后的物料样品送交质量部门进行检验。
c.质量部门进行物料检验,并将检验结果记录。
d.合格的物料进入物料库存,并记录入库信息。
e.不合格的物料按照不合格品管理制度进行处理。
2.中间产品放行管理:a.生产过程中,每个生产环节负责人对中间产品进行自检。
b.生产环节负责人将自检后的中间产品提交给质量部门进行检验。
c.质量部门进行中间产品检验,并将检验结果录入质量记录。
d.合格的中间产品进入下一个生产环节,不合格的进行返工或处理。
3.成品放行管理:a.生产完成后,生产部门将成品送到仓库。
b.仓库员对成品进行外观检查和数量核对。
c.仓库员将外观检查合格的成品报告给质量部门。
d.质量部门对合格的成品进行质量检验,并记录检验结果。
e.合格的成品入库,并进行质量记录,不合格的成品按照不合格品管理制度进行处理。
4.放行记录管理:a.质量部门负责对物料、中间产品和成品的放行进行记录。
b.记录内容包括:物料/中间产品/成品名称、规格、批次号、放行时间、放行人员等信息。
c.放行记录必须真实准确,不得篡改或删除。
物料、中间产品、成品放行管理程序SOP
目的:建立物料、中间产品、成品放行的管理程序,防止不合格的物料投入生产、不合格的中间产品流入下工序、不合格的成品出厂。
适用范围:适用于本厂进厂物料、车间中间产品及成品的管理。
责任:QA、QC实验室、仓储部门、生产部门有关人员。
内容:
1.物料的放行:
(1)物料进库后,由仓库管理员填写物料请检单,交QC实验室取样检验。
(2)检验合格后,由QC实验室主管签发合格检验报告单。
无合格报告单
的物料一律不准投入生产。
(3)QA监督员在物料发放时,核查有无此批物料的合格检验报告单,并在需料领料单上签字放行。
2.固体制剂中间产品的放行:
(1)车间生产的中间产品,应放置于中间站或规定区域,做好待检标识,写明品名、规格、批号、生产日期、数量。
(2)车间及时填写中间产品请检单,交QC实验室取样检验。
(3)待检验结果出来,经QC实验室主管复核无误后,签发中间产品报告单。
(4)由QA监督员仔细核查中间产品的标识、中间产品合格报告单等,签
字后方可进下一工序的操作。
待包装产品还需由QA负责人(或其受权人)签发产品包装通知单,产品才可进入包装工序。
3.成品的放行:
(1)批生产完成后,由车间填写成品请检单交QC实验室取样全检
(2)化验员按照检验操作规程逐一检验,并记录。
(3)检验合格后由化验员填写成品检验报告单,经QC实验室主管复核无误后,QA负责人在报告书上签字,同时在报告书上盖上检验专用章。
并签发批合格证,产品检验报告单和批合格证作为成品入库的凭证。
(4)由产品放行受权人负责成品的放行,放行前需检查有无产品合格检验报告单,并检查批生产记录、质量监控记录等,在产品放行单上签章放行。
只有收到成品放行单后,成品才可出库销售。
4.对于经检验后不合格的物料、中间产品、成品按不合格品的管理制度执行。