数字调制与解调实验报告
- 格式:docx
- 大小:1.71 MB
- 文档页数:9
信号的调制解调实验报告一、实验目的:1、了解几种基本的信号调制解调原理;2、掌握用数字信号处理的方法实现模拟电路中信号的调制与解调的方法;3、通过理论推导得出相应结论,利用Matlab作为编程工具进行计算机验证实现,加深理解,建立概念。
二、实验原理:1.幅度调制用一个信号(称为调制信号)去控制另一个信号(称为载波信号),让后者的某一特征参数如幅值、频率、相位,按前者变化的过程,就叫调制。
图3-1 低频信号经高频载波信号调制波形图式中m是调幅波的调制系数(调幅度)。
同时当m<1时,实现了不失真的调制,而当m>1时,调制后的波形包络线,将与调制波不同,即产生了失真,或称超调。
利用三角公式将调制波表达式展开,可得上式表明,载波信号经单一信号调制后将出现三个频率分量,即载波频率分量fc,上边频分量fc+F,下边频分量fc-F。
其频谱图如图所示:图3-2 载波信号经单一信号调制后的频谱图由频谱图可见,幅度调制在频域上是将调制信号F搬移到了载频的两边,其实质是一种频率变换。
其带宽为:2()。
BW F Hz2.解调(检波)调幅波的解调过程(不失真地还原信息)通常称为检波,实现该功能的电路也称振幅检波器(简称检波器),它仍然是一种频谱搬移过程。
振幅检波器的组成框图如图所示:图3-4 振幅检波器的组成框图2.1 包络检波图3-5 二极管包络检波电路Vct1t2t3图3-6 包络检波的过程图3-7 检波隔直后的输出波形2.2 同步检波同步检波器用于对载波被抑止的双边带或单边带信号进行解调。
它的特点是必须外加一个频率和相位都与被抑止的载波相同的电压,同步检波器的名称由此而来。
相乘器低通滤波器本地载波1v 0v 2v v图3-8 同步检波原理框图三、实验仪器及材料:微型计算机、Matlab 四、实验步骤及结果讨论:1. m 取不同值时信号的调制,过调制,欠调制状态:实验结果图:2、抑制载波的幅值调制讨论:⑴调制后信号的波形及频谱图:方波信号正弦波信号三角波信号⑵调制后频率成分推导:即经过调制后,信号频谱包括三部分:原调制波频率500Hz、高频载波与原信号频率之差9500Hz 、高频载波与原信号频率之和10500Hz 。
计算机与信息工程学院实验报告一、实验目的1.掌握绝对码、相对码概念及它们之间的变换关系。
2.掌握用键控法产生2FSK信号的方法。
3.掌握2FSK过零检测解调原理。
4.了解2FSK信号的频谱与数字基带信号频谱之间的关系。
二、实验仪器或设备1.通信原理教学实验系统 TX-6(武汉华科胜达电子有限公司 2011.10)2.LDS20410示波器(江苏绿扬电子仪器集团有限公司 2011.4.1)三、总体设计3.1数字调制3.1.1实验内容:1、用示波器观察绝对码波形、相对码波形。
2、用示波器观察2FSK信号波形。
3、用频谱仪观察数字基带信号频谱及2FSK信号的频谱。
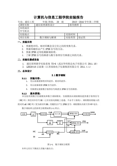
3.1.2基本原理:本实验用到数字信源模块和数字调制模块。
信源模块向调制模块提供数字基带信号(NRZ码)和位同步信号BS(已在实验电路板上连通,不必手工接线)。
调制模块将输入的绝对码AK(NRZ码)变为相对码BK、用键控法产生2FSK信号。
调制模块内部只用+5V电压。
数字调制单元的原理方框图如图1-1所示。
图1-1 数字调制方框图本单元有以下测试点及输入输出点:∙ CAR 2DPSK 信号载波测试点 ∙ BK相对码测试点∙ 2FSK2FSK 信号测试点/输出点,V P-P >0.5V用1-1中晶体振荡器与信源共用,位于信源单元,其它各部分与电路板上主要元器件对应关系如下: ∙ ÷2(A ) U8:双D 触发器74LS74 ∙ ÷2(B ) U9:双D 触发器74LS74 ∙ 滤波器A V6:三极管9013,调谐回路 ∙ 滤波器B V1:三极管9013,调谐回路∙ 码变换U18:双D 触发器74LS74;U19:异或门74LS86 ∙ 2FSK 调制 U22:三路二选一模拟开关4053 ∙ 放大器 V5:三极管9013∙ 射随器V3:三极管90132FSK 信号的两个载波频率分别为晶振频率的1/2和1/4,通过分频和滤波得到。
第1篇一、实验目的1. 了解普通调制解调的基本原理和过程。
2. 掌握模拟调制和解调的基本方法。
3. 学习调制解调设备的使用和调试方法。
4. 培养实际操作能力和分析问题的能力。
二、实验原理调制解调是一种将数字信号转换为模拟信号,或将模拟信号转换为数字信号的通信技术。
调制是将数字信号转换为模拟信号的过程,解调是将模拟信号转换为数字信号的过程。
调制解调的基本原理如下:1. 模拟调制:将数字信号转换为模拟信号的过程称为模拟调制。
模拟调制分为调幅(AM)、调频(FM)和调相(PM)三种。
2. 数字调制:将模拟信号转换为数字信号的过程称为数字调制。
数字调制分为调幅键控(ASK)、调频键控(FSK)和调相键控(PSK)三种。
3. 解调:将模拟信号转换为数字信号的过程称为解调。
解调分为模拟解调和数字解调。
三、实验器材1. 模拟调制解调设备:调幅(AM)、调频(FM)、调相(PM)调制器和解调器。
2. 数字调制解调设备:调幅键控(ASK)、调频键控(FSK)、调相键控(PSK)调制器和解调器。
3. 信号发生器:产生模拟信号和数字信号。
4. 示波器:观察调制解调信号波形。
5. 连接线:连接实验器材。
四、实验步骤1. 调制实验(1)调幅(AM)调制实验1)将信号发生器产生的模拟信号接入AM调制器。
2)调整调制器的调制频率和调制指数。
3)观察示波器上的调制信号波形,记录波形数据。
(2)调频(FM)调制实验1)将信号发生器产生的模拟信号接入FM调制器。
2)调整调制器的调制频率和调制指数。
3)观察示波器上的调制信号波形,记录波形数据。
(3)调相(PM)调制实验1)将信号发生器产生的模拟信号接入PM调制器。
2)调整调制器的调制频率和调制指数。
3)观察示波器上的调制信号波形,记录波形数据。
2. 解调实验(1)调幅(AM)解调实验1)将调制信号接入AM解调器。
2)调整解调器的解调频率和解调指数。
3)观察示波器上的解调信号波形,记录波形数据。
计算机与信息工程学院实验报告一、实验目的1.掌握绝对码、相对码概念及它们之间的变换关系。
2.掌握用键控法产生2FSK信号的方法。
3.掌握2FSK过零检测解调原理。
4.了解2FSK信号的频谱与数字基带信号频谱之间的关系。
二、实验仪器或设备1.通信原理教学实验系统 TX-6(武汉华科胜达电子有限公司 2011.10)2.LDS20410示波器(江苏绿扬电子仪器集团有限公司 2011.4.1)三、总体设计3.1数字调制3.1.1实验内容:1、用示波器观察绝对码波形、相对码波形。
2、用示波器观察2FSK信号波形。
3、用频谱仪观察数字基带信号频谱及2FSK信号的频谱。
3.1.2基本原理:本实验用到数字信源模块和数字调制模块。
信源模块向调制模块提供数字基带信号(NRZ码)和位同步信号BS(已在实验电路板上连通,不必手工接线)。
调制模块将输入的绝对码AK(NRZ码)变为相对码BK、用键控法产生2FSK信号。
调制模块内部只用+5V电压。
数字调制单元的原理方框图如图1-1所示。
图1-1 数字调制方框图本单元有以下测试点及输入输出点:• CAR 2DPSK 信号载波测试点 • BK相对码测试点• 2FSK2FSK 信号测试点/输出点,V P-P >0.5V用1-1中晶体振荡器与信源共用,位于信源单元,其它各部分与电路板上主要元器件对应关系如下: • ÷2(A ) U8:双D 触发器74LS74 • ÷2(B ) U9:双D 触发器74LS74 • 滤波器A V6:三极管9013,调谐回路 • 滤波器B V1:三极管9013,调谐回路• 码变换U18:双D 触发器74LS74;U19:异或门74LS86 • 2FSK 调制 U22:三路二选一模拟开关4053 • 放大器 V5:三极管9013• 射随器V3:三极管90132FSK 信号的两个载波频率分别为晶振频率的1/2和1/4,通过分频和滤波得到。
数字调制与解调实验报告
实验目的:
1.掌握数字信号调制与解调的基本理论和方法。
2.熟悉激励、显示、调制、解调等仪器和设备操作方法。
3.理解不同调制方式的优缺点及适用场合。
实验器材:
数字信号发生器、混频器、低通滤波器、示波器、数字信号处理器、计算机、电缆等。
实验原理:
数字调制与解调是将数字信号变为模拟信号或将模拟信号转换为数字信号的过程。
调制的目的是将讯息信号改为适合传输的信号;而解调则是将传输信号还原为原讯息信号。
实验步骤:
1.基带信号的调制实验
将固定频率的基带信号通过数字信号发生器产生一个频率为f1的固定载波信号,并通过混频器进行调制,产生频率为f1+f2和f1-f2的调制信号。
通过低通滤波器滤除掉高频成分,以得到目标信号。
在示波器上观察波形和频谱,并用数字信号处理器检测和还原基带信号。
2.幅度调制实验
实验数据:
输入基带信号:
载波信号:
调制信号:
实验结论:
数字调制与解调是将数字信号变为模拟信号或将模拟信号转换为数字信号的过程。
通过本次实验,我们实现并了解了不同调制方式的基本原理及其优缺点。
在幅度调制和频率调制实验中,我们掌握了两种数字调制方式的原理和实现方法,通过数字信号发生器制作载波和基带信号,完成幅度调制和频率调制实验。
通过示波器观察得到了不同调制方式的调制信号波形和频谱,并用数字信号处理器检测和还原出原基带信号。
总之,数字调制解调技术在数据传输、通信等方面应用广泛,其优点是抗干扰、可靠性高、传输速度快,具有重要的意义。
一、实验目的1. 理解数字解调的基本原理和方法。
2. 掌握数字解调实验的基本步骤和操作技巧。
3. 分析数字解调过程中的信号波形和性能指标。
4. 熟悉数字通信系统中的调制解调技术。
二、实验原理数字解调是数字通信系统中的关键环节,其主要任务是从接收到的数字信号中恢复出原始信息。
本实验主要涉及以下几种数字解调技术:1. 相干解调:利用接收到的信号与本地产生的参考信号进行相位同步,从而恢复出原始信息。
2. 非相干解调:不依赖接收信号与参考信号的相位同步,直接从信号中提取信息。
3. 锁相环解调:利用锁相环技术实现相位同步,从而提高解调性能。
三、实验仪器与设备1. 数字信号发生器:用于产生实验所需的数字信号。
2. 双踪示波器:用于观察信号波形。
3. 数字解调器:用于实现数字解调功能。
4. 计算机及实验软件:用于数据处理和分析。
四、实验内容与步骤1. 相干解调实验(1)设置数字信号发生器,产生一个基带信号(例如:2KHz的方波信号)。
(2)将基带信号调制为BPSK信号,载波频率为1MHz。
(3)将已调信号输入数字解调器,设置相干解调参数。
(4)观察解调后的信号波形,分析解调性能。
2. 非相干解调实验(1)设置数字信号发生器,产生一个基带信号(例如:2KHz的方波信号)。
(2)将基带信号调制为FSK信号,两个载波频率分别为1MHz和1.1MHz。
(3)将已调信号输入数字解调器,设置非相干解调参数。
(4)观察解调后的信号波形,分析解调性能。
3. 锁相环解调实验(1)设置数字信号发生器,产生一个基带信号(例如:2KHz的方波信号)。
(2)将基带信号调制为BPSK信号,载波频率为1MHz。
(3)将已调信号输入数字解调器,设置锁相环解调参数。
(4)观察解调后的信号波形,分析解调性能。
五、实验结果与分析1. 相干解调实验结果通过观察解调后的信号波形,可以发现相干解调能够有效地恢复出原始信息。
同时,相干解调对信号的相位同步要求较高,若相位差较大,解调性能会受到影响。
bpsk调制及解调原理实验报告BPSK 调制及解调原理实验报告一、实验目的本实验旨在深入理解二进制相移键控(BPSK)调制及解调的原理,通过实际操作和观测,掌握 BPSK 信号的产生、传输和恢复过程,分析其性能特点,并探讨相关参数对系统性能的影响。
二、实验原理(一)BPSK 调制原理BPSK 是一种最简单的相移键控方式,它使用两个相位(通常为 0和π)来表示二进制数字信息。
在 BPSK 中,当输入的二进制数字为“0”时,调制后的载波相位为 0;当输入的二进制数字为“1”时,调制后的载波相位为π。
假设输入的二进制序列为{an},载波信号为cos(ωct),则 BPSK 调制后的信号可以表示为:s(t) =an cos(ωct +φn)其中,当 an = 0 时,φn = 0;当 an = 1 时,φn =π。
(二)BPSK 解调原理BPSK 的解调通常采用相干解调的方法。
相干解调需要一个与发送端同频同相的本地载波。
接收到的 BPSK 信号与本地载波相乘后,通过低通滤波器滤除高频分量,再进行抽样判决,恢复出原始的二进制数字信息。
具体的解调过程如下:接收信号 r(t) = s(t) + n(t) (其中 n(t) 为加性高斯白噪声)与本地载波cos(ωct) 相乘得到:r(t) cos(ωct) =an cos(ωct +φn) +n(t) cos(ωct)= 1/2 an 1 +cos(2ωct +φn) +n(t) cos(ωct)经过低通滤波器后,滤除2ωc 频率成分,得到:1/2 an +n(t) cos(ωct)对其进行抽样判决,若抽样值大于 0,则判决为“0”;若抽样值小于0,则判决为“1”。
三、实验内容与步骤(一)实验内容1、产生 BPSK 调制信号2、加入高斯白噪声3、进行相干解调4、分析不同信噪比下的误码率性能(二)实验步骤1、利用编程语言(如 MATLAB)生成随机的二进制数字序列作为输入信号。
武汉大学教学实验报告电子信息学院 ** 专业 2016 年 ** 月 ** 日实验名称数字调制解调实验指导教师 *** 姓名 *** 年级 14级学号 20143012***** 成绩图1 FSK调制电路原理框图代表信号载波的恒定偏移。
FSK 的信号频谱如图2 所示。
图2 FSK 的信号频谱公式给出:,其中B 为数字基带信号的带宽。
假设信号带宽限制在主FSK 的传输带宽变为:图3 FSK锁相环解调器原理示意图解调采用锁相解调,锁相解调的工作原理是十分简单的,只要在设计锁相环时,使它锁定在上,此时对应的环路滤波器输出电压为零,而对另一载频失锁,则对应的环路滤波器输出电压不为零,那末在锁相环路滤波器输出端就可以获得原基带信号的信息。
FSK锁相环解调器原理图如图3所示。
其中,压控振荡器的频率是由5C2.5R3.5R4.5U3等元件参数确定,中心频率设计在电位器进行微调。
当输入信号为32KHz时,环路锁定,经形成电路后,输出高电平;当输入信号为时,环路失锁,经形成电路后,输出低电平,则在解调器输出端就得到解调的基带信号序列。
图4 PSK、DPSK调制电路原理框图,通过4P5和4P6两个铆孔输入到FPGA中,FPGA软件完成数模转换即可输出相位键控信号。
解调器电路采用科斯塔斯环(Constas环)解调,其原理如图5所示。
图5 解调器原理方框图输入电路由射随器和比较器组成,射随器是为了发送(调制器)和接收(解调器)电路之间的隔离,从而使它们工作互不影响。
比较电路是将正弦信号转换为脉冲信号,目的是便于控制科斯塔斯特环中的乘法器。
由于跟随器电源电压已调波信号幅度不能太大,一般控制在1.8V左右,否则会产生波形失真。
)科斯塔斯环提取载波原理(原理中标号参见原理图)采用科斯塔斯特环解调,科斯塔斯特环方框原理如图6所示。
图6 科斯塔斯特环电路方框原理如图解调输入电路的输出信号被加到模拟门5U6C和5U6D构成的乘法器,前者为正交载波乘法器,相当于图,后者为同相载波乘法器,相当于框图中乘法器1。
数字解调实验报告一、实验目的数字解调是数字通信系统中的关键环节,本次实验的主要目的是深入理解数字解调的原理和方法,通过实际操作和数据分析,掌握数字解调的过程和性能评估指标,并能够运用所学知识解决实际问题。
二、实验原理数字解调是将接收到的数字调制信号还原为原始数字信息的过程。
常见的数字调制方式包括幅移键控(ASK)、频移键控(FSK)和相移键控(PSK)等。
以二进制相移键控(BPSK)为例,其调制原理是通过改变载波的相位来表示二进制数字“0”和“1”。
在解调过程中,通常采用相干解调的方法,即首先将接收到的信号与本地同频同相的载波相乘,然后通过低通滤波器滤除高频分量,最后进行抽样判决,恢复出原始的数字信息。
三、实验设备和环境1、计算机一台2、数字通信实验软件3、信号发生器4、示波器四、实验步骤1、打开数字通信实验软件,设置调制方式为 BPSK,生成一定长度的随机二进制数字序列作为原始信息。
2、对原始信息进行 BPSK 调制,得到调制后的信号。
3、在信道中加入高斯白噪声,模拟实际通信中的噪声干扰。
4、对接收端的信号进行相干解调,恢复出原始信息。
5、计算误码率,分析噪声对解调性能的影响。
五、实验数据及结果分析1、绘制调制前后的信号波形原始二进制数字序列具有明显的随机性。
调制后的信号在相位上发生了变化,“0”和“1”对应不同的相位。
2、不同噪声强度下的误码率随着噪声强度的增加,误码率逐渐升高。
当噪声功率较小时,误码率较低,解调性能较好;当噪声功率超过一定阈值时,误码率急剧上升,解调性能严重下降。
3、分析解调结果与理论值的差异实验结果与理论分析基本相符,但由于实际实验中存在各种非理想因素,如噪声的随机性、系统的非线性等,导致实际误码率略高于理论值。
六、实验中遇到的问题及解决方法1、噪声设置不合理最初设置的噪声强度过大,导致误码率过高,无法准确分析解调性能。
通过逐步减小噪声强度,找到了合适的范围,使实验结果更具参考价值。
FSK调制及解调实验报告简介在通信领域,频移键控(Frequency Shift Keying,FSK)调制和解调是常见的数字调制技术,广泛应用于无线通信和数据传输系统中。
本实验报告将详细介绍FSK调制和解调的原理、实验步骤和结果分析。
原理FSK调制是利用不同频率的载波信号来表示数字信息。
在FSK调制中,两个不同频率的载波信号代表了两个不同的数字信号。
例如,在二进制数字通信中,0可以用低频率表示,而1可以用高频率表示。
FSK调制的原理是通过将数字信号转化为频率信息并将其叠加到载波信号上。
通过调整载波频率来传输数字信号的不同值。
FSK解调是将接收到的FSK信号恢复为原始数字信号。
解调过程包括接收信号的滤波和判决两个主要步骤。
滤波用于消除噪声和非目标频率分量,而判决用于确定接收信号所代表的数字信号的值。
实验步骤1.搭建实验电路–使用信号发生器生成两个不同频率的正弦波,分别作为两个载波信号。
–将数字信号源与信号发生器连接,使得数字信号源能够控制载波信号的频率。
–将两个载波信号叠加,并将叠加后的信号送入模拟调制电路。
–将模拟调制电路的输出连接到示波器,以便观察FSK调制后的信号波形。
2.观察和分析调制波形–调整信号发生器的频率和数字信号源的输入,观察调制后的波形特征。
–分析不同数字信号输入时,调制波形的频率变化情况。
–根据调制波形的特点,判断FSK调制是否正确实现。
3.进行FSK解调实验–将调制后的信号输入到解调电路中。
–使用合适的滤波器,滤除噪声和非目标频率分量。
–通过判决电路,将解调后的信号恢复为原始数字信号。
4.观察和分析解调结果–使用示波器观察解调后信号的波形特征。
–将解调后的信号与原始数字信号进行比较,分析解调的准确性和误差情况。
实验结果和分析经过搭建实验电路、观察、分析和解调实验,我们得到了以下实验结果和分析:1.根据观察得知,调制后的波形在不同数字信号输入时,频率发生了明显的变化。
这表明FSK调制成功。
《数字通信原理与系统》期末考察报告题目: 数字调制与解调学生姓名:学号:: 院系:专业2015 年6 月10 日一、数字调制与解调1、数字的调制调制是对信号源的编码信息进行处理,使其变为适合传输的形式的过程。
即是把基带转变为一个相对基带信号而言频率非常高的带通信号。
带通信号叫做以调信号,而基带信号叫做调制信号。
调制可以通过改变调制后载波的幅度,相位或者频率来实现。
ASK--又称幅移键控法。
这种调制方式是根据信号的不同,调节正弦波的幅值。
PSK--在相移键控中,载波相位受数字基带信号的控制,如二进制基带信号为0时,载波相位为0,为1时载波相位为π,载波相位和基带信号有一一对应的关系。
FSK--称频移键控法,就是用数字信号去调制载波的频率。
QAM--又称正交幅度调制法。
根据数字信号的不同,不仅载波相位发生变化,而且幅度也发生变化。
QPSK-----四相相移键控四相相移键控(QPSK)。
又称正交PSK,是另一种角度调制、等幅数字可调形式。
采用QPSK,一个载波上可能有四个输出相位。
因为有四个不同的输出相位。
必须有四个不同的输入条件,就要采用多余一个输入位。
用二位时有四种可能的条件:00、01、10、11.所以采用QPSK,二进制输入数据被合并成两比特一组,称为双比特组。
2、数字的解调解调方式可以分成两种:相干解调和非相干解调。
相干解调需要在接收机中使用与发射机载波同频同相的本振,而非相干解调不需要获得载波的任何信息,所以非相干解调可以大大简化接收机的硬件设计。
非相干解调的性能在AWGN信道中要比相干解调差1dB甚至更多。
但是非相干解调在衰减的信道中具有较好的稳健性,其硬件实现也相对简单,所以在许多无线通信系统中,尤其在移动无线电中非相干解调被广泛地使用。
相干解调将接收到的信号与载波相比较,直接得到绝对相位。
而非相千解调不能得到绝对相位,所以需要用其它方法来检测发射符号。
ASK在现代无线通信中已经不再被使用,所以非相干解调一般只是针对两个参数:瞬时频率和相对相位,这分别对应了鉴频器和差分解调器。
第1篇一、实验目的1. 理解数字载波调制的基本原理和过程。
2. 掌握常见的数字调制方式,如振幅键控(ASK)、频移键控(FSK)和相移键控(PSK)。
3. 学习数字调制信号的生成和解调方法。
4. 通过实验,加深对数字调制技术在实际通信系统中的应用理解。
二、实验原理数字载波调制是数字通信中一种常见的信号处理技术,它通过改变载波的某些参数(如幅度、频率或相位)来携带数字信息。
常见的数字调制方式包括:1. 振幅键控(ASK):通过改变载波的幅度来表示数字信息,通常用高电平表示“1”,低电平表示“0”。
2. 频移键控(FSK):通过改变载波的频率来表示数字信息,通常用不同的频率分别表示“1”和“0”。
3. 相移键控(PSK):通过改变载波的相位来表示数字信息,通常用不同的相位来表示不同的数字符号。
数字调制信号可以通过以下步骤生成:1. 基带信号生成:将数字信息转换成基带信号,通常为二进制序列。
2. 调制:将基带信号与载波信号相乘,得到已调信号。
3. 滤波:对已调信号进行滤波,去除不必要的频率分量。
数字调制信号的解调过程如下:1. 载波恢复:从已调信号中恢复出载波信号。
2. 解调:将恢复的载波信号与已调信号相乘,得到基带信号。
3. 判决:根据基带信号的幅度或频率,判断原始数字信息。
三、实验器材1. 数字信号发生器2. 数字示波器3. 数字信号分析仪4. 信号源5. 连接线四、实验步骤1. 实验一:ASK调制和解调- 使用数字信号发生器生成二进制序列。
- 将基带信号与载波信号相乘,得到ASK调制信号。
- 使用数字示波器观察ASK调制信号的波形。
- 将ASK调制信号与恢复的载波信号相乘,得到解调信号。
- 使用数字示波器观察解调信号的波形。
2. 实验二:FSK调制和解调- 使用数字信号发生器生成二进制序列。
- 将基带信号与两个不同频率的载波信号相乘,得到FSK调制信号。
- 使用数字示波器观察FSK调制信号的波形。
实验二十一现代数字调制、解调实验一、实验目的1、了解用FPGA进行电路设计的基本方法。
2、掌握MSK、GMSK的概念以及它们之间的关系和不同。
3、掌握MSK、GMSK调制和解调原理。
4、掌握QPSK、OQPSK、DQPSK、π/4-DQPSK的概念以及它们之间的关系。
5、掌握QPSK、OQPSK、DQPSK、π/4-DQPSK调制和解调原理。
二、实验内容1、观察MSK、GMSK、QPSK、OQPSK、DQPSK、π/4-DQPSK调制各信号波形。
2、观察MSK、GMSK、QPSK、OQPSK、DQPSK、π/4-DQPSK解调各信号波形。
三、实验仪器1、信号源模块2、现代数字调制模块3、现代数字解调模块4、20M双踪示波器一台5、频率计(选用)一台6、连接线若干四、实验原理随着通信业务量的增加,频谱资源日趋紧张,为了提高系统的容量,信道间隔已由最初的100kHz减少到25kHz,并将进一步减少到12.5kHz,甚至更小,由于数字通信具有建网灵活,容易采用数字差错控制技术和数字加密,便于集成化,并能够进入ISDN网,所以通信系统都在由模拟制式向数字制式过渡。
因此系统中必须采用数字调制技术,然而一般的数字调制技术,如ASK、PSK和FSK因传输效率低而无法满足移动通信的要求,为此,需要专门研究一些抗干扰性强、误码性能好、频谱利用率高的数字调制技术,尽可能地提高单位频谱内传输数据的比特率,以适用于移动通信窄带数据传输的要求。
如最小频移键控(MSK-Minimum Shift Keying),高斯滤波最小频移键控(GMSK-Gaussian Filtered Minimum Shift Keying),四相相移键控(QPSK-Quadrature Reference Phase Shift Keying),交错正交四相相移键控(OQPSK-Offset Quadrature Reference Phase Shift Keying),四相相对相移键控(DQPSK-Differential Quadrature Reference Phase Shift Keying)和π/4正交相移键控(π/4-DQPSK-Differential Quadrature Reference Phase Shift Keying),已在数字蜂房移动通信系统中得到广泛应用。
一、实验目的1. 理解数字调解的基本原理和过程。
2. 掌握数字调解的主要方法及其应用。
3. 学会使用数字调解设备进行实验操作。
二、实验设备1. 数字调解器2. 数字信号发生器3. 示波器4. 信号源5. 计算器三、实验原理数字调解是指将模拟信号转换为数字信号的过程。
实验中,我们主要研究两种数字调解方法:二进制移相键控(2PSK)和二进制频移键控(2FSK)。
1. 二进制移相键控(2PSK)2PSK是一种数字调制方式,其基本原理是将二进制信号与一个高频载波进行相位调制。
当发送二进制“1”时,载波相位保持不变;当发送二进制“0”时,载波相位发生180度翻转。
2. 二进制频移键控(2FSK)2FSK是一种数字调制方式,其基本原理是将二进制信号与两个不同频率的高频载波进行频率调制。
当发送二进制“1”时,选择频率较高的载波;当发送二进制“0”时,选择频率较低的载波。
四、实验步骤1. 准备实验设备,连接数字调解器、数字信号发生器、示波器和信号源。
2. 设置数字信号发生器,生成二进制序列信号,作为实验输入。
3. 对2PSK调制进行实验:(1)将数字信号发生器生成的二进制序列信号输入数字调解器。
(2)调整数字调解器的参数,设置调制指数、载波频率和码速率。
(3)观察示波器上的调制信号,分析调制效果。
4. 对2FSK调制进行实验:(1)将数字信号发生器生成的二进制序列信号输入数字调解器。
(2)调整数字调解器的参数,设置调制指数、两个载波频率和码速率。
(3)观察示波器上的调制信号,分析调制效果。
5. 对解调信号进行实验:(1)将调制后的信号输入解调器。
(2)调整解调器的参数,设置解调方式、载波频率和码速率。
(3)观察示波器上的解调信号,分析解调效果。
五、实验结果与分析1. 2PSK调制实验结果:(1)当调制指数适中时,调制信号相位稳定,符合2PSK调制原理。
(2)当调制指数过大时,调制信号相位波动较大,调制效果变差。
调制解调实验报告一、实验目的本次调制解调实验的主要目的是深入理解调制和解调的基本原理,掌握常见的调制解调方法,并通过实际操作和观察实验现象,分析和解决在实验过程中遇到的问题,提高对通信系统中信号传输和处理的认识和实践能力。
二、实验原理(一)调制的基本原理调制是将原始的基带信号(如数字信号或模拟信号)加载到高频载波信号上的过程。
其目的是为了使信号能够在信道中有效地传输,并且便于在接收端进行恢复和解调。
常见的调制方式包括幅度调制(AM)、频率调制(FM)和相位调制(PM)等。
在幅度调制中,载波信号的幅度随着基带信号的变化而变化。
例如,在标准的 AM 调制中,载波信号的幅度与基带信号成正比。
频率调制是根据基带信号的幅度变化来改变载波信号的频率。
而相位调制则是通过基带信号的变化来调整载波信号的相位。
(二)解调的基本原理解调是从已调制信号中恢复出原始基带信号的过程。
对于不同的调制方式,有相应的解调方法。
对于 AM 调制,常见的解调方法有包络检波和同步检波。
包络检波利用二极管等元件对已调信号进行整流和滤波,从而得到原始信号的包络。
同步检波则需要一个与发送端载波同频同相的本地载波信号,通过相乘和低通滤波来恢复原始信号。
在FM 解调中,通常采用鉴频器来将频率的变化转换为幅度的变化,然后通过后续的处理恢复出原始信号。
三、实验设备本次实验所使用的主要设备包括:1、信号发生器:用于产生各种频率和幅度的正弦波、方波等信号作为基带信号和载波信号。
2、示波器:用于观察和测量输入输出信号的波形、频率、幅度等参数。
3、调制解调实验箱:集成了调制解调电路和相关的功能模块。
四、实验步骤(一)AM 调制实验1、连接实验设备,将信号发生器的输出连接到调制实验箱的输入端口,示波器分别连接到调制前和调制后的输出端口。
2、设置信号发生器,产生一个频率为 1kHz、幅度为 1V 的正弦波作为基带信号,同时产生一个频率为 10kHz、幅度为 5V 的正弦波作为载波信号。
fsk调制与解调实验报告实验报告:FSK调制与解调引言:FSK(Frequency Shift Keying)调制与解调是一种常用的数字调制解调技术,它通过改变载波频率的方式来传输数字信号。
在本实验中,我们将学习并掌握FSK调制与解调的原理和实现方法,并通过实验验证其性能。
一、实验目的:1. 了解FSK调制与解调的原理和工作方式;2. 掌握FSK调制与解调电路的设计和搭建方法;3. 验证FSK调制与解调的性能,如传输速率、误码率等。
二、实验原理:FSK调制是将数字信号转换为频率变化的模拟信号,然后通过载波进行传输。
在FSK调制中,两个不同的频率代表两个不同的二进制数字,通常用0和1表示。
调制过程中,数字信号的0和1分别对应两个不同的频率,例如0对应低频率f1,1对应高频率f2。
FSK解调是将接收到的FSK信号转换回数字信号的过程。
解调器通过检测信号的频率变化来判断接收到的是0还是1。
通常使用频率鉴别器或相干解调器来实现。
三、实验步骤:1. 设计和搭建FSK调制电路:a. 使用555定时器作为多谐振荡器,设置两个不同的频率f1和f2作为调制信号;b. 将调制信号与载波信号进行混合,得到FSK调制信号。
2. 设计和搭建FSK解调电路:a. 使用频率鉴别器或相干解调器来实现FSK解调;b. 解调器将接收到的FSK信号转换为数字信号。
3. 进行实验测试:a. 输入一组二进制数字信号,通过FSK调制电路将其转换为FSK信号;b. 将FSK信号输入到FSK解调电路,观察解调结果是否与输入信号一致;c. 测试不同的传输速率,记录误码率。
四、实验结果与分析:1. 实验测试结果表明,FSK调制与解调能够实现数字信号的传输和还原,解调结果与输入信号一致。
2. 传输速率对FSK调制与解调的性能影响较大。
传输速率过高可能导致误码率增加,传输速率过低可能导致传输延迟。
3. 在实验中,我们可以根据实际需求选择合适的调制频率和解调方法,以达到较低的误码率和较高的传输速率。
第1篇一、实验目的及意义本次数字解调实验旨在通过实际操作,加深对数字信号解调原理和方法的理解,掌握不同调制方式下的解调技术,并验证其性能。
实验过程中,我们学习了数字信号解调的基本原理,通过对比不同调制方式下的解调效果,了解了各种解调方法在实际通信系统中的应用。
二、实验原理数字解调是数字通信过程中的重要环节,其目的是将接收到的模拟信号还原为原始的数字信号。
本实验主要研究了以下几种调制方式的解调原理:1. 按照调制载波的不同,数字调制可分为模拟调制和数字调制。
模拟调制包括调幅(AM)、调频(FM)和调相(PM)等,而数字调制则包括幅移键控(ASK)、频移键控(FSK)和相移键控(PSK)等。
2. 数字解调方法主要有以下几种:(1)包络检波法:通过提取信号包络来实现解调。
(2)同步检波法:利用与接收信号同频同相的本地载波与接收信号相乘,再进行低通滤波,以实现解调。
(3)相关解调法:利用接收信号与本地信号的互相关函数,通过查找最大值来确定解调信号。
(4)差分解调法:通过比较相邻两个信号的状态,实现解调。
三、实验内容及结果分析1. ASK调制解调实验实验中,我们采用包络检波法对ASK调制信号进行解调。
实验结果显示,当信噪比(S/N)较高时,解调效果较好;当S/N较低时,解调效果较差,误码率增加。
2. FSK调制解调实验实验中,我们采用同步检波法对FSK调制信号进行解调。
实验结果显示,当S/N较高时,解调效果较好;当S/N较低时,解调效果较差,误码率增加。
3. PSK调制解调实验实验中,我们采用同步检波法对PSK调制信号进行解调。
实验结果显示,当S/N较高时,解调效果较好;当S/N较低时,解调效果较差,误码率增加。
4. BPSK调制解调实验实验中,我们采用同步检波法对BPSK调制信号进行解调。
实验结果显示,当S/N 较高时,解调效果较好;当S/N较低时,解调效果较差,误码率增加。
四、实验结论1. 数字解调技术在实际通信系统中具有重要的应用价值。
计算机与信息工程学院实验报告
一、实验目的
1.掌握绝对码、相对码概念及它们之间的变换关系。
2.掌握用键控法产生2FSK信号的方法。
3.掌握2FSK过零检测解调原理。
4.了解2FSK信号的频谱与数字基带信号频谱之间的关系。
二、实验仪器或设备
1.通信原理教学实验系统TX-6(华科胜达电子2011.10)
2.LDS20410示波器(绿扬电子仪器集团2011.4.1)
三、总体设计
3.1数字调制
3.1.1实验容:
1、用示波器观察绝对码波形、相对码波形。
2、用示波器观察2FSK信号波形。
3、用频谱仪观察数字基带信号频谱及2FSK信号的频谱。
3.1.2基本原理:
本实验用到数字信源模块和数字调制模块。
信源模块向调制模块提供数字基带信号(NRZ码)和位同步信号BS(已在实验电路板上连通,不必手工接线)。
调制模块将输入的
绝对码AK (NRZ 码)变为相对码BK 、用键控法产生2FSK 信号。
调制模块部只用+5V 电压。
数字调制单元的原理方框图如图1-1所示。
图1-1 数字调制方框图
本单元有以下测试点及输入输出点: • CAR 2DPSK 信号载波测试点 • BK
相对码测试点
• 2FSK
2FSK 信号测试点/输出点,V P-P >0.5V
用1-1中晶体振荡器与信源共用,位于信源单元,其它各部分与电路板上主要元器件对
应关系如下: • ÷2(A ) U8:双D 触发器74LS74 • ÷2(B )
U9:双D 触发器74LS74 • 滤波器A V6:三极管9013,调谐回路 • 滤波器B V1:三极管9013,调谐回路
• 码变换
U18:双D 触发器74LS74;U19:异或门74LS86 • 2FSK 调制 U22:三路二选一模拟开关4053 • 放大器 V5:三极管9013
• 射随器
V3:三极管9013
2FSK 信号的两个载波频率分别为晶振频率的1/2和1/4,通过分频和滤波得到。
2FSK 信号(相位不连续2FSK )可看成是AK 与AK 调制不同载频信号形成的两个2ASK 信号相加。
时域表达式为
t t m t t m t S c c 21cos )(cos )()(ωω+=
式中m(t)为NRZ 码。
2FSK信号功率谱
设码元宽度为T S,f S =1/T S在数值上等于码速率,2FSK的功率谱密度如图所示。
多进制的MFSK信号的功率谱与二进制信号功率谱类似。
本实验系统中m(t)是一个周期信号,故m(t)有离散谱,因而2FSK也具有离散谱。
3.2数字解调
3.2.1实验容
1、用示波器观察2FSK过零检测解调器各点波形。
3.2.2基本原理
2FSK信号的解调方法有:包络括检波法、相干解调法、鉴频法、过零检测法等。
数字解调方框图2FSK过零检测解调
本实验采用采用过零检测法解调2FSK信号。
2FSK模块部使用+5V电压。
图为解调器的原理方框图。
2FSK解调模块上有以下测试点及输入输出点:
• FD 2FSK过零检测输出信号测试点
• LPF 低通滤波器输出点/测试点
• CM 整形输出输出点/测试点
• BS-IN 位同步信号输入点
• AK-OUT 解调输出信号的输出点/测试点(3个)
2FSK解调器方框图中各单元与电路板上元器件对应关系如下:
•整形1 U34:A:反相器74HC04
•单稳1、单稳2 U35:单稳态触发器74123
•相加器U36:或门7432
•低通滤波器U37:运算放大器LM318;若干电阻、电容
•整形2 U34:B:反相器74HC04
•抽样器U38:A:双D触发器7474
在实际应用的通信系统中,解调器的输入端都有一个带通滤波器用来滤除带外的信道白噪声并确保系统的频率特性符合无码间串扰条件。
本实验系统中为简化实验设备,发端即数字调制的输出端没有带通滤波器、信道是理想的,故解调器输入端就没加带通滤波器。
2FSK解调器工作原理及有关问题说明如下:
•图3-4为2FSK过零检测解调器各点波形示意图,图中设“1”码载频等于码速率的两倍,“0”码载频等于码速率。
•整形1和整形2的功能与比较器类似,在其输入端将输入信号叠加在2.5V上。
74HC04的状态转换电平约为2.5V,可把输入信号进行硬限幅处理。
整形1将正弦2FSK信号变为TTL电平的2FSK信号。
整形2和抽样电路共同构成一个判决电平为2.5V的抽样判决器。
图3-4 2FSK过零检测解调器各点波形示意图
•单稳1、单稳2分别被设置为上升沿触发和下降沿触发,它们与相加器一起共同对TTL 电平的2FSK信号进行微分、整流处理。
电位器R43和R44决定上升沿脉冲宽度及下降沿脉冲宽度(应基本相等)。
•R48可以调节滤波器的频率特性及LPF信号幅度,LPF不是TTL电平信号且不是标准的非归零码,必须进行抽样判决处理。
U34对抽样判决输出信号进行整形。
四、实验步骤
4.1数字调制
本实验使用数字信源单元及数字调制单元。
1、熟悉数字调制单元的工作原理。
接通电源,打开实验箱电源开关。
将数字调制单元单刀双掷开关K7置于左方N(NRZ)端。
2、用数字信源单元的FS信号作为示波器的外同步信号,示波器CH1接信源单元的(NRZ-OUT)AK(即调制器的输入),CH2接数字调制单元的BK,信源单元的K1、K2、K3置于任意状态(非全0),观察AK、BK波形,总结绝对码至相对码变换规律以及从相对码至绝对码的变换规律。
4、示波器CH1接AK、CH2接2FSK;观察信号与AK的关系(注意“1”码与“0”码对应的2FSK信号幅度可能不相等,这对传输信息是没有影响的)。
5、用频谱议观察2FSK信号频谱(条件不具备时不进行此项观察)。
4.2数字解调
本实验使用数字信源单元、数字调制单元、载波同步单元、2FSK解调单元,它们之间的信号连结方式如图4-5所示,其中实线是指已在电路板上布好的,虚线是实验中要手工连接的。
实际通信系统中,解调器需要的位同步信号来自位同步提取单元。
本实验未用位同步提取单元,所以位同步信号直接来自数字信源。
在做2FSK解调实验时送到2FSK解调单元。
图4-5 数字解调实验连接图
1. 复习前面实验的容并熟悉2FSK解调单元的工作原理,接通实验箱电源。
将数字调制单元单刀双掷开关K7置于左方NRZ端。
2. 检查要用到的数字信源、数字调制及载波同步单元是否工作正常,保证载波同步单元处于同步态。
FSK解调实验
将数字调制单元单刀双掷开关K7还原置于左方NRZ端。
将数字信源单元的BS-OUT 用信号连线换接到2FSK解调单元的BS-IN点,示波器探头CH1接数字调制单元中的AK,CH2分别接2FSK解调单元中的FD、LPF、CM及AK-OUT,观察2FSK过零检测解调器的解调
过程(注意:低通及整形2都有倒相作用)。
LPF的波形应接近图3-4所示的理论波形。
五、结果分析与总结
5.1数字调制
组一
K1、K2、K3状态AK、BK波形
组二
K1、K2、K3状态AK、BK波形
组三
K1、K2、K3状态 AK 、BK 波形
1、 设绝对码为全1、全0或1001 1010,求相对码。
设相对码为全1、全0或1001 1010,求绝对码。
答:
1111100000100110100101010000011101100
绝对码,,相对码,,
2、总结绝对码至相对码的变换规律、相对码至绝对码的变换规律并设计一个由相对码至绝对码的变换电路。
答:① 绝对码至相对码的变换规律:
“1”变“0”不变,即绝对码的“1”码时相对码发生变化,绝对码的“0”码时相对码不发生变化。
——此为信号差分码。
(参考码任意取,所以最终由两种相反的结果。
)
② 相对码至绝对码的变换规律:
相对码的当前码元与前一码元相同时对应的当前绝对码为“0”码,相异时对应的当前绝对码为“1”码。
(同样,参考码任意取,所以最终由两种相反的结果。
) 可行的电路:
5.2 数字解调
n b n a
1
n b 延迟S T
K1、K2、K3状态
FD LPF
CM AK-OUT
1、设信息代码为1001101,2FSK的两个载频分别为码速率的四倍和两倍,根据实验观察得到的规律,画出2FSK过零检测解调器输入的2FSK波形及FD、LPF、BS、AK波形(设低通滤波器及整形2都无倒相作用)。
本次实验……
教师签名:
年月日。