化工园区安全评价指标体系.doc
- 格式:doc
- 大小:29.00 KB
- 文档页数:6
化工园区规范发展综合评价指标体系化工园区规范发展综合评价指标体系是对化工园区进行全面评估和管理的重要工具。
通过制定科学合理的评价指标体系,可以提供参考和依据,促进化工园区的可持续发展。
以下是一个可能的化工园区规范发展综合评价指标体系。
一、环境指标1.大气环境:包括空气质量、排放标准合规性、气象条件等。
2.水环境:包括水质、废水处理与排放、水资源利用等。
3.土壤环境:包括土壤污染控制、土壤保护、土地利用等。
4.声环境:包括噪声控制和噪声污染防治措施。
5.固废环境:包括固废处理与排放、废弃物管理等。
二、安全指标1.安全生产:包括安全管理体系建设、事故预防、应急指挥等。
2.火灾安全:包括火灾演练、防火设施、消防安全管理等。
3.运输安全:包括危险品运输安全管理、车辆安全状况等。
4.生产安全:包括工艺安全、设备安全、人员培训与技术支持等。
5.环境风险管理:包括环境风险评估、风险控制与监测等。
三、经济指标1.投资规模:包括固定资产投资、研发投资等。
2.利润水平:包括企业盈利能力、收支平衡等。
3.就业情况:包括员工数量、员工薪资水平、职业培训等。
4.经济效益:包括产值、税收等。
5.创新能力:包括技术创新、产品创新、管理创新等。
四、社会指标1.员工福利:包括员工工资待遇、福利保障、职业发展等。
2.社会责任:包括企业社会责任实践、公益活动等。
3.社会稳定:包括与周边居民的关系、社会影响力等。
4.公共服务:包括公共设施、教育、医疗等。
5.企业形象:包括品牌知名度、声誉等。
五、能源指标1.能源消耗:包括能源利用效率、能源消耗量等。
2.能源结构:包括能源多样性、可再生能源利用等。
3.能源浪费:包括能源管理、设备能效等。
4.能源安全:包括供应稳定性、备份能源等。
5.节能减排:包括能耗指标、减排措施等。
以上是一个可能的化工园区规范发展综合评价指标体系的概要。
具体的指标细则和权重可以根据不同化工园区的实际情况进行调整和制定。
化工园区区域性整体安全评价导则1总则为指导、规范化工(工业)园区区域性安全风险评价工作,提高安全监督管理水平,促进安全监督管理工作科学化、规范化,制定本导则。
本导则规定了化工(工业)园区安全风险评价的一般原则、程序、方法、内容和基本要求。
2适用范围本导则适用于中华人民共和国领域内规划、在建或建成的化工(工业)园区(以下简称化工园区)的安全风险评价工作。
3术语和定义下列术语和定义适用于本导则。
3.1化工园区由两个或两个以上化工企业及其相关联的或非相关联的企业组成的一个相对集中的区域。
3.2危险化学品重大危险源长期地或临时地生产、加工、使用或存储危险化学品,且危险化学品的数量等于或超过临界量的单元。
3.3风险发生特定危害事件的可能性以及发生事件后果严重性的结合。
3.4风险评价以实现工程、系统安全为目的,应用安全系统工程原理和方法,对工程、系统中存在的危险、有害因素进行识别与分析,判断工程、系统发生事故和急性职业危害的可能性及其严重程度,提出安全对策建议,从而为工程、系统制定防范措施和管理决策提供科学依据。
风险评价可针对一个特定的对象,也可针对一特定的区域范围。
3.5定量风险评价对某一设施或作业活动中发生事故频率和后果进行综合定量分析,采用个人风险和社会风险值描述风险程度,并与风险可接受标准比较的系统方法。
3.6个人风险化工园区内部或周边某一固定位置的人员,由于发生事故而导致的死亡频率,单位为次/年。
3.7社会风险能够引起大于等于N人以上死亡事故的累积频率(F),也即单位时间内(通常每年)的死亡人数。
常用社会风险曲线(F-N曲线)表示。
3.8安全容量一定的经济、技术、自然环境、人文等条件下,化工园区在一段时期内对园区内的正常生产经营活动,以及周边环境、社会、文化、经济等带来无法接受的不利影响的最高限度,也即对风险的最大承载能力。
4安全评价程序化工园区安全风险评价程序为:前期准各;辨识与分析危险、有害因素;划分评价单元;选择评价方法;整体性定性、定量评价与分析;提出安全对策措施建议;做出评价与分析结论;编制风险评价与安全容量分析报告等。
化工园区综合评价导则化工园区是指专门从事化工生产的工业园区,它是化工行业的重要组成部分,是建设化学工业集群的重要支柱。
本导则旨在提出一种综合评价化工园区发展水平的标准,以促进化工园区建设和发展,提高化工园区的整体质量,实现化学工业的集群效应和生态综合效益。
二、评价指标体系1.基本指标(1)历史发展指标。
该指标考察化工园区的历史发展规模和重要程度,聚集的化学工业部门,以及与园区相关的科学研究机构。
(2)经济指标。
该指标考察化工园区的经济发展水平,包括实现的营业额、园区内企业的扩张规模、营收的增长速度等。
(3)资源指标。
该指标考察化工园区的资源配置,包括原材料供应结构,以及能源、环境和技术等方面的可用资源。
2.社会指标(1)技术指标。
该指标考察化工园区的技术水平,主要包括设备设施的质量、企业技术创新能力、科研资源配置水平等。
(2)管理指标。
该指标考察化工园区的管理水平,包括政策法规的执行情况、建设质量的保障能力、投资制度的流畅程度等。
(3)社会指标。
该指标考察化工园区的社会影响力,主要包括发展藏头成果、化学工业与社会公众之间的关系、以及对政府社会责任配合情况等。
三、评价流程及方法1.收集数据首先根据评价指标体系列出有关的量化指标,然后收集有关数据,包括园区内的统计资料和外围社会经济数据。
2.规范数据根据评价指标体系进行归类和规范统一,使指标与指标之间可以一致对比,使各项指标可以有效衡量。
3.进行评价建立各项指标的评价等级,并且根据相关指标的得分计算出园区综合评价等级分值,建立多维度数据波动图,以便更好地反映指标变化,加深理解结果。
四、结论综合评价是对化工园区发展水平的重要考察和分析,本导则列出了一系列具体的评价指标和流程,同时也提出了相关的分析方法,以供参考和借鉴。
只有认真深入地研究和分析,才能全面准确地评价化工园区的发展水平,为未来的发展提供有价值的参考。
化工园区安全发展指标体系构建与评价方法综述摘要:为了更好构建化工园区安全发展评价模型,本文从化工园区安全发展指标体系构建、指标权重方法确定、评价方法3个方面探讨了化工园区安全发展评价体系的研究现状,指出了化工园区安全发展评价存在的问题,并从通过合理运用数据库技术,提高化工园区安全发展指标数据收集的可靠性和时效性;通过自适应等信息化技术,建立动态指标权重确定方法;借助计算机技术,研发化工园区模拟软件,进一步提升化工园区安全发展评价效果;通过机器学习等智能技术,提高化工园区安全发展评价方法深度学习能力,提升其评价的准确性与实用性等方面提出了未来化工园区安全发展评价的研究方向和发展趋势。
关键词:化工园区;安全发展;指标体系;权重确定;评价方法引言化工园区在国民经济体系中承担重任,自身安全风险和环境破坏效应也值得关注。
安全环保一体化管理理念的提出,为化工园区管理指明前进方向,因此有必要探讨化工园区一体化管理的思路。
1定义范围化工园区的首要特征是产业集聚,是指以化工为主导的产业在特定地域范围内相互集中的现象。
产业聚集能形成集聚经济效益,有利于产业合作共赢、降低成本、增加竞争力;同时从安全生产角度,将化工园区内的企业集中布置,比在城市区域内分散布置可更大程度上降低外部风险防控区域范围。
虽然化工园区局部区域内会造成风险增加,但整体上有利于城市的安全可持续发展,因此化工园区的范围应包括专业化工园区和化工集中区,而且鉴于目前化工集中区在我国化工园区中占有很大比重,因此将化工园区的范围只局限专业性化工园区不是很合适,也不符合各地方的发展实情。
2化工园区安全发展指标体系构建与评价方法2.1对火灾风险进行科学定量分析,对园区内部各类危害进行定性分析对于化工生产而言,风险预防与保障工作的价值远远超过其日常生产过程,在火灾等安全隐患发生之前,相关管理人员需要做好必要的防范工作。
企业管理人员可根据石油化工园区不同部门的分布与具体位置,科学分析不同区域火灾风险系数的高低,以及各类风险的分布规律,安全事故发生的可能,为后续保障体系的落实提供良好的基础条件。
化工园区安全评价指标选取研究摘要:对于化工企业而言,其生产过程通常危险性较大,因而安全问题一直以来都是化工企业生产管理过程中关注的重点。
为了有效防范及解决化工企业生产过程中的安全性方面的问题,在化工企业中应用安全评价方法是一种十分重要的技术手段。
为了构建较为全面的化工园区安全水平评价指标体系,可从区域企业安全生产状况、区域规划状况、区域生态环境质量状况、区域应急资源利用能力、区域社会经济状况五个方面共26个安全评价指标组成评价体系。
关键词:化工园区;区域安全规划;安全评价指标体系一、概述通常而言,化工企业生产过程具有如下特点:易燃、易爆、有毒、有害、高温、高压、连续性强、资产及其技术性密集等,因此,一旦出现安全事故便会对人们的生命及财产安全造成严重的损失。
因此,对化工企业生产及管理过程实施安全评价工作,以防范安全事故的发生十分重要。
安全评价方法最早是在保险行业的发展下形成的,其开始多应用于美国的军事行业,随后逐步应用至航天航空及石油化工等诸多领域,如今,在化工企业中,安全评价已经发展成为一个成熟的理论体系,并在企业的安全生产及管理过程中占据了十分重要的地位。
二、化工园区安全评价指标体系的构建区域的化工园区安全规划和评价指标的内容比较复杂,首先要考虑的是区域企业安全生产状况与影响(A),以及区域规划状况(B)、环境、生态质量状况(C)、应急资源利用能力(D)和社会经济状况(E)等方面。
(一)区域企业安全生产状况与影响指标的选取企业设计、投产之前的安全规划首先要考虑的当然是企业自身所固有的危险、有害因素对外界环境的影响。
区域的安全生产状况首先要根据该区域的涉及安全的企业的生产状况来表征。
企业的安全则主要与企业自身的危险有害因素相关。
固有危险是指物质生产过程的必要条件(客观的要求)所衍生出来的危险性。
它一般来自三个方面:一是使用、加工、生产出危险的物料,二是可能采用具有危险性的工艺过程,三是可能采用危险的装置、单元操作。
某化工厂安全现状评价报告.DOC1、1安全评价的目的安全评价的目的是贯彻“安全第一,预防为主”的方针,寻求最低事故率、最少损失和最优的安全投资效益。
本次安全现状评价要达到的目的包括以下四个方面:1、1、1对×××化工85%磷酸、70%泥磷酸生产过程中的潜在危害因素进行定性分析和预测。
1、1、2通过评价确认×××化工的85%磷酸、70%泥磷酸生产系统安全生产条件是否满足《危险化学品生产企业安全生产许可证实施办法》中所规定的要求,作为企业申办安全生产许可证的依据。
1、1、3根据已确定的危害因素,分析、确定×××化工85%磷酸、70%泥磷酸生产装置、设施的固有危险程度,并预测可能发生的危险化学品事故后果。
1、1、4通过评价为×××化工提出消除、减弱事故隐患的对策与措施,为事故隐患治理提供依据,提高企业安全管理水平,实现安全平稳的生产。
1、2评价内容(1)企业85%磷酸、70%泥磷酸生产过程的危险、有害因素辨识;(2)企业85%磷酸、70%泥磷酸生产装置、设施的安全状况评价;(3)企业85%磷酸、70%泥磷酸生产装置、设施所在地的周边环境条件评价;(4)企业85%磷酸、70%泥磷酸生产过程中固有的危险有害因素危害程度评价;(5)《危险化学品生产企业安全生产许可证实施办法》所规定的各项安全生产条件评价。
1、3评价依据1、3、1国家法律、法规(1)《中华人民共和国安全生产法》(国家主席令70号)(2)《危险化学品安全管理条例》(国务院令第344号)(3)《特种设备安全监察条例》(国务院令373号)(4)《危险化学品生产企业安全评价导则》(国家安全生产监督管理局安监管危化字[2004]127号)1、3、2技术规范和标准《爆炸危险场所安全规定》(劳动部发[1995]56号)《企业职工劳动安全卫生教育管理规定》(劳动部颁发)《危险化学品事故应急救援预案编制导则》(安监管危化字[2004]43号) GB190-90《危险货物包装标志》 GB6944-86《危险货物分类和品名编号》 GB13690-92《常用危险化学品分类和标志》 GB15258-1999《化学品安全标签编写规定》 GB15603-1995《常用危险化学品贮存通则》 GB16483-2000《化学品安全技术说明书编写规定》GB18218-2000《重大危险源辨识》GB50016-xx《建筑设计防火规范》HG/T23003-92《化工企业静电安全检查规程》 GBJ236-82《现场设备、工业管道焊接工程施工及验收规范》 GB/T13869-92《用电安全导则》 GB50055-93《通用用电设备配电设计规范》GB50053-94《10Kv及以下变电所设计规范》GB50054-95《低压配电设计规范》 GB8196-1987《机械设备防护罩安全要求》GB12158-90《防止静电事故通用导则》 GBZ1-2002《工业企业卫生设计标准》GB2893-82《安全色》 GB2894-1996《安全标志》 GB/T8196-2003《机械安全防护装置》 JT3145-91《汽车危险货物运输、装卸作业规程》 GB11651-89《劳动防护用品选用规则》 GB5044-85《职业性接触毒物危害程度分级》 GB5817-86《生产性粉尘作业危害程度分级》 GB50268-97《给排水管道工程施工及验收规范》 HGJ209-83《中、低压化工设备施工及验收规范》 HGJ210-83《圆筒形钢制焊接贮罐施工及验收规范》 GB50140-xx《建筑灭火器配置设计规范》 GB12801-91《生产过程安全卫生要求总则》 GB5083《生产设备安全卫生要求总则》GB50187-93《工厂企业总平面设计规范》 HG20571-95《化工企业安全卫生设计规定》《化工企业安全管理制度》《工厂安全卫生规程》1、3、3项目有关资料评价服务委托书(见附件)企业营业执照(见附件)企业主要负责人、安全生产管理人员任职资格证(见附件)企业消防检查意见书(见附件)企业应急救援预案防雷检测意见书企业规章制度工艺流程图设备一览表安全操作规程总平面布置图周边环境关系图二、被评价单位概述2、1被评价单位和项目简介×××化工始建于1998年,是一家集体企业,企业法定代表人为刘成全,是一家专门从事磷酸及磷酸盐生产的小型化工企业,企业有一条3000吨85%磷酸生产线和两套400吨70%磷酸生产装置、一个500吨/年磷酸三钠车间、一个300吨/年聚磷酸铵车间。
化工园区区域性整体安全评价导则1总则为指导、规范化工(工业)园区区域性安全风险评价工作,提高安全监督管理水平,促进安全监督管理工作科学化、规范化,制定本导则。
本导则规定了化工(工业)园区安全风险评价的一般原则、程序、方法、内容和基本要求。
2适用范围本导则适用于中华人民共和国领域内规划、在建或建成的化工(工业)园区(以下简称化工园区)的安全风险评价工作。
3术语和定义下列术语和定义适用于本导则。
3.1化工园区由两个或两个以上化工企业及其相关联的或非相关联的企业组成的一个相对集中的区域。
3.2危险化学品重大危险源长期地或临时地生产、加工、使用或存储危险化学品,且危险化学品的数量等于或超过临界量的单元。
3.3风险发生特定危害事件的可能性以及发生事件后果严重性的结合。
3.4风险评价以实现工程、系统安全为目的,应用安全系统工程原理和方法,对工程、系统中存在的危险、有害因素进行识别与分析,判断工程、系统发生事故和急性职业危害的可能性及其严重程度,提出安全对策建议,从而为工程、系统制定防范措施和管理决策提供科学依据。
风险评价可针对一个特定的对象,也可针对一特定的区域范围。
3.5定量风险评价对某一设施或作业活动中发生事故频率和后果进行综合定量分析,采用个人风险和社会风险值描述风险程度,并与风险可接受标准比较的系统方法。
3.6个人风险化工园区内部或周边某一固定位置的人员,由于发生事故而导致的死亡频率,单位为次/年。
3.7社会风险能够引起大于等于N人以上死亡事故的累积频率(F),也即单位时间内(通常每年)的死亡人数。
常用社会风险曲线(F-N曲线)表示。
3.8安全容量一定的经济、技术、自然环境、人文等条件下,化工园区在一段时期内对园区内的正常生产经营活动,以及周边环境、社会、文化、经济等带来无法接受的不利影响的最高限度,也即对风险的最大承载能力。
4安全评价程序化工园区安全风险评价程序为:前期准各;辨识与分析危险、有害因素;划分评价单元;选择评价方法;整体性定性、定量评价与分析;提出安全对策措施建议;做出评价与分析结论;编制风险评价与安全容量分析报告等。
关于化工园区(聚集区)安全评价随着经济的快速发展,在我国的安全生产形势总体稳定与阶段性反弹并存,粗放的经济发展方式给安全生产工作带来的挑战没有改变的前提下,新一轮化工园区整体规划的需要,化工园区安全评价,越来越受到各地政府决策部门和安全监管部门及园区管委会的高度重视。
安全生产“十二五”规划《国务院办公厅关于印发安全生产“十二五”规划的通知》(国办发〔2011〕47号)中指出:“三、主要任务(一)完善安全保障体系,提高企业本质安全水平和事故防范能力。
危险化学品:推动制定与实施化工行业安全发展规划。
开展城市化工产业布局调查,加强城市危险化学品生产、储存企业和化学品输运管线等易燃易爆设施隐患排查治理。
推动新建危险化学品生产企业进入化工园区,规范化工园区安全监管,实行化工园区区域定量风险评价制度。
推动城区内安全防护距离不达标的危险化学品生产及储存企业搬迁。
强化危险化学品生产过程安全管理,对涉及危险化工工艺的生产装置建立自动控制系统及独立的紧急停车系统。
强化重点监管的危险工艺、危险产品和重大危险源的监管和监控,严格危险化学品安全使用许可。
健全区域危险化学品道路运输安全联控机制。
加快建设集仓储、配送、物流、销售和商品展示为一体的危险化学品交易市场,推动大中型城市内的危险化学品经营企业进场交易。
”国家安全监管总局工业和信息化部关于危险化学品企业贯彻落实《国务院关于进一步加强企业安全生产工作的通知》的实施意见(安监总管三〔2010〕186号)指出:“36.加强对化工园区、大型石油储罐区和危险化学品输送管道的安全监管。
科学规划化工园区,从严控制化工园区的数量。
化工园区要做整体风险评估,化工园区内企业整体布局要统一科学规划。
化工园区要有专门的安全监管机构,要有统一的一体化应急系统,提高化工园区管理水平。
”综述上述文件,我们不难想像:在十二五期间必将全面开展化工园区安全评价工作。
为此作为安全评价机构需要做好各项前期准备工作。
化工园区风险评估规范1总则为指导、规范山西省化工园区风险评估分析工作,有效辨识、分析、评估和管控化工园区区域安全风险,降低园区系统安全风险,提高安全管理水平,增强园区安全应急保障能力,促进安全管理工作科学化、规范化,制定本标准。
本标准规定了化工园区风险评估分析的术语和定义、管理规则、程序、方法、内容和报告编制要求。
本标准适用于山西省行政区域内规划、在建或建成的化工园区的风险评估分析工作。
其它以化工企业为主导的工业园区参照本标准进行评估分析。
2规范性引用文件下列文件对于本文件的应用是必不可少的。
凡是注日期的引用文件,仅所注日期的版本适用于本文件。
凡是不注日期的引用文件,其最新版本(包括所有的修改单)适用于本文件。
GB18218危险化学品重大危险源辨识GB/T36762化工园区公共管廊管理规程GB36894危险化学品生产装置和储存设施风险基准GB/T37243危险化学品生产装置和储存设施外部安全防护距离确定方法GB50016建筑设计防火规范GB50160石油化工企业设计防火规范GB50489化工企业总图运输设计规范AQ8001安全评价通则注:本标准未涉及的内容,国家法律、法规和标准有规定的,执行国家法律、法规和标准的规定。
3术语和定义下列术语和定义适用于本标准。
3.1化工园区化工园区包括以煤化工或石化化工为主导产业的新型工业化产业示范基地、高新技术开发区、经济技术开发区、专业化工园区以及依法设置的化工生产企业集中区。
3.2危险化学品重大危险源长期地或临时地生产、储存、使用和经营危险化学品,且危险化学品的数量等于或超过临界量的单元。
3.3风险发生危险事件或有害暴露的可能性,与随之引发的人身伤害、健康损害或财产损失的严重性的组合。
3.4风险评估运用定性或定量的统计分析方法对安全风险进行分析、确定其严重程度,对现有控制措施的充分性、可靠性加以考虑,以及对其是否可接受予以确定的过程。
3.5定量风险评估对某一设施或作业活动中发生事故频率和后果进行综合定量分析,采用个人风险和社会风险值描述风险程度,并与风险可接受标准比较的系统方法。
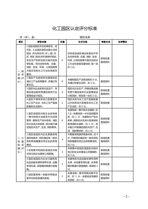
化工园区安全评价指标体系
一、基本理论和方法
(一)改进的层次分析法本文采用李梅霞[16]提出的诱导矩阵法调整判断矩阵的一致性。
为方便计算,本文将层次分析法的计算过程编制成计算机程序,再加入诱导矩阵改进方法。
在实际使用时,输入原始判断矩阵,即可得到符合一致性要求的判断矩阵。
(二)模糊综合评价法在进行多指标评价时,考虑的因素多,且各因素间有层次之分,采用模糊综合评价方法能够较好的解决该问题。
二、安全评价指标体系的构建
本文基于构建化工园区安全评价指标体系的基本原则[9],对化工园区的安全影响因素进行了实地调研和统计分析,并根据园区自身特点选取了以下五个方面作为评价的一级指标:区域企业安全生产状况(A)、区域应急状况(B)、区域规划状况(C)、区域生态安全状况(D)以及区域安全管理状况(E)。
(一)企业安全生产状况1.物料的安全性化工企业有些原材料、半成品、副产品和产品具有较大的安全风险,如果处理不当,企业自身乃至整个化工园区的安全都会受到威胁,需要对其进行危险性分析,主要根据《危险货物分类和品名编号》(GB6944-2012),对物料进行分类。
2.设备的安全性由于化工企业生产的特殊性,在关注物料的同时,应当重视生产设备的安全性,即设备在运行过程中,是否易出现故障,是否存在爆炸等
危险。
3.人员安全素质人员安全素质,指的是工作人员是否受过培训,是否持证上岗。
化工生产是具有危险性的工作。
在生产过程中,任何一个环节处理不当,或稍有疏忽,都有可能产生安全事故。
4.工艺过程的安全性化工产品的生产需要特定的工艺过程参数(如压强、温度等),一旦超过参数范围,或产品不合格,容易引发安全事故。
5.作业环境的安全性作业环境的安全性,指的是车间作业环境对作业人员是否存在潜在的职业危害。
如果长期处于不安全的环境中,会使作业人员得上职业病,对工作及生活都会造成严重的影响。
6.车间防火防爆等级车间是企业储存原料及将原料制成产品的重要场所。
很多物料都存在易燃易爆的性质,而且等级也不尽相同。
此外,产品在生产过程中会产生一些静电、火花等,同样存在燃爆的隐患。
保证车间的防火防爆等级,对于企业安全生产十分重要。
7.企业安全投入状况企业安全投入状况,指的是企业是否定期对厂区进行安全检查。
企业定期对厂区进行安全检查,可有效降低事故发生率。
(二)区域应急状况1.风险识别控制能力化工园区必须具备较强的风险识别控制能力。
只有识别到风险的存在,及时采取应急措施,才能有效地控制住事故态势,降低影响力。
2.消防应急能力化工园区内事故,多数为设备闪爆。
园区内消防炮和消防栓是否覆盖园区,是否有足够可用的消防设备以应对事故则成为关键。
3.医疗救护能力化工园区内发生事故,常常会造成人员伤亡。
园区内有足够的医疗人员和医疗设备,可有效地降低事故造
成的人身伤害。
4.公安应急能力化工园区内的物料具有危害性,一旦落入不法分子手中,对于园区企业来说是经济损失,对于园区外的场所人群存在安全隐患。
各出入口应有安保人员值班,且安保人员需定期培训,提高公安应急能力。
5.专家库资源状况当化工园内出现安全隐患时,必须有一个专家团队进行应急指挥。
专家是否定期进行培训,是否有足够的经验应对安全风险、安全事故至关重要。
6.应急指挥协调能力化工园区有了风险识别控制能力、消防应急能力、医疗救护能力等能力,但是如果无法将这些能力和资源有效地组织协调起来,将无法起到预想的作用。
因此,园区内是否有应急指挥中心,应急通讯是否完善,是否能够有效地指挥协调各部门协同应对风险将成为评价化工园区安全的关键。
(三)区域规划状况1.规划选址合理性化工园区在生产过程中会产生废气、废渣、废物,可能会对空气、土壤造成危害。
因而,园区在规划和选址时应当合理,将污染降低到最低,将对周边城市、人口的影响降低到最小。
2.功能区域划分合理性企业在进行生产时,在不同环节产生的风险并不一样。
合理划分风险控制区,重点监测风险高发区,能够减少投入、提高效率。
3.基础设施完善性化工园区在生产过程中,会消耗大量的水、气、电等能源,同时会产生大量的废物等,完善园区基础设施,保证园区内企业正常生产及废物处理,防止因设施不完善等带来风险。
4.区域交通状况化工园区内的安全事故往往会在短暂的时间内
产生极大的危险性后果。
在安全事故发生时,园区交通设施必须能保证各应急部门能够及时赶到事故现场,采取相应的应急措施。
(四)区域生态安全状况1.自然资源状况化工企业在进行生产时,不可避免地会用到水、土地等自然资源。
同时,化工企业在生产的过程中会产生一定量可能对环境造成污染的废弃物。
化工园区必须定期对园区内的水、土地等自然资源状况以及环境的污染状况进行监测。
2.社会资源状况化工园区由不同的化工企业组成,每个企业会雇佣一定数量的员工为其服务。
如果员工总人数达到一定数量,会对企业及园区社会资源造成一定的压力,带来一些负效应。
3.废物代谢能力化工园区内的废弃物应当尽量地被用来循环利用,垃圾重复利用可以为企业降低了生产成本,促进园区内企业与企业之间的交流合作,对于生态环境保护意义更大。
4.清洁生产能力化工园区内的废弃物除园区内人口产生的生活垃圾外,大部分来源于企业生产作业。
同时,企业在生产作业过程中,可能会产生一定的噪音。
因而,清洁生产能力对于区域生态安全很重要。
5.环保投入状况化工园区的环保投入对于区域生态安全同样很重要。
环保投入状况往往与环境受保护状态成正比,投入越多,环保状况越好。
(五)区域安全管理状况1.准入机制完善性园区应在考虑园区产业链安全性的基础上,有选择的接纳危化品企业入园,支持产业匹配、工艺先进的企业入园建设,严格禁止工艺设备落后的项
目入园,以此来保障整个园区的安全性。
2.安全管理制度完善性化工园区是一个将各小组织组合在一起的大组织,作为一个组织,应当具备一定的安全管理制度,且组织内的每一位成员都应当遵守该化工园区的管理制度。
3.安全管理组织机构完善性化工园区的安全问题应当由专人进行管理,安全管理组织机构则应运而生。
安全管理组织机构应当考虑到风险来源的方方面面,将专人安排在特定的岗位,每一位成员各尽其职。
4.监测防护系统完善性化工园区应当具备一套完善的安全情况监测及防护系统,随时监测园区内不同位置的状态,不留一个死角。
真正做到“预防为主”。
5.人员安全培训状况化工园区内的每一位成员都应定期接受安全教育培训,提高自身安全意识,按规范完成生产作业。
同时化工园区应定期进行安全演习,以保证园区内的每一位成员在发生安全事故时能够正确应对。
三、应用研究
(一)安全评价指标权重及评价结果针对A化工园区实际情况,运用层次分析法计算各因素权重后,邀请专家对各因素进行评价。
(二)模糊数学评价应用加权计算法,并对比表1得出A化工园区投产运行后园区风险水平模糊综合评价的标准分值为0.822。
计算结果表明,该化工园区投产运行后安全水平等级是属于“较安全级”。
(三)评价结论及建议从计算结果可知,A化工园区的安全级别
处在较安全级别,即比较高的安全水平。
由指标体系可知,企业安全生产状况指标所占的权重最大,做好园区的安全生产工作确实是重中之重。
但是,其他指标均以较大的比重影响着园区的安全水平。
尤其是在企业生态安全方面,由于以往评价对这部分的忽视,导致了很多的环境问题,而从评级结果可知该部分的内容对园区的影响不容忽视。
另一方面,整个园区的安全管理制度也起着重要的作用,园区应该完善各化工企业的安全生产监督管理体系和应急管理体系,建立安全生产管理机构,确定各岗位职责;配备足额的安全管理人员,完善并健全安全教育培训机制;建立安全生产管理规章制度,确保园区安全持续的发展。
四、结论
在国内外学者研究的基础上,结合化工园区实际情况,提出了一个更加全面实用的化工园区安全评价指标体系。
根据该体系,运用改进的层次分析法、模糊综合评价法对A化工园区安全情况进行了综合评价。
通过评价,得到该园区的安全水平等级,并提出相应的提高该园区安全水平等级的措施。
本文所提出的化工园区安全评价指标体系,较以往的评价指标体系,考虑的更全面,更加实用;评级方法则较以往的评价方法更便易;评价结论及建议更具有针对性,更利于园区整体提高安全水平。
作者:□吴军王丹陈胜兰白晓昀李健单位:北京化工大学北京邮电大学。