3.委托类签证原始记录
- 格式:doc
- 大小:32.50 KB
- 文档页数:1
第1篇委托人:(姓名)身份证号码:(身份证号码)联系方式:(电话号码)受托人:(姓名)身份证号码:(身份证号码)联系方式:(电话号码)鉴于委托人因工作、学习、探亲、旅游等正当理由,需前往(目的国家或地区),现因委托人本人原因,无法亲自办理签证事宜,特委托受托人代为办理。
为明确双方权利义务,特订立本委托书。
一、委托事项1. 受托人受委托人委托,代为办理委托人前往(目的国家或地区)的签证申请事宜。
2. 受托人有权根据委托人的要求,代为准备、提交签证申请所需的各类文件、资料。
3. 受托人有权代表委托人参加签证申请过程中的各类面试、审核等环节。
4. 受托人有权接受签证机关的咨询,代表委托人解答相关问题。
5. 受托人有权根据委托人的意愿,代为处理签证申请过程中出现的问题。
二、委托权限1. 受托人有权以委托人的名义,向签证机关提交签证申请。
2. 受托人有权以委托人的名义,接受签证机关的审核、面试等。
3. 受托人有权以委托人的名义,领取签证或签证结果。
4. 受托人有权以委托人的名义,处理签证申请过程中出现的问题。
5. 受托人有权根据委托人的要求,调整签证申请策略。
三、委托期限本委托书自签署之日起生效,至委托人取得签证或签证申请被拒绝之日止,委托期限为____个月。
四、双方责任1. 委托人应对受托人提供的信息和资料的真实性、准确性负责。
2. 受托人应尽最大努力,按照委托人的要求,办理签证事宜。
3. 受托人在办理签证事宜过程中,应遵守相关法律法规,维护委托人的合法权益。
4. 受托人在办理签证事宜过程中,如因委托人提供的信息和资料不真实、不准确,导致签证申请被拒绝或产生其他不良后果,由委托人承担相应责任。
5. 受托人在办理签证事宜过程中,如因不可抗力因素导致签证申请失败,双方互不承担责任。
五、保密条款1. 双方对本委托书内容以及签证申请过程中涉及到的个人信息负有保密义务。
2. 未经对方同意,任何一方不得向第三方泄露本委托书内容或个人信息。
工程签证单(GC-11-01)施工单位:编号:(按恒大档案管理办法编号,咨询资料填报,过期不予受理。
2.申报时必须附签证理由证明文件如监理通知、设计变更等,以及经监理方确认的原始凭证及验收合格文件。
3.本签证表一式三份,施工单位、预决算部、工程部资料室各一份。
4、工程如属转扣签证须在右上角注明被转扣单位。
5、竣工图中可计算的项目不可签证数量。
工程签证单(GC-11-02)须填报,过期不予受理。
2.申报时必须附签证理由证明文件如监理通知、设计变更等,以及经监理方确认的原始凭证及验收合格文件。
3.本签证表一式三份,施工单位、预决算部、工程部资料室各一份。
4、工程部在收到签证单后48小时内签署意见,可以签署不同意的意见;办理完毕后3天内由工程部资料员归档;如属转扣签证须在右上角注明被转扣单位。
5、竣工图中可计算的项目不可签证数量。
工程签证单(GC-11-03)须填报,过期不予受理。
2.申报时必须附签证理由证明文件如监理通知、设计变更等,以及经监理方确认的原始凭证及验收合格文件。
3.本签证表一式三份,施工单位、预决算部、工程部资料室各一份。
4、工程部在收到签证单后48小时内签署意见,可以签署不同意的意见;办理完毕后3天内由工程部资料工程签证原始记录凭证(GC-12)建设单位:施工单位:签证单编号:位,必要时需附图及照片标注,以满足计量、计价要求。
材料使用许可证(GC-13)钢筋(GC-13-01)工程名称:编号:材料使用许可证(GC-13)防水材料(GC-13-02)材料使用许可证(GC-13)电线/电缆/插接母线(GC-13-03)工程名称:编号:设备使用许可证(GC-13)发电机机组设备(GC-13-04)设备使用许可证(GC-13)高低压成套变配电设备(GC-13-05)工程名称:编号:设备使用许可证(GC-13)供水设备(GC-13-06)工程名称:编号:材料使用许可证(GC-13)水泥(GC-13-07)工程名称:编号:材料使用许可证(GC-13)砌体(GC-13-08)材料使用许可证(GC-13)油漆/涂料(GC-13-09)材料使用许可证(GC-13)建筑玻璃产品(GC-13-10)材料使用许可证(GC-13)外墙砖(GC-13-11)材料使用许可证(GC-13)内墙砖/地砖(GC-13-12)材料使用许可证(GC-13)铝合金门窗(制品)(GC-13-13)工程名称:编号:材料使用许可证(GC-13)入户门/防火门/户内门(GC-13-14)材料使用许可证(GC-13)天然石/人造石(GC-13-15)材料使用许可证(GC-13)桥架/线槽/线管(GC-13-16)材料使用许可证(GC-13)开关/插座/灯具(GC-13-17)工程名称:编号:材料使用许可证(GC-13)管材/管件(GC-13-18)工程名称:编号:材料使用许可证(GC-13)阀门/水表(GC-13-19)工程名称:编号:材料使用许可证(GC-13)型钢/轻钢龙骨(GC-13-20)工程名称:编号:材料使用许可证(GC-13)金属板材/非金属板材(GC-13-21)工程名称:编号:设备使用许可证(GC-13)通风设备(GC-13-22)设备使用许可证(GC-13)消防报警系统设备(GC-13-23)设备使用许可证(GC-13)电梯设备(GC-13-24)材料使用许可证(GC-13)预制管桩(GC-13-25)材料使用许可证(GC-13)其它材料(GC-13-26)工程名称:编号:桩检测方案报审表(GC-14)工程名称:编号:施工样板验收审批表(GC-15)而涉及外观效果的,报总工室和地区公司负责人审批。
项目公司签证、委托办理工作细则(试行) -------2013.7目录:一、编制依据 (2)二、办理范围 (3)三、办理流程 (4)四、细节要求 (8)五、表格模板 (12)一、编制依据《房地产开发建设管理制度》(20130301)《恒大地产工程管理手册》(20100816)《关于进一步加强签证、委托及设计变更管理的通知》恒地司管字【2009】第085号《关于重申签证管理相关规定的通知》恒地司管字【2011】第100号《关于重申签证、委托及设计变更办理相关要求的通知》恒地司管函字[2012]第 116号《施工降水管理指引》委托办理为10万以下零星工程,没有涉及合同已确定或规定不能办理委托的情形;非项目肢解部分;非涉及较为重大质量安全责任的专业工程如检测类工程(如桩基检测、基坑支护检测)、临电工程等。
签证办理涉及合同未约定价格乙供零星材料总价不超过10万元。
大于10万元要从新招投标,签订合同。
(一)委托办理流程(1)造价在3万元以下的零星工程委托办理、审批流程流程要点:(建设开发制度考核内容)1、工程部必须提前进行询价、谈价等相关的委托过程,如因工程部贻误时间,没有足够时间同施工单位商谈价格,从而造成委托单价过高,给予工程部经理降一级工资处罚。
2、工程部不得将同一工程项目肢解委托。
否则,给予工程部经理降三级工资处罚。
3、委托手续完备后方可施工。
4、工程部在委托书办理完成后3天内归档,并送合同管理部备案。
(2)造价在3万元以上(含3万元)10万元以下的零星工程委托办理、审批流程流程要点:(建设开发制度考核内容)1、工程部必须提前进行询价、谈价等相关的委托过程,如因工程部贻误时间,没有足够时间同施工单位商谈价格,从而造成委托单价过高,给予工程部经理降一级工资处罚。
2、委托手续完备后方可施工。
3、工程部在委托书办理完成后3天内归档,并送合同管理部备案。
4、所有造价在3万元以上的委托须找两家以上单位竞价;造价在10万元以上的工程不得办理委托,必须签订合同;工程部不得将同一工程项目肢解委托。
NO.工程现场签证单(监理)注:1、本签证单需三方签字、加盖各单位印章后方为有效。
2、签证内容如无法用文字表述清楚的需附图。
工程现场签证单(分包)(项目部月)注:1.分包单位作业任务(段)完成经施工质量人员验收通过后,项目经理即可签发;2.签证内容如无法用文字表述清楚的需附图;3.本签证单一式三份,项目部、经营部、分包方各执一份。
现场签证单(范本)注:本签证单一式六份,建设单位、监理单位、施工单位各二份。
现场签证原始记录建设单位:XXXXXXXXX公司现场工程量确认单工程签证核价单第页共页劳动合同用人单位名称劳动者姓名宁波市劳动和社会保障局使用说明一、甲乙双方订立劳动合同,应当遵循合法、公平、平等自愿、协商一致、诚实信用的原则。
二、双方在签订合同时,应仔细阅读合同书。
合同内容应协商一致后填写,合同中的空栏,必须填写清楚,不须填写的空栏请打上“/".本合同中的选择项目,只能选择一项填入确定的空格中.三、本合同必须由用人单位(甲方)的法定代表人(或委托代理人)和职工(乙方)本人签名(盖章),并加盖用人单位印章方为有效。
四、本合同的未尽事宜,可在“其它事项的约定"中列明,或另行签订补充协议。
另行签订的补充协议,作为本合同的附件,与本合同一并履行。
五、本合同请用黑墨水或蓝黑墨水填写,字迹清楚、文字简练、准确,不得涂改。
劳动合同甲方(用人单位)名称:法定代表人(或主要负责人):所在地址:乙方(劳动者)姓名: 文化程度:身份证号码:家庭地址:现居住地址:根据《中华人民共和国劳动法》、《中华人民共和国劳动合同法》(以下简称《劳动合同法》)等相关法律、法规和规章的规定,甲乙双方本着自愿、平等的原则,经协商同意订立本合同,并共同遵守履行。
一、合同期限劳动合同期限按下列第( )项确定A。
本合同为固定期限劳动合同,合同期从年月日起至年月日止,其中试用期为个月,即从年月日起至年月日止;B.本合同为无固定期限劳动合同,合同期从年月日起至符合法定终止时间止,其中试用期为个月,即从年月日起至年月日止;C.本合同为以完成一定工作任务为期限的劳动合同,合同期从年月日起至工作任务完成即行终止.若乙方实际用工起始时间与本合同约定起始时间不一致,以实际用工之日为本合同起始时间。
工程名称启东市北上海恒大威尼斯水城首期(一标)园建工程工程类别园建工程合同编号恒苏启工合字09[0.23]25签证内容:(由施工单位填写)一、签证理由:因我公司施工范围内人工湖有大量积水,贵司委托我司进行降水二、工程量:水泵四台型号:WQB25-10-2.2WQD6-1.5-1.1WQB6-1.5-1.1QY65-10-6-3用电度数:共计836º三、工程起止时间:2011.6月27日~8月16日共计162小时45分钟施工单位(签章):年月日监理工程师意见签名:年月日项目经理意见签章:年月日工程部意见签章:年月日工程技术部意见签名:年月日公司领导意见签名:年月日说明1.所发生签证内容,经两名现场专业监理工程师现场计量并验收合格后,5天内必须填报,过期不予受理。
2.本签证表一式三份,施工单位、预决算部、工程部资料室各一份。
施工单位工程名称启东市北上海恒大威尼斯水城首期(一标)园建工程工程类别园建工程合同编号恒苏启工合字09[0.23]25签证内容:(由施工单位填写)一、签证理由:因甲方加快工程进度,在水景三、四人行道两侧委托我司进行种植土回填。
二、工程量:铲车一台型号:顺发2L-0人工:共计38工三、工程起止时间:2011月6月28日~7月2日时间共计52.5小时施工单位(签章):年月日监理工程师意见签名:年月日项目经理意见签章:年月日工程部意见签章:年月日工程技术部意见签名:年月日公司领导意见签名:年月日说明3.所发生签证内容,经两名现场专业监理工程师现场计量并验收合格后,5天内必须填报,过期不予受理。
4.本签证表一式三份,施工单位、预决算部、工程部资料室各一份。
工程部工程名称启东市北上海恒大威尼斯水城首期(一标)园建工程工程类别园建工程合同编号恒苏启工合字09[0.23]25签证内容:(由施工单位填写)一、签证理由:因接2011年5月24日中心大道新版蓝图。
而中心大道三十一区原图纸中叠水池及种植池有很大变更,我司在接新版蓝图前完成景观三十一区,素土开挖、100厚石屑稳定层、100厚的C15素混凝土垫层种植池砖模制作等。
NO.
工程现场签证单(监理)
注:1、本签证单需三方签字、加盖各单位印章后方为有效。
2、签证内容如无法用文字表述清楚的需附图。
工程现场签证单(分包)
( 项目部月)
注:1.分包单位作业任务(段)完成经施工质量人员验收通过后,项目经理即可签发;2.签证内容如无法用文字表述清楚的需附图;3.本签证单一式三份,项目部、经营部、分包方各执一份。
现场签证单(范本)
注:本签证单一式六份,建设单位、监理单位、施工单位各二份。
现场签证原始记录建设单位:XXXXXXXXX公司
现场工程量确认单
工程签证核价单。
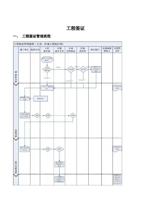
工程签证一、工程签证管理流程现场签证操作的一般流程:二、相关规定一)、变更签证的一般规定1、设计变更和工程签证均须进行统一编号:工程项目-专业类别-序号2、事前控制原则:设计变更和签证,事前均须做成本测算,以指导过程中的成本控制。
3、一单一算原则:一个设计变更及现场签证单应编制一份结算单,且对应一项内容;4、一月一汇总原则:每月汇总已完工的变更签证费用,反映在公司的动态成本中;5、完工确认原则:当设计变更及现场签证完工后,现场的工程师及监理工程师必须在完工后的七个工作日内完成签字确认,如属隐蔽工程,必须在其覆盖之前签字确认;6、原件结算原则:设计变更及现场签证的结算必须要有齐备的、有效的原件作为结算的依据;7、时间限制原则:设计变更、签证都应先立项后实施。
若有特殊情况,设计、工程主办人发出口头变更指令,则必须在48小时内对口头指定进行确认,补填报设计变更、《工程联系单》;8、存档原则:变更、签证立项后甲方主办人应保留一份立项原件以备查阅,施工完成后将实施审核审批工程执行经理(1万元之内)、区域工程副总(2万元之内)、区域总经理(5万元之内)授权内审核审批。
5万元以上项目属于零星工程,须签订《零星工程施工协议》现场实施 提出《工程联系单》工程执行部将审批后的《工程联系单》下发施工单位实施,工程执行部专业工程师和现场监理监督工程签证的实际执行情况施工完成后,施工方报请验收;工程执行部专业工程师现场核定工程量,三方签字确认,报工程执行经理(1万元之内)、区域工程副总(2万元之内)、区域总经理(5万元之内)授权内审核审批。
归档保存,并抄送成本专员(原件)。
验收及办理签证 签证结算 施工单位每月25日汇总已确认签证资料,编制费用预算,并报甲方成本专员;项目成本专员规定办理工程签证结算。
区域工程执行部专业工程师提出《工程联系单》,表明产生的原因、工作内容和发生工程量,报工程执行部经理。
情况共六份都予以三方签字确认并加盖红章,其中一份用于成本管理部每月结算送审,其余分别由项目部、监理和施工单位(3份)保留;9、合格支付原则:变更和签证工作量验收,必须是在保证工程质量的前提下完成的。
工程签证单(GC-11-01)(若为转扣的注明被转扣单位
名称及转扣比例)
施工单位:编号:(按恒大档案管理
期不予受理。
2.申报时必须附签证理由证明文件如监理通知、设计变更等,以及经监理方确认的原始凭证及验收合格文件。
3.本签证表一式三份,施工单位、预决算部、工程部资料室各一份。
4、工程部在收到签证单后48小时内签署意见,可以签署不同意的意见;办理完毕后3天内由工程部资料员归档;如属转扣签证须在右上角注明被转扣单位。
5、竣工图中可计算的项目不可签证数量。
工程签证原始记录凭证(GC-12)
建设单位:
施工单位:签证单编号:
时需附图及照片标注,以满足计量、计价要求。
签证单表格填写范例-标准化文件发布号:(9456-EUATWK-MWUB-WUNN-INNUL-DDQTY-KII
工程签证单(GC-11-01)(若为转扣的注明被转扣单位
名称及转扣比例)
施工单位:编号:(按恒大档案管理
办法编号,咨询资料员)
过期不予受理。
2.申报时必须附签证理由证明文件如监理通知、设计变更等,以及经监理方确认的原始凭证及验收合格文件。
3.本签证表一式三份,施工单位、预决算部、工程部资料室各一份。
4、工程部在收到签证单后48小时内签署意见,可以签署不同意的意见;办理完毕后3天内由工程部资料员归档;如属转扣签证须在右上角注明被转扣单位。
5、竣工图中可计算的项目不可签证数量。
工程签证原始记录凭证(GC-12)
建设单位:
要时需附图及照片标注,以满足计量、计价要求。
工程委托、签证管理办法(制度)第一章总则一、目的:1、为进一步加强各项目成本控制,明确现场工程变更、签证管理的工作程序,减少或尽量避免合同外费用的发生,利于竣工结算工作的顺畅,现制定本流程;本管理办法适用于集团及各分、子公司所有建设工程项目,包括对新建、改建、扩建等项目的工程现场签证的管理。
2、确认合理的设计变更签证程序,从而控制设计变更、签证的费用;3、确认合理的施工洽商签认工作管理程序,从而控制因设计深度不够、设计细部节点不全以及设计错误等造成工程进度延缓和施工费用的增加。
二、定义:1、工程签证是指工程承包合同范围内所发生的且不能在竣工图、设计变更中反映的工程量签证。
一般包含签证单及其附件(原始记录、计量所需附图、工作联系单、设计变更、反映工程状况变化的照片等)2、工程签证是指按照合同规定,工作内容需要现场确认的文字记录;3、零星工程委托指建设单位以要约的形式,邀请施工企业(非总包单位)承建某项合同内容未包含、造价金额较少、工程内容比较简单的工程。
三、原则:1、权力限制原则:工程现场委托、签证管理实行严格的权限规定,不在权限范围之内的签字一律无效,如对公司造成损失,追究越权签字人的责任。
2、时间限制原则:工程现场委托、签证及其结算实行严格的时间限制,禁止事后补办。
3、一单一算原则:一个现场委托或签证单应编制一份结算单,且对应一个工程合同。
4、一月一清原则:每月05日前,发包单位现场造价师、承包单位应就截止上月末已完工且手续完备的工程现场委托或签证,核清造价并签字确认,交部门领导复核。
5、完工确认原则:当工程现场委托、签证完工后,发包单位工程部现场工程师和监理单位工程师必须在完工后2日内签字确认,如属隐蔽工程,必须在其覆盖之前签字确认。
6、原件结算原则:工程现场委托、签证的结算必须要有齐备的、有效的原件作为结算的依据。
7、多级审核原则:工程现场签证的造价结算至少要经过三级以上的审核。
8、标准表格原则:所有的工程现场委托、签证单都必须使用规定的标准表格。
工程签证单(GC-11-01)(若为转扣的注明被转扣单位
名称及转扣比例)
施工单位:编号:(按恒大档案管理
办法编号,咨询资料员)
期不予受理。
2.申报时必须附签证理由证明文件如监理通知、设计变更等,以及经监理方确认的原始凭证及验收合格文件。
3.本签证表一式三份,施工单位、预决算部、工程部资料室各一份。
4、工程部在收到签证单后48小时内签署意见,可以签署不同意的意见;办理完毕后3天内由工程部资料员归档;如属转扣签证须在右上角注明被转扣单位。
5、竣工图中可计算的项目不可签证数量。
工程签证原始记录凭证(GC-12)
建设单位:
施工单位:签证单编号:
时需附图及照片标注,以满足计量、计价要求。
工程签证单
注:1.所发生签证内容,经两名现场专业监理工程师现场计量并验收合格后;合格后5天内施工单位必须填报,过期不予受理。
2.申报时必须附签证理由证明文件如监理通知、设计变更等,以及经监理方确认的原始凭证及验收合格文件。
3.本签证表一式三份,施工单位、预决算部、工程部资料室各一份。
4、工程部在收到签证单后48小时内签署意见,可以签署不同意的意见;办理完毕后3天内由工程部资料员归档;如属转扣签证须在右上角注明被转扣单位。
5、竣工图中可计算的项目不可签证数量。
施工
单位
联
工
程部联
预决算部
联
工程签证原始记录凭证
建设单位:****有限公司
施工单位:****有限公司签证单编号:
片标注,以满足计量、计价要求。
□施工单位联
□工程部联
□预决算部联。