铸钢件超声探伤及质量评级方法
- 格式:docx
- 大小:146.61 KB
- 文档页数:10
引用铸钢件超声波探伤检测标准本文引用自一次记忆《铸钢件超声波探伤检测标准》引用一次记忆的铸钢件超声波探伤检测标准中标与美标之差异深圳市建设工程质量检测中心——弓明学习运用两国标准让我们来共同分析一下,两种国情体系下的标准,在超声波探伤检测铸钢件时对铸钢件内部质量要求的差异吧。
铸钢件检测标准1、《铸钢件超声探伤及质量评定方法》GB7233-87(中国标准文中简称中标)2、《碳钢、低合金钢和马氏体不锈钢铸件超声波检验标准》ASTM-609/609M:1991(美国标准文中简称美标)关于适用范围中标规定:本标准规定了厚度等于或者大于30㎜的碳钢和低合金钢铸件的超声波探伤方法;以及根据超声探伤的结果对铸件进行质量评级的方法。
所用的超声探伤方法仅限于A型显示脉冲反射法。
美标规定:1.1本方法包括了用脉冲反射纵波法,对经热处理的碳钢、低合金钢和马氏体不锈钢铸件进行超声波检验的标准和工艺。
4.2.2 双晶探头探测等于或小于1英寸(25mm)的截面,推荐使用5MHz,晶片尺寸为1/2英寸×1英寸(13mm×25mm)夹角为12°的探头。
中标当时制定的时候是把厚度小于30㎜铸钢件排除在本标准以外的。
而美标则明确了等于或小于25㎜的铸钢件的具体检测方法。
分析两国当时的铸造水平及探伤手段不难看出,中国当时的铸造件还停留在“傻大笨粗”,检测设备也是比较低端的,当时国内有能力生产双晶探头的厂家少,探伤人员可选择的探头有局限性,而且探伤人员很少接触到薄壁探伤,自然双晶探头很少使用甚至没用过。
这和我国当时的国情密切相关,而现在我国铸造水平提高很快,此标准“本标准规定了厚度等于或者大于30㎜的碳钢和低合金钢铸件的超声波探伤方法”的开头对不少从事这个行业的工作人员造成不小的误导。
很容易让人误认为厚度小于30㎜的铸钢件是不适合超声探伤检测的。
其实不然,时代在变,不应用老方法去看待新事物。
关于定量和定性美标在超声探伤检测上是只定量不定性的。
锻钢件的超声波探伤检查方法缺陷等级分类及判定标准1•目的规范公司锻钢件的超声波探伤检查方法,规范缺陷等级分类及判定标准2•内容2.1探伤装置使用脉冲反射式超声波探伤仪。
2.2探伤方法原则上采用单晶头垂直探伤法。
但是精密探伤及有特殊要求的部位,将同时采用其他探伤方法。
2.3探伤方向及探伤范围按下表实施探伤。
但是,认定有缺陷等异状时,必须从所有方向开始探伤。
探伤方向及扫查范围向:对半圆周进行全面探伤。
但小齿轮、螺纹轴、蜗轮、辊子等表层附近特别重要的锻钢件,要从整周开始进行全面探伤。
轴类锻钢件径向:外周全面探伤轴向:从两个方向进行全面探伤轴向:从两个方向开始进行全面探伤从长度方向,宽度方向,板厚方向三个方向开始进行全面探伤。
但齿条等表层附近特别重要的锻钢件,三个方向均需从两面开始全面探伤。
径向:对外周进行全面探伤轴向:从一个方向开始全面探伤。
但是,齿圈等表层附近特别重要的锻钢件要从两个方向起全面探伤。
径向:对外周进行全面探伤轴向:从一个方向开始全面探伤。
但是,齿轮、车轮等表层附近特别重要的锻钢件要从两个方向起全面探伤。
探伤表面的表面粗糙度要达至【Ra12.5以上较好精加工状态。
2.5测量范围的调整原则上,测定范围要调整至底面回波在显示屏时间轴上显现2次。
2.6探伤方式、使用频率和使用探头探伤方式,使用频率和使用探头见下表。
2.7探伤灵敏度的设定2.7.1底面回波方式的灵敏度设定⑴直径或壁厚在2mm以下的部位,将各不同直径或壁厚的致密部位上第1次底面回波高度(BG)调整至探伤仪显示器刻度板的80%。
然后,根据图4进行灵敏度的增幅,以此作为探伤起始灵敏度。
另外,对于超过检查部位的壁厚1/2以上的区域进行探伤时,需要进一步提高灵敏度12dB进行探伤。
关于小齿轮、螺纹轴、蜗轮、齿轮、齿条、车轮等表层附近特别重要的锻钢件,则用提高了12dB后的灵敏度进行全面或是从两面开始探伤。
⑵试验部位的壁厚超过2m时,使用探头专用的DGS曲线图。
铸件超声波探伤标准铸件超声波探伤是一种常用的无损检测方法,它能够有效地检测出铸件内部的缺陷和异物,对铸件的质量控制起着至关重要的作用。
本文将介绍铸件超声波探伤的标准,以及在实际应用中的注意事项和技术要点。
首先,铸件超声波探伤的标准主要包括国家标准、行业标准和企业标准。
国家标准是对铸件超声波探伤的技术要求和检测方法进行规范,确保其检测结果的准确性和可靠性。
行业标准是在国家标准的基础上,针对具体行业的特殊要求进行制定的,例如航空航天、汽车制造等行业都有相应的行业标准。
而企业标准则是根据企业自身的生产特点和技术水平进行制定的,旨在提高产品质量和生产效率。
其次,铸件超声波探伤的标准主要包括以下几个方面,探伤设备的选择和校准、探伤人员的培训和资质认证、探伤工艺的规范和操作流程、探伤结果的评定和记录等。
在实际应用中,需要严格按照标准的要求进行操作,确保探伤结果的准确性和可靠性。
另外,铸件超声波探伤的标准还包括对不同类型铸件的不同要求。
例如,对于铸铁件、铸钢件和铝合金铸件,其超声波探伤的技术要点和操作规程都有所不同。
在实际应用中,需要根据具体的铸件材质和结构特点,选择合适的探伤方法和参数,以确保对铸件内部缺陷的有效检测。
最后,铸件超声波探伤标准的制定和实施对于提高铸件质量、保障产品安全具有重要意义。
通过严格遵守标准的要求,可以有效地减少铸件内部缺陷的产生,提高产品的合格率和可靠性,降低因质量问题而造成的损失和风险。
综上所述,铸件超声波探伤标准是保障铸件质量和产品安全的重要保障,其制定和实施对于提高铸件质量、降低生产风险具有重要意义。
在实际应用中,需要严格遵守标准的要求,确保铸件超声波探伤工作的准确性和可靠性,为企业的可持续发展提供有力支持。
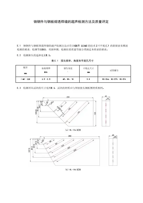
铸钢件与钢板熔透焊缝的超声检测方法及质量评定E.1铸钢件与钢板熔透焊缝的超声检测方法应符合GB/T11345的技术2(平底孔)的斜射波束横波检测的要求,检测等级B级,双面单侧,检测结果质量等级分类满足本附录的要求。
E.2检测探头的选择见表E.1。
表E.1探头频率、角度和平底孔尺寸板厚mm 标称频率MHz探头角度°平底孔尺寸mm试块编号≥40~110 1.5~2.545、60、70 3.0HL-Iva,HL-IVb,HL-IVc E.3检测对比试块的尺寸见图E.1,试块的材质应与焊接接头钢板侧材质相同。
(a)HL-IVa试块(b)HL-IVb试块(c)HL-IVc试块图E.1HL-IVa,HL-IVb,HL-IVc试块结构设计示意E.4超声检测的规则反射体的距离-回波高度-当量尺寸曲线(DGS曲线)应符合表E.2的规定。
表E.2规则反射体的距离-回波高度-当量尺寸曲线灵敏度焊缝类型板厚mm 判废线dB定量线dB评定线dB铸钢件与钢板熔透焊缝≥40~100Φ3+10Φ3+6Φ3-4E.5缺陷显示长度,是指缺陷回波幅度等于或大于评定等级的显示水平长度。
测量时,将探头左右移动,使波幅降低至评定等级,以此测定缺陷的显示长度。
E.6评定线以上至定量线以下为Ⅰ区,定量线至判废线Ⅱ区,判废线及以上区域Ⅲ区。
E.7缺陷评定应符合下列要求:a)超过评定线的信号应注意其是否具有裂纹等危害性缺陷特征,如有怀疑时应采取改变探头角度、增加检测面、观察动态波形、结合结构工艺特征作判定;如对波型不能准确判断时,应辅以其他检测方法作综合判定。
b)相邻两缺陷各向间距小于8mm时,两缺陷显示长度之和作为单个缺陷的显示长度。
E.8检测结果的质量评定应符合下列要求:a)最大反射波幅位于Ⅱ区的缺陷,根据缺陷显示长度和多个缺陷的累计长度按表E.3的规定进行评定。
单个缺陷显示长度和多个缺陷累计显示长度满足表 E.3要求的判为合格;不满足表E.3要求的判为不合格。
GB 9443-88 铸钢件渗透探伤及缺陷显示迹痕的评级方法UDC 621.741.4 : 620.179.1Methods of liquid penetrant testing and classificationof indication for steel castings本标准规定了铸钢件渗透探伤方法及缺陷显示迹痕的评级方法.本标准适用于铸钢件表面开口缺陷的渗透探伤.1 一般规定1.1 渗透探伤之前铸钢件表面的型砂、涂料、铁锈、氧化皮等必须清理干净.1.2 铸钢件表面粗糙度应达到相应的等级要求,表4列出各质量等级要求的表面粗糙度Ra的最大值.1.3 使用本标准时,应由供需双方根据铸钢件使用要求,协商选择本标准的某一级为合格级.允许同一铸钢件的不同部位,或同一部位对不同类型的缺陷,规定各自的合格等级.1.4 从事渗透探伤或缺陷等级评定的人员必须持有国家有关部门颁发的、并与其工作相适应的资格证书.1.5 渗透探伤近距离矫正视力必须在1.0以上,辨色视力应达到能区分与渗透探伤方法有关的颜色对比度.1.6 渗透探伤中有妨碍人体伊朗的挥发性气体和紫外线,需要有相应的安全措施.2 渗透探伤装置渗透探伤装置主要由渗透装置、乳化装置、清洗装置、显像装置、干燥装置、观察装置构成.2.1 渗透装置包括渗透槽或者喷涂设备和排除残留渗透剂的工作台.2.2 乳化装置包括乳化槽或者喷涂设备.2.3 清洗装置包括清洗槽,喷洗设备,喷洗设备应具有温水,其水温、水压应可调节.2.4 干燥装置包括干燥室和热设备,其温度可调节.2.5 使用湿式和快干式显像剂时,显像装置包括喷洒设备和搅拌设备,搅拌设备使显像剂保持均匀分散状态.干式显像装置应是封闭式,采用压缩空气把显像剂吹成雾状,并有抽风设备防止显像剂飞散到装置外部.2.6 黑光灯的紫外线波长应为320-400mm.距黑光灯滤光板400mm处的黑光辐射照度应不低于800μW/cm2.2.7 渗透探伤装置在满足第5章渗透探伤方法的要求情况下,可以采用其它装置.3 渗透探伤剂渗透探伤剂包括渗透剂、乳化剂、清洗剂、显像剂.不同型号渗透探伤剂不能混用.3.1 渗透剂的控制3.1.1 参比渗透剂:每一批新的渗透剂中取500mL作为样品,贮藏在密封的玻璃容器中,贮存温度为16-52℃,并避免阳光照射.3.1.2 各种渗透剂的比重应根据制造厂说明书的规定经常校验并保持其比重不变.校验方法是采用比重计测定.3.1.3 各种渗透剂的浓度应根据制造厂说明书规定经常校验.3.1.4 着色渗透剂浓度的校验方法:将10mL校验的渗透剂和参比渗透剂分别注入到盛有90mL无色煤油或其它惰性溶剂的量筒中,搅拌均匀.然后把两种试剂分别放在比色计纳式试管中进行颜色浓度的比较.如果被校验渗透剂与参比渗透剂的颜色浓度差超过20%,就应作为不合格.3.1.5 对正在使用的渗透剂应做外观检验.如发现有明显的混浊或沉淀物,变色或难以清洗,应予报废.3.1.6 对荧光渗透剂的荧光性能也应经常校验,其荧光效率不得低于75%.校验的方法按GB5097-85《黑光源的间接评定方法》标准的附录A测定.3.1.7 对渗透剂中氯、氟、硫含量需加以限制时,可由制造厂和用户双方协商决定.3.1.8 各种渗透剂用对比试块与参比渗透剂进行性能对比试验,当被检渗透剂显示缺陷的能力低于参比渗透剂时,应报废.3.2 显像剂的控制3.2.1 对干式显像剂应经常检查,如发现粒子凝聚,有显著残留荧光,性能低下者要废弃.3.2.2 显像剂的浓度应保持在制造厂规定的工作浓度范围内,其比重也应经常进行校验.3.3 渗透剂必须装在密闭容器中,放在低温暗处保存.显像剂和快干显像剂必须装在密闭容器中保存.4 对比试块及应用4.1 对经试块分镀铬对比试块和铝合金对比试块两种.4.1.1 镀铬对比试块的规格和尺寸见图1.在铜或钢的表面直进行电镀,然后将电镀后的试块施加适当的应力,直到镀层产生裂纹.用参比渗透剂对试块进行渗务并照相或复制其结果.4.1.2 铝合金对比试块按ZB J04003-87《控制渗透探伤质量的方法》标准规定.4.2 对比试块的应用4.2.1 在相同试验条件下用对比试块来检验渗透探伤剂的性能和操作方法是否合适,及其显示缺陷的迹痕的能力.每次探伤前或操作条件发生变化时,都应使用对比试块进行验证.4.2.2 做过着色探伤的对比试块一般情况下不能再作荧光探伤试验.4.2.3 对比试块使用后必须彻底清洗,清除试块表面残的渗透剂,清洗后将其放在丙酮溶液中浸渍30min,凉干后置于密闭容器中保存.5 渗透探伤方法5.1 探伤前应考虑铸钢件表面可能出现的缺陷类型和大小、铸钢件的用途、表面粗糙度、数量和尺寸以及探伤剂的性质,按表1和表2选择探伤方法,并可将表1和表2的符号组合起来表示探伤方法.便如:FA-W表示用水洗性荧光渗透液和湿式显像剂的方法.5.2 探伤操作根据没的探伤方法按表3确定探伤操作程序.5.2.1 前处理5.2.1.1 铸钢件表面在施加渗透剂前,必须彻底清除妨碍渗透剂渗入缺陷的油脂及污物等附着物,以及残留在缺陷中的油脂及水分.5.2.1.2 根据附着物的种类,污染程度的不同,可分别采用溶剂清洗,蒸汽清洗、涂膜剥离、碱洗和酸洗等方法进行清除处理.5.2.1.3 铸钢件渗透探伤前不宜喷丸,如喷丸渗透前必须进行酸洗处理.5.2.1.4 铸钢件表面进行局部探伤时,前处理范围应从要求探伤部位向外扩展25mm.5.2.1.5 处理后铸钢件表面上残留的溶剂、清洗剂和水分等必须充分干燥.5.2.2 渗透处理5.2.2.1 渗透处理可根据铸钢件的数量、尺寸、形状及渗透剂的种类选用浸渍、喷洒和涂刷等方法.5.2.2.2 渗透时间取决于渗透剂的种类、渗透方式,在16-52℃范围内渗透时间通常在5-25min之内.渗透时间不应少于渗透剂制造厂推荐的时间.5.2.2.3 在进行乳化或清洗处理前,铸件表面所附着的残余渗透剂尽可能滴干.5.2.3 乳化处理5.2.3.1 乳化处理前先用水予以清洗,然后采用浸渍、喷洒等方法将乳化剂施加于铸钢件表面,乳化必须均匀.5.2.3.2 他化时间取决于乳化剂和渗透剂的性能及铸钢件的表面粗糙度.规定乳化时间是指便于清洗处理的最长时间,原则上用油基乳化剂时间在2min之内,用水基乳化剂折乳化时间在5min之内.5.2.4 清洗处理及去除处理5.2.4.1 清洗处理是为了除去附着在被检物表面的残余渗透剂,在处理过程中既要防止处理不足而对缺陷显示迹痕识别的困难,也要防止处理过度而使渗入缺陷中的渗民被洗掉.用荧光渗透剂时,可在紫外线照射下观察清洗程度.5.2.4.2 水洗性及后乳化性渗透液均用水清洗.使用喷嘴时的水压不大于340kPa(3.5kgf/cm2),水温最好为40-50℃.5.2.4.3 采用清洗溶剂去除渗透液时应使用蘸有清洗剂的布或纸按同一方向擦试,不得将被检件浸于清洗剂.5.2.5 干燥处理5.2.5.1 铸钢件表面的干燥温度应控制在52℃以下.5.2.5.2 使用干式或快干式显像剂时,干燥处理应在显像处理前进行.5.2.5.3 用清洗剂时,应自然干燥或用布、纸按同一方向擦干,不得加热干燥.5.2.6 显像处理5.2.6.1 用干式显像法时,把铸钢件埋在显像剂中或者喷成粉雾均匀地盖在整个铸钢件表面上,并保持一定时间.5.2.6.2 用湿式显像剂时,铸钢件经过清洗处理后可直接浸入湿式显像剂中,也可选用喷洒和涂刷的方法.显像后应使附着于铸钢件表面的显像剂迅速干燥.5.2.6.3 用快干式显像剂时,干燥后再喷洒或涂刷显像剂但不可把清洗后的铸钢件浸于显像剂中.喷涂上显像剂后应进行自然干燥或用室温空气吹干.5.2.6.4 用湿式及快干式显像剂时,显像剂应喷涂薄而均匀,以略能看出铸钢件表面为宜,不要在同一部位上反复涂敷.5.2.6.5 显像时间取决于显像剂的种类、预计的缺陷种类和大小以及处理的温度等因素.在16-52℃范围内一般显像时间7-15min,但不能低于显像剂制造厂家所规定的显示时间.5.2.7 观察5.2.7.1 观察显示的迹痕应在显像剂施加后7-30min内进行.如显示迹痕的大小不过分扩大,则可超过上述时间观察.5.2.7.2 荧光渗透探伤时,在黑光灯下进行观察,观察前要有5min以上时间使眼睛适应暗室环境.5.2.7.3 着色渗透探伤时,被检表面可见光的照度不少于500lx.5.2.7.4 当出现显示迹痕时,必须确定此迹痕是真缺陷还是假缺陷显示.如无法确定,则应进行复验或用其它方法进行验证.5.2.8 复验发现下列情况必须从前处理开始重新进行检验;a.操作方法有错误;b.难以确定迹痕是真缺陷还是假缺陷;c.如果对缺陷显示迹痕,难于按标准进行等级分类时,也必须通过复验或用其它适当的方法加以验证;d.有其它需要.5.2.9 后处理5.2.9.1 观察后,为了防止残留的渗透剂和显像剂对铸钢件表面产生腐或影响其使用,应采用5.2.4条方法给予清除.5.2.9.2 铸钢件加工表面去除显像剂后工件应予以干燥,必要时加以防腐保护.6 缺陷显示迹痕的评级6.1 缺陷显示迹痕评级的应用铸钢件缺陷显示迹痕的评级系我货时的铸钢件渗透探伤质量等级.允许焊补的铸钢件在焊补后,仍按本标准的规定进行检验和评级.6.2 缺陷显示迹痕的种类缺陷显示迹痕按其形状及间距分为三种.a.点状缺陷显示迹痕;点状缺陷(Sr):L<3l,L为缺陷显示长度,l为缺陷显示宽度.b.线状缺陷显示迹痕:线状缺陷(Lr):L≥3l;c.点线状缺陷显示迹痕:点线状缺陷(Ar):d<2mm至少包含3个缺陷;d为两个缺陷间距.6.3 缺陷显示迹痕的分级缺陷显示迹痕根据缺陷迹痕大小和分布分七个等级,见表4.6.4 评定框采用105mm×148mm的矩形作为评定框.进行缺陷显示迹痕评级时,应将评定框放置在被检铸钢件的表面缺陷最严重的位置上,计算缺陷个数时,也包括评定框边线上的缺陷.线状、点线状缺陷只计算评定框以内缺陷的长度.当被检面积小于评定框时点状缺陷个数及线状、点线状缺陷总长应按比例缩小.当缩小后的缺陷总长小于单个线状、点线状缺陷长度时,应以单个缺陷长度为限.6.5 裂纹缺陷的规定当线状缺陷和点线状缺陷确认为是裂纹时,应定为不合格.7 探伤结果的标识与探伤报告7.1 缺陷显示迹痕可根据需要分别用照相、示意图或描绘等方法记录.7.2 探伤后的合格铸钢件表面如需标明时,记做P符号的永久标记.7.3 探伤报告渗透探伤报告应包括以下内容.7.3.1 铸钢件名称、编号、形状尺寸、材质、热处理状态、表面粗糙度、要求合格级.7.3.2 探伤方法及操作程序,探伤剂的种类牌号.7.3.3 操作条件a.渗透时间和渗透温度;b.乳化时间;c.清洗水的温度和压力;d.干燥温度和时间;e.显像时间及观察时间.7.3.4 探伤结果a.探伤区域、评定框的位置及缺陷迹痕示意图;b.缺陷的类型;c.缺陷显示迹痕的等级;d.有无裂纹.7.3.5 操作人员资格及签名、签发日期.附录A点状缺陷评级示意图(参考件)A1 下列点状缺陷评级示意图仅供参考,在进行缺陷评级时,应以表4规定为准. A2 缺陷程度Sr1;(8个点状缺陷1.5mm≤D≤3mm)D为点状缺陷的最大长度.A3 缺陷程度Sr2(8个点状缺陷D≥2mm)A4 缺陷程度Sr3(12个点状缺陷D>2mm)A5 缺陷程度Sr4(20个点状缺陷D>2mm)A6 缺陷程度Sr5(32个点状缺陷D>2mm)附加说明:本标准由中华人民共和国机械电子工业部提出. 本标准由上海材料研究所归口.本标准由沈阳铸造研究所负责起草.。
•中国钢企网•百科首页•登录•注册•帮助•••••••邀请注册•进入词条搜索词条••全民共同撰写的百科全书已收录词条个词条统计•浏览次数: 136 次•编辑次数: 1 次历史版本•更新时间: 2010-03-02wwwwww超级管理员词条创建者发短消息中国钢铁百科 >> 钢铁冶金>> 连铸最新历史版本 :铸钢件超声探伤及质量评级方法(摘要) GB 7233-87 返回词条•编辑时间:2010-03-02 10:37 历史版本编辑者:wwwwww历史版本:•内容长度:208130 图片数:0目录数:0•修改原因:铸钢件超声探伤及质量评级方法(摘要) GB 7233-87本标准系铸钢件超声探伤的通用标准。
本标准规定了厚度等于或大于30mm的碳钢和低合金钢铸件的超声探伤方法;以及根据超声探伤的结果对铸件进行质量评级的方法。
所用的超声探伤方法仅限于A型显示脉冲反射法。
在定货时,由供需双方商定铸钢件超声探伤的以下要求:a.检测的区域及使用的探头;b.纵波直探头探伤灵敏度;c.铸钢件质量的合格等级,允许对平面型缺陷和非平面型缺陷提出不同的质量等级要求。
本标准不适用于奥氏体不锈钢铸件的检测。
1术语1.1平面型缺陷(Planar discontinuity):用本标准规定的方法检测一个缺陷,如果只能测出它的两维尺寸,则称为平面型缺陷。
属于这种类型的缺陷有裂纹、冷隔、未熔合等。
1.2非平面型缺陷(Nonplanar discontinuity):用本标准规定的方法检测一个缺陷,如果能够测出它的三维尺寸,则称为非平面型缺陷。
属于这种类型的缺陷有气孔、缩松、缩孔、夹砂、夹渣等。
1.3透声性(Permeability to ultrasound):超声纵波垂直入射到测试面与其背面平行的无缺陷的铸钢材料中,超声波在其中往返传播一次所引起的声压降。
单位为分贝(dB)。
通常用纵波直探头测试的第二次与第一次底面回波幅度所差的分贝数表示。
薄铸钢件超声波缺陷检测及验收方法摘要:由于近年来对铸钢件产品需求日益增加,质量要求也不断提高,如何对薄壁铸钢件利用超声波检测进行质量控制成为无损检测人员急需研究和解决的难题.关键词:超声波检测近场区薄壁铸钢件验收机械制造行业的许多零部件是由铸钢件材料制作的,近年来随着制造行业市场对铸钢件产品需求的日益增加,其质量要求也在不断地提高,如何对薄壁铸钢件产品进行检测已经成为产品质量控制的关键点。
超声波检验作为无损检测的一种方法,这种检测方法具有方便、快捷、安全等特点,目前广泛地应用于钢结构和焊接件的无损检测。
那么如何有效地利用和发挥超声波检测的这些优势和特点,实现对薄铸钢件的内部质量进行有效地和客观地评价,成为无损检测人员需要研究和解决的问题.铸钢件的特点是形状复杂,表面粗糙,壁厚不均,内部晶粒组织粗大,超声波在铸钢件中传播的过程中衰减严重,同时铸钢件成形过程中由于熔点高,钢液易氧化,流动性差,收缩大,其体收缩率为10—14%,线收缩率为1.8—2.5%,在冷却过程中会产生冷隔,缩孔,气孔,疏松,裂纹等铸造工艺中特有的缺陷,这些都给超声波检测带来很大的难度。
国内铸钢件的超声波检测标准常用的标准是GB/T7233-1987,但该标准适用范围是T≥30mm的碳钢和低合金钢铸件,对薄壁铸钢件不合适,查阅其他标准都没有适合的标准可用。
以往人们往往选用射线检测的方法对薄铸钢件进行检测,这种方法不但检测周期长、检测成本高,更重要的是对辐射安全防护和操作人员的要求严格,如何有效的利用超声波检测实现有效控制质量、降低检测成本、提高检测效率成为一个很重要的课题。
本文将在实际工作中遇到的薄铸钢件超声波检测为例,和大家一起交流和分享。
在现场检测时,挖掘机上有一零部件叫俯仰臂,其材质为ZG340-640,壁厚为22-28mm,该部件在使用过程中经常断裂,经常遭到用户投诉以至于索赔,通过对破损件的断口观察及金相分析得出的结论是由于工件内部存在缩孔,疏松,偏析等缺陷造成局部强度下降而引起失效。
标准(转录)铸钢件超声波探伤方法及质量评定标准Q/CL182-20051 范围本标准规定了厚度等于或大于30mm的碳钢和低合金钢铸件的超声探伤方法以及根据超声探伤的结果底铸件进行质量评级的方法。
所用的超声探伤方法仅限于A型显示脉冲反射法。
采用本标准时,必须提供铸钢件的超声波探伤用图,图中应注明要求探伤的部位和相应的质量等。
本标准不适用于奥氏体不锈钢铸件的检测2 引用标准ZBY230 A型脉冲反射式超声探伤仪通过技术条件ZBJ04.001 A型脉冲反射式超声探伤系统工作性能测试方法3 术语3.1 线状缺陷线状缺陷是指缺陷的长度与宽度之比大于或等于三倍的缺陷3.2 分散缺陷分散缺陷是指量相邻缺陷边界间的距离大于或等于其中较大一个缺陷的长度者。
3.3 密集缺陷密集缺陷是指量相邻缺陷边界间的距离小于或等于其中较大一个缺陷的长度者。
4 人员资格4.1 铸钢件超声波探伤人员,应取得主管无损探伤资格鉴定机关颁发的超声波探伤人员资格证书,并从事相应的工作。
4.2 铸钢件超声波探伤人员,还应具有铸钢件材料、工艺、铸造缺陷及热处理等方面的基础知识。
5 设备器材5.1 铸钢件超声波探伤仪器性能应符合ZBY230的有关规定。
5.2 探头5.2.1 直探头的频率为1-5MHz,晶片直径10-30mm。
带有软保护膜的同规格直探头有限采用。
5.2.2 斜探头的频率为2-5MHz,折射角45-75°,晶片尺寸10-20mm。
5.2.3 双晶片探头的频率为2-5MHz,晶片尺寸不大于20mm。
5.3 仪器系统的性能仪器系统的灵敏度余量和分辨力应按照ZBJ04.001的有关规定进行测试5.3.1 在工作频率下,纵波直探头的灵敏度余量不得低于30dB。
5.3.2 在工作频率下,纵波直探头的分辨力不得低于20dB5.4 试块对于试块用铸造碳钢或低碳合金钢材料制作,其透声性应与被检铸钢件相同或相近,不允许存在大于等于φ2平底孔当量的缺陷。
引用铸钢件超声波探伤检测标准本文引用自一次记忆《铸钢件超声波探伤检测标准》引用一次记忆的铸钢件超声波探伤检测标准中标与美标之差异深圳市建设工程质量检测中心——弓明学习运用两国标准让我们来共同分析一下,两种国情体系下的标准,在超声波探伤检测铸钢件时对铸钢件内部质量要求的差异吧。
铸钢件检测标准1、《铸钢件超声探伤及质量评定方法》GB7233-87(中国标准文中简称中标)2、《碳钢、低合金钢和马氏体不锈钢铸件超声波检验标准》ASTM-609/609M:1991(美国标准文中简称美标)关于适用范围中标规定:本标准规定了厚度等于或者大于30㎜的碳钢和低合金钢铸件的超声波探伤方法;以及根据超声探伤的结果对铸件进行质量评级的方法。
所用的超声探伤方法仅限于A型显示脉冲反射法。
美标规定:1.1本方法包括了用脉冲反射纵波法,对经热处理的碳钢、低合金钢和马氏体不锈钢铸件进行超声波检验的标准和工艺。
4.2.2 双晶探头探测等于或小于1英寸(25mm)的截面,推荐使用5MHz,晶片尺寸为1/2英寸×1英寸(13mm×25mm)夹角为12°的探头。
中标当时制定的时候是把厚度小于30㎜铸钢件排除在本标准以外的。
而美标则明确了等于或小于25㎜的铸钢件的具体检测方法。
分析两国当时的铸造水平及探伤手段不难看出,中国当时的铸造件还停留在“傻大笨粗”,检测设备也是比较低端的,当时国内有能力生产双晶探头的厂家少,探伤人员可选择的探头有局限性,而且探伤人员很少接触到薄壁探伤,自然双晶探头很少使用甚至没用过。
这和我国当时的国情密切相关,而现在我国铸造水平提高很快,此标准“本标准规定了厚度等于或者大于30㎜的碳钢和低合金钢铸件的超声波探伤方法”的开头对不少从事这个行业的工作人员造成不小的误导。
很容易让人误认为厚度小于30㎜的铸钢件是不适合超声探伤检测的。
其实不然,时代在变,不应用老方法去看待新事物。
关于定量和定性美标在超声探伤检测上是只定量不定性的。
本标准系铸钢件超声探伤的通用标准。
本标准规定了厚度等于或大于及根据超声探伤的结果对铸件进行质量评级的方法。
所用的超声探伤方法仅限于339—GB/T 72331987340波斜探头测试的灵敏度余量不得小于。
50dB 在相应的探伤频率范围,纵波直探头和横波斜探头测试的分辨力应满足表的规b. 1定。
表仪器系统分辨力的下限值1 探头种类纵波直探头横波斜探头探伤频率,MHz<22~3>32~5分辨力,dB61520122.4试块2.4.1对比试块用铸造碳钢或低合金钢材料制做,其超声衰减系数应与被探伤铸钢件材 料的衰减系数相同或相近。
制做对比试块的材料必须预先进行超声探伤,不允许存在等于或大于同声程φ当量2平底孔的缺陷。
对比试块侧面要标明试块的名称、编号、材质、透声性。
2.4.2 供纵波直探头用的系列对比试块见附录(补充件)。
当被探伤铸钢件的厚ZGZ A 度大于时,要制做最大探250mm 测距离等于铸钢件厚度的试块。
系列对比试块仅在用试块调整纵波直探头探伤灵敏度时才使用。
ZGZ 2.4.3供 纵波双晶探头用的对比试块见附录补充件ZGS B()。
2.5耦合剂通常可选用机油、水溶性耦合剂、机油与黄甘油混合剂、水或浆糊作为耦合剂。
耦合剂不得在铸钢件成品上造成不允许的锈蚀。
调整仪器、校核仪器和检测铸钢件必须使用同种耦合剂。
3铸钢件3.1探伤面3.1.1铸钢件应在外观检查合格后进行超声探伤,铸钢件的探伤面及其背面所有影响超 声检测的物质应予清除。
3.1.2铸钢件探伤面的表面粗糙度应满足以下要求:机械加工表面,a. R 等于或小于。
a 10µm 铸造表面,b. R 等于或小于。
a 12.5µm 3.1.3如机械加工之后铸钢件的形状妨碍超声探伤时,应在加工之前进行检测。
3.2铸钢件壁厚层次的划分3.2.1 按交货时铸钢件的外形,将铸钢件的截面厚度划分为三层:外层、内层、外层。
铸钢件的厚度或截面尺寸小于者,各层各占厚度或截面尺寸的三分之一。
铸件超声波探伤检测标准超声波探伤技术是一种常用于铸件检测的非破坏性检测方法,其原理是利用超声波在材料中传播的特性,通过对超声波的发射、传播和接收进行分析,来检测材料内部的缺陷和异物。
在铸件制造过程中,超声波探伤是一项重要的质量控制手段,有助于发现并排除可能影响铸件性能和安全性的缺陷。
以下是与铸件超声波探伤检测相关的标准和一般步骤的概述:ASTM标准:在美国,ASTM国际(ASTM International)发布了一系列有关铸件超声波探伤检测的标准,其中一些主要标准包括:ASTM E164 - Standard Practice for Ultrasonic Contact Examination of Weldments: 该标准提供了在焊缝中使用超声波进行接触式检测的一般要求和程序。
ASTM E317 -Standard Practice for Evaluating Performance Characteristics of Ultrasonic Pulse-Echo Testing Instruments and Systems without the Use of Electronic Measurement Instruments: 该标准涵盖了无需使用电子测量仪器评估超声波脉冲回波检测仪器和系统性能特性的方法。
ASTM E2700 -Standard Practice for Demonstrating Capability to Comply with the Test for Uniformity of Dosage Units: 该标准关注药品的剂量单位一致性测试,但它提供了一个可供参考的框架,用于演示超声波设备的性能。
一般超声波探伤检测步骤:准备工作:确保超声波探伤设备的正常运行,包括探头、仪器、耦合剂等的准备。
设备校准:在进行检测之前,需要对超声波探伤设备进行校准,以确保其能够准确地检测到预定深度和尺寸的缺陷。
中国钢企网百科首页登录注册帮助进入词条搜索词条全民共同撰写的百科全书已收录词条个词条统计浏览次数: 136 次编辑次数: 1 次历史版本更新时间: 2010-03-02wwwwww超级管理员词条创建者发短消息中国钢铁百科>> 钢铁冶金>> 连铸最新历史版本:铸钢件超声探伤及质量评级方法(摘要) GB 7233-87 返回词条编辑时间:2010-03-02 10:37 历史版本编辑者:wwwwww历史版本:内容长度:208130 图片数:0目录数:0修改原因:铸钢件超声探伤及质量评级方法(摘要) GB 7233-87本标准系铸钢件超声探伤的通用标准。
本标准规定了厚度等于或大于30mm的碳钢和低合金钢铸件的超声探伤方法;以及根据超声探伤的结果对铸件进行质量评级的方法。
所用的超声探伤方法仅限于A型显示脉冲反射法。
在定货时,由供需双方商定铸钢件超声探伤的以下要求:a.检测的区域及使用的探头;b.纵波直探头探伤灵敏度;c.铸钢件质量的合格等级,允许对平面型缺陷和非平面型缺陷提出不同的质量等级要求。
本标准不适用于奥氏体不锈钢铸件的检测。
1术语1.1平面型缺陷(Planar discontinuity):用本标准规定的方法检测一个缺陷,如果只能测出它的两维尺寸,则称为平面型缺陷。
属于这种类型的缺陷有裂纹、冷隔、未熔合等。
1.2非平面型缺陷(Nonplanar discontinuity):用本标准规定的方法检测一个缺陷,如果能够测出它的三维尺寸,则称为非平面型缺陷。
属于这种类型的缺陷有气孔、缩松、缩孔、夹砂、夹渣等。
1.3透声性(Permeability to ultrasound):超声纵波垂直入射到测试面与其背面平行的无缺陷的铸钢材料中,超声波在其中往返传播一次所引起的声压降。
单位为分贝(dB)。
通常用纵波直探头测试的第二次与第一次底面回波幅度所差的分贝数表示。
2仪器、试块、耦合剂2.1仪器仪器应符合ZBy230—84<A型脉冲反射式超声探伤仪通用技术条件》的规定。
铸钢件探伤验收规则超声波探伤要求(摘自GBT7233-87铸钢件超声波探伤及质量评级方法)1、厚度等于或大于30mm的碳钢和低合金钢铸件的超声波探伤2、铸钢件探伤的表面粗糙度应满足一下要求: a、机械加工表面,Ra等于或小于10um b、铸造表面,Ra等于或小于12.5um 3、平面型缺陷质量等级2级 4、非平面型缺陷质量等级2级磁粉探伤(摘自QJ033-2019验收规则)1 范围本标准规定了钢铁材料及其制品磁粉探伤的一般方法及缺陷磁痕的等级分类。
本标准适用于检验钢铁材料及其制品(以下称试件)表面或近表面的裂纹和其他缺陷。
2 规范性引用文件下列文件中的条款通过本标准的引用而成为本标准的条款。
凡是注日期的引用文件,其随后所有的修改单(不包括勘误的内容)或修订版均不适用于本标准,然而,鼓励根据本标准达成协议的各方研究是否可使用这些文件的最新版本。
凡是不注日期的引用文件,其最新版本适用于本标准。
GB/T15822 磁粉探伤方法JB4730 压力容器无损检测JB/T6063 磁粉探伤用磁粉技术条件 JB/T6065 磁粉探伤用标准试片 JB/T8290 磁粉探伤机 JB/T9218 渗透探伤方法 3 术语有效探伤范围在实际探伤条件下,被检试件上能达到必要磁化状态和所需探伤灵敏度的范围。
4 探伤人员资格4.1 从事探伤的人员,应具备必要的专业知识,并取得国家主管部门颁发的与其工作相适应的资格证书。
4.2 色盲及矫正后视力低于1.0的不得从事探伤工作。
5 探伤装置5.1 磁化装置:用电流磁化的装置,应能向试件提供检测缺陷所需的磁势,应符合JB/T8290 所规定的技术要求。
5.2 磁悬液施加装置:应在磁悬液槽内设置搅拌机构,使均匀弥散着磁粉的磁悬液能稳定地施加到试件上去,而不影响已生成的磁痕。
5.3 退磁装置应能根据试件的用途将剩磁减小到指定的限度,剩磁感应强度应低于0.3mT。
5.4 探伤装置须定期校验:每年校验一次,包括对电流表、计时装置。
•中国钢企网•百科首页•登录•注册•帮助••••••••••全民共同撰写得百科全书已收录词条个词条统计•浏览次数:136次•编辑次数: 1 次历史版本•更新时间: 2010-03-02超级管理员词条创建者发短消息中国钢铁百科 >> 钢铁冶金>> 连铸最新历史版本:铸钢件超声探伤及质量评级方法(摘要) GB 7233-87 返回词条•编辑时间:2010-03-02 10:37 历史版本编辑者: 历史版本:•内容长度:208130图片数:0目录数:0•修改原因:铸钢件超声探伤及质量评级方法(摘要) GB 7233-87本标准系铸钢件超声探伤得通用标准。
本标准规定了厚度等于或大于30mm得碳钢与低合金钢铸件得超声探伤方法;以及根据超声探伤得结果对铸件进行质量评级得方法。
所用得超声探伤方法仅限于A型显示脉冲反射法。
在定货时,由供需双方商定铸钢件超声探伤得以下要求:a、检测得区域及使用得探头;b.纵波直探头探伤灵敏度;c.铸钢件质量得合格等级,允许对平面型缺陷与非平面型缺陷提出不同得质量等级要求。
本标准不适用于奥氏体不锈钢铸件得检测。
1术语1.1平面型缺陷(Planardiscontinuity):用本标准规定得方法检测一个缺陷,如果只能测出它得两维尺寸,则称为平面型缺陷。
属于这种类型得缺陷有裂纹、冷隔、未熔合等。
1.2非平面型缺陷(Nonplanardiscontinuity):用本标准规定得方法检测一个缺陷,如果能够测出它得三维尺寸,则称为非平面型缺陷。
属于这种类型得缺陷有气孔、缩松、缩孔、夹砂、夹渣等。
1.3透声性(Permeability to ultrasound):超声纵波垂直入射到测试面与其背面平行得无缺陷得铸钢材料中,超声波在其中往返传播一次所引起得声压降。
单位为分贝(dB)。
通常用纵波直探头测试得第二次与第一次底面回波幅度所差得分贝数表示。
2仪器、试块、耦合剂2.1仪器仪器应符合ZBy230—84<A型脉冲反射式超声探伤仪通用技术条件》得规定。
超声波探伤要求(摘自GBT7233-87铸钢件超声波探伤及质量评级方法)探伤设备型号模拟-CTS-2200数显-USM331、厚度等于或大于30mm的碳钢和低合金钢铸件的超声波探伤2、铸钢件探伤的表面粗糙度应满足一下要求:a、机械加工表面,Ra等于或小于10umb、铸造表面,Ra等于或小于12.5um3、平面型缺陷质量等级2级4、非平面型缺陷质量等级2级磁粉探伤(摘自QJ033-2004验收规则)探伤机型号CJW-P000D-IGEW-2000TC-20001 范围本标准规定了钢铁材料及其制品磁粉探伤的一般方法及缺陷磁痕的等级分类。
本标准适用于检验钢铁材料及其制品(以下称试件)表面或近表面的裂纹和其他缺陷。
2 规范性引用文件下列文件中的条款通过本标准的引用而成为本标准的条款。
凡是注日期的引用文件,其随后所有的修改单(不包括勘误的内容)或修订版均不适用于本标准,然而,鼓励根据本标准达成协议的各方研究是否可使用这些文件的最新版本。
凡是不注日期的引用文件,其最新版本适用于本标准。
GB/T15822 磁粉探伤方法JB4730 压力容器无损检测JB/T6063 磁粉探伤用磁粉技术条件JB/T6065 磁粉探伤用标准试片JB/T8290 磁粉探伤机JB/T9218 渗透探伤方法3 术语有效探伤范围在实际探伤条件下,被检试件上能达到必要磁化状态和所需探伤灵敏度的范围。
4 探伤人员资格4.1 从事探伤的人员,应具备必要的专业知识,并取得国家主管部门颁发的与其工作相适应的资格证书。
4.2 色盲及矫正后视力低于1.0的不得从事探伤工作。
5 探伤装置5.1 磁化装置:用电流磁化的装置,应能向试件提供检测缺陷所需的磁势,应符合JB/T8290 所规定的技术要求。
5.2 磁悬液施加装置:应在磁悬液槽内设置搅拌机构,使均匀弥散着磁粉的磁悬液能稳定地施加到试件上去,而不影响已生成的磁痕。
5.3 退磁装置应能根据试件的用途将剩磁减小到指定的限度,剩磁感应强度应低于0.3mT 。
铸钢件超声探伤及质量评级方法(摘要) GB 7233-87本标准系铸钢件超声探伤的通用标准。
本标准规定了厚度等于或大于30mm的碳钢和低合金钢铸件的超声探伤方法;以及根据超声探伤的结果对铸件进行质量评级的方法。
所用的超声探伤方法仅限于A型显示脉冲反射法。
在定货时,由供需双方商定铸钢件超声探伤的以下要求:a.检测的区域及使用的探头;b.纵波直探头探伤灵敏度;c.铸钢件质量的合格等级,允许对平面型缺陷和非平面型缺陷提出不同的质量等级要求。
本标准不适用于奥氏体不锈钢铸件的检测。
1术语1.1平面型缺陷(Planar discontinuity):用本标准规定的方法检测一个缺陷,如果只能测出它的两维尺寸,则称为平面型缺陷。
属于这种类型的缺陷有裂纹、冷隔、未熔合等。
1.2非平面型缺陷(Nonplanar discontinuity):用本标准规定的方法检测一个缺陷,如果能够测出它的三维尺寸,则称为非平面型缺陷。
属于这种类型的缺陷有气孔、缩松、缩孔、夹砂、夹渣等。
1.3透声性(Permeability to ultrasound):超声纵波垂直入射到测试面与其背面平行的无缺陷的铸钢材料中,超声波在其中往返传播一次所引起的声压降。
单位为分贝(dB)。
通常用纵波直探头测试的第二次与第一次底面回波幅度所差的分贝数表示。
2仪器、试块、耦合剂2.1仪器仪器应符合ZBy230—84<A型脉冲反射式超声探伤仪通用技术条件》的规定。
2.2探头2.2.1纵波直探头的晶片直径在10~30mm的范围,当被检测铸钢件的探伤面较粗糙时,建议使用有软保护膜的纵波直探头。
2.2.2应使用在钢中的折射角为45。
、60。
、70。
的横波斜探头,或使用K值为1.1.5、2、2.5、3的横波斜探头。
2.2.3纵波双晶探头两晶片之间的声绝缘必须良好。
2.3仪器系统的性能仪器系统的灵敏度余量和分辨力的测试应符合ZBJ 04001.86<A型脉冲反射式超声探伤系统工作性能测试方法>的规定,并满足下列要求:a.使用2~2.5Mt的探伤频率,纵波直探头测试的灵敏度余量不得小于30dB,横波斜探头测试的灵敏度余量不得小于50dBc,b.在相应的探伤频率范围,纵波直探头和横波斜探头测试的分辨力应满足表1的规定。
表1仪器系统分辨力的下限值2.4试块2.4.1对比试块用铸造碳钢或低合金钢材料制做,其超声衰减系数应与被探伤铸钢件材料的衰减系数相同或相近。
制做对比试块的材料必须预先进行超声探伤,不允许存在等于或大于同声程562当量平底孔的缺陷。
对比试块侧面要标明试块的名称、编号、材质、透声性。
2.4.2供纵波直探头用的zGz系列对比试块见附录A(补充件)。
当被探伤铸钢件的厚度大于250mm时,要制做最大探测距离等于铸钢件厚度的试块。
zGz系列对比试块仅在用试块调整纵波直探头探伤灵敏度时才使用。
2.4.3供纵波双晶探头用的ZGS对比试块见附录B(补充件)。
2.5耦合剂.通常可选用机油、水溶性耦合剂、机油与黄甘油混合剂、水或浆糊作为耦合剂。
耦合剂不得在铸钢件成品上造成不允许的锈蚀。
调整仪器、校核仪器和检测铸钢件必须使用同种耦合剂。
3铸钢件3.1探伤面3.1.1铸钢件应在外观检查合格后进行超声探伤,铸钢件的探伤面及其背面所有影响超声检测的物质应予清除。
3.1.2铸钢件探伤面的表面粗糙度应满足以下要求:a.机械加工表面,Ra等于或小于10μm。
b.铸造表面,Ra等于或小于12.5μm.3.1.3如机械加工之后铸钢件的形状妨碍超声探伤时,应在加工之前进行检测。
3.2铸钢件壁厚层次的划分3.2.1按交货时铸钢件的外形,将铸钢件的截面厚度划分为三层:外层、内层、外层,铸钢件的厚度或截面尺寸小于90mm者,各层各占厚度或截面尺寸的三分之一。
铸钢件的厚度或截面尺寸等于或大于90mm者,凡是距铸钢件某一表面30mm以内的范围为外层。
其余部分为内层。
3.2.2经供需双方商定,允许对铸钢件检测区域规定专门的分层要求,也允许规定铸钢件的某一厚度范围或某些区域为质量严格要求区,并提出具体的质量要求。
3.3透声性3.3.1测定铸钢件的透声性时,将纵波直探头与铸钢件上探伤面和背面平行而无缺陷的部位耦合接触,仪器的抑制置零。
选用与纵波直探头探伤时相同的频率测试,调整仪器,使第一次底面回波的幅度达到垂直满刻度的50%,记录衰减器的读数。
再调整衰减器,使第二次底面回波的幅度达到垂直满刻度的50%,记录衰减器的读数。
两次衰减器读数之差即该测量点的透声性。
在铸钢件厚度相同的区域内,测量点不得少于三点。
以各点透声性的平均值表示铸钢件该区域的透声性。
3.3.2如铸钢件没有背面与探伤面平行的足够大的探测部位,可以在铸钢件上适当位置预制一处这样的平面,也可以用与生产铸钢件相同的工艺制做平面试块,并以在其上测定的透声性代表铸钢件的透声性。
3.4铸钢件超声探伤适应性的判断仪器的“抑制”置零,使用2~2.5MF{z中的一种频率测试。
在铸钢件的最大探测距离处,用纵波直探头测试。
如选定为纵波直探头探伤灵敏度的参考平底孔的回波幅度比同声程噪声信号的幅度高8dB以上,则该铸钢件适合超声探伤。
如果不能满足上述要求.可降低频率至1MHz测试,满足要求的,可以用这种频率探伤,并在探伤报告中说明。
如降低频率测试的结果仍不能满足超声探伤适应性的要求,则应采用热处理的方法改善铸钢件的透声性,并在满足超声探伤适应性的要求后进行超声探伤。
4检测4.1仪器的调整4.1.1一般调整“抑制”置零,探测深度取适当值。
不论使用哪种探头,都要求调整零点,使时基线原点右边的示波屏时基线刻度与探测距离成正比。
4.1.2探伤灵敏度的调整和核查4.1.2.1纵波直探头探伤灵敏度的调整纵波直探头探伤允许采用φ3、φ4、φ6当量平底孔三种灵敏度。
供需双方应规定铸钢件每个区域的探伤灵敏度。
用下述两种方法之一调整探伤灵敏度:a.用AVG曲线板调整。
把与检测条件相符的AVG曲线板(设衰减系数为零而绘制的)嵌入示波屏,衰减器预置足够的储备量。
将纵波直探头与铸钢件上探伤面和背面平行而无缺陷的部位耦合接触,调整仪器,使第一次底面回波的幅度达到AVG曲线板上“B一××dB"线标明的幅度,按“B一××dB”,减小衰减量××dB。
利用曲线板上被选定作为探伤灵敏度的参考平底孑L的距离幅度曲线,进行透声性补偿,画出已经透声性补偿的距离幅度曲线。
透声性补偿方法见附录C(补充件)。
b.用对比试块调整。
利用附录A中具有选定作为探伤灵敏度参考平底孔的一套试块调整。
首先,将铸钢件与探测距离等于或最接近于铸钢件厚度的对比试块相比较,求出表面粗糙度补偿值与透声性补偿值的代数和,衰减器预置的储备量不得小于上述代数和的值。
其次,在这块对比试块上测试,调整仪器,使平底孔的回波幅度达到垂直满刻度的10%~20%。
不改变仪器的参数,对探测距离较小的一系列试块逐一测试,建立距离幅度曲线。
在这条曲线上,对透声性予以补偿,得到已经透声性补偿的距离幅度曲线。
最后,调整衰减器,进行表面粗糙度和透声性补偿。
透声性补偿方法见附录C。
4.1.2.2纵波双晶探头探伤灵敏度的调整。
衰减器预置的储备量不得小于表面粗糙度补偿量。
测试不同探测距离的平底孔,调整仪器,使其中最高的回波幅度达到垂直满刻度的80%。
不改变仪器的参数,对探测距离不同的平底孔逐一测试,建立距离幅度曲线。
调整衰减器,补偿表面粗糙度损失。
4.1.2.3横波斜探头探伤灵敏度的调整将横波斜探头与铸钢件探伤面耦合接触,调整仪器,使噪声信号的幅度达到1~3mm。
如果仪器在最高灵敏度时,噪声信号幅度仍不足1mm,则以最高灵敏度探伤。
4.1.2.4探伤灵敏度的核查探伤中,应定期核查探伤灵敏度。
发现探伤灵敏度改变时,要重新调整,并对前次核查以来完成的探伤工作重新进行探伤。
探伤工作结束时,应核查探伤灵敏度。
4.2扫查探伤人员要选择有规律的扫查路径进行探伤,相邻两次扫查应相互重叠约为探头晶片尺寸的15%。
扫查时,探头移动的速度不得大于150mm/s。
横波斜探头探伤至少要在探伤面上相互垂直的两个方向扫查,在扫查的同时,应不断偏转探头,偏转角度不得小于15。
因铸钢件几何形状的限制而扫查不到的部位,必须在探伤报告中注明。
4.3缺陷的检测采用供需双方规定的探头对铸钢件检测区域进行扫查。
纵波直探头或纵波双晶探头扫查时。
采甩比4.1.2.1或4.1.2.2项确定的探伤灵敏度高6dB的扫查灵敏度。
凡出现下列任何一种显示情况的位置,都要做上标记:a.缺陷回波幅度等于或大于距离幅度曲线的位置;b.底面回波幅度降低12dB或12dB以上的位置;c.不论缺陷回波幅度的大小,凡出现线状和片状特征缺陷显示的位置。
4.4缺陷尺寸的测定按4.1.2款确定的探伤灵敏度,测定4.3条标记的缺陷尺寸。
4.4.1平面型缺陷尺寸的测定对于具有线状和片状特征的缺陷显示,有6dB法画出缺陷的范围。
按几何原理,确定缺陷的位置、大小和缺陷在铸钢件厚度方向的尺寸,按表2的规定,计算缺陷的面积。
4.4.2非平面型缺陷尺寸的测定4.4.2.1缺陷回波幅度等于或大于距离幅度曲线者,用6dB法在探伤面上画出缺陷的范围。
按表3的规定,计算缺陷的面积。
当使用纵波检测时,缺陷近探伤面一侧的边界和深度,由缺陷回波脉冲前沿的幅度上升到比距离幅度曲线低6dB的位置来确定。
当使用横波斜探头检测时,缺陷的边界,由缺陷回波脉冲前沿幅度上升到比同时显示的最大缺陷回波幅度低6dB的位置来确定。
缺陷在铸钢件厚度方向的尺寸,由不同方向检测所确定的缺陷上部和下部边界而得到。
由于铸钢件几何形状的限制,不能从不同方向检测的缺陷,必须在探伤报告中说明。
4.4.2.2对于底面回波降低12dB或12dB以上的位置,应核查底面是否倾斜或不平整、耦合接触是否良好。
凡是因存在缺陷而使底面回波降低12dB或12dB以上者,以底面回波降低12dB为条件,在探伤面上画出缺陷的范围,按表3注②计算缺陷的面积。
缺陷的深度,由一处连续缺陷回波中最左边的波峰的位置来确定。
缺陷在铸钢件厚度方向的尺寸,由一处连续缺陷回波中最左边的与最右边的两个波峰之间的宽度来确定。
即无底面回波,又无缺陷回波的位置,应提高探伤灵敏度检测,观察是否存在反射面与入射声束倾斜的缺陷。
4.4.3缺陷范围的修正.探伤面为曲面时,在探伤面上画出的缺陷范围应予修正。
修正的方法可用计算法或作图法。
4,4.4存在疑问的缺陷对于存在疑问的缺陷显示,允许采用经过验证而行之有效的其它无损检测方法来检验。
5质量等级的评定铸钢件的质量等级,分别按平面型缺陷和非平面型缺陷来划分。
根据平面型缺陷和非平面型缺陷的尺寸,将铸钢件质量等级各分为五级。