莱歇立磨试车方案
- 格式:pdf
- 大小:193.94 KB
- 文档页数:5
搅拌器试车方案范文一、试车准备工作:1.检查搅拌器的外观,确保设备没有损坏或松动的部件;2.检查搅拌器的电源线是否正常,接地是否良好;3.确认搅拌器的供电电压是否符合要求;4.检查搅拌器的控制系统和连接器是否正常;5.确保试车现场的安全,包括防止人员靠近设备和防火措施的落实。
二、试车步骤:1.先将搅拌器的空载电机启动,观察电机的运行是否正常;2.确认电机运行正常后,将搅拌器的进料斗装满适量的原料;3.启动搅拌器,观察搅拌器的转速和效果是否正常;4.调整搅拌器的参数,如搅拌时长和搅拌速度,观察搅拌效果的变化;5.调整搅拌器的工作方式,如正转、反转等,观察搅拌效果的变化;6.根据搅拌器的设计要求和客户需求,进行适当的参数调整和试验;7.观察搅拌器的使用过程中是否出现异常情况,如噪音过大、震动过大等;8.根据试车结果,对搅拌器进行调整和优化。
三、试车注意事项:1.试车过程中,要注意搅拌器的稳定性和安全性,避免出现倾倒或滑移的情况;2.试车时,要留意搅拌器周围的工作环境,确保周围没有人员或物体;3.试车过程中,要注意观察搅拌器的工作状态,及时发现并排除异常情况;4.试车过程中,要根据试验需求进行不同参数的调整和改变;5.试车结束后,要对搅拌器进行检查和保养,确保设备的正常使用。
四、试车报告:试车结束后,需要撰写试车报告,包括以下内容:1.试车日期、时间和地点;2.设备型号、规格和供应商信息;3.试车前的准备工作;4.试车步骤和结果;5.试车过程中的注意事项和发现的问题;6.对试车结果的总结和分析;7.试车结束后的设备检查和保养建议。
以上是搅拌器试车方案的一般步骤和注意事项,具体试车方案需要根据设备的实际情况和试验需求进行调整和完善。
试车的目的是验证设备的正常运行和性能,并寻找搅拌参数的最佳设定,从而为设备的正式投产提供依据和参考。
立磨的工艺及中控操作(精选5篇)第一篇:立磨的工艺及中控操作立磨的工艺及中控操作1.立磨振动大的原因有那些?如何处理?1)立磨喂料:A。
当有高水分物料喂入时:进磨皮带功率偏大,电机功率偏小(产量低)处理:给增湿塔加温,ID风机加速抽风。
将进磨冷风门关闭,直至磨内差压升至理想值。
B.当不均匀喂料时其状态为功率起伏不定。
处理:首先弄清现场是否有人喂料。
如有则可根据磨机功率适当喂料。
其次检查现场定量喂料机运行的情况。
C.当喂料不足时又分为两种状态:首先回料少,差压低,磨机功率低,斗提电流低。
处理:快速通知岗位处理现场或者换喂料称或者停机。
2)研压方面:其状态为:研压数字设定值与反馈值不符可能储气太少。
处理:检查气罐压力,及时补充N2.3:温度方面:A:当增湿塔工作不正常时造成进磨温度较高。
处理:现场旁路开水,复位,检查空压机运行情况。
B:出磨温度较高可根据磨机功率的大小适当调节。
处理:功率大时增湿塔减温或直接开入磨冷风门,功率小时磨内差压低则加产量,其它适量调节。
磨内差压高则加水,其它适量调节。
4)料层方面:A:挡料环过高过低。
挡料环过高在研压一定的情况下磨内差压较高,料层厚。
挡料环过低,不易形成稳定料层处理:挡料环高度的调整应根据实际情况合理制定。
B:刮料板断或掉不能形成回料,磨内料层过厚。
C:喷水少或多。
喷水过少磨内温度太高,料层不稳压辊易造成振动。
喷水过多,料子堆积过多易形成磨机功率过流引起振动跳停。
D:开磨时未形成稳定料层就压辊容易造成振动。
5)正常操作中没有维持立磨合理料层和料面形状就会引起立磨振动,经实践分析我们认为引起立磨振动的原因和处理措施有几个方面:A:磨内进入异物引起振动来自磨内和磨外的金属,比如导风叶片。
检修后遗留工具等。
若是较小金属异物则可提起磨辊降低抽风,从回料口处拿出,若是比较大金属异物则要停磨取。
B:料层过厚引起振动。
入磨物料量过大-料层变厚-研磨能力降低-物料不能及时被磨细-磨内存留不合格粉料较多而系统风量又不足-不能将合格粉料及时带出系统外-磨内内循环浓度加重-粉状物料又回到磨盘之上加厚料层。
莱歇立磨磨辊、轮毂磨损现场修复技术说明【摘要】莱歇立磨磨辊磨损、立磨轮毂磨损等问题,采用高分子复合材料在线修复,与辊套配合工作表面的磨损,包括其均匀磨损、不均匀磨损、剥落、碎裂等磨损表现形式的在线修复。
【关键词】立磨磨辊磨损、立磨轮毂磨损、莱歇立磨、福世蓝修复技术、高分子复合材料、立磨专用材料一、莱歇立磨设备简介图1莱歇立磨设备图国内引进使用的莱歇磨主要分两类,一类是由日本宇部(UBE)公司和西德莱歇公司通过技术合作而制造的宇部-莱歇磨,即UBE公司制造的LM型系列;另一类是由美国福勒(Fuller)公司与西德莱歇公司订合同,获准生产的莱歇磨,即Fuller公司制造的LM型系列,两品牌立磨其主要结构基本相同。
大型莱歇磨为4辊式,是锥台型磨辊和平面轨道磨盘,无辊架。
磨辊与磨盘间的压力由相应辊数的液压拉伸装置提供。
工作时,通过摇臂作为一个杠杆,把油缸对拉伸杆产生的拉力传递给磨辊,进行碾磨。
最大的特点是,液压拉伸杆可通过控制抬起磨辊,使拖动电机所需的起动转矩减至最小值,还设有液压式磨辊翻出装置以简化维修工作,只要与液压装置相连,即可使磨辊翻出机壳外,可使磨辊皮更换在一天内完成。
磨辊是立磨的重要部件,物料在磨辊的强大压力下被粉碎。
磨辊的主要部件有辊套、轮毂、辊轴、轴承、弧形板密封架、润滑油管等,安装时磨辊辊套与磨盘上挡料圈的间隙可用辊轴上的调整垫来保证。
每个磨辊均与各自的摇臂固定在一起,并分别带有液压加压装置。
在磨辊与磨盘衬板间留有一定的间隙,以防止金属间的接触。
辊套的使用寿命和磨损速度将直接影响立磨的运转率、粉磨效率和运转费用。
辊套是通过螺栓将楔形压圈与轮毂的把紧而固定的,轮毂一但出现磨损,必然会影响企业的安全生产。
而传统修复方式又不能快速修复,且费用高、周期长。
基于此,高分子复合材料在线修复工艺就成为生产企业设备管理不可或缺的重要手段。
图2莱歇立磨磨辊结构图二、莱歇立磨磨辊轮毂磨损原因分析1)使用前存在原因:1、安装或更换辊套时表面处理不到位,出现高点或者紧固时力矩不均;2、辊套本身生产质量有问题,与轮毂的配合面的加工精度及尺寸误差太大,导致间隙及配合力矩不够;3、磨损的轮毂每一次堆焊,都会必然产生一次轻微的热应力变形,若没有按照标准要预先处理的堆焊工艺,后期机加工中轮毂的配合尺寸加工中,不同环境下加工误差很大,导致后期装配配合精度不高影响其使用寿命;2)使用中存在原因:1、磨辊长时间的运转,个别磨辊螺栓出现松动,导致轮毂与辊套之间的预紧力不足,必然会造成轮毂与辊套之间产生摩擦,随着磨辊径向力的作用及长时间的摩擦,必然会造成轮毂之间的磨损;2、磨辊的配合方式并不能100%的有效接触,随着磨辊长时间运行,高温物料必然沿着边缘薄弱配合部位的物料冲刷,长时间的冲刷必然造成轮毂的磨损;莱歇立磨辊体轮毂磨损无论是使用前还是使用后何种原因造成的,都会使其立磨的磨粉效率的下降,引起产量降低和产品质量的变化,因此只有我们掌握了其磨损规律后,才能更好利用福世蓝在线修复技术,保证其设备的安全连续生产。
莱歇立磨系统的几个技改措施我公司于2004年建成投产一条年产100万t的水泥生产线,选用了LM56.2+2C/S莱歇立磨对熟料、矿渣单机双物料分别粉磨且实现双物料间的连续转换。
运行几年来,对整个粉磨系统作了许多改造,现介绍如下。
1叶轮喂料机改进改进后的叶轮喂料机及下料管结构示意见图1。
器图l叶轮喂料机及下料管的改进叶轮喂料机是立磨系统的喂料装置,集喂料和锁风于一体,因此叶轮与壳体问隙相对较小,在粉磨矿渣时,由于矿渣中含有杂质如一些布袋、胶带或大块物料等,在通过叶轮喂料机时,常将叶轮喂料机卡住无法转动,而每次处理时,都需将检修盖打开方可处理,费时又费事,但很多时候将喂料机反转就可将卡住的物料入磨,因此,我们将叶轮喂料机的电源增加一个正反转转换开关,这样能解决大部分的卡料事故,大大减少了故障处理时问,提高设备运转率。
另外,由于矿渣属水分含量较高的物料,从叶轮喂料机入磨时,下料管很容易积料堵塞,因此,在管道上增加了4个空气炮,通过程序控制不问断对管道进行循环喷吹,防止了入磨下料管的堵塞。
在粉磨熟料时,对喂料机下方下料管的磨损非常严重,使用一年多就将管道磨穿,造成漏料,而传统的补焊铁板也使用不了多久,经摸索,在磨损最严重处增加1个三角斗,管道磨穿后物料在此堆积,以后磨损的就是物料而不是管道了,很好地解决了此问题。
而磨内的部分下料管道则在内下层附焊耐磨板以增加其使用寿命。
选粉机粗粉万方数据回磨盘的锥形仓外层由于旋风扬起粉粒的摩擦磨损也较严重,在其外层附上一层2cm左右厚的陶瓷耐磨盘挡料环改进我公司磨机矿渣粉磨设计台时产量为140讹。
经过调试,试运行,基本达到了入磨湿矿渣投料160t/h,但经过对整个系统的磨况及参数进行分析,认为仍有潜力可挖。
2005年大修期问,调整磨机挡料圈高度,由330mm增加至350mm,并采用新的操作方法,取得了非常好的效果,入磨湿矿渣投料量提高到了180t/ll以上,大大降低了粉磨电耗,且磨机运行更平稳,回料更易于控制。
立磨施工方案立磨施工方案是指在工程施工中对立磨设备的具体施工步骤和方法的综合计划。
立磨设备在工程中扮演着重要的研磨、粉磨和分级的角色,对原材料进行有效的粉碎和加工,是工程中必不可少的设备之一。
为了保证立磨设备的施工质量,提升生产效率,减少安全隐患,制定科学可行的立磨施工方案显得尤为重要。
1. 施工前准备在进行立磨施工前,首先需要对设备和施工现场进行全面的检查和准备工作。
具体包括:•对立磨设备进行全面检查,确保设备完好无损,清洁干净,各部件运转正常;•检查电气系统、润滑系统、冷却系统等配套设施,确保其正常运作;•清理施工现场,清除杂物,确保施工区域整洁有序;•组织施工人员进行安全培训,熟悉立磨设备的操作规程和安全注意事项。
2. 施工流程2.1 设备安装•将立磨设备安装在指定位置,调整设备水平,固定螺栓;•连接电气线路、润滑系统、冷却系统等配套设施;•进行设备启动测试,确保设备运转正常。
2.2 磨体调试•加入合适的磨体和磨料,进行磨体调试,控制磨体压力和转速,调整进料速度;•对磨体进行检查和清洁,确保磨体无损,磨料补充充足;•进行粉碎试验,根据实际情况调整磨体和磨料参数。
2.3 施工操作•操作人员应按照操作规程操作立磨设备,严格遵守安全操作规程;•定期检查设备运行情况,发现问题及时处理;•根据生产计划进行生产,确保生产过程顺利进行。
3. 施工结束3.1 清洗设备•施工结束后,对立磨设备进行全面清洗,清理各部件,确保设备干净;•检查设备是否有损坏或异物残留,及时处理问题。
3.2 定期维护•制定设备定期维护计划,定期检查设备,确保设备长时间稳定运行;•进行设备润滑、紧固螺栓、更换易损件等维护工作。
结语通过科学合理的立磨施工方案,可以保证设备的正常运行,提升生产效率,减少设备故障风险,保障施工安全。
同时,合理的维护保养工作可以延长设备使用寿命,提高设备生产效率,为企业创造更多的经济效益。
希望以上方案能够对立磨施工工作提供一些参考和帮助。
【精品施工方案】立磨施工方案一、工程概述本次施工的对象为立磨设备,该设备在工业生产中具有重要作用,能够高效地完成物料的研磨和加工。
立磨的安装质量直接影响到后续的生产效率和产品质量,因此需要制定详细、科学的施工方案以确保施工的顺利进行。
二、施工准备1、技术准备熟悉立磨设备的安装图纸、技术文件及相关规范标准。
制定施工工艺流程和质量控制要点。
对施工人员进行技术交底,确保其了解施工要求和技术要点。
2、人员准备组建专业的施工队伍,包括钳工、焊工、起重工等。
所有施工人员需具备相应的资质证书,并经过安全和技术培训。
3、材料准备准备好施工所需的各种材料,如钢材、焊条、润滑油等。
对材料进行质量检验,确保其符合施工要求。
4、施工机具准备配备吊车、叉车、电焊机、水准仪、经纬仪等施工机具。
对施工机具进行检查和维护,确保其性能良好。
三、基础验收与处理1、基础验收按照设计图纸和相关规范,对基础的尺寸、标高、中心线位置等进行检查验收。
检查基础的外观质量,确保无裂缝、孔洞等缺陷。
2、基础处理对基础表面进行清理,去除油污、杂物等。
根据设计要求,在基础上标出设备的安装中心线和标高基准点。
四、设备开箱检查1、设备到货后,在建设单位、监理单位、施工单位等相关人员的共同参与下进行开箱检查。
2、检查设备的名称、型号、规格、数量是否与设计文件和装箱清单相符。
3、检查设备的外观质量,有无变形、损伤、锈蚀等情况。
4、检查设备的随机附件、备品备件、专用工具是否齐全。
5、对设备的重要零部件进行尺寸测量和精度检验,确保其符合设计要求。
五、立磨本体安装1、底座安装将底座吊运至基础上,按照预先标出的中心线和标高基准点进行找正、找平。
调整底座的水平度和标高,使其符合设计要求。
拧紧底座的地脚螺栓,并进行二次灌浆。
2、磨盘安装将磨盘吊运到底座上,安装定位销和连接螺栓。
检查磨盘的水平度和与底座的同轴度,进行调整直至符合要求。
3、磨辊安装逐个将磨辊吊运至磨盘上方,安装到磨辊支架上。
设备操作规程莱歇磨操作规程一、开机前检查1、检查主机、辅机所有设备、管线,所有仪表、信号联锁装置是否正常。
2、所有润滑系统都是处于完备状态。
3、磨内各紧固连接到位,防松齐全。
(4)检查磨内是否有遗留下的安装工具,零件及其它异物。
(5)检查磨机及与磨机相连接处的螺栓(包括地脚螺栓)是否拧紧。
(6)检查分离器转子周围有无妨碍运转的异物,用手推动转子是否灵活。
(7)在主电动机联轴器处盘动,使磨盘转动一周(此时减速器稀油站必须工作)。
并注意观察磨盘与周围零件之间有无相碰或间隙过小过大现象,如若发现立即处理。
(8)检查各处密封是否符合要求。
(9)对各干油润滑点注入润滑脂。
(10)磨机主减速机和分离器减速机应分别按各自使用说明书的要求填足润滑油。
(11)运转前先向磨辊轴承,减速机齿轮和分离器转子轴承供油。
(12)准备氮气罐,并给蓄能器充氮。
(13)调节液压润滑系统各阀的压力,设定运行压力。
2、空负荷试运转磨机空负荷试运转前,除了生料粉磨系统各设备及附属装置事先分别单机调试合格外,还要对磨机部分分段试车。
(1)单独开动分离器,检查其运转情况。
(2)检查磨辊加压系统各部是否符合设计动作要求。
(3)磨机传动部分单独进行空负荷试运转。
(4)待以上各部分单独试运转检查合格后,再对整台磨机进行空负荷试运转。
磨辊须在抬起状态。
空负荷试运转操作顺序:a.启动分离器电动机,使转子转速在 80∽134r/min范围内。
(从上往下看,转子顺时针转动)。
b.启动主减速机稀油润滑系统。
c.启动磨机电动机,检查转动方向是否正确。
(从上往下看,磨盘顺时针转动)(5)磨机空负荷试运转时间和检查内容:①将操作方式转换至自动控制,检查与主电动机的联锁情况。
②检查空负荷试运转时主电动机的电流,电压情况。
③检查润滑油与冷却水的进出口温度。
④注意磨机运转时有无异常声音、振动等。
⑤检查地脚螺栓是否有松动。
⑥检查分离器传动及转子运转是否正常。
⑦检查磨机减速机及润滑系统是否正常。
立磨无负荷试运转方案
磨机设备全部安装完毕后,一切外界必备条件必须满足,全部测量仪器均须连接;全部润滑点进行润滑;检查电气线路,确保电源供电。
一.立磨在喂料前不久方可开机,首先对机电设备全面检查,检查各侧点,利用U形管压力计在各测点监测调试期间的压
力变化,确定风流量测定位置。
1.检查所有润滑点
上述工作完成后,单机投入试运转。
单机接通,互不联锁,
检查驱动电机的旋向,并检查局部单机功能。
在设备运转过
程中,检查过滤器,检查超越离合器的平稳性。
2.张紧液压系统加压,并投入工作,检查拉杆密封并调整压力开关,在该压力下起动磨机,检查压力蓄能器氮气压力,并
调整相应的阀门。
3.检查分离液压传动电机旋向,将液压系统充油,调整电机的量位和终止位置,此时液压站可投入运行。
4.检查分离器的转速,调整安全阀检查电机的自返动作。
二.联锁试验
1.磨系统所有单机试运转后,即按正常程序转至控制中心配电板上。
检查联锁控制,所有联锁全部开关,流量主极限开关
等动作
2.在以上条件下,全系统设备运转几次,要求确保安全。
联锁完毕后,磨机系统应运转若干个小时,现场人员密切监视设备运转。
三.负荷调试
1.磨机负荷运前,磨内预先充入一些生料,为些应先把物料喂入磨机喂料仓,经输送设备送到磨机处向磨内空气导向锥和上架体之间布料。
2.磨机首次起动前,要加温预热。
出口温度1000C左右,当温度升至1000C~1200C左右时,调整磨机风量,升起辅助件动约3分钟左右主传动起动。
立磨施工方案1. 引言立磨施工是一种常见的地面翻新施工方式,常用于对地面进行磨削平整和抛光处理。
本文将介绍立磨施工的具体步骤和注意事项,以帮助施工人员顺利完成任务。
2. 施工准备在进行立磨施工前,需要进行一些准备工作,以确保施工的顺利进行。
2.1 工具和设备准备•立磨机:选择适用于不同类型地面的立磨机,并确保其工作状态良好。
•砂轮:根据地面的具体情况和处理要求,选择合适的砂轮进行使用。
•保护设备:包括安全帽、耳塞、手套等,以确保施工人员的安全。
•清洁工具:如扫帚、吸尘器等,用于清理施工现场。
2.2 施工现场准备•清理施工区域:将施工区域内的杂物和障碍物清理干净,确保施工的顺利进行。
•防护措施:根据需要,在墙角、地脚线等部位进行保护,以避免施工过程中对其他部位造成损坏。
3. 施工步骤3.1 表面处理在进行立磨施工之前,需要对地面进行表面处理,以确保砂轮与地面接触良好。
•清洁地面:使用清洁工具将地面清理干净,去除灰尘、杂物等。
•填补裂缝:对于有明显裂缝的地面,使用适合的填缝剂进行填补,待干燥后进行下一步处理。
3.2 砂轮选择与安装根据地面的具体情况和处理要求,选择合适的砂轮进行使用。
•选择砂轮:根据地面的硬度、破损情况等因素,选择合适的砂轮。
常见的砂轮有金刚石砂轮和树脂砂轮等。
•安装砂轮:将选择好的砂轮安装到立磨机上,并确保安装牢固。
3.3 施工操作在进行施工操作时,需要注意以下几点:•调整砂轮高度:根据地面的高低差,调整砂轮的高度,以确保砂轮与地面的接触均匀。
•施工速度控制:根据砂轮和地面的具体情况,控制立磨机的运行速度,以保证施工效果。
•运动方向选择:根据施工需要,选择合适的运动方向,可以横向、纵向或交叉进行。
3.4 完成处理在施工完成后,需要进行一些收尾工作,以确保施工质量。
•清理施工现场:清理施工过程中产生的灰尘、碎屑等。
•做好防护和清洁:对施工现场进行防护和清洁工作,以避免施工造成其他损坏。
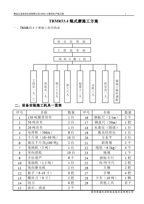
TRMR53.4辊式磨施工方案一、TRMR53.4立磨施工组织构成程师三、TRMR53.4立磨施工技术方案1、概述1.1TRMR53.4立磨的特点原料粉磨是水泥厂工艺线上极为重要的环节,磨机安装质量的好坏,直接关系到全线生产能否正常和全厂投产后的经济效益。
TRMR53.4立式辊磨机主要特点如下:带有耐磨衬板的平磨盘与锥形磨辊,采用4辊液压式,为便于磨机检修,磨上附有翻出磨辊用的轻便型油压装置;磨机负荷运转在起动时磨辊能自动从磨盘上提起,减少了起动转矩;磨机设有保护装置,当辊压超过或低于调定范围极限值时,自动报警并自行停磨,确保磨机安全运行;磨机液压系统具备自动控制和手动控制两种功能,可提高操作上的灵活性、可靠性;各磨辊有独立的液压加压装置,每个液压缸都配置了足够的蓄能器,保证磨机运转中辊压波动最小,以使磨机运转平稳;分离器采用直流电机传动,改变转速即可满足各条件下对产品细度的要求,细度调节灵活方便。
风环设计成可调节的,改变风环截面积可以调节风环风速,适应不同物料;磨辊辊套与轮毂之间,以及辊轴与摇臂之间分别采用锥面结构和胀套结构连接,拆装方便。
和球磨机相比,该磨的主要优点是:具有更高的研磨效率,工艺流程大大缩短,电耗降低,物料的研磨在限定压力下进行。
1.2TRMR53.4立磨的工作原理主电机按设计功率旋转通过齿轮箱带动磨盘转动,原料从磨机三门装置喂入,落到磨盘中央,然后在离心作用下甩到辊子下边,在磨盘外边的挡圈使原料形成了层状,称为粉磨床。
辊子与磨碗间的压力由液压装置施加,物料层带磨辊转动产生连续不断挤压生料的作用,粉磨后的物料越过挡圈落下,这时用于烘干物料的热风从磨盘下引入,从环向缝隙吹起细料,这时上升的气流把扬起的物料带到磨机上部的离心式选粉机里进行粗细分离,粗粒落回粉磨室中央再次粉磨,细粉则随气流排出磨外。
由于磨机从主电机水平传动经大型齿轮箱转换后带动装有扇形耐磨衬板的磨盘按垂直回转轴线的连续旋转,而上部选粉机壳体靠磨机筒体支撑,选粉机立轴带着转子也按同一垂直回转轴线连续旋转。
水泥原料立磨粉磨系统试生产方案一.调试说明为了保证系统设备的正常运转及工艺操作的主要事项。
操作人员必须在理解本操作说明书内容的基础上,了解系统内每台设备的原理,基本结构及性能,掌握仪表及控制装置的使用要领,以便在实际操作中随时解决出现的问题。
生料磨系统的安装调试着眼于准确安装,精确调试,以便找到设备的最佳运行状态,确保系统高效运行,达到高质量高产量的生产效果。
矚慫润厲钐瘗睞枥庑赖。
二、工艺流程介绍生料粉磨系统是从原料调配库底到生料成品输送、入库和增湿塔到尾排的窑尾废气排放的整个过程。
1.原料调配设有多个配料库,储存石灰质校正原料、铁质校正原料、硅铝质校正原料。
石灰石经石灰石取料机取料后,通过胶带送入石灰石库,每个库下均设有原料计量喂料装置,供原料磨喂料。
几种原料经调配库下的定量给料机计量后,由胶带输送机输送至原料磨粉磨。
聞創沟燴鐺險爱氇谴净。
2.原料粉磨采用LGM5024立磨,入磨的物料在磨内经过烘干和研磨,研磨后的物料被来自窑尾(或热风炉提供)的热风带起后,进入选粉机内筛选,粗颗粒重新进入磨粉磨,合格细粉经旋风筒收集,由空气斜槽送至生料库提升机。
从旋风筒排出的废气,经循环风机后,一部分作为循环风补充磨机的工作风量,剩余部分送至窑尾袋收尘器处理后排入大气。
当原料磨运行时,从预热器排出的废气经增湿塔引至原料磨,剩余部分进入窑尾袋收尘器处理,再排入大气。
当磨机不运行时,窑尾废气经增湿塔喷水降至150℃左右后,直接进入窑尾袋收尘器处理,再排入大气。
窑尾袋收尘器与增湿塔收集的窑灰,经空气斜槽、螺旋输送机、拉链机、斗式提升机输送系统,与生料混合后送入生料均化库。
当增湿塔收集的粉尘水分过大时,增湿塔下的螺旋输送机反转,将收集的湿窑灰排出系统。
残骛楼諍锩瀨濟溆塹籟。
3.出库生料经库底的卸料口卸至生料计量仓,生料计量仓带有荷重传感器、充气装置,仓下设有流量控制阀和流量计,经计量后的生料经过空气输送斜槽、提升机喂入窑尾预热系统。
浅析矿渣微粉粉磨系统及立式矿渣磨调试要点文章介绍了各种矿渣微粉粉磨系统的工艺特点,阐述了立式矿渣磨机系统在粉磨矿渣微粉方面的优越性,对其生产工艺流程进行了分析。
同时,对该系统中的主机设备MLK立式矿渣磨的在系统调试中的关键点进行了阐述。
标签:矿渣;微粉;立式矿渣磨;调试1 各种矿渣微粉系统矿渣“高细高掺”技术是近十年来才研发的新技术,目前这种“绿色建材”新技术国内外许多公司和院所均已有成熟的工艺。
如德国的伯力鸠斯公司、莱歇公司、KHD公司,中国国内各家所采用的矿渣粉磨系统主要有:球磨系统、辊压机-球磨系统、辊压机终粉磨系统及立式矿渣磨系统。
在这四种系统中,立式矿渣磨粉磨矿渣是国外近年来发展较快的系统,该系统流程特别简单,烘干、粉磨、选粉的全部工艺过程均在立式辊磨机中完成。
由于是料床粉磨,粉磨效率高,单位电耗低,特别是磨内空间大,环隙外风速高,传热快,因此烘干能力强。
这些特点非常适合矿渣水分高,难磨的要求。
因而,在中国辊磨系统的发展速度非常迅速。
北方重工集团引进及开发的MPS立式辊磨机广泛用于粉磨水泥生料及煤。
又先后开发出一系列脱硫立磨、煤化油立式辊磨机。
近几年在吸收国内外先进技术的基础上,自主开发的用于粉磨矿渣的MLK系列立式矿渣磨与粉磨水泥熟料的MLN系列立式辊磨机,解决了“稳定料床防止振动”、“磨内除铁”、“磨辊和磨盘的磨损”、“高效选粉”、“干湿料分开进料以防堵料”等关键技术难点。
MLK系列立式矿渣磨机具有研磨效率高、运行平稳、选粉效率高、能耗低(相比传统的球磨系统,节能30%~50%)、清洁生产等优点,并能有效回收矿渣包覆的铁,其各项指标均与国外同类先进技术相当,价格仅为进口设备的2/3。
当前已经生产近三十台,大量应用于钢厂、水泥厂、新型建材厂的矿粉制备。
2 生产工艺流程2.1 矿渣储存配料及输送矿渣微粉粉磨系统工艺流程见图1。
矿渣由汽车送至厂内,再由装载机送入胶带输送机上方的喂料仓,湿矿渣粉磨喂料设有矿渣喂料仓,每个仓下分别设棒阀闸门、电子皮带定量给料机。
12.主要设备施工技术方案12.1LM46C/S2+2莱歇立磨施工技术方案12.1.1概述12.1.1.1莱歇立磨的特点原料粉磨是水泥厂工艺线上极为重要的环节,磨机安装质量的好坏,直接关系到全线生产能否正常和全厂投产后的经济效益。
莱歇立式辊磨机主要特点如下:带有耐磨衬板的平磨盘与锥形磨辊,采用4辊液压式,为便于磨机检修,磨上附有翻出磨辊用的轻便型油压装置;磨机负荷运转在起动时磨辊能自动从磨盘上提起,减少了起动转矩;磨机设有保护装置,当辊压超过或低于调定范围极限值时,自动报警并自行停磨,确保磨机安全运行;磨机液压系统具备自动控制和手动控制两种功能,可提高操作上的灵活性、可靠性;各磨辊有独立的液压加压装置,每个液压缸都配置了足够的蓄能器,保证磨机运转中辊压波动最小,以使磨机运转平稳;分离器采用直流电机传动,改变转速即可满足各条件下对产品细度的要求,细度调节灵活方便。
风环设计成可调节的,改变风环截面积可以调节风环风速,适应不同物料;磨辊辊套与轮毂之间,以及辊轴与摇臂之间分别采用锥面结构和胀套结构连接,拆装方便。
和球磨机相比,该磨的主要优点是:具有更高的研磨效率,工艺流程大大缩短,电耗降低,物料的研磨在限定压力下进行。
12.1.1.2莱歇立磨的工作原理主电机按设计功率旋转通过齿轮箱带动磨盘转动,原料从磨机三门装置喂入,落到磨盘中央,然后在离心作用下甩到辊子下边,在磨盘外边的挡圈使原料形成了层状,称为粉磨床。
辊子与磨碗间的压力由液压装置施加,物料层带磨辊转动产生连续不断挤压生料的作用,粉磨后的物料越过挡圈落下,这时用于烘干物料的热风从磨盘下引入,从环向缝隙吹起细料,这时上升的气流把扬起的物料带到磨机上部的离心式选粉机里进行粗细分离,粗粒落回粉磨室中央再次粉磨,细粉则随气流排出磨外。
由于磨机从主电机水平传动经大型齿轮箱转换后带动装有扇形耐磨衬板的磨盘按垂直回转轴线的连续旋转,而上部选粉机壳体靠磨机筒体支撑,选粉机立轴带着转子也按同一垂直回转轴线连续旋转。
HRM3400立式生料磨试车方案一、前言二、开机前的检查三、磨机分部件试车四、立式磨本体的启动操作五、立式生料磨整机空负荷试车六、立式生料磨带负荷试车七、人员培训八、人员配置九、试车时间十、附润滑油使用表十一、附操作记录表一、前言:HRM3400立式生料磨试车是在设备安装完成后进行的,它主要包括两方面的内容:分部件试车、空负荷试车和带负荷试车,其目的首先是检验立式生料磨产品的内在质量,排除机械设备隐患;其次是检验立式生料磨设备的安装质量,现场培训操作人员。
调整机械设备使之与被粉磨的物料相适应,最终达到和超过合同规定的经济技术指标。
在HRM3400立式生料磨试车和调试阶段,可能会出现这样和那样的问题,也许这是无法避免的。
我们认为在这一阶段应尽可能的发现问题和隐患,并努力彻底地消除它,这是立式生料磨今后长期安全运行的重要保证。
因此在这一阶段,无论出现什么问题,都不应该急躁冒进,而应该组织工程技术人员,仔细分析问题,制定切实可行的解决方案并认真实施,最终彻底解决问题,消除隐患。
在实施立式生料磨试车和调试前,应准备好所需的工具和材料,例如各种清洗材料,润滑油(脂)和试车中各种记录表格等。
立式生料磨四周及车间环境卫生应良好、整洁,搞好试车现场清理,认真检查磨机内腔,不许有施工留下的东西,例如钢筋、砖头、水泥块、木板、螺栓、扳手和棉纱等物,特别是黑暗部位和不易查看部位要认真检查,不能马虎。
二、开机前的检查按HRM3400立式生料磨使用说明书,主要检查如下项目:1、磨辊限位装置(保证磨辊与磨盘衬板有5~10mm间隙)2、蓄能器的充氮压力【P=(0.33~0.66)×P1MPa P1为油缸额定工作压力】3、液压站油位4、液压站油泵电机转向5、试验液压张紧装置6、调整溢流阀7、减速机稀油站油位8、冷却水流量、压力9、润滑油泵转向110、传动装置的电气联锁11、主电机稀油站油位12、磨辊轴内润滑脂和油的添加13、分离器轴承润滑脂的情况14、分离器减速机油位15、分离器转向16、分离器转速可调及仪表显示三、磨机分部件试车1.分离器将分离器各润滑点加入相应牌号的润滑油或润滑脂。
LM32.40莱歇磨的调试
王银山;孙春生
【期刊名称】《水泥技术》
【年(卷),期】1998(000)004
【总页数】2页(P30-31)
【作者】王银山;孙春生
【作者单位】山西水泥厂;山西水泥厂
【正文语种】中文
【中图分类】TQ172.63
【相关文献】
1.LM53+3型莱歇磨矿渣徽粉生产线的调试体会 [J], 张韬
2.OBAJANA莱歇LM69.4立磨调试中的问题及处理 [J], 罗少华;马飞
3.LM32.40莱歇磨磨盘的焊接修复和改造(二) [J], 王银山;樊春江
4.LM32.40莱歇磨出口温度控制与调节浅析 [J], 王银山;刘宇宏
5.LM32.40莱歇磨系统生产控制与调节 [J], 王银山;孙春生;党朝旭
因版权原因,仅展示原文概要,查看原文内容请购买。