公共广播系统功能测定及设备调试记录
- 格式:docx
- 大小:14.13 KB
- 文档页数:1
至公共广播系统测评记录
项目专业监理工程师
(建设单位项目专业负责人):监理(建设)单位
施工单位专业工长专业质检员施工班组长测试计量器具(仪表、仪器)及其附属设备(器具)的名称/型号、规格/量程/分辨精度/出厂编号/制造厂商/其他要素:
语音清晰度主观评价
检测调试说明:
综合评价结论/备注
施工单位检测调试负责
人
检测日期:年 月 日年 月 日与检测(调试)、验收
相关的设计文件(图)/
产品技术文件(图)的
名称及编号
施工依据文件名称及编
号
最小/实际 抽样数量质量验收依据文件名称及编号
智能建筑工程质量验收规范 GB50339-2013施工单位
检验批编号分部/子分部/分项
(系统/子系统)
智能建筑/公共广播系统施工部位公共广播系统测评记录(一)
GD-C4-6521
单位(子单位)工程名称。
虹桥商务区D17街坊项目酒店广播系统调试报告
中建安装工程有限公司
2015年5月
广播系统的调试主要指广播系统安装施工完毕后,对设备安装过程进行全面的、常规性地检查,并作开通试验和音质评价,其主要工作内容有:传输线路检查、配接检查、绝缘电阻测量、接地电阻测量、天线调试、电源试验、系统开通试验、声压测量和音质评价等。
1、传输线路检查
广播传输线路分为室内、室外各种配线,检查时应将被检线路的接线端子从设备上断开,按照施工图、广播系统图来检查各路传输配线是否正确,是否存在短路、断路、混线等故障;接线端子编号是否齐全、正确,是否焊有接线端子。
对于被发现的故障耍逐一进行排除,并将接线端子重新紧固连接;各个插头、插座连线是否采用焊接,接线是否正确可靠,屏蔽层连接是否完整良好,符合要求。
2、配接检查
按照施工图检查每个回路或扬声设备上的线间变压器配接是否正确,特别是多抽头变压器的连接端子往往容易接错,注意检查漏接、多接,变压器的初级次级接反现象;按图查对变压器型号,容量及阻抗是否匹配。
3、绝缘电阻测定
将广播线的两头接线端子断开,用500V兆欧表,测量其线间绝缘电阻。
测量项目为:线与线和线与地的绝缘电阻,绝缘电阻一般不小于0.5MΩ,对于每一回路的电阻应进行分回路测量,测量数值应填写记录,作为调试报告的内容交建设单位保管。
4、接地电阻测量
广播系统的接地电阻,主要在广播室的接地极上进行;测量时采用接地电阻测试仪。
广播室放大器、避雷器等的工频接地电阻一般不大于10Ω,当广播系统的容量在150 W以上,如单独设置接地极确有团难时,可与电气装置合用一组接地极,但这种接地要求接地电阻不应大于4Ω,并应设置专用接地干线。
公共广播系统调试检验批质量验收记录项目名称:公共广播系统调试检验项目编号:XXXXX项目验收时间:XXXX年XX月XX日项目概况:一、验收标准:1.确保公共广播系统的整体质量满足相关国家标准和规范要求。
2.系统在实际使用中能够稳定运行,音响效果符合预期并能够在整个公共场所范围内平衡传达。
二、验收过程记录:(1)项目启动项目启动阶段的工作主要包括确认项目目标、编制调试计划、设备准备等。
项目组成员在会议上明确了项目目标,并根据计划进行了设备准备工作。
(2)系统调试项目组成员按照调试计划,对公共广播系统进行了系统的调试工作。
主要包括以下几个方面的内容:-音响播放效果调试:通过播放不同类型的声音,测试音响的音质、声音传播距离等效果。
经测试,音响播放效果良好,音质清晰且声音能够传达到整个公共场所范围内。
-各设备协同工作调试:对系统中的各个设备进行了协同工作的调试。
经测试,各设备能够正常工作,并且能够与其他设备无缝连接。
-广播覆盖范围测试:通过设置不同的广播范围进行测试,确保系统能够覆盖整个公共场所的所有区域。
经测试,系统能够覆盖所有区域,声音清晰可听。
-系统稳定性测试:对系统进行了长时间运行测试,以确保系统能够稳定运行。
经测试,系统运行稳定,无明显故障。
-安全性测试:对系统的安全性进行了测试。
经测试,系统对未经授权的访问有一定的防护措施,能够保障系统的安全性。
(3)质量验收项目组成员根据调试情况,进行了质量验收。
经过仔细检查和测试,确认公共广播系统调试工作合格。
之后,项目组成员开始对系统进行质量验收文档的编写。
三、质量验收结论:四、存在问题及改进措施:经过项目调试中的验收工作,未发现重大问题和缺陷。
但是,在实际调试过程中,存在一些小问题,例如音响播放声音时偶尔出现杂音等。
为了进一步提高系统质量,采取以下改进措施:1.加强设备维护工作,定期对设备进行检查和维护,确保其正常运行。
2.及时处理用户反馈的问题,对用户提出的意见和建议给予重视,并及时采取措施解决。
公共广播系统调试检验批质量验收记录一、验收目的1.验收公共广播系统调试检验批的质量,确保系统符合设计要求和技术规范;2.验收各项功能和性能是否完备和正常运行;3.验收系统是否满足用户的使用需求。
二、验收依据1.设计文件:包括设计概要、设计详细和各项标准规范要求;2.技术文件:包括施工图纸、施工说明书、调试手册等;3.质量文件:包括材料合格证、施工记录、验收报告等。
三、验收内容1.设备验收a.按照设计文件和技术文件要求检查设备型号和规格是否符合要求;b.检查设备是否具备相应的功能和性能;c.检查设备的安装位置和固定是否牢固;d.检查设备的接线是否正确、牢固和可靠。
2.调试验收a.检查设备的开关机是否正常;b.检查设备的音质是否清晰、音量是否适中;c.检查设备在不同频道切换时的切换时间是否合理;d.检查设备的电源供应是否稳定;e.检查设备的防雷措施是否有效;f.检查设备的故障自动诊断和报警功能是否正常;g.检查设备的远程监控和维护功能是否正常;h.检查设备的紧急广播功能是否正常。
四、验收方法1.现场检查:对设备进行目视检查,包括设备外观、设备接线、安全防护等;2.功能测试:对设备的各项功能进行测试,验证其是否正常工作;3.评估测试:对设备进行评估测试,评估其性能是否达到设计要求;4.数据分析:对测试数据进行详细分析,判断设备是否符合质量标准。
五、验收记录1.执行验收人员:列出参与验收的人员名单;2.验收时间:记录验收开始和结束的时间;3.设备清单:列出验收的设备名称、型号和数量;4.验收过程:记录验收过程中的检查和测试结果;5.问题记录:记录存在的问题及其解决方案;6.结论:写明验收结果,包括是否通过验收、存在的问题及整改措施。
六、验收结论根据现场检查、功能测试和评估测试的结果,结合相关标准和规范要求,确保公共广播系统调试检验批的质量符合要求。
经过认真评估和分析,确认公共广播系统调试检验批质量已满足设计要求和技术规范。
公共广播与紧急广播系统分项工程质量验收记录一、项目概况本次质量验收的项目是公共广播和紧急广播系统分项工程。
该项目由XX公司承建,工程内容包括设计、采购、安装和调试公共广播和紧急广播系统。
二、质量验收内容1.设备质量验收:对公共广播和紧急广播系统的设备进行验收,包括设备的完整性、安装是否牢固、设备运行是否稳定等方面的评估。
2.系统功能验收:对公共广播和紧急广播系统的功能进行验收,通过模拟实际操作测试系统的各项功能是否正常、灵活可靠。
3.保密性验收:对系统的保密性进行验收,确保系统的信息传递过程中不会被非法获取或泄露。
4.防护性验收:对公共广播和紧急广播系统的防护性进行验收,确保系统能够抵御外界环境或人为因素对设备及信息传输的干扰。
5.规范符合性验收:对公共广播和紧急广播系统的安装和调试是否符合相关规范和标准进行验收。
三、质量验收过程及结果1.设备质量验收:经过对所有设备的检查和测试,确认设备完整、安装牢固、运行稳定,符合要求。
2.系统功能验收:通过模拟实际操作,测试系统的各项功能,包括广播内容的播放、音量调节、频道切换等功能,结果显示系统功能正常。
3.保密性验收:通过网络安全测试和信息传输测试,确保系统的信息传递过程中不会被非法获取或泄露,验证结果表明系统的保密性符合要求。
4.防护性验收:对系统进行环境测试和防护性能测试,确保系统能够抵御外界环境或人为因素的干扰,测试结果符合要求。
5.规范符合性验收:对系统的安装和调试过程进行检查,确认安装和调试过程严格按照相关规范和标准进行,验收结果符合要求。
四、质量验收结论经过对公共广播和紧急广播系统分项工程进行全面的质量验收,验收结果显示该工程的设备质量、系统功能、保密性、防护性和规范符合性均符合要求。
因此,本次质量验收结论为合格。
五、质量改进建议1.对于设备的维修保养,建议进行定期检查和维护,以确保设备的长期稳定运行。
2.加强对系统人员的培训和技术支持,提高人员的操作技能和应急处理能力。
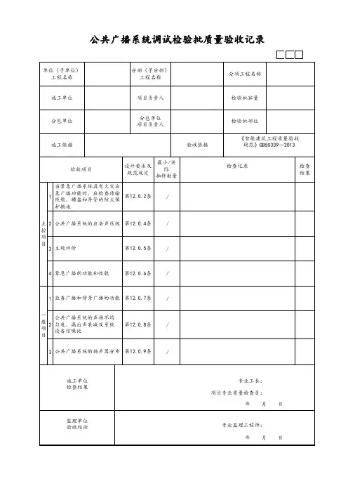
公共广播系统子分部工程检测记录山东省建设工程质量监督总站监制说明主控项目12.0.4 公共广播系统检测时,应检测公共广播系统的应备声压级,检测结果符合设计要求的应判定为合格。
12.0。
5 主观评价时应对广播分区逐个进行检测和试听,并应符合下列规定:1 语言清晰度主观评价评分应符合表12.0.5的规定;表12。
0.5 语言清晰度主观评价评分2 评价人员应独立打分,评价结果应取所有评价人员打分的算术平均值;3 评价结果不低于4分的应判定为合格.12。
0.6 公共广播系统检测时,应检测紧急广播的功能和性能,检测结果符合设计要求的应判定为合格。
当紧急广播包括火灾应急广播功能时,还应检测下列内容:1、紧急广播具有最高级别的优先权;2、警报信号触发后,紧急广播向相关广播区播放警示信号,警报语声文件或实时指挥语声的响应时间;3、音量自动调节功能;4、手动发布紧急广播的一键到位功能;5、设备的热备用功能、定时自检和故障自动告警功能;6、备用电源的切换时间;7、广播分区与建筑防火分区匹配。
一般项目12.0。
7 公共广播系统检测时,应检测业务广播和背景广播的功能,符合设计要求的应判定为合格。
12。
0.8 公共广播系统检测时,应检测公共广播系统的声场不均匀度、漏出声衰减及系统设备信噪比,检测结果符合设计要求的应判定为合格。
12.0。
9 公共广播系统检测时,应检查公共广播系统的扬声器位置,分布合理、符合设计要求的应判定为合格强制性条文当紧急广播系统具有火灾应急广播功能时,应检查传输线缆、槽盒和导管的防火保护措施。
SG-A126
公共广播系统子分部工程检测记录
工程名称编号子分部名称检查部位施工单位注册建造师(项目经理)
执行标准名称及编号
检测内容 规范条款
检测结果记录结果评价备注
合格不合格主控项目
公共广播系统的应备声压级
12.0.4 主观评价12.0.5 紧急广播的功能
和性能12.0.6 一般项目
业务广播和背景广播的功能
12.0.7
公共广播系统的声场不均匀度、漏出声衰减及系统设备信噪比12.0.8
公共广播系统的扬声器分布
12.0.9
强制性条文当紧急广播系统具有火灾应急广
播功能时,应检
查传输线缆、槽盒和导管的防火
保护措施12.0.2
检测结论:
监理工程师签字
(建设单位项目专业技术负责人)
检测负责人签字
年 月 日
年 月 日
注:1.结果评价栏中,左列打"√"为合格,右列打"√"为不合格; 2.备注栏内填写检测时出现的问题。
四川省建设工程质量安全监督总站制。