吊篮脚手架平台专项施工方案改
- 格式:doc
- 大小:104.50 KB
- 文档页数:13
吊蓝脚手架施工方案改
在吊蓝脚手架的施工方案中,需要注意以下几个方面的改进:
1.安全防护措施的加强:吊蓝脚手架在高空作业,存在较大的安全风险。
因此,施工方案中应加强对安全防护措施的要求,如提供防坠落装置、安装防护网、规范安全操作等。
并在施工前进行安全教育和培训,以提高
工人的安全意识和技能。
2.设备的优化选择:在施工方案中,需要根据具体工程的特点和要求,选择适合的吊蓝脚手架设备。
考虑到作业高度、荷载要求、安全性能等因素,选择质量可靠、操作方便的设备,如带有自动平衡系统和紧急停机装
置的吊篮。
3.施工过程的监控与管理:吊蓝脚手架施工过程需要进行实时的监控
和管理,以确保工程的安全和质量。
施工方案中应考虑安装监控设备,如
闭路电视摄像头和安全报警器,以及建立监控中心,负责对施工区域进行
实时监控和应急响应。
4.特殊条件处理方案:在施工过程中,可能会遇到一些特殊的条件,
如恶劣天气、高温等。
施工方案中应考虑这些特殊条件,并提供相应的处
理方案,如增加防水和防晒措施,调整施工时间等。
5.施工现场的组织与协调:吊蓝脚手架施工过程需要进行多方面的组
织与协调。
施工方案中需要确定各项工作的具体责任人和工作流程,并进
行施工计划的编制和调整。
同时,还需要与其他施工单位和相关部门进行
沟通和协调,以确保施工的顺利进行。
总之,吊蓝脚手架施工方案的改进需要考虑安全防护、设备选择、施工监控、特殊条件处理和施工现场的组织与协调等方面。
只有综合考虑这些因素,才能提高吊蓝脚手架施工的安全性、效率性和质量。
吊篮脚手架施工方案吊篮脚手架施工方案采用天津津久起重机工具厂生产的津久牌成品吊篮,吊篮外尺寸为4.0×0.8×1.5m。
一、吊篮搭设安装①、根据天津市津久牌成品吊篮厂家资料说明,3m吊篮自重为160kg,组合吊篮保证安全无误。
②、吊篮挑梁选用6.0m长工字钢(槽钢)前端挑出建筑物外皮1.5m,符合1:3的尺寸比例要求。
③、吊篮葫芦的有效承载力为3T,钢丝绳为Φ17.0,吊篮的葫芦、钢丝绳、安全锁(保险器)均有安全证明书。
④、吊篮环的埋设:吊篮预埋环使用Φ16钢筋呈“Ω”型埋设于现浇屋面的梁中,并加设Φ16加固拉筋,预埋环间距根据实际确定为准,距外栏板内侧距离按照建筑物实际计算后由技术负责人负责布置。
⑤、吊篮架体的布置、搭设:吊篮在屋面架体采用Φ48钢管搭设,前后双排架,设剪刀撑稳固,立杆间距2m,根据吊篮的布置尺寸3m、2.5m架立工字钢,前高后低(250mm—300mm),工字钢(槽钢)根部用Φ17的钢丝绳固定,且距工字钢端(尾)部均不小于100mm。
在搁置工字钢的两侧架体前端应设置两根竖向立杆,防止平杆受力后发生弯曲,整个架体不得发生弯曲、摆动、松扣、滑移现象。
⑥、吊篮平台搭设:吊篮为天津市津久牌成品吊篮,葫芦为承载力3T的手扳葫芦,钢丝绳Φ17,每个葫芦设保险绳,保险锁一套,保险钢丝绳的穿拉固定与牵引钢丝绳相同。
吊篮尺寸组合2m、2.5m、3m、4m、4.5m、5m、5.5m、6m。
宽度均为0.8m,前面高度800mm,外立面和两侧面高度1200mm,挡脚板为180mm高铁皮,吊篮底部为带型防滑铁皮,底部设Φ12螺栓支撑,间距650mm,吊篮上部设置成品防护架,顶棚为竹胶板。
⑦、吊篮组合方式:2.5m—3m的吊篮单个组装时,底板下部螺栓固定牢靠,5m—6m组合吊篮两侧底板下螺栓固定牢靠,中部连接处螺栓必须加弹簧垫片,固定牢靠。
⑧、手扳葫芦、保险器的安装:手扳葫芦安装时先穿Φ17钢丝绳,钢挂钩朝下,用专用摇把摇紧,吊篮内侧钢管孔为手扳葫芦钢丝绳穿孔,外侧孔为安装保险器(安全锁)的孔洞,开钳手柄朝下,进出绳口方向不能倒置,安全器连接绳用钢丝绳卡上部固定在保险器上,下部固定在挂钩上。
吊篮脚手架专项施工方案一、工程概况1.1 工程建设概况项目单位名称建设单位河南天郡置业有限公司监理单位河南诚社工程管理有限公司设计单位河南同致工程设计有限公司勘察单位平顶山市地质工程处施工单位河南福兴建设工程有限公司1.2 工程设计概况本位于平顶山市一矿路北段路东陈家岗村,结构形式为剪力墙结构,地基基础设计等级为乙级,基础形式为梁板式筏板基础,地下二层,地上十二层,有跃层,总建筑面积约为5839.2m 2 ,建筑高度34.800m 。
2. 本工程耐火等级地上为二级,地下为一级,防水地上为Ⅱ级,地下为Ⅰ级。
本工程抗震等级为四级,抗震设防烈度地上为6度一组,设计基本地震加速度为0.05g ,结构使用年限为50年。
3. 人防工程为附建式甲类人防地下室,防核武器等级为6级,防常规武器等级为6级,防化等级物资储备库为丁级,人员掩蔽部位丙级。
车库部分地下一层,住宅部分地下二层,车库地下一层层高 3.9米,顶板覆土1.2 米;主楼地下二层层高3.0米,商业地下二层层高 3.5米。
建筑功能为战时二等人员掩蔽部、物资储备部,平时为汽车库。
本工程的外墙保温采用40 厚无机保温砂浆,外装饰为深棕、灰白涂料和深棕色真石漆。
保温层打底找平及外墙装饰面层均采用吊篮施工。
二、编制依据1、《建筑施工手册》2、《建筑施工安全检查标准》JGJ59-20113、《施工现场临时用电安全技术规程》JGJ46 -20054、《高处作业吊篮》GB19155-20035、施工组织设计三、高处作业吊篮简介3.1 吊篮型号ZLP630 ,主要技术性能参数如下:项目额定载重技术数据630kg备注包括作业人员在内的施工活荷载悬吊平台(长×宽×高) 最大组合长度6m×宽度0.69m ×高度1.225m 额定升降速度9~11m/min型号LTD6.30提功率3kW 每台吊篮两台电机各 1.5kW 升电压三相380V 、50HZ 三相五线制配电机制动力矩15 N ·m型号LDF30 每个吊篮两只安全锁安允许冲击力30 kN全闭锁角度3°~ 8°悬吊平台与水平面的倾斜角度锁锁绳距离≤100m悬前梁额定伸出量 1.3m 最大伸出量不大于 1.7m 挂悬挂支架调节高度 1.1m ~1.8m 调节间距10cm装镀锌钢丝绳4×25Fi+PP- Φ8.3 破断拉力≥51.8kN置平衡配重900kg 实际安装时偏于安全,每台1t 质悬挂机构300kg 不含配重量整机(除配重)776kg 含最长平台6m 金属构件及电器主电源电缆线3×2.5+2 ×1.5YZ-5 三相五线制电缆3.2 吊篮结构原理简介:吊篮整机主要由六部分组成,①悬挂机构、②悬吊平台、③提升装置、④安全装置、⑤电气系统。
吊篮脚手架专项施工方案一、工程概况1.1工程建设概况1.2工程设计概况本位于平顶山市一矿路北段路东陈家岗村,结构形式为剪力墙结构,地基基础设计等级为乙级,基础形式为梁板式筏板基础,地下二层,地上十二层,有跃层,总建筑面积约为5839.2m2,建筑高度34.800m。
2.本工程耐火等级地上为二级,地下为一级,防水地上为Ⅱ级,地下为Ⅰ级。
本工程抗震等级为四级,抗震设防烈度地上为6度一组,设计基本地震加速度为0.05g,结构使用年限为50年。
3.人防工程为附建式甲类人防地下室,防核武器等级为6级,防常规武器等级为6级,防化等级物资储备库为丁级,人员掩蔽部位丙级。
车库部分地下一层,住宅部分地下二层,车库地下一层层高3.9米,顶板覆土1.2米;主楼地下二层层高3.0米,商业地下二层层高3.5米。
建筑功能为战时二等人员掩蔽部、物资储备部,平时为汽车库。
本工程的外墙保温采用40厚无机保温砂浆,外装饰为深棕、灰白涂料和深棕色真石漆。
保温层打底找平及外墙装饰面层均采用吊篮施工。
二、编制依据1、《建筑施工手册》2、《建筑施工安全检查标准》JGJ59-20113、《施工现场临时用电安全技术规程》JGJ46-20054、《高处作业吊篮》GB19155-20035、施工组织设计三、高处作业吊篮简介3.2 吊篮结构原理简介:吊篮整机主要由六部分组成,①悬挂机构、②悬吊平台、③提升装置、④安全装置、⑤电气系统。
①悬挂机构:架设于建筑物屋面上,由两套独立的钢结构架及钢丝绳组成。
钢结构架由钢结构件通过螺栓或销子连接而成。
每套悬挂钢结构架的前梁分别悬垂两根钢丝绳,一根为提升机用工作钢丝绳,一根为安全锁用钢丝绳。
钢丝绳系吊篮专用镀锌钢丝绳,强度高,耐锈蚀性能好。
型号为4×25Fi+PP-Φ8.3,破断拉力不小于51.8kN。
钢丝绳使用过程中,按《起重机械用钢丝绳检验和报废实用规范》GB5972的有关规定,对钢丝绳的磨损、锈蚀、短丝、异常变形等进行检验,达到报废标准即更新钢丝绳。
吊篮施工专项方案[文档副标题]2019-5-19CHINA郑州吊篮施工专项方案一、编制依据:《建筑施工高处作业安全技术规范》JGJ80-91《高处作业吊篮安全规则》JGJ5027《建筑施工安全检查标准》JGJ59-99《施工现场临时用电安全技术规范》JGJ46-2005二、方针目标在施工中,始终贯彻“安全第一、预防为主”的安全生产工作方针,认真执行关于建筑施工企业安全生产管理的各项规定,把安全生产工作纳入施工组织设计和施工管理计划,强化安全生产管理,通过组织落实、责任到人、定期检查、认真整改,实现“杜绝因工死亡事故,重伤事故、轻伤事事故控制在最低”的工作目标。
三、安全管理措施成立由项目经理部安全生产负责人为首,各相关生产负责人参加的“安全生产管理小组”组织领导施工现场的安全生产管理工作。
做到安全生产工作责任到人,层层负责。
点这免费下载施工技术资料1、建立、健全安全检查制度,定期和不定期的对施工现场进行安全检查,及时发现和消除事故隐患,确保安全生产。
2、各项工程在施工前由项目技术负责人编制好各项工程安全技术专项方案,并向各作业班组长做书面安全技术交底,在由作业班组长向操作人员进行岗前安全技术交底和安全教育,并做好交底记录入档。
3、所有从事安全管理工作和特种工作业人员,必须经上级有关部门培训合格后持证上岗。
4、进入施工现场必须戴好安全帽,高空作业系好安全带,穿好防滑鞋。
凡非本工程人员进入施工现场必须进行登记批准,严禁将小孩带入施工现场。
5、施工现场不准赤脚,不准穿托鞋、高跟鞋,不准穿裙子,不准光膀子,女职工作业要将长发绑扎好后戴好安全帽。
6、工作期间不准嬉笑打闹,不准在脚手架上看书、睡觉,不准在脚手架上爬上爬下,不准动用非本工种的机具设备,不准由高处向下抛扔物品,不准任意拆除安全防护设施,不准随意在施工场所吸烟,不准洒后上岗。
7、建立并执行安全生产技术交底制度。
要求施工必须有书面安全技术交底,安全技术交底必须具有针对性,并有交底人与被交底人签字。
吊篮脚手架施工方案一、工程概况:华鑫现代城B区12号楼工程位于济阳县华鑫现代城小区内,建筑面积为10686.03 m2,框架剪力墙结构,层数14层,建筑檐高72.800m,按照总体施工安排,主体施工阶段本工程外脚手架采用钢管扣件落地式单排脚手架进行防护及施工,装饰阶段主楼采用吊篮脚手架进行外墙保温装饰施工。
二、本工程装饰阶段外墙采用手动提升式吊篮,吊篮悬挂于挑梁上,挑梁设置于顶层女儿墙上口位置,挑梁采用I14a型钢,具体挑梁设置构造详附图,吊篮悬吊钢丝绳6×19-ф12.5,吊篮手动提升葫芦为HSS-16ZY,安全锁型号SLS30,吊篮平台采用专业厂家生产的经鉴定合格的产品(具体参数见附表一、附表二、附表三),吊篮脚手架搭设安排具有相应资质的人员进行操作,于外墙脚手架及屋顶结构模板架体拆除后搭设。
1、技术准备:吊篮搭设方案已编制好并经过审批,并由技术负责人向操作人员详细交底。
预埋吊环在施工六层砼楼板时已按所需尺寸预埋完毕,吊环件为¢12钢筋。
预埋点间距为2m-3m,距墙外侧1.8m,阳台部位以阳台外侧为准。
2、材料准备:选用符合国家强制标准的I14a工字钢,钢管采用外径48mm,壁厚3.5mm的焊接钢管,材料性能必须符合GB700-88的相应规定,扣件无脱落、裂纹、滑脱的现象。
三、搭设方法1、屋面支承挑梁及脚手架的搭设:a、搭设双排脚手架:脚手架沿屋面周边交圈,立杆间距为750MM,横杆步距为600MM,立杆与横杆必须用直角扣件扣紧,不准用铁丝绑扎,也不能隔步设置或遗漏。
扫地杆沿屋面周边交圈设置,剪刀撑每榀钢梁下都设置。
立杆下部加设5cm厚垫木。
b、脚手架全部搭设完毕后,在横杆上部架设挑梁,挑梁通过上下的水平横杆固定,挑梁端部的水平横杆通过预埋吊环与结构连接以此做为挑梁的配重,以增强抗倾覆。
挑梁悬挑端部及挑梁与预埋吊环连接部位焊接L50×5角钢,以防钢丝绳及吊环滑脱。
c、悬吊主绳、安全副绳:悬吊主绳和安全副绳均采用6×19-Ø12.5mm钢丝绳,绳头用3个U型钢丝绳卡扣牢,U型钢丝绳卡同向布置,用M12锚栓紧固,为防止吊篮倾覆,应使主绳、安全副绳始终处于吊篮上方。
吊篮脚手架工程专项方案一、前言吊篮脚手架工程是建筑施工中常见的一种临时性支撑结构,用于提供工人作业平台及施工材料存储。
本文旨在针对吊篮脚手架工程的特点和要求,提出完整的工程方案,确保施工安全、施工质量,以及提高施工效率。
二、施工任务和要求1. 施工任务(1)搭设吊篮脚手架,确保吊篮和脚手架的安装牢固。
(2)按照设计要求和规范进行施工,保证满足相关法律法规及标准的要求。
(3)进行施工前的详细检查和确认,提前做好吊篮和脚手架的搭设准备工作。
2. 施工要求(1)吊篮脚手架搭设前,要先进行场地勘察与安全评估,确认场地条件是否适合吊篮脚手架的搭设。
(2)施工人员要熟悉吊篮脚手架搭设的流程和方法,并具备相关的操作证书和资质。
(3)吊篮脚手架搭设完成后,要进行验收和调试,确保吊篮和脚手架运行正常。
(4)施工现场要做好安全防护,确保工人安全施工。
三、施工方案1. 施工组织设计(1)成立由项目经理、施工工程师、安全员、质量员等组成的施工组织管理小组。
(2)确定吊篮脚手架搭设工程的总包方,并落实施工方案。
(3)编制施工计划,明确各项任务的责任人和时间节点。
2. 施工流程(1)准备工作:进行场地勘察与安全评估,编制搭设方案和施工图纸。
(2)材料采购:根据搭设方案和施工图纸的要求,采购吊篮、脚手架和相关的安全防护设施。
(3)搭设工作:按照施工图纸和搭设方案的要求,进行吊篮和脚手架的搭设工作。
(4)验收调试:吊篮和脚手架搭设完成后,进行验收和调试,确保吊篮和脚手架运行正常。
(5)安全防护:施工现场做好安全防护措施,确保工人安全施工。
3. 施工技术措施(1)吊篮搭设:吊篮的搭设要按照相关规范和设计要求进行,确保吊篮的安装牢固。
(2)脚手架搭设:脚手架的搭设要符合相关规范和设计要求,确保脚手架的稳固和可靠。
(3)安全防护:做好安全防护工作,包括围栏、安全带、警示标识等,确保施工现场的安全。
四、质量控制措施1. 编制施工图纸:搭设吊篮脚手架的施工图纸要符合相关规范和设计要求,确保施工按图纸进行。
吊篮脚手架工程专项施工方案一、背景吊篮脚手架工程是在建筑施工中常见的一种辅助设施,用于提供高空施工人员的安全作业平台。
合理的吊篮脚手架工程专项施工方案能够保证施工质量,提高工作效率,确保施工安全。
二、施工前准备在施工前,需要进行如下准备工作:1.完善施工方案设计图纸,并获得相关审批文件。
2.确保施工人员具备相关技术资质和证书。
3.准备施工所需的吊篮、脚手架等设备,并进行检查和维护。
4.制定安全施工计划,并进行施工安全培训。
三、施工流程3.1 吊篮施工1.搭建吊篮支架:根据设计要求,搭建吊篮支架,并确保支架结构牢固稳定。
2.安装吊篮:将吊篮吊装到支架上,并进行调整,确保吊篮水平稳定。
3.安装安全设施:设置吊篮上的安全门、扶手等设施,以确保施工人员安全作业。
3.2 脚手架施工1.搭建脚手架架体:根据设计要求,搭建脚手架架体,注意连接部件的牢固性。
2.安装脚手架平台:在搭建好的架体上安装脚手架平台,确保平台水平平整。
3.设置脚手架防护:在脚手架上设置必要的防护设施,如安全网、护栏等,以保障施工人员安全。
四、施工注意事项1.施工中严禁超载,确保吊篮、脚手架的承载力符合要求。
2.施工过程中要及时检查吊篮、脚手架的稳定性,发现问题及时进行处理。
3.施工现场要保持整洁,防止杂物堆积影响施工安全。
4.施工人员需佩戴安全帽、安全带等个人防护装备,确保施工安全。
五、总结吊篮脚手架工程的专项施工方案对确保施工质量、提高工作效率和保障施工安全至关重要。
在实际施工中,施工方案不仅要严格执行,同时也要根据实际情况及时调整方案,不断优化施工流程,确保吊篮脚手架工程顺利进行。
以上为吊篮脚手架工程专项施工方案,希望能对各位施工人员在吊篮脚手架工程中提供一定的帮助和指导。
吊篮式脚手架施工方案一、引言吊篮式脚手架是建筑施工中常见的一种辅助设施,用于高空作业和施工工人的安全保障。
本文将就吊篮式脚手架的施工方案进行详细介绍,包括施工前准备、搭设吊篮脚手架、施工过程中的注意事项等内容,以期为相关施工人员提供指导。
二、施工前准备1. 设计脚手架方案在施工前,首先需要根据施工图纸和实际情况设计出合理的吊篮式脚手架方案。
方案应考虑到脚手架所需承载的荷载、搭设位置、高度和稳定性等因素,确保脚手架的安全可靠。
2. 准备施工材料根据设计方案确定所需的施工材料和工具,包括吊篮、脚手架主体结构、连接件、安全绳索等,确保施工所需物品齐全。
3. 安全培训和规范在施工前,需要对参与脚手架搭设和作业的工作人员进行相关安全培训,了解施工过程中的安全规范和操作流程,确保施工人员具备必要的安全意识。
三、搭设吊篮脚手架1. 设置基础支撑在搭设吊篮脚手架前,首先需要在施工位置设置稳固的基础支撑,确保基础牢固、平整,以提供脚手架的稳定支撑。
2. 安装脚手架主体结构根据设计方案和指引,逐步搭设脚手架主体结构,确保连接牢固、结构稳定,同时注意脚手架的高度和水平度,保证施工安全。
3. 安装吊篮在搭设完成脚手架主体结构后,安装吊篮,并进行必要的调整和检查,确保吊篮的安全性和稳定性,以满足高空施工的需要。
四、施工注意事项1. 定期检查维护在施工过程中,需要定期检查脚手架结构和吊篮的安全状况,发现问题及时修复,确保脚手架的稳定性和安全性。
2. 操作规范施工人员在吊篮式脚手架上进行作业时,应严格遵守相关的操作规范和安全要求,注意佩戴防护用具,避免发生意外事故。
3. 天气限制在恶劣天气条件下,如强风、暴雨等,应暂停脚手架的使用,确保施工人员的安全。
五、总结吊篮式脚手架作为一种常见的高空作业设施,在建筑施工中发挥重要作用。
通过本文的介绍,希望能够帮助施工人员了解吊篮式脚手架的施工方案和注意事项,提高施工安全和效率。
施工人员应严格按照相关规范操作,确保施工过程中的安全性和质量,促进建筑施工的顺利进行。
吊篮操作平台施工方案一、工程概况龙州湾公租房F7为商业办公楼、F9为商业酒店。
1~5层外墙为干挂石材,5层以上为外墙漆,外墙漆施工采用吊篮,干挂石材采用外架施工。
考虑项目工期要求,外墙石材及外墙漆需同时施工。
为保证施工安全,在F7、F9#楼5层搭设施工安全操作平台,以保证上部外墙漆施工时高处坠物伤人。
经项目部研讨决定搭设一座施工操作平台,以满足现场施工使用。
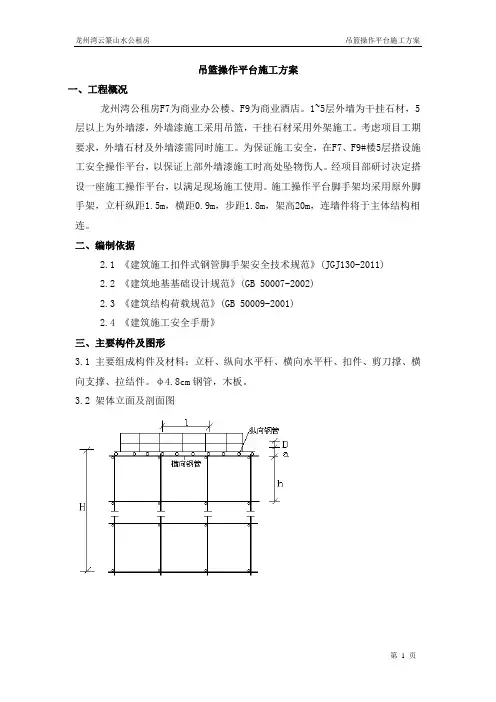
施工操作平台脚手架均采用原外脚手架,立杆纵距1.5m,横距0.9m,步距1.8m,架高20m,连墙件将于主体结构相连。
二、编制依据2.1 《建筑施工扣件式钢管脚手架安全技术规范》(JGJ130-2011)2.2 《建筑地基基础设计规范》(GB 50007-2002)2.3 《建筑结构荷载规范》(GB 50009-2001)2.4 《建筑施工安全手册》三、主要构件及图形3.1 主要组成构件及材料:立杆、纵向水平杆、横向水平杆、扣件、剪刀撑、横向支撑、拉结件。
φ4.8cm钢管,木板。
3.2 架体立面及剖面图室外操作平台剖面图四、卸荷及抗倾措施1、外架顶端与结构连接,使钢管受力分散传递。
2、外架上禁止堆放任何施工材料。
3、在架体内部加设斜撑,以增强架体整体的抗倾覆能力。
5、在悬挑部位,加强钢管进行支撑,以分散架体荷载的传递及防止架体的倾覆。
五、承重架验算计算依据《建筑施工扣件式钢管脚手架安全技术规范》(JGJ130-2011)。
计算参数:钢管强度为205.0 N/mm 2,钢管强度折减系数取1.00。
模板支架搭设高度为20.0m,立杆的纵距 b=1.50m,立杆的横距 l=0.90m,立杆的步距 h=1.80m。
脚手板自重0.30kN/m 2,栏杆自重0.15kN/m,材料最大堆放荷载0.00kN/m2,施工活荷载2.50kN/m 2。
图落地平台支撑架立面简图图落地平台支撑架立杆稳定性荷载计算单元采用的钢管类型为φ48.3×3.6。
一、基本计算参数[同上]二、纵向支撑钢管的计算纵向钢管按照均布荷载下连续梁计算,截面力学参数为截面抵抗矩 W = 5.26cm 3;截面惯性矩 I = 12.71cm 4;纵向钢管计算简图1.荷载的计算:(1)脚手板与栏杆自重线荷载(kN/m):q1 =0.000+0.300×0.300=0.090kN/m(2)堆放材料的自重线荷载(kN/m):q21 = 0.000×0.300=0.000kN/m(3)施工荷载标准值(kN/m):q22 = 2.500×0.300=0.750kN/m经计算得到,活荷载标准值 q2 = 0.750+0.000=0.750kN/m2.抗弯强度计算最大弯矩考虑为三跨连续梁均布荷载作用下的弯矩。
吊篮脚手架专项施工方案(1)
一、前言
吊篮脚手架是高空施工中常用的辅助设备,它能够为工人提供安全、便利的施工条件。
本文旨在阐述吊篮脚手架的专项施工方案,包括施工前的准备工作、搭建过程、使用注意事项等内容,以期提高施工效率,确保施工质量和工人安全。
二、施工前的准备工作
1. 安全检查
在搭建吊篮脚手架之前,要进行全面的安全检查,确保设备完好无损,安全防护措施到位。
检查吊篮、脚手架材料的质量,确认各配件是否齐全,以及安全绳索是否完好无损。
2. 环境检查
检查搭建吊篮脚手架的施工环境,确保地基坚固平整,周围没有障碍物,施工现场安全无隐患。
三、搭建过程
1. 基础设置
根据设计图纸,确定吊篮脚手架的基础布置,设置支撑点和固定点,确保吊篮脚手架的稳定性和承重能力。
2. 安装吊篮
将吊篮安装在支撑点上,注意吊篮的固定和连接方式,确保吊篮与脚手架结构牢固可靠。
3. 搭建脚手架
根据设计要求,按照顺序搭建脚手架结构,注意横、纵向的连接和支撑,严格按照规范要求进行连接,保证搭建的脚手架牢固稳定。
四、使用注意事项
1. 检查维护
定期检查吊篮脚手架的使用状态,及时进行维护保养,确保设备的正常运行。
2. 安全操作
在使用吊篮脚手架时,工人需严格按照操作规程进行操作,注意安全防护,避免发生意外。
五、总结
通过本文的介绍,我们了解了吊篮脚手架专项施工方案的基本内容,包括施工前的准备工作、搭建过程、使用注意事项等。
只有在严格按照规范操作、认真维护设备,并且时刻注意安全,才能确保吊篮脚手架的安全使用,提高施工效率。
一、工程概况本工程为XX项目,位于XX市XX区,建筑高度XX米,层数XX层,结构形式为框架结构。
工程吊篮脚手架用于主体结构施工阶段,主要承担施工人员上下作业、材料运输等任务。
二、施工准备1.技术准备(1)熟悉图纸,了解工程概况,掌握施工要求。
(2)编制施工方案,明确施工工艺、施工顺序、安全措施等。
(3)组织施工人员学习施工方案,提高施工技能。
2.材料准备(1)工程吊篮脚手架:根据设计要求,选用合适的工程吊篮脚手架。
(2)脚手板:选用符合国家标准、厚度不小于50mm的脚手板。
(3)扣件:选用符合国家标准、强度等级不小于Q235的扣件。
(4)安全网:选用符合国家标准、耐久性良好的安全网。
3.设备准备(1)施工电梯:用于施工人员上下及材料运输。
(2)施工平台:用于施工人员作业及材料堆放。
(3)防护栏杆:用于防护施工人员及防止物体坠落。
(4)安全带:用于施工人员高空作业时的安全防护。
三、施工工艺1.施工顺序(1)基础施工:完成基础施工后,进行脚手架搭设。
(2)主体结构施工:在脚手架上完成主体结构施工。
(3)脚手架拆除:主体结构施工完成后,进行脚手架拆除。
2.施工工艺(1)脚手架搭设1)根据施工图纸,确定脚手架搭设位置、高度和跨度。
2)在基础施工完成后,进行脚手架搭设。
3)搭设过程中,确保脚手架牢固、稳定。
4)搭设完成后,进行脚手架验收。
(2)主体结构施工1)在脚手架上进行主体结构施工,确保施工安全。
2)施工过程中,注意材料堆放、施工人员作业安全。
(3)脚手架拆除1)主体结构施工完成后,进行脚手架拆除。
2)拆除过程中,注意安全防护,防止物体坠落。
四、安全措施1.施工人员必须佩戴安全帽、安全带等防护用品。
2.施工电梯、施工平台等设备必须定期检查、保养。
3.脚手架搭设、拆除过程中,确保施工人员安全。
4.施工过程中,加强安全巡查,发现安全隐患及时整改。
5.制定应急预案,应对突发事件。
五、质量保证1.严格按照国家标准、规范进行施工。
吊篮专项施工方案策划吊篮专项施工方案策划1一、编制依据:《建筑施工高处作业安全技术规范》JGJ80-91《高处作业吊篮安全规则》《建筑施工安全检查标准》JGJ59-99《施工现场临时用电安全技术规范》JGJ46-20某某二、方针目标在施工中,始终贯彻“安全第一、预防为主”的安全生产工作方针,认真执行关于建筑施工企业安全生产管理的各项规定,把安全生产工作纳入施工组织设计和施工管理计划,强化安全生产管理,经过组织落实、职责到人、定期检查、认真整改,实现“杜绝因工死亡事故,重伤事故、轻伤事事故控制在最低”的工作目标。
三、安全管理措施成立由项目经理部安全生产负责人为首,各相关生产负责人参加的“安全生产管理小组”组织领导施工现场的安全生产管理工作。
做到安全生产工作职责到人,层层负责。
点这免费下载施工技术资料1、建立、健全安全检查制度,定期和不定期的对施工现场进行安全检查,及时发现和消除事故隐患,确保安全生产。
2、各项工程在施工前由项目技术负责人编制好各项工程安全技术专项方案,并向各作业班组长做书面安全技术交底,在由作业班组长向操作人员进行岗前安全技术交底和安全教育,并做好交底记录入档。
3、所有从事安全管理工作和特种工作业人员,必须经上级有关部门培训合格后持证上岗。
4、进入施工现场必须戴好安全帽,高空作业系好安全带,穿好防滑鞋。
凡非本工程人员进入施工现场必须进行登记批准,严禁将小孩带入施工现场。
5、施工现场不准赤脚,不准穿托鞋、高跟鞋,不准穿裙子,不准光膀子,女职工作业要将长发绑扎好后戴好安全帽。
6、工作期间不准嬉笑打闹,不准在脚手架上看书、睡觉,不准在脚手架上爬上爬下,不准动用非本工种的机具设备,不准由高处向下抛扔物品,不准任意拆除安全防护设施,不准随意在施工场所吸烟,不准洒后上岗。
7、建立并执行安全生产技术交底制度。
要求施工必须有书面安全技术交底,安全技术交底必须具有针对性,并有交底人与被交底人签字。
并执行班前安全生产讲话制度。
吊篮脚手架施工方案吊篮脚手架是一种悬挂式脚手架,广泛用于高层建筑的外墙施工、维修以及装修等工程。
使用吊篮脚手架可以极大地提高工作效率,减少工人的劳动强度,保障施工质量和工作安全。
下面是一个关于吊篮脚手架施工方案的详细介绍。
1.吊篮脚手架准备工作在开始吊篮脚手架的施工前,需要做好一些准备工作。
首先,要准备好各种所需的设备和工具,例如吊篮、吊车、悬挂装置等。
其次,还需要对施工场地进行认真勘测和评估,确保施工条件符合要求,并作出相应的施工计划和安全措施。
2.吊篮脚手架悬挂装置的安装悬挂装置的安装是吊篮脚手架施工的重要步骤。
首先,要根据实际情况选择合适的悬挂点,并确保其承载能力符合要求。
然后,将悬挂装置安装在悬挂点上,并进行牢固固定。
最后,要对悬挂装置进行验收,确保其安全可靠。
3.吊篮脚手架吊篮的安装吊篮的安装是吊篮脚手架施工的关键步骤。
首先,要检查吊篮的结构和材料是否符合标准要求,并进行验收。
然后,根据实际情况和施工计划,将吊篮按照一定的顺序进行安装,并确保其与悬挂装置的连接牢固可靠。
最后,还要进行吊篮的负荷试验,确保其承载能力符合要求。
4.吊篮脚手架的操作和维护吊篮脚手架的操作和维护是保证施工安全和工作效率的关键。
操作人员必须具备一定的专业知识和技能,严格按照操作规程进行工作,确保施工质量和工作安全。
同时,还要定期对吊篮脚手架进行检查和维护,及时发现和处理各种问题,确保吊篮脚手架的正常运行。
5.吊篮脚手架的拆除和整理吊篮脚手架的拆除和整理是吊篮脚手架施工的最后一步。
在施工结束后,要对吊篮脚手架进行拆除和清理,保持施工现场的整洁和安全。
拆除时,要按照一定的顺序逐层拆除,并做好相应的防护措施。
拆除完成后,要对吊篮脚手架进行清理和整理,确保其完好无损,并进行登记备案。
在吊篮脚手架施工过程中,还需要根据具体的工程情况和实际需求,合理选择施工方法和施工工序,确保施工质量和工作安全的同时,尽可能提高施工效率。
同时,还要加强现场管理和安全监督,确保各项施工工作按照规定进行,减少事故的发生。
高处作业吊篮安装架设施工专项施工方案一、登高作业内容本登高作业内容主要包括高处作业吊篮的安装、架设及其相关附属设施的装配工作。
具体包括以下工作内容:1. 吊篮的组装、调试及试运行;2. 吊篮的上下提升、左右移动及固定;3. 架设吊篮所需的脚手架搭建、拆除;4. 吊篮安全防护设施的安装、检查;5. 吊篮电气系统的接线、调试;6. 吊篮悬挂系统的安装及调试;7. 对吊篮进行负载试验,确保安全性能满足要求。
二、登高作业时间1. 吊篮安装、架设工作计划安排在工程项目进度计划规定的时间内进行;2. 吊篮安装、架设工作预计持续时间为XX天;3. 具体工作时间根据天气状况、工程进度等因素进行调整,确保不影响整体工程进度。
三、人员组织1. 项目经理:负责整个登高作业的统筹、协调和监督;2. 技术负责人:负责登高作业的技术指导、质量把控;3. 安全员:负责现场安全监管,确保登高作业安全;4. 吊篮安装工:负责吊篮的安装、架设工作;5. 电工:负责吊篮电气系统的接线、调试;6. 架子工:负责脚手架的搭建、拆除;7. 钢筋工:负责吊篮悬挂系统的安装;8. 普工:负责现场辅助工作。
四、高空作业分级1、一级高空作业一级高空作业主要包括吊篮的地面组装和初步调试,以及悬挂系统的初步安装。
具体要求如下:- 作业高度在5米以下,无需特殊防护措施;- 作业人员需穿戴安全帽、防砸鞋、反光背心等基本个人防护装备;- 作业区域设置安全警戒线,防止非作业人员进入。
2、二级高空作业二级高空作业涉及吊篮的上升、下降操作以及脚手架的搭建和拆除。
具体要求如下:- 作业高度在5米至15米之间;- 作业人员需使用安全带,并确保安全带与固定点连接;- 作业前必须进行安全风险评估,制定详细作业指导书;- 脚手架搭建符合国家标准,定期检查,确保稳固。
3、三级高空作业三级高空作业包括吊篮的精细调试、电气系统的接线以及安全防护设施的安装。
具体要求如下:- 作业高度在15米以上;- 作业人员需佩戴全身式安全带,并设有防坠装置;- 作业过程中必须有两名以上作业人员,相互监督;- 定期对吊篮进行检查、维护,确保运行安全。
吊篮专项施工方案1.2
一、引言
施工中使用吊篮是一种常见的作业方式,本文将从吊篮施工的必要性、施工前
的准备工作、吊篮的搭建、安全操作和后续维护等方面介绍吊篮专项施工方案 1.2,旨在确保吊篮施工过程中的安全和高效。
二、吊篮施工的必要性
吊篮作为一种高空作业装备,可以提高施工效率,减少人力成本,保障施工安全。
在一些高层建筑和桥梁等工程中,吊篮更是必不可少的作业设备。
三、施工前的准备工作
在搭建吊篮前,需要进行场地勘察、设计方案确认、材料准备等工作。
确保吊
篮施工的顺利进行。
四、吊篮的搭建
吊篮的搭建需要根据设计方案进行,主要包括架设立柱、安装悬臂、固定连杆
等步骤。
在搭建过程中要注意安全防护,确保吊篮结构稳定。
五、安全操作
使用吊篮时,操作人员要按照操作规程进行,注意搭载人员数量、作业工具携带、安全带使用等。
操作人员要经过专项培训,持证上岗。
六、后续维护
吊篮在使用过程中需要进行定期检查和维护,保持吊篮设备的良好状态,延长
使用寿命。
同时要及时处理吊篮出现的故障问题。
七、总结
吊篮专项施工方案1.2的实施,对提高施工效率、保障施工安全具有重要意义。
希望各施工单位在吊篮施工中严格遵守相关规定,确保施工顺利进行。
以上为吊篮专项施工方案1.2的内容介绍,希望能对各位工程施工人员有所帮助。
吊篮脚手架施工方案
在建筑施工中,吊篮脚手架是一种常见而重要的工程设施,它能够为工人提供安全、便利的工作环境,大大提高施工效率。
本文将针对吊篮脚手架的施工方案进行详细介绍。
1. 施工前准备
在开始吊篮脚手架的施工前,需完成以下准备工作: - 确定吊篮脚手架的设计方案和搭设位置; - 检查施工现场的地基和场地情况,确保能够承受吊篮脚手架的重量; - 准备好必要的施工材料和设备; - 制定详细的施工计划,包括人员分工、安全措施等。
2. 吊篮脚手架搭设
2.1 主要材料
•主要材料包括钢管、连接件、吊篮、托座等。
2.2 搭设步骤
1.按照设计方案确定吊篮的位置和高度;
2.搭建钢管立柱,并固定在地基上;
3.安装横梁和纵横向支撑,构成吊篮的主体结构;
4.安装吊篮和托座,调整好吊篮的水平和垂直度;
5.确保吊篮的安全性和稳定性。
3. 施工作业
一旦吊篮脚手架搭设完成,施工作业即可开始进行。
在施工过程中需注意以下事项: - 严格按照施工计划和安全规范进行作业; - 工人需佩戴好安全防护装备,如安全帽、安全带等; - 定期检查吊篮脚手架的稳定性和安全性,如发现问题立即处理; - 作业完毕后,及时拆除吊篮脚手架,确保施工场地清洁整齐。
4. 施工后清理
施工完成后,需对施工现场进行清理工作,包括拆除吊篮脚手架、清理材料设备等。
同时,还需对施工质量进行检查和验收,确保符合相关标准和规范。
以上就是关于吊篮脚手架施工方案的详细介绍,希望能为相关施工单位提供一定的参考和指导。
在实际施工中,务必严格按照相关规范和标准操作,保障施工安全和质量。
青岛市崂山区永业大厦外墙保温装饰一体化板工程青岛经济技术开发区天龙建筑安装工程有限公司2015年07月目录1、编制依据2、工程概况3、现场管理4、吊篮施工安全管理措施5、使用方法6、安全要求7、钢线绳卡8、安全器使用说明9、吊篮专用安全锁使用说明10、吊篮布置及设计方案11、吊篮计算书与钢管受力计算吊篮脚手架平台专项施工方案1、编制依据1.1 项目部安全管理目标;杜绝等级以上死亡事故,负轻伤率控制为2‰1.2 相关法律、法规和其它要求相关法律法规和其它要求的目录1.3 相关标准本方案是依据GB/T28001-2001《职业健康安全管理体系》及公司《管理手册及程序文件》、《公司专项施工方案编制规则》的要求进行编制。
1.4 适用范围本方案的适用范围为“青岛市崂山区永业大厦外墙保温一体化工程”吊篮脚手架平台施工方案。
吊篮施工使用于外墙保温及装饰。
2.工程概况工程名称:永业大厦工程工程地址:青岛崂山区海尔路166号结构类型:框架剪力墙结构建设规模:建筑面积56591.3平方米建设单位:青岛永业建设有限公司设计单位:上海众谊设计有限公司监理单位:青岛海大工程监理咨询有限公司总承包单位:青岛建工集团有限公司本工程为青岛市重点工程,全部建筑物面积达56591.3平方米,地下三层,地上二十五层。
3.现场准备3.1吊篮及材料:吊篮及材料进场时间:2015年07月01日.计划出场日期:2015年9月01日3.2管理人员及劳务人员培训项目部除按规定项目相关班组进行方案措施交底,由项目部向钢管脚手架搭设者及其他相关人员进行方案措施交底。
4.吊篮施工安全管理措施4.1材料要求吊篮采用“无锡市强恒机械有限公司”生产的ZLP630系列吊篮、提升机、钢丝绳及安全锁等配配套设备。
吊篮自重466kg(悬吊平台,包括提升机、安全锁、电气控制箱)。
提升机选用LTD63,技术参数额定提升力 6.3KN功率 1.5KW提升速度9—11m/min制动力矩15N.m悬吊平台尺寸 2.0×3×0.69m配重1000kg额定载重量630kg钢丝绳参数4×31SW+NF-8.304.2脚手板吊篮脚手板为轻质金属板,脚手架铺设必须焊接严密牢固。
踢脚板采用150mm 高的轻质金属板和吊篮架体焊接牢固。
4.3吊点数量本工程采用2.5-6米的吊篮,6米的吊篮可设2个吊点。
使用2个吊点的吊篮,人员作业时须系好安全带。
吊点与升降工具的连接必须使用U字卡环。
4.4挑梁挑梁采用专用钢材。
挑梁与吊环联接时应用直径8.6mm钢丝绳,并用U形螺栓联结。
挑梁外口高于里口,外内侧应以力矩比1:2为宜(倾覆矩与稳定力矩比)4.5升降工具升降吊篮的工具一般为提升机,提升机操作力不应大于250N,必须有闭锁装置。
4.6间隙吊篮里皮距建筑物以15cm为宜,两吊篮之间间距根据工程部位而定,一般相邻吊篮间距不大于20cm。
4.7吊索具钢丝绳直径不小于8.3mm(吊篮的安全绳也同样),禁止接头使用。
钢丝绳与挑梁连接有防剪措施。
应用卡接方法时,不得小于3个卡子,绳头要做安全弯。
钢筋吊环应为ф16以上Ⅰ级钢筋,钢筋端头铰环焊接长度不小于8cm,且双面焊接。
4.8安全装置吊篮必须设置断绳保险设施,如符合保险绳等,并保证使用,吊篮升降就位后,必须与建筑物拉接牢固,挂好安全绳。
吊篮大面必须打戗,保证吊篮结构稳定。
4.9其它吊篮上的人员和材料不得集中一端。
升降吊篮必须同时启动两侧电动提升机,各吊点应用同步升降。
挑梁挑出的长度和位置应与吊篮点保持垂直。
吊篮在钢丝绳插好后必须将保险搬把拆掉,系牢保险绳。
用安全卡子代替保险绳时,保险卡子的拉把不准与主绳摁绑在一起。
并将吊篮与建筑物拉牢。
吊篮在正式使用前应先试验使用,发现问题及时解决。
5.使用方法5.1将前进手柄.反向手柄推至钢丝绳出口一侧,然后按标牌所示顺时针转动,同时将松卸手柄推向吊钩一侧,使之锁定在松卸位置上。
5.2将钢丝绳锥形端从口中穿入,直至从吊钩处拉的初始位置。
5.3为使机构与钢丝绳抱合,再推动松卸手柄使其次返回它的初始位置。
5.4将操作套管理插入前进手柄上,反复扳动即可提升或牵引。
将操作套管在反向手柄上,往复扳动就可使载荷下落或放松。
6.安全要求6.1专用提升机不允超载使用。
6.2提升机在承载状态下,严禁同时扳动前进手柄和反手柄。
6.3提升机在承载状态下,严禁扳动松卸手柄。
6.4在使用前应检查各手柄运动是否灵活,各摩擦部位应保持润滑。
6.5专用提升机必须使用符合原设计标准及相关规范的专用钢丝绳。
6.6每次使用前应检查钢丝绳直径是否符合要求,有无松股,扭结.断丝情况。
如有上述中的一种情况出现,即该停止使用。
6.7使用时应注意保持机体内部的清洁,防止杂质进入机特影响使用。
6.8专用提升机必须附安全锁,否则不能使用。
6.9专用提升机的拆卸须由专业或以过培训的人员进行,其他人员不得擅自拆卸。
7.钢线绳卡7.1使用方法7.1.1钢丝绳卡应把卡卒扣在钢丝绳的工作段上,U形螺栓扣在钢丝绳的尾段上。
钢丝绳卡得在钢丝绳上交替布置。
绳卡数量不得少于3个。
7.1.2钢丝绳卡间的距离A等于6-7倍钢丝绳直径。
7.1.3绳卡在实际使用中,受载一.二次后应该检查,在多数情况下,螺母需进一步拧紧。
7.1.4紧固绳卡时需考虑每个绳卡的合理受力,离套环最远处的绳卡不得首先单独紧固。
绳卡需正确拧紧,不得损坏钢丝绳的外层钢丝。
7.2安全事项7.2.1切勿超载使用,必要时增设适当的滑轮组。
7.2.2工作中千尤注意不可扳动松卸手柄。
7.2.3工作中严禁同时扳动前进手柄和反向手柄。
7.2.4使用前应检查各手柄运动是否灵活,各摩擦部位是否有润滑油,如发现手柄运动不正常则应进行修理。
7.2.5建筑部六提升吊篮进行施工时,升降低为额载的1/3使用。
进行高空作业时须附加安全装置,否则不得使用,钢丝绳尾部应能自由悬空。
7.2.6使用时应注意保持机体内部的清洁,防止杂物进入机体,影响使用。
7.2.7经常检查钢丝绳状况,如在压溃断丝,松散起股则不能使用。
7.2.8提升机必须使用专用钢丝绳。
7.2.9提升机的拆卸须由专业或经过培训的人员进行,其他人员不得擅自拆卸。
8.安全器使用说明8.1安装:先将安全器装在钢丝绳上,然后再将钢丝绳穿入提升机,安全器的钢索,卸扣应安装在吊篮上。
8.2工作:当启动提升机的反向杆下降员篮时,安全器并不随着下滑,而是停止不动。
下行到一定距离安全器的钢丝绳索拉紧,通过杠杆,使安全器卡紧钢丝绳,承担吊篮的负载,此时,提升机再下行,吊篮仍然停止不动。
因止,在吊篮不运行时,应在安全器钢丝绳索未拉紧前,用手将安全器杠杆向上扳,使安全器与吊篮随动下移。
提升机上升时,不须扳动安全器,安全器地随动上移。
8.3安全:当提升机因故下降时,吊篮急速下降对安全器杠杆施加压力,使安全器卡紧钢丝绳,而安全器的钢丝绳索将吊篮拉住,使其不会下滑,确保安全。
9.吊篮专用安全锁使用说明9.1安装9.1.1安装前应检查安全锁手柄运动是否灵活。
9.1.2测量钢丝直径是否符合要求。
9.2工作9.2.1提升当扳动专用提升机的前进手柄(或启动电动上升电动按钮)提升吊篮时,安全锁的夹紧机构与钢丝抱合(但不夹紧)可随提升机或被托管推举而上升。
9.2.2下降9.2.2.1扳动提升机的反向手柄(或启动电动下降电动按钮)下降吊篮,这时安全锁不随其下降,而是静止不动,直到安全锁绳扣绷紧。
9.2.2.2用手向上推安全锁的操作手柄,打开锁紧机构,使安全锁不滑至提升机入绳口处。
9.2.2.3向下拉安全锁操作手柄,使安全锁得新处于随机状态,重复操作至所需位置。
9.2.2.4如在下降过程中安全锁锁住钢丝绳,吊篮不能下降,可以扳动提升机上的前进手柄,稍稍提升吊篮,安全锁即会被打开。
9.3安全要求9.3.1使用者必须严格按照说明书规定的方法进行操作。
9.3.2必须使用专用钢丝绳。
9.3.4吊篮不允许超载。
9.3.5吊篮必须有防脱装置。
9.3.6安全锁上的吊锁具必须是生产厂专门配套的产品。
9.3.7非专业人员不得随意拆装安全锁。
9.3.8每次使用前应检查吊篮各连接部位是否可靠。
9.3.9安全锁在工作中严禁将操作手柄住或者有阻碍操作手柄运动的障碍。
9.3.10吊篮操作者必须戴好安全帽.系好安全带,安全带高挂低用悬吊安全可靠。
吊篮后端支座配重应用符合规范要求的材料.重量要够。
9.3.11吊篮操作安毕,必须落地,落地手才允许上、下吊篮。
10.吊篮布置及设计方案10.1吊篮布置设计说明本工程施工地上高度最高为93.6米,楼顶和楼面都为规整大平面,在楼顶四周有较高混凝土墙.四面安装情况基本一致。
吊篮悬挂机构的架设根据现场实际情况,采用搭设钢管脚手架后吊篮架设在脚手架上方式安装:方案难点说明:由于楼顶四周有8.4米高混凝土墙,当吊篮加高后重心和受力均发生变化,对吊篮施工安全产生影响。
解决办法为:在混凝土墙内侧搭设6.6米高的钢管平台,前后支架架设在钢管上,支架架设完成后再用钢管在支架两侧加固,防止倾斜,这样大大提高了吊篮的稳定性和安全性。
在此我们首先对此种吊篮进行重新计算,并且计算结果的安全系数符合国家和青岛市相关规定。
其次在其基础上进行加固,具体加固方法附后,加固后使其安全系数更加提高。
这样保证我们吊篮在使用中是安全可靠的。
最后,吊篮满挂,不移位,再次提高其安全性。
如图:见附图111. 吊篮计算书与钢管受力计算11.1架体自重:466kg(4.66KN)11.2活动荷载:人荷载:200kg(2KN)物料荷载L100kg(1KN)11.3 Ф12.5钢丝绳允许拉力允许提升负荷1600kg(16KN)允许载人负荷1000kg(10KN)11.4 架体自重:466kg(2.25KN)即恒载11.5 活荷载:①人荷200kg(2kn)②物料荷载100kg(1KN)11.6 Ф8.3钢丝绳允许拉力允许提升负荷600kg(6KN)允许载人负荷600kg(6KN)永久荷载:2kn×1.2=2.4(kn),式中1.2为永久荷载分项系数。
活荷载L(升降时)2kn×1.4=2.8(kn),式中1.4为活荷载分项系数。
活荷载:(物料升降时)1kn×1.4=1.4(kn),式中1.4为活荷载分项系数。
荷载共重:p=2.4+1.8+1.4=6.6(kn)<载人负荷10kn和提升负荷16kn .F×4=5×4=20kn·m;G×0.9=6.6×0.9=5.94knm;式中0.9为荷载折减系数K=20/5.94=3.37>2(抗倾覆成立)支座处剪力:女儿墙最高处高度为0.9m cosa=4/√4²+0.9²=0.976V=6.6kn×cosa=6.6×0.976=6.44kn支座处弯矩:M=6.6×0.9=5.94kn·m。