某集团公司图纸管理制度
- 格式:doc
- 大小:67.50 KB
- 文档页数:5
公司图纸管理制度第一章总则第一条为了规范公司图纸的管理,提高管理效率,保障企业知识产权,制定本制度。
第二条公司图纸管理制度适用于本公司所有部门、项目组及员工,必须认真遵守。
第三条图纸管理应遵守保密原则,任何部门、员工不得擅自外传公司图纸。
第四条公司图纸分为机密级、重要级、一般级,各级别图纸管理按照不同规定执行。
第五条公司图纸管理委员会负责制定并监督图纸管理工作。
第六条公司图纸管理制度由公司质量保障部门负责组织实施,且定期进行检查评估。
第七条公司图纸管理制度不得违反国家相关法律法规,保证公司图纸的权益。
第二章图纸的管理第八条公司图纸一律纳入公司文件管理系统,每份图纸都应有对应编号并备案。
第九条图纸应按照不同级别分开存放,采用防火、防水等措施确保安全。
第十条对机密级图纸必须设定专门的保密管理措施,只有经过授权才能查看。
第十一条员工不得私自更改图纸内容,如有错误须立即汇报至上级领导。
第十二条每份图纸必须有完整的记录,包括编制人、审核人、批准人等。
第十三条图纸借阅要有明确的程序和记录,借阅后必须按时归还。
第十四条员工离职时,必须交还所有借阅的图纸并签署相关文件。
第三章图纸的使用第十五条图纸只能用于公司内部工程项目或相关研究,不得泄露给外部单位。
第十六条员工在使用图纸时必须遵守安全操作规范,确保图纸不受损。
第十七条对于图纸涉及的知识产权问题,员工必须加强保护并不擅自使用。
第十八条员工离岗时,必须将正在使用的图纸整理并妥善保管。
第四章处罚规定第十九条对于擅自外传、篡改、遗失图纸等行为,公司将给予相应处罚。
第二十条违反图纸管理制度的员工,一经查实,将受到警告、罚款、停职等处罚。
第二十一条对于因违反图纸管理制度造成公司利益损失的员工,公司保留追究法律责任的权利。
第五章附则第二十二条本制度自公布之日起正式实施,如有变动需另行通知。
第二十三条对于本制度条款的解释权归公司图纸管理委员会所有。
第二十四条未尽事宜参照公司相关规定办理。
工程图纸管理制度范文第一章总则第一条为了规范工程图纸管理工作,提高工程质量和效益,制定本制度。
第二条本制度适用于公司所有工程项目的图纸管理工作,包括设计、施工、监理等各方面。
第三条工程图纸是工程设计的重要依据,是施工的指导和依据。
图纸管理是整个工程过程中必须高度重视和规范的环节。
第四条工程图纸管理要遵循科学、严谨、规范的原则,确保图纸的准确性、及时性和完整性。
第五条工程图纸管理负责人负责全面组织协调工程图纸管理工作,具体实施由专门建立的图纸管理团队进行。
第六条各相关部门要配合协调,加强沟通,确保工程图纸管理工作的顺利进行。
第二章图纸编制与审查第七条工程图纸编制应按照国家相关规定和标准进行,确保图纸的准确性和规范性。
第八条工程设计人员应具备相关资质和经验,编制图纸时要认真对照实际情况,确保设计符合工程要求。
第九条工程图纸应经过相应专业人员的审查,确保各项技术指标和设计要求的合理性和一致性。
第十条工程图纸的审查人员要认真负责,对设计中存在的问题提出合理的建议和意见。
第十一条工程图纸编制完成后,需进行最终审查确认,确保设计方案的科学性和可行性。
第三章图纸传递与备份第十二条工程图纸的传递应按照一定的流程和程序进行,确保各相关部门都能及时获取到最新的图纸内容。
第十三条图纸传递时,要注明传递时间和传递对象,确保传递的准确性和安全性。
第十四条工程图纸需进行定期备份,确保图纸资料的安全性和完整性。
第十五条图纸备份工作由专门负责的人员进行,备份信息要按照规定保存并保密处理。
第四章图纸变更与修订第十六条工程图纸如需变更或修订,需经过相关部门的审查确认,并及时修改并传达至各相关部门。
第十七条图纸变更或修订要做到规范、及时、准确,确保施工过程中的指导性和适用性。
第十八条图纸变更或修订的原因和内容需要做好记录,并进行归档保存,以备查阅。
第五章图纸使用和归档第十九条工程图纸应按照设计要求和施工进度进行相应使用,确保施工的顺利进行。
房地产集团项目管理图纸会审及技术管理制度一、图纸会审1、图纸会审内容图纸会审一般是在业主预审和施工单位自审的基础上,由业主主持设计、监理、施工及质检部门等有关人员参加,重点解决以下8个方面的问题:1.1 理解设计意图和业主对工程的要求;1.2审查结构是否安全,设计深度是否满足指导施工;1.3贯彻国家及行业规范、标准情况;1.4建筑、结构图与其他专业图有无矛盾冲突;1.5工程部位、高程、尺寸及材料标准等是否准确一致;1.6新技术、新工艺、新设备、新材料的采用是否有问题;1.7根据设计要求,审查施工单位是否具备组织施工的条件;1.8设计图纸上标明的内容与施工合同的工作范围有无差异,对工期和费用的影响应由业主决定;2、图纸会审要求2.1 各施工单位项目经理及主要技术人员;监理单位总监及专业监理工程师须按时参加图纸会审,不得无故迟到或缺席。
2.2设计交底应由设计单位汇总形成书面文件并发至业主、监理和施工单位。
2.3图纸会审应由施工单位、监理单位、项目主管工程师填写图纸会审内容,并形成书面汇总提前三天送设计院各专业负责人。
2.4图纸会审记录由施工单位项目技术负责人整理形成书面文件,经监理、业主、设计项目负责人会签确认、盖单位公章,并作为本项目设计技术文件,分别由设计、监理、施工和项目归档保存。
二、技术管理1、各施工单位、监理单位须了解项目的整体规划设计,清楚项目的定位和建设标准。
2、对接收的施工图纸、文件,应及时进行审核工作,并反馈意见,特别对设计变更;对于分发的施工图纸、文件应作好接收单位的签收;对在施工中因设计变更而过期的设计文件应标识并及时处理。
3、在施工过程中对于图纸错误或明显不合理处应及时提出,协同监理、业主、设计院在确定的时限内处理回复。
4、按合同规定的具体技术、质量及规范要求由承包商负责深化设计,并报监理、业主、设计院审核批准,作为加工制造和正式施工的依据。
5、施工组织设计和专项施工方案须在施工前一周上报,经监理批复,业主审批同意后,方可施工。
图纸管理制度图纸管理制度是指为了规范和优化企业内部图纸的管理流程和操作规范,确保图纸的准确性、完整性和安全性,提高工作效率和质量,防止图纸遗失、泄露和错误使用的一套制度和规范。
以下是一份标准格式的文本,详细介绍了图纸管理制度的内容和要求。
一、目的和适用范围1. 目的:确保图纸管理的规范性和高效性,保障企业内部图纸的准确性、完整性和安全性。
2. 适用范围:适用于企业内部所有图纸的管理和使用。
二、图纸管理的基本原则1. 统一管理:建立统一的图纸管理制度,确保所有图纸的管理流程一致。
2. 分级管理:根据图纸的重要性和保密级别,制定不同级别的管理措施。
3. 防止遗失和泄露:采取措施防止图纸的遗失和泄露,确保图纸的安全性。
4. 准确性和完整性:确保图纸的准确性和完整性,防止错误和遗漏。
5. 及时更新:随时更新图纸,确保使用的是最新版本的图纸。
6. 严格审查:对重要图纸进行严格审查,确保质量和合规性。
三、图纸管理流程1. 图纸编制a. 确定图纸编制的责任人和流程。
b. 编制图纸前,需进行需求分析和设计方案的制定。
c. 编制图纸时,需按照相关标准和规范进行操作,确保图纸的准确性和合规性。
d. 编制完成后,需进行内部审查和审核,确保质量和完整性。
2. 图纸审查和批准a. 由专业人员进行图纸的审查和批准,确保图纸的质量和合规性。
b. 审查和批准过程中,需对图纸进行详细的检查和核对,防止错误和遗漏。
3. 图纸存档和归档a. 完成审查和批准后,将图纸进行存档和归档。
b. 存档时,需按照一定的分类和编号规则进行归档,方便后续查找和使用。
c. 存档的图纸需进行备份,确保图纸的安全性和可恢复性。
4. 图纸发布和使用a. 发布图纸前,需进行内部通知和培训,确保相关人员了解图纸的使用规范和要求。
b. 图纸的使用需按照相关流程和规范进行操作,防止错误和滥用。
c. 使用过程中,需及时记录和反馈图纸的使用情况,为后续改进提供依据。
5. 图纸更新和修订a. 随着项目的进行和需求的变化,图纸可能需要进行更新和修订。
建筑公司图纸管理制度一、总则1. 本制度旨在规范公司内部图纸的编制、审核、发放、变更及存档等流程,确保图纸的准确性和有效性。
2. 图纸管理工作应遵循“谁主管、谁负责”的原则,明确各级职责,确保图纸管理的有序进行。
二、图纸编制与审核1. 设计部门负责根据工程项目需求编制图纸,确保图纸内容完整、准确、符合相关标准和规范。
2. 编制完成的图纸需经过专业审核人员的严格审核,审核合格后方可进入下一流程。
3. 任何图纸在未经审核或审核未通过前,不得用于施工或其他任何正式用途。
三、图纸发放与使用1. 审核通过的图纸由资料管理部门统一编号、登记并加盖公司图章后,方可对外发放。
2. 施工单位在使用图纸时,应严格按照图纸要求执行,如有疑问应及时与设计部门沟通解决。
3. 严禁擅自复制、修改或外泄公司图纸,违者将依法追究责任。
四、图纸变更与更新1. 因设计调整、客户需求变更等原因需要修改图纸时,必须按照公司规定的变更流程执行。
2. 变更申请应由相关部门提出,经审批同意后,由设计部门负责修改图纸,并重新进行审核。
3. 变更后的图纸应及时通知所有相关方,并确保原图纸得到及时的替换或更新。
五、图纸存档与保管1. 所有图纸原件和电子版应妥善保存在资料管理部门,建立完善的索引系统,便于查询和使用。
2. 图纸存档应分类明确,定期进行整理和检查,防止图纸遗失或损坏。
3. 对于重要或常用的图纸,应有备份存放在不同的安全地点,以防不测。
六、监督与考核1. 公司应定期对图纸管理工作进行监督检查,确保制度的执行力度。
2. 对于在图纸管理中表现突出的个人或部门,应给予表彰和奖励。
3. 违反图纸管理制度的行为,应根据情节轻重给予相应的处罚。
七、附则1. 本制度自发布之日起实施,由公司管理层负责解释。
2. 本制度如有更新,应及时通知全体员工并做好培训工作。
图纸管理制度一、引言图纸是工程施工中至关重要的文件,它们记录了设计师的构想和指导工人进行施工的要求。
为了确保图纸的准确性、一致性和可追溯性,公司决定建立图纸管理制度,以规范图纸的创建、审查、分发和存档流程。
二、图纸的创建和审查流程1. 设计师负责根据项目要求创建图纸,并进行初步审查,确保其与相关文件和规范保持一致。
2. 设计师提交图纸给首席工程师进行审核,首席工程师对图纸的完整性、准确性和合规性进行评估。
3. 首席工程师审核通过后,将图纸提交给相关部门负责人进行审批。
部门负责人需要确认图纸符合项目需求,并与相关的部门协作解决任何潜在的问题。
4. 经过设计师、首席工程师和部门负责人的审核和审批后,图纸最终获得批准。
三、图纸的分发和使用1. 批准后的图纸将由图纸管理员按照项目的需求进行分发。
图纸管理员需要记录每份图纸的分发时间、接收人员和接收日期,并确保相关人员对图纸内容有清晰的理解。
2. 接收到图纸的人员应根据图纸的要求进行施工或其他相应的工作。
如有任何需要修改的情况,必须经过合适的授权和程序。
四、图纸的修订和更改1. 如有需要修改已批准的图纸,必须先进行变更申请,并附上合适的理由和修改内容。
变更申请将提交给首席工程师进行评估。
2. 首席工程师审核通过后,将变更申请转交给相关部门负责人。
部门负责人需要评估变更对项目的影响,并及时通知相关人员。
3. 经过审批的变更将更新到图纸,并由图纸管理员进行记录和分发。
五、图纸的存档和归档1. 图纸管理员负责将批准的图纸进行存档,并确保存档的完整性和安全性。
2. 存档的图纸将按照项目进行归档,便于后期查阅和参考。
3. 存档的图纸应定期进行备份,并妥善保存,以防止丢失或损坏。
六、违反图纸管理制度的后果1. 任何违反图纸管理制度的行为都将受到公司纪律处分。
2. 不按照规定程序进行图纸的修改或更改可能导致工程质量问题和延误。
3. 未经授权私自复制、分发或泄露图纸的行为将被视为违反保密协议,受到法律追究。
公司图纸管理制度模板一、目的为规范公司图纸的管理工作,确保图纸的准确性、完整性和安全性,提高设计和生产效率,特制定本管理制度。
二、适用范围本制度适用于公司内所有设计图纸、技术文件、工艺文件及相关文档的管理。
三、图纸分类1. 按内容分为:设计图纸、工艺图纸、装配图纸等。
2. 按保密级别分为:绝密、机密、秘密、普通。
四、图纸编号规则1. 图纸编号应具有唯一性,便于检索和管理。
2. 编号规则应包含项目名称、图纸类型、版本号等信息。
五、图纸设计和审批流程1. 设计人员应按照公司规定的设计标准和流程进行图纸设计。
2. 完成的图纸需经过部门负责人或指定的专业技术人员审核。
3. 审核通过后,图纸应由部门负责人或更高级别的管理人员批准。
六、图纸发放和使用1. 图纸发放应有详细的发放记录,包括接收人、时间、用途等。
2. 使用图纸的人员应妥善保管图纸,不得擅自复制或传播。
3. 图纸使用过程中的修改应记录在案,并重新审批。
七、图纸存档和保管1. 所有正式批准的图纸应存档保管,并定期进行清点和检查。
2. 存档图纸应按照分类和编号规则存放,便于检索。
3. 对于电子版图纸,应定期备份,并确保数据安全。
八、图纸更新和版本控制1. 图纸更新应由原设计人员或指定人员负责,确保信息的一致性。
2. 更新后的图纸应重新编号,并明确标识版本号。
3. 所有旧版本的图纸应标记为过期,并按照规定处理。
九、图纸保密和安全1. 根据图纸的保密级别,限制访问和使用范围。
2. 对于高保密级别的图纸,应采取额外的安全措施,如加密存储、限制打印等。
3. 员工应签署保密协议,对于违反保密规定的员工,公司将依法追究责任。
十、监督检查1. 公司应定期对图纸管理制度的执行情况进行监督检查。
2. 对于检查中发现的问题,应及时整改,并记录整改结果。
十一、附则1. 本制度自发布之日起生效,由技术管理部门负责解释。
2. 对本制度的修改和补充,应经过公司管理层审议通过。
请根据公司实际情况调整上述模板内容,确保其符合公司的具体需求和操作流程。
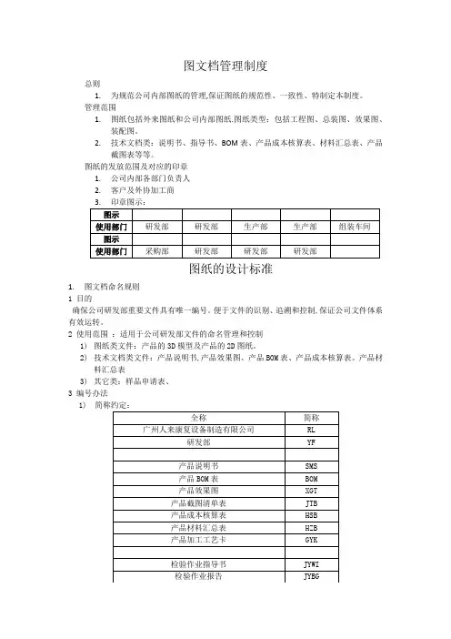
图文档管理制度总则1.为规范公司内部图纸的管理,保证图纸的规范性、一致性、特制定本制度。
管理范围1.图纸包括外来图纸和公司内部图纸.图纸类型:包括工程图、总装图、效果图、装配图。
2.技术文档类:说明书、指导书、BOM表、产品成本核算表、材料汇总表、产品截图表等等。
图纸的发放范围及对应的印章1.公司内部各部门负责人2.客户及外协加工商图纸的设计标准1.图文档命名规则1 目的确保公司研发部重要文件具有唯一编号。
便于文件的识别、追溯和控制,保证公司文件体系有效运转。
2 使用范围:适用于公司研发部文件的命名管理和控制1)图纸类文件:产品的3D模型及产品的2D图纸。
2)技术文档类文件:产品说明书,产品效果图、产品BOM表、产品成本核算表。
产品材料汇总表3)其它类:样品申请表、3 编号办法1)2) 日期表示 格式:yymmdd yy:用两位数字表示公元年份如05表示公元2005年。
mm :用两位数字表示月份,不足两位时,第一位用零补齐,如03表示3月。
dd:用两位数字表示日期,不足两位时,第一位用零补齐,如15表示15号。
例如:031027 表示2003年10月27日 3) 文件版本编号文件版本进行编号要遵守的标准:起草版本的编号为 A01, A02, A03, 。
.。
, A010。
起草版本编号可以根据项目需要延伸到若干层例如A01, A01。
1, A01。
1.1. 一旦图文档版本得以确认后,版本编号应该始自 A1。
图文档发生小的变动时可以根据需要将版本编号变化为A1,A2,A3,…。
图文档发生大的变动时可以根据需要将版本编号晋升为B1,B2,B3,…。
图纸文档的命名规则:型号-组件-零件编号-零件名字例如:SF-03—01—01—底架 表示 三折手法床 下架组件中的底架 备注:型号中去掉“RL-” 这几个字符 总装图命名规则: 型号-产品名称例如:RL —SF-03-三折电动手法床备注:型号中不去掉RL — 这几个字符 图号的命名规则:型号—组件—零件编号—零件组件编号SF —03-01-01-01 表示 三折手法床 下架组件中的底架中的一个焊接件 备注:在同一零件中需要两份图纸时,后面用字母区别 3。
公司图纸管理制度第一章总则第一条为规范公司图纸管理工作,保障公司图纸的安全保密和有效利用,特制定本制度。
第二条公司图纸包括正式图纸、设计方案、勘测资料、施工图等各类图纸。
第三条公司图纸管理应遵循科学、规范、高效的原则,确保图纸管理工作的顺利进行。
第四条公司图纸管理应遵守国家有关法律法规,保护公司图纸的知识产权和商业秘密。
第五条公司图纸管理工作由图纸管理部门负责,各职能部门配合,全员参与。
第二章图纸管理的基本要求第六条各部门应建立健全图纸管理制度,明确图纸管理责任主体和操作程序。
第七条图纸管理部门应做好图纸的收集、整理、归档和保管工作,确保图纸的完整性和可用性。
第八条各职能部门应按照公司图纸管理规定,合理调配和利用图纸资源,确保项目进度和质量。
第九条公司图纸管理工作应安全可靠,确保图纸的安全保密和防丢失。
第十条公司图纸管理工作应高效便捷,利用信息化技术加快图纸的传输和共享。
第三章图纸管理的具体措施第十一条公司图纸管理部门应建立图纸档案库,详细记录每份图纸的来源、用途、修改记录等信息。
第十二条公司图纸管理部门应定期对图纸进行整理和清点,确保图纸的准确性和及时性。
第十三条公司图纸管理部门应加强图纸的加密和备份工作,确保图纸的安全性和可靠性。
第十四条公司图纸管理部门应建立图纸借阅制度,明确图纸的借阅权限和操作流程。
第十五条公司图纸管理部门应定期组织图纸管理相关培训,提升员工对图纸管理工作的认识和技能。
第四章图纸管理的监督检查第十六条公司领导对图纸管理工作负总责,定期对图纸管理工作进行检查和评估。
第十七条记录和报送图纸管理工作情况,接受公司领导和相关部门的监督检查。
第十八条对图纸管理中发现的问题,及时整改和督促改进,确保图纸管理工作的顺利进行。
第十九条对图纸管理工作成绩,及时通报表彰,激励员工积极参与和投入图纸管理工作。
第五章附则第二十条本制度自发布之日起执行,如有修订,须经公司领导审定后生效。
第二十一条对于本制度中未尽事宜,可制定具体实施细则,由公司图纸管理部门负责解释和执行。
企业图纸管理制度一、总则为了规范企业图纸管理工作,提高图纸管理效率,保护企业图纸资产安全,保障企业正常运作,制定本管理制度。
二、管理范围本管理制度适用于企业内所有图纸资产管理工作。
三、图纸管理责任1.企业负责人:对图纸管理工作全面负责,为图纸管理工作提供保障和支持。
2.图纸管理部门:负责企业图纸资产的管理和保护工作,制定并实施相应的管理制度和规定。
3.各部门负责人:负责本部门图纸资产的管理、保护和使用,确保图纸资产安全。
4.员工:遵守图纸管理制度和规定,妥善保护和使用图纸资产。
四、图纸分类管理1.根据不同用途,将图纸分为技术图纸、生产图纸、财务图纸等不同分类。
2.对不同分类的图纸建立档案,按照规定进行编号、目录备案,并定期备份和归档。
3.每份图纸都必须有标准的尺寸、格式,清晰明了,方便使用与查找。
五、图纸保管和使用1.图纸必须由专人负责保管,保密,切勿随意放置或遗失。
2.对于需要外借的图纸,必须填写借阅单,经过审批后方可外借,严格按照时间和数量管理。
3.图纸使用完毕后应及时归还至指定位置,并确保完整性和安全性。
六、图纸更新和淘汰1.对于已经过时或不再使用的图纸,应及时淘汰,并进行销毁处理,以免对企业造成不必要的负担。
2.对于需要更新的图纸,应及时进行修订和修改,并按照规定进行备份和归档。
七、图纸安全1.企业严禁私自复制、外传、泄露图纸,一经查实将受到严厉处罚。
2.对于重要图纸,必须设置密码、加密或其他安全措施,确保不被非法获取。
3.对于外来人员进入企业内部进行了解和学习图纸工作,必须经过严格的审批和监管,确保安全。
八、图纸管理制度的执行1.图纸管理部门负责对图纸管理制度的执行进行监督和检查,及时纠正不合规定的行为。
2.对于违反图纸管理制度的人员,将按照企业规定予以严肃处理。
3.定期对图纸管理制度进行评估和改进,确保图纸管理工作能够正常进行。
九、附则1.本管理制度由图纸管理部门负责解释和修订。
2.本管理制度自颁布之日起生效。
关于工程部图纸管理制度一、总则为加强工程部图纸管理,规范图纸的使用、传递和归档,提高工作效率和质量,特制定本管理制度。
二、管理体制1. 工程部图纸管理由工程部主管负责,具体由图纸管理员负责执行。
2. 图纸管理员应具备专业素质,负责图纸的接收、分发、归档和保管工作。
3. 工程部各岗位应配备必要的打印设备和归档柜,保证图纸管理的正常运转。
三、图纸的接收1. 工程部接到新项目后,应尽快派遣人员将相关图纸接收登记。
2. 接收的图纸应及时进行登记,并及时通知各相关责任人,确保图纸传达到位。
3. 图纸接收后,应立即进行检查,确保图纸的完整性和准确性。
四、图纸的分发1. 工程部应根据项目需要,确定图纸分发的范围和对象,明确责任人。
2. 分发图纸前,应对图纸进行复印或打印,并进行签字确认。
同时注明图纸的有效期限。
3. 分发图纸时,应填写相关领用单据,并及时通知接收方,确保图纸传达到位。
五、图纸的归档1. 工程部应建立完善的图纸归档系统,将图纸依据项目进行分类,确保图纸的归档清晰明了。
2. 归档的图纸应按照规定的时间定期检查,确保图纸的完整性和准确性。
3. 归档的图纸应根据项目的完成情况,确定是否需要保存,确保图纸的有效利用。
六、图纸的保管1. 图纸管理员应负责图纸的保管工作,确保图纸的安全和完整性。
2. 图纸应存放在防潮、防尘、防火的地方,避免图纸受到损坏。
3. 图纸的保管人员应定期清点图纸,确保图纸不丢失或遗漏。
七、违规处理1. 对于图纸管理中出现的违规行为,应按照公司规定进行处理。
2. 对于故意破坏、篡改图纸的行为,应立即报告并追究责任。
3. 对于图纸管理不严谨造成的经济损失和影响,应依法追究责任。
八、附则1. 本管理制度自发布之日起生效。
2. 工程部图纸管理制度的解释权归工程部主管。
以上便是关于工程部图纸管理制度的相关内容,希望全体工作人员能严格遵守,保证图纸管理工作的顺利进行,提高工程质量和效率。
图纸料管理制度
一、总则
为规范图纸料管理工作,提高效率,保证质量,依据有关规定,制定本制度。
二、管理范围
本制度适用于公司内所有图纸料管理工作。
三、管理原则
1.谨慎用图:员工需按照实际需要使用图纸,避免浪费。
2.严格管理:图纸需进行分类管理,定期检查,防止丢失。
3.安全保密:图纸为公司资产,需妥善保管,不得外传。
四、责任主体
1.公司领导:负责整体管理和监督图纸料管理工作。
2.部门负责人:负责图纸料的分类管理和安全保密工作。
3.员工:负责按照规定使用图纸,保证安全保密。
五、管理程序
1.图纸验收
新图纸进入公司时,需由部门负责人验收,确认数量和质量。
2.图纸分类
将图纸按照类别进行分类管理,制定清单,便于查找和管理。
3.图纸借阅
员工需填写图纸借阅申请表,经部门负责人审批后方可借阅,借阅期限不得超过7天。
4.图纸归还
员工需按时归还借阅的图纸,经部门负责人验收确认后方可归档。
5.图纸保密
所有员工都需严格保密公司的图纸信息,不得外传。
6.图纸更新
定期清理过期的图纸,更新图纸库存,保证有效管理。
七、违规处理
1.对于丢失图纸或外传图纸的员工,将按照公司规定追究责任。
2.对于不按规定使用图纸的员工,将给予相应的处罚。
八、附则
1.本制度由公司总经理审批并下发,经订正须重新审批。
2.本制度自发布之日起生效,如有疑问可向公司领导咨询。
以上制度为公司图纸料管理制度,如有需要可根据实际情况做出调整。
一、图纸保管制度□ 目的第一,保守档案机密。
现代企业竞争中,情报战是竞争的重要内容,而档案机密便是企业机密的一部分。
对图纸进行妥善保管,能有效地保守机密。
第二,维护图纸材料完整,防止材料损坏,这是档案保管的主要任务。
第三,便于档案材料的使用。
保管与利用是紧密相联的,科学有序的保管是高效利用档案材料的前提和保证。
□ 图纸保管制度的基本内容建立健全保管制度是对图纸进行有效保管的关键。
其基本内容大致包括五部分:材料归档制度;检查核对制度;转递制度;保卫保密制度;统计制度。
(1)材料归档制度。
新形成的档案材料应及时归档,归档的大体程序是:首先对材料进行鉴别,看其是否符合归档的要求;其次,按照材料的属性、内容,确定其归档的具体位置;再次,在目录上补登材料名称及有关内容;最后,将新材料放入档案。
(2)检查核对制度。
检查与核对是保证图纸完整、安全的重要手段。
检查的内容是多方面的,既包括对图纸材料本身进行检查,如查看有无霉烂,虫蛀等,也包括对图纸保管的环境进行检查,如查看库房门窗是否完好,有无其他存放错误等。
检查核对一般要定期进行。
但在下列情况下,也要进行检查核对:——突发事件之后,如被盗、遗失或水灾火灾之后:——对有些档案发生疑问之后,如不能确定某份材料是否丢失。
——发现某些损害之后,如发现材料变霉,发现了虫蛀等。
(3)转递制度。
转递制度是关于档案转移投递的制度。
档案的转递一般是由工作调动等原因引起的,转递的大致程序如下:①取出应转走的档案;②在档案底账上注销;③填写《转递图纸材料的通知单》;④按发文要求包装、密封。
在转递中应遵循保密原则,一般通过机要交通转递,不能交本人自带。
另外,收档单位在收到档案,核对无误后,应在回执上签字盖章,及时退回。
(4)保卫保密制度。
具体要求如下:①对于较大的企业,一般要设专人负责档案的保管,应齐备必要的存档设备。
②库房备有必要的防火、防潮器材。
③库房、档案柜保持清洁,不准存放无关物品。
公司图纸管理规章制度第一章总则第一条为规范公司图纸管理工作,维护公司发展利益,根据《中华人民共和国法律》、《建筑法》、《建筑工程施工质量管理条例》以及公司相关制度文件的要求,制定本规章制度。
第二条公司图纸管理是指对公司施工项目的图纸进行有效管理,保障施工质量,保护公司利益的一项重要工作。
第三条公司图纸管理应坚持“科学、严谨、公正、高效”的原则,确保图纸的准确性、完整性和可靠性。
第四条全体员工在工作中应严格遵守本规章制度,提高图纸管理意识,增强图纸管理能力,共同维护公司形象和利益。
第二章图纸编制和审查第五条公司施工项目的图纸应由具备相应资质的设计单位编制,经过专业人员的审查后方可使用。
第六条图纸的编制应符合相关国家标准和规范,确保其在施工过程中的可行性和有效性。
第七条图纸的审查应由公司专业技术人员组成的审查小组进行,审查意见应详细记录,对不合格图纸应予以退回或修改。
第八条专业技术人员在审查图纸时,应做到心无旁骛,客观公正,确保审查结果的准确性和实用性。
第九条图纸的编制和审查过程中,如有争议或疑问,应及时向相关部门汇报,协商解决。
第十条图纸编制单位应将编制和审查过程中的资料及时归档、备份,以备查阅。
第三章图纸使用和传递第十一条在施工过程中,使用的图纸应严格按照审查通过的版本进行,如需修改,应重新经过审查。
第十二条施工现场的图纸应及时更新,保证施工队伍和监理单位的使用准确性。
第十三条在图纸传递过程中,应采取安全、机密措施,防止泄露。
第十四条图纸传递过程中如有遗失或损坏,应及时向上级部门报告,重新编制或补充。
第四章图纸审批和归档第十五条公司施工项目的图纸应按照相关规定进行审批,未经批准不得施工。
第十六条图纸在审批完成后,应按照规定进行归档,归档资料应详尽、完整。
第十七条图纸归档资料的管理应由专人进行,设置专门的图纸档案室,确保资料的整齐、完好。
第十八条图纸归档资料的查阅应按照规定程序进行,不得擅自调取或泄露。
公司图纸管理制度范文公司图纸管理制度第一章总则第一条为了规范公司图纸的管理工作,确保图纸的安全、准确、实用,提高图纸管理的效率和质量,制定本制度。
第二条图纸管理是指对公司所拥有的图纸进行统一规范、分类、编制、审查、发放、保管、查询、归档等活动的全过程管理。
第三条本制度适用于公司内所有与图纸管理相关的部门和人员,并依据公司制度进行执行。
第四条图纸管理应遵循“信息共享、权限分配、工作配合、流程协作”的原则。
第二章图纸管理职责与权限第五条公司图纸管理由专职图纸管理人员负责,图纸管理人员应具备相应的专业知识和技能。
第六条负责图纸编制、审查和发放的部门应及时提供与图纸管理相关部门的工作配合和协助。
第七条公司内任何部门和人员未经图纸管理人员的批准,不得私自编制、修改、复制、销毁或外传图纸。
第八条图纸管理人员对公司图纸的安全负有保密义务,不得泄露公司机密信息。
第九条图纸管理人员应定期对图纸库进行检查,确保图纸完整、无遗漏。
第十条公司图纸管理系统应具备安全、稳定、可靠的特点,并定期备份重要数据。
第三章图纸编制与审核第十一条公司各部门应根据工作需要,及时准确地编制相应的图纸,并按照规定的格式、标准进行编制。
第十二条图纸的编制应符合国家相关法律法规和技术标准,确保图纸的质量和可用性。
第十三条图纸编制完成后,应提交给图纸管理人员进行审核。
第十四条图纸审核应包括技术内容、符号规范、工艺方案等方面的审查,确保图纸的准确性和合法性。
第十五条图纸管理人员应及时向编制单位提供审核结果,并提出修改意见或建议。
第四章图纸发放与保管第十六条经审核通过的图纸,图纸管理人员应及时发放给有权部门或人员,并记录相关发放信息。
第十七条每份图纸应进行编号,并将图纸编号、名称、规格、发放单位、发放日期等信息录入图纸管理系统。
第十八条图纸发放单位和接收单位应签署发放单,确认图纸的发放。
第十九条图纸管理人员应定期检查发放单位和接收单位的图纸使用情况,及时调整和补充图纸。
图纸管理制度范文一、总则目的:为规范公司图纸的管理工作,确保图纸的准确性、完整性和安全性,特制定本制度。
适用范围:本制度适用于公司所有部门在图纸设计、审核、批准、发放、使用、存档及更新等过程中的管理。
二、图纸分类与管理图纸分类:图纸分为A、B、C三个保密等级,A级为最高级,依此类推。
管理职责:设计部门负责图纸的编制和更新,档案部门负责图纸的存档和保密管理。
三、图纸设计设计要求:设计人员应按照国家标准和公司规定进行图纸设计,确保图纸的准确性和规范性。
设计审核:设计图纸完成后,需经过部门负责人或专业审核人员的审核批准。
四、图纸审核与批准审核流程:图纸审核应由设计部门负责人组织,相关部门参与,确保图纸的合理性和可行性。
批准权限:最终批准权归总工程师或其授权代表所有。
五、图纸发放与使用发放流程:图纸发放应由档案部门负责,建立发放记录,确保图纸流向明确。
使用规定:使用图纸的人员或部门应妥善保管图纸,不得擅自复制或传播。
六、图纸存档存档要求:所有图纸的原件及电子版均应存档,电子版应定期备份。
存档期限:根据图纸的保密等级和使用频率,设定不同的存档期限。
七、图纸更新与作废更新流程:图纸需要更新时,应由设计部门提出申请,经审核批准后方可执行。
作废处理:作废图纸应由档案部门负责收回,并做好作废记录。
八、图纸保密保密规定:所有图纸均为公司机密,任何人员不得泄露图纸内容。
违规处理:违反图纸保密规定的行为,将依照公司相关规定进行处理。
九、图纸的电子化管理电子化要求:图纸的电子版应使用专业软件进行管理,确保数据安全。
权限管理:电子图纸的访问应根据员工的职责和需要,设置相应的权限。
十、图纸管理制度的修订修订周期:本制度应至少每两年修订一次,以适应公司的发展和变化。
修订流程:修订建议由任何员工提出,经管理部门评估后,报总工程师批准。
十一、附则解释权:本制度的解释权归公司管理部门所有。
生效日期:本制度自发布之日起生效。
十二、结语图纸是公司重要的技术文档,其管理的好坏直接关系到公司的技术保密和产品质量。
图纸管理制度
编号:QW4.2.3-02/2020
第二版
编制:XXX
审核:XXX
批准:XXX
2020-05-25发布 2020-05-25实施
XXXXXXXX股份有限公司
1.目的
为规范公司图纸管理工作,有效地保护和使用图纸,建立图纸的归档、保管、下发、利用(查阅、借阅、复印)和回收、销毁要求,特制定本制度。
2.范围
本制度适用于公司设计的产品成套图纸、附件图纸、通用件图纸及零部件图纸等的管理以及生产加工用外来图纸的管理。
3.职责
3.1研发中心负责新产品、新技术图纸以及设计更改图纸的归档管理;对公司有关技术档案资料的完整性和有效性负责。
3.2制造厂负责产品改造的设计以及相关设计更改图纸的归档管理;对公司有关技术档案资料的完整性和有效性负责。
3.3人事行政中心是公司图纸的归口管理部门,负责图纸管理制度的制定,负责公司产品图纸的归档、保管、下发、利用(查阅、借阅、复印)、更改和回收、销毁管理。
4.参考文件
4.1 QP4.4.3-2014《文件资料控制程序》
4.2 QW7.3-02 /2011《产品图样的设计格式和填写规定》
4.3 QW7.3-03 /2011《机械图纸各级签字和责任的规定》
5.作业内容
5.1 图纸的归档
5.1.1归档图纸内容包括产品成套图纸、附件图纸、通用件图纸及零部件图纸以及生产加工用外来图纸。
5.1.2归档的图纸应同时包含纸质及电子版图纸。
5.1.3当设计任务完成,图纸签署齐全后,全套图纸应及时归档。
5.1.4图纸归档必须满足以下要求:
a. 内容完整;图样清晰;纸张无破损、污迹和皱褶;
b. 按照QW7.3-03 /2011《机械图纸各级签字和责任的规定》,标题栏填写完整,签署齐全;
c. 按照QW7.3-02 /2011《产品图样的设计格式和填写规定》文件规定,整套产品图纸归档必须完整,按图样目录要求进行排序,大于A4纸张的图纸须折叠成A4形状,并附上封皮装订;
d. 对于整套产品图纸,需要增加零部件图纸时,增加的图纸存档时必须附带补充图样目录一起归档;
e. 电子版和纸质的图纸须完全一致,为最终打印版本,包含图样目录等。
电子版的文件名按该图纸的产品型号命名,电子版图纸的文件数和纸质图纸的张数对应;
f. 图纸设计的外来资料一同归档。
如弹型尺寸图、配接尺寸图、设计信息来源等;
g. 对于移交的归档图纸未满足以上条件中的任何一条,图纸管理人员可以拒收;
h. 图纸归档应按要求填写《文件/资料移交登记表》,确保移交人和接收人同时签字确认。
对于归档后的图纸,档案主管负责给所有图纸的反面的左上角加盖“资料专用章”(包括图样目录)。
5.2 图纸的保管
5.2.1 图纸由公司人事行政中心档案主管进行统一管理,建立图纸目录。
5.2.2图纸管理人员不得私自将图纸带出档案室
5.2.3 图纸按产品型号分类编制档案编号。
存放图纸的档案盒脊背上标识档案编号及产品型号,以方便查找。
同时建立产品图纸总目录电子版,并及时更新图纸目录。
5.2.4 图纸存放于密闭的档案柜内,并做好防尘、防火、防水、防高温、防潮、防虫、防鼠、防盗、等措施。
5.2.6 存档图纸要定期检查、清点,在长期使用中如因玷污、破损或自然损坏影响使用时,档案主管可提出申请要求复印底图或者向设计部门提出重新出图。
并在被代替后的图纸上加盖“作废”印章,另行存放。
5.2.7 为了防止电子版图纸的文件丢失和损坏,档案主管应每月定期将存档的电子版图纸备份到移动硬盘,存档备查,妥善保管。
5.3 图纸的下发
5.3.1 所有图纸由公司人事行政中心档案主管按发放范围统一发放登记,其他部门和个人不得私自发放,更不允许私自向超出发放范围的人员泄露提供。
5.3.2对研发新设计的图纸及更改图纸,由档案主管及时做好下发工作。
下发时应在图纸的空白处加盖“有效章”,在印章的有效期栏注明发图日期,确保发放的图纸受控有效、无误,并填写《文件资料发放/回收登记表》,做好发放记录。
5.3.3 图纸的发放范围为研发中心、生产和检验用图。
图纸接收部门指定固定人员接收图纸,并将接收图纸人员名单书面报档案主管备案。
5.3.4 各部门已接收的图纸不得重复下发。
特殊情况需要用图时需填写《档案资料利用登记表》,办理相关审批手续,经本部门领导、人事行政中心主管领导审批后方可发图。
5.3.5生产、检验和有关单位按受控图纸进行生产、检验等工作。
5.4 图纸的利用(查阅、借阅、复印)
5.4.1图纸(纸质及电子版)利用必须履行相关手续;图纸的查阅、借阅和复印应填写《档案资料利用登记表》,经利用部门主管领导批准后方可利用;
5.4.2 查阅、借阅图纸时,禁止在图纸上进行任何修改、涂抹和替换图纸,保持图纸的平整清洁和原始状态的一致性。
5.4.3 查阅图纸不可带出档案室,用完后立即交给档案主管,及时放回原处。
5.4.4 借阅的图纸必须当日归还,档案主管有责任督促如期归还,并检查其完整与清洁。
图纸借出后应妥善保管,若发生丢失、损坏或违犯本制度时,应追究其责任。
5.4.5电子版图纸只作为参考使用,不作为研发中心、生产和检验有效用图。
5.5 图纸的回收
5.5.1更改图纸编号由人事行政中心统一编制。
设计人员需要更改图纸时,应向档案主管申请更改编号,档案主管及时填写《图纸更改编号申请表》。
5.5.2档案主管根据《设计更改报告》填写《设计更改通知单》,对报告中涉及更改的新图纸及更改通知单一同下发到相关部门,替换的旧图要及时回收存档图纸也需及时替换、回收作废图纸,并填写《文件/资料发放/回收登记表》。
5.5.3更改图纸存档时,作废图纸的纸质和电子版需存留备查,对作废图纸电子版应做标识、注明作废时间和《设计更改报告》编号;新增图纸电子版应存于原产品图纸下文件夹内。
5.5.4作废图纸要加盖“作废”章,并注明作废日期,另行存放。
5.5.5接收图纸部门人员应积极配合档案主管及时接收新图纸,交还作废的旧图纸。
对于图纸丢失现象,需要提交书面“遗失情况说明”,本人签字,部门领导确认后交人事行政中心处理,图纸保管的责任人按违纪处理。
5.5.6生产部门负责回收提供给分供方的作废图纸,做好回收登记。
5.5.7生产部门对于加工用图应要求加工单位负保密责任,由此造成的损失和后果按公司规定进行处罚。
5.6图纸的销毁
对于作废图纸销毁,应填写《文件/资料销毁审批登记表》,经图纸设计部门及图纸管理部门领导批准后方可销毁。
5.7图纸的保密性
产品图纸属于公司密级档案资料,关系公司安全和利益,保守图纸的秘密是公司各部门的重要任务,是每个员工的义务和职责;人事行政中心和相关图纸利用单位在图纸归档、保管、下发、利用、更改和回收、销毁环节需按照本规定的作业内容严格执行。
5.8. 图纸接收部门的使用规定
5.8.1 图纸接收部门应指定专人统一接收图纸和保管图纸,做好各项领用记录和使用管理工作。
5.8.2图纸要按产品型号分类保管,建立图纸目录,方便查找。
5.8.3不得随意在图纸资料上进行涂写、标记,应保持图纸资料的完整性和原样性。
不得丢失、泄密和非使用目的外借和复印,图纸应存放于带锁的文件资料内,做好“防
尘、防火、防水、防高温、防潮、防虫、防鼠、防盗”等八防措施。
图纸使用完当日应及时入柜保管,如有丢失和泄密,应追究其当事人责任。
5.8.4.4 对于分供方需要的加工图纸,由领图部门复印后做好发放登记记录。
5.8.5当领用的图纸因破损、油污等原因无法使用需要更新替换图纸时,应填写《档案资料利用登记表》,按规定程序审批后领取,档案主管收回旧图纸并加盖“作废”章。
6.相关记录
QR4.2.3-01-02 文件/资料发放、回收登记表
QR4.2.3-01-05 档案资料利用登记表
QR4.2.3-01-06 文件/资料移交登记表
图纸更改编号申请表
QR4.2.4-01-02 文件/资料销毁审批登记表。