松下高级指令一览表
- 格式:xls
- 大小:29.00 KB
- 文档页数:6
松下摄像机控制代码AMX控制为例摄像头"上 "IF(CAM_SPEED=3)SEND_STRING cam,"'#T90',$0D"IF(CAM_SPEED=2)SEND_STRING cam,"'#T70',$0D"IF(CAM_SPEED=1)SEND_STRING cam,"'#T60',$0D"注:CAM_SPEED 为摄像头速度慢速1;中速2;快速3摄像头"下 "IF(CAM_SPEED=3)SEND_STRING cam,"'#T20',$0D"IF(CAM_SPEED=2)SEND_STRING cam,"'#T30',$0D"IF(CAM_SPEED=1)SEND_STRING cam,"'#T40',$0D"摄像头上和下的"停止命令"SEND_STRING cam,"'#T50',$0D"摄像头"左 "IF(CAM_SPEED=3)SEND_STRING cam,"'#P90',$0D"IF(CAM_SPEED=2)SEND_STRING cam,"'#P70',$0D"IF(CAM_SPEED=1)SEND_STRING cam,"'#P60',$0D"摄像头"右 "IF(CAM_SPEED=3)SEND_STRING cam,"'#P20',$0D"IF(CAM_SPEED=2)SEND_STRING cam,"'#P30',$0D"IF(CAM_SPEED=1)SEND_STRING cam,"'#P40',$0D"摄像头左右的"停止命令 "SEND_STRING cam,"'#P50',$0D"摄像头"拉近"IF(CAM_SPEED=3)SEND_STRING cam,"'#Z90',$0D"IF(CAM_SPEED=2)SEND_STRING cam,"'#Z70',$0D"IF(CAM_SPEED=1)SEND_STRING cam,"'#Z60',$0D"摄像头"拉远"IF(CAM_SPEED=3)SEND_STRING cam,"'#Z20',$0D"IF(CAM_SPEED=2)SEND_STRING cam,"'#Z30',$0D"IF(CAM_SPEED=1)SEND_STRING cam,"'#Z40',$0D"摄像头拉近、拉远“停止命令”SEND_STRING cam,"'#Z50',$0D"摄像头“存储预置位1”SEND_STRING cam,"'#M01',$0D"注:M后面值为预置位值摄像头“调用预置位1”SEND_STRING cam,"'#R01',$0D"注:R后面值为预置位值。
松下空调各种特殊功能设置一览表数据保持,自动关机等等序号年份代表机型自动运转强制制冷强制制暖接收音有/无来电重启店铺演示模式1 07年CS-HE18KA1轻按1下按5秒按8秒-变频壁挂专用切换方法H11代码,按开关2 07年CS-HE15KA1轻按1下按5秒按8秒-变频壁挂专用切换方法H11代码,按开关3 07年CS-E13KA1轻按1下按5秒按8秒-变频壁挂专用切换方法H11代码,按开关4 07年CS-E9KA1轻按1下按5秒按8秒-变频壁挂专用切换方法H11代码,按开关5 07年CS-E9KA2轻按1下按5秒按8秒-变频壁挂专用切换方法H11代码,按开关6 07年CS-HA13DKA1轻按1下按5秒- 按10秒按15秒按20秒7 07年CS-HA10DKA1轻按1下按5秒- 按10秒按15秒按20秒8 07年CS-A13KA1轻按1下按5秒- 按10秒按15秒按20秒9 07年CS-A13KA2轻按1下按5秒- 按10秒按15秒按20秒10 07年CS-C13KA1轻按1下按5秒- 按10秒按15秒按20秒11 07年CS-A12KA1轻按1下按5秒- 按10秒按15秒按20秒12 07年CS-C12KA1轻按1下按5秒- 按10秒按15秒按20秒13 07年CS-A9KA1轻按1下按5秒- 按10秒按15秒按20秒14 07年CS-C9KA1轻按1下按5秒- 按10秒按15秒按20秒15 07年CS-A7KA1轻按1下按5秒- 按10秒按15秒按20秒16 07年CS-C7KA1轻按1下按5秒- 按10秒按15秒按20秒17 07年CS-C9KA9轻按1下按5秒- 按10秒按15秒按20秒18 07年CS-SA13KA9轻按1下按5秒- 按10秒按15秒按20秒26 07年CS-A27DFA1轻按1下按5秒- 按10秒按15秒按20秒27 07年CS-A27FA1轻按1下按5秒- 按10秒按15秒按20秒28 07年CS-C27FA1轻按1下按5秒- 按10秒按15秒按20秒29 07年CS-A23DFA1轻按1下按5秒- 按10秒按15秒按20秒30 07年CS-A23FA1轻按1下按5秒- 按10秒按15秒按20秒31 07年CS-C23FA1轻按1下按5秒- 按10秒按15秒按20秒32 07年CS-A18DFA1轻按1下按5秒- 按10秒按15秒按20秒33 07年CS-A18FA1轻按1下按5秒- 按10秒按15秒按20秒34 07年CS-C18FA1轻按1下按5秒- 按10秒按15秒按20秒38 07年CS-C1817FW1轻按1下按5秒- 按10秒按15秒(出厂默认为有)按20秒39 07年CS-A1817FW1轻按1下按5秒- 按10秒按15秒(出厂默认为有)按20秒40 07年CS-C2717FW1轻按1下按5秒按10秒按15秒(出厂默认为有)按20秒41 07年CS-A2717FW1轻按1下按5秒- 按10秒按15秒(出厂默认为有)按20秒42 07年CS-C2717FWY1轻按1下按5秒- 按10秒按15秒(出厂默认为有)按20秒43 07年CS-A2717FWY1轻按1下按5秒- 按10秒按15秒(出厂默认为有)按20秒44 07年CS-C4507FWY1轻按1下按5秒- 按10秒按15秒(出厂默认为有)按20秒45 07年CS-A4557FWY1轻按1下按5秒- 按10秒按15秒(出厂默认为有)按20秒46 07年CS-PC18FA1轻按1下按5秒- 按10秒按15秒按20秒47 07年CS-PA18FA1轻按1下按5秒- 按10秒按15秒按20秒48 07年CS-PA18DFA1轻按1下按5秒- 按10秒按15秒按20秒49 07年CS-PC27FA1轻按1下按5秒- 按10秒按15秒按20秒50 07年CS-PA27FA1轻按1下按5秒- 按10秒按15秒按20秒51 07年CS-PA27DFA1轻按1下按5秒- 按10秒按15秒按20秒52 07年CS-PC27FYA1轻按1下按5秒- 按10秒按15秒按20秒53 07年CS-PA27FYA1轻按1下按5秒- 按10秒按15秒按20秒54 07年CS-PA27DFYA1轻按1下按5秒- 按10秒按15秒按20秒序号年份代表机型自动运转强制制冷强制制暖接收音有/无来电重启店铺演示模式1 08年CS-VE27DFB1轻按1下按5秒- 按9秒按20秒H11代码,按开关2 08年CS-VE18DFB1轻按1下按5秒- 按9秒按20秒H11代码,按开关3 08年CS-VE27DFB2轻按1下按5秒- 按9秒按20秒H11代码,按开关4 08年CS-VE18DFB2轻按1下按5秒- 按9秒按20秒H11代码,按开关5 08年CS-HE27FB1轻按1下按5秒- 按9秒按20秒H11代码,按开关6 08年CS-HE18FB1轻按1下按5秒- 按9秒按20秒H11代码,按开关7 08年CS-A18FB1轻按1下按5秒-按10秒按15秒按20秒8 08年CS-A18DFB1轻按1下按5秒-按10秒按15秒按20秒9 08年CS-A23FB1轻按1下按5秒-按10秒按15秒按20秒10 08年CS-A23DFB1轻按1下按5秒-按10秒按15秒按20秒11 08年CS-A27FB1轻按1下按5秒-按10秒按15秒按20秒12 08年CS-A27DFB1轻按1下按5秒-按10秒按15秒按20秒13 08年CS-C18FB1轻按1下按5秒-按10秒按15秒按20秒14 08年CS-C23FB1轻按1下按5秒-按10秒按15秒按20秒15 08年CS-C27FB1轻按1下按5秒-按10秒按15秒按20秒16 08年CS-PA18FB1轻按1下按5秒-按10秒按15秒按20秒17 08年CS-PA18DFB1轻按1下按5秒-按10秒按15秒按20秒18 08年CS-PA27FB1轻按1下按5秒-按10秒按15秒按20秒19 08年CS-PA27DFB1轻按1下按5秒-按10秒按15秒按20秒20 08年CS-PA27FYB1轻按1下按5秒-按10秒按15秒按20秒21 08年CS-PA27DFYB1轻按1下按5秒-按10秒按15秒按20秒22 08年CS-PC18FB1轻按1下按5秒-按10秒按15秒按20秒23 08年CS-PC27FB1轻按1下按5秒-按10秒按15秒按20秒24 08年CS-PC27FYB1轻按1下按5秒-按10秒按15秒按20秒25 08年CS-A1817FW2轻按1下按5秒-按10秒按15秒(出厂默认有)按20秒26 08年CS-A2717FW2轻按1下按5秒-按10秒按15秒(出厂默认有)按20秒27 08年CS-A2767FWY2轻按1下按5秒-按10秒按15秒(出厂默认有)按20秒28 08年CS-A2717FWY2轻按1下按5秒-按10秒按15秒(出厂默认有)按20秒29 08年CS-A2718FW2轻按1下按5秒-按10秒按15秒(出厂默认有)按20秒30 08年CS-C2718FW2轻按1下按5秒-按10秒按15秒(出厂默认有)按20秒31 08年CS-C2718FWY2轻按1下按5秒-按10秒按15秒(出厂默认有)按20秒32 08年CS-A2718FWY2轻按1下按5秒-按10秒按15秒(出厂默认有)按20秒33 08年CS-A2768FWY2轻按1下按5秒-按10秒按15秒(出厂默认有)按20秒34 08年CS-A1818FW2轻按1下按5秒-按10秒按15秒(出厂默认有)按20秒35 08年CS-C1818FW2轻按1下按5秒-按10秒按15秒(出厂默认有)按20秒36 08年CS-A4558FWY2轻按1下按5秒-按10秒按15秒(出厂默认有)按20秒37 08年CS-C4508FWY2轻按1下按5秒-按10秒按15秒(出厂默认有)按20秒38 08年CS-A4568FWY2轻按1下按5秒-按10秒按15秒(出厂默认有)按20秒39 08年CS-C1817FW2轻按1下按5秒-按10秒按15秒(出厂默认有)按20秒40 08年CS-C2717FW2轻按1下按5秒-按10秒按15秒(出厂默认有)按20秒41 08年CS-C2717FWY2轻按1下按5秒-按10秒按15秒(出厂默认有)按20秒42 08年CS-HA27DFB1轻按1下按5秒- - 按10秒按15秒43 08年CS-HA18DFB1轻按1下按5秒- - 按10秒按15秒44 08年CS-HC27FB1轻按1下按5秒- - 按10秒按15秒45 08年CS-HC18FB1轻按1下按5秒- - 按10秒按15秒46 08年CS-HA23DFB1轻按1下按5秒- - 按10秒按15秒47 08年CS-HC23FB1轻按1下按5秒- - 按10秒按15秒48 08年CS-HC18FB2轻按1下按5秒- - 按10秒按15秒49 08年CS-HA18DFB2轻按1下按5秒- - 按10秒按15秒50 08年CS-HC27FB2轻按1下按5秒- - 按10秒按15秒51 08年CS-HA27DFB2轻按1下按5秒- - 按10秒按15秒52 08年CS-HC23FB2轻按1下按5秒- - 按10秒按15秒53 08年CS-HA23DFB2轻按1下按5秒- - 按10秒按15秒54 08年CS-JC18FB1轻按1下按5秒- - 按10秒按15秒55 08年CS-JA18FB1轻按1下按5秒- - 按10秒按15秒56 08年CS-JA18DFB1轻按1下按5秒- - 按10秒按15秒57 08年CS-JC23FB1轻按1下按5秒- - 按10秒按15秒58 08年CS-JA23FB1轻按1下按5秒- - 按10秒按15秒59 08年CS-JA23DFB1轻按1下按5秒- - 按10秒按15秒60 08年CS-JC27FB1轻按1下按5秒- - 按10秒按15秒61 08年CS-JA27FB1轻按1下按5秒- - 按10秒按15秒62 08年CS-JA27DFB1轻按1下按5秒- - 按10秒按15秒63 08年CS-SC18FB1轻按1下按5秒-按10秒按15秒按20秒64 08年CS-SA18FB1轻按1下按5秒-按10秒按15秒按20秒65 08年CS-SC27FB1轻按1下按5秒-按10秒按15秒按20秒66 08年CS-SA27FB1轻按1下按5秒-按10秒按15秒按20秒67 08年CS-HE18KB1轻按1下按5秒按8秒变频壁挂专用切换方法H11代码,按开关68 08年CS-HE15KB1轻按1下按5秒按8秒变频壁挂专用切换方法H11代码,按开关69 08年CS-HE9KB1轻按1下按5秒按8秒变频壁挂专用切换方法H11代码,按开关70 08年CS-JE13KB1轻按1下按5秒按8秒变频壁挂专用切换方法H11代码,按开关71 08年CS-JE9KB1轻按1下按5秒按8秒变频壁挂专用切换方法H11代码,按开关72 08年CS-E13KB1轻按1下按5秒按8秒变频壁挂专用切换方法H11代码,按开关73 08年CS-E9KB1轻按1下按5秒按8秒变频壁挂专用切换方法H11代码,按开关74 08年CS-E9KA3轻按1下按5秒按8秒变频壁挂专用切换方法H11代码,按开关75 08年CS-E13KA3轻按1下按5秒按8秒变频壁挂专用切换方法H11代码,按开关76 08年CS-C7KB1轻按1下按5秒-按10秒按15秒按20秒77 08年CS-A7KB1轻按1下按5秒-按10秒按15秒按20秒78 08年CS-C9KB1轻按1下按5秒-按10秒按15秒按20秒79 08年CS-A9KB1轻按1下按5秒-按10秒按15秒按20秒80 08年CS-C12KB1轻按1下按5秒-按10秒按15秒按20秒81 08年CS-A12KB1轻按1下按5秒-按10秒按15秒按20秒82 08年CS-C13KB1轻按1下按5秒-按10秒按15秒按20秒83 08年CS-A13KB1轻按1下按5秒-按10秒按15秒按20秒84 08年CS-C18KB1轻按1下按5秒- -硬件改造IC4 VCC切断(出厂为有)-85 08年CS-A18KB1轻按1下按5秒- -硬件改造IC4 VCC切断(出厂为有)-86 08年CS-C7KB2轻按1下按5秒-按10秒按15秒按20秒87 08年CS-A7KB2轻按1下按5秒-按10秒按15秒按20秒年1下秒秒89 08年CS-A9KB2轻按1下按5秒-按10秒按15秒按20秒90 08年CS-C12KB2轻按1下按5秒-按10秒按15秒按20秒91 08年CS-A12KB2轻按1下按5秒-按10秒按15秒按20秒92 08年CS-C13KB2轻按1下按5秒-按10秒按15秒按20秒93 08年CS-A13KB2轻按1下按5秒-按10秒按15秒按20秒94 08年CS-NA13KB1轻按1下按5秒-按10秒按15秒按20秒95 08年CS-JC7KB1轻按1下按5秒-按10秒按15秒按20秒96 08年CS-JA7KB1轻按1下按5秒-按10秒按15秒按20秒97 08年CS-JC9KB1轻按1下按5秒-按10秒按15秒按20秒98 08年CS-JA9KB1轻按1下按5秒-按10秒按15秒按20秒99 08年CS-JC12KB1轻按1下按5秒-按10秒按15秒按20秒100 08年CS-JA12KB1轻按1下按5秒-按10秒按15秒按20秒101 08年CS-JC15KB1轻按1下按5秒-按10秒按15秒按20秒102 08年CS-JA15KB1轻按1下按5秒-按10秒按15秒按20秒103 08年CS-HC10KB1轻按1下按5秒-按10秒按15秒按20秒104 08年CS-HA10KB1轻按1下按5秒-按10秒按15秒按20秒105 08年CS-HC13KB1轻按1下按5秒-按10秒按15秒按20秒106 08年CS-HA13KB1轻按1下按5秒-按10秒按15秒按20秒107 08年CS-SC7KB1轻按1下按5秒-按10秒- 按15秒108 08年CS-SA7KB1轻按1下按5秒-按10秒- 按15秒年1下秒秒110 08年CS-SA13KB9轻按1下按5秒-按10秒按15秒按20秒111 08年CS-SC9KB1轻按1下按5秒-按10秒- 按15秒112 08年CS-SC9KB9轻按1下按5秒-按10秒- 按15秒113 08年CS-SA12KB1轻按1下按5秒-按10秒- 按15秒114 08年CS-SA13KB2轻按1下按5秒-按10秒按15秒按20秒。
高级指令按其功能不同分成如下类型:数据传输指令:完成16位/32位数据的传送、拷贝、交换等功能。
算术运算指令:对16位/32位二进制(BIN)数据或BCD码数据进行加、减、乘、除等运算。
逻辑运算指令:完成16位/32位数据的与、或、异或、同或运算。
数据比较指令:完成16位/32位数据的比较。
数据转换指令:对16位/32位数据按指定的格式进行转换。
数据移位指令:对16位/32位数据或数据块进行左移、右移、循环移位等操作。
位操作指令:完成16位/32位数据以位单位的置位、复位、求反、测试等操作。
4.5数据传输指令4.5.1 16位/32位数据传输指令1.F0(MV)16位数据传输指令:将16位数据从一个16位区传输到另一个16位区。
2.F1(DMV)32位数据传输指令:将32位数据从一个32位区传输到另一个32位区。
注意:当进行双字传输时,如果已指定低16位区(S1,S2),则高16位区自动指定为(S1+1,S2+1)。
【例4-5-1】16位/32位数据传输指令举例【例4-5-1】16位/32位数据传输指令举例4.5.2 16位/32位数据求反传输指令1.F2(MV/)16位数据求反传输指令:将16位数据求反后从一个16位区传输到另一个16位区。
2.F3(DMV/)32位数据求反传输指令:将32位数据求反从一个32位区传输到另一个32位区。
【例4-5-2】16位/32位数据求反传输指令举例WR0 WR1 DT0DT10101010101010101000000000000000001010101010101011100110100010101 R9013闭合时:X0闭合时:WR1DT3 DT210101010101010100011001011101010 1010101010101010源操作数和目的操作数都用寄存器方式寻址时,源操作数在执行指令后内容不变,目的操作数则被覆盖,相当于执行数据拷贝操作。
松下plc指令1、16位数据传输指令格式:[F0 MV,S,D]功能:S:是源区操作数{WX,WY,WR,SV,EV,DT,IX,IY,K,H} D:是目的区{WY,WR,SV,EV,DT,IX,IY }16位的S→16位的D2、32位数据传输指令格式:[F1 DMV,S,D]功能:S:是源区的操作数{WX,WY,WR,SV,EV,DT,IX,K,H} D:是目的区 {WY,WR,SV,EV,DT,IX }32位的S→32位的D3、16位数据求反传输指令格式:[F2 MV/,S,D]功能:S:源区操作数{WX,WY,WR,SV,EV,DT,IX,IY,K,H} D:目标区 {WY,WR,SV,EV,DT,IX,IY }16位的S→16位的D4、32位数据求反传输指令格式:[F3 DMV/,S,D]功能:S:源区操作数{WX,WY,WR,SV,EV,DT,IX,K,H} D:目标区 {WY,WR,SV,EV,DT,IX }32位的S→32位的D5、16位数据一位传输指令格式:[F5BTM,S,n,D]功能:S:是源区操作数{WX,WY,WR,SV,EV,DT,IX,IY,K,H} D:是目标区 {WY,WR,SV,EV,DT,IX,IY,K,H} n=H408中,4是目的区(S)地址8是源区(D)地址6、16位数据按位传输指令格式:[F6DGT,S,n,D]功能:S:是源区操作数{WX,WY,WR,SV,EV,DT,IX,IY,K,H} D:是目标区{ WY,WR,SV,EV,DT,IX,IY,K,H}n=H418中,4是目的区(S)地址1是位数,0代表4位,1代表8位8是源区(D)地址7、数据块传输指令格式:[F10 BKMV,S1,S2,D]功能:S1:是源区首地址{WX,WY,WR,SV,EV,DT }S2:是源区末地址{WX,WY,WR,SV,EV,DT }D:目的区首地址{ WY,WR,SV,EV,DT }把S1到S2的所有数据传输到以D为首地址的存放器8、数据复制指令格式:[F11 COPY,S,D1,D2]功能:S:源区操作数{WX,WY,WR,SV,EV,DT,IX,IY,K,H} D1:目标区首地址{ WY,WR,SV,EV,DT }D2:目标区末地址{ WY,WR,SV,EV,DT }将操作数S复制到D1到D2的存放器9、16位数据交换指令格式:[F15 XCH,D1,D2]功能:D1:源区操作数{WX,WY,WR,SV,EV,DT,IX, K,H} D2:目标区操作数{ WY,WR,SV,EV,DT,IX }将D1和D2两个操作数对换10、32位数据交换指令格式:[F16DXCH,D1,D2]功能:D1:源区操作数{WX,WY,WR,SV,EV,DT,IX, K,H} D2:目标区操作数{ WY,WR,SV,EV,DT,IX }将D1和D2两个操作数对换11、16位数据中的高/低字节交换指令格式:[F17 SWAP,D]功能:D:源区操作数{ WY,WR,SV,EV,DT,IX, IY}将D1和D2两个操作数对换12、16位数据加法指令格式:[F20+,S,D]功能:S:加数{WX,WY,WR,SV,EV,DT,IX,IY,K,H}D:被加数{WY,WR,SV,EV,DT,IX,IY }将S和D两个操作数相加后结果存在D中13、32位数据加法指令格式:[F21 D+,S,D]功能:S:加数{WX,WY,WR,SV,EV,DT,IX,IY,K,H} D:被加数{WY,WR,SV,EV,DT,IX,IY }将S和D两个操作数相加后结果存在D中13、32位数据加法传输指令格式:[F22 +,S1,S2,D]功能:S1:加数{WX,WY,WR,SV,EV,DT,IX,IY,K,H} S1:加数{WX,WY,WR,SV,EV,DT,IX,IY,K,H}D:被加数{WY,WR,SV,EV,DT,IX,IY }将S1和S2两个操作数相加后结果存在D中14、32位数据加法传输指令格式:[F23 D+,S1,S2,D]功能:S1:加数{WX,WY,WR,SV,EV,DT,IX,IY,K,H} S1:加数{WX,WY,WR,SV,EV,DT,IX,IY,K,H}D:被加数{WY,WR,SV,EV,DT,IX,IY }将S1和S2两个操作数相加后结果存在D中15、16位数据减法指令格式:[F25 -,S,D]功能:S:被减数{WX,WY,WR,SV,EV,DT,IX,IY,K,H} D:减数{WY,WR,SV,EV,DT,IX,IY }D减S后结果存放在D中16、16位数据减法指令格式:[F26 -,S,D]功能:S:被减数{WX,WY,WR,SV,EV,DT,IX,IY,K,H} D:减数{WY,WR,SV,EV,DT,IX,IY }D减S后结果存放在D中17、16位数据减法传输指令格式:[F27 -,S1,S2,D]功能:S1:减数{WX,WY,WR,SV,EV,DT,IX,IY,K,H} S2:被减数{WX,WY,WR,SV,EV,DT,IX,IY,K,H}D:结果{WY,WR,SV,EV,DT,IX,IY }S1减S2后结果存放在D中18、32位数据减法传输指令格式:[F28 -,S1,S2,D]功能:S1:减数{WX,WY,WR,SV,EV,DT,IX,IY,K,H} S2:被减数{WX,WY,WR,SV,EV,DT,IX,IY,K,H}D:结果{WY,WR,SV,EV,DT,IX,IY }S1减S2后结果存放在D中19、16位数据乘法传输指令格式:[F30 *,S1,S2,D]功能:S1:乘数{WX,WY,WR,SV,EV,DT,IX,IY,K,H} S2:被乘数{WX,WY,WR,SV,EV,DT,IX,IY,K,H}D:结果〔32位〕{WY,WR,SV,EV,DT,IX,IY }S1乘以S2后结果存放在D中20、32位数据乘法传输指令格式:[F31 D*,S1,S2,D]功能:S1:乘数{WX,WY,WR,SV,EV,DT,IX,IY,K,H} S2:被乘数{WX,WY,WR,SV,EV,DT,IX,IY,K,H}D:结果〔64位〕{WY,WR,SV,EV,DT,IX,IY }S1乘以S2后结果存放在D中21、16位数据除法传输指令格式:[F32 %,S1,S2,D]功能:S1:除数{WX,WY,WR,SV,EV,DT,IX,IY,K,H} S2:被除数{WX,WY,WR,SV,EV,DT,IX,IY,K,H}D:商{WY,WR,SV,EV,DT,IX,IY }S1除以S2后商存放在D中,余数放到DT9015中格式:[F33D%,S1,S2,D]功能:S1:除数{WX,WY,WR,SV,EV,DT,IX,IY,K,H} S2:被除数{WX,WY,WR,SV,EV,DT,IX,IY,K,H}D:商{WY,WR,SV,EV,DT,IX,IY }S1除以S2后商存放在D中,余数放到DT9016 DT9015(低位)中23、16位数据加1指令格式:[F35 +1, D]功能:D:存放器{WY,WR,SV,EV,DT,IX,IY }D加1→D24、32位数据加1指令格式:[F36D+1, D]功能:D:存放器{WY,WR,SV,EV,DT,IX,IY }D加1→D25、16位数据减1指令格式:[F37 -1, D]功能:D:存放器{WY,WR,SV,EV,DT,IX,IY }D减1→D26、32位数据减1指令格式:[F38 D-1, D]功能:D:存放器{WY,WR,SV,EV,DT,IX,IY }D减1→D27、4位BCD数据加法指令格式:[F40 B+,S,D]功能:S:被加数{WX,WY,WR,SV,EV,DT,IX,IY,K,H} D:加数{WY,WR,SV,EV,DT,IX,IY }D加上S后结果存放在D中28、8位BCD数据加法指令格式:[F41 DB+,S,D]功能:S:被加数{WX,WY,WR,SV,EV,DT,IX,IY,K,H}D:加数{WY,WR,SV,EV,DT,IX,IY }D加上S后结果存放在D中29、4位BCD数据加法传输指令格式:[F42 B+,S1,S2,D]功能:S1:加数{WX,WY,WR,SV,EV,DT,IX,IY,K,H} S2:被加数{WX,WY,WR,SV,EV,DT,IX,IY,K,H}D:结果{WY,WR,SV,EV,DT,IX,IY }S1加上S2后结果存放在D中30、8位BCD数据加法传输指令格式:[F43 DB+,S1,S2,D]功能:S1:加数{WX,WY,WR,SV,EV,DT,IX,IY,K,H} S2:被加数{WX,WY,WR,SV,EV,DT,IX,IY,K,H}D:结果{WY,WR,SV,EV,DT,IX,IY }S1加上S2后结果存放在D中格式:[F45 B-,S,D]功能:S:被减数{WX,WY,WR,SV,EV,DT,IX,IY,K,H} D:减数{WY,WR,SV,EV,DT,IX,IY }D减去S后结果存放在D中32、8位BCD数据减法指令格式:[F46 DB-,S,D]功能:S:被减数{WX,WY,WR,SV,EV,DT,IX,IY,K,H} D:减数{WY,WR,SV,EV,DT,IX,IY }D减去S后结果存放在D中33、4位BCD数据减法传输指令格式:[F47 B-,S1,S2,D]功能:S1:减数{WX,WY,WR,SV,EV,DT,IX,IY,K,H} S2:被减数{WX,WY,WR,SV,EV,DT,IX,IY,K,H}D:结果{WY,WR,SV,EV,DT,IX,IY }S1减去S2后结果存放在D中34、8位BCD数据减法传输指令格式:[F48 DB-,S1,S2,D]功能:S1:减数{WX,WY,WR,SV,EV,DT,IX,IY,K,H} S2:被减数{WX,WY,WR,SV,EV,DT,IX,IY,K,H}D:结果{WY,WR,SV,EV,DT,IX,IY }S1减去S2后结果存放在D中35、4位BCD数据乘法传输指令格式:[F50 B*,S1,S2,D]功能:S1:乘数{WX,WY,WR,SV,EV,DT,IX,IY,K,H} S2:被乘数{WX,WY,WR,SV,EV,DT,IX,IY,K,H}D:结果{WY,WR,SV,EV,DT,IX,IY }S1乘以S2后结果存放在D中36、8位BCD数据乘法传输指令格式:[F51DB*,S1,S2,D]功能:S1:乘数{WX,WY,WR,SV,EV,DT,IX,IY,K,H} S2:被乘数{WX,WY,WR,SV,EV,DT,IX,IY,K,H}D:结果{WY,WR,SV,EV,DT,IX,IY }S1乘以S2后结果存放在D中37、4位BCD数据除法传输指令格式:[F52 B%,S1,S2,D]功能:S1:除数{WX,WY,WR,SV,EV,DT,IX,IY,K,H} S2:被除数{WX,WY,WR,SV,EV,DT,IX,IY,K,H}D:结果{WY,WR,SV,EV,DT,IX,IY }S1除以S2后结果存放在D中38、8位BCD数据除法传输指令格式:[F53 DB%,S1,S2,D]功能:S1:乘数{WX,WY,WR,SV,EV,DT,IX,IY,K,H}S2:被乘数{WX,WY,WR,SV,EV,DT,IX,IY,K,H}D:结果{WY,WR,SV,EV,DT,IX,IY }S1乘以S2后结果存放在D中39、4位BCD加1指令格式:[F55B+1,D]功能:D:存放器{WY,WR,SV,EV,DT,IX,IY }D加1后储存在D中40、8位BCD加1指令格式:[F56 DB+1,D]功能:D:存放器{WY,WR,SV,EV,DT,IX,IY }D加1后储存在D中41、4位BCD减1指令格式:[F57 B-1,D]功能:D:存放器{WY,WR,SV,EV,DT,IX,IY }D减1后储存在D中42、8位BCD减1指令格式:[F58 DB-1,D]功能:D:存放器{WY,WR,SV,EV,DT,IX,IY }D减1后储存在D中43、16位数据比拟指令格式:[F60CMP,S1,S2]功能:S1:存放器{WX,WY,WR,SV,EV,DT,IX,IY,K,H}S2:存放器{WX,WY,WR,SV,EV,DT,IX,IY,K,H}用触电R900A表示“>〞用触电R900B表示“=〞用触点R900C表示“<〞注意:判断触电要紧跟着比拟指令F6044、32位数据比拟指令格式:[F61 DCMP,S1,S2]功能:S1:存放器{WX,WY,WR,SV,EV,DT,IX,IY,K,H}S2:存放器{WX,WY,WR,SV,EV,DT,IX,IY,K,H}用触电R900A表示“>〞用触电R900B表示“=〞用触点R900C表示“<〞注意:判断触电要紧跟着比拟指令F6045、16位数据区段比拟指令格式:[F62 WIN,S1,S2,S3]功能:S1:存放器{WX,WY,WR,SV,EV,DT,IX,IY,K,H}S2:存放器{WX,WY,WR,SV,EV,DT,IX,IY,K,H}S3:存放器{WX,WY,WR,SV,EV,DT,IX,IY,K,H}用触电R900A表示“>〞用触电R900B表示“=〞用触点R900C表示“<〞当S1>S3时R900A接通,S2<=S1<=S3时R900B接通,S1<S2时R900C接通注意:判断触电要紧跟着比拟指令F6046、32位数据区段比拟指令格式:[F63 DWIN,S1,S2,S3]功能:S1:存放器{WX,WY,WR,SV,EV,DT,IX,IY,K,H}S2:存放器{WX,WY,WR,SV,EV,DT,IX,IY,K,H}S3:存放器{WX,WY,WR,SV,EV,DT,IX,IY,K,H}用触电R900A表示“>〞用触电R900B表示“=〞用触点R900C表示“<〞当S1>S3时R900A接通,S2<=S1<=S3时R900B接通,S1<S2时R900C接通注意:判断触电要紧跟着比拟指令F6047、位数据块比拟指令格式:[F64BWIN,S1,S2,S3]功能:S1:存放器{WX,WY,WR,SV,EV,DT,IX,IY,K,H}S2:存放器{WX,WY,WR,SV,EV,DT,IX,IY,K,H}S3:存放器{WX,WY,WR,SV,EV,DT,IX,IY,K,H}用触电R900A表示“>〞用触电R900B表示“=〞用触点R900C表示“<〞当S1>S3时R900A接通,S2<=S1<=S3时R900B接通,S1<S2时R900C接通注意:判断触电要紧跟着比拟指令F6048、16位数据与运算指令格式:[F65 WAN,S1,S2,D]功能:S1:存放器{WX,WY,WR,SV,EV,DT,IX,IY,K,H}S2:存放器{WX,WY,WR,SV,EV,DT,IX,IY,K,H}D:存放器{WY,WR,SV,EV,DT,IX,IY }将S1和S2两个存放器的容安位相与后结果存在D中49、16位数据或运算指令格式:[F66 WOR,S1,S2,D]功能:S1:存放器{WX,WY,WR,SV,EV,DT,IX,IY,K,H}S2:存放器{WX,WY,WR,SV,EV,DT,IX,IY,K,H}D:存放器{WY,WR,SV,EV,DT,IX,IY }将S1和S2两个存放器的容安位相或后结果存在D中50、16位数据异或运算指令格式:[F67 XOR,S1,S2,D]功能:S1:存放器{WX,WY,WR,SV,EV,DT,IX,IY,K,H}S2:存放器{WX,WY,WR,SV,EV,DT,IX,IY,K,H}D:存放器{WY,WR,SV,EV,DT,IX,IY }将S1和S2两个存放器的容安位相异或后结果存在D中一样为0 不一样为 151、16位数据异或非运算指令格式:[F68 XNR,S1,S2,D]功能:S1:存放器{WX,WY,WR,SV,EV,DT,IX,IY,K,H}S2:存放器{WX,WY,WR,SV,EV,DT,IX,IY,K,H}D:存放器{WY,WR,SV,EV,DT,IX,IY }将S1和S2两个存放器的容安位相异或后结果存在D中一样为0 不一样为 152、区块检查计算指令格式:[F70 BCC,S1,S2,S3,D]功能:S1:存放器{WX,WY,WR,SV,EV,DT,IX,IY,K,H}S2:存放器{WX,WY,WR,SV,EV,DT }S3:存放器{WX,WY,WR,SV,EV,DT,IX,IY,K,H}D:存放器 {WY,WR,SV,EV,DT,IX }通过S1的设定〔K0:加,K1:减,K2:执行运算〕执行或运算,计算从数据存放器S2开场的12个字节的ASCⅡ码数据的区块检查码〔BCC〕,区块检查码〔BCC〕存储在数据存放器的低按字节53、十六进制数据转换为ASCⅡ码指令格式:[F71 HEXA,S1,S2,D]功能:S1:存放器{WX,WY,WR,SV,EV,DT}S2:存放器{WX,WY,WR,SV,EV,DT,IX,IY,K,H}D:存放器{WY,WR,SV,EV,DT,IX }54、ASCⅡ码转换为十六进制数据指令格式:[F72 AHEX,S1,S2,D]功能:S1:存放器{WX,WY,WR,SV,EV,DT }S2:存放器{WX,WY,WR,SV,EV,DT,IX,IY,K,H}D:存放器 {WY,WR,SV,EV,DT,IX }55、十六进制数据转换为ASCⅡ码指令格式:[F72 AHEX,S1,S2,D]功能:S1:存放器{WX,WY,WR,SV,EV,DT }S2:存放器{WX,WY,WR,SV,EV,DT,IX,IY,K,H}D:存放器 {WY,WR,SV,EV,DT,IX }56、BCD数据转换为ASCⅡ码指令格式:[F73BCDA,S1,S2,D]功能:S1:存放器{WX,WY,WR,SV,EV,DT }S2:存放器{WX,WY,WR,SV,EV,DT,IX,IY,K,H}D:存放器 {WY,WR,SV,EV,DT,IX }56、ASCⅡ码转换为BCD数据指令格式:[F74ABCD,S1,S2,D]功能:S1:存放器{WX,WY,WR,SV,EV,DT }S2:存放器{WX,WY,WR,SV,EV,DT,IX,IY,K,H}D:存放器 {WY,WR,SV,EV,DT,IX }57、16位数据转换为ASCⅡ码指令格式:[F75BINA,S1,S2,D]功能:S1:存放器{WX,WY,WR,SV,EV,DT }S2:存放器{WX,WY,WR,SV,EV,DT,IX,IY,K,H}D:存放器 {WY,WR,SV,EV,DT,IX }58、ASCⅡ码转换为16位数据指令格式:[F76ABIN,S1,S2,D]功能:S1:存放器{WX,WY,WR,SV,EV,DT }S2:存放器{WX,WY,WR,SV,EV,DT,IX,IY,K,H}D:存放器 {WY,WR,SV,EV,DT,IX }59、32位数据转换为ASCⅡ码指令格式:[F77DBINA,S1,S2,D]功能:S1:存放器{WX,WY,WR,SV,EV,DT }S2:存放器{WX,WY,WR,SV,EV,DT,IX,IY,K,H}D:存放器 {WY,WR,SV,EV,DT,IX }60、ASCⅡ码转换为32位数据指令格式:[F78DABIN,S1,S2,D]功能:S1:存放器{WX,WY,WR,SV,EV,DT }S2:存放器{WX,WY,WR,SV,EV,DT,IX,IY,K,H}D:存放器 {WY,WR,SV,EV,DT,IX }61、16位二进制数据转换为4位BCD码指令格式:[F80BCD,S,D]功能:S:存放器{WX,WY,WR,SV,EV,DT,IX,IY,K,H} D:存放器 {WY,WR,SV,EV,DT,IX ,IY }将S中的容转换为4位BCD码62、4位BCD码转换为16位二进制数据指令格式:[F81 BIN,S,D]功能:S:存放器{WX,WY,WR,SV,EV,DT,IX,IY,K,H} D:存放器 {WY,WR,SV,EV,DT,IX ,IY }将S中的容转换为16位二进制数据63、32位数据转换为8位BCD码指令格式:[F82DBCD,S,D]功能:S:存放器{WX,WY,WR,SV,EV,DT,IX,IY,K,H} D:存放器 {WY,WR,SV,EV,DT,IX ,IY }将S中的容转换为8位BCD码64、4位BCD码转换为32位二进制数据指令格式:[F83DBIN,S,D]功能:S:存放器{WX,WY,WR,SV,EV,DT,IX,IY,K,H} D:存放器 {WY,WR,SV,EV,DT,IX ,IY }将S中的容转换为32位二进制数据65、16位数据求反指令格式:[F84INV,D]功能:D:存放器{ WY,WR,SV,EV,DT,IX,IY }将D中的容求反后存放到D中65、16位数据求补指令格式:[F85NEG,D]功能:D:存放器{ WY,WR,SV,EV,DT,IX,IY }将D中的容求补后存放到D中66、32位数据求补指令格式:[F86NEG,D]功能:D:存放器{ WY,WR,SV,EV,DT,IX,IY }将D中的容求补后存放到D中67、16位数据绝对值指令格式:[F87ABS,D]功能:D:存放器{ WY,WR,SV,EV,DT,IX,IY }将D中的容求绝对值后存放到D中68、32位数据绝对值指令格式:[F88DABS,D]功能:D:存放器{ WY,WR,SV,EV,DT,IX,IY }将D中的容求绝对值后存放到D中69、16位数据符号位扩展指令格式:[F89EXT,D]功能:D:存放器{ WY,WR,SV,EV,DT,IX }将D中的16位数据扩展为32位,存放在D和D+1中70、数据解码指令格式:[F90DECO,S,n,D]功能:S:存放器{WX,WY,WR,SV,EV,DT,IX,IY,K,H} n:存放器{WX,WY,WR,SV,EV,DT,IX,IY,K,H}D:存放器 {WY,WR,SV,EV,DT,IX ,IY }例:n=H302,3代表开场解码的数据位,2代表解码的位数。
松下PLC指令松下plc指令1、16位数据传输指令格式:[F0 MV,S,D]功能:S:是源区操作数{WX,WY,WR,SV,EV,DT,IX,IY,K,H}D:是目的区{WY,WR,SV,EV,DT,IX,IY }16位的S→16位的D2、32位数据传输指令格式:[F1 DMV,S,D]功能:S:是源区的操作数{WX,WY,WR,SV,EV,DT,IX,K,H}D:是目的区{WY,WR,SV,EV,DT,IX }32位的S→32位的D3、16位数据求反传输指令格式:[F2 MV/,S,D]功能:S:源区操作数{WX,WY,WR,SV,EV,DT,IX,IY,K,H}D:目标区{WY,WR,SV,EV,DT,IX,IY }16位的S→16位的D4、32位数据求反传输指令格式:[F3 DMV/,S,D]功能:S:源区操作数{WX,WY,WR,SV,EV,DT,IX,K,H}D:目标区{WY,WR,SV,EV,DT,IX }32位的S→32位的D5、16位数据一位传输指令格式:[F5 BTM,S,n,D]功能:S:是源区操作数{WX,WY,WR,SV,EV,DT,IX,IY,K,H}D:是目标区{ WY,WR,SV,EV,DT,IX,IY,K,H}n=H408中,4是目的区(S)地址8是源区(D)地址6、16位数据按位传输指令格式:[F6 DGT,S,n,D]功能:S:是源区操作数{WX,WY,WR,SV,EV,DT,IX,IY,K,H}D:是目标区{ WY,WR,SV,EV,DT,IX,IY,K,H}n=H418中,4是目的区(S)地址1是位数,0代表4位,1代表8位8是源区(D)地址7、数据块传输指令格式:[F10 BKMV,S1,S2,D]功能:S1:是源区首地址{WX,WY,WR,SV,EV,DT }S2:是源区末地址{WX,WY,WR,SV,EV,DT }D:目的区首地址{ WY,WR,SV,EV,DT }把S1到S2内的所有数据传输到以D为首地址的寄存器8、数据复制指令格式:[F11 COPY,S,D1,D2]功能:S:源区操作数{WX,WY,WR,SV,EV,DT,IX,IY,K,H}D1:目标区首地址{ WY,WR,SV,EV,DT }D2:目标区末地址{ WY,WR,SV,EV,DT }将操作数S复制到D1到D2的寄存器9、16位数据交换指令格式:[F15 XCH,D1,D2]功能:D1:源区操作数{WX,WY,WR,SV,EV,DT,IX,K,H}D2:目标区操作数{ WY,WR,SV,EV,DT,IX }将D1和D2两个操作数对换10、32位数据交换指令格式:[F16 DXCH,D1,D2]功能:D1:源区操作数{WX,WY,WR,SV,EV,DT,IX,K,H}D2:目标区操作数{ WY,WR,SV,EV,DT,IX }将D1和D2两个操作数对换11、16位数据中的高/低字节交换指令格式:[F17 SWAP,D]功能:D:源区操作数{ WY,WR,SV,EV,DT,IX,IY}将D1和D2两个操作数对换12、16位数据加法指令格式:[F20 +,S,D]功能:S:加数{WX,WY,WR,SV,EV,DT,IX,IY,K,H}D:被加数{WY,WR,SV,EV,DT,IX,IY }将S和D两个操作数相加后结果存在D 中13、32位数据加法指令格式:[F21 D+,S,D]功能:S:加数{WX,WY,WR,SV,EV,DT,IX,IY,K,H}D:被加数{WY,WR,SV,EV,DT,IX,IY }将S和D两个操作数相加后结果存在D 中13、32位数据加法传输指令格式:[F22 +,S1,S2,D]功能:S1:加数{WX,WY,WR,SV,EV,DT,IX,IY,K,H}S1:加数{WX,WY,WR,SV,EV,DT,IX,IY,K,H}D:被加数{WY,WR,SV,EV,DT,IX,IY }将S1和S2两个操作数相加后结果存在D中14、32位数据加法传输指令格式:[F23 D+,S1,S2,D]功能:S1:加数{WX,WY,WR,SV,EV,DT,IX,IY,K,H}S1:加数{WX,WY,WR,SV,EV,DT,IX,IY,K,H}D:被加数{WY,WR,SV,EV,DT,IX,IY }将S1和S2两个操作数相加后结果存在D中15、16位数据减法指令格式:[F25 -,S,D]功能:S:被减数{WX,WY,WR,SV,EV,DT,IX,IY,K,H}D:减数{WY,WR,SV,EV,DT,IX,IY }D减S后结果存放在D中16、16位数据减法指令格式:[F26 -,S,D]功能:S:被减数{WX,WY,WR,SV,EV,DT,IX,IY,K,H}D:减数{WY,WR,SV,EV,DT,IX,IY }D减S后结果存放在D中17、16位数据减法传输指令格式:[F27 -,S1,S2,D]功能:S1:减数{WX,WY,WR,SV,EV,DT,IX,IY,K,H}S2:被减数{WX,WY,WR,SV,EV,DT,IX,IY,K,H}D:结果{WY,WR,SV,EV,DT,IX,IY }S1减S2后结果存放在D中18、32位数据减法传输指令格式:[F28 -,S1,S2,D]功能:S1:减数{WX,WY,WR,SV,EV,DT,IX,IY,K,H}S2:被减数{WX,WY,WR,SV,EV,DT,IX,IY,K,H}D:结果{WY,WR,SV,EV,DT,IX,IY }S1减S2后结果存放在D中19、16位数据乘法传输指令格式:[F30 *,S1,S2,D]功能:S1:乘数{WX,WY,WR,SV,EV,DT,IX,IY,K,H}S2:被乘数{WX,WY,WR,SV,EV,DT,IX,IY,K,H}D:结果(32位){WY,WR,SV,EV,DT,IX,IY }S1乘以S2后结果存放在D中20、32位数据乘法传输指令格式:[F31 D*,S1,S2,D]功能:S1:乘数{WX,WY,WR,SV,EV,DT,IX,IY,K,H}S2:被乘数{WX,WY,WR,SV,EV,DT,IX,IY,K,H}D:结果(64位){WY,WR,SV,EV,DT,IX,IY }S1乘以S2后结果存放在D中21、16位数据除法传输指令格式:[F32 %,S1,S2,D]功能:S1:除数{WX,WY,WR,SV,EV,DT,IX,IY,K,H}S2:被除数{WX,WY,WR,SV,EV,DT,IX,IY,K,H}D:商{WY,WR,SV,EV,DT,IX,IY }S1除以S2后商存放在D中,余数放到DT9015中22、32位数据除法传输指令格式:[F33 D%,S1,S2,D]功能:S1:除数{WX,WY,WR,SV,EV,DT,IX,IY,K,H}S2:被除数{WX,WY,WR,SV,EV,DT,IX,IY,K,H}D:商{WY,WR,SV,EV,DT,IX,IY }S1除以S2后商存放在D中,余数放到DT9016 DT9015(低位)中23、16位数据加1指令格式:[F35 +1,D]功能:D:寄存器{WY,WR,SV,EV,DT,IX,IY }D加1→D24、32位数据加1指令格式:[F36 D+1,D]功能:D:寄存器{WY,WR,SV,EV,DT,IX,IY }D加1→D25、16位数据减1指令格式:[F37 -1,D]功能:D:寄存器{WY,WR,SV,EV,DT,IX,IY }D减1→D26、32位数据减1指令格式:[F38 D-1,D]功能:D:寄存器{WY,WR,SV,EV,DT,IX,IY }D减1→D27、4位BCD数据加法指令格式:[F40 B+,S,D]功能:S:被加数{WX,WY,WR,SV,EV,DT,IX,IY,K,H}D:加数{WY,WR,SV,EV,DT,IX,IY }D加上S后结果存放在D中28、8位BCD数据加法指令格式:[F41 DB+,S,D]功能:S:被加数{WX,WY,WR,SV,EV,DT,IX,IY,K,H}D:加数{WY,WR,SV,EV,DT,IX,IY }D加上S后结果存放在D中29、4位BCD数据加法传输指令格式:[F42 B+,S1,S2,D]功能:S1:加数{WX,WY,WR,SV,EV,DT,IX,IY,K,H}S2:被加数{WX,WY,WR,SV,EV,DT,IX,IY,K,H}D:结果{WY,WR,SV,EV,DT,IX,IY }S1加上S2后结果存放在D中30、8位BCD数据加法传输指令格式:[F43 DB+,S1,S2,D]功能:S1:加数{WX,WY,WR,SV,EV,DT,IX,IY,K,H}S2:被加数{WX,WY,WR,SV,EV,DT,IX,IY,K,H}D:结果{WY,WR,SV,EV,DT,IX,IY }S1加上S2后结果存放在D中31、4位BCD数据减法指令格式:[F45 B-,S,D]功能:S:被减数{WX,WY,WR,SV,EV,DT,IX,IY,K,H}D:减数{WY,WR,SV,EV,DT,IX,IY }D减去S后结果存放在D中32、8位BCD数据减法指令格式:[F46 DB-,S,D]功能:S:被减数{WX,WY,WR,SV,EV,DT,IX,IY,K,H}D:减数{WY,WR,SV,EV,DT,IX,IY }D减去S后结果存放在D中33、4位BCD数据减法传输指令格式:[F47 B-,S1,S2,D]功能:S1:减数{WX,WY,WR,SV,EV,DT,IX,IY,K,H}S2:被减数{WX,WY,WR,SV,EV,DT,IX,IY,K,H}D:结果{WY,WR,SV,EV,DT,IX,IY }S1减去S2后结果存放在D中34、8位BCD数据减法传输指令格式:[F48 DB-,S1,S2,D]功能:S1:减数{WX,WY,WR,SV,EV,DT,IX,IY,K,H}S2:被减数{WX,WY,WR,SV,EV,DT,IX,IY,K,H}D:结果{WY,WR,SV,EV,DT,IX,IY }S1减去S2后结果存放在D中35、4位BCD数据乘法传输指令格式:[F50 B*,S1,S2,D]功能:S1:乘数{WX,WY,WR,SV,EV,DT,IX,IY,K,H}S2:被乘数{WX,WY,WR,SV,EV,DT,IX,IY,K,H}D:结果{WY,WR,SV,EV,DT,IX,IY }S1乘以S2后结果存放在D中36、8位BCD数据乘法传输指令格式:[F51 DB*,S1,S2,D]功能:S1:乘数{WX,WY,WR,SV,EV,DT,IX,IY,K,H}S2:被乘数{WX,WY,WR,SV,EV,DT,IX,IY,K,H}D:结果{WY,WR,SV,EV,DT,IX,IY }S1乘以S2后结果存放在D中37、4位BCD数据除法传输指令格式:[F52 B%,S1,S2,D]功能:S1:除数{WX,WY,WR,SV,EV,DT,IX,IY,K,H}S2:被除数{WX,WY,WR,SV,EV,DT,IX,IY,K,H}D:结果{WY,WR,SV,EV,DT,IX,IY }S1除以S2后结果存放在D中38、8位BCD数据除法传输指令格式:[F53 DB%,S1,S2,D]功能:S1:乘数{WX,WY,WR,SV,EV,DT,IX,IY,K,H}S2:被乘数{WX,WY,WR,SV,EV,DT,IX,IY,K,H}D:结果{WY,WR,SV,EV,DT,IX,IY }S1乘以S2后结果存放在D中39、4位BCD加1指令格式:[F55 B+1,D]功能:D:寄存器{WY,WR,SV,EV,DT,IX,IY }D加1后储存在D中40、8位BCD加1指令格式:[F56 DB+1,D]功能:D:寄存器{WY,WR,SV,EV,DT,IX,IY }D加1后储存在D中41、4位BCD减1指令格式:[F57 B-1,D]功能:D:寄存器{WY,WR,SV,EV,DT,IX,IY }D减1后储存在D中42、8位BCD减1指令格式:[F58 DB-1,D]功能:D:寄存器{WY,WR,SV,EV,DT,IX,IY }D减1后储存在D中43、16位数据比较指令格式:[F60 CMP,S1,S2]功能:S1:寄存器{WX,WY,WR,SV,EV,DT,IX,IY,K,H}S2:寄存器{WX,WY,WR,SV,EV,DT,IX,IY,K,H}用触电R900A表示“>”用触电R900B 表示“=”用触点R900C表示“<”44、32位数据比较指令格式:[F61 DCMP,S1,S2]功能:S1:寄存器{WX,WY,WR,SV,EV,DT,IX,IY,K,H}S2:寄存器{WX,WY,WR,SV,EV,DT,IX,IY,K,H}用触电R900A表示“>”用触电R900B 表示“=”用触点R900C表示“<”注意:判断触电要紧跟着比较指令F60 45、16位数据区段比较指令格式:[F62 WIN,S1,S2,S3]功能:S1:寄存器{WX,WY,WR,SV,EV,DT,IX,IY,K,H}S2:寄存器{WX,WY,WR,SV,EV,DT,IX,IY,K,H}S3:寄存器{WX,WY,WR,SV,EV,DT,IX,IY,K,H}用触电R900A表示“>”用触电R900B 表示“=”用触点R900C表示“<”当S1>S3时R900A接通,S2<=S1<=S3时R900B接通,S1<S2时R900C接通46、32位数据区段比较指令格式:[F63 DWIN,S1,S2,S3]功能:S1:寄存器{WX,WY,WR,SV,EV,DT,IX,IY,K,H}S2:寄存器{WX,WY,WR,SV,EV,DT,IX,IY,K,H}S3:寄存器{WX,WY,WR,SV,EV,DT,IX,IY,K,H}用触电R900A表示“>”用触电R900B 表示“=”用触点R900C表示“<”当S1>S3时R900A接通,S2<=S1<=S3时R900B接通,S1<S2时R900C接通注意:判断触电要紧跟着比较指令F60 47、位数据块比较指令格式:[F64 BWIN,S1,S2,S3]功能:S1:寄存器{WX,WY,WR,SV,EV,DT,IX,IY,K,H}S2:寄存器{WX,WY,WR,SV,EV,DT,IX,IY,K,H}S3:寄存器{WX,WY,WR,SV,EV,DT,IX,IY,K,H}用触电R900A表示“>”用触电R900B 表示“=”用触点R900C表示“<”当S1>S3时R900A接通,S2<=S1<=S3时R900B接通,S1<S2时R900C接通注意:判断触电要紧跟着比较指令F60 48、16位数据与运算指令格式:[F65 WAN,S1,S2,D]功能:S1:寄存器{WX,WY,WR,SV,EV,DT,IX,IY,K,H}S2:寄存器{WX,WY,WR,SV,EV,DT,IX,IY,K,H}D:寄存器{WY,WR,SV,EV,DT,IX,IY }将S1和S2两个寄存器的内容安位相与后结果存在D中49、16位数据或运算指令格式:[F66 WOR,S1,S2,D]功能:S1:寄存器{WX,WY,WR,SV,EV,DT,IX,IY,K,H}S2:寄存器{WX,WY,WR,SV,EV,DT,IX,IY,K,H}D:寄存器{WY,WR,SV,EV,DT,IX,IY }将S1和S2两个寄存器的内容安位相或后结果存在D中50、16位数据异或运算指令格式:[F67 XOR,S1,S2,D]功能:S1:寄存器{WX,WY,WR,SV,EV,DT,IX,IY,K,H}S2:寄存器{WX,WY,WR,SV,EV,DT,IX,IY,K,H}D:寄存器{WY,WR,SV,EV,DT,IX,IY }将S1和S2两个寄存器的内容安位相异或后结果存在D中相同为0 不相同为151、16位数据异或非运算指令格式:[F68 XNR,S1,S2,D]功能:S1:寄存器{WX,WY,WR,SV,EV,DT,IX,IY,K,H}S2:寄存器{WX,WY,WR,SV,EV,DT,IX,IY,K,H}D:寄存器{WY,WR,SV,EV,DT,IX,IY }将S1和S2两个寄存器的内容安位相异或后结果存在D中相同为0 不相同为152、区块检查计算指令格式:[F70 BCC,S1,S2,S3,D]功能:S1:寄存器{WX,WY,WR,SV,EV,DT,IX,IY,K,H}S2:寄存器{WX,WY,WR,SV,EV,DT }S3:寄存器{WX,WY,WR,SV,EV,DT,IX,IY,K,H}D:寄存器{WY,WR,SV,EV,DT,IX }通过S1的设定(K0:加,K1:减,K2:执行运算)执行或运算,计算从数据寄存器S2开始的12个字节的ASCⅡ码数据的区块检查码(BCC),区块检查码(BCC)存储在数据寄存器的低按字节53、十六进制数据转换为AS CⅡ码指令格式:[F71 HEXA,S1,S2,D]功能:S1:寄存器{WX,WY,WR,SV,EV,DT }S2:寄存器{WX,WY,WR,SV,EV,DT,IX,IY,K,H}D:寄存器{WY,WR,SV,EV,DT,IX }54、AS CⅡ码转换为十六进制数据指令格式:[F72 AHEX,S1,S2,D]功能:S1:寄存器{WX,WY,WR,SV,EV,DT }S2:寄存器{WX,WY,WR,SV,EV,DT,IX,IY,K,H}D:寄存器{WY,WR,SV,EV,DT,IX }55、十六进制数据转换为AS CⅡ码指令格式:[F72 AHEX,S1,S2,D]功能:S1:寄存器{WX,WY,WR,SV,EV,DT }S2:寄存器{WX,WY,WR,SV,EV,DT,IX,IY,K,H}D:寄存器{WY,WR,SV,EV,DT,IX }56、BCD数据转换为AS CⅡ码指令格式:[F73 BCDA,S1,S2,D]功能:S1:寄存器{WX,WY,WR,SV,EV,DT }S2:寄存器{WX,WY,WR,SV,EV,DT,IX,IY,K,H}D:寄存器{WY,WR,SV,EV,DT,IX }56、AS CⅡ码转换为BCD数据指令格式:[F74 ABCD,S1,S2,D]功能:S1:寄存器{WX,WY,WR,SV,EV,DT }S2:寄存器{WX,WY,WR,SV,EV,DT,IX,IY,K,H}D:寄存器{WY,WR,SV,EV,DT,IX }57、16位数据转换为AS CⅡ码指令格式:[F75 BINA,S1,S2,D]功能:S1:寄存器{WX,WY,WR,SV,EV,DT }S2:寄存器{WX,WY,WR,SV,EV,DT,IX,IY,K,H}D:寄存器{WY,WR,SV,EV,DT,IX }58、AS CⅡ码转换为16位数据指令格式:[F76 ABIN,S1,S2,D]功能:S1:寄存器{WX,WY,WR,SV,EV,DT }S2:寄存器{WX,WY,WR,SV,EV,DT,IX,IY,K,H}D:寄存器{WY,WR,SV,EV,DT,IX }59、32位数据转换为AS CⅡ码指令格式:[F77 DBINA,S1,S2,D]功能:S1:寄存器{WX,WY,WR,SV,EV,DT }S2:寄存器{WX,WY,WR,SV,EV,DT,IX,IY,K,H}D:寄存器{WY,WR,SV,EV,DT,IX }60、AS CⅡ码转换为32位数据指令格式:[F78 DABIN,S1,S2,D]功能:S1:寄存器{WX,WY,WR,SV,EV,DT }S2:寄存器{WX,WY,WR,SV,EV,DT,IX,IY,K,H}D:寄存器{WY,WR,SV,EV,DT,IX }61、16位二进制数据转换为4位BCD码指令格式:[F80 BCD,S,D]功能:S:寄存器{WX,WY,WR,SV,EV,DT,IX,IY,K,H}D:寄存器{WY,WR,SV,EV,DT,IX ,IY }将S中的内容转换为4位BCD码62、4位BCD码转换为16位二进制数据指令格式:[F81 BIN,S,D]功能:S:寄存器{WX,WY,WR,SV,EV,DT,IX,IY,K,H}D:寄存器{WY,WR,SV,EV,DT,IX ,IY }将S中的内容转换为16位二进制数据63、32位数据转换为8位BCD码指令格式:[F82 DBCD,S,D]功能:S:寄存器{WX,WY,WR,SV,EV,DT,IX,IY,K,H}D:寄存器{WY,WR,SV,EV,DT,IX ,IY }将S中的内容转换为8位BCD码64、4位BCD码转换为32位二进制数据指令格式:[F83 DBIN,S,D]功能:S:寄存器{WX,WY,WR,SV,EV,DT,IX,IY,K,H}D:寄存器{WY,WR,SV,EV,DT,IX ,IY }将S中的内容转换为32位二进制数据65、16位数据求反指令格式:[F84 INV,D]功能:D:寄存器{ WY,WR,SV,EV,DT,IX,IY }将D中的内容求反后存放到D中65、16位数据求补指令格式:[F85 NEG,D]功能:D:寄存器{ WY,WR,SV,EV,DT,IX,IY }将D中的内容求补后存放到D中66、32位数据求补指令格式:[F86 NEG,D]功能:D:寄存器{ WY,WR,SV,EV,DT,IX,IY }将D中的内容求补后存放到D中67、16位数据绝对值指令格式:[F87 ABS,D]功能:D:寄存器{ WY,WR,SV,EV,DT,IX,IY }将D中的内容求绝对值后存放到D中68、32位数据绝对值指令格式:[F88 DABS,D]功能:D:寄存器{ WY,WR,SV,EV,DT,IX,IY }将D中的内容求绝对值后存放到D中69、16位数据符号位扩展指令格式:[F89 EXT,D]功能:D:寄存器{ WY,WR,SV,EV,DT,IX }将D中的16位数据扩展为32位,存放在D和D+1中70、数据解码指令格式:[F90 DECO,S,n,D]功能:S:寄存器{WX,WY,WR,SV,EV,DT,IX,IY,K,H}n:寄存器{WX,WY,WR,SV,EV,DT,IX,IY,K,H}D:寄存器{WY,WR,SV,EV,DT,IX ,IY }例:n=H302,3代表开始解码的数据位,2代表解码的位数。
第六章松下电工PLC编程工具及三维力控监控组态软件简介第一节松下电工PLC编程工具简介FP1系列PLC的编程手段有两种:1.利用相应配套编程软件在个人计算机上进行。
2.使用FP手持编程器。
松下电工PLC编程软件1.概述日本松下电工公司开发的PLC编程软件有三种:①DOS环境下使用的NPST-GR②Windows环境下FPSOFT③Windows环境下FPWIN-GR●NPST-GR采用的是典型的DOS界面。
具有中、英文两种版本。
因NPST-GR开发的比较早,对近几年生产的FPO、FP2等系列PLC不支持。
●FPWIN-GR软件采用的是典型的Windows界面。
具有中、英文两种版本。
由于FPWIN-GR是新近开发出来的软件,其各项功能更趋合理、使用更加方便。
●FPSOFT软件是早期开发的,它的出现开创了Windows环境的PLC编程软件的先河。
但由于它开发得较早,虽大部分功能与上述FPWIN-GR相似,但有些功能不如FPWIN-GR那样完善。
(1) 2.FPWIN-GR 软件(汉化1.1版本)认识FPWIN -GRFPWIN-GR界面各部分名称及分布:输入段栏功能键栏在编写程序时:①用鼠标点击“功能键栏”实现指令输入。
②用功能键“F1”~“F12”与“SHIFT” 的组合实现指令输入。
③用功能键“F1”~“F12”与“CTRL”的组合实现指令输入。
各个按钮左下角的数字表示所对应的功能键号。
第1段、第2段中分布的是主要指令的快捷键。
第1段的操作只需按功能键即为有效。
第2段的操作需同时按Shift + 功能键有效。
第3段中分布的是功能的快捷键。
第3段的操作需同时按Ctrl + 功能键有效。
显示当前正在输入的回路。
通过单击输入栏中的[Enter]或按键盘中的[Enter]键确认输入内容。
在功能键栏中输入[F1]、[F2]、[F4]、[F8]或[SHIFT]+[F1]([F2]、[F8])时,将显示触点线圈的基本指令如下图:X:输入外部输入Y:输入外部输出R:输入内部继电器L:链接继电器P:脉冲继电器T:定时器触点C:输入计数器触点E:输入错误警告继电器比较:输入数据比较指令NOT/:将到光标位置为止的运算结果反转INDEX:输入索引修饰№清除:清除输入区段中的设备编号↑↓:用于上升沿检出/下降沿检出的图形符号。
产业机器人操作说明书基本操作型号No.YA-1 NA 系列VR Ⅱ系列GⅡ控制器内容1. 结构2. 如何使用示教盒3. 工作时得到的协助 (帮助)4. 示教模式操作 (示教)5. AUTO 模式6. 查看7. 有用的文件编辑功能 8. 错误和警报 9. 图标 10. 次序指令目录使用本产品之前,请仔细阅读本手册并保存本手册以备以后使用。
OM0105045E00(0105045)0108Panasonic机器人VRⅡ系列的"操作手册"系统 名字 描述和备注 用法安全手册 Panasonic机器人是在使用者遵守本手册内容的前提上被设计和制造的。
使用者在使用本列表中其他手册前一定要首先阅读并了解本手册的内容。
本手册解释了与工业机器人相关的基本法律和规则以及在逐步进行安装,维护和修理时的安全规程。
本文件用于机器人安装时的培训程序以及对所有机器人操作人员定期的安全操作培训。
机器人系统操作手册文件解释了标准机器人系统的配置和安装,例如通常的CO2焊接机器人系统。
本文件用于了解机器人系统的配置和安装中通常的系统连接。
机器人本体操作手册本文件解释了机器人本体的运输,安装,连接,初始设定,维护和修理。
文件的内容被限制在设备的硬件。
本文件供从事安装及维护的人员使用。
机器人控制器操作手册本文件解释了机器人控制器的运输,安装,连接,初始设定,维护和修理。
本文件的内容仅限于设备的硬件。
注意)机器人安装时软件的初始设定见"操作手册,高级操作"。
本文件供从事安装及维护的人员使用。
可选设备操作手册本文件解释GⅡ系列可选设备的安装,连接和修理。
本文件的内容仅限于设备的硬件。
注意)机器人安装时软件的初始设定见"操作手册高级操作"。
本文件用于可选设备。
本文件供从事安装及维护的人员使用。
操作手册基本操作本文件针对首次操作 Panasonic GⅡ机器人的操作人员。
本文件解释了基本的机器人功能和基本的机器人焊接操作。
上海信之杰工程部
松下KX-TA30 简明操作表
1.打电话:a.打内线:提机→拔分机号码
b.打外线:提机→拔 9 + 电话号码
2.重拔电话:提机→拔 # # (自动重拔)→通话
3.转接电话:(您正在通话中并希望将这个通话转给另一方)
通话中→按R键(或拍叉簧)→拔另一方分机号码→挂机
4.代接电话:(当其他分机振铃没人接听时)提机→拔 40 →接听
5.多方通话:(您正在通话并希望第三方加入通话中,最多5方通话)
通话中→按R键(或拍叉簧)→拔第三方电话号码→拔R 键 + 3 →通话
6.呼叫保留:(该功能帮您把接通的电话暂时保留在系统内)
设置:(您在通话)按R键(或拍叉簧)→挂机或接听第二的呼叫
恢复:提机→按R键(或拍叉簧)→恢复刚才保留的电话
7.振铃转移:设置:提机→拨71 + (0-3)选择码→目标电话号码→ # →挂机
选择码注明:取消转移(0)全部转移(1)忙或无应答转移(2)转移至外线(3)8.预占外线:(如果外线繁忙时,可以使用呼叫预占功能,当外线空闭时系统会自动帮您占用)
拔9想用外线→遇忙→拨 6 键(忙音停止)→挂机
当外线空闭时您的分机会响铃→提机(会听到外线拨号音)直线拔电话号码
9.随身密码:(当您有随身密码时,即可使用该密码在任何分机拨打电话)
提机→拨 7 * + ****(4位密码)+ 分机号码→拨9 + 电话号码
10.电话加锁:
上锁:提机→拨 77 + **** + ****(4位确认密码)→ # 确认音后挂机
开锁:提机→拨 77 + ****(4位密码)→ # 确认音后挂机
电话:021-******** 。
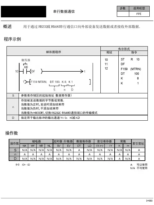
高级指令一览表( F0 MV :16bit数据传输F1 DMV :32bit数据传输F2 MV/ :16bit数据求反传输F3 DMV/ :32bit数据求反传输F4 GETS :读取指定插槽的起始字No.F5 BTM :bit数据传输F6 DGT :digit数据传输F7 MV2 :2个16bit数据一并传输F8 DMV2 :2个32bit数据一并传输F10 BKMV :块传输F11 COPY :块复制F12 ICRD :读取IC存储卡、扩展存储器 / 读取F-ROMF13 ICWT :写入IC存储卡、扩展存储器 / 写入F-ROMF14 PGRD :读取IC存储卡程序F15 XCH :16bit数据交换F16 DXCH :32bit数据交换F17 SWAP :16bit数据高·低字节互换F18 BXCH :块交换F19 SJP :间接跳转F20 + :16bit加法F21 D+ :32bit加法F22 + :16bit加法F23 D+ :32bit加法F25 - :16bit减法F26 D- :32bit减法F27 - :16bit减法F28 D- :32bit减法F30 * :16bit乘法F31 D* :32bit乘法F32 % :16bit除法F33 D% :32bit除法F34 *W :16bit乘法(结果16bit)F35 +1 :16bit数据增1F36 D+1 :32bit数据增1F37 -1 :16bit数据减1F38 D-1 :32bit数据减1F39 D*D :32bit乘法(结果32bit)F40 B+ :4位BCD加法F41 DB+ :8位BCD加法F42 B+ :4位BCD加法F43 DB+ :8位BCD加法F45 B- :4位BCD减法F46 DB- :8位BCD减法F47 B- :4位BCD减法F48 DB- :8位BCD减法F50 B* :4位BCD乘法F51 DB* :8位BCD乘法F52 B% :4位BCD除法F53 DB% :8位BCD除法F55 B+1 :4位BCD数据增1F56 DB+1 :8位BCD数据增1F57 B- :4位BCD数据减1F58 DB-1 :8位BCD数据减1F60 CMP :16bit数据比较F61 DCMP :32bit数据比较F62 WIN :16bit数据区段比较F63 DWIN :32bit数据区段比较F64 BCMP :数据块比较F65 WAN :16bit数据逻辑与F66 WOR :16bit数据逻辑或F67 XOR :16bit数据逻辑异或F68 XNR :16bit数据逻辑异或非F69 WUNI :字结合F70 BCC :区块检查码(BCC)计算F71 HEXA :HEX→16进制ASCII转换F72 AHEX :16进制ASCII→HEX转换F73 BCDA :4位BCD→10进制ASCII转换F74 ABCD :10进制ASCII→4位BCD转换F75 BINA :16位BIN→10进制ASCII转换F76 ABIN :10进制ASCII→16位BIN转换F77 DBIA :32位BIN→10进制ASCII转换F78 DABI :10进制ASCII→32位BIN转换F80 BCD :16bitBIN→4位BCD转换F81 BIN :4位BCD→16bitBIN转换F82 DBCD :32bitBIN→8位BCD转换F83 DBIN :8位BCD→32bitBIN转换F84 INV :16bit数据求反F85 NEG :16bit数据求补F86 DNEG :32bit数据求补F87 ABS :16bit数据取绝对值F88 DABS :32bit数据取绝对值F89 EXT :带符号位扩展F90 DECO :数据解码F91 SEGT :7段码解码F92 ENCO :数据编码F93 UNIT :16bit数据组合F94 DIST :16bit数据分离F95 ASC :ASCII码转换F96 SRC :16bit数据查找F97 DSRC :32bit数据查找F98 CMPR :压缩移位读取F99 CMPW :压缩移位写入F100 SHR :16bit数据右移n bitF101 SHL :16bit数据左移n bitF102 DSHR :32bit数据右移n bitF103 DSHL :32bit数据左移n bitF105 BSR :1digit(4bit)右移F106 BSL :1digit(4bit)左移F108 BITR :n bit部分一并右移F109 BITL :n bit部分一并左移F110 WSHR :字单位一并右移F111 WSHL :字单位一并左移F112 WBSR :digit(4bit)单位一并右移F113 WBSL :digit(4bit)单位一并左移F115 FIFT :缓冲区定义F116 FIFR :从缓冲区读取最早的数据F117 FIFW :写入缓冲区F118 UDC :加/减计数器F119 LRSR :左右移位寄存器F120 ROR :16bit数据循环右移F121 ROL :16bit数据循环左移F122 RCR :16bit数据循环右移(带进位位) F123 RCL :16bit数据循环左移(带进位位) F125 DROR :32bit数据循环右移F126 DROL :32bit数据循环左移F127 DRCR :32bit数据循环右移(带进位位) F128 DRCL :32bit数据循环左移(带进位位) F130 BTS :16bit数据位置位F131 BTR :16bit数据位复位F132 BTI :16bit数据位求反F133 BTT :16bit数据位测试F135 BCU :16bit数据中1的总个数F136 DBCU :32bit数据中1的总个数F137 STMR :辅助定时器(16bit)F138 HMSS : 时、分、秒→秒数据转换F139 SHMS :秒数据转换为时/分/秒数据F140 STC :进位标志置位F141 CLC :进位标志复位F142 WDT :看门狗定时器刷新F143 IORF :部分I/O刷新F144 TRNS :串行数据通讯F145 SEND :数据发送F146 RECV :数据接收F147 PR :并行打印输出览表(编号顺序)F148 ERR :自诊断错误设置F149 MSG :显示信息F150 READ :读取数据F151 WRT :写入数据F152 RMRD :读取远程子站数据F153 RMWT :写入远程子站数据F155 SMPL :采样F156 STRG :采样触发器F157 CADD :时间加法F158 CSUB :时间减法F159 MTRN :串行数据通信控制F160 DSQR :2字(32bit)数据平方根F161 MRCV : MCU串行端口接收F162 HC0S :目标值一致ONF163 HC0R :目标值一致OFFF164 SPD0 :速度控制(脉冲输出/模式输出)F165 CAM0 :凸轮输出控制F166 HC1S :目标值一致ON(带通道指定)F167 HC1R :目标值一致OFF(带通道指定)F168 SPD1 :位置控制(带通道指定)F169 PLS :脉冲输出指令(带通道指定)F170 PWM :PWM输出指令(带通道指定)F171 SPDH :位置控制指令(带通道指定)F172 PLSH :脉冲输出指令(JOG运行:带通道指定) F173 PWMH :PWM输出指令(带通道指定)F174 SP0H :脉冲输出指令(JOG运行:带通道指定) F175 SPSH :脉冲输出指令(直线插补)F176 SPCH :脉冲输出指令(圆弧插补)F177 HOME :脉冲输出指令(原点返回)F178 PLSM :输入脉冲测定F180 SCR :FP-e画面显示登录指令F181 DSP :FP-e画面显示切换指令F182 FILTR :时间常数处理F183 DSTM :辅助定时器(32bit)F190 MV3 :3个16bit数据一并传输F191 DMV3 :3个32bit数据一并传输F215 DAND :32bit数据逻辑与F216 DOR :32bit数据逻辑或F217 DXOR :32bit数据逻辑异或F218 DXNR :32bit数据逻辑异或非F219 DUNI :双字数据组合F230 TMSEC :时间数据→秒数据F231 SECTM :秒数据→时间数据F235 GRY :16bit二进制→格雷码转换F236 DGRY :32bit二进制→格雷码转换F237 GBIN :16bit格雷码→二进制转换F238 DGBIN :32bit格雷码→二进制转换F240 COLM :bit行→bit列转换F241 LINE :bit列→bit行转换F250 BTOA :二进制→ASCII码转换F251 ATOB :ASCII码→二进制转换F252 ACHK :ASCII 码检查F257 SCMP :字符串比较F258 SADD :字符串加法F259 LEN :计算字符串长度F260 SSRC :查找字符串F261 RIGHT :获取字符串右侧部分F262 LEFT :获取字符串左侧部分F263 MIDR :获取字符串的任意部分F264 MIDW :改写字符串的任意部分F265 SREP :置换字符串F270 MAX :最大值(16bit)F271 DMAX :最大值(32bit)F272 MIN :最小值(16bit)F273 DMIN :最小值(32bit)F275 MEAN :合计·平均值(16bit)F276 DMEAN :合计·平均值(32bit)F277 SORT :排序(16bit)F278 DSORT :排序(32bit)F282 SCAL :16bit数据线性化F283 DSCAL :32bit数据线性化F284 RAMP :16位数据的斜坡输出F285 LIMT :上下限限位控制(16bit)F286 DLIMT :上下限限位控制(32bit) F287 BAND :数据死区控制(16bit)F288 DBAND :数据死区控制(32bit)F289 ZONE :数据零区控制(16bit)F290 DZONE :数据零区控制(32bit)F300 BSIN :BCD型实数正弦运算F301 BCOS :BCD型实数余弦运算F302 BTAN :BCD型实数正切运算F303 BASIN :BCD型实数反正弦运算F304 BACOS :BCD型实数反余弦运算F305 BATAN :BCD型实数反正切F309 FMV :浮点数型实数数据传输F310 F+ :浮点数型实数数据加法F311 F- :浮点数型实数数据减法F312 F* :浮点数型实数数据乘法F313 F% :浮点数型实数数据除法F314 SIN :浮点数型实数数据正弦F315 COS :浮点数型实数数据余弦F316 TAN :浮点数型实数数据正切F317 ASIN :浮点数型实数数据反正弦F318 ACOS :浮点数型实数数据反余弦F319 ATAN :浮点数型实数数据反正切F320 LN :浮点数型实数数据自然对数F321 EXP :浮点数型实数数据指数F322 LOG :浮点数型实数数据对数F323 PWR :浮点数型实数数据乘幂F324 FSQR :浮点数型实数数据平方根F325 FLT :16bit整数→浮点型实数数据F326 DFLT :32bit整数→浮点型实数数据F327 INT :浮点型实数数据→16bit整数取整F328 DINT :浮点型实数数据→32bit整数取整F329 FIX :浮点型实数数据→16bit整数小数点以下舍去F330 DFIX :浮点型实数数据→32bit整数小数点以下舍去F331 ROFF :浮点型实数数据→16bit整数小数点以下四舍五入F332 DROFF :浮点型实数数据→32bit整数小数点以下四舍五入F333 FINT :浮点型实数数据小数点以下舍去F334 FRINT :浮点型实数数据小数点以下四舍五入F335 F+/- :浮点型实数数据符号交换F336 FABS :浮点型实数数据绝对值F337 RAD :浮点型实数数据 角度→弧度F338 DEG :浮点型实数数据 弧度→角度F345 FCMP :浮点型实数数据实数比较F346 FWIN :浮点型实数数据实数带域比较F347 FLIMT :浮点型实数数据上下限限位控制F348 FBAND :浮点型实数数据死区控制F349 FZONE :浮点型实数数据零区控制F350 FMAX :浮点型实数数据最大值F351 FMIN :浮点型实数数据最小值F352 FMEAN :浮点型实数数据合计·平均值F353 FSORT :浮点型实数数据排序F354 FSCAL :实数数据线性化F355 PID :PID运算F356 EZPID :简易PID运算F373 DTR :数据变化检出(16bit)F374 DDTR :数据变化检出(32bit)F410 SETB :索引寄存器Bank设置F411 CHGB :索引寄存器Bank切换F412 POPB :索引寄存器Bank恢复F414 SBFL :文件寄存器Bank设置F415 CBFL :文件寄存器Bank切换F416 PBFL :文件寄存器Bank恢复。