危险化学品建设项目安全条件审查申请书填写范例
- 格式:doc
- 大小:42.50 KB
- 文档页数:7
危险化学品建设项目安全设施设计审查申请书标准填写范文一、本申请书的“申请编号”“申请日期”、、“受理编号”“受理日期"、,由负责危险化学品生产、储存建设项目以下简称建设项目安全设施设计审查的安全生产监督管理部门受理人填写;本申请书的其他内容,由申请单位的人员填写。
二、本申请书可以用钢笔、签字笔填写,字迹要清晰、工整;也可以用打印机打印四号字文本,但“负责人签字”必须由本人用钢笔、签字笔签署姓名。
三、本申请书“项目名称”栏,填写已经政府或者投资主管部门审批或者核准、备案的建设项目名称。
四、本申请书“申请单位”是指《危险化学品建设项目安全许可实施办法》(安全监管总局令第8号)规定的建设单位,“建设项目所在单位”是指“申请单位”依法设立的分支机构;未设立分支机构的“申请单位",仅填写“申请单位”栏的内容.五、本申请书“申请单位”和“建设项目所在单位”栏目中的“名称”和“地址”,分别填写“申请单位”和“建设项目所在单位”的工商行政管理部门颁发的“企业法人营业执照"或者“企业名称预先核准通知书”和“营业执照"或者“企业名称预先核准通知书"上的企业名称和企业住所。
六、本申请书“申请单位”和“建设项目所在单位"栏中的“经济类型”,应按照国家统计局和原国家工商行政管理局《关于划分企业登记注册类型的规定》(国统字〔1998〕200号)的规定,填写企业登记注册类型。
七、本申请书“项目类型”栏,按照下列分类进行多项选择性填写:⒈新建危险化学品生产建设项目;⒉新建危险化学品储存建设项目;⒊改造危险化学品生产建设项目;⒋改造危险化学品储存建设项目;⒌扩建危险化学品生产建设项目;⒍扩建危险化学品储存建设项目。
八、本申请书“建设地址"栏,填写建设项目在其所在地行政区划中的位置。
九、本申请书“建设项目设立安全审查意见书文号”栏,填写负责建设项目安全审查的安全生产监督管理部门向建设单位出具的该建设项目设立安全审查意见书的编号。
附件1
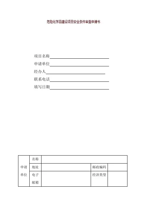
危险化学品建设项目安全条件审查申请书
项目名称xxxx项目
申请单位xxxx有限公司
经办人xxx
联系电话xxxxxxx
填写日期201x年xx月xx日
浙江省安全生产监督管理局制
承诺书
本公司(人)充分认识安全生产工作的重要性,深刻体会安全设施“三同时”工作对今后生产设施安全运行的关键作用,决心严格遵守国家安全生产相关法律法规,认真按照《危险化学品建设项目安全监督管理办法》(国家安全生产监督管理总局令第45号)要求做好安全设施“三同时”工作,服从安全生产监督管理部门依法监督管理。
申请单位(盖章):xxx
法定代表人(签名):xxx
新设立企业负责人(签名):xxx
201x年xx月xx日
一、建设项目申请单位基本情况
二、建设项目基本情况
三、建设项目安全评价报告。
项目安全条件申请书项目名称:________________项目地点:________________申请人:________________联系电话:________________电子邮箱:________________通讯地址:________________邮政编码:________________一、项目概况1. 项目背景本项目是为了满足市场需求,提高我国_______行业竞争力,促进地方经济发展而建设的。
2. 项目规模本项目总投资为_______元,占地面积_______平方米,建设内容包括_______。
3. 项目周期本项目预计_______年_______月开工,_______年_______月竣工,建设周期为_______个月。
二、安全条件申请内容1. 项目安全风险评估根据《危险化学品安全管理条例》等相关法律法规,我们对项目进行了安全风险评估,评估结果如下:(1)项目可能存在的危险因素:_______(2)风险程度及防控措施:_______2. 项目安全设施设计本项目安全设施设计遵循国家有关法律法规、标准和规范,确保生产过程中的人员安全和环境保护。
主要内容包括:(1)防火、防爆、防毒、防泄漏设施:_______(2)紧急事故处置设施:_______(3)个人防护装备及急救设施:_______3. 项目安全生产组织和管理为确保项目安全生产,我们将成立安全生产领导小组,明确安全生产责任,制定安全生产规章制度,加强安全生产培训和宣传教育,提高员工安全意识。
同时,我们将配备专业的安全生产管理人员,定期开展安全检查和事故应急预案演练。
三、安全条件审查意见根据《危险化学品安全管理条例》等相关法律法规,我们向贵部门申请项目安全条件审查。
请贵部门对我们的项目安全条件进行审查,并出具审查意见。
我们将根据审查意见进行整改,确保项目安全运行。
四、申请材料清单1. 项目批准文件2. 项目安全评估报告3. 项目安全设施设计文件4. 项目安全生产组织和管理制度5. 其他相关材料五、承诺我们承诺,在项目施工、试运行和正式运营过程中,严格遵守国家有关法律法规,确保项目安全、环保、质量达标。
危险化学品建设工程安全条件审察申请书
工程名称
申请单位
经办人
联系
填写日期
名称
地点邮政编码
电子邮箱经济种类
联系 申
法定代表人安全生产负责人 请
申请单位建议:
单
位
主要负责人:〔署名〕〔加盖公章处〕
年月日名称
地点邮政编码
电子邮箱经济种类
建
联系 设
主要负责人安全生产负责人
项
目
建设单位建议:
所
在
单
位
主要负责人:〔署名〕〔加盖公章处〕
年月日
单位名称联系
建设项
目可行
通信地点邮政编码 性研究
单位
法定代表人工程负责人
单位名称联系
建设项
通信地点邮政编码
目安全
评论单
资质等级资质证书编号
位
法定代表人工程负责人
建设工程根本概略〔工程性质、规模等〕:
工程种类
建设地点
总投资万元安全投资万元
工艺流程简介〔包含波及要点看管危险化工工艺、要点看管危险化学品
或许危险化学品重要危险源状况〕:
技术及根源简介〔国内初次使用的化工工艺,其安全靠谱性论证状况〕:建设工程主要装置、设备简介:
建设工程生产、储藏区周边状况:
申请文件、资料清单〔在“□〞顶用“√〞勾选〕:
□建设工程安全条件审察申请书及文件;
□建设工程安全条件论证报告;
□建设工程安全评论报告;
□建设工程同意、同意或许存案文件和规划有关文件〔复制件〕;□工商行政管理部门颁发的公司营业执照或许公司名称早先同意通知书〔复制件〕。
危险化学品建设项目安全条件审察申请书
敏捷PDF变换器。
危险化学品建设项目安全条件审查意见书
____项目安条审字〔___〕第__号
_____________公司:
根据《危险化学品建设项目安全监督管理办法》(国家安全监管总局令第45号)的规定,你单位提出的_____________申请受理后,经组织专家和有关单位对你单位提交的该建设项目安全条件审查申请文件、资料内容和现场情况的审查,同意该建设项目通过安全条件审查。
请将____________________项目设立安全评价报告》作为该建设项目安全设施的设计依据之一。
该建设项目安全设施设计专篇经我局审查通过后,方可开工建设。
此外,如果该建设项目周边条件、主要技术、工艺路线、产品方案、装置规模发生重大变化,或者变更建设地址,应重新进行安全评价,并及时向我局重新申请该建设项目安全条件审查。
本意见书自颁发之日起有效期为两年,有效期满未开工建设的,本意见书自动失效。
联系人:______ 联系电话:_________
____________________
_____年____月___日抄送:____安监局。
建设项目危险化学品建设项目安全设施设计审查申请书尊敬的领导:我单位计划在近期进行一项危险化学品建设项目,并特向贵单位申请对该项目的安全设施设计进行审查。
现将相关情况说明如下:一、项目概述本项目是一个危险化学品建设项目,计划建设一个化工厂,主要生产并储存涉及危险化学品的产品。
项目总投资额为XXX万元,占地面积为XXXX平方米。
为确保项目的安全运行,我单位已委托专业设计单位进行了危险化学品建设项目的设计,设计过程中已充分考虑了相关法律、法规和标准的要求,以满足项目的生产及环境保护需求。
二、安全设施设计内容本项目的安全设施设计旨在确保化工厂的安全操作,并有效防范发生可能的事故及其潜在危害。
具体的设计内容包括以下方面:1.工艺及生产设施:设计了适当的设备和设施,以确保危险化学品的安全储存和生产过程中的安全操作。
2.防火及防爆设施:设计了火灾报警系统、灭火器材以及防爆电器设备,以防范火灾和爆炸事故,并减少其对周边环境的影响。
3.泄漏和泄露控制设施:设计了自动泄漏报警系统、安全阀、泄露收集器等设施,以控制危险物质的泄漏,并尽快应对泄露事故。
4.废物处理设施:设计了合适的废气、废水和固体废物处理设施,确保危险化学品产生的废物得到安全处理,降低对环境的影响。
5.应急管理设施:设计了应急撤离通道、应急照明、紧急停车场等应急管理设施,以保障员工在发生事故时的安全撤离,并为应对事故提供便利条件。
三、审查要求为确保项目的安全性和可操作性,确保项目达到国家与地方法规的要求,以及防范事故并减少事故可能对人员和环境造成的伤害,我单位恳请贵单位进行安全设施设计的审查。
审查内容主要包括对设计文件的审查,包括设计计划、设计说明、设计图纸、技术参数等。
审查重点将放在设计是否符合相关法规的要求,是否满足工程安全运行的需求等方面。
四、希望获得的支持在进行审查过程中,我单位希望贵单位能够提供专业的技术指导和建议,并针对存在的问题给出明确的指导意见,以便及时进行设计的调整和改进。
危险化学品建设项目安全条件审查申请书填写范例一、审查申请单
第一部分申请单位基本情况
(一)申请单位名称:XX省XX市XX县XX镇XX危险化学品设施建设工程有限公司
(二)法定代表人(主要负责人):XX
(三)单位地址:XX
(五)传真:XX
第二部分工程基本情况
(一)工程名称:XX危险化学品设施建设工程
(二)工程地点:XX
(三)工程业主:XX
(四)施工单位:XX
(五)总投资:XX万元
(六)建设内容概况:XX
第三部分建设工程安全评价报告
(一)工程安全评价报告由XX(签字)完成,编号为:XX
(二)安全评价报告的内容包括:
1.工程建设存在的安全风险;
2.建设工程安全技术标准要求的评价;
3.对重大安全风险控制策略的评价;
4.对工程建设的安全管理的评价;
5.对安全预警及应急预案的编制及实施的评价;
6.环境影响评价及规划管理的评价。
第四部分安全条件验收
(一)XX项目建设工程安全条件由XX(签字)完成,编号为:XX (二)安全条件验收的内容如下:
1.工程设计和施工管理;
2.消防和防护设施;
3.安全技术措施;
4.操作规程;
5.应急预案;
6.安全检查和评价;。
建设项目危险化学品建设项目安全条件审查申请书范本尊敬的主管部门:您好!本公司计划在地开展一项危险化学品建设项目,现申请对该项目进行安全条件审查,敬请予以审核。
一、项目概况项目名称:地危险化学品建设项目建设地点:地建设单位:XXX有限公司投资额:XXX万元建设规模:XXXXX二、项目背景随着工业化进程的加快,危险化学品在经济社会各个领域的应用越来越广泛。
为了满足市场需求并促进区域经济发展,我公司决定在地开展危险化学品建设项目。
该项目将采用先进的技术装备和设备,建设一套完整的危险化学品生产和储存体系,以确保生产过程安全可控,最大限度地减少环境污染和安全风险。
三、项目的安全条件1.生产设备和工艺(详细介绍项目所配备的生产设备和工艺,并阐述其与安全生产相关的重要特点,包括能否满足国家相关标准和行业规范要求)2.储存和运输设备(介绍项目所配置的危险化学品储存和运输设备,并说明其安全性能,保证货物运输过程中的安全性,以及对环境的保护措施)3.应急预案和救援措施(介绍项目所拟定的应急预案和救援措施,包括火灾、泄漏、爆炸等突发事故的应对措施,以及与周边单位和环保部门的协调配合)4.环保措施(阐述项目在环保方面的措施和要求,包括废气、废水、噪声等的治理和排放标准,以确保项目在生产过程中对环境的最小影响)四、安全生产管理措施1.安全生产责任制(介绍项目在安全生产方面的责任制度,明确各级管理人员的职责和权限,并制定相应的奖惩制度)2.安全培训和教育(阐述项目对员工的安全培训和教育措施,包括工艺操作规范、紧急情况处理、职业健康等相关培训和教育计划)3.安全设施和装备(介绍项目所配备的安全设施和装备,如消防设备、自动监测仪器等,以确保生产过程中的安全控制)4.安全风险评估(阐述项目在设计和建设之前进行的安全风险评估工作,包括对危险化学品的性质、数量、储存和处理方式等进行评估,并提出相应的安全措施和改进意见)五、项目希望获得的支持1.审查机构的支持(希望审查机构能够对项目提供专业的技术支持和审核意见,以确保项目在安全条件方面符合国家相关标准和要求)2.相关部门的协调配合(希望相关部门能够积极配合项目的安全条件审查工作,并提供必要的支持,以确保审查工作的顺利进行)六、附件清单1.项目规划书2.环保评估报告3.安全风险评估报告4.消防设施规划图5.技术设备清单最后,再次代表本公司向您表达由衷的感谢!敬祝工作顺利!此致礼敬XXX有限公司申请人:。
危险化学品建设项目安全设施设计审查申请书标准填写范文尊敬的审查单位:我单位正在申请进行一个危险化学品建设项目的安全设施设计审查,特此提交申请书,希望能够得到您的审查和指导。
一、项目概述项目名称:XXX危险化学品建设项目建设地点:XXX市XXX区XXX街道建设单位:XXX有限公司建设内容:本项目拟建设一个危险化学品生产车间,用于生产XXX产品。
建设规模:主体建筑面积XXX平方米,设备数量XXX台。
项目背景:由于市场需求的增加,我单位决定扩大生产规模,增加生产线,并进行现代化设备的引进。
为了确保生产过程中的安全性,保护环境和人员的安全,我单位特此提出本项目的安全设施设计审查申请。
二、项目建设及操作危险性分析1.建设过程中的危险性分析:a)建筑物施工期间可能存在高处作业、电气作业、围挡的拆除等危险性;b)设备安装期间可能存在大型设备吊装、设备接线等危险性。
2.运营期间的危险性分析:a)危险化学品原料的储存和使用可能引发火灾、爆炸等危险;b)设备的运行过程中可能存在高温、高压等危险;c)废水、废气处理可能导致环境污染的危险。
三、安全设施设计方案概要1.建筑物安全设施设计方案:a)按照相关法规和标准要求,对建筑物进行消防安全评估,确定防火门、疏散通道、灭火器等设施的设置位置和数量;b)建筑物外墙采用防火材料进行装饰,确保建筑物的防火性能;c)设计合理的通风系统,以保证车间内有足够的新鲜空气流通,并确保有害气体及时排出;d)对建筑物进行防爆设计,确保在火灾或爆炸发生时能够有效减缓爆炸能量的传播;2.设备安全设计方案:a)设备选型时考虑安全性能,选择具有防爆、防火等功能的设备;b)设备安装、接线等操作过程中,采取相应的安全措施,确保操作人员的安全;c)设备运行过程中,设置完善的监控系统,对设备运行状态进行实时监测,并设立报警机制。
3.危险废物处理方案:a)设计合理的废水、废气处理系统,确保废物排放达到国家标准;b)制定废物分类、储存和处置的操作规程,培训员工必要的废物处理知识。
危险化学品建设项目安全设施设计审查申请书内容涉及到评审设计图、评审书、设计文档、报告等
河南省住房和城乡建设厅
申请单位:XXX公司
项目简介:请交安全设施设计审查申请的新建危险化学品销售经营单位是XXX公司,该项目位于XXX市XXX县,建设内容为新建一座经营面积800平方米的危险化学品仓库配套设施,主要用于储存,分装,配送等,配套设施包括办公室、仓库、走廊、厕所等。
我单位已经完成了上述项目的施工图设计审查工作,综合考虑到该项目的安全性和技术成熟度,特向你单位申请对该项目施工图的安全设施设计审查。
本项目安全设施设计审查手续的准备资料包括:
1、评审设计图:本项目总平面图、三张墙体立面图,详细描述了建筑物的体形、层数、结构及相关的安全设施构造等;
2、评审书:该文件详细描述了建筑物和安全设施的设计条件,以及本项目安全技术设计的内容;
3、设计文档:本项目的设计文档包括了安全设施设计报告、安全技术方案报告、相关报告;。
危险化学品建设项目安全条件审查申请书项目名称申请单位经办人联系电话填写日期危险化学品建设项目安全条件审查申请书填写说明一、本申请书可以用钢笔、签字笔填写,字迹要清晰、工整;也可以用打印机打印四号字文本,但“负责人签字”必须由负责人本人用钢笔、签字笔签署姓名。
二、本申请书“申请单位”是指《危险化学品建设项目安全监督管理办法》(国家安全监管总局令第45号)规定的建设单位,“建设项目所在单位”是指“申请单位”依法设立的分支机构。
三、本申请书封面中,“项目名称”栏,填写需要政府或者投资主管部门审批或者核准、备案的建设项目名称;“申请单位”栏,填写申请单位“企业法人营业执照”或者“营业执照”、“企业名称预先核准通知书”上的企业名称。
四、本申请书“申请单位”和“建设项目所在单位”栏目中的“名称”和“地址”,分别填写申请单位和建设项目所在单位“企业法人营业执照”或者“营业执照”、“企业名称预先核准通知书”上的企业名称和企业住所。
未设立分支机构的申请单位,仅填写“申请单位”栏的内容。
五、本申请书“申请单位”和“建设项目所在单位”栏中的“经济类型”,依照国家统计局、国家工商总局《关于划分企业登记注册类型的规定》(国统字〔2011〕86号),填写企业登记注册类型。
六、本申请书“建设项目可行性研究单位”栏,“单位名称”和“通讯地址”栏,分别填写承担该建设项目可行性研究的单位“企业法人营业执照”上的企业名称和住所。
七、本申请书“建设项目安全评价单位”栏,“单位名称”和“通讯地址”栏,分别填写承担该建设项目安全评价的单位“企业法人营业执照”上的企业名称和住所;“资质等级”和“资质证书编号”栏,分别填写承担该建设项目安全评价的单位取得的“安全评价资质证书”上的级别和编号。
八、本申请书“项目类型”栏,按照下列分类进行多项选择性填写:(一)新建危险化学品生产项目;(二)新建危险化学品储存项目;(三)改建危险化学品生产项目;(四)改建危险化学品储存项目;(五)扩建危险化学品生产项目;(六)扩建危险化学品储存项目;(七)新建伴有危险化学品产生的化工建设项目;(八)改建伴有危险化学品产生的化工建设项目;(九)扩建伴有危险化学品产生的化工建设项目;(十)危险化学品长输管道新建项目;(十一)危险化学品长输管道改建项目;(十二)危险化学品长输管道扩建项目。
危险化学品建设项目安全条件审查申请书项目名称申请单位经办人联系电话填写日期危险化学品建设项目安全条件审查申请书填写说明一、本申请书可以用钢笔、签字笔填写,字迹要清晰、工整;也可以用打印机打印四号字文本,但“负责人签字”必须由负责人本人用钢笔、签字笔签署姓名。
二、本申请书“申请单位”是指《危险化学品建设项目安全监督管理办法》(国家安全监管总局令第45号)规定的建设单位,“建设项目所在单位”是指“申请单位”依法设立的分支机构。
三、本申请书封面中,“项目名称”栏,填写需要政府或者投资主管部门审批或者核准、备案的建设项目名称;“申请单位”栏,填写申请单位“企业法人营业执照”或者“营业执照”、“企业名称预先核准通知书”上的企业名称。
四、本申请书“申请单位”和“建设项目所在单位”栏目中的“名称”和“地址”,分别填写申请单位和建设项目所在单位“企业法人营业执照”或者“营业执照”、“企业名称预先核准通知书”上的企业名称和企业住所。
未设立分支机构的申请单位,仅填写“申请单位”栏的内容。
五、本申请书“申请单位”和“建设项目所在单位”栏中的“经济类型”,依照国家统计局、国家工商总局《关于划分企业登记注册类型的规定》(国统字〔2011〕86号),填写企业登记注册类型。
六、本申请书“建设项目可行性研究单位”栏,“单位名称”和“通讯地址”栏,分别填写承担该建设项目可行性研究的单位“企业法人营业执照”上的企业名称和住所。
七、本申请书“建设项目安全评价单位”栏,“单位名称”和“通讯地址”栏,分别填写承担该建设项目安全评价的单位“企业法人营业执照”上的企业名称和住所;“资质等级”和“资质证书编号”栏,分别填写承担该建设项目安全评价的单位取得的“安全评价资质证书”上的级别和编号。
八、本申请书“项目类型”栏,按照下列分类进行多项选择性填写:(一)新建危险化学品生产项目;(二)新建危险化学品储存项目;(三)改建危险化学品生产项目;(四)改建危险化学品储存项目;(五)扩建危险化学品生产项目;(六)扩建危险化学品储存项目;(七)新建伴有危险化学品产生的化工建设项目;(八)改建伴有危险化学品产生的化工建设项目;(九)扩建伴有危险化学品产生的化工建设项目;(十)危险化学品长输管道新建项目;(十一)危险化学品长输管道改建项目;(十二)危险化学品长输管道扩建项目。
建设项目危险化学品建设项目安全条件审查申请书范本项目名称申请单位经办人联系电话填写日期危险化学品建设项目安全条件审查申请书填写说明一、本申请书可以用钢笔、签字笔填写,字迹要清晰、工整;也可以用打印机打印四号字文本,但“负责人签字”必须由负责人本人用钢笔、签字笔签署姓名。
二、本申请书“申请单位”是指《危险化学品建设项目安全监督管理办法》(国家安全监管总局令第45号)规定的建设单位,“建设项目所在单位”是指“申请单位”依法设立的分支机构。
三、本申请书封面中,“项目名称”栏,填写需要政府或者投资主管部门审批或者核准、备案的建设项目名称;“申请单位”栏,填写申请单位“企业法人营业执照”或者“营业执照”、“企业名称预先核准通知书”上的企业名称。
四、本申请书“申请单位”和“建设项目所在单位”栏目中的“名称”和“地址”,分别填写申请单位和建设项目所在单位“企业法人营业执照”或者“营业执照”、“企业名称预先核准通知书”上的企业名称和企业住所。
未设立分支机构的申请单位,仅填写“申请单位”栏的内容。
五、本申请书“申请单位”和“建设项目所在单位”栏中的“经济类型”,依照国家统计局、国家工商总局《关于划分企业登记注册类型的规定》(国统字〔2011〕86号),填写企业登记注册类型。
六、本申请书“建设项目可行性研究单位”栏,“单位名称”和“通讯地址”栏,分别填写承担该建设项目可行性研究的单位“企业法人营业执照”上的企业名称和住所。
七、本申请书“建设项目安全评价单位”栏,“单位名称”和“通讯地址”栏,分别填写承担该建设项目安全评价的单位“企业法人营业执照”上的企业名称和住所;“资质等级”和“资质证书编号”栏,分别填写承担该建设项目安全评价的单位取得的“安全评价资质证书”上的级别和编号。
八、本申请书“项目类型”栏,按照下列分类进行多项选择性填写:(一)新建危险化学品生产项目;(二)新建危险化学品储存项目;(三)改建危险化学品生产项目;(四)改建危险化学品储存项目;(五)扩建危险化学品生产项目;(六)扩建危险化学品储存项目;(七)新建伴有危险化学品产生的化工建设项目;(八)改建伴有危险化学品产生的化工建设项目;(九)扩建伴有危险化学品产生的化工建设项目;(十)危险化学品长输管道新建项目;(十一)危险化学品长输管道改建项目;(十二)危险化学品长输管道扩建项目。
建设项目危险化学品建设项目安全条件审察申请书范本项目名称申请单位经办人联系电话填写日期申名称请地点邮政编码单电子邮箱经济种类位联系电话法定代表人传真电话安全生产负责人申请单位建议:主要负责人:(署名)(加盖公章处)年月日名称地点电子邮箱邮政编码经济种类建联系电话传真设项主要负责人安全生产负责人目建设单位建议:所在单位主要负责人:(署名)(加盖公章处)年月日建设项单位名称联系电话目可行性研究通信地点邮政编码单位法定代表人项目负责人单位名称联系电话建设项通信地点邮政编码目安全评论单资质等级资质证书编号位法定代表人项目负责人建设项目基本概略:1、项目种类:2、建设地点:3、总投资万元,此中,安全投资万元4、主要原辅资料:5、主要产品(包含中间产品、副产品):6、项目波及要点看管的危险化学品:7、项目波及要点看管的危险化工工艺:8、项目中组成重要危险源的主要装置(设备):工艺流程简介:技术及根源简介(国内初次使用的化工工艺,其安全靠谱性论证状况):建设项目主要装置、设备简介:建设项目生产、储藏区周边状况:申请文件、资料清单(在“□”顶用“√”勾选):□建设项目安全条件审察申请书及文件;□建设项目安全条件论证报告;□建设项目安全评论报告;□投资、城乡规划主管部门出具的建设项目审批(批准、存案)文件和规划有关文件(复制件);□工商行政管理部门颁发的公司营业执照或许公司名称早先批准通知书(复制件)。
未提交有关文件、资料的原由:危险化学品建设项目安全条件审察申请书填写说明一、本申请书能够用钢笔、署名笔填写,笔迹要清楚、工整;也能够用打印机打印四号字文本,但“负责人署名”一定由负责人自己用钢笔、署名笔签订姓名。
二、本申请书“申请单位”是指《危险化学品建设项目安全监察管理方法》(国家安全看管总局令第45 号)规定的建设单位,“建设项目所在单位”是指“申请单位”依法建立的分支机构。
三、本申请书封面中,“项目名称”栏,填写需要政府或许投资主管部门审批或许批准、存案的建设项目名称;“申请单位”栏,填写申请单位“公司法人营业执照”或许“营业执照” 、“公司名称早先批准通知书”上的公司名称。
附件3 危险化学品建设项目安全条件审查申请书填写范例
危险化学品建设项目安全条件审查申请书
项目名称××××××有限公司
××××项目
申请单位×××××有限公司
经办人×××
联系电话13×××××××××
填写日期201×年××月××日
危险化学品建设项目安全条件审查申请书填写说明
一、本申请书可以用钢笔、签字笔填写,字迹要清晰、工整;也可以用打印机打印四号字文本,但“负责人签字”必须由负责人本人用钢笔、签字笔签署姓名。
二、本申请书“申请单位”是指《危险化学品建设项目安全监督管理办法》(国家安全监管总局令第45号)规定的建设单位,“建设项目所在单位”是指“申请单位”依法设立的分支机构。
三、本申请书封面中,“项目名称”栏,填写需要政府或者投资主管部门审批或者核准、备案的建设项目名称;“申请
单位”栏,填写申请单位“企业法人营业执照”或者“营业执照”、“企业名称预先核准通知书”上的企业名称。
四、本申请书“申请单位”和“建设项目所在单位”栏目中的“名称”和“地址”,分别填写申请单位和建设项目所在单位“企业法人营业执照”或者“营业执照”、“企业名称预先核准通知书”上的企业名称和企业住所。
未设立分支机构的申请单位,仅填写“申请单位”栏的内容。
五、本申请书“申请单位”和“建设项目所在单位”栏中的“经济类型”,依照国家统计局、国家工商总局《关于划分企业登记注册类型的规定》(国统字〔2011〕86号),填写企业登记注册类型。
六、本申请书“建设项目可行性研究单位”栏,“单位名称”和“通讯地址”栏,分别填写承担该建设项目可行性研究的单位“企业法人营业执照”上的企业名称和住所。
七、本申请书“建设项目安全评价单位”栏,“单位名称”和“通讯地址”栏,分别填写承担该建设项目安全评价的单位“企业法人营业执照”上的企业名称和住所;“资质等级”和“资质证书编号”栏,分别填写承担该建设项目安全评价的单位取得的“安全评价资质证书”上的级别和编号。
八、本申请书“项目类型”栏,按照下列分类进行多项选择性填写:
(一)新建危险化学品生产项目;
(二)新建危险化学品储存项目;
(三)改建危险化学品生产项目;
(四)改建危险化学品储存项目;
(五)扩建危险化学品生产项目;
(六)扩建危险化学品储存项目;
(七)新建伴有危险化学品产生的化工建设项目;
(八)改建伴有危险化学品产生的化工建设项目;
(九)扩建伴有危险化学品产生的化工建设项目;
(十)危险化学品长输管道新建项目;
(十一)危险化学品长输管道改建项目;
(十二)危险化学品长输管道扩建项目。
九、本申请书“建设地址”栏,填写建设项目所在地行政区划中的详细地址。
十、本申请书“总投资”和“安全投资”栏,分别填写建设项目可行性研究中估算的总投资金额和安全设施投资金额。
十一、本申请书“建设项目生产、储存区周边状况”栏,不在现有企业生产区或者储存区内的建设项目,仅填写外部情况;在现有企业生产区或者储存区进行改、扩建的建设项目,还需填写建设项目周边现有生产、储存装置状况。
十二、本申请书设置的栏目尺寸,不能满足填写内容的需要时,可自行设置栏目尺寸,但不能改变表格外边距的尺寸;本申请书设置的栏目中表格数量不能满足填写内容的需要
时,可自行设置续表,格式和内容要求应与本申请书的表格一致;申请单位在填写申请书时,申请书封面不编制页码,其他页编制申请书的自然页码。