数控铣床考核标准
- 格式:doc
- 大小:136.00 KB
- 文档页数:14
判断题2、在试切合加工中,刃磨刀具和更换刀具后不需要修改刀补值。
( X )3、固定循环指令G73-X-Y-Z-R-Q-F中Z表示钻孔深度。
(√)4、位置精度较高的孔系加工时,特别要注意孔的加工顺序的安排。
(√)5、利用一般计算工具,运用各种数学方法人工进行刀具轨迹的运算并进行指令编程称为CAD/CAM编程。
(X )1、用立铣刀和键槽铣刀加工封闭沟槽时,为便于下刀,均需事先钻好落刀孔。
( X )6、在加工顺序安排中,一般先钻孔,再加工平面和其它尺寸。
( X )7、地址符T对应的功能是指令主轴转速。
(X )8、机床坐标系的原点称为机床原点。
(√)9、铰孔的切削速度与钻孔的切削速度相等。
( X )10、刀具的补偿功能由F代码来实现。
( X )11、主轴停止功能按钮在自动状态(包括单步)起作用。
( X )12、M04功能是主轴反转,该代码启动主轴以逆时针方向旋转。
(√)13、G01代码是直线插补功能代码,它属于非模态代码。
( X )14、单段选择按钮在编辑状态起作用。
( X )15、V形架用于工件外圆定位,其中,长V形架限制8个自由度。
( X )16、机床油压系统过高或过低可能是油压系统泄露所造成的。
( X )17、测量轴径时,应选用万能工具显微镜。
( X )18、机床主轴润滑系统中的空气过滤器每年检查即可。
( X )19、测量复杂轮廓形状零件时,应选用万能工具显微镜。
( X )20、量块组中量块的数目越多,累积误差越小。
( X )21、在用千分尺测量时,应仔细校正零位,以消除测量工具的读数误差。
(√)22、机床主轴润滑系统中的空气过滤器必须每周检查。
(√)23、导轨润滑油箱应每周检查一次。
( X )24、局部视图中,用波浪线表示某局部结构与其它部分断开。
(√)25、对于未淬硬的平面,精铣时,一般能达到的精度为IT7~IT9,表面粗糙度为Ra6.3~Ra1.6um。
(√)26、铣削中心是在数控铣床的基础之上增加了刀库等装置(√)27、G41后面可以跟G00,G01,G02,G03等指令。
河南省商务学校《数控铣》专业技能考核方案一、考核对象数控专业所有在校学生.二、考核时间考核采用现成实际操作及相关问题回答形式,考生为一人一工位。
考核时间共360分钟编程时间:40min(占总分15%)操作时间:200min(占总分85%)三、考评人员杨尚华四、考核项目(一)读图与绘图1.能读懂等速凸轮、齿轮、离合器、带直线成形面和曲面等中等复杂程度零件的零件图2.能读懂分度头尾架、弹簧夹头套筒、可转位铣刀结构等简单机构的装配图3.能绘制带斜面或沟槽的轴和矩形零件锥套等简单零件图(二)制定加工工艺能编制矩形体、平行孔系、圆弧曲面等一般难度工件的铣削工艺。
其主要内容有:1.正确选择加工零件的工艺基准2.决定工步顺序及工步内容和切削参数(三)编制程序能编制简单的铣削加工程序(四)工件定位与夹紧1.能正确选择工件的定位基准2.能正确使用铣床常用夹具及气动、液压自动夹紧装置(五)刀具准备1.能正确选择和安装数控铣床常用刀具2.能合理选择切削用量(六)设备调整及维护保养1.能对数控铣床进行调整2.在加工前能对机床进行常规检查3.能进行数控铣床的日常维护保养五、考试细则考前30分钟,先进行机床的检查,刀具清点。
如铣刀头,刀尖有无裂纹破裂,机床有无异常,量具是否准确。
应在开考前报告监考老师,若不报告监考老师,视为破坏刀具,量具,机床处理。
开考后,应根据图纸和工具清单,合理利用设备,量具,刀具,发现缺少或错发在开考20分钟内提出,监考员给予更换补发。
超过20分钟允许补发但给予扣分。
六、评分标准备注:(1)考试时间为200分钟。
考生超时在20分钟之内,可以酌情扣分;超时20分钟仍未完成全部加工内容,该考生成绩为不及格。
(2)加工过程中,若出现违规操作或因操作不当引起重大设备事故,该考生成绩为不及格。
七、考试成绩管理及补考要求所有考核成绩,经考核组负责人签字后方生效。
考评员将签名的成绩册交系部,有系部上交教务处,并有教务处统一管理。
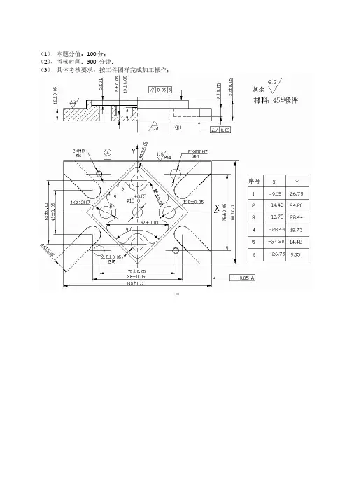
广东省职业技能等级认定试卷铣工(数控铣床)技能等级认定四级技能考核试卷-01准备通知单(考场)试题:01-011.本题分值:合格/不合格(合格才能进行试题01-02考试)2.考核时间:120min3.考核形式:实操 序号 名称 规格 单位 数量备注1 普通立铣床 不限台 1 配机用平口钳2 划线平台 300×400(或以上)块 1 3方箱205×205×205个 1说明:可根据实际情况选择设备设施的型号、规格及数量。
设备及附件必须齐全、完好,满足工件加工精度要求;实操考试工位由考场根据实际情况进行安排,预留备用设备。
说明:根据考试设备数量,配套准备。
6.实操考试材料准备:序号 名称规格数量 1AL6061方料 80×40×201件序号 名称 规格 单位数量 备注 1 游标卡尺 0~300 把1 2 外径千分尺 0~25、25~50、50~75、75~100、100~125把各1 3 万能角度尺 0°~320° 把 1 4 宽座角尺 100×63mm 把 1 5 钢尺 0~300mm 把 16 百分表 0~10×0.01mm把 1 带磁性表座7 高度游标卡尺 0~200 把 1 8 深度游标卡尺 0~150 把 1 9 活动扳手 10寸 把 1 10 内六角扳手 \ 套 1 11 十字螺丝刀 3mm ×125mm把 1 12 橡胶锤 300g 把 1 13 紫铜棒 \ 条 1 14 润滑油 \ \ 若干 15棉纱\\若干试题:01-021.本题分值:100分2.考核时间:240min3.考核形式:实操序号名称规格单位数量备注1 立式数控铣床不限台 12 平口钳不限台 1 配备压板螺栓、扳手3 刀柄拆刀台与机床匹配张 1 配拆刀扳手说明:可根据实际情况选择设备设施的型号、规格及数量。
设备及附件必须齐全、完好,满足工件加工精度要求;实操考试工位由考场根据实际情况进行安排,预留备用设备。
数控铣工高级技师国家职业标准数控铣工,指从事编制数控加工程序并操作数控铣床进行零件铣削加工的人员。
其职业能力特征表现为:具有较强的计算能力和空间感,形体知觉及色觉正常,手指、手臂灵活,动作协调。
该职业共设四个等级,分别为:中级〔国家职业资格四级〕、高级〔国家职业资格三级〕、技师〔国家职业资格二级〕、高级技师〔国家职业资格一级〕。
1数控铣工高级技师培训要求培训期限全日制职业学校教育,根据其培养目标和教学方案确定。
晋级培训期限:高级技师不少于300 标准学时。
培训教师培训高级技师的教师应取得本职业高级技师职业资格证书2年以上或取得相关专业高级专业技术职称任职资格2年以上。
培训场地设备满足教学要求的标准教室、计算机机房及配套的软件、数控铣床及必要的刀具、夹具、量具和辅助设备等。
2数控铣工高级技师根本要求职业守那么〔1〕遵守国家法律、法规和有关规定;〔2〕具有高度的责任心、爱岗敬业、团结合作;〔3〕严格执行相关标准、工作程序与标准、工艺文件和平安操作规程;〔4〕学习新知识新技能、勇于开拓和创新;〔5〕保护设备、系统及工具、夹具、量具;〔6〕着装整洁,符合规定;保持工作环境清洁有序,文明生产。
2.2根底知识〔1〕根底理论知识:包括机械制图、工程材料及金属热处理知识、机电控制知识、计算机根底知识以及专业英语根底等。
〔2〕机械加工根底知识:包括机械原理、常用设备知识〔分类、用途、根本结构及维护保养方法〕、常用金属切削刀具知识、典型零件加工工艺、设备润滑和冷却液的使用方法、工具、夹具、量具的使用与维护知识、铣工、镗工根本操作知识等。
〔3〕平安文明生产与环境保护知识:平安操作与劳动保护知识、文明生产知识、环境保护知识等。
〔4〕质量管理知识:包括企业的质量方针、岗位质量要求和岗位质量保证措施与责任。
〔5〕相关法律、法规知识:包括劳动法的相关知识、环境保护法的相关知识、知识产权保护法的相关知识等。
3数控铣工高级技师鉴定要求数控铣工高级技师的鉴定对象是指从事或准备从事本职业的人员。
一.写出CAK6140数控车床检验标准1.机床外观的检查机床外观的检查一般可按通用机床的有关标准进行,但数控机床是高技术设备,其外观质量的要求更高。
外观检查内容有:机床有无破损;外部部件是否坚固;机床各部分联结是否可靠;数控柜中的MDI/CRT单元、位置显示单元、各印制电路板及伺服系统各部件是否有破损,伺服电动机(尤其是带脉冲编码器的伺服电机)外壳有无磕碰痕迹。
2.机床几何精度的检查数控机床的几何精度综合反映机床的关键零部件组装后的几何形状误差。
数控机床的几何精度检查和普通机床的几何精度检查基本类似,使用的检查工具和方法也很相似只是检查要求更高。
每项几何精度的具体检测办法和精度标准按有关检测条件和检测标准的规定进行。
同时要注意检测工具的精度等级必须比所测的几何精度要高一级。
现以一台普通立式加工中心为例,列出其几何精度检测的内容:1)工作台面的平面度。
2)各坐标方向移动的相互垂直度。
3)X坐标方向移动时工作台面的平行度。
4)Y坐标方向移动时工作服台面的平行度。
5)X坐标方向移动时工作台T形槽侧面的平行度。
6)主轴的轴向窜动。
7)主轴孔的径向圆跳动。
8)主轴沿Z坐标方向移动时主轴轴心线的平行度.9)主轴回转轴心线对工作台面的垂直度.10)主轴箱在Z坐标方向移动的直线度。
对于主轴相互联系的几何精度项目,必须综合调整,使之都符合允许的误差。
如立式加工中心的轴和轴方向移动的垂直误差较大,则可以调整立柱底部床身的支承垫铁,使立柱适当前倾或后仰,以减少这项误差。
但是这也会改变主轴回转轴心线对工作台面的垂直度误差,因此必须同时检测和调整,否则就会由于这一项几何精度的调整造成另一项几何精度不合格。
机床几何精度检测必须在地基及地脚螺栓的混凝土完全固化以后进行。
考虑到地基的稳定时间过程,一般要求在机床使用数月到半年以后再精调一次水平。
检测机床几何精度常用的检测工具有:精密水平仪、900角尺、精密方箱、平尺、平行光管、千分表或测微仪以及高精度主轴心棒等。
数控铣床考核标准1.职业概况:1.1职业名称数控铣床操作工。
1.2职业定义从事编制数控加工程序并操作数控铣床进行零件铣削加工的人员。
1.3职业等级本职业共设四个等级,分别为:中级(国家职业资格四级 )、高级(国家职业资格三级)、技师(国家职业资格二级 )、高级技师(国家职业资格一级)。
1.4基本文化程度高中毕业(或同等学历)。
1.5培训要求1.5.1培训期限全日制职业学校教育,根据其培养目标和教学计划确定。
晋级培训期限:中级不少于400标准学时;高级不少于300标准学时。
1.5.2培训教师培训中、高级人员的教师应取得本职业技师及以上职业资格证书或相关专业中级及以上专业技术职称任职资格。
1.5.3培训场地设备满足教学要求的标准教室、计算机机房及配套的软件、数控铣床及必要的刀具、夹具、量具和辅助设备等。
1.6鉴定要求1.6.1适用对象从事或准备从事本职业的人员。
1.6.2申报条件——中级:(具备以下条件之一者)(1)经本职业中级正规培训达规定标准学时数,并取得结业证书。
(2)连续从事本职业工作5年以上。
(3)取得经劳动保障行政部门审核认定的,以中级技能为培养目标的中等以上职业学校本职业(或相关专业)毕业证书。
(4)取得相关职业中级《职业资格证书》后,连续从事本职业2年以上。
——高级:(具备以下条件之一者)(1)取得本职业中级职业资格证书后,连续从事本职业工作2年以上,经本职业高级正规培训,达到规定标准学时数,并取得结业证书。
(2)取得本职业中级职业资格证书后,连续从事本职业工作4年以上。
(3)取得劳动保障行政部门审核认定的,以高级技能为培养目标的职业学校本职业(或相关专业)毕业证书。
(4)大专以上本专业或相关专业毕业生,经本职业高级正规培训,达到规定标准学时数,并取得结业证书。
——技师:(具备以下条件之一者)(1)取得数控铣床操作工、加工中心操作工高级职业资格证书后,连续从事本职业工作 4 年以上,经本职业技师正规培训达规定标准学时数,并取得结业证书。
数控机床安装与调试考核要求一、理论知识考核要求1.考核内容:包括数控机床的基本构造、工作原理、主要技术参数等。
2.考核形式:书面考试,要求考生能够详细解答相关问题。
3.考核标准:理论知识掌握准确、全面,能够理解并解释数控机床的相关概念。
二、机床安装考核要求1.考核内容:包括机床的基础安装、主轴装配、液压系统的安装等。
2.考核形式:实际操作,要求考生能够独立完成机床的安装工作。
3.考核标准:机床安装准确、牢固,各部件连接可靠,符合机床的安装规范和要求。
1.考核内容:包括机床各轴的平行度、垂直度的调试,刀具测量,加工程序的输入等。
2.考核形式:实际调试,要求考生能够独立完成机床的调试工作。
3.考核标准:机床调试准确、有效,各轴运动平稳,各功能正常,加工程序输入正确无误。
四、安全操作考核要求1.考核内容:包括机床的操作安全知识、安全操作规程等。
2.考核形式:口头答辩,要求考生能够对机床操作过程中的安全问题进行合理解释和回答。
3.考核标准:考生对机床操作安全知识了解全面,能够正确运用安全操作规程,有效避免事故发生。
五、实际加工考核要求1.考核内容:根据规定的工件图纸和加工要求,对机床进行实际加工操作。
2.考核形式:实际操作,要求考生能够独立完成规定的加工任务。
3.考核标准:加工零件尺寸精度符合要求,加工表面质量好,工艺流程正确,能够独立完成整个加工过程。
以上是数控机床安装与调试考核要求的基本内容,通过考核能够明确人员的素质能力,提高工作质量和效率,确保数控机床的安全和正常运行。
数控专业技能考核标准l、检查专业教学质量:数控技术专业能力考试是为全面贯彻落实教育部提出的职业院校“以就业为导向、以服务为宗旨,以质量提升为核心”办学指导思想2、引导与推动教育教学改革:通过此能力考试,引导各高等职业院校数控技术专业教学改革发展方向,促进工学结合人才培养模式改革与创新,培养可持续发展、满足企业需求的数控技术高技能人才。
3、检验学生的职业基本技能与职业素质:检验学生基本的读图识图、工装选择与调整、刀具的选择与刃磨、量具选择与使用、工艺设计与实施、数控机床操作与维护等专业能力,检验学生的基本职业素养如质量、效率、成本与安全等意识,从而表达学生所在学校在数控技术专业上的教学水平与教学改革质量。
三、考试内容与能力要求1、数控车技能考试模块考试内容与能力要求①制定加工工艺能力能识读零件图,并根据图纸要求编制由直线、圆弧、螺纹、沟槽等构成的简单轴类加工工艺文件。
②零件定位与通用夹具选择与调整能力能根据零件的结构特点选择合适的车削夹具(如三爪卡盘、四爪卡盘、尾座顶尖等),并能正确安装与调整夹具。
③能够正确选择定位基准,并找正零件。
④刀具准备能力能根据数控车床机床特性、零件材料、零件结构特征、加工精度、工作效率等选择刀具与刀具几何参数,并确定数控加工需要的切削参数与切削用量,能够利用数控车床的功能,借助通用量具或其它简单方法确定车刀的半径及补偿,能选择、安装与使用各种形式的车刀刀具,能够刃磨常用刀具。
⑤手工编程能力能编制由直线、圆弧组成的二维轮廓数控加工程序,能够运用固定循环、子程序进行零件的加工程序编制。
⑥数控车床操作能力能够按照操作规程启动及停止机床,能使用操作面板上的常用功能键(如回零、手动、MDI、手轮等)能够通过各种途径(如DNC、网络)输入加工程序,能够通过操作面板输入与编辑加工程序,能进行对刀并确定相关坐标系能够进行程序检验、单步执行、空运行并完成零件试切,能设置刀具参数能够通过操作面板输入有关参数。
数控铣工国家职业技能标准Document serial number【UU89WT-UU98YT-UU8CB-UUUT-UUT108】数控铣工国家职业标准1.职业概况1.1职业名称数控铣工。
1.2职业定义从事编制数控加工程序并操作数控铣床进行零件铣削加工的人员。
1.3职业等级本职业共设四个等级,分别为:中级(国家职业资格四级)、高级(国家职业资格三级)、技师(国家职业资格二级)、高级技师(国家职业资格一级)。
1.4职业环境室内、常温。
1.5职业能力特征具有较强的计算能力和空间感,形体知觉及色觉正常,手指、手臂灵活,动作协调。
1.6基本文化程度高中毕业(或同等学历)。
1.7培训要求1.7.1培训期限全日制职业学校教育,根据其培养目标和教学计划确定。
晋级培训期限:中级不少于400 标准学时;高级不少于300 标准学时;技师不少于300 标准学时;高级技师不少于300 标准学时。
1.7.2培训教师培训中、高级人员的教师应取得本职业技师及以上职业资格证书或相关专业中级及以上专业技术职称任职资格;培训技师的教师应取得本职业高级技师职业资格证书或相关专业高级专业技术职称任职资格;培训高级技师的教师应取得本职业高级技师职业资格证书2年以上或取得相关专业高级专业技术职称任职资格2年以上。
1.7.3培训场地设备满足教学要求的标准教室、计算机机房及配套的软件、数控铣床及必要的刀具、夹具、量具和辅助设备等。
1.8鉴定要求1.8.1适用对象从事或准备从事本职业的人员。
1.8.2申报条件——中级:(具备以下条件之一者)(1)经本职业中级正规培训达规定标准学时数,并取得结业证书。
(2)连续从事本职业工作5年以上。
(3)取得经劳动保障行政部门审核认定的,以中级技能为培养目标的中等以上职业学校本职业(或相关专业)毕业证书。
(4)取得相关职业中级《职业资格证书》后,连续从事本职业2年以上。
——高级:(具备以下条件之一者)(1)取得本职业中级职业资格证书后,连续从事本职业工作2年以上,经本职业高级正规培训,达到规定标准学时数,并取得结业证书。
数控技术员考核内容一、专业名称专业名称:数控技术(560103)二、考核目标1、促进高职教育紧贴产业需求培养企业急需的高技能人才,促进校企合作的深入开展,促进专业社会服务能力的提升,促进数控专业学生个性化发展。
2、促进数控技术专业的教育教学改革,加强“双师型”教师队伍、实习实训条件、教学资源等基本教学条件建设。
促进高职数控技术专业课程建设,主动适应高端装备制造业转型升级要求,满足数字化、网络化、智能化、绿色制造需要,培养学生创新创业能力。
3、考核学生掌握和运用数控技术加工机械零件的熟练程度,以及运用数字化、信息化虚拟技术解决机械零件加工问题的复杂程度。
检验学生的机械图样识读、工装选择和调整、刀具的选择和刃磨、量具选择和使用、数控程序编制等专业基本技能、数控车床与数控铣床操作等专业核心技能,计算机辅助设计与制造等岗位扩展技能。
三、考核内容考核内容分为专业基本技能、专业核心技能、岗位扩展技能三个部分,数控车仿真、数控铣床仿真、CAD零件图绘制、数控车加工、数控铣加工、计算机辅助设计与制造,共六个项目。
(一)专业基本技能项目一数控车仿真技能要求:1.加工工艺的制定1)能对给定的零件图进行图形分析、结构分析、加工工艺分析;并根据零件表面形状及加工要求,选择合理的加工方法;2)能合理分配工序内容、规划合适的加工路线。
2.刀、量、夹具的合理选择和使用1)能根据零件结构特点和加工要求选择合适的夹具并能正确对给定零件进行定位及夹紧;2)能根据零件材料、零件结构特征、加工精度、工作效率等因素选择合适的加工刀具;3)能根据机床特性、零件材料、零件结构特征、加工精度、工作效率等因素确定合理的切削用量;4)能根据零件结构特征选择合适的测量工具。
3.数控车削程序的手工编制1)能按照工艺文件手工编制由直线、圆弧构成的外轮廓数控车削加工程序;2)能按照工艺文件手工编制由直线构成的内轮廓数控车削加工程序;3)能按照工艺文件手工编制切槽数控车削加工程序;4)能按照工艺文件手工编制螺纹数控车削加工程序。
数控铣床考核标准
1.职业概况:
1.1职业名称
数控铣床操作工。
1.2职业定义
从事编制数控加工程序并操作数控铣床进行零件铣削加工的人员。
1.3职业等级
本职业共设四个等级,分别为:中级(国家职业资格四级)、高级(国家职业资格三级)、技师(国家职业资格二级)、高级技师(国家职业资格一级)。
1.4基本文化程度
高中毕业(或同等学历)。
1.5培训要求
1.5.1培训期限
全日制职业学校教育,根据其培养目标和教学计划确定。
晋级培训期限:中级不少于400 标准学时;高级不少于300 标准学时。
1.5.2培训教师
培训中、高级人员的教师应取得本职业技师及以上职业资格证书或相关专业中级及以上专业技术职称任职资格。
1.5.3培训场地设备
满足教学要求的标准教室、计算机机房及配套的软件、数控铣床及必要的刀具、夹具、量具和辅助设备等。
1.6鉴定要求
1.6.1适用对象
从事或准备从事本职业的人员。
1.6.2申报条件
——中级:(具备以下条件之一者)
(1)经本职业中级正规培训达规定标准学时数,并取得结业证书。
(2)连续从事本职业工作5年以上。
(3)取得经劳动保障行政部门审核认定的,以中级技能为培养目标的中等以上职业学校本职业(或相关专业)毕业证书。
(4)取得相关职业中级《职业资格证书》后,连续从事本职业2年以上。
——高级:(具备以下条件之一者)
(1)取得本职业中级职业资格证书后,连续从事本职业工作2年以上,经本职业高级正规培训,达到规定标准学时数,并取得结业证书。
(2)取得本职业中级职业资格证书后,连续从事本职业工作4年以上。
(3)取得劳动保障行政部门审核认定的,以高级技能为培养目标的职业学校本职业(或相关专业)毕业证书。
(4)大专以上本专业或相关专业毕业生,经本职业高级正规培训,达到规定标准学时数,
并取得结业证书。
——技师:(具备以下条件之一者)
(1)取得数控铣床操作工、加工中心操作工高级职业资格证书后,连续从事本职业工作4年以上,经本职业技师正规培训达规定标准学时数,并取得结业证书。
(2)取得数控铣床操作工、加工中心操作工高级职业资格证书的职业院校本职业(专业)毕业生,连续从事本职业工作2年以上(含2年),经本职业技师正规培训达规定标准学时数,并取得结业证书。
(3)取得数控铣床操作工、加工中心操作工高级职业资格证书的本科(含本科)以上本专业或相关专业的毕业生,连续从事本职业工作2年以上,经本职业技师正规培训达规定标准学时数,并取得结业证书。
(4)已通过了数控铣床操作工、加工中心操作工高级职业资格证书,又取得机械类技师职业资格证书的人员,例如钳工技师等;
(5)工程师及以上工程技术人员或工科讲师及以上教师,又取得数控铣床操作工、加工中心操作工高级职业资格证书1年以上(含1年)者。
1.7鉴定方式
分为理论知识考试和技能操作考核。
理论知识考试采用闭卷方式,技能操作(含软件应用)考核采用现场实际操作和计算机软件操作方式。
理论知识考试和技能操作(含软件应用)考核均实行百分制,成绩皆达60分及以上者为合格。
技师论文题目自定,内容与数控加工相关,不少于3500字,通过查阅资料、进行调研和实验之后撰写论文,首先交论文考评人员初审,论文初审合格后再参加论文答辩。
理论知识考试、技能操作考核、论文答辩三项均合格后,颁发职业资格证书。
1.7.1考评人员与考生配比
理论知识考试考评人员与考生配比为1:15,每个标准教室不少于2名相应级别的考评员;技能操作(含软件应用)考核考评员与考生配比为1:2,且不少于3名相应级别的考评员;综合评审委员不少于5人。
1.7.2鉴定时间
理论知识考试为120分钟,技能操作考核中实操时间为:中级、高级不少于240分钟,
技能操作考核中软件应用考试时间为不超过120分钟。
技师技能操作(含软件应用)考核时间为300分钟。
技师论文答辩时间为45分钟。
1.7.3鉴定场所设备
理论知识考试在标准教室里进行,软件应用考试在计算机机房进行,技能操作考核在配备必要的数控铣床及必要的刀具、夹具、量具和辅助设备的场所进行。
2.基本要求:
2.1职业道德
2.1.1职业道德基本知识
2.1.2职业守则
(1)遵守国家法律、法规和有关规定;
(2)具有高度的责任心、爱岗敬业、团结合作;
(3)严格执行相关标准、工作程序与规范、工艺文件和安全操作规程;(4)学习新知识新技能、勇于开拓和创新;
(5)爱护设备、系统及工具、夹具、量具;
(6)着装整洁,符合规定;保持工作环境清洁有序,文明生产。
2.2基础知识
2.2.1基础理论知识
(1)机械制图
(2)工程材料及金属热处理知识
(3)机电控制知识
(4)计算机基础知识
(5)专业英语基础
2.2.2机械加工基础知识
(1)机械原理
(2)常用设备知识(分类、用途、基本结构及维护保养方法)
(3)常用金属切削刀具知识
(4)典型零件加工工艺
(5)设备润滑和冷却液的使用方法
(6)工具、夹具、量具的使用与维护知识
(7)铣工、镗工基本操作知识
2.2.3安全文明生产与环境保护知识
(1)安全操作与劳动保护知识
(2)文明生产知识
(3)环境保护知识
2.2.4质量管理知识
(1)企业的质量方针
(2)岗位质量要求
(3)岗位质量保证措施与责任
2.2.5相关法律、法规知识
(1)劳动法的相关知识
(2)环境保护法的相关知识(3)知识产权保护法的相关知识
3.工作要求:
本标准对中级、高级的技能要求依次递进,高级别涵盖低级别的要求。
中级
3.1.1理论知识鉴定内容
3.1.2实际操作鉴定内容
3.2高级
3.2.2实际操作鉴定内容
技师
3.3.1技师理论知识鉴定内容。